The Influence of Material Type and Hardness on the Number of Embedded Abrasive Particles during Airborne-Particle Abrasion
Abstract
:1. Introduction
2. Materials and Methods
3. Results
4. Discussion
5. Conclusions
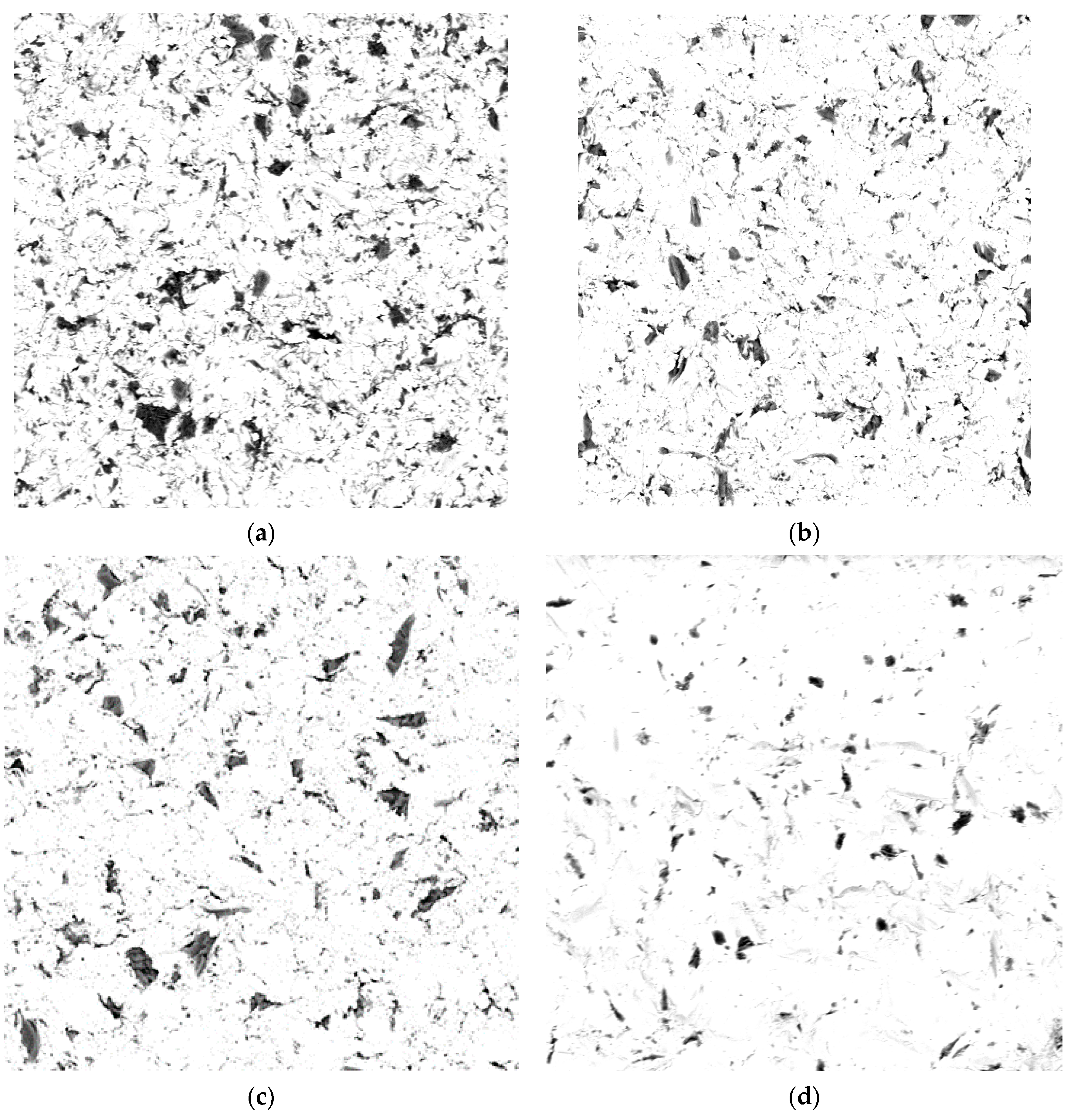
- After airborne-particle abrasion, embedded abrasive particles remain on the treated surface.
- The amount of embedded abrasive particles depends on the type of treated material, its gradation, and the amount of applied pressure.
- Harder treated materials are more resistant to abrasive grains becoming embedded on surface.
Author Contributions
Funding
Institutional Review Board Statement
Informed Consent Statement
Conflicts of Interest
References
- Gołębiowski, M.; Sobczyk-Guzenda, A.; Szymański, W.; Klimek, L. Influence of parameters of stream abrasive treatment of titanium surfaces on contact angle and surface free energy. Mater. Eng. 2010, 173, 978–980. [Google Scholar]
- Hautaniemi, J.A.; Hero, H.; Juhanoja, J.T. On the bonding of porcelain on titanium. J. Mater. Sci. 1992, 3, 186–191. [Google Scholar] [CrossRef]
- Hofstede, T.M.; Ercoli, C.; Graser, G.N.; Tallents, R.H.; Moss, M.E.; Zero, D.T. Influence of metal surface finishing on porcelain porosity and beam failure loads at the metal-ceramic interface. J. Prosthet. Dent. 2000, 84, 309–317. [Google Scholar] [CrossRef] [PubMed]
- Faltermeier, A.; Behr, M. Effect of bracket base conditioning. Am. J. Orthod. Dentofac. Orthop. 2009, 135, e1–e12. [Google Scholar] [CrossRef] [PubMed]
- Radovic, I.; Goracci, F.C.M.; Cury, A.H.; Ivanovic, C.; Vulicevic, Z.R.; Garcia-Godoy, F.; Ferrari, M. The effect of sandblasting on adhesion of a dual-cured resin composite to methacrylic fiber posts: Microtensile bond strength and SEM evaluation. J. Dent. 2007, 35, 496–502. [Google Scholar] [CrossRef] [PubMed]
- Zhang, Y.; Yu, X.; Zhou, Q.; Chen, F.; Li, K. Fabrication of superhydrophobic copper surface with ultra-low water roll angle. Appl. Mater. Sci. 2010, 256, 1883–1887. [Google Scholar] [CrossRef]
- Packham, D.E. Surface energy, surface topography and adhesion. Int. J. Adhes. Adhes. 2003, 23, 437–448. [Google Scholar] [CrossRef] [Green Version]
- Li, W.; Li, D.Y. Influence of surface morphology on corrosion and electronic behaviour. Acta Mater. 2006, 54, 445–452. [Google Scholar] [CrossRef]
- Cabrini, M.; Cigada, A.; Rondelli, G.; Vicentini, B. Effect of different surface finishing and of hydroxyapatite coatings on passive and corrosion current of Ti6Al4V alloy in simulated physiological solution. Biomaterials 1997, 18, 783–787. [Google Scholar] [CrossRef]
- Shahryari, A.; Kamal, W.; Omanovic, S. The effect of surface roughness on the efficiency of the cyclic potentiodynamic passivation (CPP) method in the improvement of general and pitting corrosion resistance of 316LVM stainless steel. Mater. Lett. 2008, 62, 3906–3909. [Google Scholar] [CrossRef]
- Cassuci, A.; Osorio, E.; Osorio, R.; Monticelli, F.; Toledano, M.; Mazzitelli, C.; Ferrari, M. Influence of different surface treatments on surface zirconia frameworks. J. Dent. 2009, 37, 891–897. [Google Scholar] [CrossRef] [PubMed]
- Wang, R.R.; Lu, C.L.; Wang, G.; Zhang, D.S. Influence of cyclic loading on the fracture toughness and load bearing capacities of all-ceramic crowns. Int. J. Oral Sci. 2014, 6, 99–104. [Google Scholar] [CrossRef] [PubMed] [Green Version]
- Ozcan, M.; Melo, R.M.; Souza, R.O.; Machado, J.P.; Valandro, L.F.; Bottino, M.A. Effect of air-particle abrasion protocols on the biaxial flexural strength, surface characteristics and phase transformation of zirconia after cyclic loading. J. Mech. Behav. Biomed. Mater. 2013, 20, 19–28. [Google Scholar] [CrossRef] [PubMed] [Green Version]
- Souza, R.O.; Valandro, L.F.; Melo, R.M.; Machado, J.P.; Bottino, M.A.; Özcan, M. Air—particle abrasion on zirconia ceramic using different protocols: Effects on biaxial flexural strength after cyclic loading, phase transformation and surface topography. J. Mech. Behav. Biomed. Mater. 2013, 26, 155–163. [Google Scholar] [CrossRef]
- Curtis, A.R.; Wright, A.J.; Fleming, G.J. The influence of surface modification techniques on the performance of a Y-TZP dental ceramic. J. Dent. 2006, 34, 195–206. [Google Scholar] [CrossRef]
- Śmielak, B.; Klimek, L. Effect of air abrasion on the number of particles embedded in zirconia. Materials 2018, 11, 259. [Google Scholar] [CrossRef] [Green Version]
- Gilbert, J.L.; Covey, D.L.; Lautenschlager, E.P. Bond characteristic of porcelain fused to milled titanium. Dent. Mater. 1994, 10, 134–140. [Google Scholar] [CrossRef]
- Van Niekerk, A.J.; Caputa, T. Modern Prosthetic Restorations in Art and Craft, 3rd ed.; Selected Texts; Company Elamed: Katowice, Poland, 2007; pp. 228–234. [Google Scholar]
- Szala, J. Application of computer picture analysis methods to quantitative assessment of structure in materials. Sci. J. Silesian Univ. Technol. Ser. Metall. 2008, 82, 34–42. [Google Scholar]
- Pietnicki, K.; Wołowiec, E.; Klimek, L. The effect of abrasive blasting on the strength of a joint between dental porcelain and metal base. Acta Bioeng. Biomech. 2014, 16, 63–68. [Google Scholar]
- Czepułkowska, W.; Korecka-Wołowiec, E.; Klimek, L. The Condition of Ni-Cr Alloy Surface after Abrasive Blasting with Various Parameters. J. Mater. Eng. Perform. 2019, 29, 1439–1444. [Google Scholar] [CrossRef] [Green Version]
- Aboushelib, M.N.; Kleverlaan, C.J.; Feilzer, A.J. Microtensile bond strength of different components of core veneered all-ceramic restorations Part II. Zirconia veneering ceramics. Dent. Mater. 2006, 22, 857–863. [Google Scholar] [CrossRef] [PubMed]
- Aboushelib, M.N. Microtensile bond strength and impact energy of fracture of CAD-veneered zirconia restorations. J. Prosthodont. 2009, 21, 211–216. [Google Scholar] [CrossRef] [PubMed]
- Derand, T.; Herø, H. Bond strength of porcelain on cast vs wrought titanium. Scand. J. Dent. Res. 1992, 100, 184–188. [Google Scholar] [CrossRef] [PubMed]
- Yamada, K.; Onizuka, T.; Sumii, T.; Swain, M.V. The effect of Goldbonder™ on the adhesion between porcelain and pure titanium. J. Oral Rehabil. 2004, 31, 775–784. [Google Scholar] [CrossRef]
- Kosmac, T.; Oblak, C.; Jevnikar, P.; Funduk, N.; Marion, L. Strength and reliability of surface treated Y-TZP dental ceramics. J. Biomed. Mater. Res. 2000, 53, 304–313. [Google Scholar] [CrossRef]
- Lenz, J.; Schwarz, S.; Schwickerath, H.; Sperner, F.; Schäfer, A. Bond strength of metal-ceramic systems in three-point flexural bond test. J. Appl. Biomater. 1995, 6, 55–64. [Google Scholar] [CrossRef]
- Suansuwan, N.; Swain, M.V. New approach for evaluating metal-porcelain interfacial bonding. Int. J. Prosthodont. 1999, 2, 547–552. [Google Scholar]
- Yamada, K.; Suansuwan, N.; Sumii, T.; Swain, M.V. Comparison of the bonding strength of porcelain with different bonding systems and alloys as measured by interfacial toughness. J. Dent. Res. 2001, 80, 754. [Google Scholar]
- Atsu, S.; Berksun, S. Bond strength of three porcelains to forms of titanium using two firing atmospheres. J. Prosthet. Dent. 2000, 84, 467–474. [Google Scholar] [CrossRef]
- Probster, L.; Maiwald, U.; Weber, H. Three-point binding strength of ceramics fused to cast titanium. Eur. J. Oral Sci. 1996, 104, 313–319. [Google Scholar] [CrossRef]
- Zhang, Y.; Pajares, A.; Lawn, B.R. Fatigue and damage tolerance of Y-TZP ceramics in layered biomechanical systems. J. Biomed. Mater. Res. B Appl. Biomater. 2004, 71, 166–171. [Google Scholar] [CrossRef] [PubMed]



| Material | Gradation (μm) | Pressure (MPa) |
|---|---|---|
| alloy Ti | 50 | 0.2 0.4 0.6 |
| 110 | 0.2 0.4 0.6 | |
| 250 | 0.2 0.4 0.6 | |
| alloy Ni/Cr | 50 | 0.2 0.4 0.6 |
| 110 | 0.2 0.4 0.6 | |
| 250 | 0.2 0.4 0.6 | |
| alloy Co/Cr | 50 | 0.2 0.4 0.6 |
| 110 | 0.2 0.4 0.6 | |
| 250 | 0.2 0.4 0.6 | |
| ZrO2 | 50 | 0.2 0.4 0.6 |
| 110 | 0.2 0.4 0.6 | |
| 250 | 0.2 0.4 0.6 |
| Material | Gradation (μm) | Pressure (MPa) | Arithmetic Mean | Standard Deviation | Standard Error of the Mean | Uniform Groups (Tukey’s Post Hoc Test) |
|---|---|---|---|---|---|---|
| alloy Ti | 50 | 0.2 | 22.02 | 1.78 | 0.30 | jk |
| 0.4 | 25.09 | 1.58 | 0.27 | mn | ||
| 0.6 | 28.53 | 1.53 | 0.26 | o | ||
| 110 | 0.2 | 24.76 | 1.90 | 0.32 | mn | |
| 0.4 | 28.94 | 1.68 | 0.28 | o | ||
| 0.6 | 35.15 | 2.41 | 0.41 | r | ||
| 250 | 0.2 | 32.19 | 2.79 | 0.47 | p | |
| 0.4 | 35.73 | 1.56 | 0.26 | r | ||
| 0.6 | 40.06 | 1.83 | 0.31 | s | ||
| alloy Ni/Cr | 50 | 0.2 | 14.01 | 2.00 | 0.34 | e |
| 0.4 | 17.66 | 1.44 | 0.24 | h | ||
| 0.6 | 21.44 | 1.90 | 0.32 | ij | ||
| 110 | 0.2 | 20.20 | 1.66 | 0.28 | i | |
| 0.4 | 23.16 | 1.26 | 0.21 | kl | ||
| 0.6 | 26.01 | 1.56 | 0.26 | n | ||
| 250 | 0.2 | 23.31 | 1.52 | 0.26 | kl | |
| 0.4 | 25.48 | 1.48 | 0.25 | n | ||
| 0.6 | 29.31 | 1.65 | 0.28 | o | ||
| alloy Co/Cr | 50 | 0.2 | 15.25 | 1.58 | 0.27 | ef |
| 0.4 | 20.20 | 1.66 | 0.28 | i | ||
| 0.6 | 23.77 | 1.47 | 0.25 | lm | ||
| 110 | 0.2 | 16.74 | 1.81 | 0.31 | gh | |
| 0.4 | 22.03 | 1.69 | 0.29 | jk | ||
| 0.6 | 25.07 | 1.34 | 0.23 | mn | ||
| 250 | 0.2 | 15.43 | 1.64 | 0.28 | fg | |
| 0.4 | 16.92 | 2.05 | 0.35 | h | ||
| 0.6 | 22.05 | 1.89 | 0.32 | jk | ||
| ZrO2 | 50 | 0.2 | 4.47 | 0.40 | 0.07 | cd |
| 0.4 | 5.30 | 0.46 | 0.08 | d | ||
| 0.6 | 4.63 | 0.38 | 0.07 | d | ||
| 110 | 0.2 | 4.15 | 0.41 | 0.07 | cd | |
| 0.4 | 4.40 | 0.43 | 0.07 | cd | ||
| 0.6 | 4.23 | 0.36 | 0.06 | cd | ||
| 250 | 0.2 | 3.08 | 0.33 | 0.06 | ac | |
| 0.4 | 2.79 | 0.37 | 0.06 | a | ||
| 0.6 | 2.66 | 0.30 | 0.05 | a |
| Arithmetic Mean | Standard Deviation | Standard Error of the Mean | Uniform Groups (Tukey Post Hoc Test) | |||
|---|---|---|---|---|---|---|
| Material | Ti | 30.28 | 5.93 | 0.33 | d | |
| Ni/Cr | 22.29 | 4.64 | 0.26 | c | ||
| Co/Cr | 19.72 | 3.90 | 0.22 | b | ||
| ZrO2 | 3.97 | 0.94 | 0.05 | a | ||
| Gradation (μm) | 50 | 16.86 | 8.09 | 0.39 | a | |
| 110 | 19.57 | 9.96 | 0.49 | b | ||
| 250 | 20.75 | 12.49 | 0.61 | c | ||
| Pressure (MPa) | 0.2 | 16.30 | 8.78 | 0.43 | a | |
| 0.4 | 18.97 | 9.92 | 0.48 | b | ||
| 0.6 | 21.91 | 11.71 | 0.57 | c | ||
| F | p | Eta-squared partially | ||||
| Material | 16280.70 | <0.0001 | 0.9756 | |||
| Gradation (μm) | 709.34 | <0.0001 | 0.5368 | |||
| Pressure (MPa) | 1407.50 | <0.0001 | 0.6970 | |||
| Material *Gradation | 519.00 | <0.0001 | 0.7178 | |||
| Material *Pressure (MPa) | 168.22 | <0.0001 | 0.4519 | |||
| Gradation*Pressure (MPa) | 11.30 | <0.0001 | 0.0356 | |||
| Material *Gradation*Pressure (MPa) | 8.67 | <0.0001 | 0.0784 | |||
| Material | |||
|---|---|---|---|
| Alloy Ti | Alloy Ni/Cr | Alloy Co/Cr | ZrO2 |
| 94 | 187 | 405 | 1410 |
| 95 | 186 | 400 | 1405 |
| 97 | 186 | 396 | 1410 |
| 101 | 184 | 422 | 1399 |
| 90 | 189 | 393 | 1432 |
| 98 | 182 | 402 | 1416 |
| X mean = 96 | X mean = 186 | X mean = 403 | X mean = 1412 |
| SD = 3.8 | SD = 2.4 | SD = 10.2 | SD = 11.3 |
Publisher’s Note: MDPI stays neutral with regard to jurisdictional claims in published maps and institutional affiliations. |
© 2022 by the authors. Licensee MDPI, Basel, Switzerland. This article is an open access article distributed under the terms and conditions of the Creative Commons Attribution (CC BY) license (https://creativecommons.org/licenses/by/4.0/).
Share and Cite
Smielak, B.; Klimek, L. The Influence of Material Type and Hardness on the Number of Embedded Abrasive Particles during Airborne-Particle Abrasion. Materials 2022, 15, 2794. https://doi.org/10.3390/ma15082794
Smielak B, Klimek L. The Influence of Material Type and Hardness on the Number of Embedded Abrasive Particles during Airborne-Particle Abrasion. Materials. 2022; 15(8):2794. https://doi.org/10.3390/ma15082794
Chicago/Turabian StyleSmielak, Beata, and Leszek Klimek. 2022. "The Influence of Material Type and Hardness on the Number of Embedded Abrasive Particles during Airborne-Particle Abrasion" Materials 15, no. 8: 2794. https://doi.org/10.3390/ma15082794
APA StyleSmielak, B., & Klimek, L. (2022). The Influence of Material Type and Hardness on the Number of Embedded Abrasive Particles during Airborne-Particle Abrasion. Materials, 15(8), 2794. https://doi.org/10.3390/ma15082794

