Electrical Resistivity and Microwave Properties of Carbon Fiber Felt Composites
Abstract
1. Introduction
2. Materials and Methods
2.1. Carbon Fiber Felt Composites
2.2. Measurement Techniques
3. Results
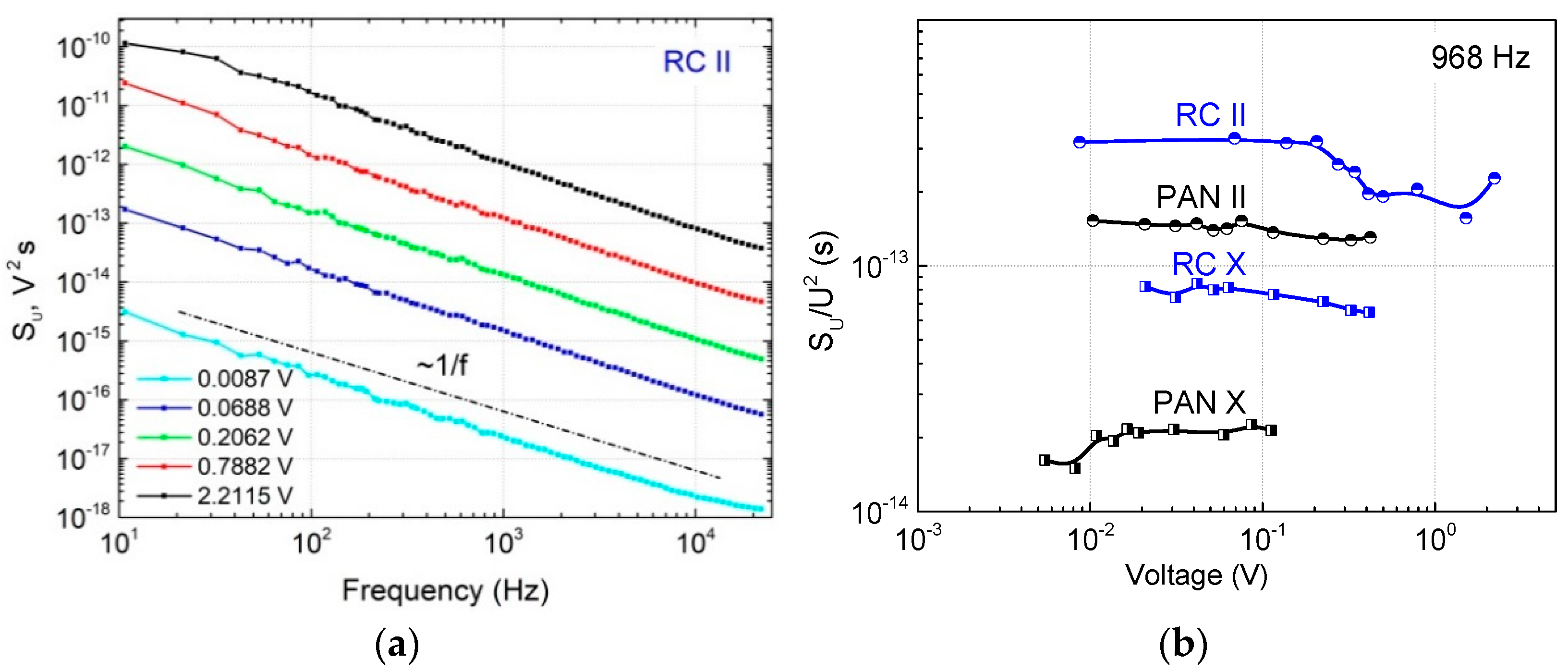
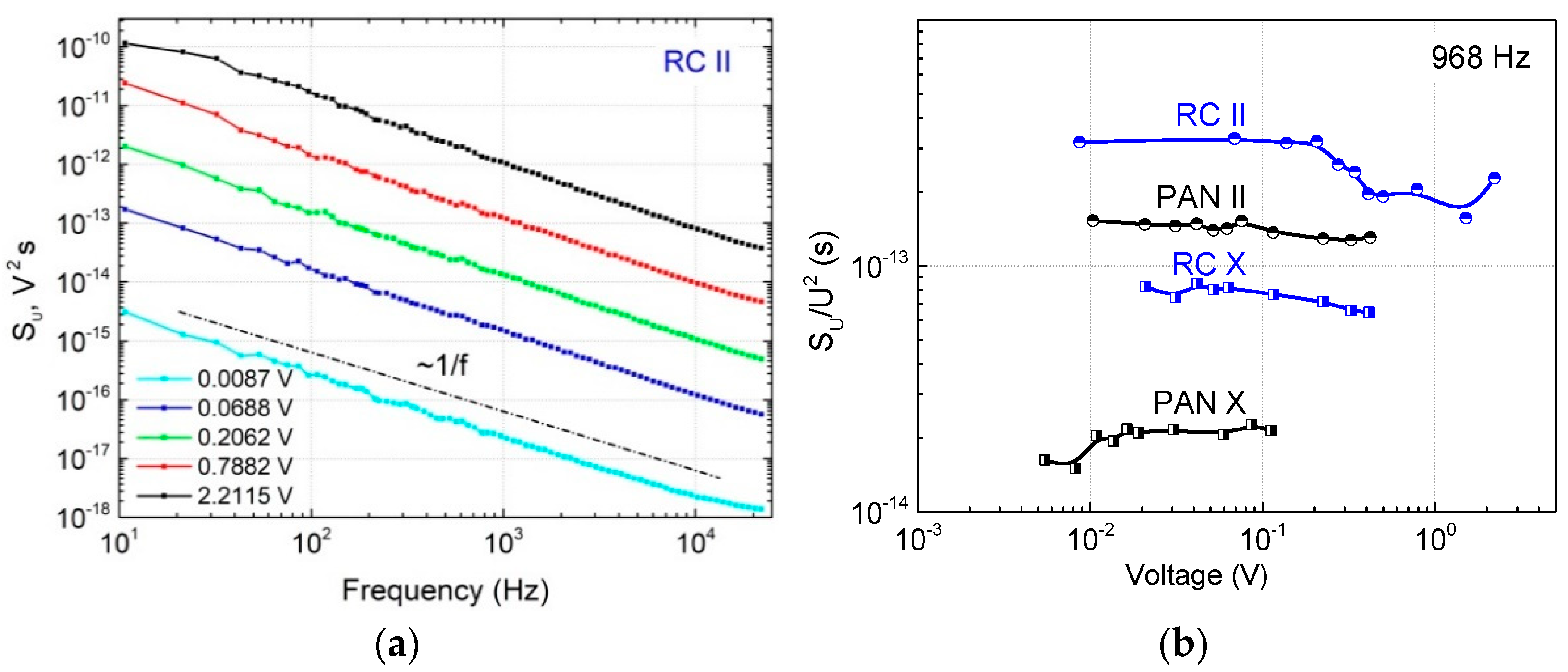
3.1. Electrical Transport
3.2. Microwave Properties
4. Conclusions
Author Contributions
Funding
Institutional Review Board Statement
Informed Consent Statement
Data Availability Statement
Conflicts of Interest
References
- Ryu, S.H.; Kim, H.; Park, S.W.; Kwon, S.J.; Kim, S.; Lim, H.R.; Park, B.; Lee, S.B.; Choa, Y.H. Millimeter-scale percolated polyethylene/graphene composites for 5G electromagnetic shielding br. ACS Appl. Nano Mater. 2022, 5, 8429. [Google Scholar] [CrossRef]
- Karakashov, B.; Taghite, M.B.; Kouitat, R.; Fierro, V.; Celzard, A. Mechanical and thermal behavior of fibrous carbon materials. Materials 2021, 14, 1796. [Google Scholar] [CrossRef] [PubMed]
- Yin, Z.T.; Cai, W.; Lu, J.Y.; Yu, B.; Wang, B.B.; Song, L.; Hu, Y. Cost-effective graphite felt and phosphorous flame retardant with extremely high electromagnetic shielding. Compos. Part B-Eng. 2022, 236, 109819. [Google Scholar] [CrossRef]
- Guo, Z.Z.; Ren, P.G.; Zhang, Z.P.; Dai, Z.; Hui, K.D.; Yan, H.H. Simultaneous realization of highly efficient electromagnetic shielding and human motion detection in carbon fiber felt decorated with silver nanowires and thermoplastic polyurethane. J. Mater. Chem. C 2021, 9, 6894. [Google Scholar] [CrossRef]
- Zhou, M.; Wang, J.W.; Wang, G.H.; Zhao, Y.; Tang, J.M.; Pan, J.X.; Ji, G.B. Lotus leaf-inspired and multifunctional Janus carbon felt@Ag composites enabled by in situ asymmetric modification for electromagnetic protection and low-voltage joule heating. Compos. Part B-Eng. 2022, 242, 110110. [Google Scholar] [CrossRef]
- Faulstich de Paiva, J.M.; Mayer, S.; Rezende, M.C. Evaluation of mechanical properties of four different carbon/epoxy composites used in aeronautical field. Mater. Res. 2005, 8, 91–97. [Google Scholar] [CrossRef]
- Han, F.D.; Yao, B.; Bai, Y.J. Preparation of Carbon Nano-Onions and Their Application as Anode Materials for Rechargeable Lithium-Ion Batteries. Phys. Chem. 2011, 115, 8923. [Google Scholar] [CrossRef]
- Aref, A.R.; Chen, S.W.; Rajagopalan, R.; Randall, C. Bimodal porous carbon cathode and prelithiated coalesced carbon onion anode for ultrahigh power energy efficient lithium ion capacitors. Carbon 2019, 152, 89. [Google Scholar] [CrossRef]
- Yoon, N.; Lee, Y.; Kang, D.; Min, J.; Won, J.; Kim, M.; Kan, Y.S.; Kim, S.-H.; Kim, J.-J. Modification of hidrogenated bisphenol A epoxy adhesives using nanomaterials. Int. J. Adhes. Adhes. 2011, 31, 119–125. [Google Scholar] [CrossRef]
- Baker, A.; Dutton, S.; Kelly, D. Composite Materials for Aircraft Structures, 2nd ed.; American Inst. of Aeronautics and Astronautic: Reston, VA, USA, 2004; p. 599. [Google Scholar]
- Starcev, O.V.; Hristoforov, D.A.; Kliusnicenko, A.B.; Rumiancev, A.F.; Guniaev, G.M.; Raskutin, A.E. Relaxation of temperature deformations of carbon fibers. Acad. Sci. Rep. 2002, 390, 9. (In Russian) [Google Scholar]
- Starcev, V.O.; Raskutin, A.E.; Starcev, O.V.; Guniaev, G.M. Thermal Expansion of Carbon Fibers and Carbon Plastics Based on Them, Technique and Technology for the Production of Thermal Insulation Materials from Mineral Raw Materials; AltGTU: Barnaul, Russia, 2009; pp. 153–159. (In Russian) [Google Scholar]
- Choi, I.; Lee, D.G. Surface modification of carbon fiber/epoxy composites with randomly oriented aramid fiber felt for adhesion strength enhancement. Compos. Part A Appl. Sci. Manuf. 2013, 48, 1–8. [Google Scholar] [CrossRef]
- Luo, R.; Liu, T.; Li, J.; Zhang, H.; Chen, Z.; Tian, G. Thermophysical properties of carbon/carbon composites and physical mechanism of thermal expansion and thermal conductivity. Carbon 2004, 42, 2887–2895. [Google Scholar] [CrossRef]
- Jin, F.L.; Park, S.J. Recent Advances in Carbon-Nanotube-Based Epoxy Composites. Carbon Lett. 2013, 14, 1–13. [Google Scholar] [CrossRef]
- Guadagno, L.; Raimondo, M.; Vittoria, V.; Vertuccio, L.; Lafdi, K.; De Vivo, B.; Lamberti, P.; Spinelli, G.; Tucci, V. The role of carbon nanofiber defects on the electrical and mechanical properties of CNF-based resins. Nanotechnology 2013, 24, 1–12. [Google Scholar] [CrossRef] [PubMed]
- Palenskis, V.; Matukas, J.; Vyšniauskas, J.; Pralgauskaitė, S.; Shtrikman, H.; Seliuta, D.; Kašalynas, I.; Valušis, G. Analysis of noise characteristics of GaAs tunnel diodes. Fluct. Noise Lett. 2013, 12, 1350014–1350027. [Google Scholar] [CrossRef]
- Palenskis, V.; Matukas, J.; Pralgauskaitė, S.; Seliuta, D.; Kašalynas, I.; Subačius, L.; Valušis, G.; Khanna, S.P.; Linfield, E.H. Low-frequency noise properties of beryllium δ-doped GaAs/AlAs quantum wells near the Mott transition. J. Appl. Phys. 2013, 113, 083707. [Google Scholar] [CrossRef]
- Pralgauskaitė, S.; Palenskis, V.; Matukas, J.; Šaulys, B.; Kornijčuk, V.; Verdingovas, V. Analysis of mode-hopping effect in Fabry-Pérot multiple-quantum well laser diodes via low frequency noise investigation. Solide-State Electron. 2013, 79, 104–110. [Google Scholar] [CrossRef]
- Jones, B.K. Low-frequency noise spectroscopy. IEEE Trans. Electron. Dev. 1994, 41, 2188–2197. [Google Scholar] [CrossRef]
- Karakashov, B.; Toutain, J.; Achchaq, F.; Legros, P.; Fierro, V.; Celzard, A. Permeability of fibrous carbon materials. J. Mater. Sci. 2019, 54, 13537–13556. [Google Scholar] [CrossRef]
- Karakashov, B.; Fierro, V.; Mathieu, S.; Gadonneix, P.; Medjahdi, G.; Celzard, A. Structural characterisation and chemical stability of commercial fibrous carbons in molten lithium salts. Materials 2019, 12, 4232. [Google Scholar] [CrossRef]
- Zhao, J.X.; Ding, K.H.; Wei, J.X. Research on thermophysical properties and anti-thermal-vibration properties of C/C composites. Acta Mater. Compos. Sin. 1987, 4, 45–50. [Google Scholar]
- Grigas, J. Microwave dielectric spectroscopy of ferroelectrics. Ferroelectrics 2009, 380, 37–41. [Google Scholar] [CrossRef]
- Zeng, X.C.; Bergman, D.J.; Hui, P.M.; Stroud, D. Effective-medium theory for weakly nonlinear composites. Phys. Rev. 1988, 37, 10970. [Google Scholar] [CrossRef]
- Gefen, Y.; Shih, W.-H.; Laibowitz, R.B.; Viggiano, J.M. Nonlinear Behavior near the Percolation Metal-Insulator Transition. Phys. Rev. Lett. 1986, 57, 3097. [Google Scholar] [CrossRef]
- Plyushch, A.; Macutkevic, J.; Svirskas, S.; Banys, J.; Plausinaitiene, V.; Bychanok, D.; Maksimenko, S.A.; Selskis, A.; Sokal, A.; Lapko, K.N.; et al. Silicon carbide/phosphate ceramics composite for electromagnetic shielding applications whiskers vs. particles. Appl. Phys. Lett. 2019, 114, 183105. [Google Scholar] [CrossRef]
- Chen, Z.; Zhang, Y.; Wang, Z.; Wu, Y.; Zhao, Y.; Liu, L.; Ji, G. Bioinspired moth-eye multi-mechanism composite ultra-wideband microwave absorber based on the graphite powder. Carbon 2023, 201, 542–548. [Google Scholar] [CrossRef]
- Plyushch, A.; Maciulis, N.; Sokal, A.; Grigalaitis, R.; Macutkevic, J.; Kudlash, A.; Apanasevich, N.; Lapko, K.; Selskis, A.; Maksimenko, S.A.; et al. 0.7Pb(Mg1/3Nb2/3)O3-0.3PbTiO3 phosphate composites: Dielectric and ferroelectric properties. Materials 2021, 14, 5065. [Google Scholar] [CrossRef]
- Plyushch, A.; Macutkevic, J.; Kuzhir, P.; Sokal, A.; Lapko, K.; Selskis, A.; Banys, J. Synergy effects in electromagnetic properties of phosphate ceramics with silicon carbide whiskers and carbon nanotubes. Appl. Sci. 2019, 9, 4388. [Google Scholar] [CrossRef]
- Palaimiene, E.; Macutkevic, J.; Banys, J.; Selskis, A.; Apanasevich, N.; Kudlash, A.; Sokal, A.; Lapko, K. Phosphate ceramics with silver nanoparticles for electromagnetic shielding applications. Materials 2022, 15, 7100. [Google Scholar] [CrossRef]
- Peng, Q.; Ma, M.; Chen, S.; Shi, Y.; He, H.; Wang, X. Magnetic-conductive bi-gradient structure design of CP/PGFF/Fe3O4 composites for highly absorbed EMI shielding and balanced mechanical strength. J. Mater. Sci. Technol. 2023, 133, 102–110. [Google Scholar] [CrossRef]
- Bychanok, D.S.; Kaqnygin, M.A.; Okotrub, A.V.; Shuba, M.V.; Paddubskaya, A.G.; Pliushch, A.O.; Kuzhir, P.P.; Maksimenko, S.A. Anisotropy of the electromagnetic properties of polymer composites based on multiwall carbon nanotubes in the gigahertz frequency range. Jetp Lett. 2011, 93, 607–611. [Google Scholar] [CrossRef]
- Sedelnikova, O.V.; Kanygin, M.A.; Korovin EYu Bulusheva, L.G.; Suslyaev, V.I.; Okotrub, A.V. Effect of fabrication method on the structure and electromagnetic response of carbon nanotube/polystyrene composites in low-frequency and Ka bands. Compos. Sci. Technol. 2014, 102, 59–64. [Google Scholar] [CrossRef]
- Zubair, A.; Tsentalovich, D.E.; Young, C.C.; Heimbeck, M.S.; Everit, H.O.; Pasquali, M.; Kono, J. Carbon nanotube fiber terahertz polarizer. Appl. Phys. Lett. 2016, 108, 141107. [Google Scholar] [CrossRef]
- Bychanok, D.S.; Shuba, M.V.; Kuzhir, P.P.; Maksimenko, S.A.; Kubarev, V.V.; Kanygin, M.A.; Sedelnikova, O.V.; Bulusheva, L.G.; Okotrub, A.V. Anisotropic electromagnetic properties of polymer composites containing oriented multiwall carbon nanotubes in respect to terahertz polarizer applications. J. Appl. Phys. 2013, 114, 114304. [Google Scholar] [CrossRef]
- Bârsan, O.A.; He, G.; Alkorre, H.; Stiens, J.; With, G. Identifying anisotropy in seemingly random CNT networks using terahertz techniques. Compos. Sci. Technol. 2017, 151, 10–15. [Google Scholar] [CrossRef]
- Tennant, A.; Chambers, B. A single-layer tuneable microwave absorber using an active FSS, IEEE microwave and absorber using an active. IEEE Microw. Wirel. Compon. Lett. 2004, 14, 46–47. [Google Scholar] [CrossRef]






Publisher’s Note: MDPI stays neutral with regard to jurisdictional claims in published maps and institutional affiliations. |
© 2022 by the authors. Licensee MDPI, Basel, Switzerland. This article is an open access article distributed under the terms and conditions of the Creative Commons Attribution (CC BY) license (https://creativecommons.org/licenses/by/4.0/).
Share and Cite
Tretjak, M.; Pralgauskaitė, S.; Matukas, J.; Plyushch, A.; Macutkevič, J.; Banys, J.; Karakashov, B.; Fierro, V.; Celzard, A. Electrical Resistivity and Microwave Properties of Carbon Fiber Felt Composites. Materials 2022, 15, 8654. https://doi.org/10.3390/ma15238654
Tretjak M, Pralgauskaitė S, Matukas J, Plyushch A, Macutkevič J, Banys J, Karakashov B, Fierro V, Celzard A. Electrical Resistivity and Microwave Properties of Carbon Fiber Felt Composites. Materials. 2022; 15(23):8654. https://doi.org/10.3390/ma15238654
Chicago/Turabian StyleTretjak, Marina, Sandra Pralgauskaitė, Jonas Matukas, Artyom Plyushch, Jan Macutkevič, Jūras Banys, Blagoj Karakashov, Vanessa Fierro, and Alain Celzard. 2022. "Electrical Resistivity and Microwave Properties of Carbon Fiber Felt Composites" Materials 15, no. 23: 8654. https://doi.org/10.3390/ma15238654
APA StyleTretjak, M., Pralgauskaitė, S., Matukas, J., Plyushch, A., Macutkevič, J., Banys, J., Karakashov, B., Fierro, V., & Celzard, A. (2022). Electrical Resistivity and Microwave Properties of Carbon Fiber Felt Composites. Materials, 15(23), 8654. https://doi.org/10.3390/ma15238654

