Detecting Defects in Composite Polymers by Using 3D Scanning Laser Doppler Vibrometry
Abstract
1. Introduction
2. Materials and Methods
3. Modeling
4. Results and Discussion
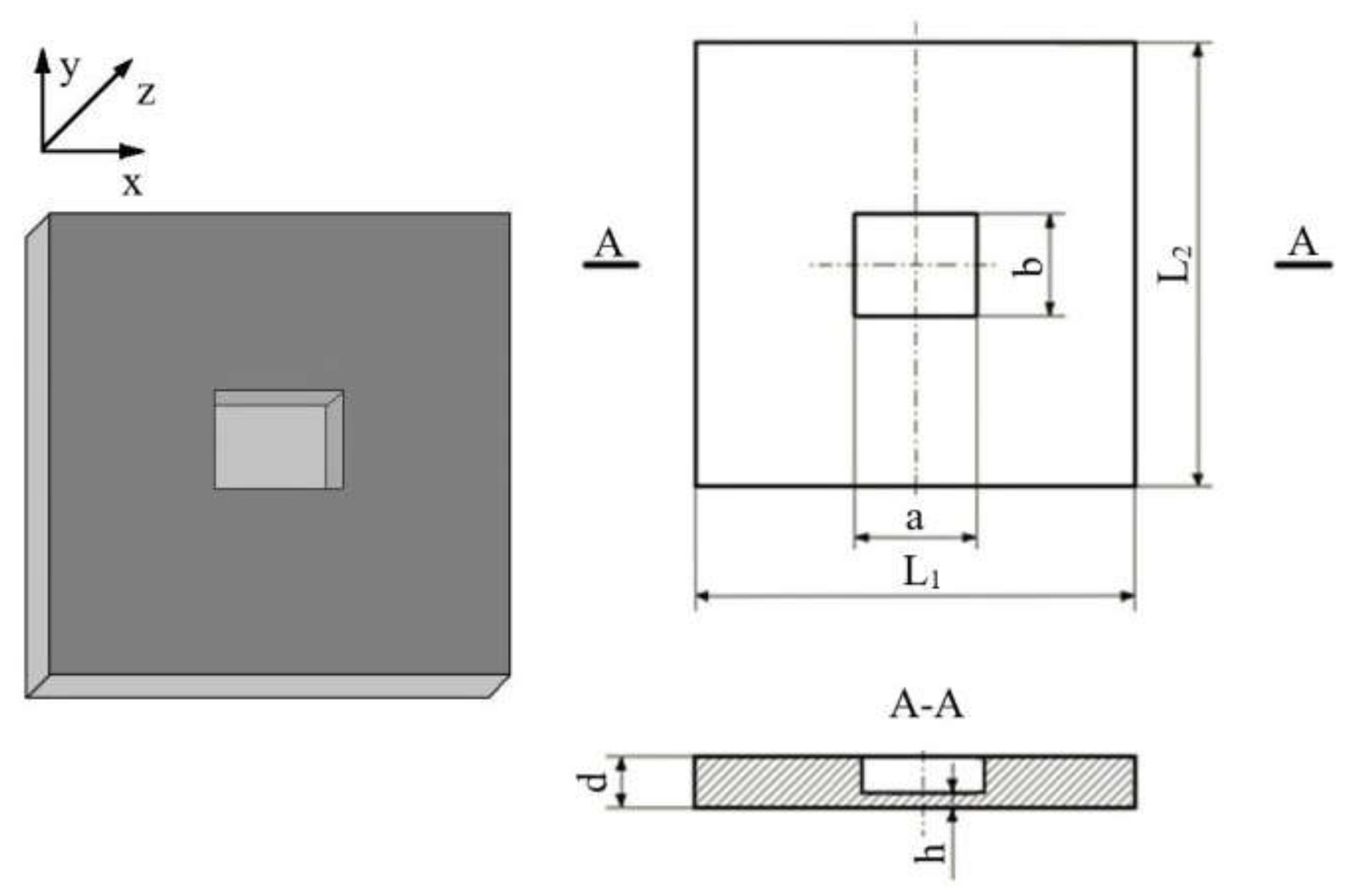
4.1. FBH Tests
4.2. Analyzing Acoustic Stimulation Power
4.3. 3D Scanning of Impact Damage in CFRP
5. Conclusions
Author Contributions
Funding
Data Availability Statement
Conflicts of Interest
References
- Mamidi, N.; Garcia, R.G.; Martinez, J.D.H. Recent Advances in Designing Fibrous Biomaterials for the Domain of Biomedical, Clinical, and Environmental Applications. ACS Biomater. Sci. Eng. 2022, 8, 3690–3716. [Google Scholar] [CrossRef]
- Mamidi, N.; Velasco Delgadillo, R.M.; Barrera, E.V.; Ramakrishna, S.; Annabi, N. Carbonaceous nanomaterials incorporated biomaterials: The present and future of the flourishing field. Compos. Part B Eng. 2022, 243, 110150. [Google Scholar] [CrossRef]
- Barui, A.K.; Kotcherlakota, R.; Bollu, V.S.; Nethi, S.K.; Patra, C.R. Biomedical and Drug Delivery Applications of Functionalized Inorganic Nanomaterials. In Biopolymer-Based Composites; Elsevier: Amsterdam, The Netherlands, 2017; pp. 325–379. [Google Scholar]
- Teli, M.K.; Mutalik, S.; Rajanikant, G.K. Nanotechnology and nanomedicine: Going small means aiming big. Curr. Pharm. Des. 2010, 16, 1882–1892. [Google Scholar] [CrossRef]
- Arvizo, R.R.; Rana, S.; Miranda, O.R.; Bhattacharya, R.; Rotello, V.M.; Mukherjee, P. Mechanism of anti-angiogenic property of gold nanoparticles: Role of nanoparticle size and surface charge. Nanomedicine 2011, 7, 580–587. [Google Scholar] [CrossRef]
- Liu, Z.; Tabakman, S.; Welsher, K.; Dai, H. Carbon nanotubes in biology and medicine: In vitro and in vivo detection, imaging and drug delivery. Nano Res. 2009, 2, 85–120. [Google Scholar] [CrossRef]
- Li, T.; Lu, X.-M.; Zhang, M.-R.; Hu, K.; Li, Z. Peptide-Based Nanomaterials: Self-Assembly, Properties and Applications. Bioact. Mater. 2022, 11, 268–282. [Google Scholar] [CrossRef]
- Wu, S.; Duan, B.; Liu, P.; Zhang, C.; Qin, X.; Butcher, J.T. Fabrication of Aligned Nanofiber Polymer Yarn Networks for Anisotropic Soft Tissue Scaffolds. ACS Appl. Mater. Interfaces 2016, 8, 16950–16960. [Google Scholar] [CrossRef] [PubMed]
- Pickering, K.L.; Efendy, M.G.A.; Le, T.M. A review of recent developments in natural fiber composites and their mechanical performance, Compos. Appl. Sci. Manuf. 2015, 83, 98–112. [Google Scholar] [CrossRef]
- Shah, D.U. Developing plant fiber composites for structural applications by optimizing composite parameters: A critical review. J. Mater. Sci. 2013, 48, 6083–6107. [Google Scholar] [CrossRef]
- Bose, T.; Roy, S. Defect resonance frequency of spherical pore within isotropic elastic solid. Ultrasonics 2022, 124, 106759. [Google Scholar] [CrossRef] [PubMed]
- Roy, S.; Bose, T.; Debnath, K. Detection of Local Defect Resonance Frequencies for Defect Imaging: A Nonlinear Ultrasound-Based Approach. In Advances in Mechanical Engineering; Springer: Berlin/Heidelberg, Germany, 2020; pp. 1163–1172. [Google Scholar]
- Khalil, H.; Kim, D.; Nam, J.; Park, K. Accuracy and noise analyses of 3D vibration measurements using laser Doppler vibrometer. Measurement 2016, 94, 883–892. [Google Scholar] [CrossRef]
- Solodov, I.; Bai, J.; Busse, G. Resonant ultrasound spectroscopy of defects: Case study of flat-bottomed holes. J. Appl. Phys. 2013, 113, 223512. [Google Scholar] [CrossRef]
- Solodov, I.; Bai, J.; Bekgulyan, S.; Busse, G. A local defect resonance to enhance acoustic wave-defect interaction in ultrasonic nondestructive evaluation. Appl. Phys. Lett. 2011, 99, 211911. [Google Scholar] [CrossRef]
- Solodov, I. Resonant acoustic nonlinearity of defects for highly-efficient nonlinear NDE. J. Nondestruct. Eval. 2014, 33, 252–262. [Google Scholar] [CrossRef]
- Solodov, I.; Rahammer, M.; Kreutzbruck, M. Analytical evaluation of resonance frequencies for planar defects: Effect of a defect shape. NDT E Int. 2019, 102, 274–280. [Google Scholar] [CrossRef]
- Timoshenko, S.P. Vibration Problems in Engineering, 4th ed.; D. Van Nostrand Company: New York, NY, USA, 1956. [Google Scholar]
- Segers, J.; Hedayatrasa, S.; Verboven, E.; Poelman, G.; Paepegem, W.V.; Kersemans, M. In-plane local defect resonances for efficient vibrothermography of impacted carbon fiber-reinforced polymers (CFRP). NDT E Int. 2019, 102, 218–225. [Google Scholar] [CrossRef]
- Segers, J.; Kersemans, M.; Hedayatrasa, S.; Calderon, J.; Paepegem, W.V. Towards in-plane local defect resonance for non-destructive testing of polymers and composites. NDT E Int. 2018, 98, 130–133. [Google Scholar] [CrossRef]
- Solodov, I.; Rahammer, M.; Derusova, D.; Busse, G. Highly-efficient and noncontact vibro-thermography via local defect resonance. Quant. InfraRed Thermogr. J. 2015, 12, 98–111. [Google Scholar] [CrossRef]
- Derusova, D.A.; Vavilov, V.P.; Guo, X.; Druzhinin, N.V. Comparing the Efficiency of Ultrasonic Infrared Thermography under High-Power and Resonant Stimulation of Impact Damage in a CFRP Composite. Russ. J. Nondestruct. Test. 2018, 54, 356–362. [Google Scholar] [CrossRef]
- Rittmann, J.; Rahammer, M.; Holtmann, N.; Kreutzbruck, M. A mobile nondestructive testing (NDT) system for fast detection of impact damage in fiber-reinforced plastics (FRP). J. Sens. Sens. Syst. 2020, 9, 43–50. [Google Scholar] [CrossRef]
- “Introduction to Eigenfrequency Analysis”. Comsol multiphysics cyclopedia. Official Website. Available online: http://www.mms.com/ (accessed on 6 October 2022).
- Aranguren, G.; Etxaniz, J.; Barrera, E.; Ruiz, M.; de la Escalera, F.M.; Essa, Y. SHM ultrasound system for damage detection in composite material. In Proceedings of the 9th European Workshop on Structural Health Monitoring, Manchester, UK, 10–13 July 2018; p. 149614. [Google Scholar]
- Massachusetts Institute of Technology, 2020. Material Property Database. Available online: http://www.mit.edu/~6.777/matprops/pmma.htm (accessed on 2 February 2022).
- Rahammer, M.; Kreutzbruck, M. Fourier-transform vibrothermography with frequency sweep excitation utilizing local defect resonances. NDT E Int. 2017, 86, 83–88. [Google Scholar] [CrossRef]
- Rahammer, M.; Kreutzbruck, M. Local defect resonance excitation thermography for damage detection in plastic composites. AIP Conf. Proc. 2017, 2055, 120004. [Google Scholar]
- Rittmann, J.; Rahammer, M.; Holtmann, N.; Kreutzbruck, M. Fast and simple detection of impact damage. AIP Conf. Proc. 2019, 2289, 020048. [Google Scholar]










| Frequency | x, y, z-Coordinates | x | y | z |
|---|---|---|---|---|
| SLDV 2.4 Hz–2.7 kHz Comsol 2.69 kHz | ![]() | ![]() | ![]() | ![]() |
| SLDV 3.9 kHz– 5.9 kHz Comsol 5.03 kHz | ![]() | ![]() | ![]() | ![]() |
| SLDV 9.2 kHz– 9.4 kHz Comsol 8.6 kHz | ![]() | ![]() | ![]() | ![]() |
| Frequency band data, sweep from 30 Hz to 100 kHz | ![]() | ![]() | ![]() | ![]() |
Publisher’s Note: MDPI stays neutral with regard to jurisdictional claims in published maps and institutional affiliations. |
© 2022 by the authors. Licensee MDPI, Basel, Switzerland. This article is an open access article distributed under the terms and conditions of the Creative Commons Attribution (CC BY) license (https://creativecommons.org/licenses/by/4.0/).
Share and Cite
Derusova, D.A.; Vavilov, V.P.; Druzhinin, N.V.; Shpil’noi, V.Y.; Pestryakov, A.N. Detecting Defects in Composite Polymers by Using 3D Scanning Laser Doppler Vibrometry. Materials 2022, 15, 7176. https://doi.org/10.3390/ma15207176
Derusova DA, Vavilov VP, Druzhinin NV, Shpil’noi VY, Pestryakov AN. Detecting Defects in Composite Polymers by Using 3D Scanning Laser Doppler Vibrometry. Materials. 2022; 15(20):7176. https://doi.org/10.3390/ma15207176
Chicago/Turabian StyleDerusova, Daria A., Vladimir P. Vavilov, Nikolay V. Druzhinin, Victor Y. Shpil’noi, and Alexey N. Pestryakov. 2022. "Detecting Defects in Composite Polymers by Using 3D Scanning Laser Doppler Vibrometry" Materials 15, no. 20: 7176. https://doi.org/10.3390/ma15207176
APA StyleDerusova, D. A., Vavilov, V. P., Druzhinin, N. V., Shpil’noi, V. Y., & Pestryakov, A. N. (2022). Detecting Defects in Composite Polymers by Using 3D Scanning Laser Doppler Vibrometry. Materials, 15(20), 7176. https://doi.org/10.3390/ma15207176

















