Thermal and Mechanical Characterization of the New Functional Composites Used for 3D Printing of Static Mixers
Abstract
:1. Introduction
2. Experimental Section
2.1. Materials
2.2. Sample Preparation
2.3. Characterization
- First cycle:
- Heating 0–260 °C at 10 °C/min.
- Isothermal 260 °C for 2 min.
- Cooling 260–0 °C at −10 °C/min.
- Isothermal 0 °C for 2 min.
- Second cycle:
- Heating 0–260 °C at 10 °C/min.
- Cooling 260–25 °C at −30 °C/min.
2.4. 3D Printing
3. Results and Discussion
3.1. Prepared Composite Filaments
3.2. MFR Analysis
3.3. DSC Analysis
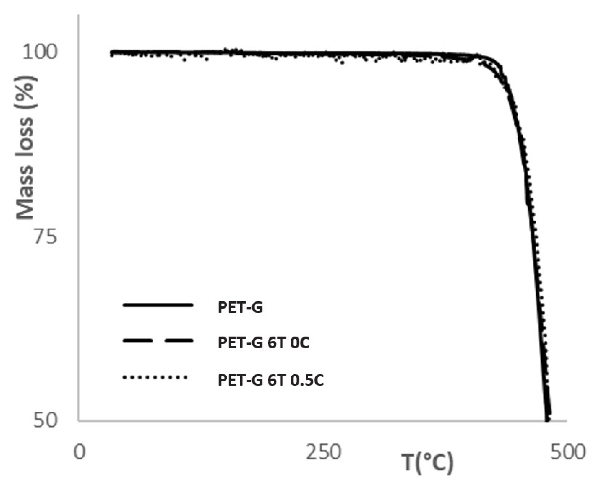
3.4. TGA Analysis
3.5. Tensile Test
3.6. SEM
3.7. 3D Printing
4. Conclusions
Author Contributions
Funding
Conflicts of Interest
References
- EN ISO/ASTM 52900:2021; Additive Manufacturing—General Principles—Fundamentals and Vocabulary. ISO: Geneva, Switzerland, 2021.
- Chaidas, D.; Kechagias, J.D. An investigation of PLA/W parts quality fabricated by FFF. Mater. Manuf. Process. 2021, 37, 582–590. [Google Scholar] [CrossRef]
- Msallem, B.; Sharma, N.; Cao, S.; Halbeisen, F.S.; Zeilhofer, H.-F.; Thieringer, F.M. Evaluation of the Dimensional Accuracy of 3D-Printed Anatomical Mandibular Models Using FFF, SLA, SLS, MJ, and BJ Printing Technology. J. Clin. Med. 2020, 9, 817. [Google Scholar] [CrossRef] [PubMed]
- Oropallo, W.; Piegl, L.A. Ten challenges in 3D printing. Eng. Comput. 2016, 32, 135–148. [Google Scholar] [CrossRef]
- Gibson, I.; Rosen, D.; Stucker, B. Additive Manufacturing Technologies, 3D Printing, Rapid Prototyping, and Direct Digital Manufacturing, 2nd ed.; Springer: New York, NY, USA, 2015; pp. 1–374. [Google Scholar] [CrossRef]
- Liu, H.; Zhang, H.; Han, W.; Lin, H.; Li, R.; Zhu, J.; Huang, W. 3D Printed Flexible Strain Sensors: From Printing to Devices and Signals. Adv. Mater. 2021, 33, 2004782. [Google Scholar] [CrossRef]
- Tedla, G.; Jarabek, A.M.; Byrley, P.; Boyes, W.; Rogers, K. Human exposure to metals in consumer-focused fused filament fabrication (FFF)/3D printing processes. Sci. Total Environ. 2022, 814, 152622. [Google Scholar] [CrossRef]
- Ahmadifar, M.; Benfriha, K.; Shirinbayan, M.; Tcharkhtchi, A. Additive Manufacturing of Polymer-Based Composites Using Fused Filament Fabrication (FFF): A Review. Appl. Compos. Mater. 2021, 28, 1335–1380. [Google Scholar] [CrossRef]
- Liu, Z.; Zhang, M.; Bhandari, B.; Wang, Y. 3D printing: Printing precision and application in food sector. Trends Food Sci. Technol. 2017, 69, 83–94. [Google Scholar] [CrossRef]
- Cuan-Urquizo, E.; Barocio, E.; Tejada-Ortigoza, V.; Pipes, R.B.; Rodriguez, C.A.; Roman-Flores, A. Characterization of the Mechanical Properties of FFF Structures and Materials: A Review on the Experimental, Computational and Theoretical Approaches. Materials 2019, 12, 895. [Google Scholar] [CrossRef]
- Shah, V.; Kumar, R.; Chohan, J.S. A Review on surface enhancement approaches for thermoplastics developed through Fused Deposition Modeling. Eur. J. Mol. Clin. Med. 2020, 7, 4485–4497. [Google Scholar]
- Kechagias, J.; Chaidas, D.; Vidakis, N.; Salonitis, K.; Vaxevanidis, N.M. Key parameters controlling surface quality and dimensional accuracy: A critical review of FFF process. Mater. Manuf. Process. 2022, 37, 963–984. [Google Scholar] [CrossRef]
- Somireddy, M. Fabrication of Composite Structures via 3D Printing, Chapter. In Fused Deposition Modeling Based 3D Printing. Materials Forming, Machining and Tribology; Springer: Cham, Switzerland, 2021. [Google Scholar]
- Kumar Nayak, R.; Mahato, K.K.; Routara, B.C.; Ray, B.C. Evaluation of mechanical properties of Al2O3 and TiO2 nano filled enhanced glass fiber reinforced polymer composites. J. Appl. Polym. Sci. 2016, 133, 44274. [Google Scholar] [CrossRef]
- Mofokeng, J.P.; Luyt, A.S. Morphology and thermal degradation studies of melt-mixed PLA/PHBV biodegradable polymer blend nanocomposites with TiO2 as filler. J. Appl. Polym. Sci. 2015, 132, 42138. [Google Scholar] [CrossRef]
- Segura González, E.A.; Olmos, D.; Lorente, M.Á.; Vélaz, I.; González-Benito, J. Preparation and Characterization of Polymer Composite Materials Based on PLA/TiO2 for Antibacterial Packaging. Polymers 2018, 10, 1365. [Google Scholar] [CrossRef]
- Li, W.; Karger-Kocsis, J.; Schlarb, A.K. Dispersion of TiO2 Particles in PET/PP/TiO2 and PET/PP/PP-g-MA/TiO2 Composites Prepared with Different Blending Procedures. Macromol. Mater. Eng. 2009, 294, 582–589. [Google Scholar] [CrossRef]
- Wasti, S.; Adhikari, S. Use of Biomaterials for 3D Printing by Fused Deposition Modeling Technique: A Review. Front. Chem. 2020, 8, 315. [Google Scholar] [CrossRef]
- Hada, T.; Kanazawa, M.; Miyamoto, N.; Liu, H.; Iowaki, M.; Komagamine, Y.; Minakuchi, S. Effect of Different Filler Contents and Printing Directions on the Mechanical Propreties for Photopolymer Resins. Int. J. Mol. Sci. 2022, 23, 2296. [Google Scholar] [CrossRef]
- Omoniyi, O.A.; Mansour, R.; Reid, A.; Liang, L.; O’Leary, R.; Windmill, J.F.C. 3D-printing of a piezocomposite material with high filler content for transducer applications. In Proceedings of the 2020 IEEE International Ultrasonics Symposium (IUS), Las Vegas, NV, USA, 7–11 September 2020. [Google Scholar] [CrossRef]
- Rauti, R.; Musto, M.; Bosi, S.; Prato, M.; Ballerini, L. Properties and behavior of carbon nanomaterials when interfacing neuronal cells: How far have we come? Carbon 2019, 143, 430–446. [Google Scholar] [CrossRef]
- Ahmmad, B.; Kusumoto, Y.; Somekawa, S.; Ikeda, M. Carbon nanotubes synergistically enhance photocatalytic activity of TiO2. Catal. Commun. 2008, 9, 1410–1413. [Google Scholar] [CrossRef]
- Han, T.; Qu, L.; Luo, Z.; Wu, X.; Zhang, D. Enhancement of hydroxyl radical generation of solid state photo-Fenton reagent based on magnetite/carboxylate-rich carbon composites by embedding carbon nanotubes as electron transfer channel. New J. Chem. 2013, 38, 942–948. [Google Scholar] [CrossRef]
- Ebewele, R.O. Polymer Science and Technology, 1st ed.; CRC Press: Boca Raton, FL, USA, 2000; pp. 336–380. [Google Scholar]
- Janović, Z. Polimerizacije i Polimeri; HDKI—Kemija u Industriji: Zagreb, Croatia, 1997. [Google Scholar]
- Elkoro, A.; Casanova, I. 3D Printing of Structured Nanotitania Catalysts: A Novel Binder-Free and Low-Temperature Chemical Sintering Method. 3D Print. Addit. Manuf. 2018, 5, 220–226. [Google Scholar] [CrossRef]
- Chen, J.; Dong, X.; Zhang, Q.; Ding, S. Migration of titanium dioxide from PET/TiO2 composite film for polymer-laminated steel. Food Addit. Contam. Part A 2019, 36, 483–491. [Google Scholar] [CrossRef]
- Geng, X.; Qiang, Q.; Zhao, J.; Yang, J.; Wang, Z. The effect of TiO2 morphology on the surface modification of poly (ethylene terephthalate) for electroless plating. J. Adhes. Sci. Technol. 2015, 29, 705–715. [Google Scholar] [CrossRef]
- Zhang, H.; Tang, Q.; Li, Q.; Song, Q.; Wu, H.; Mao, N. Enhanced Photocatalytic Properties of PET Filaments Coated with Ag-N Co-Doped TiO2 Nanoparticles Sensitized with Disperse Blue Dyes. Nanomaterials 2020, 10, 987. [Google Scholar] [CrossRef]
- DIN EN ISO 8256:2004; Plastics—Determination of Tensile-Impact Strength. ISO: Geneva, Switzerland, 2004.
- United States Patent Office. Mixing Device. U.S. US3286992A, 22 November 1966. [Google Scholar]
- Seong-Hun, Y.; Jong-hyuk, L.; Jee-hyun, S. Characterization of PETG Thermoplastic Composites Enhanced TiO2, Carbon Black, and POE. Text. Color. Finish. 2019, 31, 354–362. [Google Scholar] [CrossRef]
- Car, F.; Brnadić, G.; Tomašić, V.; Vrsaljko, D. Advanced preparation method of monolithic catalyst carriers using 3D-printing technology. Prog. Addit. Manuf. 2022, 7, 797–808. [Google Scholar] [CrossRef]
- Colin, X.; Verdu, J. Polymer degradation during processing. Comptes Rendus. Chim. 2006, 9, 1380–1395. [Google Scholar] [CrossRef]
- Wang, K.; Shen, J.; Ma, Z.; Zhang, Y.; Xu, N.; Pang, S. Preparation and Properties of Poly(ethylene glycol-co-cyclohexane-1,4-dimethanol terephthalate)/Polyglycolic Acid (PETG/PGA) Blends. Polymers 2021, 13, 452. [Google Scholar] [CrossRef]
- El Fray, M.; Boccaccini, A.R. Novel hybrid PET/DFA–TiO2 nanocomposites by in situ polycondensation. Mater. Lett. 2005, 59, 2300–2304. [Google Scholar] [CrossRef]
- Wu, G.; Gan, S.; Cui, L.; Xu, Y. Preparation and characterization of PES/TiO2 composite membranes. Appl. Surf. Sci. 2008, 254, 7080–7086. [Google Scholar] [CrossRef]
- Wang, W.; Serp, P.; Kalck, P.; Gomes Silva, C.; Faria, J.L. Preparation and characterization of nanostructured MWCNT-TiO2 composite materials for photocatalytic water treatment applications. Mater. Res. Bull. 2008, 43, 958–967. [Google Scholar] [CrossRef]
- Sathish Kumar, K.; Soundararajan, R.; Shanthosh, G.; Saravanakumar, P.; Ratteesh, M. Augmenting effect of infill density and annealing on mechanical properties of PETG and CFPETG composites fabricated by FDM. Mater. Today Proc. 2020, 45, 2186–2191. [Google Scholar] [CrossRef]
- Somireddy, M.; Singh, C.V.; Czekanski, A. Mechanical behaviour of 3D printed composite parts with short carbon fiber reinforcements. Eng. Fail. Anal. 2019, 107, 104232. [Google Scholar] [CrossRef]


















| Matrix | Filler Ratio | ||
|---|---|---|---|
| w (TiO2) [%] | w (CNT) [%] | ||
| PET-G | PET-G | 0.00 | 0.00 |
| PET-G 1.5T 0C | PET-G | 1.50 | 0.00 |
| PET-G 1.5T 0.25C | PET-G | 1.50 | 0.25 |
| PET-G 1.5T 0.5C | PET-G | 1.50 | 0.50 |
| PET-G 3T 0C | PET-G | 3.00 | 0.00 |
| PET-G 3T 0.25C | PET-G | 3.00 | 0.25 |
| PET-G 3T 0.5C | PET-G | 3.00 | 0.50 |
| PET-G 6T 0C | PET-G | 6.00 | 0.00 |
| PET-G 6T 0.25C | PET-G | 6.00 | 0.25 |
| PET-G 6T 0.5C | PET-G | 6.00 | 0.50 |
| Sample | Temperature Zones [°C] | ||
|---|---|---|---|
| First | Second | Third | |
| PET-G | 190 | 200 | 210 |
| PET-G 1.5T 0C | 190 | 200 | 210 |
| PET-G 1.5T 0.25C | 190 | 200 | 210 |
| PET-G 1.5T 0.5C | 190 | 200 | 210 |
| PET-G 3T 0C | 190 | 200 | 210 |
| PET-G 3T 0.25C | 190 | 200 | 210 |
| PET-G 3T 0.5C | 190 | 200 | 210 |
| PET-G 6T 0C | 195 | 205 | 215 |
| PET-G 6T 0.25C | 195 | 205 | 215 |
| PET-G 6T 0.5C | 195 | 205 | 215 |
| Sample | MFR [g/10 min] |
|---|---|
| PET-G | 28.4 |
| PET-G 1.5T 0C | 28.5 |
| PET-G 1.5T 0.25C | 31.7 |
| PET-G 1.5T 0.5C | 34.2 |
| PET-G 3T 0C | 22.9 |
| PET-G 3T 0.25C | 15.9 |
| PET-G 3T 0.5C | 33.0 |
| PET-G 6T 0C | 33.2 |
| PET-G 6T 0.25C | 33.0 |
| PET-G 6T 0.5C | 33.9 |
| Sample | Glass Transition [°C] |
|---|---|
| PET-G | 73 |
| PET-G 3T 0C | 75 |
| PET-G 3T 0.5C | 73 |
| PET-G 6T 0C | 74 |
| PET-G 6T 0.25C | 73 |
| PET-G 6T 0.5C | 75 |
| Sample | Decomposition Onset Temperature [°C] |
|---|---|
| PET-G | 447 |
| PET-G 6T 0C | 445 |
| PET-G 6T 0.5C | 443 |
| Tensile Strength, σM [N mm−2] | Strain at σM, εM [%] | Stress at Break, σB [N mm−2] | Strain at σB, εB [%] | |
|---|---|---|---|---|
| PET-G | 17.4 | 4.1 | 9.6 | 12.3 |
| PET-G 1.5T 0C | 50.1 | 6.8 | 50.1 | 6.8 |
| PET-G 1.5T 0.25C | 36.0 | 4.1 | 36.0 | 4.1 |
| PET-G 1.5T 0.5C | 29.2 | 3.3 | 29.2 | 3.3 |
| PET-G 3T 0C | 43.8 | 5.4 | 43.8 | 5.4 |
| PET-G 3T 0.25C | 38.9 | 4.7 | 38.9 | 4.7 |
| PET-G 3T 0.5C | 38.6 | 4.7 | 38.6 | 4.7 |
| PET-G 6T 0C | 40.6 | 4.1 | 40.6 | 4.1 |
| PET-G 6T 0.25C | 35.7 | 4.0 | 35.7 | 4.0 |
| PET-G 6T 0.5C | 31.6 | 3.4 | 31.6 | 3.4 |
Publisher’s Note: MDPI stays neutral with regard to jurisdictional claims in published maps and institutional affiliations. |
© 2022 by the authors. Licensee MDPI, Basel, Switzerland. This article is an open access article distributed under the terms and conditions of the Creative Commons Attribution (CC BY) license (https://creativecommons.org/licenses/by/4.0/).
Share and Cite
Marković, M.-P.; Cingesar, I.K.; Keran, L.; Prlić, D.; Grčić, I.; Vrsaljko, D. Thermal and Mechanical Characterization of the New Functional Composites Used for 3D Printing of Static Mixers. Materials 2022, 15, 6713. https://doi.org/10.3390/ma15196713
Marković M-P, Cingesar IK, Keran L, Prlić D, Grčić I, Vrsaljko D. Thermal and Mechanical Characterization of the New Functional Composites Used for 3D Printing of Static Mixers. Materials. 2022; 15(19):6713. https://doi.org/10.3390/ma15196713
Chicago/Turabian StyleMarković, Marijan-Pere, Ivan Karlo Cingesar, Laura Keran, Domagoj Prlić, Ivana Grčić, and Domagoj Vrsaljko. 2022. "Thermal and Mechanical Characterization of the New Functional Composites Used for 3D Printing of Static Mixers" Materials 15, no. 19: 6713. https://doi.org/10.3390/ma15196713
APA StyleMarković, M.-P., Cingesar, I. K., Keran, L., Prlić, D., Grčić, I., & Vrsaljko, D. (2022). Thermal and Mechanical Characterization of the New Functional Composites Used for 3D Printing of Static Mixers. Materials, 15(19), 6713. https://doi.org/10.3390/ma15196713

