Effect of Diamond Burnishing on Fatigue Behaviour of AISI 304 Chromium-Nickel Austenitic Stainless Steel
Abstract
:1. Introduction
2. Materials and Methods
2.1. Material
2.2. Diamond Burnishing Implementation
2.3. SI Characteristics Measurement
2.3.1. Roughness 2D Parameter
2.3.2. Micro-Hardness
2.3.3. Residual Stresses
2.4. Fatigue Tests
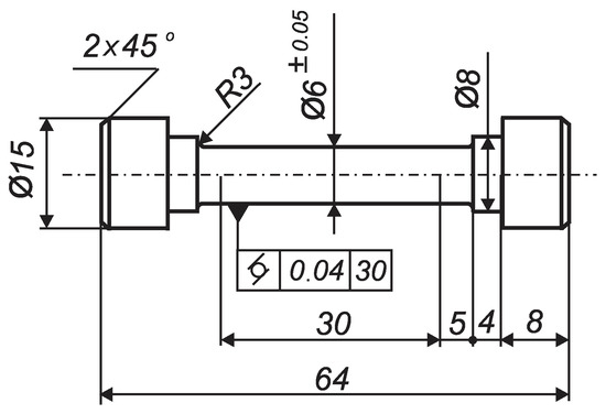
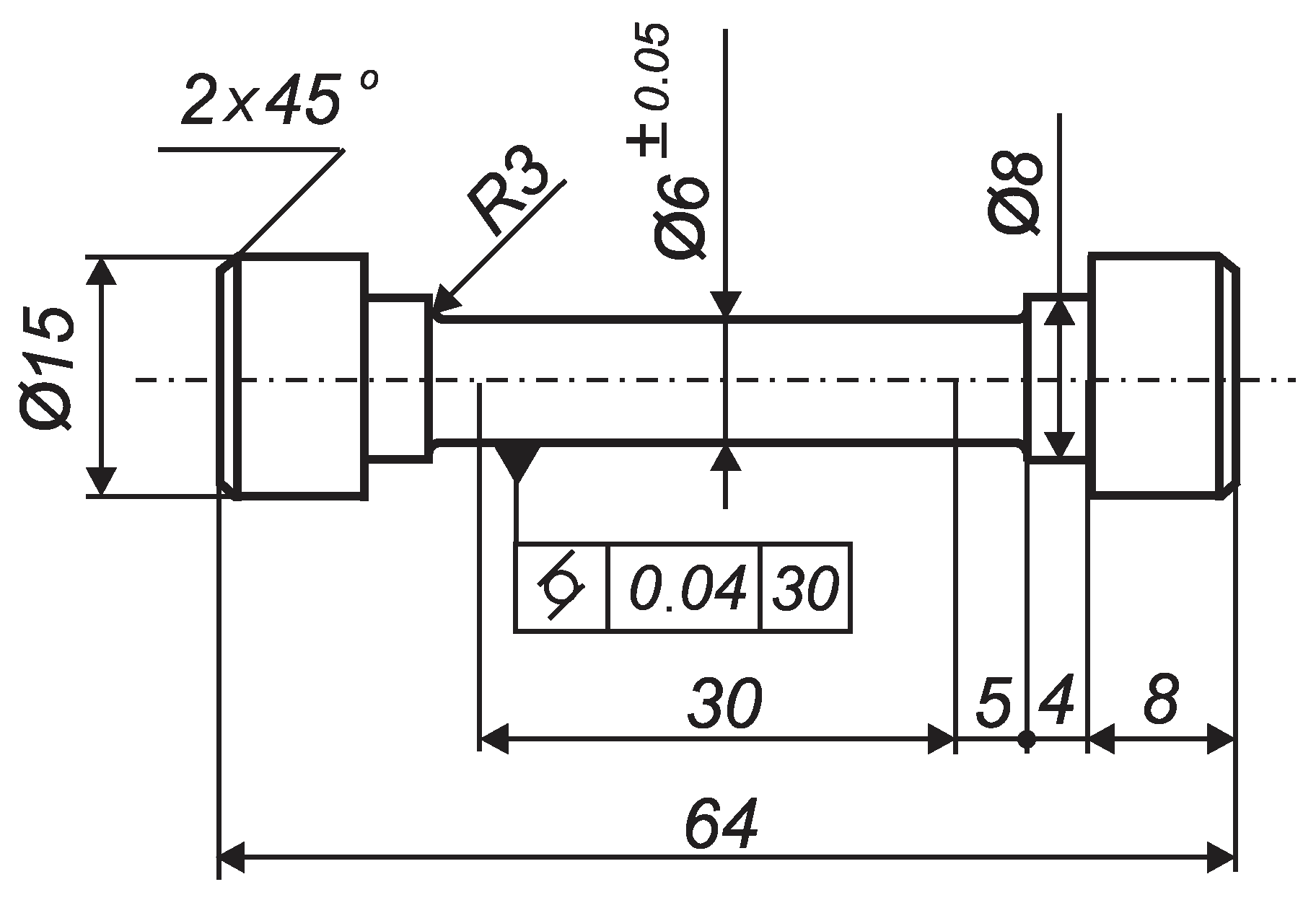
2.4.1. Hourglass-Shaped Fatigue Specimen Preparation
2.4.2. Experiment Conditions
2.4.3. Fatigue Strength Improvement Due to DB
3. Results
3.1. Parametric Study
3.1.1. Effect of the Radius and Burnishing Force
3.1.2. Effect of the Feed Rate
3.1.3. Effect of the Burnishing Velocity
3.1.4. Effect of Number of Passes
3.1.5. Selection of Values of the Governing Factors, Ensuring Minimal Roughness
3.1.6. Optimization under Maximum Surface Micro-Hardness Criterion
3.2. Evaluation of the Strain Induced Martensite
3.3. Residual Stresses
3.4. Rotating Bending Fatigue Results
4. Discussion
5. Conclusions
Author Contributions
Funding
Institutional Review Board Statement
Informed Consent Statement
Data Availability Statement
Conflicts of Interest
References
- Borgioli, F. From austenitic stainless steel to expanded austenite—S phase: Formation, characteristics and properties of an elusive metastable phase. Metals 2020, 10, 187. [Google Scholar] [CrossRef] [Green Version]
- Bottoli, F.; Winther, G.; Christiansen, T.L.; Dahl, K.V.; Somers, M.A.J. Low-Temperature Nitriding of Deformed Austenitic Stainless Steels with Various Nitrogen Contents Obtained by Prior High-Temperature Solution Nitriding. Met. Mater. Trans. A 2016, 47, 4146–4159. [Google Scholar] [CrossRef] [Green Version]
- Cao, Y.; Maistro, G.; Norell, M.; Pérez-García, S.A.; Nyborg, L. Multi-technique characterization of low-temperature plasma nitrided austenitic AISI 304L and AISI 904L stainless steel. Surf. Interface Anal. 2014, 46, 856–860. [Google Scholar] [CrossRef]
- Flis, J.; Kuczynska, M. Effect of Low-Temperature Plasma Nitriding on Corrosion of 304L Stainless Steel in Sulfate and Chloride Solutions. J. Electrochem. Soc. 2004, 151, B573–B580. [Google Scholar] [CrossRef]
- Kuczynska-Wydorska, M.; Flis, J. Corrosion and passivation of low-temperature nitrided AISI 304L and 316L stainless steels in acidified sodium sulphate solution. Corros. Sci. 2008, 50, 523–533. [Google Scholar] [CrossRef]
- Leskovšek, V.; Godec, M.; Kogej, P. Influence of low-temperature nitriding on the strain-induced martensite and laser-quenched austenite in a magnetic encoder made from 304L stainless steel. Sci. Rep. 2016, 6, 30979. [Google Scholar] [CrossRef] [Green Version]
- Qin, X.; Guo, X.; Lu, J.; Chen, L.-Y.; Qin, J.; Lu, W. Erosion-wear and intergranular corrosion resistance properties of AISI 304L austenitic stainless steel after low-temperature plasma nitriding. J. Alloys Compd. 2017, 698, 1094–1101. [Google Scholar] [CrossRef]
- Collins, S.R.; Williams, P.C.; Marx, S.V.; Heuer, A.; Erns, F.; Kahn, H. Low-temperature carburization of austenitic stainless steels. In ASM Handbook, Heat Treating of Irons and Steels; Dossett, J., Totten, G.E., Eds.; ASM International: Almere, The Netherlands, 2014; Volume 4D, pp. 451–460. [Google Scholar]
- Somers, M.A.J.; Christiansen, T.L. Low temperature surface hardening of stainless steel. In Thermochemical Surface Engineering of Steels; Mittemeijer, E.J., Somers, M.A.J., Eds.; Woodhead Publishing: Oxford, UK, 2015; pp. 557–579. [Google Scholar]
- Ceschini, L.; Chiavari, C.; Lanzoni, E.; Martini, C. Low-temperature carburised AISI 316L austenitic stainless steel: Wear and corrosion behaviour. Mater. Des. 2012, 38, 154–160. [Google Scholar] [CrossRef]
- Sun, Y. Corrosion behaviour of low temperature plasma carburised 316L stainless steel in chloride containing solutions. Corros. Sci. 2010, 52, 2661–2670. [Google Scholar] [CrossRef]
- Mangonon, P.L.; Thomas, G. The martensite phases in 304 stainless steel. Metall. Trans. 1970, 1, 1577–1586. [Google Scholar] [CrossRef]
- Mangonon, P.L.; Thomas, G. Structure and properties of thermal-mechanically treated 304 stainless steel. Met. Mater. Trans. A 1970, 1, 1587–1594. [Google Scholar] [CrossRef] [Green Version]
- Amitava, M.; De, P.K.; Bhattacharya, D.K.; Srivastava, P.K.; Jiles, D.C. Ferromagnetic properties of deformation-induced martensite transformation in AISI 304 stainless steel. Met. Mater. Trans. A 2004, 35, 599–605. [Google Scholar] [CrossRef]
- Hedayati, A.; Najafizadeh, A.; Kermanpur, A.; Forouzan, F. The effect of cold rolling regime on microstructure and mechanical properties of AISI 304L stainless steel. J. Mater. Process. Technol. 2010, 210, 1017–1022. [Google Scholar] [CrossRef]
- Kim, Y.S.; Lee, D.J.; Kang, Y.J.; Pak, S.J. Effect of solution annealing on alpha prime martensitic microstructure of cold rolled AISI 316L stainless steel. Asp. Min. Miner. Sci. 2019, 4, 481–484. [Google Scholar]
- Kumar, B.R.; Singh, A.K.; Das, S.; Bhattacharya, D.K. Cold rolling texture in AISI 304 stainless steel. Mater. Sci. Eng. 2004, 364, 132–139. [Google Scholar] [CrossRef]
- Kurc-Lisiecka, A.; Kalinowska-Ozgowicz, E. Structure and mechanical properties of austenitic steel after cold rolling. J. Achiev. Mater. Manuf. Eng. 2011, 44, 148–153. [Google Scholar]
- Li, X.; Wei, Y.; Wei, Z.; Zhou, J. Effect of Cold Rolling on Microstructure and Mechanical Properties of AISI 304N Stainless Steel. IOP Conf. Ser. Earth Environ. Sci. 2019, 252, 022027. [Google Scholar] [CrossRef]
- Chen, X.; Lu, J.; Lu, L.; Lu, K. Tensile properties of a nanocrystalline 316L austenitic stainless steel. Scr. Mater. 2005, 52, 1039–1044. [Google Scholar] [CrossRef]
- Milad, M.; Zreiba, N.; Elhalouani, F.; Baradai, C. The effect of cold work on structure and properties of AISI 304 stainless steel. J. Mater. Process. Technol. 2007, 203, 80–85. [Google Scholar] [CrossRef]
- Singh, R.; Goel, S.; Verma, R.; Jayaganthan, R.; Kumar, A. Mechanical Behaviour of 304 Austenitic Stainless Steel Processed by Room Temperature Rolling. IOP Conf. Ser. Mater. Sci. Eng. 2018, 330, 012017. [Google Scholar] [CrossRef]
- Suyitno; Arifvianto, B.; Widodo, T.D.; Mahardika, M.; Dewo, P.; Salim, U.A. Effect of cold working and sandblasting on the microhardness, tensile strength and corrosion resistance of AISI 316L stainless stell. Int. J. Miner. Metall. Mater. 2012, 19, 1093–1099. [Google Scholar] [CrossRef]
- Tanhaei, S.; Gheisari, K.; Zaree, S.R.A. Effect of cold rolling on the microstructural, magnetic, mechanical, and corrosion properties of AISI 316L austenitic stainless steel. Int. J. Miner. Met. Mater. 2018, 25, 630–640. [Google Scholar] [CrossRef]
- Tavares, S.; Gunderov, D.; Stolyarov, V.; Neto, J. Phase transformation induced by severe plastic deformation in the AISI 304L stainless steel. Mater. Sci. Eng. A 2003, 358, 32–36. [Google Scholar] [CrossRef]
- Juijerm, P.; Altenberger, I. Fatigue performance enhancement of steels using mechanical surface treatments. J. Met. Mater. Miner. 2007, 17, 59–65. [Google Scholar]
- Maximov, J.T.; Duncheva, G.V.; Anchev, A.P.; Ganev, N.; Amudjev, I.M.; Dunchev, V.P. Effect of slide burnishing method on the surface integrity of AISI 316Ti chromium–nickel steel. J. Braz. Soc. Mech. Sci. Eng. 2018, 40, 194. [Google Scholar] [CrossRef]
- Thaiwatthana, S.; Lincot, C.; Dong, H.; Bell, T. Comparison studies on properties of nitrogen and carbon S phase on low temperature plasma alloyed AISI 316 stainless steel. Surf. Eng. 2002, 18, 433–437. [Google Scholar] [CrossRef]
- Hoshiyama, Y.; Mizobata, R.; Miyake, H. Mechanical properties of austenitic stainless steel treated by active screen plasma nitriding. Surf. Coatings Technol. 2016, 307, 1041–1044. [Google Scholar] [CrossRef]
- Ceschini, L.; Minak, G. Fatigue behaviour of low temperature carburised AISI 316L austenitic stainless steel. Surf. Coatings Technol. 2008, 202, 1778–1784. [Google Scholar] [CrossRef]
- Rashkov, N.D. Heat Treatment of Steels; Technika: Sofia, Bulgaria, 1977. (In Bulgarian) [Google Scholar]
- ISO 6892-1:2019; Metallic Materials—Tensile Testing—Part 1: Method of Test at Room Temperature. ISO: Geneva, Switzerland, 2019.
- Maximov, J.T.; Duncheva, G.V.; Anchev, A.P.; Dunchev, V.P.; Capek, J. A cost-effective optimization approach for improving the fatigue strength of diamond-burnished steel components. J. Braz. Soc. Mech. Sci. Eng. 2021, 43, 33. [Google Scholar] [CrossRef]
- Prevey, P.S.; Whan, R.E.; Eckelmeyer, K.; Weissman, S.; Taylor, J.K.; Kratochvil, B.; Niemczyk, T.M.; Farnsworth, P.B.; Faires, L.M.; Siemer, D.D.; et al. X-ray Diffraction Residual Stress Techniques. In ASM Handbook; ASM International: Almere, The Netherlands, 1986; Volume 10, pp. 380–392. [Google Scholar] [CrossRef] [Green Version]
- Prevey, P.S. The Use of Person VII Distribution Functions in X-Ray Diffraction Residual Stress Measurement. Adv. X-ray Anal. 1985, 29, 103–111. [Google Scholar] [CrossRef]
- Maximov, J.; Duncheva, G.; Anchev, A.; Ganev, N.; Dunchev, V. Effect of cyclic hardening on fatigue performance of slide burnished components made of low-alloy medium carbon steel. Fatigue Fract. Eng. Mater. Struct. 2019, 42, 1414–1425. [Google Scholar] [CrossRef]
- DIFFRAC.DQUANT, Quantitative Analysis from Calibration to Reporting; Bruker AXS GmbH: Karlsrue, Germany, 2018.
- Zhuang, W.Z.; Halford, G.R. Investigation of residual stress relaxation under cyclic load. Int. J. Fatigue 2001, 23, 31–37. [Google Scholar] [CrossRef]
- Maximov, J.T.; Anchev, A.P.; Duncheva, G.V.; Ganev, N.; Selimov, K.F.; Dunchev, V.P. Impact of slide diamond burnishing additional parameters on fatigue behaviour of 2024-T3 Al alloy. Fatigue Fract. Eng. Mater. Struct. 2019, 42, 363–373. [Google Scholar] [CrossRef] [Green Version]



















| Fe | C | Si | Mn | P | S | Cr | Ni | Mo | Cu | Nb | Ti | V | W | Others |
|---|---|---|---|---|---|---|---|---|---|---|---|---|---|---|
| 71.5 | 0.036 | 0.193 | 1.52 | 0.03 | 0.026 | 17.7 | 8.3 | 0.182 | 0.25 | 0.042 | 0.003 | 0.07 | 0.05 | balance |
| Young’s Modulus, GPa | Yield Limit, MPa | Ultimate Tensile Strength, MPa | Elongation, % | Percentage Reduction of Area, % |
|---|---|---|---|---|
| 200 | 432 | 734 | 41 | 68.8 |
Publisher’s Note: MDPI stays neutral with regard to jurisdictional claims in published maps and institutional affiliations. |
© 2022 by the authors. Licensee MDPI, Basel, Switzerland. This article is an open access article distributed under the terms and conditions of the Creative Commons Attribution (CC BY) license (https://creativecommons.org/licenses/by/4.0/).
Share and Cite
Maximov, J.; Duncheva, G.; Anchev, A.; Dunchev, V.; Argirov, Y. Effect of Diamond Burnishing on Fatigue Behaviour of AISI 304 Chromium-Nickel Austenitic Stainless Steel. Materials 2022, 15, 4768. https://doi.org/10.3390/ma15144768
Maximov J, Duncheva G, Anchev A, Dunchev V, Argirov Y. Effect of Diamond Burnishing on Fatigue Behaviour of AISI 304 Chromium-Nickel Austenitic Stainless Steel. Materials. 2022; 15(14):4768. https://doi.org/10.3390/ma15144768
Chicago/Turabian StyleMaximov, Jordan, Galya Duncheva, Angel Anchev, Vladimir Dunchev, and Yaroslav Argirov. 2022. "Effect of Diamond Burnishing on Fatigue Behaviour of AISI 304 Chromium-Nickel Austenitic Stainless Steel" Materials 15, no. 14: 4768. https://doi.org/10.3390/ma15144768
APA StyleMaximov, J., Duncheva, G., Anchev, A., Dunchev, V., & Argirov, Y. (2022). Effect of Diamond Burnishing on Fatigue Behaviour of AISI 304 Chromium-Nickel Austenitic Stainless Steel. Materials, 15(14), 4768. https://doi.org/10.3390/ma15144768

