Compatibility of Different Commercial Alloys in High-Temperature, Supercritical Carbon Dioxide
Abstract
:1. Introduction
2. Experimental Methods
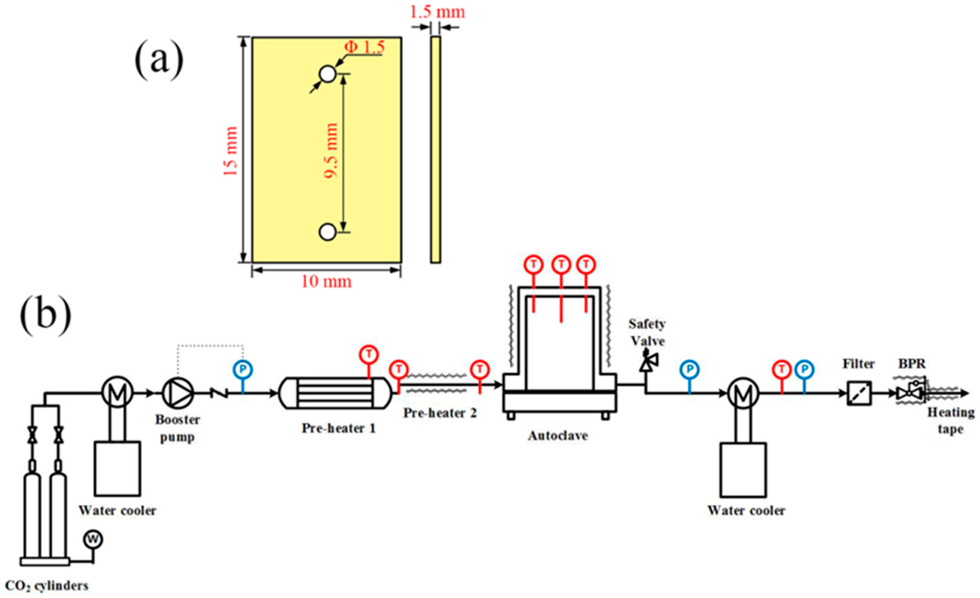
2.1. Materials and Specimen Preparation
2.2. Characterization
3. Results and Discussion
3.1. Weight Gain and Morphology
3.2. SEM Surface Morphology
3.3. XRD and Raman Analysis
3.4. GDOES Analysis
3.5. TEM Analysis
3.6. Corrosion and Carburization Mechanism
4. Conclusions
- (1)
- The corrosion kinetics approximately followed a near-cubic law for 316NG and 800H, but not for alloy 625. Meanwhile, the oxidation rate of alloy 625, with high Cr and Ni content, was 1~2 orders of magnitude lower than that of 316NG and 800H for the first 1000 h of exposure.
- (2)
- From the SEM surface morphologies of 316NG and 625 alloy, there was no obvious change up to 3000 h exposure. However, for 800H, some dark spots, corresponding to carbon deposition (with ~60.44 wt % C content), formed on its surface.
- (3)
- The main composition of the oxide scale was Cr2O3 for all tested alloys, therefore, resulting in a Cr-depletion zone formed at the oxide/substrate interface. After 3000 h of exposure, the thicknesses of the oxide scales for 316NG, 800H, and alloy 625 were 21~45 nm, 64~88 nm, and 34~43 nm, respectively. In contrast with observation at 1000 h of exposure, the highest increase in thickness was 800H, with an increase of 45–96%.
- (4)
- Enrichment of trace elements was observed at the oxide/substrate interface, i.e., enrichment of Mn and Si for 316NG, enrichment of Mn, Si, Al, and Ti for 800H, and enrichment of Ti and Al for alloy 625. Futhermore, they existed in the forms of amorphous oxide states.
- (5)
- In case of carburization, for 800H, enrichment of C was not only in the air/solid interface, but also underneath the oxide. However, for the 316NG and 625 alloys, enrichment of C was mainly on their surfaces.
Author Contributions
Funding
Institutional Review Board Statement
Informed Consent Statement
Data Availability Statement
Conflicts of Interest
References
- Kim, S.H.; Cha, J.-H.; Jang, C.; Sah, I. Microstructure and Tensile Properties of Diffusion Bonded Austenitic Fe-Base Alloys—Before and After Exposure to High Temperature Supercritical-CO2. Metals 2020, 10, 480. [Google Scholar] [CrossRef] [Green Version]
- Lee, H.J.; Kim, S.H.; Jang, C. Characterization of Alloy 600 joints exposed to a high-temperature supercritical-carbon dioxide environment. Mater. Charact. 2018, 138, 245–254. [Google Scholar] [CrossRef]
- Liang, Z.; Gui, Y.; Wang, Y.; Zhao, Q. Corrosion performance of heat-resisting steels and alloys in supercritical carbon dioxide at 650 °C and 15 MPa. Energy 2019, 175, 345–352. [Google Scholar] [CrossRef]
- Gui, Y.; Liang, Z.; Shao, H.; Zhao, Q. Corrosion behavior and lifetime prediction of VM12, Sanicro 25 and Inconel 617 in supercritical carbon dioxide at 600 °C. Corros. Sci. 2020, 175, 108870. [Google Scholar] [CrossRef]
- Lee, H.J.; Kim, H.; Kim, S.H.; Jang, C. Corrosion and carburization behavior of chromia-forming heat resistant alloys in a high-temperature supercritical-carbon dioxide environment. Corros. Sci. 2015, 99, 227–239. [Google Scholar] [CrossRef]
- Zhang, G.; Liu, D.; Li, Y.; Guo, X. Corrosion behaviour of N80 carbon steel in formation water under dynamic supercritical CO2 condition. Corros. Sci. 2017, 120, 107–120. [Google Scholar] [CrossRef]
- Chen, H.; Kim, S.H.; Kim, C.; Chen, J.; Jang, C. Corrosion behaviors of four stainless steels with similar chromium content in supercritical carbon dioxide environment at 650 °C. Corros. Sci. 2019, 156, 16–31. [Google Scholar] [CrossRef]
- Olivares, R.I.; Young, D.J.; Nguyen, T.D.; Marvig, P. Resistance of High-Nickel, Heat-Resisting Alloys to Air and to Supercritical CO2 at High Temperatures. Oxid. Met. 2018, 90, 1–25. [Google Scholar] [CrossRef]
- He, L.; Roman, P.; Leng, B.; Sridharan, K.; Anderson, M.; Allen, T. Corrosion behavior of an alumina forming austenitic steel exposed to supercritical carbon dioxide. Corros. Sci. 2014, 82, 67–76. [Google Scholar] [CrossRef]
- Mahaffey, J.; Kalra, A.; Anderson, M.; Sridharan, K. Materials corrosion in high temperature supercritical carbon dioxide. In Proceedings of the 4th International Symposium-Supercritical CO2 Power Cycles, Pittsburgh, PA, USA, 9–10 September 2014; pp. 1–8. [Google Scholar]
- Lee, H.J.; Subramanian, G.O.; Kim, S.H.; Jang, C. Effect of pressure on the corrosion and carburization behavior of chromia-forming heat-resistant alloys in high-temperature carbon dioxide environments. Corros. Sci. 2016, 111, 649–658. [Google Scholar] [CrossRef]
- Lee, H.J.; Kim, H.; Jang, C. Compatibility of candidate structural materials in high-temperature S-CO2 environment. In Proceedings of the 4th International Symposium-Supercritical CO2 Power Cycles, Pittsburgh, PA, USA, 9–10 September 2014; pp. 1–9. [Google Scholar]
- Gui, Y.; Liang, Z.Y.; Yu, M.; Zhao, Q.X. Corrosion Behavior and Mechanism of Heat-Resistant Steel T91 in High-Temperature Carbon Dioxide Environment. Mater. Sci. Forum 2019, 944, 398–403. [Google Scholar] [CrossRef]
- Mahaffey, J.; Schroeder, A.; Adam, D.; Brittan, A.; Anderson, M.; Couet, A.; Sridharan, K. Effects of CO and O2 Impurities on Supercritical CO2 Corrosion of Alloy 625. Met. Mater. Trans. A 2018, 49, 3703–3714. [Google Scholar] [CrossRef]
- Mahaffey, J.; Adam, D.; Brittan, A.; Anderson, M.; Sridharan, K. Corrosion of Alloy Haynes 230 in High Temperature Supercritical Carbon Dioxide with Oxygen Impurity Additions. Oxid. Met. 2016, 86, 567–580. [Google Scholar] [CrossRef]
- Oleksak, R.P.; Tylczak, J.H.; Carney, C.S.; Holcomb, G.R.; Doğan, N. High-Temperature Oxidation of Commercial Alloys in Supercritical CO2 and Related Power Cycle Environments. JOM 2018, 70, 1527–1534. [Google Scholar] [CrossRef]
- Wang, H.M.; Shi, S.Y.; Fu, X.S.; Wang, X.; Wang, Q.; Zhou, W.; Xu, H.; Liu, D. Effect of Surface Nanocrystallization on Diffusion Bonding Process and Mechanical Property of Titanium Alloy and Titanium Aluminium Alloy at High Temperature. J. Netshape Form. Eng. 2020, 12, 48–54. [Google Scholar]
- Chen, H.; Kim, S.H.; Jang, C. Effect of high-temperature supercritical carbon dioxide exposure on the microstructure and tensile properties of diffusion-bonded Alloy 690. J. Mater. Sci. 2019, 55, 3652–3667. [Google Scholar] [CrossRef]
- Brittan, A.; Mahaffey, J.; Anderson, M. The performance of Haynes 282 and its weld in supercritical CO2. Mater. Sci. Eng. A 2019, 759, 770–777. [Google Scholar] [CrossRef]
- Brittan, A.M.; Mahaffey, J.T.; Colgan, N.E.; Elbakhshwan, M.; Anderson, M.H. Carburization resistance of cu-coated stainless steel in supercritical carbon dioxide environments. Corros. Sci. 2020, 169, 108639. [Google Scholar] [CrossRef]
- Kim, S.H.; Kim, C.; Cha, J.-H.; Jang, C. Corrosion Behavior of Si Diffusion Coating on an Austenitic Fe-Base Alloy in High Temperature Supercritical-Carbon Dioxide and Steam Environment. Coatings 2020, 10, 493. [Google Scholar] [CrossRef]
- Kim, C.; Cha, J.-H.; Kim, S.H.; Jang, C.; Kim, T.K. Development of aluminide diffusion coatings on ODS ferritic-martensitic steel for corrosion resistance in high temperature super critical-carbon dioxide environment. Appl. Surf. Sci. 2020, 509, 145387. [Google Scholar] [CrossRef]
- Lee, H.J.; Kim, S.H.; Kim, H.; Jang, C. Corrosion and carburization behavior of Al-rich surface layer on Ni-base alloy in supercritical-carbon dioxide environment. Appl. Surf. Sci. 2016, 388, 483–490. [Google Scholar] [CrossRef]
- Kim, C.; Kim, S.H.; Cha, J.-H.; Jang, C.; Kim, T.K. Cr diffusion coating to improve the corrosion resistance of an ODS steel in super-critical carbon dioxide environment. Surf. Coat. Technol. 2019, 374, 666–673. [Google Scholar] [CrossRef]
- Su, J.Y.; Cai, H.N.; Wei, Z.Y.; Yang, L. Preparation of Wear-resistant and Antifriction Coating for Slipper. J. Netshape Form. Eng. 2020, 12, 138–142. [Google Scholar]
- Kim, S.H.; Subramanian, G.O.; Kim, C.; Jang, C.; Park, K.M. Surface modification of austenitic stainless steel for corrosion resistance in high temperature supercritical-carbon dioxide environment. Surf. Coat. Technol. 2018, 349, 415–425. [Google Scholar] [CrossRef]
- Kim, S.H.; Cha, J.-H.; Jang, C. Corrosion and creep behavior of a Ni-base alloy in supercritical-carbon dioxide environment at 650 °C. Corros. Sci. 2020, 174, 108843. [Google Scholar] [CrossRef]
- Sridharan, K. Corrosion of Structural Materials for Advanced Supercritical Carbon-Dioxide Brayton Cycle; University of Wisconsin: Madison, WI, USA, 2017; pp. 1–170. [Google Scholar] [CrossRef]
- Shi, X.H.; Lyu, Z.; Hu, Y.R.; Wang, L.F. Numerical Simulation for Influence of Cold and Thermal Sources on FSW Residual Stress. J. Netshape Form. Eng. 2020, 12, 55–60. [Google Scholar]
- Firouzdor, V.; Sridharan, K.; Cao, G.; Anderson, M.; Allen, T. Corrosion of a stainless steel and nickel-based alloys in high temperature supercritical carbon dioxide environment. Corros. Sci. 2012, 69, 281–291. [Google Scholar] [CrossRef]
- Wang, K.; Du, D.; Liu, G.; Pu, Z.; Chang, B.; Ju, J. High-temperature oxidation behaviour of high chromium superalloys additively manufactured by conventional or extreme high-speed laser metal deposition. Corros. Sci. 2020, 176, 108922. [Google Scholar] [CrossRef]
- Daroonparvar, M.; Yajid, M.A.M.; Kay, C.M.; Bakhsheshi-Rad, H.; Gupta, R.K.; Yusof, N.M.; Ghandvar, H.; Arshad, A.; Zulkifli, I.S.M. Effects of Al2O3 diffusion barrier layer (including Y-containing small oxide precipitates) and nanostructured YSZ top coat on the oxidation behavior of HVOF NiCoCrAlTaY/APS YSZ coatings at 1100 °C. Corros. Sci. 2018, 144, 13–34. [Google Scholar] [CrossRef]
- Łyszkowski, R. High-Temperature Oxidation of Fe3Al Intermetallic Alloy Prepared by Additive Manufacturing LENS. Materials 2015, 8, 1499–1512. [Google Scholar] [CrossRef] [Green Version]
- Firouzdor, V.; Cao, G.P.; Sridharan, K.; Anderson, M.; Allen, T.R. Corrosion resistance of PM2000 ODS steel in high temperature supercritical carbon dioxide. Mater. Corros. 2013, 66, 137–142. [Google Scholar] [CrossRef]
- Dunlevy, M.W. An Exploration of the Effect of Temperature on Different Alloys in a Supercritical Carbon Dioxide Environment; University of Massachusetts Lowell: Lowell, MA, USA, 2009. [Google Scholar]
- Tan, L.; Anderson, M.; Taylor, D.; Allen, T. Corrosion of austenitic and ferritic-martensitic steels exposed to supercritical carbon dioxide. Corros. Sci. 2011, 53, 3273–3280. [Google Scholar] [CrossRef]
- Subramanian, G.O.; Lee, H.J.; Kim, S.H.; Jang, C. Corrosion and Carburization Behaviour of Ni-xCr Binary Alloys in a High-Temperature Supercritical-Carbon Dioxide Environment. Oxid. Met. 2017, 89, 683–697. [Google Scholar] [CrossRef]
















| Specimens | Cr | Ni | Mn | Si | C | Fe | Others |
|---|---|---|---|---|---|---|---|
| 316NG | 17.34 | 11.79 | 1.42 | 0.42 | 0.025 | Bal. | Mo 2.45 |
| 800H | 19.70 | 30.63 | 0.90 | 0.25 | 0.06 | Bal. | Al 0.22; Ti 0.35 |
| 625 | 21.46 | Bal. | 0.03 | 0.07 | 0.01 | 2.54 | Mo 8.95; Al 0.36; Ti 0.30 |
| Position | Cr | Ni | Mn | Si | C | Fe | O | Mo | Al | Ti |
|---|---|---|---|---|---|---|---|---|---|---|
| Point 1 | 13.48 | 7.86 | - | 0.66 | 9.17 | 53.58 | 12.19 | 3.06 | - | - |
| Point 2 | 15.17 | 9.58 | 1.34 | - | 8.15 | 54.54 | 7.87 | 2.86 | - | - |
| Point 3 | - | 8.39 | - | - | 60.44 | 16.34 | 5.24 | - | - | - |
| Point 4 | 18.39 | 25.85 | - | 1.84 | 4.28 | 40.07 | 8.76 | - | 0.52 | 0.30 |
| Point 5 | 14.08 | 50.37 | - | 0.08 | 10.53 | 1.72 | 13.76 | 9.21 | 0.25 | - |
Publisher’s Note: MDPI stays neutral with regard to jurisdictional claims in published maps and institutional affiliations. |
© 2022 by the authors. Licensee MDPI, Basel, Switzerland. This article is an open access article distributed under the terms and conditions of the Creative Commons Attribution (CC BY) license (https://creativecommons.org/licenses/by/4.0/).
Share and Cite
Zhang, G.; Jiang, E.; Liu, W.; Yang, H.; Wu, Y.; Huang, Y. Compatibility of Different Commercial Alloys in High-Temperature, Supercritical Carbon Dioxide. Materials 2022, 15, 4456. https://doi.org/10.3390/ma15134456
Zhang G, Jiang E, Liu W, Yang H, Wu Y, Huang Y. Compatibility of Different Commercial Alloys in High-Temperature, Supercritical Carbon Dioxide. Materials. 2022; 15(13):4456. https://doi.org/10.3390/ma15134456
Chicago/Turabian StyleZhang, Gen, E Jiang, Weiwei Liu, Hong Yang, Yulong Wu, and Yanping Huang. 2022. "Compatibility of Different Commercial Alloys in High-Temperature, Supercritical Carbon Dioxide" Materials 15, no. 13: 4456. https://doi.org/10.3390/ma15134456
APA StyleZhang, G., Jiang, E., Liu, W., Yang, H., Wu, Y., & Huang, Y. (2022). Compatibility of Different Commercial Alloys in High-Temperature, Supercritical Carbon Dioxide. Materials, 15(13), 4456. https://doi.org/10.3390/ma15134456
