Compressive Properties and Energy Absorption Characteristics of Extruded Mg-Al-Ca-Mn Alloy at Various High Strain Rates
Abstract
1. Introduction
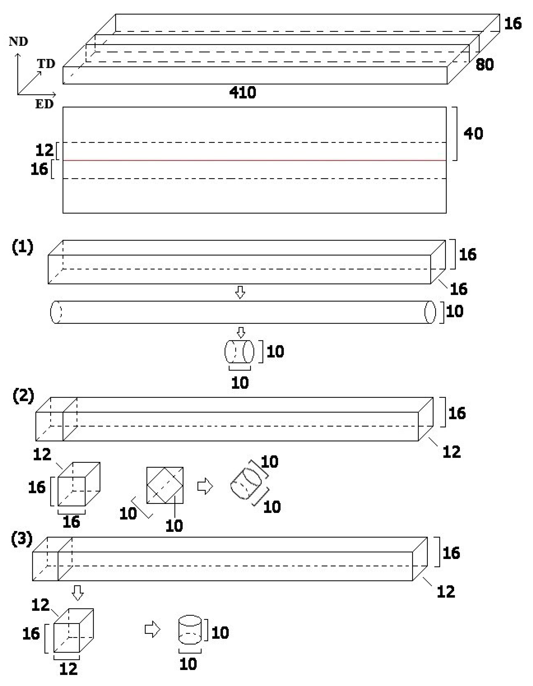
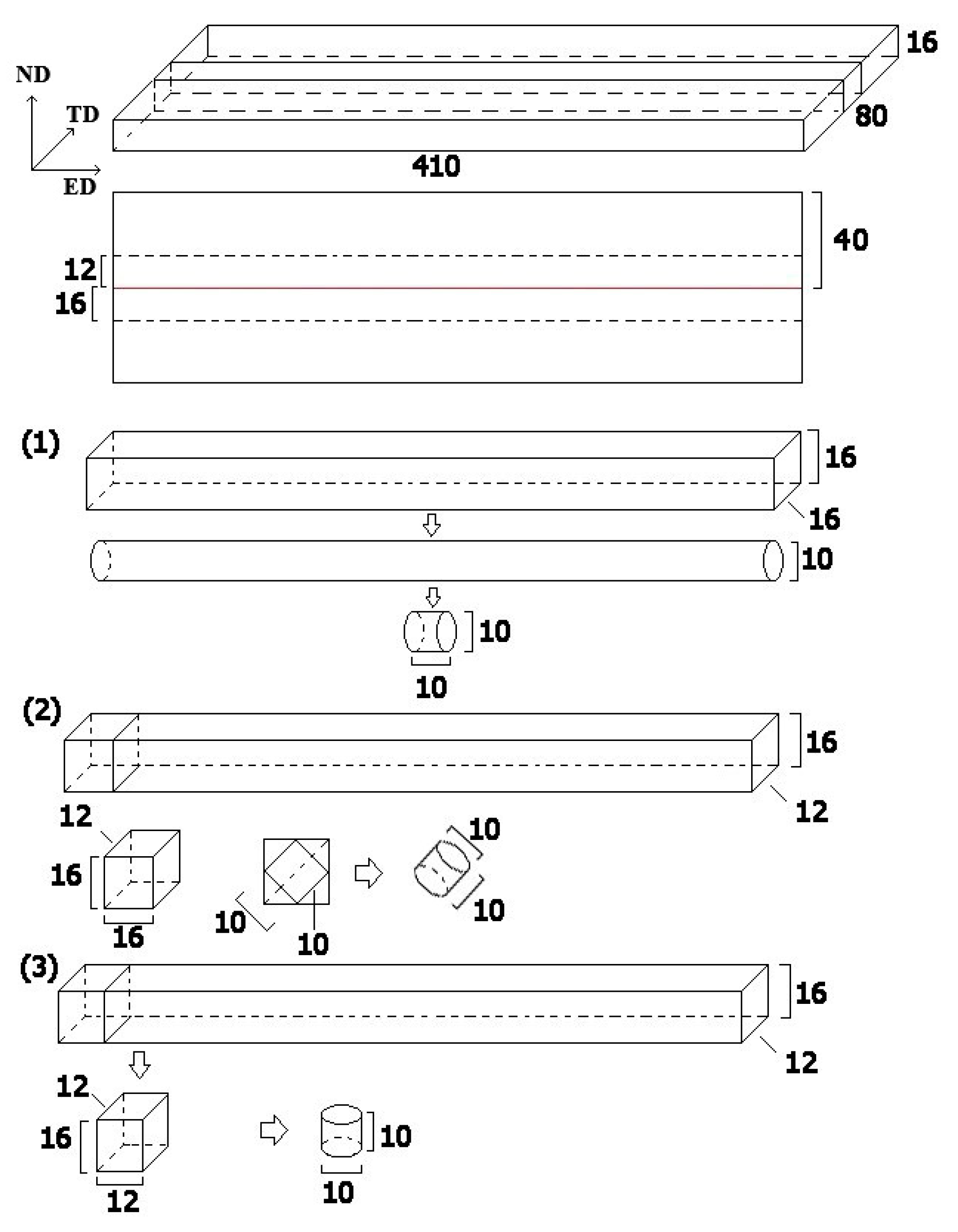
2. Materials and Methods
3. Results
3.1. Mechanical Properties of Mg-Al-Ca-Mn Alloy
3.2. Energy Absorption Performance of Mg-Al-Ca-Mn Alloy
4. Discussion
4.1. Microstructure Analysis
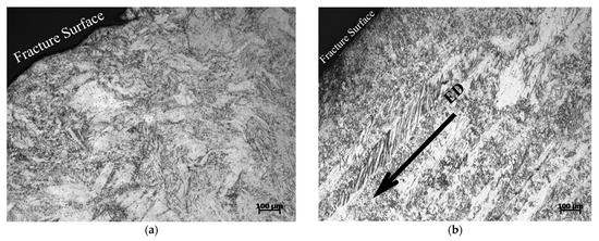
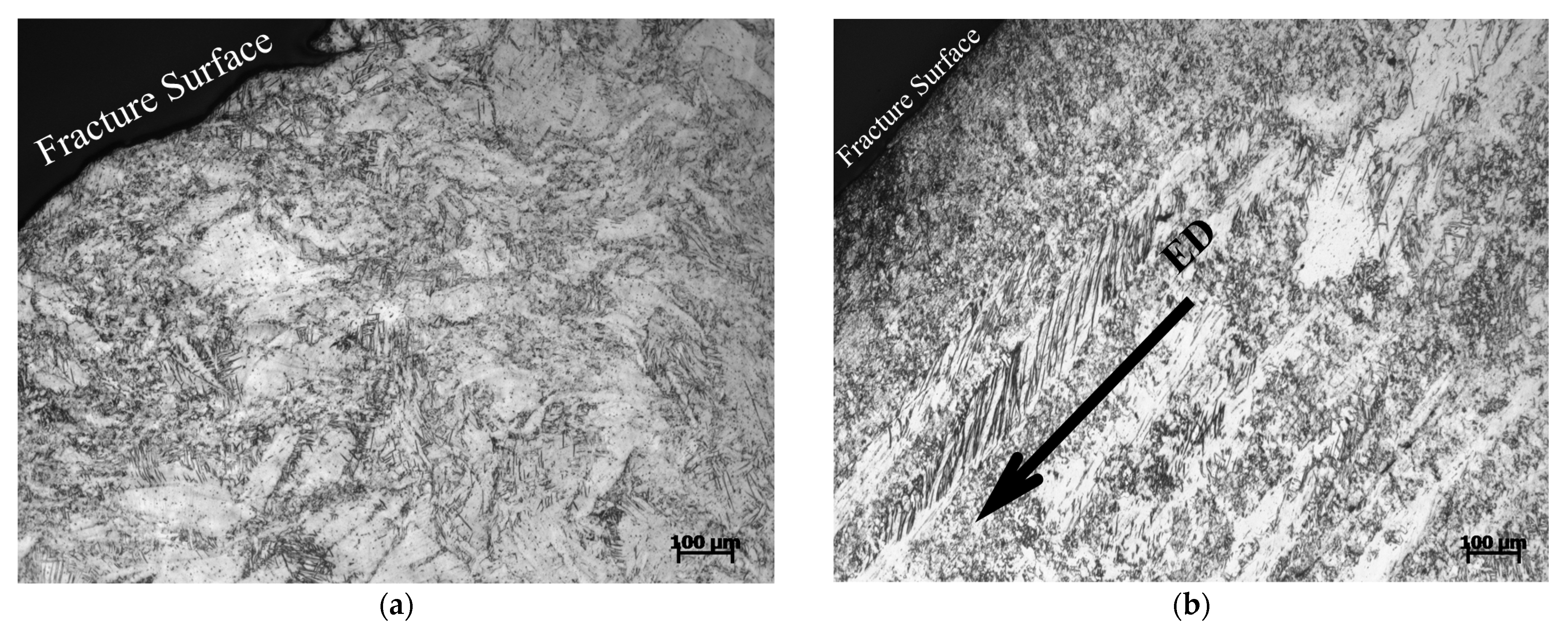
4.2. Fracture Mechanism of Mg-Al-Ca-Mn Alloy
5. Conclusions
- (1)
 - The extruded Mg-Al-Ca-Mn alloys compressed in the ED direction show the best energy absorption performance. The crush force efficiency CFE and the specific energy absorption SEA of Mg-Al-Ca-Mn alloy were all greatly improved by increasing the strain rate. Therefore, the positive effect can be obtained using the ED direction of extruded Mg-Al-Ca-Mn toward the direction of impact to manufacturing crash box, the damage caused by the frontal impact will be minimized, and the safety of passengers will be protected in the vehicle under the crash.
 - (2)
 - The reason why the specific energy absorption of Mg-Al-Ca-Mn alloy turns much higher is that the Mg-Al-Ca-Mn alloys in the ED direction had a very high strain rate sensitivity, which results in the higher specific energy absorption. Therefore, the compressive strength is significantly improved with the increasing of the strain rate.
 - (3)
 - The non-completely recrystallizing of grains in an extruded Mg-Al-Ca-Mn alloy plate would cause the elongated coarse original grains to remain in the base material. Then, the brittle fracture will occur when the alloys were compressed in the ND or vertical 45° direction under a high strain rate. The fracture mode of the samples compressed in the ND direction was the transgranular cleavage fracture, while the fracture mode of the samples compressed in the vertical 45° direction was the intergranular fracture. The crack propagated along the grain boundaries of the coarse original grains when the samples were compressed in the vertical 45° direction.
 
Author Contributions
Funding
Institutional Review Board Statement
Informed Consent Statement
Data Availability Statement
Acknowledgments
Conflicts of Interest
References
- Das, S.; Graziano, D.; Upadhyayula, V.K.K.; Masanet, E.; Riddle, M.; Cresko, J. Vehicle lightweighting energy use impacts in U.S. light-duty vehicle fleet. Sustain. Mater. Technol. 2016, 8, 5–13. [Google Scholar] [CrossRef]
 - Hirsch, J. Aluminium in Innovative Light-Weight Car Design. Mater. Trans. 2011, 52, 818–824. [Google Scholar] [CrossRef]
 - Wenlong, S.; Xiaokai, C.; Lu, W. Analysis of Energy Saving and Emission Reduction of Vehicles Using Light Weight Materials. Energy Proc. 2016, 88, 889–893. [Google Scholar] [CrossRef]
 - Luo, A.A. Magnesium: Current and potential automotive applications. JOM 2002, 54, 42–48. [Google Scholar] [CrossRef]
 - Kiani, M.; Gandikota, I.; Rais-Rohani, M.; Motoyama, K. Design of lightweight magnesium car body structure under crash and vibration constraints. J. Magnes. Alloys 2014, 2, 99–108. [Google Scholar] [CrossRef]
 - Abramowicz, W. Thin-walled structures as impact energy absorbers. Thin-Walled Struct. 2003, 41, 91–107. [Google Scholar] [CrossRef]
 - Jensen, Ø.; Hopperstad, O.S.; Langseth, M. Transition from progressive to global buckling of aluminium extrusions—A numerical study. Int. J. Crashworth. 2005, 10, 609–620. [Google Scholar] [CrossRef]
 - Beggs, P.D.; Song, W.; Easton, M. Failure modes during uniaxial deformation of magnesium alloy AZ31B tubes. Int. J. Mech. Sci. 2010, 52, 1634–1645. [Google Scholar] [CrossRef]
 - Hilditch, T.; Atwell, D.; Easton, M.; Barnett, M. Performance of wrought aluminium and magnesium alloy tubes in three-point bending. Mater. Design 2009, 30, 2316–2322. [Google Scholar] [CrossRef]
 - Nakata, T.; Mezaki, T.; Ajima, R.; Xu, C.; Oh-ishi, K.; Shimizu, K.; Hanaki, S.; Sasaki, T.T.; Hono, K.; Kamado, S. High-speed extrusion of heat-treatable Mg–Al–Ca–Mn dilute alloy. Scr. Mater. 2015, 101, 28–31. [Google Scholar] [CrossRef]
 - Han, L.; Hu, H.; Northwood, D.O. Effect of Ca additions on microstructure and microhardness of an as-cast Mg–5.0 wt.% Al alloy. Mater. Lett. 2008, 62, 381–384. [Google Scholar] [CrossRef]
 - Xu, S.W.; Oh-ishi, K.; Kamado, S.; Uchida, F.; Homma, T.; Hono, K. High-strength extruded Mg–Al–Ca–Mn alloy. Scr. Mater. 2011, 65, 269–272. [Google Scholar] [CrossRef]
 - Xu, S.W.; Oh-ishi, K.; Kamado, S.; Takahashi, H.; Homma, T. Effects of different cooling rates during two casting processes on the microstructures and mechanical properties of extruded Mg–Al–Ca–Mn alloy. Materials Science and Engineering: A 2012, 542, 71–78. [Google Scholar] [CrossRef]
 - Elsayed, A.; Kondoh, K.; Imai, H.; Umeda, J. Microstructure and mechanical properties of hot extruded Mg–Al–Mn–Ca alloy produced by rapid solidification powder metallurgy. Mater. Design 2010, 31, 2444–2453. [Google Scholar] [CrossRef]
 - Liao, J.; Hotta, M.; Mori, Y. Improved corrosion resistance of a high-strength Mg–Al–Mn–Ca magnesium alloy made by rapid solidification powder metallurgy. Mater. Sci. Eng. A 2012, 544, 10–20. [Google Scholar] [CrossRef]
 - Song, J.; She, J.; Chen, D.; Pan, F. Latest research advances on magnesium and magnesium alloys worldwide. J. Magnes. Alloys 2020, 8, 1–41. [Google Scholar] [CrossRef]
 - Li, Z.T.; Zhang, X.D.; Zheng, M.Y.; Qiao, X.G.; Wu, K.; Xu, C.; Kamado, S. Effect of Ca/Al ratio on microstructure and mechanical properties of Mg-Al-Ca-Mn alloys. Mater. Sci. Eng. A 2017, 682, 423–432. [Google Scholar] [CrossRef]
 - Hono, K.; Mendis, C.L.; Sasaki, T.T.; Oh-ishi, K. Towards the development of heat-treatable high-strength wrought Mg alloys. Scr. Mater. 2010, 63, 710–715. [Google Scholar] [CrossRef]
 - You, S.; Huang, Y.; Kainer, K.U.; Hort, N. Recent research and developments on wrought magnesium alloys. J. Magnes. Alloys 2017, 5, 239–253. [Google Scholar] [CrossRef]
 - Zhao, L.; Xin, Y.; Jin, Z.; Wang, J.; Feng, B.; Liu, Q. Thermal stability of different texture components in extruded Mg–3Al–1Zn alloy. J. Magnes. Alloys 2019, 7, 577–583. [Google Scholar] [CrossRef]
 - Li, Z.T.; Qiao, X.G.; Xu, C.; Liu, X.Q.; Kamado, S.; Zheng, M.Y. Enhanced strength by precipitate modification in wrought Mg–Al–Ca alloy with trace Mn addition. J. Alloys Compd. 2020, 836, 154689. [Google Scholar] [CrossRef]
 - Liu, X.; Qiao, X.; Li, Z.; Zheng, M. High strength and excellent ductility of dilute Mg-0.68Al-0.32Ca-0.50Mn (wt%) extrusion alloy obtained by T6 treatment. Mater. Charact. 2020, 162, 110197. [Google Scholar] [CrossRef]
 - Homma, T.; Hirawatari, S.; Sunohara, H.; Kamado, S. Room and elevated temperature mechanical properties in the as-extruded Mg–Al–Ca–Mn alloys. Mater. Sci. Eng. A 2012, 539, 163–169. [Google Scholar] [CrossRef]
 - Xiang, C.; Gupta, N.; Coelho, P.; Cho, K. Effect of microstructure on tensile and compressive behavior of WE43 alloy in as cast and heat treated conditions. Mater. Sci. Eng. A 2018, 710, 74–85. [Google Scholar] [CrossRef]
 - Zhao, M.; Kannan, V.; Ramesh, K.T. The dynamic plasticity and dynamic failure of a magnesium alloy under multiaxial loading. Acta Mater. 2018, 154, 124–136. [Google Scholar] [CrossRef]
 - Eswar Prasad, K.; Li, B.; Dixit, N.; Shaffer, M.; Mathaudhu, S.N.; Ramesh, K.T. The Dynamic Flow and Failure Behavior of Magnesium and Magnesium Alloys. JOM 2014, 66, 291–304. [Google Scholar] [CrossRef]
 - Liu, Y.; Mao, P.; Zhang, F.; Liu, Z.; Wang, Z. Effect of temperature on the anisotropy of AZ31 magnesium alloy rolling sheet under high strain rate deformation. Philos. Mag. 2018, 98, 1068–1086. [Google Scholar] [CrossRef]
 
















| Direction | Strain Rate/s−1 | Yield Stress/MPa | Compressive Stress/MPa | Strain/% | 
|---|---|---|---|---|
| ED | 3200 | 178.48 | 572.40 | 10.18 | 
| 5500 | 196.44 | 739.42 | 15.56 | |
| TD | 3200 | 33.37 | 432.64 | 16.61 | 
| 5500 | 73.09 | 468.73 | 20.31 | |
| Horizontal-45° | 3200 | 31.69 | 429.71 | 21.31 | 
| 5500 | 52.61 | 477.87 | 22.26 | 
| Directions | Strain Rate/s−1 | Yield Stress/MPa | Compressive Stress/MPa | Strain/% | 
|---|---|---|---|---|
| ED | 700 | 87.90 | 113.42 | 3.01 | 
| 1400 | 94.37 | 231.59 | 5.65 | |
| ND | 700 | 60.20 | 104.22 | 2.04 | 
| 1400 | 62.96 | 157.66 | 4.01 | |
| Horizontal 45° | 700 | 64.77 | 113.34 | 2.90 | 
| 1400 | 68.48 | 174.72 | 5.04 | 
| Strain Rate/s−1 | E/J | Pmax/N | Pm/N | Pavr/N | CFE | SEA/(J/g) | |
|---|---|---|---|---|---|---|---|
| Mg-Al-Ca-Mn | 3200 | 0.84 | 4072.09 | 2750.49 | 2042.56 | 0.68 | 22.76 | 
| 5500 | 1.98 | 5304.70 | 4241.64 | 2958.10 | 0.80 | 53.66 | 
| Strain Rate/s−1 | E/J | Pmax/N | Pm/N | Pavr/N | CFE | SEA/(J/g) | |
|---|---|---|---|---|---|---|---|
| Mg-Al-Ca-Mn | 3200 | 1.03 | 3105.58 | 2067.03 | 1556.79 | 0.67 | 27.91 | 
| 5500 | 1.60 | 3386.84 | 2625.96 | 1975.21 | 0.78 | 43.36 | 
| Strain Rate/s−1 | E/J | Pmax/N | Pm/N | Pavr/N | CFE | SEA/(J/g) | |
|---|---|---|---|---|---|---|---|
| Mg-Al-Ca-Mn | 3200 | 1.51 | 3093.50 | 2361.96 | 1894.54 | 0.76 | 40.92 | 
| 5500 | 1.74 | 3466.80 | 2605.57 | 1996.30 | 0.75 | 47.15 | 
| Strain Rate/s−1 | E/J | Pmax/N | Pm/N | Pavr/N | CFE | SEA/(J/g) | |
|---|---|---|---|---|---|---|---|
| Mg-Al-Ca-Mn | 700 | 2.33 | 8908.51 | 7740.86 | 6288.46 | 0.86 | 1.70 | 
| 1400 | 6.76 | 18,188.91 | 11,964.60 | 9865.19 | 0.66 | 4.93 | 
Publisher’s Note: MDPI stays neutral with regard to jurisdictional claims in published maps and institutional affiliations.  | 
© 2020 by the authors. Licensee MDPI, Basel, Switzerland. This article is an open access article distributed under the terms and conditions of the Creative Commons Attribution (CC BY) license (http://creativecommons.org/licenses/by/4.0/).
Share and Cite
Xiang, C.; Xiao, Z.; Ding, H.; Wang, Z. Compressive Properties and Energy Absorption Characteristics of Extruded Mg-Al-Ca-Mn Alloy at Various High Strain Rates. Materials 2021, 14, 87. https://doi.org/10.3390/ma14010087
Xiang C, Xiao Z, Ding H, Wang Z. Compressive Properties and Energy Absorption Characteristics of Extruded Mg-Al-Ca-Mn Alloy at Various High Strain Rates. Materials. 2021; 14(1):87. https://doi.org/10.3390/ma14010087
Chicago/Turabian StyleXiang, Chongchen, Zhendong Xiao, Hanlin Ding, and Zijian Wang. 2021. "Compressive Properties and Energy Absorption Characteristics of Extruded Mg-Al-Ca-Mn Alloy at Various High Strain Rates" Materials 14, no. 1: 87. https://doi.org/10.3390/ma14010087
APA StyleXiang, C., Xiao, Z., Ding, H., & Wang, Z. (2021). Compressive Properties and Energy Absorption Characteristics of Extruded Mg-Al-Ca-Mn Alloy at Various High Strain Rates. Materials, 14(1), 87. https://doi.org/10.3390/ma14010087
        
