The Mechanism of Creep during Crack Propagation of a Superalloy under Fatigue–Creep–Environment Interactions
Abstract
1. Introduction
2. Experiment Materials and Procedure
2.1. Materials
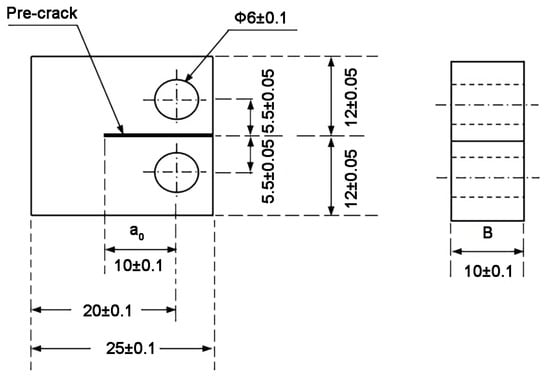
2.2. Test of the Fatigue-Crack Propagation
3. Results
3.1. Microstructures and Mechanical Properties
3.2. DFCGR Performances with Different Creep Times
3.3. Typical Fatigue-Crack Fracture Morphology
3.4. Propagation Paths of Fatigue Cracks
4. Discussion
5. Conclusions
Author Contributions
Funding
Conflicts of Interest
References
- Kennedy, R.; Cao, W.-D.; Bayha, T.; Jeniski, R. Developments in Wrought Nb Containing Superalloys (718 + 100°F). In Proceedings of the International Symposium on Niobium for High Temperature Applications; Metals & Materials Society: Warrendale, PA, USA, 2004; pp. 215–228. [Google Scholar]
- Xie, X.; Wang, G.; Dong, J.; Xu, C.; Cao, W.-D.; Kennedy, R. Structure Stability Study on a Newly Developed Nickel-base Superalloy-ALLVAC 718Plus, Superalloys 718, 625, 706 and Derivatives. Superalloys 2005, 718, 625–706. [Google Scholar]
- Pineau, A.; Antolovich, S.D. High temperature fatigue of nickel-base superalloys–A review with special emphasis on deformation modes and oxidation. Eng. Fail. Anal. 2009, 16, 2668–2697. [Google Scholar] [CrossRef]
- Hosseini, S.A.; Abbasi, S.M.; Madar, K.Z.; Yazdi, H.M.K. The effect of boron and zirconium on wrought structure and γ-γ′ lattice misfit characterization in nickel-based superalloy ATI 718Plus. Mater. Chem. Phys. 2018, 211, 302–311. [Google Scholar] [CrossRef]
- Pickering, E.J.; Mathur, H.; Bhowmik, A.; Messé, O.M.D.M.; Barnard, J.S.; Hardy, M.C.; Krakow, R.; Loehnert, K.; Stone, H.J.; Rae, C.M.F. Grain-boundary precipitation in Allvac 718Plus. Acta Mater. 2012, 60, 2757–2769. [Google Scholar] [CrossRef]
- Viskari, L.; Stiller, K. Atom probe tomography of Ni-base superalloys Allvac 718Plus and Alloy 718. Ultramicroscopy 2011, 111, 652–658. [Google Scholar] [CrossRef] [PubMed]
- Alabbad, B.; Tin, S. Effect of grain boundary misorientation on η phase precipitation in Ni-base superalloy 718Plus. Mater. Charact. 2019, 151, 53–63. [Google Scholar] [CrossRef]
- Wang, M.; Du, J.; Deng, Q.; Tian, Z.; Zhu, J. Effect of the precipitation of the η-Ni3Al0.5Nb0.5 phase on the microstructure and mechanical properties of ATI 718Plus. J. Alloys Compd. 2017, 701, 635–644. [Google Scholar] [CrossRef]
- Krakow, R.; Johnstone, D.N.; Eggeman, A.S.; Hünert, D.; Hardy, M.C.; Rae, C.M.F.; Midgley, P.A. On the crystallography and composition of topologically close-packed phases in ATI 718Plus®. Acta Mater. 2017, 130, 271–280. [Google Scholar] [CrossRef]
- Wang, M.Q.; Deng, Q.; Du, J.H.; Tian, Z.L.; Zhu, J. The influence of δ phase on mechanical properties of ATI 718Plus alloy. In Proceedings of the 8th International Symposium on Superalloy 718 and Derivatives, Pittsburgh, PA, USA, 28 September–1 October 2014; pp. 469–776. [Google Scholar]
- Kattoura, M.; Mannava, S.R.; Qian, D.; Vasudevan, V.K. Effect of laser shock peening on elevated temperature residual stress, microstructure and fatigue behavior of ATI 718Plus alloy. Int. J. Fatigue 2017, 104, 366–378. [Google Scholar] [CrossRef]
- Viskari, L.; Hörnqvist, M.; Moore, K.L.; Cao, Y.; Stiller, K. Intergranular crack tip oxidation in a Ni-base superalloy. Acta Mater. 2013, 61, 3630–3639. [Google Scholar] [CrossRef]
- Viskari, L.; Cao, Y.; Norell, M.; Sjöberg, G.; Stiller, K. Grain boundary microstructure and fatigue crack growth in Allvac 718Plus superalloy. Mater. Sci. Eng. A 2011, 528, 2570–2580. [Google Scholar] [CrossRef]
- Hanning, F.; Hurtig, K.; Andersson, J. Measurement of the thermal cycle in the base metal heat affected zone of cast ATI®718PlusTM during manual multi-pass TIG welding. Procedia Manuf. 2018, 25, 443–449. [Google Scholar] [CrossRef]
- Asala, G.; Andersson, J.; Ojo, O.A. Precipitation behavior of γ′ precipitates in the fusion zone of TIG welded ATI 718Plus®. Int. J. Adv. Manuf. Technol. 2016, 87, 2721–2729. [Google Scholar] [CrossRef]
- Vishwakarma, K.R.; Ojo, O.A.; Wanjara, P.; Chaturvedi, M.C. Microstructural Analysis of Linear Friction-Welded 718 Plus Superalloy. JOM 2014, 66, 2525–2534. [Google Scholar] [CrossRef]
- Vishwakarma, K.R.; Richards, N.L.; Chaturvedi, M.C. Microstructural analysis of fusion and heat affected zones in electron beam welded ALLVAC® 718PLUS™ superalloy. Mater. Sci. Eng. A 2008, 480, 517–528. [Google Scholar] [CrossRef]
- Liu, X.; Rangararan, S.; Barbero, E.; Chang, K.-M.; Cao, W.-D.; Kennedy, R.; Carneiro, T. Fatigue Crack Propagation Behaviors of New Developed Allvac 718Plus Superalloy. Proc. Int. Symp. Superalloys 2004, 7449, 283–290. [Google Scholar]
- Gabb, T.P.; Telesman, J.; Hazel, B.; Mourer, D.P. The Effects of Hot Corrosion Pits on the Fatigue Resistance of a Disk Superalloy. J. Mater. Eng. Perform. 2010, 19, 77–89. [Google Scholar] [CrossRef]
- Liu, X.; Kang, B.; Chang, K.M. The effect of hold-time on fatigue crack growth behaviors of WASPALOY alloy at elevated temperature. Mater. Sci. Eng. A 2003, 340, 8–14. [Google Scholar] [CrossRef]
- Rozumek, D.; Hepner, M. Influence of microstructure on fatigue crack propagation under bending in the alloy Ti–6Al–4V after heat treatment. Mater. Und Werkst. 2016, 46, 1088–1095. [Google Scholar] [CrossRef]
- Li, X.; Dong, J.X.; Zhang, L.N.; Zhang, M.C.; Guo, W.M. Effects of fatigue dwell time and solid solution on crack growth rate of PM Rene’ 95 superalloy at high temperature. Acta Metall. Sin. 2001, 37, 1059–1063. [Google Scholar]
- Sato, Y.; Atsumi, T.; Shoji, T. Continuous monitoring of back wall stress corrosion cracking growth in sensitized type 304 stainless steel weldment by means of potential drop techniques. Int. J. Press. Vessel. Pip. 2007, 84, 274–283. [Google Scholar] [CrossRef]
- Coleman, C.; Grigoriev, V.; Inzemtsev, V.; Markelov, V.; Roth, M. Delayed hydride cracking in zircaloy fuel cladding. Nucl. Eng. Technol. 2009, 41, 171–178. [Google Scholar] [CrossRef]
- Oguntuase, O.; Ojo, O.A.; Beddoes, J. Influence of Post-deposition Heat Treatments on the Microstructure and Mechanical Properties of Wire–Arc Additively Manufactured ATI 718Plus. Metall. Mater. Trans. A 2020, 51, 1846–1859. [Google Scholar] [CrossRef]
- Chen, K.; Dong, J.; Yao, Z.; Ni, T.; Wang, M. Creep performance and damage mechanism for Allvac 718Plus superalloy. Mater. Ence Eng. A 2018, 738, 308–322. [Google Scholar] [CrossRef]
- Fessier, E.; Pierret, S.; Andrieu, E.; Bonnand, V. Crack growth threshold under hold time conditions in DA Inconel 718–A transition in the crack growth mechanism. Frattura ed Integrità Strutturale 2016, 10, 223–231. [Google Scholar] [CrossRef]
- Yokobori, A.T., Jr.; Sugiura, R.; Takeuchi, H.; Ozeki, G.; Ishida, A.; Kobayashi, D.; Hosono, S. Law of fracture life for directionally solidified and poly-crystal nickel-base super alloys (CM247LC and IN100) under creep–Fatigue conditions based on non-equilibrium science. Strength Fract. Complex. 2013, 8, 25–44. [Google Scholar] [CrossRef]
- Andrieu, E.; Hochstetter, G.; Molins, R.; Pineau, A. Oxidation Mechanisms in Relation to High Temperature Fatigue Crack Growth Properties of Alloy 718. Proc. Superalloys 1994, 10, 619–631. [Google Scholar]
- Andrieu, E.; Hoshstetter, G.; Molins, R.; Pineau, A. Oxidation and intergranular cracking behaviour of two high strength Ni-based superalloys. Acta Mater. 1997, 45, 663–674. [Google Scholar]
- Ferreira, S.E.; Castro, J.T.P.d.; Meggiolaro, M.A. Using the strip-yield mechanics to model fatigue crack growth by damage accumulation ahead of the crack tip. Int. J. Fatigue 2017, 103, 557–575. [Google Scholar] [CrossRef]
- Oh, Y.J.; Hong, J.H.; Nam, S.W. A model for creep-fatigue interaction in terms of crack-tip stress relaxation. Metall. Mater. Trans. A 2000, 31, 1761–1775. [Google Scholar] [CrossRef]
- Rozumek, D.; Hepner, M. Influence of oxygenation time on crack growth in titanium alloy under cyclic bending. Mater. Sci. 2011, 47, 89–94. [Google Scholar] [CrossRef]
- Jiang, R.; Everitt, S.; Gao, N.; Soady, K.; Brooks, J.W.; Reed, P.A.S. Influence of oxidation on fatigue crack initiation and propagation in turbine disc alloy N18. Int. J. Fatigue 2015, 75, 89–99. [Google Scholar] [CrossRef]
- Yu, H.C.; Xie, S.S.; Lee, J.D.; Yang, H.C. OS11W0034 Microstructural effects on fatigue crack growth behavior near threshold in a Ni-base superalloy. Abstr. ATEM Int. Conf. Adv. Technol. Exp. Mech. N.A. Conf. Exp. Mech. 2003. [Google Scholar] [CrossRef]
- Tsang, J.; Kearsey, R.M.; Au, P.; Oppenheimer, S.; Mcdevitt, E. Microstructural study of fatigue and dwell fatigue crack growth behaviour of ATI 718Plus alloy. Can. Metall. Q. 2011, 50, 222–229. [Google Scholar] [CrossRef]







| C | Cr | Mo | Nb | Ti | Al | Co | Fe | W | Ni |
|---|---|---|---|---|---|---|---|---|---|
| 0.044 | 18.98 | 2.78 | 5.45 | 0.75 | 1.51 | 8.99 | 9.28 | 1.07 | Bal. |
| Specimen | Tensile Strength (MPa) | Yield Strength (MPa) | Elongation (%) | Reduction of Cross-Section Area (%) |
|---|---|---|---|---|
| 718Plus | 1219 | 1051 | 23 | 28 |
| Hold-Time | 5 s | 90 s |
|---|---|---|
| Transition from crack initiation to propagation (mm) | 0.1 | 0.2 |
| Transition from crack propagation to rupture (mm) | 2.4 | 1.6 |
| Cycle number of crack initiation (Nq) | 1215 | 2209 |
| Starting cycle numbers of crack propagation (Nn) | 1327 | 5401 |
| Starting cycle numbers of crack rupture (Ns) | 1463 | 6460 |
| Cycle number of fracture (Nf) | 1505 | 6477 |
| Proportion of crack initiation (P*) | 0.88 | 0.83 |
| Proportion of steady-state propagation (P) | 0.09 | 0.16 |
| Elements | O | Al | Ti | Cr | Fe | Ni | Nb | Mo |
|---|---|---|---|---|---|---|---|---|
| wt% | 34.83 | 1.3 | 0.51 | 13.67 | 13.86 | 30.31 | 3.9 | 1.63 |
| at% | 65.53 | 1.45 | 0.32 | 7.92 | 7.47 | 15.54 | 1.26 | 0.51 |
© 2020 by the authors. Licensee MDPI, Basel, Switzerland. This article is an open access article distributed under the terms and conditions of the Creative Commons Attribution (CC BY) license (http://creativecommons.org/licenses/by/4.0/).
Share and Cite
Wang, M.; Du, J.; Deng, Q. The Mechanism of Creep during Crack Propagation of a Superalloy under Fatigue–Creep–Environment Interactions. Materials 2020, 13, 4418. https://doi.org/10.3390/ma13194418
Wang M, Du J, Deng Q. The Mechanism of Creep during Crack Propagation of a Superalloy under Fatigue–Creep–Environment Interactions. Materials. 2020; 13(19):4418. https://doi.org/10.3390/ma13194418
Chicago/Turabian StyleWang, Minqing, Jinhui Du, and Qun Deng. 2020. "The Mechanism of Creep during Crack Propagation of a Superalloy under Fatigue–Creep–Environment Interactions" Materials 13, no. 19: 4418. https://doi.org/10.3390/ma13194418
APA StyleWang, M., Du, J., & Deng, Q. (2020). The Mechanism of Creep during Crack Propagation of a Superalloy under Fatigue–Creep–Environment Interactions. Materials, 13(19), 4418. https://doi.org/10.3390/ma13194418
