Dynamic Mechanical Properties and Visco-Elastic Damage Constitutive Model of Freeze–Thawed Concrete
Abstract
1. Introduction
2. Test Design
2.1. Specimen Preparation
2.2. Freeze–Thaw Cycle Test
2.3. Impact Compression Test
3. Analysis of Test Results
3.1. Dynamic Fracture Morphology
3.2. Fragmentation Distribution and Fractal Characteristics
3.3. Dynamic Stress–Strain Curve
3.4. Quantitative Analysis of Freeze–Thaw Deterioration Effect and Strain Rate Enhancement Effect
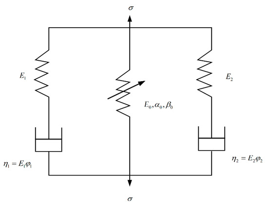
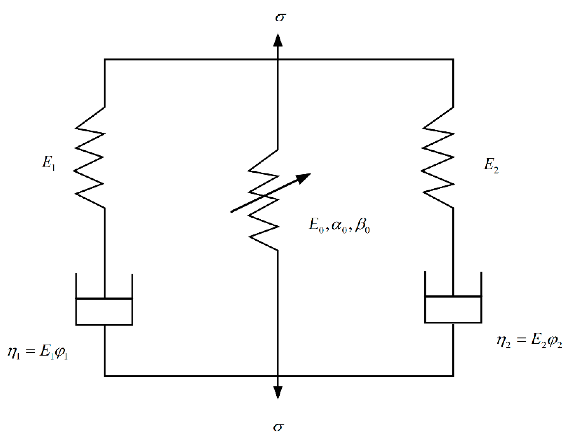
4. Dynamic Visco-Elastic Damage Constitutive Model
4.1. Construction Method of the Constitutive Equation
4.2. Damage Variable
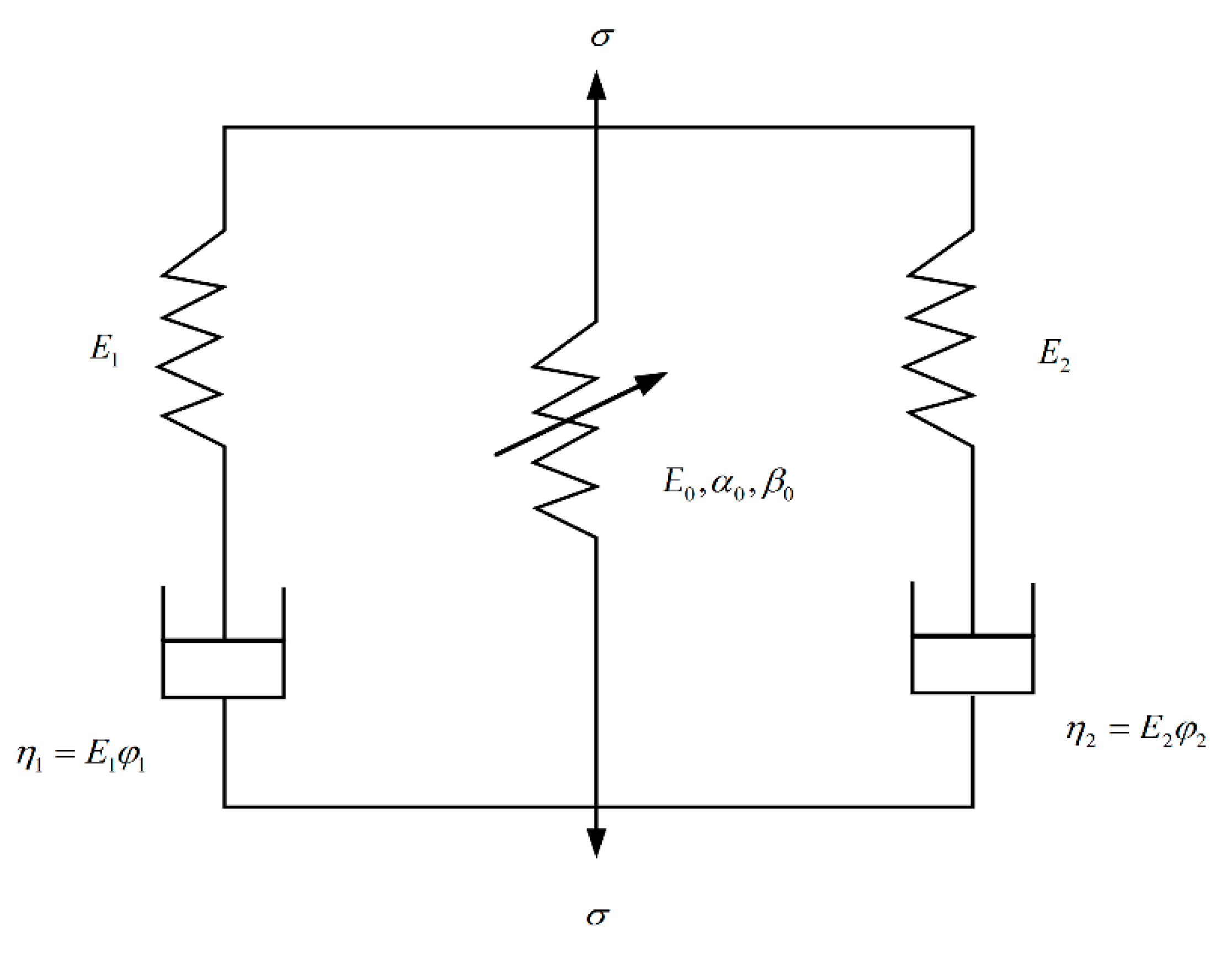
4.3. Dynamic Visco-Elastic Damage Constitutive Model Based on Component Combination Theory
4.4. Z-W-T Model
4.5. Validation Analysis of Suitability
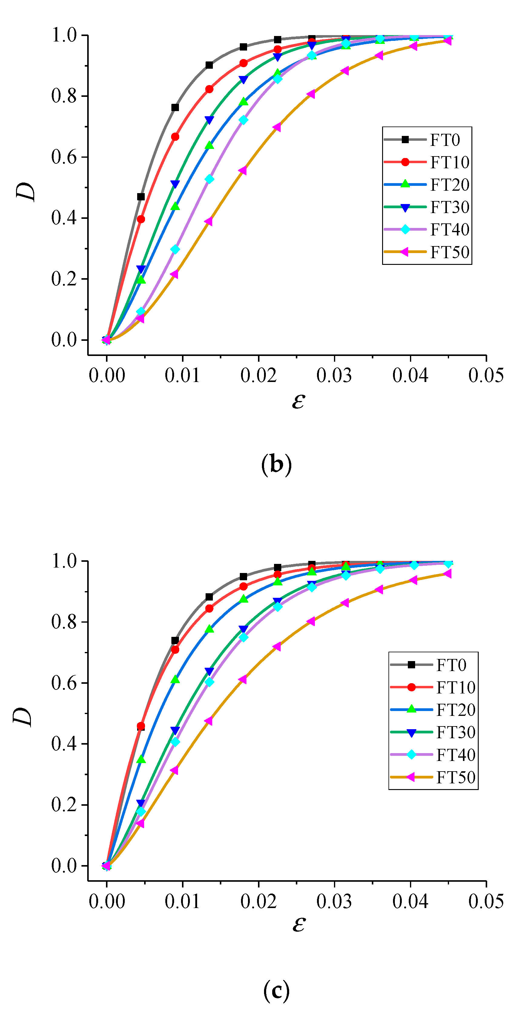
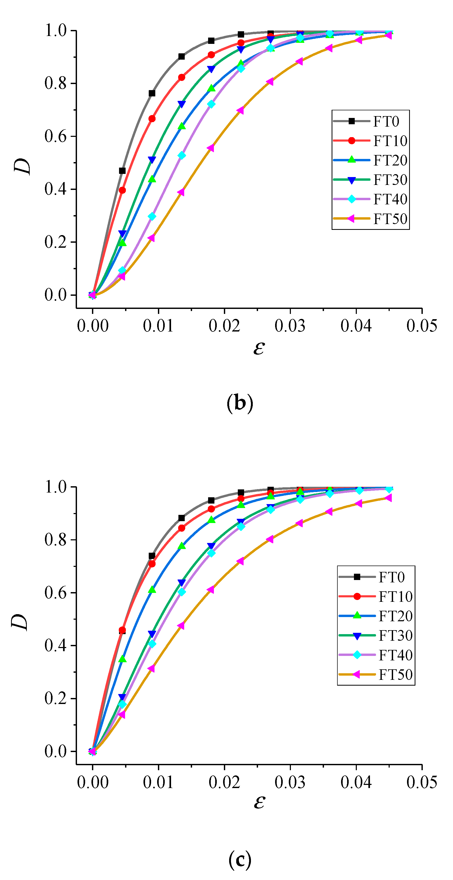
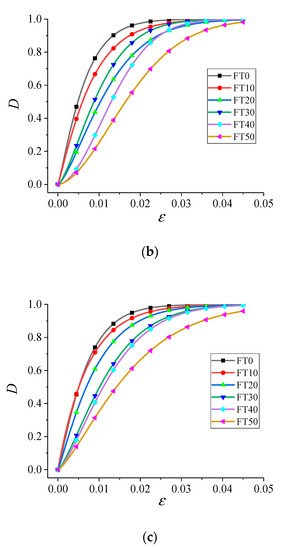
5. Damage Evolution Analysis
6. Conclusions
- The test results show that the freeze–thaw action and impact velocity have a significant influence on the dynamic fracture morphology, fracture block distribution and dynamic stress–strain curve of concrete, and the dynamic mechanical properties of freeze–thawed concrete are the coupling results of freeze–thaw deterioration effect and strain rate strengthening effect.
- By introducing the freeze–thaw deterioration damage factor and the stress damage variable, the dynamic visco-elastic damage constitutive model was deduced based on component combination theory. It can effectively describe the dynamic mechanical properties of freeze–thawed concrete, and has the characteristics of few parameters and good prediction accuracy.
- The stress damage evolution path of concrete goes backward with the increase of FT cycles and the development speed of stress damage gradually slows down. The greater the difference in FT cycles, the greater the difference of the stress damage path.
Author Contributions
Funding
Conflicts of Interest
Abbreviations
| FT | Freeze–thaw |
| SHPB | separated Hopkinson pressure bar |
| FT0 | Freeze–thaw cycle carried out 0 times |
| FT10 | Freeze–thaw cycle carried out 10 times |
| FT20 | Freeze–thaw cycle carried out 20 times |
| FT30 | Freeze–thaw cycle carried out 30 times |
| FT40 | Freeze–thaw cycle carried out 40 times |
| FT50 | Freeze–thaw cycle carried out 50 times |
| Z-W-T model | Zhu–Wang–Tang model |
| V-E model | visco-elastic constitutive model |
References
- Yang, G.S.; Pu, Y.B.; Ma, W. Discussion on the damage propagation for the rock under the frost and thaw condition of frigid zone. J. Exp. Mech. 2020, 2, 220–226. [Google Scholar]
- Li, X.P.; Lu, Y.N.; Wang, Y.J. Research on damage model of single jointed rock masses under coupling action of freeze-thaw and loading. Chin. J. Rock Mech. Eng. 2013, 11, 2307–2315. [Google Scholar]
- Petrounias, P.; Giannakopoulou, P.P.; Rogkala, A.; Stamatis, P.M.; Lampropoulou, P.; Tsikouras, B.; Hatzipanagiotou, K. The effect of petrographic characteristics and physico-mechanical properties of aggregates on the quality of concrete. Minerals 2019, 8, 577. [Google Scholar] [CrossRef]
- Petrounias, P.; Giannakopoulou, P.P.; Rogkala, A.; Stamatis, P.M.; Tsikouras, B.; Papoulis, D.; Lampropoulou, P.; Tsikouras, B.; Hatzipanagiotou, K. The Influence of Alteration of Aggregates on the Quality of the Concrete: A Case Study from Serpentinites and Andesites from Central Macedonia (North Greece). Geosciences 2018, 8, 115. [Google Scholar] [CrossRef]
- Piasta, W.; Góra, J.; Turkiewicz, T. Properties and durability of coarse igneous rock aggregates and concretes. Constr. Build. Mater. 2016, 126, 119–129. [Google Scholar] [CrossRef]
- Taheri, B.M.; Ramezanianpour, A.M.; Sabokpa, S.; Gapele, M. Experimental evaluation of freeze-thaw durability of pervious concrete. J. Build. Eng. 2021, 33, 101617. [Google Scholar] [CrossRef]
- Peng, R.X.; Qiu, W.L.; Teng, F. Three-dimensional meso-numerical simulation of heterogeneous concrete under freeze-thaw. Constr. Build. Mater. 2020, 250, 118573. [Google Scholar] [CrossRef]
- Li, B.; Mao, J.Z.; Nawa, T.; Han, T.Y. Mesoscopic damage model of concrete subjected to freeze-thaw cycles using mercury intrusion porosimetry and differential scaning calorimetry (MIP-DSC). Constr. Build. Mater. 2017, 147, 79–90. [Google Scholar] [CrossRef]
- Sun, M.; Xin, D.B.; Zou, C.Y. Damage evolution and plasticity development of concrete materials subjected to freeze-thaw during the load process. Mech. Mater. 2019, 139, 103192. [Google Scholar] [CrossRef]
- Li, Y.; Zhai, Y.; Liu, X.Y.; Liang, W.B. Research on fractal characteristics and energy dissipation of concrete suffered freeze-thaw cycle action and impact loading. Materials 2019, 12, 2585. [Google Scholar] [CrossRef]
- Zhai, Y.; Li, Y.; Li, Y.B.; Wang, S.W.; Liu, Y.; Song, K. Impact of high-temperature-water cooling damage on the mechanical properties of concrete. Constr. Build. Mater. 2019, 215, 233–243. [Google Scholar] [CrossRef]
- Dong, Y.L.; Xie, H.P.; Li, S.P. Study on mechanical constitutive model of concrete compression damage. Eng. Mech. 1996, 13, 44–53. [Google Scholar]
- Zhu, Z.X.; Xu, D.B.; Wang, L.L. Thermoviscoelastic constitutive equation and time-temperature equivalence of epoxy resin at high strain rates. J. Ningbo Univ. 1988, 1, 58–68. [Google Scholar]
- Chen, J.Y.; Wang, L.L. Rate-dependent constitutive equation of cement mortar. J. Ningbo Univ. (NSEE) 2000, 2, 1–5. [Google Scholar]
- Xie, L.X.; Zhao, G.M.; Meng, X.R. Research on damage viscoelastic dynamic constitutive model of soft rock and concrete materials. Chin. J. Rock Mech. Eng. 2013, 4, 857–864. [Google Scholar]
- Hu, S.S.; Wang, D.R. Dynamic constitutive relation of concrete under impact. Explos. Shock. Waves 2002, 3, 242–246. [Google Scholar]
- Zhou, Y.X.; Xia, K.W.; Li, X.B.; Li, H.B.; Ma, G.W.; Zhao, J.; Zhou, Z.L.; Dai, F. Suggested methods for determining the dynamic strength parameters and mode-I fracture toughness of rock materials. Int. J. Rock Mech. Min. Sci. 2012, 49, 105–112. [Google Scholar] [CrossRef]
- Li, W.M.; Xu, J.Y.; Shen, L.J.; Li, Q. Experimental techniques of dynamic stress equilibrium and nearly constant strain rate loading for 100-mm-diameter SHPB test. J. Vib. Shock. 2008, 27, 129–133. [Google Scholar]
- Xu, J.Y.; Liu, S. Research on fractal characteristics of marble fragments subjected to impact loading. Rock Soil Mech. 2012, 33, 3225–3229. [Google Scholar]
- He, M.C.; Yang, G.X.; Miao, J.L.; Jia, X.N.; Jiang, T.T. Classification and research methods of rock burst experimental fragments. Chin. J. Rock Mech. Eng. 2009, 28, 1522–1528. [Google Scholar]
- Zhang, S.P.; Deng, M.; Tang, M.S. Advance in research on damagement of concrete due to freeze-thaw cycles. J. Mater. Sci. & Eng. 2008, 26, 990–994. [Google Scholar]
- Jia, B.; Tao, J.L.; Wang, R.H.; Yang, F. On the dynamic mechanical properties and dynamic constitutive equation of concrete at high temperature. J. Exp. Mech. 2013, 6, 723–731. [Google Scholar]
- Nie, L.X.; Xu, J.Y.; Liu, Z.Q.; Luo, X. Dynamic constitutive model of concrete after salt corrosion. Explos. Shock. Waves 2017, 4, 712–718. [Google Scholar]
- Guan, X.; Niu, D.T.; Wang, J.B.; Jiang, L. Study on freeze-thaw damage constitutive model of concrete considering plastic strain and damage threshold. J. Disaster Prev. Mitig. Eng. 2015, 6, 777–784. [Google Scholar]
- Deng, M.K.; Pan, J.J. Damage constitutive model of high ductile concrete based on the double-parameter damage threshold. Earthq. Eng. Eng. Dyn. 2018, 1, 89–96. [Google Scholar]
- Cao, W.G.; Zhao, M.H.; Liu, C.X. Study on the model and its modifying method for rock softening and damage based on Weibull random distribution. Chin. J. Rock Mech. Eng. 2004, 19, 3226–3231. [Google Scholar]
- Li, S.C.; Xu, J.; Li, K.G.; Tao, Y.Q.; Tang, X.J. Study on the model for rock softening and damage based on Weibull random distribution. Chin. J. Hunan Univ. Sci. Technol. 2007, 4, 225–229. [Google Scholar]
- Yang, M.H.; Zhao, M.H.; Cao, W.G. Research on damage constitutive model of rock under dynamical load based on statistical theory. J. Wuhan Univ. Technol. 2007, 4, 95–98. [Google Scholar]

















| FT Cycles (Times) | Fitting Equation | ||
|---|---|---|---|
| 5.4 | 0 | y = 1.1316x − 0.1577 | 1.8684 |
| 10 | y = 0.862x − 0.4298 | 2.138 | |
| 20 | y = 0.882x − 0.0326 | 2.118 | |
| 30 | y = 0.7487x − 0.3193 | 2.2513 | |
| 40 | y = 0.8452x − 0.3875 | 2.1548 | |
| 50 | y = 0.8188x − 0.3351 | 2.1812 | |
| 8.8 | 0 | y = 0.8875x − 0.4721 | 2.1125 |
| 10 | y = 0.6959x − 0.3039 | 2.3041 | |
| 20 | y = 0.7724x − 0.3328 | 2.2276 | |
| 30 | y = 0.7117x − 0.2985 | 2.2883 | |
| 40 | y = 0.6958x − 0.3367 | 2.3042 | |
| 50 | y = 0.7112x − 0.3101 | 2.2888 | |
| 11.3 | 0 | y = 0.7404x − 0.3232 | 2.2596 |
| 10 | y = 0.677x − 0.2953 | 2.323 | |
| 20 | y = 0.6907x − 0.3081 | 2.3093 | |
| 30 | y = 0.6244x − 0.2572 | 2.3756 | |
| 40 | y = 0.6247x − 0.2556 | 2.3753 | |
| 50 | y = 0.5689x − 0.2044 | 2.4311 |
| Models | FT Cycles (Times) | (m/s) | (×10−3 s) | (GPa) | (GPa) | (s) | (GPa) | (×10−6 s) | R2 | |||
|---|---|---|---|---|---|---|---|---|---|---|---|---|
| V-E model in this paper | 0 | 5.4 8.8 11.3 | 1.36 1.18 1.15 | 0.95 2.68 3.30 | 0.180 0.070 0.072 | 15 18 21 | 0 0 0 | 0.98 0.99 0.99 | ||||
| 10 | 8.8 | 1.35 | 1.96 | 0.094 | 14 | 0.28 | 0.94 | |||||
| 20 | 8.8 | 1.52 | 1.55 | 0.034 | 9 | 0.29 | 0.99 | |||||
| 30 | 8.8 | 1.13 | 5.16 | 0.072 | 11 | 0.33 | 0.91 | |||||
| 40 | 8.8 | 1.86 | 0.44 | 0.041 | 6 | 0.43 | 0.96 | |||||
| 50 | 8.8 | 1.27 | 5.31 | 0.027 | 7 | 0.60 | 0.89 | |||||
| Z-W-T model | 0 | 5.4 8.8 11.3 | 0.84 0.97 0.84 | 12.96 9.46 18.60 | 7.4 5.2 3.3 | 11.4 6.5 10.5 | 8.5 32.6 32.1 | 15 18 21 | 33.4 21.6 15.3 | 0.96 0.98 0.97 | ||
| 10 | 8.8 | 1.05 | 12.10 | 1.0 | 1.3 | 94.4 | 14 | 30.6 | 0.99 | |||
| 20 | 8.8 | 1.10 | 9.60 | 1.1 | 2.2 | 91.1 | 9 | 53.5 | 0.99 | |||
| 30 | 8.8 | 1.09 | 10.73 | 1.1 | 3.3 | 69.0 | 11 | 19.7 | 0.90 | |||
| 40 | 8.8 | 1.07 | 9.86 | 0.8 | 1.2 | 43.1 | 6 | 159.2 | 0.95 | |||
| 50 | 8.8 | 1.04 | 15.57 | 0.9 | 2.0 | 18.3 | 7 | 11.0 | 0.93 |
© 2020 by the authors. Licensee MDPI, Basel, Switzerland. This article is an open access article distributed under the terms and conditions of the Creative Commons Attribution (CC BY) license (http://creativecommons.org/licenses/by/4.0/).
Share and Cite
Li, Y.; Zhai, Y.; Liang, W.; Li, Y.; Dong, Q.; Meng, F. Dynamic Mechanical Properties and Visco-Elastic Damage Constitutive Model of Freeze–Thawed Concrete. Materials 2020, 13, 4056. https://doi.org/10.3390/ma13184056
Li Y, Zhai Y, Liang W, Li Y, Dong Q, Meng F. Dynamic Mechanical Properties and Visco-Elastic Damage Constitutive Model of Freeze–Thawed Concrete. Materials. 2020; 13(18):4056. https://doi.org/10.3390/ma13184056
Chicago/Turabian StyleLi, Yan, Yue Zhai, Wenbiao Liang, Yubai Li, Qi Dong, and Fandong Meng. 2020. "Dynamic Mechanical Properties and Visco-Elastic Damage Constitutive Model of Freeze–Thawed Concrete" Materials 13, no. 18: 4056. https://doi.org/10.3390/ma13184056
APA StyleLi, Y., Zhai, Y., Liang, W., Li, Y., Dong, Q., & Meng, F. (2020). Dynamic Mechanical Properties and Visco-Elastic Damage Constitutive Model of Freeze–Thawed Concrete. Materials, 13(18), 4056. https://doi.org/10.3390/ma13184056

