Low Cycle Fatigue Life Prediction Model of 800H Alloy Based on the Total Strain Energy Density Method
Abstract
1. Introduction
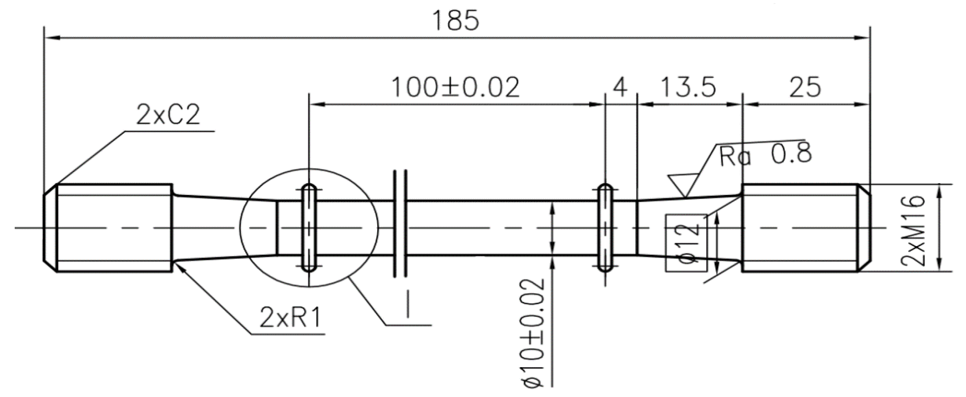
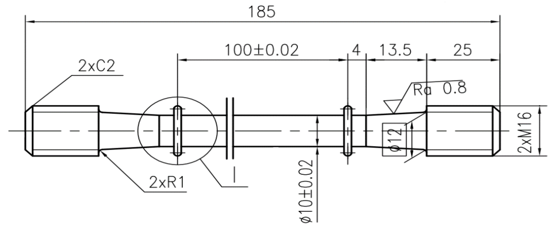
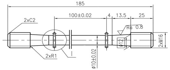
2. Experiment Material and Method
3. Modified Total Strain Energy Density Method
3.1. Life Prediction Model
3.2. Life Prediction Result
4. Conclusions
Author Contributions
Funding
Conflicts of Interest
References
- Yokobori, T.; Yokobori, A.T. High temperature creep, fatigue and creep–fatigue interaction in engineering materials. Int. J. Press. Vessel. Pip. 2001, 78, 903–908. [Google Scholar] [CrossRef]
- Mandell, J.F.; McGarry, F.J. Some effects of matrix and interface properties on fatigue of short fiber-reinforced thermoplastics. Ploym. Compos. 1983, 4, 32–39. [Google Scholar] [CrossRef]
- Coffin, L.F. Fatigue at high temperature-prediction and interpretation. Proc. Inst. Mech. Eng. 1974, 188, 109–127. [Google Scholar] [CrossRef]
- Payten, W.M.; Dean, D.W.; Snowden, K.U. A strain energy density method for the prediction of creep–fatigue damage in high temperature components. Mater. Sci. Eng. A 2010, 527, 1920–1925. [Google Scholar] [CrossRef]
- He, J. High Temperature Fatigue of Metals; Science Press: Beijing, China, 1988; pp. 102–137. [Google Scholar]
- Nam, S.W.; Lee, S.C.; Lee, J.M. The effect of creep cavitation on the fatigue life under creep fatigue interaction. Nucl. Eng. Des. 1995, 153, 213–221. [Google Scholar] [CrossRef]
- Yeol, J.C.; Gyu, C.B.; Woo, N.S. Normaiized life prediction in terms of stress relaxation behavior under creep fatigue interaction. Mater. Lett. 2001, 49, 20–24. [Google Scholar]
- Jin, R.; Sun, Y. Life Estimation Method under Combined Creep/Fatigue. J. Mater. Eng. 2011, 11, 6–8. [Google Scholar]
- Wang, Y.; Du, W.; Luo, Y. A mean plastic strain fatigue–creep life prediction and reliability analysis of AISI H13 based on energy method. Mater. Res. Soc. 2017, 32, 4254–4262. [Google Scholar] [CrossRef]
- Wang, R.-Z.; Zhang, X.-C.; Tu, S.-T.; Zhu, S.-P.; Zhang, C.-C. A modified strain energy density exhaustion model for creep–fatigue life prediction. Int. J. Fatigue 2016, 90, 12–22. [Google Scholar] [CrossRef]
- Wang, R.-Z.; Zhang, X.-C.; Gong, J.-G.; Zhu, X.-M.; Tu, S.-T.; Zhang, C.-C. Creep-fatigue life prediction and interaction diagram in nickel-based GH4169 superalloy at 650 °C based on cycle-by-cycle concept. Int. J. Fatigue 2017, 97, 114–123. [Google Scholar] [CrossRef]
- Zhang, W. Effect of Laser Heat Treatment on the Microstructure and Properties of Alloy 800H. Metals 2019, 9, 379. [Google Scholar] [CrossRef]
- ASTM E8M. Standard Test Methods for Tension Testing of Metallic Materials; ASTM International: West Conshohocken, PA, USA, 2004. [Google Scholar]
- Silva, C.M.A.; Rosa, P.A.R. Innovative Testing Machines and Methodologies for the Mechanical Characterization of Materials. Exp. Tech. 2014, 40, 569–581. [Google Scholar] [CrossRef]
- Krahmer, D.M.; Polvorosa, R.; De Lacalle, L.N.L.; Alonso-Pinillos, U.; Abate, G.; Riu, F. Alternatives for Specimen Manufacturing in Tensile Testing of Steel Plates. Exp. Tech. 2016, 40, 1555–1565. [Google Scholar] [CrossRef]
- Suárez, A. Surface integrity and fatigue of non-conventional machined Alloy 718. J. Manuf. Process. 2019, 48, 44–50. [Google Scholar] [CrossRef]
- Griffith, A.A. The Phenomena of Rupture and Flow in Solids. Philos. Trans. R. Soc. A Math. Phys. Eng. Sci. A 1921, 221, 163–198. [Google Scholar] [CrossRef]
- Varanasi, S.R.; Wittaker, I.C. Structure reliability prediction method considering crack growth and residual strength. Am. Soc. Test. Mater. 1976, 242–305. [Google Scholar] [CrossRef]
- Pompetzki, M.A.; Topper, T.H.; Duquesne, D.L. The effect of compressive underloads and tensile overloads on fatigue damage accumulation in SAE 1045 steel. Int. J. Fatigue 1990, 12, 207–213. [Google Scholar] [CrossRef]
- Golos, K.; Ellyin, F. Generalization of cumulative damage criterion to multilevel cyclic loading. Theor. Appl. Fract. Mech. 1987, 7, 169–176. [Google Scholar] [CrossRef]
- Lefebvre, D.; Neale, K.W.; Ellyin, F. A criterion for low-cycle fatigue under biaxial states of stress. J. Eng. Mater. Technol. ASME 1988, 103, 1–6. [Google Scholar] [CrossRef]
- Ellyin, F.; Fakinlede, C.O.A. Probabilistic crack growth by nonlinear damage accumulation. Int. J. Fract. 1988, 36, 137–149. [Google Scholar] [CrossRef]










| Temperature (°C) | Strain Amplitude (%) | No. | Heat treatment | ||||||
|---|---|---|---|---|---|---|---|---|---|
| 675 | 0.3 | 1 | × | 0.0744 | 0.03912 | 0.528 | 0.6415 | 1002 | 925 |
| 2 | √ | 0.0331 | 0.01211 | 1.21 | 1.2552 | 1587 | 1489 | ||
| 3 | √ | 0.0328 | 0.01319 | 1.12 | 1.1660 | 1207 | 1417 | ||
| 4 | √ | 0.0328 | 0.01319 | 0.504 | 0.5500 | 1239 | 858 | ||
| 5 | × | 0.0326 | 0.01838 | 1.475 | 1.5260 | 1286 | 1690 | ||
| 750 | 0.02 | 6 | √ | 0.0458 | 0.00057 | 0.0854 | 0.1317 | 1757 | 1203 |
| 7 | √ | 0.0870 | 0.00214 | 0.093 | 0.1821 | 807 | 808 | ||
| 8 | √ | 0.0710 | 0.00172 | 0.0546 | 0.1273 | 1062 | 1262 | ||
| 9 | × | 0.0120 | 0.00004 | 0.0435 | 0.0555 | 3061 | 3459 | ||
| 10 | × | 0.0165 | 0.00008 | 0.066 | 0.0826 | 2025 | 2150 |
© 2019 by the authors. Licensee MDPI, Basel, Switzerland. This article is an open access article distributed under the terms and conditions of the Creative Commons Attribution (CC BY) license (http://creativecommons.org/licenses/by/4.0/).
Share and Cite
Zhang, W.; Jiang, T.; Liu, L. Low Cycle Fatigue Life Prediction Model of 800H Alloy Based on the Total Strain Energy Density Method. Materials 2020, 13, 76. https://doi.org/10.3390/ma13010076
Zhang W, Jiang T, Liu L. Low Cycle Fatigue Life Prediction Model of 800H Alloy Based on the Total Strain Energy Density Method. Materials. 2020; 13(1):76. https://doi.org/10.3390/ma13010076
Chicago/Turabian StyleZhang, Wei, Tao Jiang, and Liqiang Liu. 2020. "Low Cycle Fatigue Life Prediction Model of 800H Alloy Based on the Total Strain Energy Density Method" Materials 13, no. 1: 76. https://doi.org/10.3390/ma13010076
APA StyleZhang, W., Jiang, T., & Liu, L. (2020). Low Cycle Fatigue Life Prediction Model of 800H Alloy Based on the Total Strain Energy Density Method. Materials, 13(1), 76. https://doi.org/10.3390/ma13010076

