Custom Design of Packaging through Advanced Technologies: A Case Study Applied to Apples
Abstract
1. Introduction
2. Materials and Methods
2.1. Tools and Materials Used to Obtain the Customized Packaging
2.2. Parameterization of the Packaging Design
3. Results
3.1. Virtual Evaluation of Digital Elements
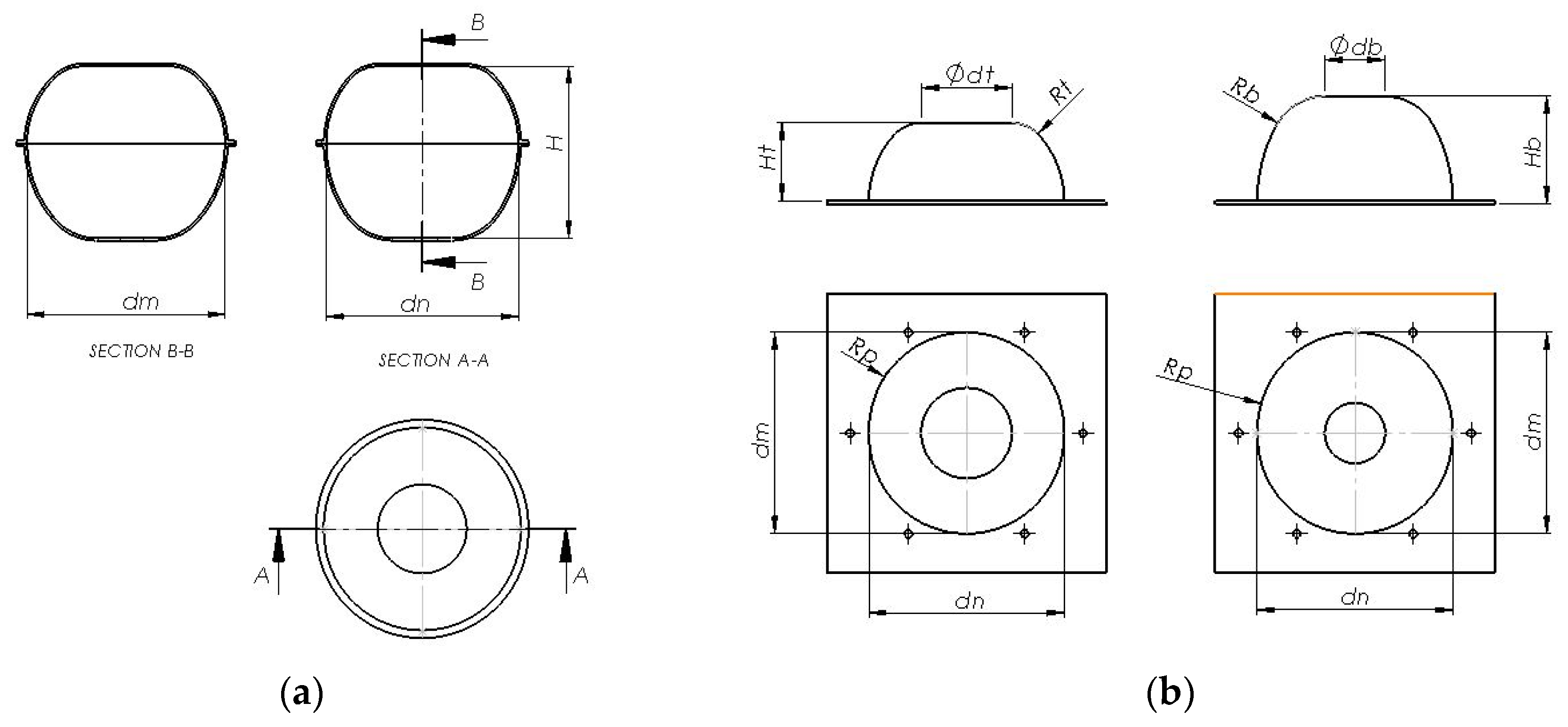
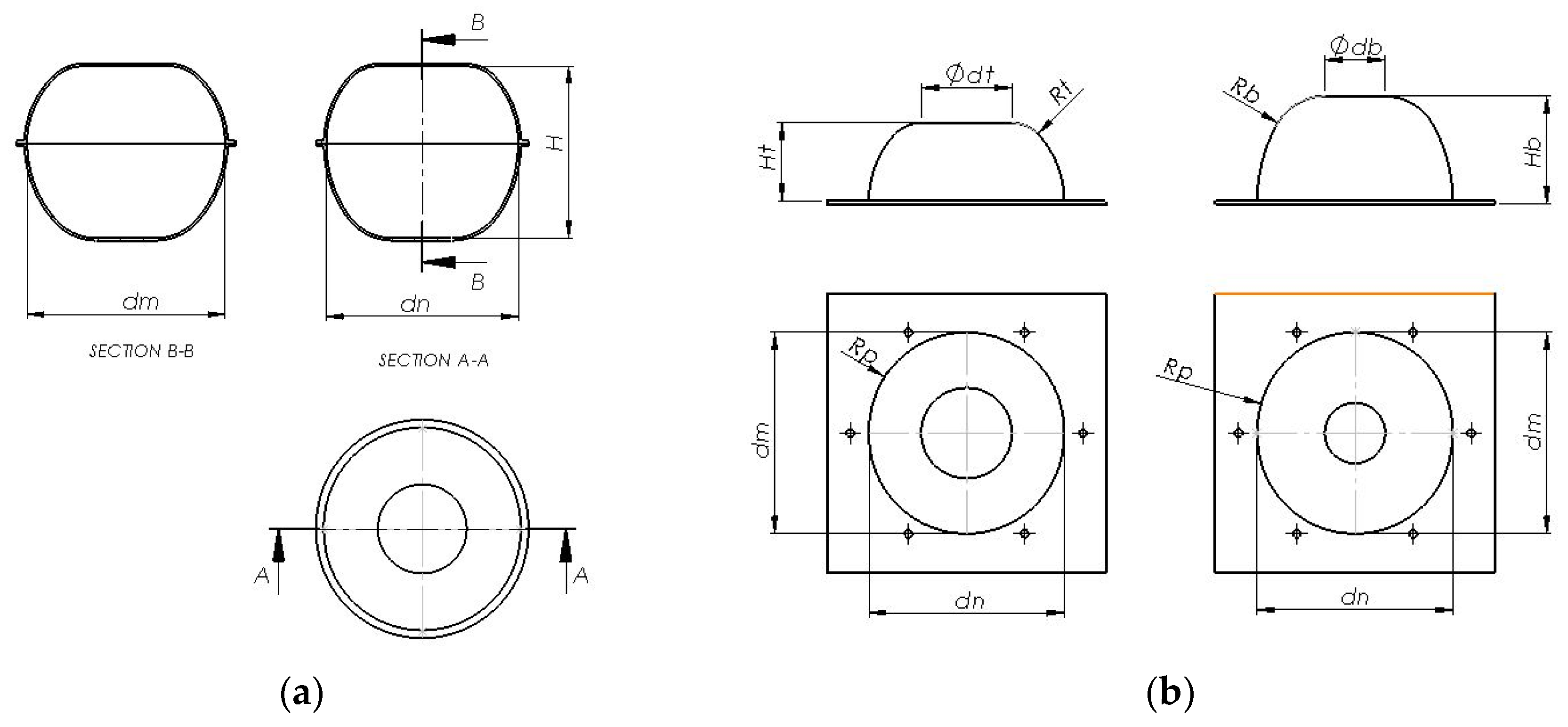
3.2. Parameterization of the Conceptual Proposal
3.3. Evaluation of Results
4. Discussion
5. Conclusions
Author Contributions
Funding
Conflicts of Interest
Appendix A
| Sample | Calibre 1 | Calibre 2 | ||
|---|---|---|---|---|
| Front View | Top View | Front View | Top View | |
| M1 | ![]() | ![]() | ![]() | ![]() |
| M2 | ![]() | ![]() | ![]() | ![]() |
| M3 | ![]() | ![]() | ![]() | ![]() |
| M4 | ![]() | ![]() | ![]() | ![]() |
| M5 | ![]() | ![]() | ![]() | ![]() |
| M6 | ![]() | ![]() | ![]() | ![]() |
| M7 | ![]() | ![]() | ![]() | ![]() |
| M8 | ![]() | ![]() | ![]() | ![]() |
| M9 | ![]() | ![]() | ![]() | ![]() |
| M10 | ![]() | ![]() | ![]() | ![]() |
Appendix B
| Diferent apples inside of designed packaging for Calibre 1 | |||
![]() | ![]() | ![]() | ![]() |
![]() | ![]() | ![]() | ![]() |
![]() | ![]() | ![]() | ![]() |
![]() | ![]() | ![]() | ![]() |
![]() | ![]() | ![]() | ![]() |
| Diferent apples inside of designed packaging for Calibre 2 | |||
![]() | ![]() | ![]() | ![]() |
![]() | ![]() | ![]() | ![]() |
![]() | ![]() | ![]() | ![]() |
![]() | ![]() | ![]() | ![]() |
![]() | ![]() | ![]() | ![]() |
References
- Marsh, K.; Bugusu, B. Food packaging—Roles, materials, and environmental issues. J. Food Sci. 2007, 72, R39–R55. [Google Scholar] [CrossRef] [PubMed]
- Schweitzer, J.; Gionfra, S.; Pantzar, M.; Mottershead, D.; Watkins, E.; Petsinaris, F.; ten Brink, P.; Ptak, E.; Lacey, C.; Janssens, C. Plastic Packaging and Food Waste—New Perspectives on a Dual Sustainability Crisis. 2018. Available online: https://ieep.eu/publications/plastic-packaging-and-food-waste-new-perspectives-on-a-dual-sustainability-crisis (accessed on 11 July 2018).
- Vodnar, D.C.; Pop, O.L.; Dulf, F.V.; Socaciu, C. Antimicrobial Efficiency of Edible Films in Food Industry. Not. Bot. Horti Agrobot. Cluj-Napoca 2015, 43, 302–312. [Google Scholar] [CrossRef]
- Santeramo, F.G.; Carlucci, D.; De Devitiis, B.; Seccia, A.; Stasi, A.; Viscecchia, R.; Nardone, G. Emerging trends in European food, diets and food industry. Food Res. Int. 2018, 104, 39–47. [Google Scholar] [CrossRef] [PubMed]
- Baselice, A.; Colantuoni, F.; Lass, D.A.; Nardone, G.; Stasi, A. Trends in EU consumers’ attitude towards fresh-cut fruit and vegetables. Food Qual. Prefer. 2017, 59, 87–96. [Google Scholar] [CrossRef]
- Gómez, E. Convenience Food, Tendencia en Alimentación. 2017. Available online: https://www.ainia.es/tecnoalimentalia/consumidor/convenience-food-tendencia-en-alimentacion/ (accessed on 20 November 2018). (In Spanish).
- Ainia. Las 7 Claves de un Envase Sostenible. Available online: https://www.ainia.es/noticias/prensa/las-7-claves-de-un-envase-sostenible/ (accessed on 17 September 2018). (In Spanish).
- Farris, S. Main Manufacturing Processes for Food Packaging Materials. In Reference Module in Food Science; Elsevier: Amsterdam, The Netherlands, 2016. [Google Scholar] [CrossRef]
- Nerin, C. Plastics and Polymers for Food Packaging Manufacturing. In Reference Module in Food Science; Elsevier: Amsterdam, The Netherlands, 2016. [Google Scholar] [CrossRef]
- Klaiman, K.; Ortega, D.L.; Garnache, C. Perceived barriers to food packaging recycling: Evidence from a choice experiment of US consumers. Food Control 2017, 73, 291–299. [Google Scholar] [CrossRef]
- Baldwin, C.J. The 10 Principles of Food Industry Sustainability; John Wiley & Sons: Chichester, UK, 2015; ISBN 9781118447697. [Google Scholar]
- Siracusa, V.; Rosa, M.D. Sustainable Packaging. In Sustainable Food Systems from Agriculture to Industry, 1st ed.; Galanakis, C., Ed.; Elsevier: London, UK, 2018; pp. 275–307. ISBN 9780128119358. [Google Scholar]
- Sundbo, J. Food scenarios 2025: Drivers of change between global and regional. Futures 2016, 83, 75–87. [Google Scholar] [CrossRef]
- Selke, S.; Culter, J. Plastics Packaging, 3rd ed.; Hanser: Munich, Germany, 2016; ISBN 9781569904435. [Google Scholar]
- Wikström, F.; Williams, H.; Venkatesh, G. The influence of packaging attributes on recycling and food waste behaviour—An environmental comparison of two packaging alternatives. J. Clean. Prod. 2016, 137, 895–902. [Google Scholar] [CrossRef]
- Martinho, G.; Pires, A.; Portela, G.; Fonseca, M. Factors affecting consumers’ choices concerning sustainable packaging during product purchase and recycling. Resour. Conserv. Recycl. 2015, 103, 58–68. [Google Scholar] [CrossRef]
- Klein, P. Fundamentals of Plastics Thermoforming. In Synthesis Lectures on Materials Engineering; M&C: Williston, ND, USA, 2009; ISBN 9781598298840. [Google Scholar]
- Van Mieghem, B.; Desplentere, F.; Van Bael, A.; Ivens, J. Improvements in thermoforming simulation by use of 3D digital image correlation. Express Polym. Lett. 2015, 9, 119–128. [Google Scholar] [CrossRef]
- Schüller, C.; Panozzo, D.; Grundhöfer, A.; Zimmer, H.; Sorkine, E.; Sorkine-Hornung, O. Computational thermoforming. ACM Trans. Graph. 2016, 35, 43. [Google Scholar] [CrossRef]
- Sreedhara, V.S.M.; Mocko, G. Control of thermoforming process parameters to increase quality of surfaces using pin-based tooling. In Proceedings of the ASME Design Engineering Technical Conference, Boston, MA, USA, 2–5 August 2015; Volume 4, p. V004T05A016. [Google Scholar] [CrossRef]
- Vanderroost, M.; Ragaert, P.; Devlieghere, F.; De Meulenaer, B. Intelligent food packaging: The next generation. Trends Food Sci. Technol. 2014, 39, 47–62. [Google Scholar] [CrossRef]
- Herbes, C.; Beuthner, C.; Ramme, I. Consumer attitudes towards biobased packaging—A cross-cultural comparative study. J. Clean. Prod. 2018, 194, 203–218. [Google Scholar] [CrossRef]
- Deng, X.; Srinivasan, R. When Do Transparent Packages Increase (or Decrease) Food Consumption? J. Mark. 2013, 77, 104–117. [Google Scholar] [CrossRef]
- Klimchuk, M.R.; Krasovec, S.A. Packaging Design: Successful Product Branding from Concept to Shelf; John Wiley & Sons: Hoboken, NJ, USA, 2012; ISBN 1118358546. [Google Scholar]
- Otero, C.; Valentini, P.; Fischer, X. Behavioural Modelling for Design. In Research in Interactive Design; Springer International Publishing: Cham, Switzerland, 2016; Volume 4, pp. 151–220. [Google Scholar] [CrossRef]
- Wang, P.; Hamila, N.; Boisse, P. Thermoforming simulation of multilayer composites with continuous fibres and thermoplastic matrix. Compos. Part B Eng. 2013, 52, 127–136. [Google Scholar] [CrossRef]
- Trinetta, V. Definition and Function of Food Packaging. In Reference Module in Food Science; Elsevier: Amsterdam, The Netherlands, 2016. [Google Scholar] [CrossRef]
- Simmonds, G.; Spence, C. Thinking inside the box: How seeing products on, or through, the packaging influences consumer perceptions and purchase behaviour. Food Qual. Prefer. 2017, 62, 340–351. [Google Scholar] [CrossRef]
- Marketing Standards for Fruit and Vegetables. Available online: http://www.juntadeandalucia.es/agriculturaypesca/productos/info_comercial.html (accessed on 10 December 2018). (In Spanish).
- Van Boeijen, A.; Daalhuizen, J.; Van der Schoor, R.; Zijlstra, J. Delft Design Guide: Design Methods; BIS: Amsterdam, The Netherlands, 2014; ISBN 9063693273. [Google Scholar]
- Rodríguez-Parada, L.; Pardo Vicente, M.A.; Mayuet Ares, P.F. Digitizing fresh food using 3D scanning for custom packaging design. DYNA Ing. E Ind. 2018, 93, 681–688. [Google Scholar] [CrossRef]
- Frutas y Verduras-HortiqualityHortiquality. Available online: http://hortiquality.com/frutas-y-verduras-espana/ (accessed on 26 July 2018). (In Spanish).
- Becker, L.; van Rompay, T.J.L.; Schifferstein, H.N.J.; Galetzka, M. Tough package, strong taste: The influence of packaging design on taste impressions and product evaluations. Food Qual. Prefer. 2011, 22, 17–23. [Google Scholar] [CrossRef]
- Mwanza, B.G.; Mbohwa, C.; Telukdarie, A. Strategies for the Recovery and Recycling of Plastic Solid Waste (PSW): A Focus on Plastic Manufacturing Companies. Procedia Manuf. 2018, 21, 686–693. [Google Scholar] [CrossRef]
- Tulaphol, N. Food Industry 4. A New Era of Consumer Empowerment. Economic Intelligence Center (EIC), 2016. Available online: https://www.scbeic.com/en/detail/product/2916 (accessed on 4 April 2018).
- Hellström, D.; Olsson, A. Managing Packaging Design for Sustainable Development: A Compass for Strategic Directions; Wiley: Chichester, UK, 2017; ISBN 1119150930. [Google Scholar]
- Aromaa, S.; Väänänen, K. Suitability of virtual prototypes to support human factors/ergonomics evaluation during the design. Appl. Ergon. 2016, 56, 11–18. [Google Scholar] [CrossRef]
- Holhorst, F.W.B.; van Rompay, T.J.L.; ten Klooster, R.; Roukema, M. Evaluating Shelf-ready Packaging Designs in a VR Environment. In Proceedings of the EuroVR 2014 conference, Bremen, Germany, 8–10 December 2014; pp. 113–117. [Google Scholar] [CrossRef]
- Yassine, A.A. Parametric design adaptation for competitive products. J. Intell. Manuf. 2012, 23, 541–559. [Google Scholar] [CrossRef]
- Harding, J.E.; Shepherd, P. Meta-Parametric Design. Des. Stud. 2017, 52, 73–95. [Google Scholar] [CrossRef]
- Vitković, N.; Stojković, M.; Majstorović, V.; Trajanović, M.; Milovanović, J. Novel design approach for the creation of 3D geometrical model of personalized bone scaffold. CIRP Ann. 2018, 67, 177–180. [Google Scholar] [CrossRef]
- Zhang, J.; Gu, P.; Peng, Q.; Hu, S.J. Open interface design for product personalization. CIRP Ann. 2017, 66, 173–176. [Google Scholar] [CrossRef]
- Aish, R.; Hanna, S. Comparative evaluation of parametric design systems for teaching design computation. Des. Stud. 2017, 52, 144–172. [Google Scholar] [CrossRef]
- Kaneko, K.; Kishita, Y.; Umeda, Y. Toward Developing a Design Method of Personalization: Proposal of a Personalization Procedure. Procedia CIRP 2018, 69, 740–745. [Google Scholar] [CrossRef]
- Chu, C.-H.; Wang, I.-J.; Wang, J.-B.; Luh, Y.-P. 3D parametric human face modeling for personalized product design: Eyeglasses frame design case. Adv. Eng. Inform. 2017, 32, 202–223. [Google Scholar] [CrossRef]
- Kleespies, H.S., III; Crawford, R.H. Vacuum forming of compound curved surfaces with a variable geometry mold. J. Mannuf. Syst. 1998, 17, 325–337. [Google Scholar] [CrossRef]














© 2019 by the authors. Licensee MDPI, Basel, Switzerland. This article is an open access article distributed under the terms and conditions of the Creative Commons Attribution (CC BY) license (http://creativecommons.org/licenses/by/4.0/).
Share and Cite
Rodríguez-Parada, L.; Mayuet, P.F.; Gámez, A.J. Custom Design of Packaging through Advanced Technologies: A Case Study Applied to Apples. Materials 2019, 12, 467. https://doi.org/10.3390/ma12030467
Rodríguez-Parada L, Mayuet PF, Gámez AJ. Custom Design of Packaging through Advanced Technologies: A Case Study Applied to Apples. Materials. 2019; 12(3):467. https://doi.org/10.3390/ma12030467
Chicago/Turabian StyleRodríguez-Parada, Lucía, Pedro F. Mayuet, and Antonio J. Gámez. 2019. "Custom Design of Packaging through Advanced Technologies: A Case Study Applied to Apples" Materials 12, no. 3: 467. https://doi.org/10.3390/ma12030467
APA StyleRodríguez-Parada, L., Mayuet, P. F., & Gámez, A. J. (2019). Custom Design of Packaging through Advanced Technologies: A Case Study Applied to Apples. Materials, 12(3), 467. https://doi.org/10.3390/ma12030467

















































































