Design of Multiple Parallel-Arranged Perforated Panel Absorbers for Low Frequency Sound Absorption
Abstract
:1. Introduction
2. Theoretical Model
2.1. Acoustic Impedance of the Perforated Panel
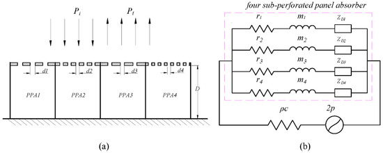
2.2. Acoustic Impedance of the Parallel-Arranged Perforated Panel Absorber
3. Model Optimization and Comparison
3.1. Comparison of Sound Absorption between Perforated Panel and MPP in Low Frequencies
3.2. Comparison of Sound Absorption between PPAs and Other Resonant Structures in the Same Depth Cavity
3.3. Comparison of PPAs with Different Cavity Depth
4. Experimental Validation
5. Conclusions
Author Contributions
Funding
Conflicts of Interest
References
- Maa, D.Y. Theory and Design of Microperforated Panel Sound-Absorbing Constructions. Sci. Sin. 1975, 18, 55–71. [Google Scholar]
- Maa, D.Y. Wide-Band Sound Absorber Based on Microperforated Panels. Chin. J. Acoust. 1985, 4, 3–14. [Google Scholar]
- Cha, X.; Jian, K.; Zhang, T.; Zhou, X.; Fuchs, H. Application Approach for Microperforated Panel Sound Absorbers. Acta Acust. 1994, 19, 256–265. [Google Scholar]
- Maa, D.Y. Potential of Microperforated Panel Absorber. J. Acoust. Soc. Am. 1998, 104, 2861–2866. [Google Scholar] [CrossRef]
- Maa, D.Y. Microperforated-Panel Wideband Absorbers. Noise Control Eng. J. 1987, 29, 77–84. [Google Scholar] [CrossRef]
- Sakagami, K.; Morimoto, M.; Koike, W. A Numerical Study of Double-Leaf Microperforated Panel Absorbers. Appl. Acoust. 2006, 67, 609–619. [Google Scholar] [CrossRef]
- Sakagami, K.; Matsutani, K.; Morimoto, M. Sound Absorption of a Double-Leaf Micro-Perforated Panel with an Air-Back Cavity and a Rigid-Back Wall: Detailed Analysis with a Helmholtz-Kirchhoff Integral Formulation. Appl. Acoust. 2009, 71, 411–417. [Google Scholar] [CrossRef]
- Sakagami, K.; Yairi, M.; Morimoto, M. Multiple-Leaf Sound Absorbers with Microperforated Panels: An Overview. Acoust. Aust. 2010, 38, 76–81. [Google Scholar]
- Sakagami, K.; Nagayama, Y.; Morimoto, M.; Yairi, M. Pilot Study on Wideband Sound Absorber Obtained by Combination of Two Different Microperforated Panel (Mpp) Absorbers. Acoust. Sci. Technol. 2009, 30, 154–156. [Google Scholar] [CrossRef]
- Wang, C.; Huang, L. On the Acoustic Properties of Parallel Arrangement of Multiple Micro-Perforated Panel Absorbers with Different Cavity Depths. J. Acoust. Soc. Am. 2011, 130, 208. [Google Scholar] [CrossRef] [PubMed]
- Wang, C.; Huang, L.; Zhang, Y. Oblique Incidence Sound Absorption of Parallel Arrangement of Multiple Micro-Perforated Panel Absorbers in a Periodic Pattern. J. Sound Vib. 2014, 333, 6828–6842. [Google Scholar] [CrossRef]
- Lu, Y.; Tang, H.; Tian, J.; Li, H. The Perforated Panel Resonator with Flexible Tube Bundle. Acoust. Soc. Am. J. 2006, 119, 3249. [Google Scholar] [CrossRef]
- Lu, Y.; Tang, H.; Tian, J.; Li, H.; Yang, J. The Perforated Panel Resonator with Flexible Tube Bundles and Its Sound Absorption Measurements. In INTER-NOISE and NOISE-CON Congress and Conference Proceedings; Institute of Noise Control Engineering: Chicago, IL, USA, 2001; pp. 4220–4226. [Google Scholar]
- Simon, F. Low Frequency Sound Absorption of Resonators with Flexible Tubes. J. Acoust. Soc. Am. 2013, 133, 3265. [Google Scholar] [CrossRef]
- Simon, F. Long Elastic Open Neck Acoustic Resonator for Low Frequency Absorption. J. Sound Vib. 2018, 421, 1–16. [Google Scholar] [CrossRef]
- Li, D.; Chang, D.; Liu, B. Enhancing the Low Frequency Sound Absorption of a Perforated Panel by Parallel-Arranged Extended Tubes. Appl. Acoust. 2016, 102, 126–132. [Google Scholar] [CrossRef]
- Li, D.; Chang, D.; Liu, B. Enhanced Low- to Mid-Frequency Sound Absorption Using Parallel-Arranged Perforated Plates with Extended Tubes and Porous Material. Appl. Acoust. 2017, 127, 316–323. [Google Scholar] [CrossRef]
- Crandall, I.B. Theory of Vibrating Systems and Sound, 2nd ed.; D. Van Nostrand Company: New York, NY, USA, 1927; p. 544. [Google Scholar]
- Chiu, M.C.; Chang, Y.C.; Yeh, L.J.; Lan, T.S. Optimization of Perforated Double-Layer Absorbers Using Simulated Annealing. J. Mar. Sci. Technol. 2007, 15, 351–359. [Google Scholar]
- Ruiz, H.; Cobo, P.; Jacobsen, F. Optimization of Multiple-Layer Microperforated Panels by Simulated Annealing. Appl. Acoust. 2011, 72, 772–776. [Google Scholar] [CrossRef]
- Chung, J.Y.; Blaser, D.A. Transfer Function Method of Measuring in-Duct Acoustic Properties. Ii. Experiment. J. Acoust. Soc. Am. 1998, 68, 914–921. [Google Scholar] [CrossRef]







| Parameter | PPAs | PPETs [16] | MPP | ||||||
|---|---|---|---|---|---|---|---|---|---|
| PPA1 | PPA2 | PPA3 | PPA4 | PPET1 | PPET2 | PPET3 | PPET4 | ||
| d (mm) | 3.1 | 2.8 | 2.2 | 2 | 5.1 | 3.5 | 3.1 | 2.9 | 0.8 |
| p (%) | 0.32 | 0.46 | 0.62 | 0.93 | 3.26 | 3.74 | 5.31 | 4.43 | 0.41 |
| t (mm) | 2.5 | 2.5 | 2.5 | 2.5 | 51 | 40 | 40 | 20 | 2 |
| D (mm) | 100 | 100 | 100 | 100 | 100 | 100 | 100 | 100 | 100 |
| Parameter | D = 100 mm | D = 70 mm | ||||||
| PPA1 | PPA2 | PPA3 | PPA4 | PPA1 | PPA2 | PPA3 | PPA4 | |
| d (mm) | 2.4 | 1.5 | 1.5 | 1.6 | 3.5 | 1.5 | 1.6 | 1.5 |
| p (%) | 0.74 | 2.94 | 1.63 | 1.01 | 1.20 | 1.79 | 1.18 | 3 |
| t (mm) | 2.3 | 2.3 | 2.3 | 2.3 | 2.1 | 2.1 | 2.1 | 2.1 |
| Parameter | D = 50 mm | D = 35 mm | ||||||
| PPA1 | PPA2 | PPA3 | PPA4 | PPA1 | PPA2 | PPA3 | PPA4 | |
| d (mm) | 1.7 | 3.1 | 1.5 | 1.5 | 1.8 | 1.5 | 1.5 | 4 |
| p (%) | 1.44 | 1.39 | 3 | 1.98 | 1.66 | 3 | 2.19 | 1.81 |
| t (mm) | 2.2 | 2.2 | 2.2 | 2.2 | 2.5 | 2.5 | 2.5 | 2.5 |
| Sample A | d (mm) | p (%) | t (mm) | D (mm) |
|---|---|---|---|---|
| PPA1 | 3 | 0.36 | 2.5 | 100 |
| PPA2 | 2.5 | 0.50 | 2.5 | 100 |
| PPA3 | 2.1 | 0.64 | 2.5 | 100 |
| PPA4 | 2.1 | 0.96 | 2.5 | 100 |
| Sample B | d (mm) | p (%) | t (mm) | D (mm) |
|---|---|---|---|---|
| PPA1 | 2.2 | 0.39 | 2 | 100 |
| PPA2 | 1.6 | 0.63 | 2 | 100 |
| PPA3 | 1.6 | 2.52 | 2 | 100 |
| PPA4 | 1.5 | 1.26 | 2 | 100 |
© 2019 by the authors. Licensee MDPI, Basel, Switzerland. This article is an open access article distributed under the terms and conditions of the Creative Commons Attribution (CC BY) license (http://creativecommons.org/licenses/by/4.0/).
Share and Cite
Li, X.; Wu, Q.; Kang, L.; Liu, B. Design of Multiple Parallel-Arranged Perforated Panel Absorbers for Low Frequency Sound Absorption. Materials 2019, 12, 2099. https://doi.org/10.3390/ma12132099
Li X, Wu Q, Kang L, Liu B. Design of Multiple Parallel-Arranged Perforated Panel Absorbers for Low Frequency Sound Absorption. Materials. 2019; 12(13):2099. https://doi.org/10.3390/ma12132099
Chicago/Turabian StyleLi, Xin, Qianqian Wu, Ludi Kang, and Bilong Liu. 2019. "Design of Multiple Parallel-Arranged Perforated Panel Absorbers for Low Frequency Sound Absorption" Materials 12, no. 13: 2099. https://doi.org/10.3390/ma12132099
APA StyleLi, X., Wu, Q., Kang, L., & Liu, B. (2019). Design of Multiple Parallel-Arranged Perforated Panel Absorbers for Low Frequency Sound Absorption. Materials, 12(13), 2099. https://doi.org/10.3390/ma12132099
