High-Cycle, Push–Pull Fatigue Fracture Behavior of High-C, Si–Al-Rich Nanostructured Bainite Steel
Abstract
:1. Introduction
2. Materials and Methods
3. Results and Discussion
3.1. Microstructure and Mechanical Properties
3.2. Fatigue Limits
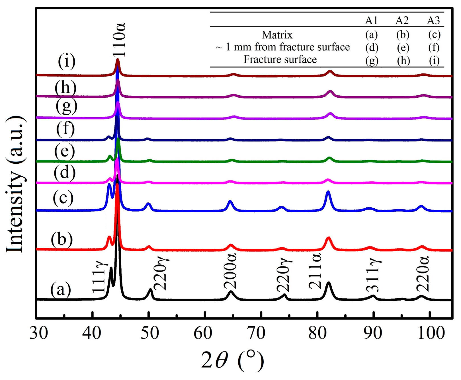
3.3. Fatigue Fracture Analysis
4. Conclusions
Acknowledgments
Author Contributions
Conflicts of Interest
References
- Zhao, P.; Gao, G.H.; Misra, R.D.K.; Bai, B.Z. Effect of microstructure on the very high cycle fatigue behavior of a bainite/matensite multiphase steel. Mater. Sci. Eng. A 2015, 630, 1–7. [Google Scholar] [CrossRef]
- Zhao, P.; Cheng, C.; Gao, G.; Hui, W.; Misra, R.D.K.; Bai, B.; Weng, Y. The potential significance of microalloying with niobium in governing very high cycle fatigue behavior of bainite/martensite multiphase steels. Mater. Sci. Eng. A 2016, 650, 438–444. [Google Scholar] [CrossRef]
- Yu, Y.; Gu, J.L.; Xu, L.; Shou, F.L.; Bai, B.Z.; Liu, Y.B. Very high cycle fatigue behaviors of Mn-Si-Cr series bainite/martensite dual phase steels. Mater. Des. 2010, 31, 3067–3072. [Google Scholar] [CrossRef]
- Yu, Y.; Gu, J.L.; Bai, B.Z.; Liu, Y.B.; Li, S.X. Very high cycle fatigue mechanism of carbide-free bainite/martensite steel micro-alloyed with Nb. Mater. Sci. Eng. A 2009, 527, 212–217. [Google Scholar] [CrossRef]
- Gao, G.H.; Zhang, B.X.; Cheng, C.; Zhao, P.; Zhang, H.; Bai, B.Z. Very high cycle fatigue behaviors of bainite/martensite multiphase steel treated by quenching-partitioning-tempering process. Int. J. Fatigue 2016, 92, 203–210. [Google Scholar] [CrossRef]
- Wei, D.Y.; Gu, J.L.; Fang, H.S.; Bai, B.Z.; Yang, Z.G. Fatigue behavior of 1500 MPa bainite/martensite duplex-phase high-strength steel. Int. J. Fatigue 2004, 26, 437–442. [Google Scholar] [CrossRef]
- Xu, X.X.; Yu, Y.; Cui, W.L.; Bai, B.Z.; Gu, J.L. Ultra-high cycle fatigue behavior of high strength steel with carbide-free banite/martensite complex microstructure. Int. J. Miner. Metall. Mater. 2009, 16, 285–292. [Google Scholar] [CrossRef]
- Xu, L.; Wei, D.Y.; Yu, Y.; Zhang, H.; Bai, B.Z. Effect of microstructure on corrosion on fatigue behavior of 1500 MPa level carbide-free bainite/martensite dual-phase high strength. J. Iron Steel Res. Int. 2011, 18, 63–67. [Google Scholar] [CrossRef]
- Liu, Y.B.; Li, S.X.; Yang, Z.G.; Cui, J.Y.; Gu, J.L.; Bai, B.Z. Improving fatigue strength of bainite/martensite dual-phase steels in very high cycle fatigue regime by refining microstructures. Theor. Appl. Mech. Lett. 2012, 2, 031005. [Google Scholar] [CrossRef]
- Peet, M.J.; Hill, P.; Rawson, M.; Wood, S.; Bhadeshia, H.K.D.H. Fatigue of extremely fine bainite. Mater. Sci. Technol. 2011, 27, 119–123. [Google Scholar] [CrossRef]
- Yang, J.; Wang, T.S.; Zhang, B.; Zhang, F.C. High-cycle bending fatigue behaviour of nanostructured bainitic steel. Scr. Mater. 2012, 66, 363–366. [Google Scholar] [CrossRef]
- Solano-Alvarez, W.; Pickering, E.J.; Bhadeshia, H.K.D.H. Degradation of nanostructured bainitic steel under rolling contact fatigue. Mater. Sci. Eng. A 2014, 617, 156–164. [Google Scholar] [CrossRef]
- L’vov, Y.B.; Maloletnev, A.Y.; Perkas, M.D.; Birakhovskii, Y.G.; Leonova, N.K.; Gurevich, Y.B. Features of the fatigue failure of steel with metastable austenite. Met. Sci. Heat Treat. 1980, 22, 868–870. [Google Scholar]
- Chang, L.C.; Bhadeshia, H.K.D.H. Austenite films in bainitic microstructures. Mater. Sci. Technol. 1995, 11, 874–881. [Google Scholar] [CrossRef]
- De, A.K.; Murdock, D.C.; Mataya, M.C.; Speer, J.G.; Matlock, D.K. Quantitative measurement of deformation-induced matensite in 304 stainless steel by X-ray diffraction. Scr. Mater. 2004, 50, 1445–1449. [Google Scholar] [CrossRef]
- Morris, J.W., Jr.; Kinney, C.; Pytlewski, K.; Adachi, Y. Microstructure and cleavage in lath martensitic steels. Sci. Technol. Adv. Mater. 2013, 14, 014208. [Google Scholar] [CrossRef] [PubMed]








| Sample | Transformed Temperatre (°C) | Hardness (HV) | UTS (MPa) | YS (MPa) | El (%) |
|---|---|---|---|---|---|
| A1 | 220 | 633 | 2156 | 1880 | 12.7 |
| A2 | 240 | 617 | 2025 | 1495 | 15.0 |
| A3 | 260 | 587 | 1925 | 1359 | 20.9 |
| Sample | Matrix | Nearby Fracture Surface | Fracture Surface |
|---|---|---|---|
| A1 (1.5 GPa, 8566 cycles) | ~20.1 | ~18.4 | Approximately 0 |
| A2 (1.5 GPa, 10,970 cycles) | ~22.4 | ~21.9 | Approximately 0 |
| A3 (1.6 GPa, 12,254 cycles) | ~24.4 | ~23.6 | Approximately 0 |
© 2017 by the authors. Licensee MDPI, Basel, Switzerland. This article is an open access article distributed under the terms and conditions of the Creative Commons Attribution (CC BY) license (http://creativecommons.org/licenses/by/4.0/).
Share and Cite
Zhao, J.; Ji, H.; Wang, T. High-Cycle, Push–Pull Fatigue Fracture Behavior of High-C, Si–Al-Rich Nanostructured Bainite Steel. Materials 2018, 11, 54. https://doi.org/10.3390/ma11010054
Zhao J, Ji H, Wang T. High-Cycle, Push–Pull Fatigue Fracture Behavior of High-C, Si–Al-Rich Nanostructured Bainite Steel. Materials. 2018; 11(1):54. https://doi.org/10.3390/ma11010054
Chicago/Turabian StyleZhao, Jing, Honghong Ji, and Tiansheng Wang. 2018. "High-Cycle, Push–Pull Fatigue Fracture Behavior of High-C, Si–Al-Rich Nanostructured Bainite Steel" Materials 11, no. 1: 54. https://doi.org/10.3390/ma11010054
APA StyleZhao, J., Ji, H., & Wang, T. (2018). High-Cycle, Push–Pull Fatigue Fracture Behavior of High-C, Si–Al-Rich Nanostructured Bainite Steel. Materials, 11(1), 54. https://doi.org/10.3390/ma11010054

