Decreasing NOx of a Low-Speed Two-Stroke Marine Diesel Engine by Using In-Cylinder Emission Control Measures
Abstract
:1. Introduction
2. Results and Discussion
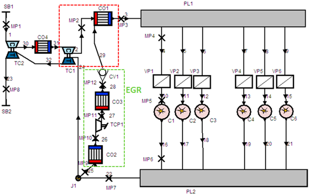
2.1. Specifications of the Engine and the Investigation Methods
2.2. NOx Reduction by Miller-Cycle
2.2.1. Miller Timing
2.2.2. Miller-Cycle with a 1-Stage Turbocharging
2.2.3. Miller-Cycle with a 2-Stage Turbocharging
2.3. Combination of Miller-Cycle and EGR
3. Conclusions
- (1)
- By extending EVO timing, a Miller-cycle can be applied in low-speed 2-stroke marine diesel engines to decrease NOx emissions. Since further increasing the intake pressure is needed for the application of Miller-cycles, 2-stage turbocharging is necessary to ensure high TC efficiency and maintain good fuel economy. In addition, since 2-stage turbocharging has a lower intake temperature, it is more advantageous to further decrease NOx emissions and increase power.
- (2)
- The combination of 2-stage turbocharging, Miller-cycle and EGR has the potential of decreasing the researched engine’s NOx emissions by 77% and meeting the IMO Tier 3 standard, but the existing case that complies with the Tier 3 standard has the deficiency of too high an increase of SFOC. This is unacceptable for engine users.
- (3)
- The case with a mild Miller-cycle and 10% EGR has the potential of decreasing NOx by 56% with a slight increase of SFOC; the case with a medium Miller-cycle and 10% EGR but 1.2 higher CR has a NOx reduction potential of 47.9% and 0.45 g/kWh lower SFOC. Although these two cases do not meet the IMO Tier 3 standard, they already reduce NOx emissions considerably. Considering that there are other applicable NOx reduction techniques such as combustion tuning, water emulsification, direct water injection, which have the NOx reduction potentials of 10%, 25%, and 50%, respectively [2], if these techniques were combined with this case, the IMO Tier 3 standard could be reached with only a slight increase of SFOC.
Acknowledgments
Author Contributions
Conflicts of Interest
References
- International Maritime Organization. Nitrogen Oxides (NOx)—Regulation 13. Available online: http://www.imo.org/en/OurWork/Environment/PollutionPrevention/AirPollution/Pages/Nitrogen-oxides-%28NOx%29-%E2%80%93-Regulation-13.aspx (accessed on 10 February 2016).
- Wik, C. Reducing medium-speed engine emissions. J. Mar. Eng. Technol. 2010, 9, 37–44. [Google Scholar]
- Miller, R.; Lieberherr, H.U. The Miller supercharging system for diesel and gas engines operating characteristics. In Proceedings of the 5th CIMAC Congress, Zurich, Switzerland, 15–22 June 1957.
- Kamo, R.; Mavinahally, N.; Kamo, L.; Bryzik, W.; Reid, M. Emissions Comparisons of an Insulated Turbocharged Multi-Cylinder Miller Cycle Diesel Engine. In SAE Technical Paper 980888, Proceedings of the International Congress and Exposition, Detroit, MI, USA, 23–26 February 1998.
- Ishizuki, Y.; Shimizu, Y.; Hikino, H.; Kawashima, Y. A New Type of Miller Supercharging System for High Speed Engines-Part 2—Realization of High BMEP Diesel Engines. In SAE Technical Paper 851523, Proceedings of the 1985 SAE International Off-Highway and Powerplant Congress and Exposition, Milwaukee, WI, USA, 9–12 September 1985.
- Brückner, C.; Kyrtatos, P.; Boulouchos, K. Extending the NOx Reduction Potential with Miller Valve Timing Using Pilot Fuel Injection on a Heavy-Duty Diesel Engine. SAE Int. J. Engines 2014, 7, 1838–1850. [Google Scholar] [CrossRef]
- Niemi, S.; Nousiainen, P.; Lassila, P.; Tikkanen, V.; Ekman, K. Effects of Miller timing on the performance and exhaust emissions of a non-road diesel engine. In Proceedings of the 26th CIMAC Congress, Paper No. 52, Bergen, Norway, 14–16 June 2010.
- Benajes, J.; Molina, S.; Novella, R.; Riesco, M. Improving pollutant emissions in diesel engines for heavy-duty transportation using retarded intake valve closing strategies. Int. J. Autom. Technol. 2008, 9, 257–265. [Google Scholar] [CrossRef]
- Millo, F.; Gianoglio, M.; Delneri, D. Combining dual stage turbocharging with extreme Miller timings to achieve NOx emissions reductions in marine diesel engines. In Proceedings of the 26th CIMAC Congress, Paper No. 210, Bergen, Norway, 14–16 June 2010.
- Imperato, M.; Nurmiranta, J.; Sarjovaara, T.; Larmi, M.; Wik, C. Multi-injection and advanced Miller timing in large-bore CI engine. In Proceedings of the 27th CIMAC Congress, Paper No. 157, Shanghai, China, 13–16 May 2013.
- Fiedler, M.; Fiedler, H.; Boy, P. Experimental Experience Gained with a Long-Stroke Medium-Speed Diesel Research engine using Two Stage Turbo Charging and Extreme Miller Cycle. In Proceedings of the 27th CIMAC Congress, Paper No. 253, Shanghai, China, 13–16 May 2013.
- Higashida, M.; Nakamura, T.; Onishi, I.; Yoshizawa, K.; Takata, H.; Hosono, T. Newly Developed Combined EGR & WEF System to comply with IMO NOx Regulation Tier 3 for Two-stroke Diesel Engine. In Proceedings of the 27th CIMAC Congress, Paper No. 200, Shanghai, China, 13–16 May 2013.
- Kaltoft, J.; Preem, M. Development of integrated EGR system for two-stroke diesel engines. In Proceedings of the 27th CIMAC Congress, Paper No. 219, Shanghai, China, 13–16 May 2013.
- Stoeber-Schmidt, C.; Eilts, P. Strategies for switching between ECA and nonECA operation for a medium-speed diesel engine with EGR. In Proceedings of the 27th CIMAC Congress, Paper No. 232, Shanghai, China, 13–16 May 2013.
- MAN Diesel & Turbo, Tier III Two-Stroke Technology. Available online: http://marine.man.eu/docs/librariesprovider6/technical-papers/tier-iii-two-stroke-technology.pdf?sfvrsn=18 (accessed on 10 February 2016).
- Liu, A.B.; Mather, D.; Reitz, R.D. Modeling the effects of drop drag and breakup on fuel sprays. In SAE Technical Paper 930072, Proceedings of the International Congress and Exposition, Detroit, MI, USA, 1–5 March 1993.
- Colin, O.; Benkenida, A. The 3-Zones Extended Coherent Flame Model (ECFM3Z) for Computing Premixed/Diffusion Combustion. Oil Gas Sci. Technol.—Rev. IFP 2004, 59, 593–560. [Google Scholar] [CrossRef]
- AVL List GmbH. ICE Physics & Chemistry, 2008, AVL FIRE User Manual v.2008; AVL List GmbH: Graz, Austria, 2008. [Google Scholar]
- Heywood, J. Internal Combustion Engine Fundamentals; McGraw-Hill: New York, NY, USA, 1988. [Google Scholar]
- Dec, J.; Canaan, R. PLIF Imaging of NO Formation in a DI Diesel Engine. In SAE Technical Paper 980147, Proceedings of the International Congress and Exposition, Detroit, MI, USA, 23–26 February 1998.
- Wik, C.; Hallbäck, B. Reducing emissions using 2-stage turbo charging. Wärtsilä Tech. J. 2008, 1, 35–41. [Google Scholar]
- Quazi, M.; Dhiman, V.; Singh, S. Development of Two-stage Turbocharger System for Off Road Application Diesel Engine in Order to Achieve 75 HP. In SAE Technical Paper 2013-01-2749, Proceedings of the 8th SAEINDIA International Mobility Conference & Exposition and Commercial Vehicle Engineering Congress 2013 (SIMCOMVEC), Chennai, Tamil Nadu, India, 4–7 December 2013.




















| Item | Parameter |
|---|---|
| Number of cylinders | 6 |
| Bore × stroke (mm) | 350 × 1550 |
| Length of connecting rod (mm) | 1550 |
| Geometric compression ratio (CR) | 21.3 |
| Number of injectors for each cylinder | 2 |
| Rated speed (r/min) | 142 |
| Rated power (kW) | 3575 |
| Items | Measured Values | Calculated Values | Deviations |
|---|---|---|---|
| Pe (kW) | 3575 | 3575.7 | 0.02% |
| pmax (bar) | 177.0 | 177.3 | 0.17% |
| pcompression (bar) | 164.7 | 164.9 | 0.12% |
| SFOC (g/kWh) | 180.0 | 180.1 | 0.06% |
| Manufacturer | Model | Measurement Range | Span Gas Concentration | Deviation |
|---|---|---|---|---|
| CAI USA | CLD 600 | 0–2000 ppm | 1904.4 ppm | ≤0.2% |
| Items | Baseline | M5 | M10 | M15 | M20 | M25 | M30 |
|---|---|---|---|---|---|---|---|
| pmax (bar) | 177 | 172.6 | 169.7 | 165.3 | 160.5 | 160.3 | 157.3 |
| Pe (kW) | 3577 | 3575 | 3561 | 3537 | 3507 | 3497 | 3482 |
| Reduction of Pe (%) | - | 0.06 | 0.45 | 1.12 | 1.96 | 2.24 | 2.66 |
| Change of SFOC (g/kWh) | 0.0 | 0.0 | +0.7 | +1.9 | +3.5 | +4.0 | +4.8 |
| Excess air ratio | 2.26 | 2.22 | 2.19 | 2.13 | 2.06 | 2.09 | 2.10 |
| Decrease of specific NOx (%) | - | 9.1 | 12.5 | 19.8 | 25.8 | 31.5 | 45.8 |
© 2016 by the authors; licensee MDPI, Basel, Switzerland. This article is an open access article distributed under the terms and conditions of the Creative Commons Attribution (CC-BY) license (http://creativecommons.org/licenses/by/4.0/).
Share and Cite
Feng, L.; Tian, J.; Long, W.; Gong, W.; Du, B.; Li, D.; Chen, L. Decreasing NOx of a Low-Speed Two-Stroke Marine Diesel Engine by Using In-Cylinder Emission Control Measures. Energies 2016, 9, 304. https://doi.org/10.3390/en9040304
Feng L, Tian J, Long W, Gong W, Du B, Li D, Chen L. Decreasing NOx of a Low-Speed Two-Stroke Marine Diesel Engine by Using In-Cylinder Emission Control Measures. Energies. 2016; 9(4):304. https://doi.org/10.3390/en9040304
Chicago/Turabian StyleFeng, Liyan, Jiangping Tian, Wuqiang Long, Weixin Gong, Baoguo Du, Dan Li, and Lei Chen. 2016. "Decreasing NOx of a Low-Speed Two-Stroke Marine Diesel Engine by Using In-Cylinder Emission Control Measures" Energies 9, no. 4: 304. https://doi.org/10.3390/en9040304
APA StyleFeng, L., Tian, J., Long, W., Gong, W., Du, B., Li, D., & Chen, L. (2016). Decreasing NOx of a Low-Speed Two-Stroke Marine Diesel Engine by Using In-Cylinder Emission Control Measures. Energies, 9(4), 304. https://doi.org/10.3390/en9040304

