A Low-Cost High-Performance Interleaved Inductor-Coupled Boost Converter for Fuel Cells
Abstract
:1. Introduction
2. Fuel Cells
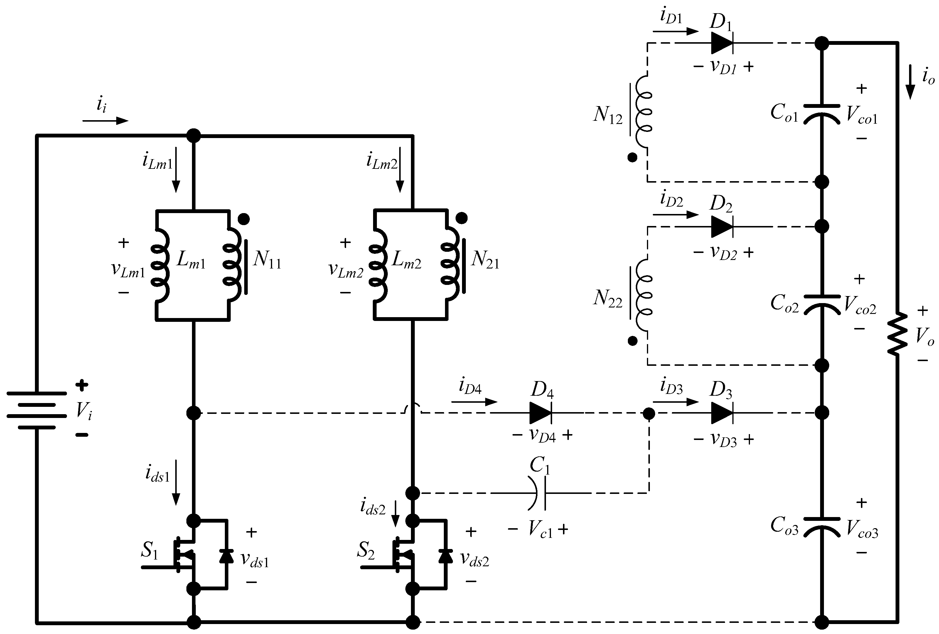
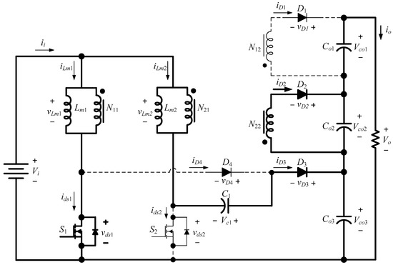
3. Inductor Coupled Interleaved Converter with High Voltage Conversion Ratio
4. Operation Principle
- (1)
- All the components involved are ideal, meaning that the parasitic capacitance and the conduction resistance of each switch and the voltage drop across a forward-biased diode are not taken into account.
- (2)
- For simplification purposes, it is assumed that Lm1 = Lm2 = L, and iLm1 = iLm2. Hence, vLm1 = vLm2 = vL and iLm1 = iLm2 = iLm = 1/2ii.
4.1. Mode 1 (t0–t1)
4.2. Mode 2 (t1–t2)
4.3. Mode 3 (t2–t3)
4.4. Mode 4 (t3–t4)
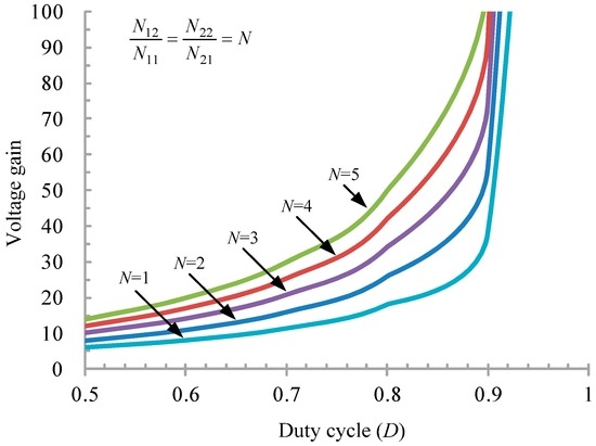
5. Performance Comparison
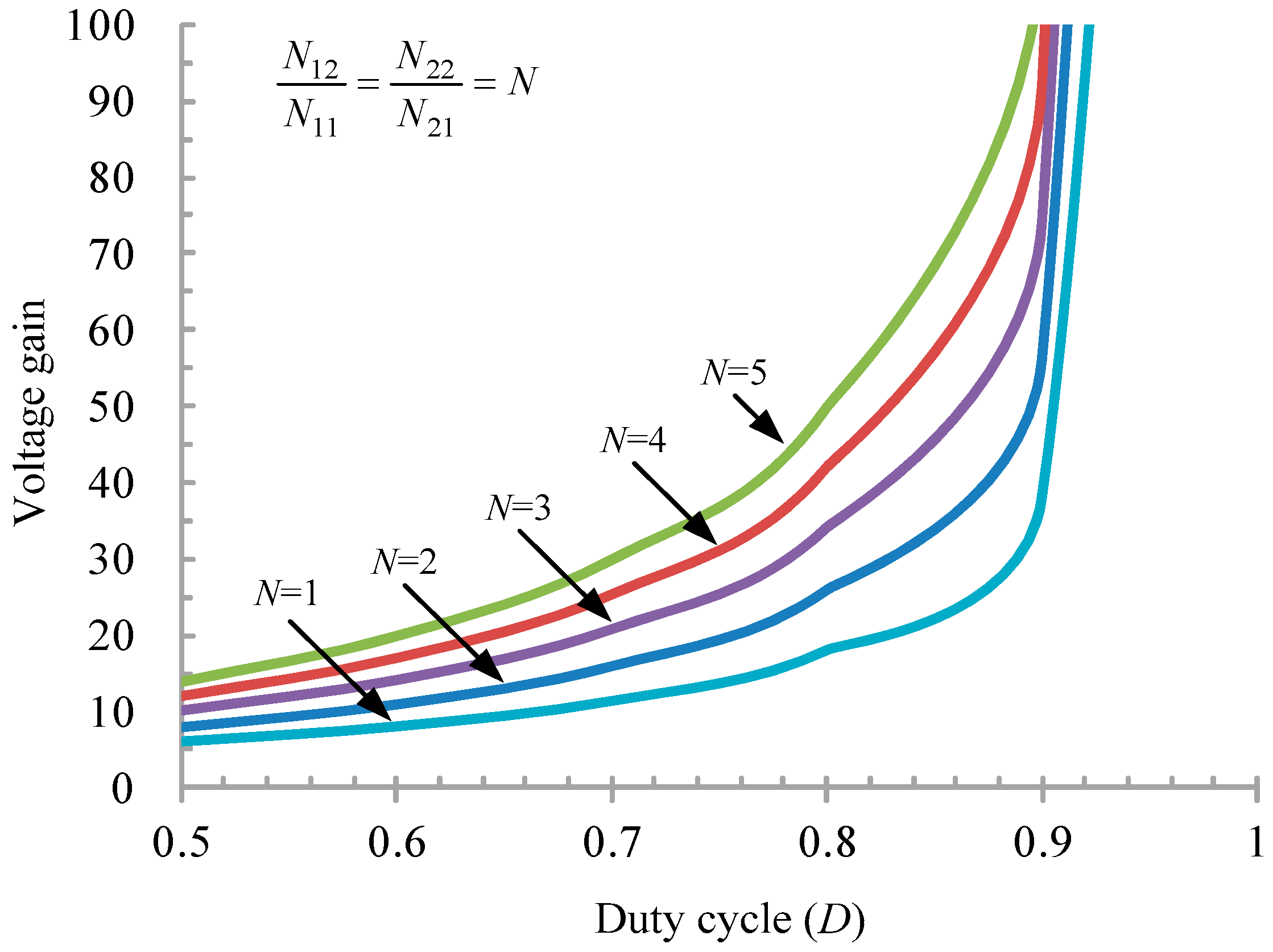
6. Converter Design
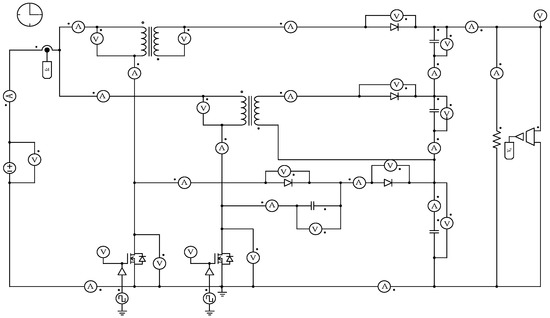
7. Simulation Results
8. Experimental Results
9. Conclusions
Acknowledgments
Author Contributions
Conflicts of Interest
References
- Chen, Y.S.; Lin, S.M.; Hong, B.S. Experimental study on a passive fuel cell/battery hybrid power system. Energies 2013, 6, 6413–6422. [Google Scholar] [CrossRef]
- Hsieh, Y.P.; Chen, J.F.; Liang, T.J.; Yang, L.S. A novel high step-up DC-DC converter for a microgrid system. IEEE Trans. Power Electron. 2011, 26, 1127–1136. [Google Scholar] [CrossRef]
- Hsieh, Y.P.; Chen, J.F.; Liang, T.J.; Yang, L.S. Novel high step-up DC-DC converter for fuel cell energy conversion system. IEEE Trans. Ind. Electron. 2010, 57, 2007–2017. [Google Scholar]
- Prudente, M.; Pfitscher, L.L.; Emmendoerfer, G.; Romaneli, E.F.; Gules, R. Voltage multiplier cells applied to non-isolated DC-DC converters. IEEE Trans. Ind. Electron. 2008, 23, 871–887. [Google Scholar] [CrossRef]
- Pan, C.T.; Lai, C.M. A high-efficiency high step-up converter with low switch voltage stress for fuel cell system applications. IEEE Trans. Ind. Electron. 2010, 57, 1998–2006. [Google Scholar]
- Jung, D.Y.; Ji, Y.H.; Park, S.H.; Jung, Y.C.; Won, C.Y. Interleaved soft-switching boost converter for photovoltaic power-generation system. IEEE Trans. Power Electron. 2011, 26, 1137–1145. [Google Scholar] [CrossRef]
- Grötsch, M.; Mangold, M.; Kienle, A. Analysis of the coupling behavior of PEM fuel cells and DC-DC converters. Energies 2009, 2, 71–96. [Google Scholar] [CrossRef]
- Walker, G.R.; Sernia, P.C. Cascaded DC-DC converter connection of photovoltaic modules. IEEE Trans. Ind. Electron. 2004, 19, 1130–1139. [Google Scholar] [CrossRef]
- Alam, M.K.; Khan, F.H. Reliability analysis and performance degradation of a boost converter. IEEE Trans. Ind. Appl. 2014, 55, 3986–3994. [Google Scholar] [CrossRef]
- Hwang, T.S.; Park, S.Y. Seamless boost converter control under the critical boundary condition for a fuel cell power conditioning system. IEEE Trans. Power Electron. 2012, 27, 3616–3626. [Google Scholar] [CrossRef]
- Tseng, K.C.; Liang, T.J. Novel high-efficiency step-up converter. IEEE Trans. Power Electron. 2004, 151, 182–190. [Google Scholar] [CrossRef]
- Keum, M.H.; Choi, Y.; Han, S.K. High efficiency voltage-clamped coupled-inductor boost converter. In Proceedings of the 39th Annual Conference of the IEEE Industrial Electronics Society, Vienna, Austria, 10–13 November 2013; pp. 828–833.
- Lin, B.R.; Dong, J.Y. New zero-voltage switching DC-DC converter for renewable energy conversion systems. IET Power Electron. 2012, 5, 393–400. [Google Scholar] [CrossRef]
- Coruh, N.; Urgun, S.; Erfidan, T.; Ozturk, S. A simple and efficient implementation of interleaved boost converter. In Proceedings of the IEEE International Conference on Industrial Electronics and Applications, Beijing, China, 21–23 June 2011; pp. 2364–2368.
- Devi, M.A.; Valarmathi, K.; Mahendran, R. Ripple current reduction in interleaved boost converter by using advanced PWM techniques. In Proceedings of the IEEE International Conference on Advanced Communication Control and Computing Technologies, Ramanathapuram, India, 8–10 May 2014; pp. 115–119.
- Roh, Y.S.; Moon, Y.J.; Park, J.; Yoo, C. A two-phase interleaved power factor correction boost converter with a variation-tolerant phase shifting technique. IEEE Trans. Power Electron. 2014, 29, 1023–1040. [Google Scholar]
- Kosai, H.; McNeal, S.; Jordan, B.; Scofield, J.; Ray, B.; Turgut, Z. Coupled Inductor characterization for a high performance interleaved boost converter. IEEE Trans. Magn. 2009, 45, 4812–4815. [Google Scholar] [CrossRef]
- Jang, Y.T.; Jovanovic, M.M. Interleaved boost converter with intrinsic voltage-doubler characteristic for universal-line PFC front end. IEEE Trans. Power Electron. 2007, 22, 1394–1401. [Google Scholar] [CrossRef]
- Pan, C.T.; Lai, C.M.; Cheng, M.C.; Hsu, L.T. A low switch voltage stress interleaved boost converter for power factor correction. In Proceedings of the International Conference on Power Electronics and Drive Systems, Taipei, Taiwan, 2–5 November 2009; pp. 49–54.
- Lai, C.M.; Lin, Y.C.; Lee, D.S. Study and implementation of a two-phase interleaved bidirectional DC/DC converter for vehicle and DC-microgrid systems. Energies 2015, 8, 9969–9991. [Google Scholar] [CrossRef]
- Chang, L.Y.; Chao, K.H.; Chang, T.C. Application of high voltage ratio and low ripple interleaved DC-DC converter for a fuel cell. Sci. World J. 2012, 2012, 896508. [Google Scholar] [CrossRef] [PubMed]
- Pan, C.T.; Chuang, C.F.; Chu, C.C. A novel transformer-less adaptable voltage quadrupler DC converter with low switch voltage stress. IEEE Trans. Power Electron. 2014, 29, 4787–4796. [Google Scholar] [CrossRef]
- Lai, C.M.; Pan, C.T.; Cheng, M.C. High-efficiency modular high step-up interleaved boost converter for DC-microgrid applications. IEEE Trans. Power Electron. 2012, 48, 161–171. [Google Scholar] [CrossRef]
- Nguyen, T.V.; Petit, P.; Aillerie, M.; Salame, C.; Charles, J.P. Efficiency of magnetic coupled boost DC-DC converters mainly dedicated to renewable energy systems: Influence of the coupling factor. Int. J. Circuit Theory Appl. 2014, 43, 1042–1062. [Google Scholar] [CrossRef]
- Chen, Y.T.; Lin, W.C.; Liang, R.H. An interleaved high step-up DC-DC converter with double boost paths. Int. J. Circuit Theory Appl. 2014, 43, 967–983. [Google Scholar] [CrossRef]
- Horizon Fuel Cell Technologies. H-500XP Fuel Cell Stacks. Available online: http://www.horizoneducational.com/wp-content/uploads/2015/10/H-500XP_Stacks_Brochure_EN_v4_2015-10-12.pdf (accessed on 12 March 2016).




























| Parameter | Specifications |
|---|---|
| Number of Cells | 30 |
| Rated Power | 500 W |
| Rated Performance | 18 V@27.8 A |
| Operating Voltage Range | 15–30 V |
| External Temperature | 0–35 °C |
| Reactants | Hydrogen and Air |
| Max Stack Temperature | 63 °C |
| Hydrogen Pressure | 7.2–9.4 PSI |
| Hydrogen Flow Rate at Max Output | 5.86 L/min |
| Stack Size | 130 × 203 × 52 mm |
| Weight | 3.9 kg |
| Hydrogen Purity Requirement | 99.99% dry Hydrogen |
| Voltage Gain | Voltage Rating of Switches | Current Rating of Switches | Voltage Rating of Diodes | Number of Inductors | Number of Capacitors | Number of Diodes | |
|---|---|---|---|---|---|---|---|
| Vo/Vi | Vds1, Vds2 | Ids1 | Ids2 | ||||
| Converters | Voltage Gain | Voltage Rating of Switches Vds1, Vds2 | Current Rating of Switches | Voltage Rating of Diodes | Number of Inductors | Number of Capacitors | Number of Diodes | |
|---|---|---|---|---|---|---|---|---|
| Vo/Vi | Ids1 | Ids2 | ||||||
| Converter in [4] | 2 | 3 | 4 | |||||
| Converter in [17] | 2 | 1 | 2 | |||||
| Converter in [19] | 2 | 2 | 2 | |||||
| Converter in [22] | 2 | 2 | 2 | |||||
| Converter in [23] | 3 | 3 | 4 | |||||
| Converter in [24] | 1 | 1 | 1 | |||||
| Converter in [25] | 2 | 3 | 3 | |||||
| Proposed converter | 2 | 4 | 4 | |||||
| Parameter | Specifications |
|---|---|
| Range of input voltage range (Vin) | 15–30 V |
| Output voltage (Vo) | 350 V |
| Power rating (Po) | 1000 W |
| Switching frequency (f) | 25 kHz |
| Parameter | Specification |
|---|---|
| Range of input voltage range (Vi) | Vi = 15–30 V |
| Output voltage (Vo) | Vo = 350 V |
| Switching frequency (f) | f = 25 kHz |
| Power rating (Po) | Po = 1000 W |
| Coupled inductance (Lm1, Lm2) | Lm1 = Lm2 = Lm = 35 µH |
| Turns ratio of coupled inductor (N) | N = 2 |
| Clamped capacitance (C1) | C1 = 470 µF |
| Power switches (S1, S2) | MMG100J030U (600 V/100 A) |
| Diodes (D1, D2, D3, D4) | IQBD30E60A1 (600 V/60 A) |
| Output capacitance (Co1, Co2, Co3) | Co1= Co2 = Co3 = 470 µF |
© 2016 by the authors; licensee MDPI, Basel, Switzerland. This article is an open access article distributed under the terms and conditions of the Creative Commons Attribution (CC-BY) license (http://creativecommons.org/licenses/by/4.0/).
Share and Cite
Chang, L.-Y.; Chang, J.-H.; Chao, K.-H.; Chung, Y.-N. A Low-Cost High-Performance Interleaved Inductor-Coupled Boost Converter for Fuel Cells. Energies 2016, 9, 792. https://doi.org/10.3390/en9100792
Chang L-Y, Chang J-H, Chao K-H, Chung Y-N. A Low-Cost High-Performance Interleaved Inductor-Coupled Boost Converter for Fuel Cells. Energies. 2016; 9(10):792. https://doi.org/10.3390/en9100792
Chicago/Turabian StyleChang, Long-Yi, Jung-Hao Chang, Kuei-Hsiang Chao, and Yi-Nung Chung. 2016. "A Low-Cost High-Performance Interleaved Inductor-Coupled Boost Converter for Fuel Cells" Energies 9, no. 10: 792. https://doi.org/10.3390/en9100792
APA StyleChang, L.-Y., Chang, J.-H., Chao, K.-H., & Chung, Y.-N. (2016). A Low-Cost High-Performance Interleaved Inductor-Coupled Boost Converter for Fuel Cells. Energies, 9(10), 792. https://doi.org/10.3390/en9100792

