A Novel Ground Fault Non-Directional Selective Protection Method for Ungrounded Distribution Networks
Abstract
:1. Introduction
2. State of the Art






3. Principle of Operation of the New Selective Ground Fault Detection Technique
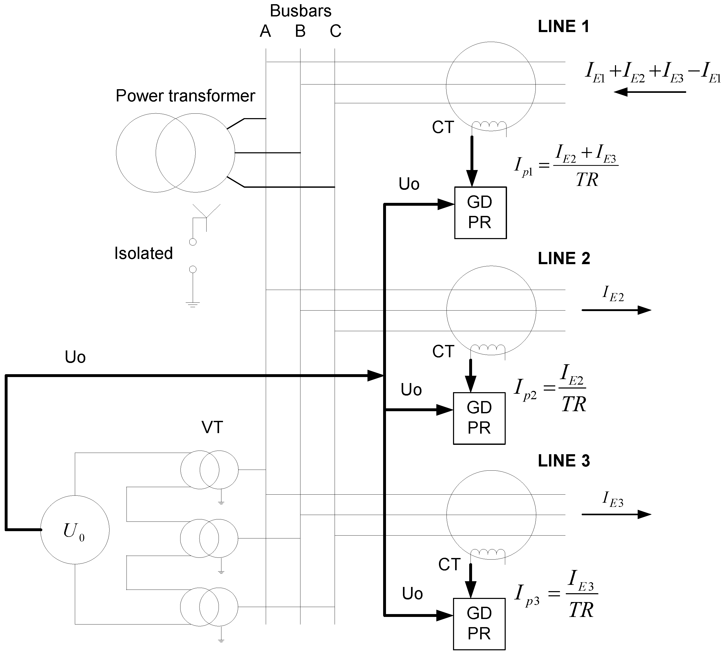
3.1. Ground Fault Detection Method for Main Substations
3.2. Ground Fault Detection Algorithm for Secondary Substations


3.3. Examples of Application of the New Method
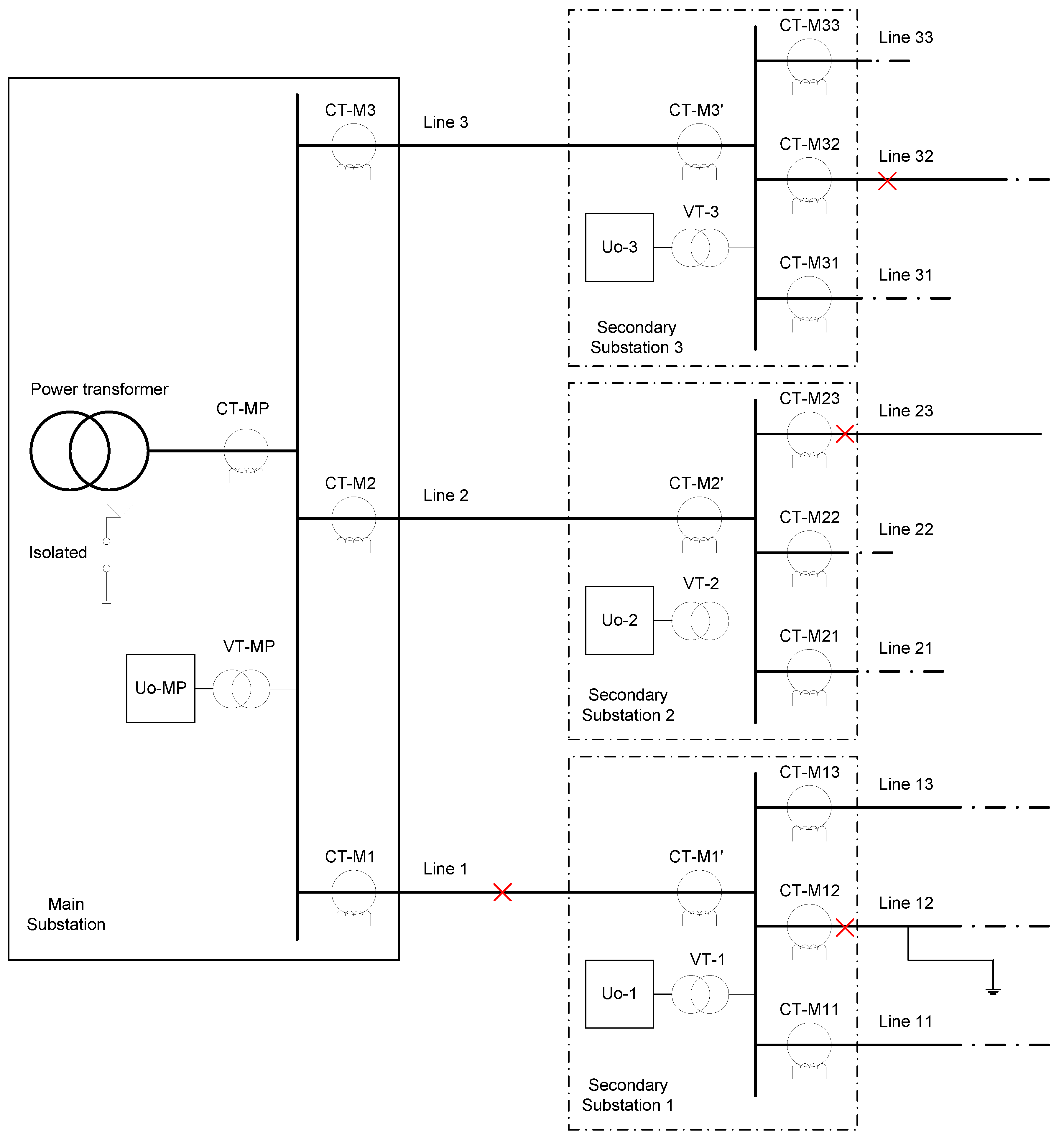
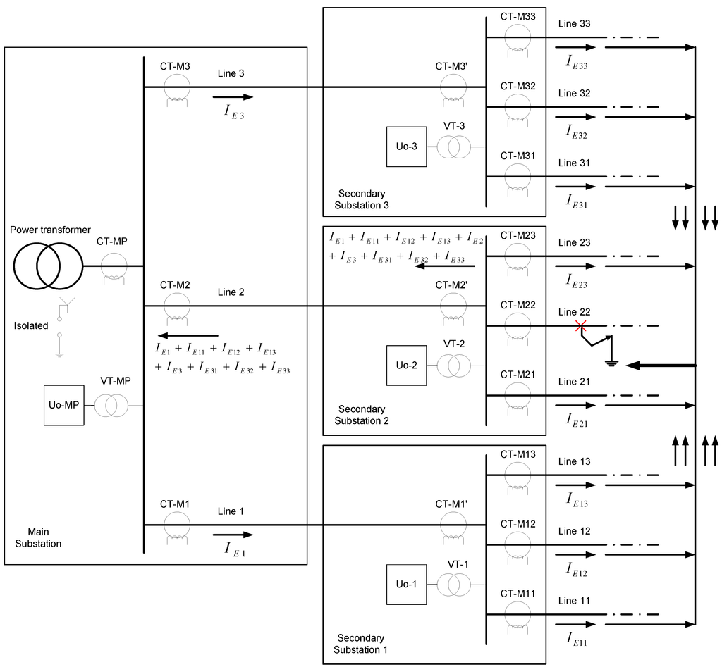
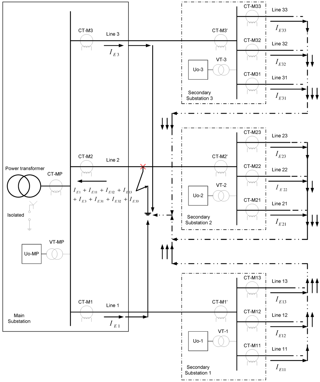
3.3.1. Ground Fault in an Outgoing Line of any Secondary Substation
- -
- When the residual voltage level is over the setting value, the residual currents are evaluated.
- -
- At secondary substation 1, the defect current measured at the incoming Line 1 by the current transformer CT-M1’ has an rms value equal to the sum of the rms values of the defect currents measured at the outgoing Lines 11, 12 and 13 by their respective current transformers CT-M11, CT-M12 and CT-M13. Using the second condition criterion, it is concluded that the fault is not located at any of these outgoing lines. The same conclusion can be made for secondary substation 3.
- -
- At secondary substation 2, the defect current measured at the incoming Line 2 by its current transformer CT-M’ has a different rms value from the sum of the rms values of the defect currents measured at the outgoing Lines 21, 22 and 23 by their respective current transformers CT-M21, CT-M22 and CT-M23. Now, as the highest defect current is measured at outgoing Line 22, the conclusion from employing the second condition criteria is that the fault is in such line.
- -
- At the main substation, the defect current measured at the outgoing Line 2 by its current transformer CT-M2 has the highest rms value of all the outgoing currents in Lines 1, 2 and 3 measured by their respective current transformers CT-M1, CT-M2 and CT-M3. The new method would switch off Line 2as a consequence of the first condition criterion.

| Main station | Secondary substation II | ||
| CT-MP | 0 | CT-M2’ | IE1 + IE11 + IE12 + IE13 + IE3 + IE31 + IE32 + IE33 + IE2 |
| CT-M1 | IE1 + IE11 + IE12 + IE13 | CT-M21 | IE21 |
| CT-M2 | IE1 + IE11 + IE12 + IE13 + IE3 + IE31 + IE32 + IE33 | CT-M22 | IE1 + IE11 + IE12 + IE13 + IE3 + IE31 + IE32 + IE33 + IE2 + IE21 + IE23 |
| CT-M3 | IE3 + IE31 + IE32 + IE33 | CT-M23 | IE23 |
| Secondary substation I | Secondary substation III | ||
| CT-M1’ | IE1 + IE11 + IE12 + IE13 | CT-M3’ | IE3 + IE31 + IE32 + IE33 |
| CT-M11 | IE11 | CT-M31 | IE31 |
| CT-M12 | IE12 | CT-M32 | IE32 |
| CT-M13 | IE13 | CT-M33 | IE33 |
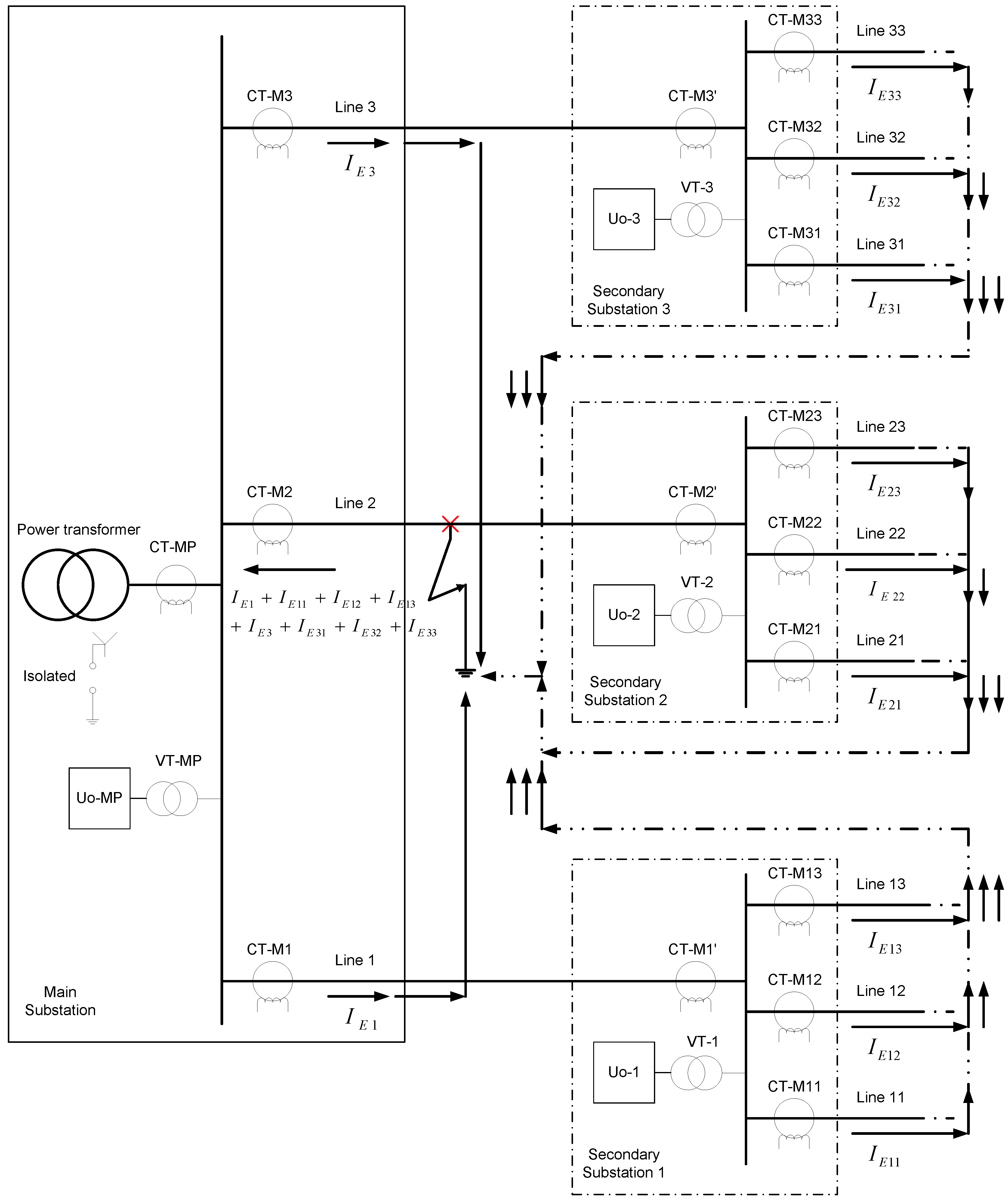
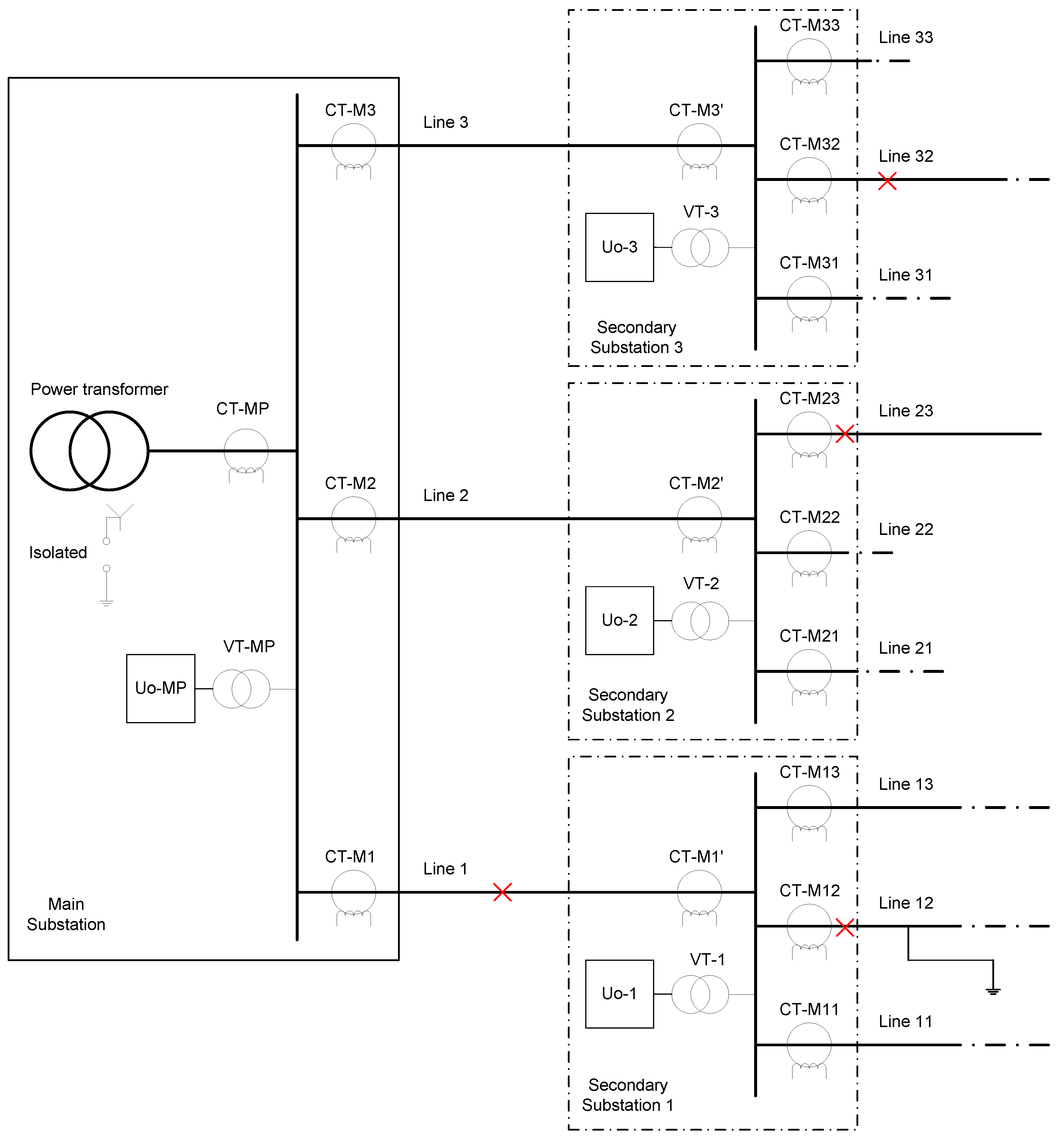
3.3.2. SPGF in a Line That Connects a Main Substation with a Secondary One
- -
- Residual voltage level is over the setting value, so the residual currents are evaluated.
- -
- At secondary substation 1, the defect current measured at the incoming Line 1 by its current transformer CT-M1’ has an rms value equal to the sum of the rms values of the defect currents measured at the outgoing Lines 11, 12 and 13 by their respective current transformers CT-M11, CT-M12 and CT-M13. The fault is not located at any of these outgoing lines as a result of second condition criterion. The same conclusion can be reached for the secondary substation 2 and 3.
- -
- At the main substation, the defect current measured at the incoming line by CT-MP has a different rms value than the sum of the rms values of the defect currents measured at the outgoing Lines 1, 2 and 3 by their respective current transformers CT-M1, CT-M2 and CT.M3. The defect current measured at the outgoing Line 2 by CT-M2 has the highest rms value of all the outgoing lines. The new method would switch off Line 2 as the result of the first condition criteria.

| Main station | Secondary substation II | ||
| CT-MP | 0 | CT-M2’ | IE2 + IE21 + IE22 + IE23 |
| CT-M1 | IE1 + IE11 + IE12 + IE13 | CT-M21 | IE21 |
| CT-M2 | IE1 + IE11 + IE12 + IE13 + IE3 + IE31 + IE32 + IE33 | CT-M22 | IE22 |
| CT-M3 | IE3 + IE31 + IE32 + IE33 | CT-M23 | IE23 |
| Secondary substation I | Secondary substation III | ||
| CT-M1’ | IE1 + IE11 + IE12 + IE13 | CT-M3’ | IE3 + IE31 + IE32 + IE33 |
| CT-M11 | IE11 | CT-M31 | IE31 |
| CT-M12 | IE12 | CT-M32 | IE32 |
| CT-M13 | IE13 | CT-M33 | IE33 |
| Check list for commissioning | Protection method | ||
|---|---|---|---|
| Residual voltage (ANSI 59N) | Ground fault directional overcurrent (ANSI 67N) | New method non directional | |
| Check VT polarity | No | Yes | No |
| Check CT polarity | No | Yes | No |
| Check wiring polarity of VT’s to protection system | No | Yes | No |
| check wiring polarity of CT’s to protection system | No | Yes | No |
| Check tripping angle between I0 and U0 | No | Yes | No |
| Selective tripping | No | Yes | Yes |
| Easy to set in operation | Yes | No | Yes |
| Cost of the protection system | Low | High | Low |
| Time to put the protection system into operation | Short | Long | Short |
| Primary injection needed to test its functionality | No | Yes | No |
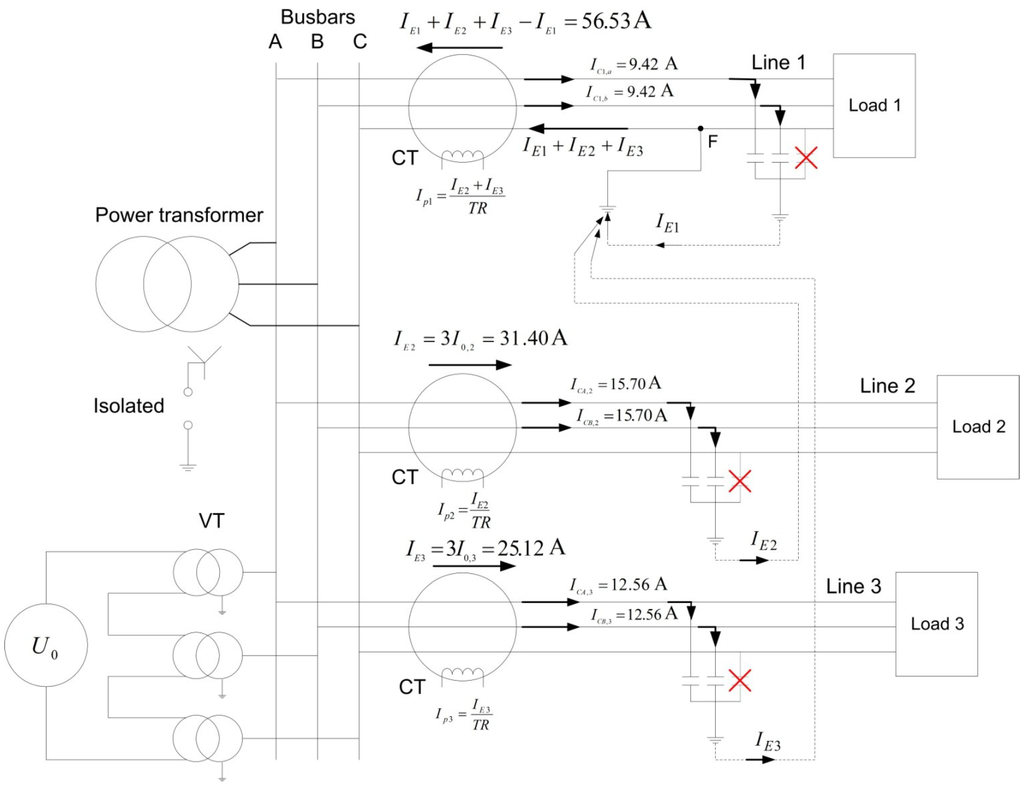
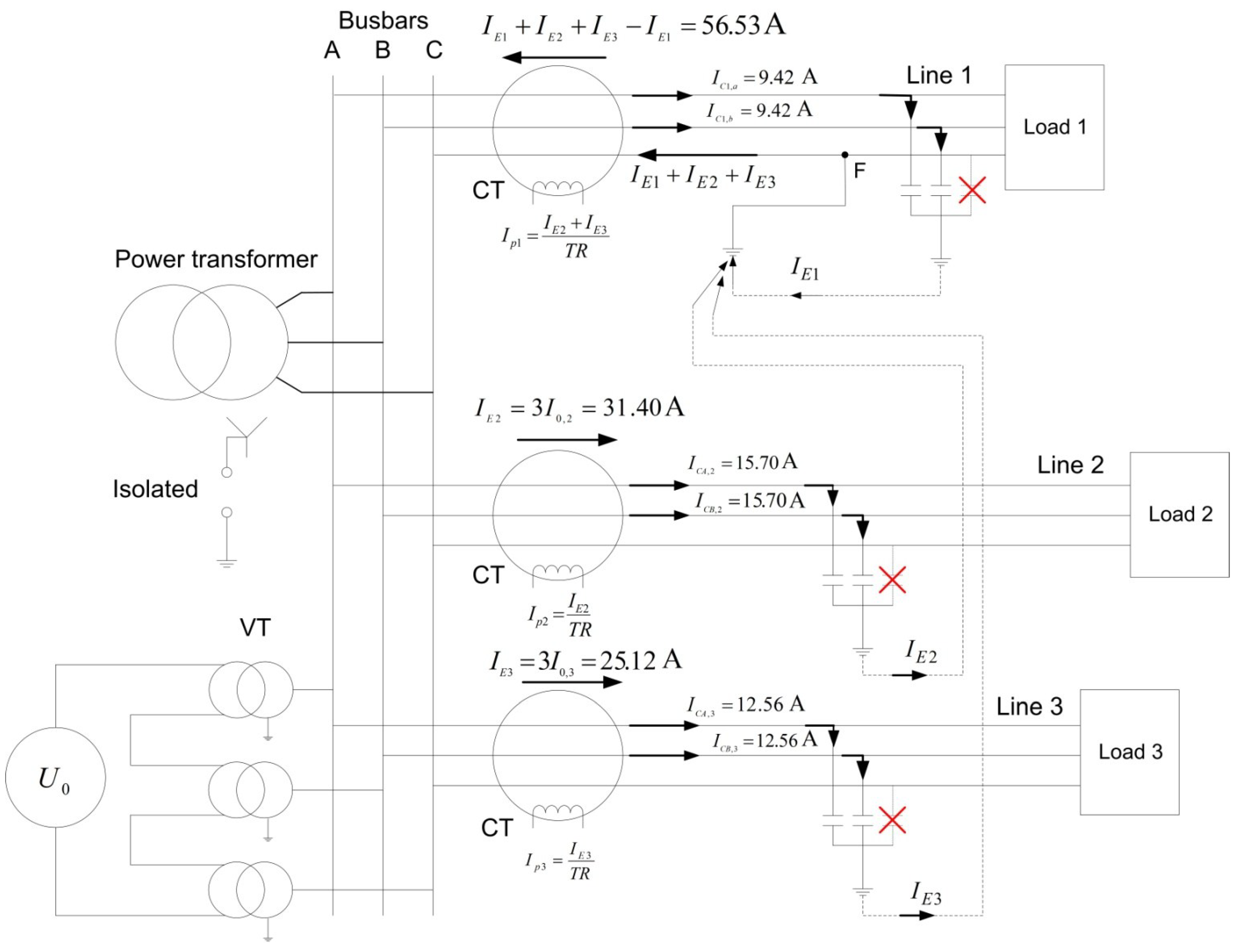
4. Analysis of Simulation Results

4.1. Main Substation


| Main station | ||||
|---|---|---|---|---|
| IE0 | IE1 | IE2 | IE3 | |
| (a) | 3.71 | 25.81 | 11.05 | 11.05 |
| (b) | 3.10 | 21.78 | 9.34 | 9.34 |
4.2. Secondary Substations


| Main station | ||||
| IE0 | IE1 | IE2 | IE3 | IE4 |
| 1.25 | 6.44 | 24.80 | 11.92 | 5.19 |
| Secondary substation I | ||||
| IE1 | IE11 | IE12 | ||
| 5.17 | 2.58 | 2.59 | ||
| Secondary substation II | ||||
| IE2 | IE2 | |||
| 24.80 | 24.80 | |||
| Secondary substation III | ||||
| IE30 | IE31 | IE32 | IE33 | IE34 |
| 10.63 | 2.66 | 2.67 | 2.67 | 2.65 |
| Secondary Substation IV | ||||
| IE4 | IE41 | IE42 | IE43 | |
| 3.92 | 1.31 | 1.31 | 1.31 | |
5. Experimental Results
5.1. Experimental Setup

5.2. Three Lines with Identical Lengths

| Main station | |||||
|---|---|---|---|---|---|
| Rf | U0 | L1 | L2 | L3 | IE1,a |
| 0.00 | 1.38 | 0.80 | 0.40 | 0.40 | 1.18 |
| 0.32 | 1.21 | 0.70 | 0.35 | 0.35 | 1.03 |
| 0.56 | 1.19 | 0.73 | 0.34 | 0.34 | 0.97 |
| 0.80 | 1.03 | 0.59 | 0.30 | 0.30 | 0.88 |
| 1.04 | 0.82 | 0.47 | 0.24 | 0.24 | 0.70 |
| 1.20 | 0.75 | 0.47 | 0.23 | 0.23 | 0.69 |
| 1.60 | 0.62 | 0.36 | 0.18 | 0.18 | 0.53 |
| 2.00 | 0.53 | 0.30 | 0.15 | 0.15 | 0.45 |
| 2.40 | 0.47 | 0.26 | 0.13 | 0.13 | 0.39 |
| Main station | |||||
|---|---|---|---|---|---|
| Rf | U0 | L1 | L2 | L3 | IE1,a |
| 0.00 | 1.38 | 0.78 | 0.39 | 0.39 | 1.16 |
| 0.32 | 1.21 | 0.73 | 0.36 | 0.36 | 1.08 |
| 0.56 | 1.19 | 0.64 | 0.32 | 0.32 | 0.95 |
| 0.80 | 1.03 | 0.57 | 0.28 | 0.28 | 0.84 |
| 1.04 | 0.82 | 0.50 | 0.25 | 0.25 | 0.74 |
| 1.20 | 0.75 | 0.45 | 0.22 | 0.22 | 0.66 |
| 1.60 | 0.62 | 0.36 | 0.18 | 0.18 | 0.53 |
| 2.00 | 0.53 | 0.31 | 0.15 | 0.15 | 0.45 |
| 2.40 | 0.47 | 0.27 | 0.13 | 0.13 | 0.40 |

5.3. Three Different Line Lengths
| Main station | Secondary substation II | |||||||
|---|---|---|---|---|---|---|---|---|
| Rf | U0 | L1A | L2A | L3A | IE12,a | L2 | L21 | L22 |
| 0.00 | 0.72 | 0.73 | 0.61 | 0.12 | 1.08 | 0.37 | 0.25 | 0.12 |
| 0.32 | 0.66 | 0.71 | 0.59 | 0.11 | 1.04 | 0.34 | 0.23 | 0.11 |
| 0.55 | 0.61 | 0.68 | 0.56 | 0.11 | 1.00 | 0.31 | 0.21 | 0.10 |
| 0.80 | 0.51 | 0.58 | 0.49 | 0.10 | 0.87 | 0.27 | 0.18 | 0.09 |
| 1.04 | 0.48 | 0.49 | 0.38 | 0.07 | 0.68 | 0.25 | 0.17 | 0.08 |
| 1.20 | 0.40 | 0.45 | 0.37 | 0.07 | 0.66 | 0.21 | 0.14 | 0.07 |
| 1.60 | 0.33 | 0.36 | 0.30 | 0.06 | 0.53 | 0.17 | 0.12 | 0.05 |
| 2.00 | 0.28 | 0.30 | 0.25 | 0.05 | 0.44 | 0.14 | 0.10 | 0.04 |
| 2.40 | 0.24 | 0.27 | 0.23 | 0.02 | 0.39 | 0.12 | 0.08 | 0.04 |
| Main station | |||||
|---|---|---|---|---|---|
| Rf | U0 | L1A | L2A | L3A | L0A |
| 0.00 | 0.91 | 3.27 | 2.76 | 0.53 | 0.0074 |
| 0.32 | 0.84 | 2.56 | 2.25 | 0.44 | 0.0081 |
| 0.55 | 0.79 | 2.34 | 2.01 | 0.38 | 0.0056 |
| 0.80 | 0.66 | 2.18 | 1.76 | 0.34 | 0.0028 |
| 1.04 | 0.59 | 2.11 | 1.43 | 0.29 | 0.0020 |
| 1.20 | 0.48 | 2.03 | 1.70 | 0.33 | 0.0021 |
| 1.60 | 0.37 | 1.63 | 1.37 | 0.27 | 0.0012 |
| 2.00 | 0.33 | 1.40 | 1.18 | 0.23 | 0.0017 |
| 2.40 | 0.27 | 1.22 | 1.02 | 0.20 | 0.0048 |
| Secondary substation I | Secondary substation II | ||||||
|---|---|---|---|---|---|---|---|
| Rf | L1 | L11 | L12 | IE12,a | L2 | L21 | L22 |
| 0.00 | 3.68 | 0.52 | 4.32 | 4.85 | 1.66 | 0.55 | 1.12 |
| 0.32 | 3.04 | 0.39 | 3.36 | 3.70 | 1.38 | 0.41 | 0.96 |
| 0.55 | 2.73 | 0.35 | 3.02 | 3.46 | 1.21 | 0.37 | 0.83 |
| 0.80 | 2.47 | 0.28 | 2.75 | 3.18 | 1.09 | 0.36 | 0.73 |
| 1.04 | 2.11 | 0.30 | 2.42 | 2.92 | 1.06 | 0.32 | 0.73 |
| 1.20 | 2.01 | 0.32 | 2.68 | 2.79 | 1.03 | 0.34 | 0.67 |
| 1.60 | 1.90 | 0.26 | 2.16 | 2.42 | 0.83 | 0.27 | 0.55 |
| 2.00 | 1.62 | 0.22 | 1.81 | 2.06 | 0.71 | 0.24 | 0.46 |
| 2.40 | 1.41 | 0.19 | 1.60 | 1.78 | 0.61 | 0.21 | 0.40 |
6. Conclusions
- It is much easier to measure the values of the ground defect currents than evaluate the direction of the ground defect currents compared to the residual voltage.
- In substations that cannot be removed from service, primary injection tests are not able to be developed, and the correct operation of the directional ground fault protection relays is not secured, whereas this new method is able to be totally commissioned without primary injection tests and its good performance can be granted without removing the substation from service.
- Unintentional wrong tripping commands given by directional protection relays due to wrong CTs and VTs polarities connections are avoided, as directional criterion is not used.
- It reduces dramatically the time and costs of installation and commissioning compared to the use of directional ground fault protection relays.
Author Contributions
Nomenclature
| a, b, c | Phase “a”, “b”, “c”. |
| ANSI | American National Standard Institute. |
| CT | Current transformer. |
| CT-Mi | Current transformer for residual measurement in one end in line “i”. |
| CT-Mi’ | Current transformer for residual measurement in the other end in line “i”. |
| CT-MP | Current transformer for residual measurement in main power transformer output. |
| Cph | Capacitance to earth of one line phase. |
| DGs | Distributed generation units. |
| f | Frequency of the power system. |
| GDPR | Ground directional protection relay. |
| i | Number of line: 1, 2, 3,…n. |
| Ia | Current in phase “a” at the protection relay side. |
| IA,IB,IC | Capacitive currents in feeders at the primary side. |
| ICAi | Capacitive current at line “i” in phase “a”. |
| IEi | Capacitive current in line “i”. |
| IEi,a | Defect current at phase “a” at principal line “i”. |
| 3I0,i | Residual current in line “i”. |
| Ipi | Capacitive current in line “i” at protection relay side. |
| L | Length of the line. |
| rms | Root mean square. |
| SPGF | Single phase ground fault. |
| TR | Current transformer ratio. |
| UA | Voltage in phase “a” without ground defect. |
| UA’ | Voltage in phase “a” with ground defect. |
| Uphase | Rated phase voltage of the power system. |
| Uo | Residual voltage. |
| Uo-i | Residual voltage at substation “i”. |
| U0-MP | Residual voltage at main power station. |
| VT | Voltage transformers. |
| VT-i | Voltage transformers in substation “i”. |
| VT-MP | Voltage transformers in main power station. |
| XCa | Capacitive impedance of phase “a”. |
Conflicts of Interest
References
- L’Abbate, A.; Fulli, G.; Starr, F.; Peteves, S. Distributed power generation in Europe: Technical issues for further integration. JRC European Commission Scientific and Technical Report. EUR 23234 EN. 2007. [Google Scholar]
- Russell Mason, C. The Art and Science of Protective Relaying; Wiley: New York, NY, USA, 1956; (sixth enlarged edition, 1967). [Google Scholar]
- Horowitz, S.H.; Phadke, A.G. Power System Relaying; 3rd ed.; Wiley: New York, NY, USA, 2008. [Google Scholar]
- Huang, S.J.; Wan, H.H. A Method to enhance ground-fault computation. IEEE Power Eng. Lett. IEEE Trans. Power Syst. 2010, 25, 1190–1191. [Google Scholar] [CrossRef]
- Lin, W.M.; Ou, T.C. Unbalanced distribution network fault analysis with hybrid compensation. IET Gener. Transmiss. Distrib. 2011, 5, 92–100. [Google Scholar] [CrossRef]
- Ou, T.C. A novel unsymmetrical faults analysis for microgrid distribution systems. Int. J. Electr. Power Energy Syst. 2012, 43, 1017–1024. [Google Scholar] [CrossRef]
- Ou, T.C. Ground fault current analysis with a direct building algorithm for microgrid distribution. Int. J. Electr. Power Energy Syst. 2013, 53, 867–875. [Google Scholar] [CrossRef]
- Lin, X.; Ke, S.; Gao, Y.; Wang, B.; Liu, P. A selective single phase-to-ground fault protection for neutral uneffectively grounded systems. IJEPES 2011, 33, 1012–1017. [Google Scholar]
- Henriksen, T. Faulty feeder identification in high impedance grounded network using charge-voltage relationship. Electr. Power Syst. Res. 2011, 81, 1832–1839. [Google Scholar] [CrossRef]
- Tamo, T.; Voufo, J. Fault diagnosis on medium voltage (MV) electric power distribution networks: The case of the downstream network of the AES-SONEL Ngousso sub-station. Energies 2009, 2, 243–257. [Google Scholar] [CrossRef]
- Conti, S.; Nicotra, S. Procedures for fault location and isolation to solve protection selectivity problems in MV distribution networks with dispersed generation. Electr. Power Syst. Res. 2009, 79, 57–64. [Google Scholar] [CrossRef]
- Saha, M.M.; Izykowsky, J.; Rosolowsky, E. Fault Location on Power Networks; Springer-Verlag: Berlin, Germany, 2009. [Google Scholar]
- Granizo, R.; Blánquez, F.R.; Rebollo, E.; Platero, C.A. New selective earth faults only current directional method for isolated neutral systems. In Proceedings of the Environment and Electrical Engineering (EEEIC), Venice, Italy, 18–25 May 2012; pp. 18–25.
- Chen, L.; Yang, Q.; Wang, J.; Sima, W.; Yuan, T. Classification of fundamental ferroresonance, single phase-to-ground and wire breakage over-voltages in isolated neutral networks. Energies 2011, 4, 1301–1320. [Google Scholar] [CrossRef]
- Magnano, F.H.; Bur, A. Fault location using Wavelets. IEEE Trans. Power Deliv. 1998, 13, 1475–1480. [Google Scholar] [CrossRef]
- Huang, J.; Hu, X.; Li, X.; Hu, H.; Lv, Y. A novel single-phase earth fault feeder detection by traveling wave and wavelets. In Proceedings of the International Conference on Power System Technology, Chongqing, China, 22–26 October 2006; pp. 22–26.
- Elkalashy, N.; Lehtonen, M.; Darwish, H.; Taalab, A.M.; Izzularab, M. Operation evaluation of DWT-based earth fault detection in unearthed MV networks. In Proceedings of the MEPCON International Middle-East Power System Conference, Aswan, Egypt, 12–15 March 2008; pp. 208–212.
- Xyngi, I.; Popov, M. Smart protection in Dutch medium voltage distributed generation systems. In Proceedings of the IEEE PES Innovative Smart Grid Technologies Conference Europe (ISGT Europe), Gothenburg, Sweden, 11–13 October 2010; pp. 1–8.
- Ukil, A.; Deck, B.; Shah, V. Smart distribution protection using current-only directional overcurrent relay. In Proceedings of the IEEE PES Innovative Smart Grid Technologies Conference Europe (ISGT Europe), Gothenburg, Sweden, 11–13 October 2010; pp. 1–7.
- Stojanovic, A.N.; Djuric, M.B. An algorithm for directional earth-fault relay with no voltage inputs. Electr. Power Syst. Res. 2013, 96, 144–149. [Google Scholar] [CrossRef]
- Universidad Politécnica de Madrid. System and method for selective non-directional earth-fault protection in isolated neutral networks. Spanish Patent No. 2374345, 11 February 2013.
© 2015 by the authors; licensee MDPI, Basel, Switzerland. This article is an open access article distributed under the terms and conditions of the Creative Commons Attribution license (http://creativecommons.org/licenses/by/4.0/).
Share and Cite
Granizo, R.; Blánquez, F.R.; Rebollo, E.; Platero, C.A. A Novel Ground Fault Non-Directional Selective Protection Method for Ungrounded Distribution Networks. Energies 2015, 8, 1291-1316. https://doi.org/10.3390/en8021291
Granizo R, Blánquez FR, Rebollo E, Platero CA. A Novel Ground Fault Non-Directional Selective Protection Method for Ungrounded Distribution Networks. Energies. 2015; 8(2):1291-1316. https://doi.org/10.3390/en8021291
Chicago/Turabian StyleGranizo, Ricardo, Francisco R. Blánquez, Emilio Rebollo, and Carlos A. Platero. 2015. "A Novel Ground Fault Non-Directional Selective Protection Method for Ungrounded Distribution Networks" Energies 8, no. 2: 1291-1316. https://doi.org/10.3390/en8021291
APA StyleGranizo, R., Blánquez, F. R., Rebollo, E., & Platero, C. A. (2015). A Novel Ground Fault Non-Directional Selective Protection Method for Ungrounded Distribution Networks. Energies, 8(2), 1291-1316. https://doi.org/10.3390/en8021291

