Next Article in Journal
Temporal and Spatial Analysis of Integrated Energy and Environment Efficiency in China Based on a Green GDP Index
Previous Article in Journal
Traveling Wave Reactor and Condition of Existence of Nuclear Burning Soliton-Like Wave in Neutron-Multiplying Media
 
 
Font Type:
Arial Georgia Verdana
Font Size:
Aa Aa Aa
Line Spacing:
Column Width:
Background:
Article

Reliability Evaluation Method for Oil–Paper Insulation in Power Transformers

1
State Key Laboratory of Power Transmission Equipment & System Security and New Technology, Chongqing University, Chongqing 400044, China
2
High Voltage Laboratory, Department of Electrical and Computer Engineering, Mississippi State University, Mississippi State, MS 39762, USA
*
Author to whom correspondence should be addressed.
Energies 2011, 4(9), 1362-1375; https://doi.org/10.3390/en4091362
Submission received: 30 May 2011 / Revised: 11 July 2011 / Accepted: 5 September 2011 / Published: 9 September 2011

Abstract

:
The overall life of oil-immersed power transformers depends on the long-term life of the oil–paper insulation system throughout continuous operation. Studying the reliability assessment methods for oil–paper insulation can help determine the reliability level of power transformers accurately, and ensure their safe and stable operation. In the present paper, the life of oil–paper insulation is proven to obey the Weibull distribution under eight different temperatures set by the Weibull reliability probability paper; the failure mechanisms of the different temperatures are highly consistent. The Weibull distribution reliability curve cluster of oil–paper insulation is plotted under different temperatures by which an oil–paper insulation reliability assessment method is proposed. Lastly, the statistical validation experiment of the proposed method is conducted, which proves its theoretical validity. Thus, the present study puts forward a simple and effective method for the oil–paper insulation reliability assessment of power transformers under different temperatures at different life stages.

1. Introduction

Large oil-immersed power transformers perform the important task of power transmission for power systems. With the gradual increase of operational time, the reliability of power transformers decreases and the risk of failure increases. The oil–paper insulation system, as the most important part of a power transformer’s internal insulation, largely determines the operational reliability of oil–immersed power transformers [1,2,3]. Thus, assessing the level of oil–paper insulation reliability in a timely and accurate manner can help reduce the incidence of insulation failure, ensure reliable operation of the transformer, and maximize equipment utilization.
At present, studies on oil–paper insulation of oil-immersed power transformers are mainly focused on the aging test, the extraction of aging characteristic parameters, and the assessment of residual life, among others. Emsley et al. [4,5,6,7] conducted numerous studies on the aging mechanism and the aging characteristics of cellulose insulation paper, in which the kinetic equation of insulation paper degradation reaction was introduced and improved. Shroff et al. [8] studied the formation of furfural in an accelerated aging test of insulation paper, and found the approximate logarithmic relationship between furfural content in oil and degree of polymerization (DP) of the insulating paper. Kachler et al. [9,10] carried out a thermal aging test under normal operating temperatures of power transformers. They obtained the trend of the characteristic resultant in the process of oil–paper insulation aging, analyzed the main influencing factors of aging such as moisture and temperature, and completed a preliminary study of the aging mechanism.
Based on the analysis of dissolved gas in oil, the concentration of furan derivatives, DP, tensile strength of the insulation paper, and other characteristic parameters that affect the life of oil–paper insulation have been established by now [3,11,12]. However, in the aging process of an oil–paper insulation system, many factors influencing the characteristic parameters occur, which vary at different parts of the insulation system; thus, determining the insulation aging status and remaining life of oil–paper insulation is difficult [13,14,15]. Studies of oil–paper insulation reliability evaluation methods are rarely reported.
Transformer on-site operating experience shows that the process of the failure of oil–paper insulation is relatively slow when the reliability of the oil–paper insulation is at a high level. Therefore, based on the accelerated life test method in the field of reliability engineering, the present paper conducts oil–paper insulation accelerated life reliability tests, in which the failure mechanisms cannot change with the different levels of stresses. According to the distribution of oil–paper insulation life under different temperatures, the current work proposes an oil–paper reliability assessment method in which time and temperature are used as variable factors.
The main contents of the present paper are organized in the following order. Section 1 presents the introduction of this paper. Section 2 designs the reliability test device, test circuit, test model, and test methods. Section 3 lists the original data of the reliability test, and verifies that the reliability of oil–paper insulation obeys the Weibull distribution model and that the failure mechanisms are highly consistent under different temperatures. Section 4 proposes the curve cluster evaluation method of oil–paper insulation reliability, which uses time and temperature as variable factors, and verifies the validity of this method through a statistical validation test. Section 5 presents the conclusions of this paper.

2. Reliability Test of Oil–Paper Insulation

2.1. The Circuit Principle and the Device of the Test

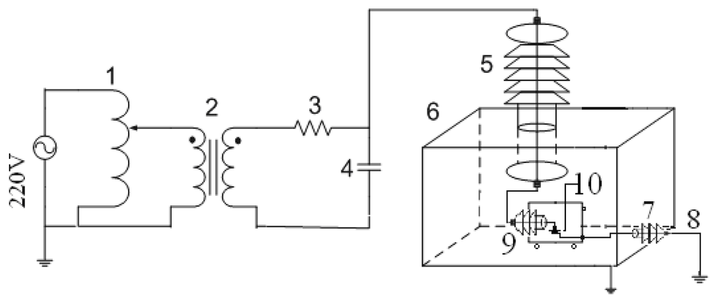
Figure 1 is a circuit schematic of an oil–paper insulation electro-thermal aging test. The coupling capacitor 4 returns the test voltage back to the console, which is used to record the accelerated aging life of the samples. The internal dimensions of the aging test chamber (6) are 1600 × 800 × 1400 mm, its adjustable temperature range is 10–200 °C, with a fluctuation of ±0.5 °C and a maximum voltage threshold of 35 kV. The test oil tank (9), the overall structure of which is shown in Figure 2a, has external dimensions of 550 × 400 × 500 mm. During the experiment, the internal temperature of the test oil tank can be changed by adjusting the temperature of the aging test chamber, which can ensure the uniformity of the internal temperature of the test oil tank and achieve the electro-thermal aging purpose in the test oil tank.
Figure 1. Schematic diagram of the aging experiment in the laboratory. (1) regulator; (2) step-up transformer; (3) protection resistor; (4) coupling capacitor; (5) high-voltage bushing; (6) aging test chamber; (7) grounding bushing; (8) grounding wire; (9) test oil tank; (10) test electrode and sample.
Figure 1. Schematic diagram of the aging experiment in the laboratory. (1) regulator; (2) step-up transformer; (3) protection resistor; (4) coupling capacitor; (5) high-voltage bushing; (6) aging test chamber; (7) grounding bushing; (8) grounding wire; (9) test oil tank; (10) test electrode and sample.
Energies 04 01362 g001
Figure 2. (a) The oil tank for electro-thermal aging test; (b) Schematic diagram of the experimental electrode. (1) tee valve; (2) air valve; (3) oil inlet valve; (4) oil outlet valve; (5) grounding terminal; (6) high-voltage bushing.
Figure 2. (a) The oil tank for electro-thermal aging test; (b) Schematic diagram of the experimental electrode. (1) tee valve; (2) air valve; (3) oil inlet valve; (4) oil outlet valve; (5) grounding terminal; (6) high-voltage bushing.
Energies 04 01362 g002
Figure 2a shows the overall structure of the electro-thermal combined aging test oil tank. The tank consists of a sealed box filled with 25# mineral transformer insulating oil. The semipermeable membrane installed at the top of the box is used for maintaining the pressure inside to ensure safety of the electro-thermal combined aging test. All 10 samples can be placed inside the tank for the accelerated life testing at the same time. The tee valve (1) is used to extract air from and fill nitrogen into the top space of the tank. Air valve (2) is used to display the nitrogen pressure of the test oil tank via a barometer. Oil inlet valve (3) is used for injecting new transformer oil. Oil outlet valve (4) is used to discharge used oil. Grounding terminal (5) is used for the grounding of low-voltage electrode. High-voltage bushing (6), rated at 10 kV, is used for the supply of the power source.

2.2. Test Model

The test electrode, the design of which obeys the ASTM-D149-09 regulation, is made of copper metal [16]. As shown in Figure 2b, the high-voltage electrode (1) is a cylinder measuring 25 mm in diameter and 50 mm in height, and the low-voltage electrode (2), also a cylinder, is 75 mm in diameter and 20 mm in height. The surfaces of both electrodes are carefully polished. The sample (3), sized 80 mm in diameter and 0.3 mm in thickness, is common transformer insulation paper, with an ideal electrical strength greater than 35 kV/mm. In the process of the experiment, the model is placed in the 25# mineral insulating oil of the electro-thermal combined aging test tank (Figure 2a).

2.3. The Pretreatment of Samples

The pretreatment process of the insulation paper mainly includes cutting, picking, vacuum drying, and oil immersing. However, after cutting and picking, the insulation paper contains a small amount of air bubbles and water, which greatly reduces the breakdown voltage. This makes a great difference compared with the actual situation in power transformers, so vacuum drying and oil immersing are key parts of the pretreatment process [17]; both should be accomplished carefully. Thus, the insulation paper samples were immersed in oil for 200 h under 90 °C before they were dried in a vacuum tank for 24 h under 60 °C [18]. Afterward, the breakdown voltage of the oil–paper sample increased to 12 kV, meeting the theoretical electrical strength and satisfying the requirements of the present reliability experiment.

2.4. The Selection of Test Voltage and Temperature

To ensure the consistency of experimental results with the on-site situation, the reliability test under different temperatures should be conducted at the operating voltage. However, even under the higher temperature of 120 °C, the breakdown of the sample will still take a long time, making any statistical tests very difficult to conduct. According to the accelerated aging test method in the field of reliability engineering, the test voltage 9.5 kV was determined after plenty of experiments. At this voltage, the dispersion of the aging life is small and the life length is reasonable. A large number of test data could be obtained in a short period of time.
The average temperature of oil-immersed power transformers is 75–85 °C and the partial maximum temperature is 95 °C [19,20,21]. The flash point temperature of 25# transformer mineral insulating oil is 140 °C. Considering the situation above, the test temperatures were chosen to range from 60 to 130 °C with 10 °C intervals. The temperatures of the experiment are typical in the operation of power transformers.

2.5. The Steps and Contents of the Experiment

2.5.1. Screening the Samples

To ensure stability of the test data at the same temperature, the samples needed sifting before the accelerated life test. Samples with initial discharge voltages close to the theoretical values were selected for the accelerated aging test.

2.5.2. Recording Aging Life

During the experiment, the experiment voltage shown on the console was recorded, and the time between the beginning moment of the experiment and the breakdown moment of the sample was taken as the aging life.

2.5.3. The Accelerated Aging Experiment

First, the test oil tank was placed into the electro-thermal combined aging test box and the selected 10 samples placed into the test oil tank (Figure 2a). Then, the electrodes were adjusted to make their surface come in full contact with that of the sample and avoid the existence of air gaps. Second, the test circuit was connected and the proper quantity of 25# transformer oil was injected. Lastly, air was extracted, the proper quantity of nitrogen was injected to the top space of the tank, and the test circuit was checked. The accelerated life test can be started when the temperature reaches the desired value.

2.5.4. Collection of Test Data

To gather enough life information on the oil–paper insulation models, 80 pretreated samples were chosen to undergo the accelerated aging test at 9.5 kV under eight different temperatures (1 temperature, 10 samples). Failure time was recorded for the analysis of life distribution and reliability parameters.

3. Test Data and Validity Verification

3.1. Test Data and Its Analysis

3.1.1. Test Data

The test data of the 80 samples at 9.5 kV under different temperatures is shown in Table 1.
Table 1. Test data of the samples at 9.5 kV under different temperatures.
Table 1. Test data of the samples at 9.5 kV under different temperatures.
Temperature t/°CNumber60 °C70 °C80 °C90 °C100 °C110 °C120 °C130 °C
Lifetime t/s17532348521771058574364212115
29249475426831375783447268148
310656517230311503852515317173
411153564033831614929539344192
511877601734291737991574383207
6129336344361019381045625416219
7140097200379120121186677441227
8146097425410922311223706469252
9162438172452824261346785504271
10175068967490926491477846568289

3.1.2. Analysis of the Data

A large number of experiments show that the life of components, equipment, and systems, whose failure of global function is caused by a partial failure or malfunction, obeys the Weibulldistribution [22]. IEEE standards recommend that the life of solid insulating materials obeys the Weibull distribution or the lognormal distribution [23]. Therefore, a two-parameter Weibull distribution was selected for the study of oil–paper insulation reliability. The failure and reliability distribution functions of the two-parameter Weibull distribution model are shown below [23]:
F ( t ) = 1 e ( t / η ) β       t 0 ;   η , β > 0
R ( t ) = 1 F ( t ) = e ( t / η ) β
where t is the time of the breakdown of the oil–paper sample, η is the scale parameter, and β is the shape parameter. Once the two parameters are determined, the Weibull model is determined.
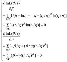
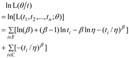
The ways to determine the parameters of the Weibull distribution model include the Weibull probability paper method, maximum likelihood method, and least square method, among others. Among them, the maximum likelihood method of parameter estimation is an effective way to obtain more accurate parameter solutions [23,24,25]; the present study used the maximum likelihood estimation method to determine the model parameters as follows: according to the fundamental principle of the maximum likelihood estimation method, the likelihood function of Weibull distribution is built as:
Energies 04 01362 i001
in which F is the failure data set that includes the samples whose reliabilities are zero at the end of the accelerated aging tests, and C is the censored data set that includes the samples whose reliabilities are greater than zero at the end of the accelerated aging tests. The Weibull distribution likelihood equations are:
Energies 04 01362 i002
Formula (5) is derived from the combination of Formulas (3) and (4):
Energies 04 01362 i003
The estimated values of η and β can be derived from solving Formula (5). With the data in Table 1 and the maximum likelihood estimation method, the present study acquired the Weibull distribution parameters of different temperatures, shown in Table 2.
Table 2. Test data and Weibull model parameters at 9.5 kV under different temperatures.
Table 2. Test data and Weibull model parameters at 9.5 kV under different temperatures.
Temperature/°C-60 °C70 °C80 °C90 °C100 °C110 °C120 °C130 °C
Weibull model parametersη137416927387820291141664431229
β4.84.65.14.34.64.84.34.7
The scale parameter η is also called characteristic life, which represents the life of the insulation paper when the reliability is 0.632. The shape parameter β is a measure of the spread of the life of the oil–paper samples. The larger β is, the smaller the range of life of the samples will be.

3.2. Validity Verification of the Test Data

3.2.1. Verification of the Life Distribution and Failure Mechanism

According to the life data for different temperatures in Table 1, the Weibull probability chart, shown in Figure 3a, was plotted using the statistical function wblplot of the Matlab software [26]. The figure shows the life data points approximately on straight lines under different temperatures and the straight lines of different temperatures approximately parallel to one another. Thus, all the life distributions of oil–paper insulation under different temperatures obey the Weibull distribution, and the failure mechanism(s) of the samples do not change with the temperature.

3.2.2. Verification of the Accelerated Life Model

In the present paper, the temperature was chosen as the accelerating stress variable because high temperatures promote early failure in products. Arrhenius proposed an acceleration model, as follows, based on large amounts of data [27]:
η = AeE/KT
where η is the life characteristic, and the T is the absolute temperate equal to the sum of the Celsius temperature and 273. A, E, and K are constants. The Arrhenius model indicates that the life characteristic will rise exponentially as the temperature decreases.
Formula (7) is obtained from the logarithmic on both sides of the model (6):
ln η = a + b/T
where a and b are undetermined parameters. This formula shows the logarithm of the life characteristic should have a linear relationship with the reciprocal of the absolute temperate.
Figure 3b shows that there is a good linear relationship between the logarithm of the life characteristic and the reciprocal of the absolute temperature [26,27,28]. The equation of the fitting line is shown below:
ln η = −13.725 + 7747.6/T
From Figure 3a,b and the associated analysis, the present study concludes that the design of the oil–paper insulation reliability experiment is reasonable and the Weibull distribution can be used to analyze oil–paper insulation reliability test data.
Figure 3. (a) Weibull probability chart for different temperatures; (b) The fitting line between the logarithm of life characteristic and the reciprocal of absolute temperature [28].
Figure 3. (a) Weibull probability chart for different temperatures; (b) The fitting line between the logarithm of life characteristic and the reciprocal of absolute temperature [28].
Energies 04 01362 g003

4. Oil–Paper Insulation Reliability Assessment Method and Its Validation

4.1. The Relationship between Oil–Paper Insulation Reliability and Lifetime

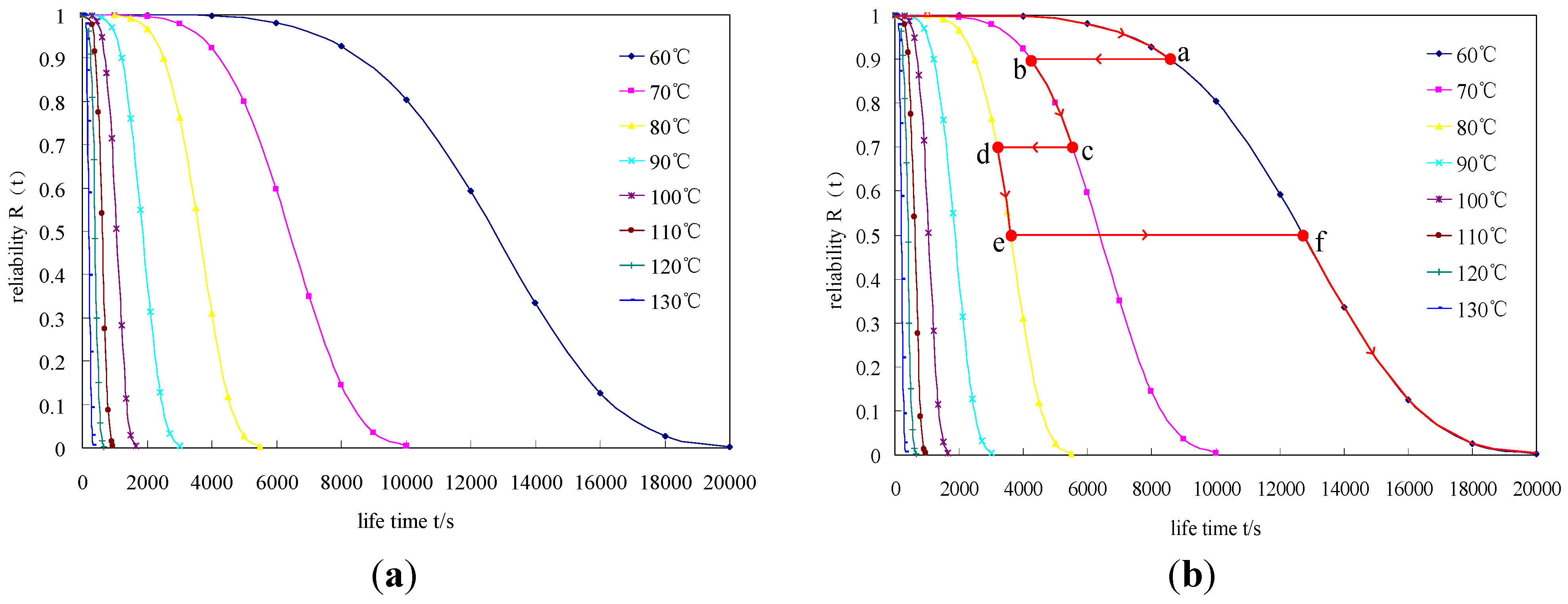
According to Table 2 and Formula (3), the relationship curve between oil–paper insulation reliability and lifetime can be drawn at different temperatures, as shown in Figure 4a, by which the reliability variation law over time could be obtained under different temperatures. If the real-time temperature of the transformer is obtained, the accurate reliability level of oil–paper insulation system may be acquired. Thus, in the same test voltage, the higher the temperature is, the earlier and the faster the reliability drops, and the shorter the life expectancy will be, which is consistent with actual operating experience. For the operation of the transformer, a low operating temperature is conducive to maintain a high level of reliability of the oil–paper insulation system, to ensure stability and continuity of power supply, and to extend the life of the transformer.
Figure 4. (a) Relationship curve between reliability and time under different temperatures. (b) Application example of oil–paper insulation reliability evaluation.
Figure 4. (a) Relationship curve between reliability and time under different temperatures. (b) Application example of oil–paper insulation reliability evaluation.
Energies 04 01362 g004

4.2. The Curve Cluster Method of Oil–Paper Insulation Reliability Assessment

Figure 4a shows that, at a certain temperature, the reliability of the samples decreases over time. If the temperature changes at a certain moment, the reliability at this moment can be taken as the longitudinal coordinate, and a line parallel to the timeline can be drawn to transfer the reliability to the reliability variation curve of another temperature, thereby achieving long-term oil–paper insulation reliability assessment under different temperatures. The specific evaluation process can be shown in detail by a simple evaluation example in Figure 4b.
As shown in Figure 4b, the reliability remained at 0.9 at time ta when the temperature changed from 60 (point a) to 70 °C (point b); the reliability reduced from 0.9 to 0.7 over a period of time under 70 °C (point b to point c); the reliability remained at 0.7 at time tc when the temperature changed to 80 °C (point d); the reliability reduced from 0.7 to 0.5 over a period of time under 80 °C (point d to point e); the reliability remained at 0.5 at time te when the temperature changed back to 80 °C (point f). In the whole process, the reliability of the oil–paper sample decreased from the initial 0.9 to the final 0.5 (shown by the red line in Figure 4b).

4.3. Experimental Validation of the Oil–Paper Insulation Reliability Assessment Method

The 30 samples, whose performance met the test requirements after the pretreatment, were taken for the validation experiment at 9.5 kV under the temperatures of 70 and 80 °C. The test lasted for 5000 seconds at 70 °C, went on for 1024 seconds at 80 °C, and finally continued for 1000 seconds at 70 °C. The experimental verification trajectory is shown by the red line in Figure 5.
The records of experimental time and its failure number during the validation experiment are shown in Table 3. The cumulative failure probability and reliability experimental values can be obtained from Formulas (9) and (10) [26,29]:
Energies 04 01362 i004
R(t) = 1 − F(t)
where F(t) is the cumulative failure probability, and R(t) is the reliability experimental value. N is equal to 30, which is the total number of samples; Ni is the cumulative failure number; and t is the lifetime.
Figure 5. Test for oil–paper insulation reliability evaluation method verification.
Figure 5. Test for oil–paper insulation reliability evaluation method verification.
Energies 04 01362 g005
According to the Weibull distribution parameters in Table 2, the reliability of the oil–paper insulation under 70 and 80 °C can be respectively expressed as Formulas (11) and (12) below:
R 1 ( t ) = 1 F ( t ) = e ( t / 6927 ) 4.6
R 2 ( t ) = 1 F ( t ) = e ( t / 3878 ) 5.1
From these two formulas, the reliability curve cluster values can be calculated with the corresponding time in Table 3.
Table 3. Experimental verification test data of reliability evaluation method of oil–paper insulation.
Table 3. Experimental verification test data of reliability evaluation method of oil–paper insulation.
Test time (s)Temperature (°C)Failure NumberCumulative Failure Number NiCumulative Failure Probability F(t)Reliability
Test ValueCurve Cluster Value
0–500070660.20.80.7999
5000–60248014200.66670.33330.3501
6024–7024706260.86670.13330.1438
As shown in Table 3, the reliability curve cluster values are very close to the reliability experimental values, from which the authors conclude that the oil–paper insulation curve cluster assessment method is theoretically correct.

5. Further Research Work

Under normal operation conditions, the average lifetime of the insulation paper inside power transformers is greater than 30 years. The aging test under the normal operation condition thus cannot be carried out in the laboratory. It is almost impossible to achieve a reliability evaluation model through the tests performed under normal operation conditions. Thus, accelerated aging tests are necessary to establish a reliability evaluation model.
As shown in Section 4, the reliability assessment method is based on the accelerated aging life data from the laboratory. Because of the difference between the accelerated aging condition and the normal operational conditions, it needs further improvement to be used for evaluating the reliability of on-site power transformer oil–paper insulation. Some further research works are as follows:
(1)
The accelerated aging tests of different types of insulation paper and oil should be carried out to study their influence on the reliability evaluation model. Then an improved assessment model of the oil–paper insulation reliability under accelerated aging conditions can be proposed.
(2)
The cycle time is so long that we cannot do the whole aging test under the normal operation conditions. To resolve this problem, the comparison aging test within a short time is an ideal way. By comparing the experimental results under the accelerated aging conditions with the aging results under the normal operation conditions, the relationship between the test results under both conditions can be established.
(3)
According to (1) and (2), the oil–paper insulation reliability assessment model under the accelerated aging conditions can be improved. The improved model can be used to evaluate the oil–paper insulation reliability under normal operation condition.
(4)
At critical points inside power transformers, such as the end of the winding and the hot spots, the reliability of the insulation paper is lower than in other places. Thus, the relationship between the reliabilities of the oil–paper insulation at critical points and other points should be studied. When we obtain this relationship, an improved evaluation model can be proposed. It can be used to evaluate the oil–paper insulation reliability and is not affected by the sampling place.
(5)
During the on-site application of this assessment model, it will be improved and refined. The engineering validity of this method will be verified.

6. Conclusions

The following conclusions may be put forward:
(a)
The reliability of oil–paper insulation of power transformers obeys the two-parameter Weibull distribution model under an electro-thermal combined aging condition.
(b)
The curve cluster of the oil–paper Weibull reliability distribution, which takes temperature as a variable, can be used to determine the reliability under different temperatures at different life stages.
(c)
The reliability assessment method, proposed in the present paper, is based on the accelerated aging life data from laboratory, so it needs further improvement to be used for evaluating the reliability of on-site power transformer oil–paper.

Acknowledgments

The authors would like to thank the Natural Science Foundation of China (No.51077136) and the National 111 Project of China (B08036) for the funding and support of this research.

References

  1. Wei, J.L.; Zhang, G.J.; Dong, M. Application of kinetics of chemical reaction in aging lifetime evaluation of oil–paper insulated transformers. High Voltage Eng. 2009, 35, 544–550. [Google Scholar]
  2. Arakelian, V.G. Effective diagnostics for oil-filled equipment. IEEE Electr. Insul. Mag. 2002, 18, 26–38. [Google Scholar] [CrossRef]
  3. Lundgaard, L.E.; Hansen, W.; Linhjell, D.; Painter, T.J. Aging of oil-impregnated paper in power transformers. IEEE Trans. Power Deliv. 2004, 19, 230–239. [Google Scholar] [CrossRef]
  4. Emsley, A.M. Kinetics and mechanisms of degradation of cellulosic insulation in power transformers. Polym. Degrad. Stab. 1994, 44, 343–349. [Google Scholar] [CrossRef]
  5. Emsley, A.M.; Xiao, X.; Heywood, R.J.; Ali, M. Degradation of cellulosic insulation in power transformers. Part 3: Effects of oxygen and water on ageing in oil. IEE Proc. Sci. Meas. Technol. 2000, 147, 115–119. [Google Scholar]
  6. Emsley, A.M.; Xiao, X.; Heywood, R.J.; Ali, M. Degradation of cellulosic insulation in power transformers. Part 2: Formation of furan products in insulating oil. IEE Proc. Sci. Meas. Technol. 2000, 147, 110–114. [Google Scholar]
  7. Gasser, H.P.; Huser, J.; Krause, C.; Dahinden, V.; Emsley, A.M. Determining the Ageing Parameters of Cellulosic Insulation in a Transformer. In Proceedings of the Eleventh International Symposium on High Voltage Engineering, London, UK, 23–27 August 1999; pp. 143–147.
  8. Shroff, D.H.; Stannett, A.W. A review of paper aging in power transformers. IEE Proc. Part C 1985, 132, 312–319. [Google Scholar]
  9. Kachler, A.J.; Hohlein, I. Aging of cellulose at transformer service temperatures. Part 1: Influence of type of oil and air on the degree of polymerization of pressboard, dissolved gases, and furanic compounds in oil. IEEE Electr. Insul. Mag. 2005, 21, 15–21. [Google Scholar]
  10. Hohlein, I.; Kachler, A.J. Aging of cellulose at transformer service temperatures. Part 2: Influence of moisture and temperature on degree of polymerization and formation of furanic compounds in free-breathing systems. IEEE Electr. Insul. Mag. 2005, 21, 20–24. [Google Scholar]
  11. Kan, H.; Miyamoto, T.; Makino, Y.; Namba, S.; Hara, T. Absorption of CO2 and CO Gases and Furfural in Insulating oil into Paper Insulation in Oil-Immersed Transformers. In Proceedings of the IEEE International Symposium on Electrical Insulation, Pittsburg, CA, USA, 5–8 June 1994; pp. 41–44.
  12. Morais, R.M.; Mannheimer, W.A.; Carballeira, M.; Noualhaguet, J.C. Furfural analysis for assessing degradation of thermally upgraded papers in transformer insulation. IEEE Trans. Dielectr. Electr. Insul. 1999, 16, 159–163. [Google Scholar] [CrossRef]
  13. Saha, T.K.; Darreniza, M.; Yao, Z.T.; Hill, D.J.T.; Yeung, G. Investigating the effects of oxidation and thermal degradation on electrical and chemical properties of power transformers insulation. IEEE Trans. Power Deliv. 1999, 14, 1359–1367. [Google Scholar] [CrossRef]
  14. Yang, L.J.; Liao, R.J.; Sun, C.X.; Li, J.; Liang, S.W. Using multivariate statistical method to recognize different aging stages of oil–paper. Proc. CSEE 2005, 25, 151–156. [Google Scholar]
  15. Ali, M.; Eley, C.; Emsley, A.M.; Heywood, R.; Xaio, X. Measuring and understanding the ageing of kraft insulating paper in power transformers. IEEE Electr. Insul. Mag. 1996, 12, 28–34. [Google Scholar] [CrossRef]
  16. Designation: D149-09. ASTM D149-09 Standard Test Method for Dielectric Breakdown Voltage and Dielectric Strength of Solid Electrical Insulating Materials at Commercial Power Frequencies; West Conshohocken, PA, USA, 2010. Available online: http://www.astm.org/Standards/D149.htm (accessed on 24 August 2011).
  17. Di, M.; delCasale, L. On multistress aging of epoxy resins PD and temperature. IEEE Trans. Dielectr. Electr. Insul. 2001, 8, 299–303. [Google Scholar] [CrossRef]
  18. Yue, B.; Li, J.; Zhang, X.H.; Xie, H.K. Study on multistress aging of epoxy/mica insulation based on fingerprint parameters. Adv. Technol. Electr. Eng. Energy 2001, 20, 29–32. [Google Scholar]
  19. Chen, S.K. Design of Motors; Machinery Industry Press: Beijing, China, 1997. [Google Scholar]
  20. Wang, X.Y. Transformer Fault and Its Monitoring; Machinery Industry Press: Beijing, China, 2004. [Google Scholar]
  21. Power Transformers Part 2: Temperature Rise. Chinese National Standard GB1094.2. 1996. Available online: http://wenku.baidu.com/view/cb7ed94533687e21af45a936.html (accessed on 24 August 2011).
  22. Mao, S.S.; Wang, L.L. Accelerated Life Test; Science Press: Beijing, China, 1997. [Google Scholar]
  23. Archer, N.P. A computational technique for maximumlikelihood estimation with Weibull models. IEEE Trans. Reliab. 1980, 29, 57–62. [Google Scholar] [CrossRef]
  24. Joyce, C.F. A Weibull model to characterize lifetimes of aluminum alloy electrical wire connections. IEEE Trans. Compon. Hybrids Manuf. Technol. 1991, 14, 124–133. [Google Scholar] [CrossRef]
  25. Jiang, R.Y. The Characteristics Parameters Estimation and Application of Weibull Model; Science Press: Beijing, China, 1998. [Google Scholar]
  26. Li, T.; Huo, Y.J.; Li, Z.J. Application Guide of Matlab Toolbox; Electronic Industry Press: Beijing, China, 2000. [Google Scholar]
  27. Zhou, Z.F. The Fundamentals of Reliability Engineering; China Aerospace Press: Beijing, China, 2009. [Google Scholar]
  28. Yang, H.; Liu, Q.S.; Zhong, B. Mathematical Statistics; Higher Education Press: Beijing, China, 2004. [Google Scholar]
  29. 930-2004 IEEE Guide for the Statistical Analysis of Electrical Insulation Voltage Endurance Data. ANSI/IEEE Std. 930. 2004. Available online: http://ieeexplore.ieee.org/xpl/mostRecentIssue.jsp?punumber=9972 (accessed on 24 August 2011).

Share and Cite

MDPI and ACS Style

Wang, Y.; Gong, S.; Grzybowski, S. Reliability Evaluation Method for Oil–Paper Insulation in Power Transformers. Energies 2011, 4, 1362-1375. https://doi.org/10.3390/en4091362

AMA Style

Wang Y, Gong S, Grzybowski S. Reliability Evaluation Method for Oil–Paper Insulation in Power Transformers. Energies. 2011; 4(9):1362-1375. https://doi.org/10.3390/en4091362

Chicago/Turabian Style

Wang, Youyuan, Senlian Gong, and Stanislaw Grzybowski. 2011. "Reliability Evaluation Method for Oil–Paper Insulation in Power Transformers" Energies 4, no. 9: 1362-1375. https://doi.org/10.3390/en4091362

APA Style

Wang, Y., Gong, S., & Grzybowski, S. (2011). Reliability Evaluation Method for Oil–Paper Insulation in Power Transformers. Energies, 4(9), 1362-1375. https://doi.org/10.3390/en4091362

Article Metrics

Back to TopTop