Effects of Ethanol–Diesel Blends on Cylinder Pressure, Ignition Delay, and NOx Emissions in a Diesel Engine
Abstract
1. Introduction
- Analysis of engine indicator diagrams, enabling a comprehensive evaluation of the fuel combustion process.
- Comparative analysis of profiles of the fuel injector control signal.
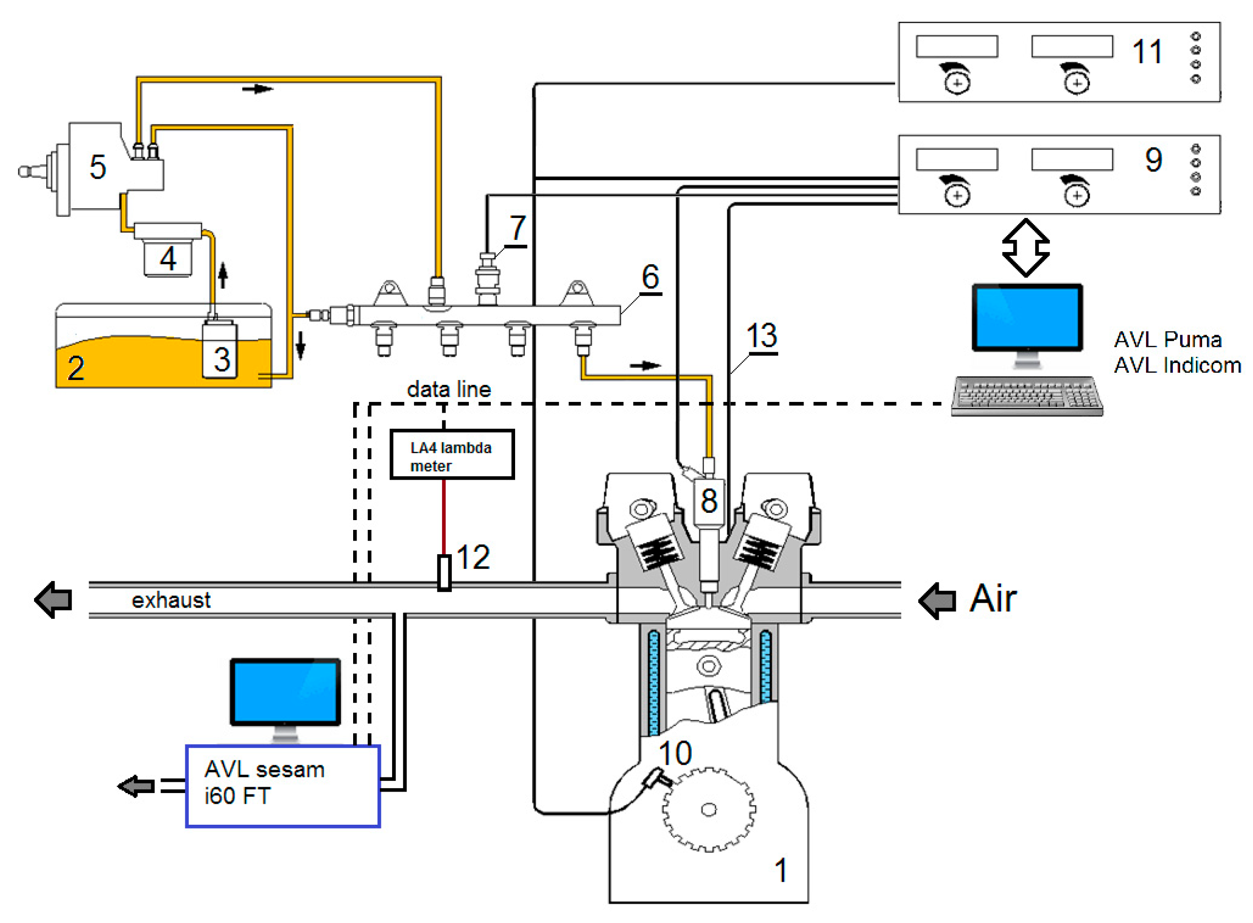
2. Materials and Methods
3. Results
4. Conclusions
Author Contributions
Funding
Data Availability Statement
Conflicts of Interest
Abbreviations
| AFR | Air fuel ratio |
| ASTM | American Society for Testing and Materials |
| CA | Crank angle |
| CFPP | Cold filter plugging point |
| CI | Compression ignition |
| CN | Cetane number |
| CP | Cloud point |
| CO | Carbon monoxide |
| CO2 | Carbon dioxide |
| COVMIP | Coefficient of variation in mean indicated pressure |
| DCN | Derived cetane number |
| DF | Diesel fuel |
| DF10 | 10% ET by vol. in blend with 90% DF by vol. |
| DF20 | 20% E by vol. in blend with 80% DF by vol. |
| EN | European norm |
| FAME | Fatty acids methyl esters |
| FP | Flash point |
| HC | Hydrocarbon |
| IQT | Ignition quality tester |
| MIP | Mean indicated pressure |
| LHV | Lower heating value |
| NOX | Nitrogen oxides |
| PP | Pour point |
| rpm | Revolutions per minute |
| RoHR | Rate of heat release |
| SD | Standard deviation |
| T | Torque |
| TDC | Top dead center |
| THC | Total hydrocarbons |
| λ | Excess air ratio (-) |
References
- Kumar, B.R.; Saravanan, S. Use of higher alcohol biofuels in diesel engines: A review. Renew. Sustain. Energy Rev. 2016, 60, 84–115. [Google Scholar] [CrossRef]
- Hansen, A.C.; Zhang, Q.; Lyne, P.W.L. Ethanol–diesel fuel blends—A review. Bioresour. Technol. 2005, 96, 277–285. [Google Scholar] [CrossRef] [PubMed]
- Giakoumis, E.G. Particulate matter emissions during transient diesel engine operation with various diesel/biofuel blends (biodiesel, ethanol and n-butanol). In Automotive Exhaust Emissions and Energy Recovery; Nova Science Publishers, Inc.: Hauppauge, NY, USA, 2014; pp. 91–130. [Google Scholar]
- Shukla, P.C.; Belgiorno, G.; Di Blasio, G.; Agarwal, A.K. Renewable Fuels for Sustainable Mobility; Springer Nature Singapore Pte Ltd.: Berlin/Heidelberg, Germany, 2023. [Google Scholar]
- Lapuerta, M.; Armas, O.; Herreros, J.M. Emissions from a diesel–bioethanol blend in an automotive diesel engine. Fuel 2008, 87, 25–31. [Google Scholar] [CrossRef]
- Kim, H.Y.; Ge, J.C.; Choi, N.J. Effects of Ethanol–Diesel on the Combustion and Emissions from a Diesel Engine at a Low Idle Speed. Appl. Sci. 2020, 10, 4153. [Google Scholar] [CrossRef]
- Rakopoulos, D.C.; Rakopoulos, C.D.; Papagiannakis, R.G.; Kyritsis, D.C. Combustion heat release analysis of ethanol or n-butanol diesel fuel blends in heavy-duty DI diesel engine. Fuel 2011, 90, 1855–1867. [Google Scholar] [CrossRef]
- Veza, I.; Karaoglan, A.D.; Ileri, E.; Kaulani, S.; Tamaldin, N.; Latiff, Z.; Said, M.F.M.; Hoang, A.T.; Yatish, K.; Idris, M. Grasshopper optimization algorithm for diesel engine fuelled with ethanol-biodiesel-diesel blends. Case Stud. Therm. Eng. 2022, 31, 101817. [Google Scholar] [CrossRef]
- Pan, M.; Wang, Y.; Wei, J.; Huang, H.; Zhou, X. Impact of carbon chain length of alcohols on the physicochemical properties and reactivity of exhaust soot. Sci. Total. Environ. 2021, 799, 149434. [Google Scholar] [CrossRef]
- Hernández, J.P.; Lapuerta, M.; García-Contreras, R.; Agudelo, J.R. Modelling of evaporative losses in n-alcohol/diesel fuel blends. Appl. Therm. Eng. 2016, 102, 302–310. [Google Scholar] [CrossRef]
- Rakopoulos, C.D.; Rakopoulos, D.C.; Kosmadakis, G.M.; Papagiannakis, R.G. Experimental comparative assessment of butanol or ethanol diesel-fuel extenders impact on combustion features, cyclic irregularity, and regulated emissions balance in heavy-duty diesel engine. Energy 2019, 174, 1145–1157. [Google Scholar] [CrossRef]
- Rakopoulos, D.C.; Rakopoulos, C.D.; Giakoumis, E.G.; Papagiannakis, R.G.; Kyritsis, D.C. Influence of properties of various common bio-fuels on the combustion and emission characteristics of high-speed DI (direct injection) diesel engine: Vegetable oil, bio-diesel, ethanol, n-butanol, diethyl ether. Energy 2014, 73, 354–366. [Google Scholar] [CrossRef]
- Skrzek, T.; Rucki, M.; Górski, K.; Matijošius, J.; Barta, D.; Caban, J.; Zarajczyk, J. Repeatability of High-Pressure Measurement in a Diesel Engine Test Bed. Sensors 2020, 20, 3478. [Google Scholar] [CrossRef] [PubMed]
- Ferguson, C.; Kirkpatrick, A. Internal Combustion Engines, 3rd ed; John Wiley & Sons: West Sussex, UK, 2016. [Google Scholar]
- Smith, J.P.; Limb, B.J.; Beal, C.M.; Banta, K.R.; Field, J.L.; Simske, S.J.; Quinn, J.C. Evaluating the sustainability of the 2017 US biofuel industry with an integrated techno-economic analysis and life cycle assessment. J. Clean. Prod. 2023, 413, 137364. [Google Scholar] [CrossRef]
- Chen, Z.; He, J.; Chen, H.; Geng, L.; Zhang, P. Comparative study on the combustion and emissions of dual-fuel common rail engines fueled with diesel/methanol, diesel/ethanol, and diesel/n-butanol. Fuel 2021, 304, 121360. [Google Scholar] [CrossRef]
- Sánchez, F.Z.; Pradelle, F.A.Y.; Biscaia, J.P.C.; de Souza Junior, J.; Pradelle, R.N.C.; Braga, S.L. Ignition Delay Evaluation of Ethanol Blends in Compression Ignition Engines; SAE Technical Paper 2023-36-0003; SAE International: Warrendale, PA, USA, 2024. [Google Scholar] [CrossRef]
- Ma, Y.; Geng, L.; Ji, Z.; Zhang, Z.; Sun, F.; Zhang, W.; Zhang, P. Spraying and combustion characteristics of Fischer-Tropsch diesel/ethanol/n-pentanol blends in constant volume combustion chamber. J. Energy Inst. 2024, 116, 101735. [Google Scholar] [CrossRef]
- Liu, J.; Wang, F.; Li, S. The effects of EGR and injection timing on the engine combustion and particulate matter emission performances fueled with diesel-ethanol blends. Therm. Sci. 2018, 22, 1457–1467. [Google Scholar] [CrossRef]
- Li, J.; Zhang, Z.; Ye, Y.; Li, W.; Yuan, T.; Wang, H.; Li, Y.; Tan, D.; Zhang, C. Effects of different injection timing on the performance, combustion and emission characteristics of diesel/ethanol/n-butanol blended diesel engine based on multi-objective optimization theory. Energy 2022, 260, 125056. [Google Scholar] [CrossRef]
- Xu, Z.; Duan, X.; Liu, Y.; Deng, B.; Liu, J. Spray combustion and soot formation characteristics of the acetone-butanol-ethanol/diesel blends under diesel engine-relevant conditions. Fuel 2020, 280, 118483. [Google Scholar] [CrossRef]
- Xu, C.C.; Ye, J.; Zhang, Y.; Hou, F.C.; Chen, B.C.; Sun, J.; Mei, Z.; Song, L. ReaxFF molecular dynamics simulation on the combustion mechanism of toluene/ethanol/n-heptane mixed fuel. Chem. Phys. 2024, 579, 112188. [Google Scholar] [CrossRef]
- Zhang, Z.; Li, J.; Tian, J.; Dong, R.; Zou, Z.; Gao, S.; Tan, D. Performance, combustion and emission characteristics investigations on a diesel engine fueled with diesel/ ethanol /n-butanol blends. Energy 2022, 249, 123733. [Google Scholar] [CrossRef]
- Zhang, W.; Zhang, Z.; Chen, H.; Ji, Z.; Ma, Y.; Sun, F. A review on performance, combustion and emission of diesel and alcohols in a dual fuel engine. J. Energy Inst. 2024, 116, 101760. [Google Scholar] [CrossRef]
- Zhao, W.; Yan, J.; Gao, S.; Lee, T.H.; Li, X. The combustion and emission characteristics of a common-rail diesel engine fueled with diesel and higher alcohols blends with a high blend ratio. Energy 2022, 261, 124972. [Google Scholar] [CrossRef]
- Krzemiński, A.; Ustrzycki, A. Visualisation Testing of the Vertex Angle of the Spray Formed by Injected Diesel–Ethanol Fuel Blends. Energies 2024, 17, 3012. [Google Scholar] [CrossRef]
- Torres-Jimenez, E.; Svoljšak Jerman, M.; Gregorc, A.; Lisec, I.; Dorado, M.P.; Kegl, B. Physical and chemical properties of ethanol–diesel fuel blends. Fuel 2021, 90, 795–802. [Google Scholar] [CrossRef]
- Han, K.; Yang, B.; Zhao, C.; Fu, G.; Ma, X.; Song, G. Experimental study on evaporation characteristics of ethanol–diesel blend fuel droplet. Exp. Therm. Fluid Sci. 2016, 70, 381–388. [Google Scholar] [CrossRef]
- Wang, Q.; Wei, F.; Dong, P.; Xiao, G.; Cui, Z.; Tian, J.; Shi, X.; Long, W. Visualization study on combustion characteristics of direct-injected hydrous methanol ignited by diesel in a constant volume combustion chamber. Fuel 2023, 335, 127063. [Google Scholar] [CrossRef]
- Wang, B.; Xie, F.; Hong, W.; Du, J.; Chen, H.; Wang, Z.; Liu, Y.; Jiang, B. Study on ignition mode transition of methanol pre-chamber jet ignition system controlled by boundary condition parameters. Fuel 2024, 372, 132238. [Google Scholar] [CrossRef]
- Shi, X.; Yu, Y.; He, H.; Shuai, S.; Dong, H.; Li, R. Combination of biodiesel-ethanol-diesel fuel blend and SCR catalyst assembly to reduce emissions from a heavy-duty diesel engine. J. Environ. Sci. 2008, 20, 177–182. [Google Scholar] [CrossRef]
- Shi, X.; Pang, X.; Mu, Y.; He, H.; Shuai, S.; Wang, J.; Chen, H.; Li, R. Emission reduction potential of using ethanol–biodiesel–diesel fuel blend on a heavy-duty diesel engine. Atmos. Environ. 2006, 40, 2567–2574. [Google Scholar] [CrossRef]
- Liu, H.; Wang, X.; Wu, Y.; Zhang, X.; Jin, C.; Zheng, Z. Effect of diesel/PODE/ethanol blends on combustion and emissions of a heavy duty diesel engine. Fuel 2019, 257, 116064. [Google Scholar] [CrossRef]
- Liu, J.; Sun, P.; Zhang, B. Effects of diesel/ethanol dual fuel on emission characteristics in a heavy-duty diesel engine. In IOP Conference Series: Materials Science and Engineering, Proceedings of the 2017 2nd International Seminar on Advances in Materials Science and Engineering, Singapore, 28–30 July 2017; IOP Publishing Ltd.: Bristol, UK, 2017; Volume 231. [Google Scholar] [CrossRef]
- Zhou, D.; Qiu, C. Experimental Study on Unregulated Emissions Characteristics of Alcohol-Diesel Dual-Fuel Combustion with Diesel Oxidation Catalyst. J. Energy Eng. 2018, 145, 04018075. [Google Scholar] [CrossRef]
- Heywood, J.B. Internal Combustion Engine Fundamentals; McGraw-Hill, Inc.: New York, NY, USA, 1988. [Google Scholar]
- Mollenhauer, K.; Tschoeke, H. Handbook of Diesel Engines; Springer: Berlin/Heidelberg, Germany, 2010. [Google Scholar]
- Tziourtzioumis, D.N.; Stamatelos, A.M. Experimental Investigation of the Effect of Biodiesel Blends on a DI Diesel Engine’s Injection and Combustion. Energies 2017, 10, 970. [Google Scholar] [CrossRef]
- Zhou, N.; Wu, H. Combustion Characteristics Analysis of the Alcohol and Diesel Blends. J. Northeast. Univ. 2018, 39, 97–101. Available online: https://xuebao.neu.edu.cn/natural/EN/10.12068/j.issn.1005-3026.2018.01.020 (accessed on 1 March 2025).
- Domínguez, V.M.; Hernández, J.J.; Ramos, Á.; Giménez, B.; Rodríguez-Fernández, J. Exploring the effect of methanol and ethanol on the overall performance and substitution window of a dual-fuel compression-ignition engine fueled with HVO. Fuel 2024, 359, 130529. [Google Scholar] [CrossRef]
- Lapuerta, M.; Hernández, J.J.; Fernández-Rodríguez, D.; Cova-Bonillo, A. Autoignition of blends of n-butanol and ethanol with diesel or biodiesel fuels in a constant-volume combustion chamber. Energy 2017, 118, 613–621. [Google Scholar] [CrossRef]
- Su, X.; Chen, H.; He, J.; Chen, Z.; Liu, H. Combustion and Emission in a Common Rail Diesel Engine Fueled by Diesel, Palm Oil, Gasoline, and Ethanol Blends under Double-Injection Strategy. J. Energy Eng. 2021, 147, 04021043. [Google Scholar] [CrossRef]
- Garg, R.; Mukherjee, N.; Viswanath, C.; Choudhary, V.; Newalkar, B.; Nene, D.; Kusumba, M. Effect of Diesel-Ethanol Blends on the Performance and Emissions of a CI Diesel Engine Suitable for Stationary Application; SAE Technical Paper 2024-26-0078; SAE International: Warrendale, PA, USA, 2024. [Google Scholar] [CrossRef]
- Kumar, S.; Cho, J.H.; Park, J.; Moon, I. Advances in diesel–alcohol blends and their effects on the performance and emissions of diesel engines. Renew. Sustain. Energy Rev. 2013, 22, 46–72. [Google Scholar] [CrossRef]
- ISO 12185:1996; Crude petroleum and petroleum products—Determination of density—Oscillating U-tube method. International Organization for Standardization: Geneva, Switzerland, 1996.
- ASTM D7042-20; Standard Test Method for Dynamic Viscosity and Density of Liquids by Stabinger Viscometer (and the Calculation of Kinematic Viscosity). ASTM International: West Conshohocken, PA, USA, 2020.
- ASTM D240-02(2007); Standard Test Method for Heat of Combustion of Liquid Hydrocarbon Fuels by Bomb Calorimeter. ASTM International: West Conshohocken, PA, USA, 2007.
- ISO 304:1985; Surface Active Agents—Determination of Surface Tension by Drawing Up Liquid Films. International Organization for Standardization: Geneva, Switzerland, 1985.
- ASTM D613-24; Standard Test Method for Cetane Number of Diesel Fuel Oil. ASTM International: West Conshohocken, PA, USA, 2024.
- ISO 12156-1:2018; Diesel Fuel—Assessment of Lubricity Using the High-Frequency Reciprocating Rig (HFRR)—Part 1: Test Method. International Organization for Standardization: Geneva, Switzerland, 2018.
- EN 16715:2015; Liquid Petroleum Products—Determination of Ignition Delay and Derived Cetane Number (DCN) of Middle Distillate Fuels—Ignition Delay and Combustion Delay Determination Using a Constant Volume Combustion Chamber with Direct Fuel Injection. European Committee for Standardization (CEN): Brussels, Belgium, 2015.
- ISO 2719:2016; Petroleum Products and Lubricants—Determination of Flash Point—Pensky-Martens Closed Cup Method. International Organization for Standardization: Geneva, Switzerland, 2016.
- EN 116:1997; Diesel and Domestic Heating Fuels—Determination of Cold Filter Plugging Point. European Committee for Standardization (CEN): Brussels, Belgium, 1997.
- Lapuerta, M.; Rodríguez-Fernández, J.; Fernández-Rodríguez, D.; Patiño-Camino, R. Cold flow and filterability properties of n-butanol and ethanol blends with diesel and biodiesel fuels. Fuel 2018, 224, 552–559. [Google Scholar] [CrossRef]
- Zelenka, P.; Kapus, P.; Mikulic, L.A. Development and Optimization of Methanol Fueled Compression Ignition Engines for Passenger Cars and Light Duty Trucks; SAE Technical Paper 910851; SAE International: Warrendale, PA, USA, 1991. [Google Scholar]
- Xiaolu, L.; Xinqi, Q.; Liang, Z.; Junhua, F.; Zhen, H.; Huimin, X. Combustion and emission characteristics of a two-stroke diesel engine operating on alcohol. Renew. Energy 2005, 30, 2075–2084. [Google Scholar] [CrossRef]
- Tutak, W.; Grab-Rogaliński, K.; Jamrozik, A. Combustion and Emission Characteristics of a Biodiesel-Hydrogen Dual-Fuel Engine. Appl. Sci. 2020, 10, 1082. [Google Scholar] [CrossRef]
- Kong, J.; Liu, H.; Zheng, Z. Chemical Kinetics Study on Combustion of Ethanol/biodiesel/n-heptane. Renew. Energy 2020, 148, 150–167. [Google Scholar] [CrossRef]
- Elzahaby, A.M.; Elkelawy, M.; Bastawissi, H.A.; El_Malla, S.M.; Naceb, A.M.M. Kinetic modeling and experimental study on the combustion, performance and emission characteristics of a PCCI engine fueled with ethanol-diesel blends. Egypt. J. Pet. 2018, 27, 927–937. [Google Scholar] [CrossRef]
- Labeckas, G.; Slavinskas, S.; Lus, T.; Klyus, O.; Mażejka, M. Combustion and performance parameters of a Diesel engine operating on ethanol-Diesel fuel blends. Sci. J. Univ. Szczec. 2013, 36, 102–109. [Google Scholar]










| Parameter | Value |
|---|---|
| Engine capacity, cm3 | 511 |
| Cylinder number | 1 |
| Injection timing | ECU controlled |
| Top power without supercharging | 6 kW |
| Compression ratio | 17.5 |
| Fuel injection max. pressure | 180 MPa |
| Crankshaft speed at idle run | 750 |
| Fuel injection system | Common Rail |
| Parameter | Reference | ET | DF | DF10 | DF20 |
|---|---|---|---|---|---|
| Density @ 15 °C, g/cm3 | [45] | 0.788 | 0.833 | 0.828 | 0.824 |
| Viscosity @ 40 °C, mm2/s | [46] | 1.11 | 3.45 | 3.21 | 2.97 |
| LHV, MJ/kg | [47] | 28.4 | 43.9 | 42.3 | 40.7 |
| Surface tension, mN/m | [48] | 22.3 | 32.1 | 31.3 | 29.9 |
| CN | [49] | - | 51 | - | - |
| Lubricity *, μm | [50] | 1057 | 370 | - | - |
| DCN **, - | [51] | 8 | - | - | - |
| FP, °C | [52] | 12 | 60 | 26 | 24 |
| CFPP, °C | [53] | <−50 | 0.0 | - | - |
| Latent heat of vaporization, kJ/kg | - | 846 | 250 | 309 | 368 |
| Stoichiometric air/fuel ratio, kg/kg | - | 9.0 | 14.7 | 13.9 | 13.4 |
| Fuel | rpm | 5 Nm | 10 Nm | 15 Nm | 20 Nm | 25 Nm |
|---|---|---|---|---|---|---|
| DF | 1200 | 2.22 | 1,94 | 1.94 | 1.81 | 1.81 |
| DF10 | 1200 | 2.22 | 1.94 | 1.94 | 1.81 | 1.81 |
| DF20 | 1200 | 2.22 | 2.08 | 2.08 | 1.94 | 1.81 |
| DF | 1700 | 2.29 | 1.81 | 1.81 | 1.67 | 1.81 |
| DF10 | 1700 | 2.29 | 1.81 | 1.94 | 1.67 | 1.81 |
| DF20 | 1700 | 2.29 | 1.81 | 1.94 | 1.67 | 1.67 |
| DF | 2200 | 2.08 | 2.01 | 1.94 | 1.67 | 1.81 |
| DF10 | 2200 | 2.08 | 2.01 | 1.81 | 1.81 | 1.81 |
| DF20 | 2200 | 2.08 | 1.94 | 1.81 | 1.81 | 1.81 |
Disclaimer/Publisher’s Note: The statements, opinions and data contained in all publications are solely those of the individual author(s) and contributor(s) and not of MDPI and/or the editor(s). MDPI and/or the editor(s) disclaim responsibility for any injury to people or property resulting from any ideas, methods, instructions or products referred to in the content. |
© 2025 by the authors. Licensee MDPI, Basel, Switzerland. This article is an open access article distributed under the terms and conditions of the Creative Commons Attribution (CC BY) license (https://creativecommons.org/licenses/by/4.0/).
Share and Cite
Górski, K.; Tziourtzioumis, D.; Smigins, R.; Longwic, R. Effects of Ethanol–Diesel Blends on Cylinder Pressure, Ignition Delay, and NOx Emissions in a Diesel Engine. Energies 2025, 18, 2392. https://doi.org/10.3390/en18092392
Górski K, Tziourtzioumis D, Smigins R, Longwic R. Effects of Ethanol–Diesel Blends on Cylinder Pressure, Ignition Delay, and NOx Emissions in a Diesel Engine. Energies. 2025; 18(9):2392. https://doi.org/10.3390/en18092392
Chicago/Turabian StyleGórski, Krzysztof, Dimitrios Tziourtzioumis, Ruslans Smigins, and Rafał Longwic. 2025. "Effects of Ethanol–Diesel Blends on Cylinder Pressure, Ignition Delay, and NOx Emissions in a Diesel Engine" Energies 18, no. 9: 2392. https://doi.org/10.3390/en18092392
APA StyleGórski, K., Tziourtzioumis, D., Smigins, R., & Longwic, R. (2025). Effects of Ethanol–Diesel Blends on Cylinder Pressure, Ignition Delay, and NOx Emissions in a Diesel Engine. Energies, 18(9), 2392. https://doi.org/10.3390/en18092392

