Next Article in Journal
Recent Advances in Electrified Methane Pyrolysis Technologies for Turquoise Hydrogen Production
Previous Article in Journal
Condensation Heat Transfer Efficiency Analysis of Horizontal Double-Sided Enhanced Tubes
Previous Article in Special Issue
Evaluation of Rheological and Lubrication Properties of Selected Alcohol Fuels
 
 
Font Type:
Arial Georgia Verdana
Font Size:
Aa Aa Aa
Line Spacing:
Column Width:
Background:
Article

Effects of Ethanol–Diesel Blends on Cylinder Pressure, Ignition Delay, and NOx Emissions in a Diesel Engine

by
Krzysztof Górski
1,*,
Dimitrios Tziourtzioumis
2,
Ruslans Smigins
3 and
Rafał Longwic
4
1
Faculty of Mechanical Engineering, Casimir Pulaski Radom University, ul. Chrobrego 45, 26-600 Radom, Poland
2
Laboratory of Energy Systems, Department of Industrial Engineering and Management, International Hellenic University, Alexander University Campus, 57400 Sindos, Greece
3
Faculty of Engineering and Information Technologies, Latvia University of Life Sciences and Technologies, J. Cakstes blvd 5, LV3001 Jelgava, Latvia
4
Faculty of Mechanical Engineering, Lublin University of Technology, Nadbystrzycka 38D St., 22-618 Lublin, Poland
*
Author to whom correspondence should be addressed.
Energies 2025, 18(9), 2392; https://doi.org/10.3390/en18092392
Submission received: 19 March 2025 / Revised: 4 May 2025 / Accepted: 6 May 2025 / Published: 7 May 2025
(This article belongs to the Special Issue Advances in Fuel Energy)

Abstract

This study examined how adding ethanol to diesel fuel affects combustion characteristics, cylinder pressure and NOx emissions in an AVL engine. The research focused on key engine parameters, including autoignition delay, in-cylinder pressure rise rates, the peaks of the mean in-cylinder temperature and NOx emissions. Three fuel types were tested: pure diesel (DF) and blends with 10 and 20% ethanol by volume (DF10 and DF20). The results obtained indicate that increasing the ethanol content in diesel fuel significantly affects the combustion process of the fuel mixture, particularly in its early stage, reducing the benefits of the pilot fuel injection. Moreover, it was observed that the combustion of the DF20 mixture leads to a substantially higher pressure increase in the cylinder, exceeding the values recorded for pure diesel fuel by approximately 25%. Furthermore, the study revealed that ethanol addition increases the peaks of the mean in-cylinder temperature, with a recorded difference of up to 60 °C between pure diesel fuel and DF20. Since NOx formation is highly temperature-dependent, this temperature rise is likely to result in higher NOx concentration. Additionally, a slight effect of ethanol on increasing the ignition delay angle was observed. This remained minor, and did not exceed approximately 1 CA. These findings highlight the complex relationship between ethanol content in diesel fuel, combustion dynamics, and emissions. They emphasize the need for optimizing the injection process for ethanol–diesel blends to balance the benefits of ethanol addition with potential challenges related to combustion efficiency, engine load and NOx concentration.

1. Introduction

The blending of ethanol with diesel fuel, known also as e-diesel or oxygenated diesel, has gained significant attention due to its potential to improve combustion characteristics and reduce emissions in diesel engines [1]. The first studies, conducted in the 1980s with ethanol and diesel blends, did not show technical obstacles for the exploitation of such fuel, which was an important step toward green energy after the global fuel crises in the 1970s triggered awareness among many countries of the availability of oil [2]. The well-recognized advantages of ethanol’s addition to diesel, as a renewable and oxygenated fuel, include enhanced combustion efficiency and reduced harmful pollutants [3,4,5]. While different techniques have been adopted for the use of ethanol in diesel engines, like dual injection, alcohol fumigation and alcohol–diesel emulsification, blending is usually preferred instead of the others as it allows for the prevention of phase separation and modification of the engine system [6]. Ethanol combines many different properties, such as higher oxygen content, lower viscosity, higher latent heat of evaporation, etc., resulting in a positive effect on engine performance and emissions. While lower viscosity results in better atomization than a higher latent heat evaporation increase in the volume efficiency, higher oxygen content reduces HC and CO emissions. At the same time, blending ethanol and diesel fuel faces problems such as poor miscibility and instability of phase separation depending on ambient temperature [7]. Ethanol solubility with water is based on the fact that the hydroxyl group found in ethanol and connected to its saturated carbon atom enables it to bond with hydrogen [8]. Besides that, alcohols generally have a lower derived cetane number (DCN) than diesel fuel, in such a way that contributes to an increase in the ignition delay, resulting in a more intense pre-mixed combustion phase and greater noise due to the associated in-cylinder pressure peaks [9,10]. However, due to the difference in ethanol, their chemical properties compared to diesel, especially higher oxygen content, improvement in the engine performance, combustion dynamics and emissions, should be observed [11,12].
Research typically involves a single-cylinder or multi-cylinder diesel engine equipped with sensors to measure cylinder pressure, temperature and emissions. Various blend ratios (e.g., E10, E20, E30) are tested to evaluate their impact on engine performance and emissions. Analyzing the accuracy of the engine in-cylinder pressure measurements necessitates a unique approach, as no reference instruments or calibration standards exist for the complete measurement system. Skrzek et al. [13] performed in-cylinder pressure measurements in a single-cylinder experimental internal combustion engine to propose an estimation method for that kind of measurement and to assess its repeatability. In order to solve the issue of repeatability, they proposed two methods: in the first, the in-cylinder pressure was recorded in the successive cycles immediately after the end of ignition, and in the second, the engine was cranked by a starter. The investigation of cylinder pressure changes in diesel engines fueled with diesel and its blends with ethanol is crucial for understanding combustion characteristics, performance and emissions. Diesel engines are widely used for their efficiency and durability, but concerns about fossil fuel depletion and environmental pollution have led to the exploration of alternative fuels, such as ethanol blends [14].
In a study by Smith et al. [15], the performance effects of ethanol were investigated, specifically focusing on the impact of ethanol–diesel blends on engine performance. They found that low-level ethanol blends (up to 10%) improved combustion efficiency and reduced emissions without significantly affecting engine power output. Similarly, Chen et al. [16] conducted engine testing with ethanol–diesel blends and observed improvements in thermal efficiency and combustion stability, particularly at higher ethanol concentrations. However, they noted a slight decrease in peak torque with increasing ethanol content.
The effects of diesel-ethanol blends on ignition characteristics have been studied by other researchers [17,18,19]. Recent studies by Li et al. [20] investigated the influence of ethanol–diesel blends on ignition properties. Their findings indicated that ethanol addition decreased ignition delay times, promoting more rapid and consistent combustion initiation compared to conventional diesel fuel. The presence of ethanol in the blend enhances ignition characteristics, leading to more rapid and stable combustion. Xu et al. [21] employed computational simulations and experimental validations to assess the impact of ethanol–diesel blends on combustion efficiency. Their results suggested increased combustion efficiency with ethanol blending, attributed to enhanced fuel atomization and more complete combustion in the frame of improved combustion kinetics [22].
Research conducted by Zhang et al. [23,24] explored the combustion stability of ethanol–diesel blends across varying blend ratios. The results suggested that higher ethanol concentrations enhanced combustion stability and reduced combustion duration, attributed to ethanol’s higher octane rating and improved air–fuel mixing. Similarly, Zhao et al. [25] analyzed the heat release characteristics of ethanol–diesel blends to assess their combustion behavior. Their investigations revealed alterations in heat release profiles with ethanol blending, resulting in smoother combustion with moderated peak pressure and temperature gradients.
The atomization characteristics of diesel–ethanol blends, such as spray tip penetration, play an important role in engine performance and emission characteristics [26]. The study by Jimenez et al. [27] examined the effects of ethanol blending on fuel properties such as viscosity, density and cetane number. They found that ethanol–diesel blends exhibited altered fuel properties, which influenced combustion characteristics and engine performance. Han et al. [28] investigated the impact of ethanol–diesel blends on fuel atomization and spray characteristics. Their results indicated changes in spray morphology and droplet size distribution, affecting fuel–air mixing and combustion efficiency. Studies by Wang et al. [29,30] utilized advanced imaging techniques to analyze flame propagation characteristics in diesel engines fueled with ethanol–diesel blends. Their research highlighted enhanced flame stability and faster combustion propagation, attributed to ethanol’s higher laminar flame speed and improved air–fuel mixing.
Shi et al. [31,32] investigated the impact of ethanol–diesel blends on combustion characteristics and emissions in diesel engines. The researchers conducted experimental tests using various ethanol–diesel blends and examined parameters such as combustion efficiency, ignition delay and emissions of CO, HC and PM. Results indicated that ethanol–diesel blends improved combustion efficiency and reduced emissions of CO and HC, while PM emissions showed a slight decrease, highlighting the potential of ethanol blends in enhancing diesel engine performance and emissions characteristics. Liu et al. [33,34] investigated the correlation between combustion characteristics of ethanol–diesel blends and emissions reduction. Their study revealed a direct relationship between improved combustion efficiency and reduced emissions of particulate matter, nitrogen oxides, and unburned hydrocarbons. Zhou et al. [35] conducted experiments on exhaust emissions from diesel engines fueled with ethanol–diesel blends and reported lower levels of nitrogen oxides (NOx) emissions due to reduced peak combustion temperatures and altered combustion characteristics.
Cylinder pressure is a critical parameter in evaluating engine performance [36,37,38]. Studies [39,40] show that blending ethanol with diesel generally results in lower peak cylinder pressures due to ethanol’s lower cetane number, which delays combustion initiation. The heat release rate in diesel engines is influenced by the fuel blend. Ethanol blends often show a higher rate of heat release in the premixed combustion phase due to ethanol’s higher volatility and oxygen content, which enhance the mixing and combustion process [41,42]. Garg [43], through meticulous analysis of the combustion data, did not observe significant changes in the engine in-cylinder pressure and the start of injection using ethanol–diesel blends at full load condition, while he observed a reduction in peak firing pressure by up to 6%, and retarding of the start of injection and combustion achieved by 2 deg crank angle at part load operation.
In conclusion, ethanol–diesel blends exhibit promising potential for enhancing combustion characteristics in diesel engines, including improved ignition properties, combustion stability and reduced emissions. However, further research is warranted to optimize blend compositions, address compatibility issues and assess long-term engine performance and durability under real-world conditions [44].
To deepen the understanding of the effect of ethanol blends on the combustion process in an experimental diesel engine, various diesel–ethanol blends were tested using the following techniques:
  • Analysis of engine indicator diagrams, enabling a comprehensive evaluation of the fuel combustion process.
  • Comparative analysis of profiles of the fuel injector control signal.

2. Materials and Methods

During the investigation, the laboratory apparatus shown in Figure 1 and Figure 2 was used to carry out the planned experiment. A key component of the applied research setup was the 5402 series diesel research engine manufactured by AVL. This state-of-the-art device was designed specifically for advanced scientific investigations in the automotive industry. It should be noted that the tested engine operated without a diesel particulate filter (DPF), a feature that typically affects exhaust gas composition and engine performance characteristics.
To simplify the research process, both the turbocharging system and the exhaust gas recirculation (EGR) system were deactivated. This decision was made to minimize the complexity of the research setup, enabling a more controlled and precise evaluation of the engine’s basic performance parameters without interference from ancillary systems. Such an approach enhances result reproducibility and allows for a better understanding of the fundamental working processes occurring in the tested engine.
The research stand was meticulously designed and built by AVL Co., located in Graz, Austria, a leader in research and development technologies for the automotive sector. It was specifically commissioned for use at the Casimir Pulaski University of Radom (URad.). The collaboration with AVL Co. underscores the commitment to leveraging cutting-edge tools and expertise to achieve high-quality research results.
The AVL 5402 series research engine is a renowned unit specifically crafted for rigorous scientific experimentation. Featuring a cylinder outfitted with 4 valves and a direct fuel injection system engineered by BOSCH Co., the engine’s key specifications are delineated in Table 1.
As previously indicated, the engine subjected to examination in this research employs a CR injection system, meticulously regulated by a programmable engine control unit (ECU). The injection timing parameters used in this study remained constant for all tested fuels at a specific measurement point. In particular, the requisite experimental procedures were systematically replicated under constant engine operating conditions. Specifically, these conditions were characterized by discrete torque values: 5, 10, 15, 20 and 25 Nm, corresponding to engine speeds of 1200, 1700 and 2200 rpm. Thus, a total of 15 distinct engine operational states were delineated, wherein alterations in pressure within the combustion chamber were recorded for 100 consecutive cycles, specifically for the tested fuel. At each such measurement point, a fuel injection was split into 2 doses, i.e., pilot and main dose. An example of the course of changes in the signal controlling the opening of the fuel injector, changes in cylinder pressure and a graphical interpretation of the fuel auto-ignition delay angle is shown in Figure 3.
According to Figure 3, the auto-ignition delay (ID) was defined as the crank angle interval between the start of pilot fuel injection and the onset of fuel combustion. The ignition point was identified based on the in-cylinder pressure trace and the corresponding rate of heat release (RoHR) profile. To accurately determine the ID, a characteristic point B on the RoHR curve was identified, indicating a rapid increase in heat release, which signifies the start of the combustion process. In this example, the injection of the pilot fuel dose began at point A, i.e., 12.5 degrees before TDC (top dead center = 360 CA deg.), and the start of combustion occurred at point B, i.e., 2.5 degrees after TDC. In this case, the auto-ignition delay angle was 15 degrees. The maximum in-cylinder pressure value (pmax) is also indicated in Figure 3. The variation in this parameter was assessed in this study too.
In the case of a diesel engine, an important operational parameter is the rate of pressure rise dp/dα (bar/CA) in the combustion chamber. An excessively high value of this parameter is unfavorable as it can lead to overloading of components in the crank–piston system. The rate of pressure rise in the cylinder is distinguished by its average and maximum values. In this article, the maximum value of the pressure rise in the cylinder was determined due to the rapidly occurring fuel combustion process.
As mentioned, the analysis of the combustion process was conducted using the AVL research engine, employing blends of ethanol (ET) and diesel fuel (DF). In this case, the results obtained for diesel fuel served as a reference point for evaluating the impact of ethanol addition to this fuel. The experiment involved the use of diesel fuel that meets the requirements of the European standard EN 590 for the summer season. This fuel served as a reference point for engine studies conducted with blends of the specified DF and ET with a purity of 99.9%. The research involved blends of DF containing 10% and 20% ET (by volume), labeled DF10 and DF20, respectively. The selected physicochemical parameters of the tested fuels are presented in Table 2.
Table 2 presents the selected physicochemical properties of the tested fuels: ET, DF and DF10 and DF20 blends. The addition of ET to DF affects several properties of the resulting fuel, which are critical to the combustion process in the engine. The reduction in density and viscosity of the blends with increasing ethanol content may enhance fuel atomization but simultaneously decrease the stability of the fuel film on the cylinder walls. The lower heating value (LHV) of the blends indicates a reduced amount of energy available during combustion, which could lead to a decrease in engine energy efficiency. On the other hand, the higher latent heat of vaporization of ethanol, which increases with its proportion in the blend, significantly lowers the cylinder temperature during fuel evaporation. This may prolong ignition delay and alter the characteristics of the initial combustion phase. The lower surface tension of the blends promotes better fuel atomization, but may also influence the mixture formation process within the cylinder. It is noteworthy that ET has a very low derived cetane number (DCN = 8), which reduces the self-ignition capability of the blend compared to DF (CN = 51), potentially necessitating modifications in injection and ignition strategies to optimize engine performance. The low lubricity of ET compared to DF may lead to the increased wear of fuel system components, particularly at higher ethanol concentrations in the fuel. Taken together, these properties underscore the need for precise adjustments to engine operating parameters, such as injection pressure, ignition timing, and heat management strategies, to balance the benefits of using ethanol with the potential technical and operational limitations.
The evaluation of the combustion process of the tested fuel was performed based on the registered pressure changes in the cylinder. For this purpose, the sensor GU22C made by AVL was used. Necessary measurements were taken every 1 degree of crankshaft angle (CA). For each measurement point, 100 consecutive engine cycles were recorded for further analysis. More details of the measurement test stand are widely explained in ref [13].
In this study, the concentration of nitrogen oxides (NOx) in the exhaust gases was measured using the AVL i60 FT infrared spectrometer. This advanced exhaust gas analysis device enables precise determination of the concentrations of individual nitrogen oxides (such as NO and NO₂), as well as the total NOx content. The analysis of NOx emissions was supported by the assessment of temperature changes in the cylinder, which were calculated in the AVL system using the equation of the state of the gas and the measured air flow into the engine.
The test bench used in the study enabled the measurement of λ values using a Bosch LSU 4.2 wideband oxygen sensor integrated with the LA4 lambda meter made by ETAS GmbH.

3. Results

Figure 4 shows pressure variation traces recorded in the cylinder of the AVL engine fueled with the investigated fuels (DF, DF10, and DF20), along with the corresponding rate of heat release (ROHR) curves. These in-cylinder pressure traces were recorded for the engine operating with torque of 5, 10, 15, 20 and 25 Nm at crankshaft speeds of 1200, 1700 and 2200 rpm.
Based on the assessment of Figure 4, several key conclusions can be formulated. It can be confirmed that an increase in the load on the tested engine was accompanied by an adequate increase in cylinder pressure. No significant differences in the maximum pressure value were observed depending on the type of fuel tested. However, it should be pointed out that fuel containing more ethanol resulted in a smaller pressure rise immediately after injecting the pilot dose into the combustion chamber. Additionally, the influence of increasing ethanol concentration in the blend with diesel fuel on the advance of the combustion angle and the corresponding higher pressure rise rate in the combustion chamber after the injection of the main fuel dose can be observed. These general relationships will be the subject of further analysis in this work. The key parameter in evaluating the combustion process in a diesel engine is the angle of ignition delay. For the purposes of this study, the definition of this parameter has been adopted in accordance with the previously presented Figure 3. As mentioned, the fuel injection parameters were constant at a specific measurement point for all fuels tested. In this way, the influence of these fuels on the auto-ignition delay angle was assessed. For this purpose, the waveforms were used, an example of which is shown in Figure 5.
Figure 5 shows the profiles of the fuel injector control signal in the AVL engine fueled with the tested fuels. The indicated figure confirms that the injection parameters for the tested fuels were the same. For example, in an engine operating with a torque of 15 Nm at 1200 rpm, the pilot injection began 13 degrees before TDC (360 degrees CA), while the main injection started 3 degrees before TDC. Figure 5 clearly shows that with constant injection parameters, only the change in ethanol content in diesel fuel has an effect on the changes in pressure in the combustion chamber. Specifically, it can be observed that with the increase in ethanol content in diesel fuel, there is a smaller increase in pressure in the combustion chamber after the injection of the pilot dose, which is visible in the previously shown Figure 4. This could be justified by the influence of the higher latent heat of vaporization of ethanol added to diesel fuel. In such a case, the increased heat of vaporization of the pilot fuel dose containing ethanol restricts the temperature and pressure rise during the initial phase of the combustion process, which, in turn, may contribute to prolonging the ignition delay period. Consequently, the combustion process in its main phase, i.e., after the injection of the main fuel dose, occurs with greater intensity. This could be due to a greater accumulation of fuel in the engine cylinder, which ignites abruptly throughout its volume, resulting in correspondingly larger pressure increases in the combustion process. This is confirmed in Figure 6, which illustrates the impact of the tested fuels on the maximum pressure rise rate (dp/dα)max during their combustion in the AVL engine. A value of this parameter that is too high is unfavorable, as it indicates an excessive noise and load on the crank–piston system. A (dp/dα)max value of 8–10 bar/°CA is considered a critical threshold, based on the authors’ experience and further supported by findings reported in the literature, e.g., in ref. [57]. Above this value, the engine begins to operate with a characteristic knocking sound, which is undesirable and may lead to engine damage. In the case of the examined engine, it was found that this load is the smallest for diesel fuel combustion. However, the increasing addition of ethanol to diesel fuel results in correspondingly larger pressure increases in the combustion chamber, which is not always favorable. The largest pressure increases in the cylinder of the examined engine occurred in the case of burning the DF20 mixture. They were even about 25% higher compared to the combustion of pure diesel fuel (DF).
The results suggest that the combustion of the DF20 mixture results in an adequately higher pressure increase in the cylinder, exceeding those observed in the combustion of pure diesel fuel (DF) by approximately 25%. It is essential to note that these pressure increases are not always advantageous, as they may lead to a temporary overload of the crank–piston system. Nevertheless, it was observed that the type of fuel tested did not significantly impact the maximum pressure values recorded in the examined engine. The differences in the maximum pressure values in the cylinder of the examined engine, as seen in Figure 7, do not exceed 4%.
Taking into account the registered parameters of the engine work, the AVL Concerto v.4.4. software was utilized to determine the peaks of the mean in-cylinder temperature values during the combustion process of the tested fuels, as the increase in temperature is correlated with NOx concentrations. For this reason, Figure 8 and Figure 9 present curves illustrating the effect of ethanol addition to diesel fuel on the variation not only in the peak mean in-cylinder temperature, but also in the resulting NOx concentrations. Based on the assessment of this figure, it can be unequivocally stated that the increasing addition of ethanol to diesel fuel increases the peaks of the mean in-cylinder temperature of the examined engine. The maximum difference in this temperature value was 60 °C. In this case, lower temperatures were obtained for the combustion process of diesel fuel, while correspondingly higher temperatures were observed for the DF20 mixture.
The increase in the peaks of the mean in-cylinder temperature observed for DF20 can be attributed not only to the physical properties of ethanol, such as its higher oxygen content, but also to the altered chemical kinetics of the combustion process. Ethanol promotes leaner combustion and may lead to faster reaction rates in certain phases of the combustion cycle, contributing to increased heat release and higher peak temperatures. Studies on these dependencies are not widespread. However, in the work [58] regarding the combustion of ethanol-biodiesel mixtures, it was observed that ethanol accelerates reactions in the early stages of combustion, which can lead to higher peak temperatures, but generally decreases the overall combustion rate in the later stages, especially in the context of the ethanol-biodiesel/n-heptane mixture.
Recent studies have highlighted the importance of chemical kinetics in understanding combustion phenomena in diesel-ethanol blends, particularly in Premixed Charge Compression Ignition (PCCI) engines. A detailed simulation-based analysis by [59] demonstrates that the auto-ignition timing and combustion characteristics of ethanol–diesel mixtures are strongly influenced by the premixed ratio and the homogeneity of the in-cylinder charge. The use of a detailed kinetic reaction mechanism in that work allowed for the prediction of ignition delay, pressure rise, and heat release behavior for various ethanol volume fractions, including 20%. These findings confirm that even moderate ethanol additions substantially affect the combustion process, and that such effects can be interpreted and anticipated through chemical kinetic modeling.
The observed increase in the peaks of the mean in-cylinder temperature with the addition of ET to DF, as demonstrated by the DF20 mixture, is likely to lead to adequately higher concentrations of nitrogen oxides (NOx). This is because NOx formation is highly temperature-dependent, with higher combustion temperatures promoting more intense thermal NOx generation through the Zeldovich mechanism. Consequently, the increased cylinder temperatures associated with the DF20 mixture can contribute to elevated NOx concentrations compared to pure diesel fuel combustion.
For all engine operating conditions with the tested fuels, the lambda values were determined, as the quality of the air–fuel mixture, i.e., its enrichment or lean-burn, has a significant impact on the NOx formation process. In the case of diesel fuel, the range of obtained lambda values was from 1.32 to 3.61, depending on the engine load and the speed of the crankshaft. For the DF10 fuel, lambda values ranged from 1.35 to 3.66, and for DF20, from 1.37 to 3.70. An increase in lambda values indicates a leaner fuel mixture, which, according to current knowledge, favors a higher NOx emission, as confirmed in this study. However, it should be noted that the higher lambda values observed for the DF10 and DF20 fuels are partly due to the lower calorific value of ethanol, requiring a higher fuel flow to maintain the same engine load, which results in a greater air–fuel ratio and an apparent increase in lambda. Despite this, the mixtures with ethanol remain leaner, contributing to the observed trend of higher NOx emissions.
However, it should be noted that some studies available in the literature [60] have shown that the addition of ethanol to diesel fuel may lead to a reduction in NOx emissions—an effect that was not confirmed in the present study. These discrepancies may result from significant differences in the combustion systems and engine operating parameters used, which further complicates the formulation of generalized conclusions regarding the influence of ethanol on nitrogen oxide emissions.
This study also determined the effect of ethanol concentration in the tested diesel fuel on the change in fuel ignition delay (ID). The obtained results are presented in Figure 10. When evaluating the results presented in this figure, a significant impact of increasing engine load on the decreasing ignition delay of the tested fuels can be observed. This is a well-known phenomenon resulting from the influence of higher combustion chamber temperature on the shortening of the physical preparation period of the fuel for autoignition.
The ignition delay (ID) was measured with an accuracy of 1 °CA and then the values were converted to time units (milliseconds), taking into account the engine crankshaft speed. The obtained results are presented in Table 3. When evaluating the results presented in this table, a significant impact of increasing engine load on the decreasing ignition delay of the tested fuels can be observed. This is a well-known phenomenon resulting from the influence of higher combustion chamber temperature on the shortening of the physical preparation period of the fuel for autoignition.
The analysis of the results showed in Table 3 confirms that for DF10 fuel, the ignition delay values were practically identical to those of pure diesel fuel, regardless of engine speed and load level. This suggests that ethanol at this concentration does not significantly affect the ignition process under the tested conditions.
For the fuel with 20% ethanol addition (DF20), a slight tendency toward increased ignition delay was observed, particularly at lower load levels (5–15 Nm) and lower engine speed (1200 rpm). In these cases, ID values were approximately 0.14 ms higher than those for DF, corresponding to a difference of 1 degree of crankshaft rotation. Since the ID was determined based on crank angle measurements with a resolution of 1°, the observed differences fall within the inherent measurement uncertainty.
Therefore, it must be emphasized that the detected changes in ID, although numerically present, are minor and potentially within the margin of error associated with the applied method. A resolution of 1 CA corresponds to approximately 0.14 ms at 1200 rpm, 0.088 ms at 1700 rpm and 0.076 ms at 2200 rpm. As a result, slight variations in ID may not necessarily reflect actual combustion phenomena, but rather the limitations of the measurement resolution.
Based on these considerations, it can be concluded that the influence of ethanol addition on ignition delay under the tested conditions becomes discernible only at a higher ethanol content (20%), and even then, only within a narrow range of engine operating conditions. However, due to the resolution limits of the measurement method, these differences should be interpreted with caution.
Future research should focus on several key areas, including kinetic analysis of the combustion process, which would provide a deeper understanding of the chemical and physical mechanisms involved in engines using ethanol–diesel blends. Such analysis could further help explain the influence of various parameters, such as ignition delay and peak cylinder temperature, on combustion efficiency and the resulting exhaust emissions. Additionally, optimizing fuel injection strategies could improve efficiency and reduce emissions. Studies on the effect of these blends on engine durability could also provide valuable insights into their long-term operational reliability.

4. Conclusions

This study investigates the effect of ethanol addition to diesel fuel on combustion characteristics in an AVL engine. The focus was on engine parameters such as autoignition delay, in-cylinder pressure rise rates, and maximum cylinder pressure. The fuels tested were diesel-ethanol blends with 10 and 20% ethanol by volume (DF10 and DF20). The results demonstrated a significant impact of ethanol on the combustion process, particularly in the early stages. The higher latent heat of vaporization of ethanol reduced the benefits of pilot fuel injection by limiting the initial thermal preparation of the cylinder charge, affecting the combustion speed. The combustion of the DF20 mixture resulted in a 25% higher pressure rise in the cylinder compared to the pure diesel fuel (DF), although this pressure increase could lead to temporary overloading of the crank–piston system. Despite this, the type of fuel did not significantly impact the maximum pressure values in the engine. Temperature peaks during combustion, which are correlated with NOx emissions, were also analyzed using AVL software. The results showed that increasing ethanol content led to a rise in these temperature peaks, with a maximum difference of 60 °C observed between DF20 and pure diesel. Higher cylinder temperatures are likely to increase NOx concentrations due to the temperature dependence of NOx formation. The study also confirmed that increasing engine load reduced ignition delay, a phenomenon caused by higher combustion chamber temperatures. Ethanol addition had a minor effect on ignition delay, increasing it by up to 1 CA. These findings highlight the complex relationship between ethanol content, combustion characteristics and engine performance, emphasizing the need for optimizing injection processes to balance combustion efficiency and NOx emissions.

Author Contributions

Conceptualization, K.G. and R.S.; methodology, K.G. and D.T.; validation, R.L. and R.S.; data curation, D.T.; writing—original draft preparation, K.G.; writing—review and editing, R.L. and R.S.; visualization, D.T.; supervision, K.G. All authors have read and agreed to the published version of the manuscript.

Funding

This research received no external funding.

Data Availability Statement

The original contributions presented in the study are included in the article, further inquiries can be directed to the corresponding author.

Conflicts of Interest

The authors declare no conflicts of interest.

Abbreviations

The following abbreviations are used in this manuscript:
AFRAir fuel ratio
ASTMAmerican Society for Testing and Materials
CACrank angle
CFPPCold filter plugging point
CICompression ignition
CNCetane number
CPCloud point
COCarbon monoxide
CO2Carbon dioxide
COVMIPCoefficient of variation in mean indicated pressure
DCNDerived cetane number
DFDiesel fuel
DF1010% ET by vol. in blend with 90% DF by vol.
DF2020% E by vol. in blend with 80% DF by vol.
ENEuropean norm
FAMEFatty acids methyl esters
FPFlash point
HCHydrocarbon
IQTIgnition quality tester
MIPMean indicated pressure
LHVLower heating value
NOXNitrogen oxides
PPPour point
rpmRevolutions per minute
RoHRRate of heat release
SDStandard deviation
TTorque
TDCTop dead center
THCTotal hydrocarbons
λExcess air ratio (-)

References

  1. Kumar, B.R.; Saravanan, S. Use of higher alcohol biofuels in diesel engines: A review. Renew. Sustain. Energy Rev. 2016, 60, 84–115. [Google Scholar] [CrossRef]
  2. Hansen, A.C.; Zhang, Q.; Lyne, P.W.L. Ethanol–diesel fuel blends—A review. Bioresour. Technol. 2005, 96, 277–285. [Google Scholar] [CrossRef] [PubMed]
  3. Giakoumis, E.G. Particulate matter emissions during transient diesel engine operation with various diesel/biofuel blends (biodiesel, ethanol and n-butanol). In Automotive Exhaust Emissions and Energy Recovery; Nova Science Publishers, Inc.: Hauppauge, NY, USA, 2014; pp. 91–130. [Google Scholar]
  4. Shukla, P.C.; Belgiorno, G.; Di Blasio, G.; Agarwal, A.K. Renewable Fuels for Sustainable Mobility; Springer Nature Singapore Pte Ltd.: Berlin/Heidelberg, Germany, 2023. [Google Scholar]
  5. Lapuerta, M.; Armas, O.; Herreros, J.M. Emissions from a diesel–bioethanol blend in an automotive diesel engine. Fuel 2008, 87, 25–31. [Google Scholar] [CrossRef]
  6. Kim, H.Y.; Ge, J.C.; Choi, N.J. Effects of Ethanol–Diesel on the Combustion and Emissions from a Diesel Engine at a Low Idle Speed. Appl. Sci. 2020, 10, 4153. [Google Scholar] [CrossRef]
  7. Rakopoulos, D.C.; Rakopoulos, C.D.; Papagiannakis, R.G.; Kyritsis, D.C. Combustion heat release analysis of ethanol or n-butanol diesel fuel blends in heavy-duty DI diesel engine. Fuel 2011, 90, 1855–1867. [Google Scholar] [CrossRef]
  8. Veza, I.; Karaoglan, A.D.; Ileri, E.; Kaulani, S.; Tamaldin, N.; Latiff, Z.; Said, M.F.M.; Hoang, A.T.; Yatish, K.; Idris, M. Grasshopper optimization algorithm for diesel engine fuelled with ethanol-biodiesel-diesel blends. Case Stud. Therm. Eng. 2022, 31, 101817. [Google Scholar] [CrossRef]
  9. Pan, M.; Wang, Y.; Wei, J.; Huang, H.; Zhou, X. Impact of carbon chain length of alcohols on the physicochemical properties and reactivity of exhaust soot. Sci. Total. Environ. 2021, 799, 149434. [Google Scholar] [CrossRef]
  10. Hernández, J.P.; Lapuerta, M.; García-Contreras, R.; Agudelo, J.R. Modelling of evaporative losses in n-alcohol/diesel fuel blends. Appl. Therm. Eng. 2016, 102, 302–310. [Google Scholar] [CrossRef]
  11. Rakopoulos, C.D.; Rakopoulos, D.C.; Kosmadakis, G.M.; Papagiannakis, R.G. Experimental comparative assessment of butanol or ethanol diesel-fuel extenders impact on combustion features, cyclic irregularity, and regulated emissions balance in heavy-duty diesel engine. Energy 2019, 174, 1145–1157. [Google Scholar] [CrossRef]
  12. Rakopoulos, D.C.; Rakopoulos, C.D.; Giakoumis, E.G.; Papagiannakis, R.G.; Kyritsis, D.C. Influence of properties of various common bio-fuels on the combustion and emission characteristics of high-speed DI (direct injection) diesel engine: Vegetable oil, bio-diesel, ethanol, n-butanol, diethyl ether. Energy 2014, 73, 354–366. [Google Scholar] [CrossRef]
  13. Skrzek, T.; Rucki, M.; Górski, K.; Matijošius, J.; Barta, D.; Caban, J.; Zarajczyk, J. Repeatability of High-Pressure Measurement in a Diesel Engine Test Bed. Sensors 2020, 20, 3478. [Google Scholar] [CrossRef] [PubMed]
  14. Ferguson, C.; Kirkpatrick, A. Internal Combustion Engines, 3rd ed; John Wiley & Sons: West Sussex, UK, 2016. [Google Scholar]
  15. Smith, J.P.; Limb, B.J.; Beal, C.M.; Banta, K.R.; Field, J.L.; Simske, S.J.; Quinn, J.C. Evaluating the sustainability of the 2017 US biofuel industry with an integrated techno-economic analysis and life cycle assessment. J. Clean. Prod. 2023, 413, 137364. [Google Scholar] [CrossRef]
  16. Chen, Z.; He, J.; Chen, H.; Geng, L.; Zhang, P. Comparative study on the combustion and emissions of dual-fuel common rail engines fueled with diesel/methanol, diesel/ethanol, and diesel/n-butanol. Fuel 2021, 304, 121360. [Google Scholar] [CrossRef]
  17. Sánchez, F.Z.; Pradelle, F.A.Y.; Biscaia, J.P.C.; de Souza Junior, J.; Pradelle, R.N.C.; Braga, S.L. Ignition Delay Evaluation of Ethanol Blends in Compression Ignition Engines; SAE Technical Paper 2023-36-0003; SAE International: Warrendale, PA, USA, 2024. [Google Scholar] [CrossRef]
  18. Ma, Y.; Geng, L.; Ji, Z.; Zhang, Z.; Sun, F.; Zhang, W.; Zhang, P. Spraying and combustion characteristics of Fischer-Tropsch diesel/ethanol/n-pentanol blends in constant volume combustion chamber. J. Energy Inst. 2024, 116, 101735. [Google Scholar] [CrossRef]
  19. Liu, J.; Wang, F.; Li, S. The effects of EGR and injection timing on the engine combustion and particulate matter emission performances fueled with diesel-ethanol blends. Therm. Sci. 2018, 22, 1457–1467. [Google Scholar] [CrossRef]
  20. Li, J.; Zhang, Z.; Ye, Y.; Li, W.; Yuan, T.; Wang, H.; Li, Y.; Tan, D.; Zhang, C. Effects of different injection timing on the performance, combustion and emission characteristics of diesel/ethanol/n-butanol blended diesel engine based on multi-objective optimization theory. Energy 2022, 260, 125056. [Google Scholar] [CrossRef]
  21. Xu, Z.; Duan, X.; Liu, Y.; Deng, B.; Liu, J. Spray combustion and soot formation characteristics of the acetone-butanol-ethanol/diesel blends under diesel engine-relevant conditions. Fuel 2020, 280, 118483. [Google Scholar] [CrossRef]
  22. Xu, C.C.; Ye, J.; Zhang, Y.; Hou, F.C.; Chen, B.C.; Sun, J.; Mei, Z.; Song, L. ReaxFF molecular dynamics simulation on the combustion mechanism of toluene/ethanol/n-heptane mixed fuel. Chem. Phys. 2024, 579, 112188. [Google Scholar] [CrossRef]
  23. Zhang, Z.; Li, J.; Tian, J.; Dong, R.; Zou, Z.; Gao, S.; Tan, D. Performance, combustion and emission characteristics investigations on a diesel engine fueled with diesel/ ethanol /n-butanol blends. Energy 2022, 249, 123733. [Google Scholar] [CrossRef]
  24. Zhang, W.; Zhang, Z.; Chen, H.; Ji, Z.; Ma, Y.; Sun, F. A review on performance, combustion and emission of diesel and alcohols in a dual fuel engine. J. Energy Inst. 2024, 116, 101760. [Google Scholar] [CrossRef]
  25. Zhao, W.; Yan, J.; Gao, S.; Lee, T.H.; Li, X. The combustion and emission characteristics of a common-rail diesel engine fueled with diesel and higher alcohols blends with a high blend ratio. Energy 2022, 261, 124972. [Google Scholar] [CrossRef]
  26. Krzemiński, A.; Ustrzycki, A. Visualisation Testing of the Vertex Angle of the Spray Formed by Injected Diesel–Ethanol Fuel Blends. Energies 2024, 17, 3012. [Google Scholar] [CrossRef]
  27. Torres-Jimenez, E.; Svoljšak Jerman, M.; Gregorc, A.; Lisec, I.; Dorado, M.P.; Kegl, B. Physical and chemical properties of ethanol–diesel fuel blends. Fuel 2021, 90, 795–802. [Google Scholar] [CrossRef]
  28. Han, K.; Yang, B.; Zhao, C.; Fu, G.; Ma, X.; Song, G. Experimental study on evaporation characteristics of ethanol–diesel blend fuel droplet. Exp. Therm. Fluid Sci. 2016, 70, 381–388. [Google Scholar] [CrossRef]
  29. Wang, Q.; Wei, F.; Dong, P.; Xiao, G.; Cui, Z.; Tian, J.; Shi, X.; Long, W. Visualization study on combustion characteristics of direct-injected hydrous methanol ignited by diesel in a constant volume combustion chamber. Fuel 2023, 335, 127063. [Google Scholar] [CrossRef]
  30. Wang, B.; Xie, F.; Hong, W.; Du, J.; Chen, H.; Wang, Z.; Liu, Y.; Jiang, B. Study on ignition mode transition of methanol pre-chamber jet ignition system controlled by boundary condition parameters. Fuel 2024, 372, 132238. [Google Scholar] [CrossRef]
  31. Shi, X.; Yu, Y.; He, H.; Shuai, S.; Dong, H.; Li, R. Combination of biodiesel-ethanol-diesel fuel blend and SCR catalyst assembly to reduce emissions from a heavy-duty diesel engine. J. Environ. Sci. 2008, 20, 177–182. [Google Scholar] [CrossRef]
  32. Shi, X.; Pang, X.; Mu, Y.; He, H.; Shuai, S.; Wang, J.; Chen, H.; Li, R. Emission reduction potential of using ethanol–biodiesel–diesel fuel blend on a heavy-duty diesel engine. Atmos. Environ. 2006, 40, 2567–2574. [Google Scholar] [CrossRef]
  33. Liu, H.; Wang, X.; Wu, Y.; Zhang, X.; Jin, C.; Zheng, Z. Effect of diesel/PODE/ethanol blends on combustion and emissions of a heavy duty diesel engine. Fuel 2019, 257, 116064. [Google Scholar] [CrossRef]
  34. Liu, J.; Sun, P.; Zhang, B. Effects of diesel/ethanol dual fuel on emission characteristics in a heavy-duty diesel engine. In IOP Conference Series: Materials Science and Engineering, Proceedings of the 2017 2nd International Seminar on Advances in Materials Science and Engineering, Singapore, 28–30 July 2017; IOP Publishing Ltd.: Bristol, UK, 2017; Volume 231. [Google Scholar] [CrossRef]
  35. Zhou, D.; Qiu, C. Experimental Study on Unregulated Emissions Characteristics of Alcohol-Diesel Dual-Fuel Combustion with Diesel Oxidation Catalyst. J. Energy Eng. 2018, 145, 04018075. [Google Scholar] [CrossRef]
  36. Heywood, J.B. Internal Combustion Engine Fundamentals; McGraw-Hill, Inc.: New York, NY, USA, 1988. [Google Scholar]
  37. Mollenhauer, K.; Tschoeke, H. Handbook of Diesel Engines; Springer: Berlin/Heidelberg, Germany, 2010. [Google Scholar]
  38. Tziourtzioumis, D.N.; Stamatelos, A.M. Experimental Investigation of the Effect of Biodiesel Blends on a DI Diesel Engine’s Injection and Combustion. Energies 2017, 10, 970. [Google Scholar] [CrossRef]
  39. Zhou, N.; Wu, H. Combustion Characteristics Analysis of the Alcohol and Diesel Blends. J. Northeast. Univ. 2018, 39, 97–101. Available online: https://xuebao.neu.edu.cn/natural/EN/10.12068/j.issn.1005-3026.2018.01.020 (accessed on 1 March 2025).
  40. Domínguez, V.M.; Hernández, J.J.; Ramos, Á.; Giménez, B.; Rodríguez-Fernández, J. Exploring the effect of methanol and ethanol on the overall performance and substitution window of a dual-fuel compression-ignition engine fueled with HVO. Fuel 2024, 359, 130529. [Google Scholar] [CrossRef]
  41. Lapuerta, M.; Hernández, J.J.; Fernández-Rodríguez, D.; Cova-Bonillo, A. Autoignition of blends of n-butanol and ethanol with diesel or biodiesel fuels in a constant-volume combustion chamber. Energy 2017, 118, 613–621. [Google Scholar] [CrossRef]
  42. Su, X.; Chen, H.; He, J.; Chen, Z.; Liu, H. Combustion and Emission in a Common Rail Diesel Engine Fueled by Diesel, Palm Oil, Gasoline, and Ethanol Blends under Double-Injection Strategy. J. Energy Eng. 2021, 147, 04021043. [Google Scholar] [CrossRef]
  43. Garg, R.; Mukherjee, N.; Viswanath, C.; Choudhary, V.; Newalkar, B.; Nene, D.; Kusumba, M. Effect of Diesel-Ethanol Blends on the Performance and Emissions of a CI Diesel Engine Suitable for Stationary Application; SAE Technical Paper 2024-26-0078; SAE International: Warrendale, PA, USA, 2024. [Google Scholar] [CrossRef]
  44. Kumar, S.; Cho, J.H.; Park, J.; Moon, I. Advances in diesel–alcohol blends and their effects on the performance and emissions of diesel engines. Renew. Sustain. Energy Rev. 2013, 22, 46–72. [Google Scholar] [CrossRef]
  45. ISO 12185:1996; Crude petroleum and petroleum products—Determination of density—Oscillating U-tube method. International Organization for Standardization: Geneva, Switzerland, 1996.
  46. ASTM D7042-20; Standard Test Method for Dynamic Viscosity and Density of Liquids by Stabinger Viscometer (and the Calculation of Kinematic Viscosity). ASTM International: West Conshohocken, PA, USA, 2020.
  47. ASTM D240-02(2007); Standard Test Method for Heat of Combustion of Liquid Hydrocarbon Fuels by Bomb Calorimeter. ASTM International: West Conshohocken, PA, USA, 2007.
  48. ISO 304:1985; Surface Active Agents—Determination of Surface Tension by Drawing Up Liquid Films. International Organization for Standardization: Geneva, Switzerland, 1985.
  49. ASTM D613-24; Standard Test Method for Cetane Number of Diesel Fuel Oil. ASTM International: West Conshohocken, PA, USA, 2024.
  50. ISO 12156-1:2018; Diesel Fuel—Assessment of Lubricity Using the High-Frequency Reciprocating Rig (HFRR)—Part 1: Test Method. International Organization for Standardization: Geneva, Switzerland, 2018.
  51. EN 16715:2015; Liquid Petroleum Products—Determination of Ignition Delay and Derived Cetane Number (DCN) of Middle Distillate Fuels—Ignition Delay and Combustion Delay Determination Using a Constant Volume Combustion Chamber with Direct Fuel Injection. European Committee for Standardization (CEN): Brussels, Belgium, 2015.
  52. ISO 2719:2016; Petroleum Products and Lubricants—Determination of Flash Point—Pensky-Martens Closed Cup Method. International Organization for Standardization: Geneva, Switzerland, 2016.
  53. EN 116:1997; Diesel and Domestic Heating Fuels—Determination of Cold Filter Plugging Point. European Committee for Standardization (CEN): Brussels, Belgium, 1997.
  54. Lapuerta, M.; Rodríguez-Fernández, J.; Fernández-Rodríguez, D.; Patiño-Camino, R. Cold flow and filterability properties of n-butanol and ethanol blends with diesel and biodiesel fuels. Fuel 2018, 224, 552–559. [Google Scholar] [CrossRef]
  55. Zelenka, P.; Kapus, P.; Mikulic, L.A. Development and Optimization of Methanol Fueled Compression Ignition Engines for Passenger Cars and Light Duty Trucks; SAE Technical Paper 910851; SAE International: Warrendale, PA, USA, 1991. [Google Scholar]
  56. Xiaolu, L.; Xinqi, Q.; Liang, Z.; Junhua, F.; Zhen, H.; Huimin, X. Combustion and emission characteristics of a two-stroke diesel engine operating on alcohol. Renew. Energy 2005, 30, 2075–2084. [Google Scholar] [CrossRef]
  57. Tutak, W.; Grab-Rogaliński, K.; Jamrozik, A. Combustion and Emission Characteristics of a Biodiesel-Hydrogen Dual-Fuel Engine. Appl. Sci. 2020, 10, 1082. [Google Scholar] [CrossRef]
  58. Kong, J.; Liu, H.; Zheng, Z. Chemical Kinetics Study on Combustion of Ethanol/biodiesel/n-heptane. Renew. Energy 2020, 148, 150–167. [Google Scholar] [CrossRef]
  59. Elzahaby, A.M.; Elkelawy, M.; Bastawissi, H.A.; El_Malla, S.M.; Naceb, A.M.M. Kinetic modeling and experimental study on the combustion, performance and emission characteristics of a PCCI engine fueled with ethanol-diesel blends. Egypt. J. Pet. 2018, 27, 927–937. [Google Scholar] [CrossRef]
  60. Labeckas, G.; Slavinskas, S.; Lus, T.; Klyus, O.; Mażejka, M. Combustion and performance parameters of a Diesel engine operating on ethanol-Diesel fuel blends. Sci. J. Univ. Szczec. 2013, 36, 102–109. [Google Scholar]
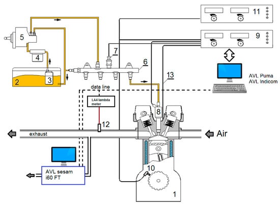
Figure 1. The schematic diagram of the research setup equipped with the AVL 5402 engine: 1—tested engine, 2—fuel tank, 3—fuel pump, 4—fuel filter, 5—high-pressure fuel pump, 6—fuel rail, 7—fuel pressure sensor, 8—fuel injector, 9—signals amplifier, 10—crankshaft angle sensor, 11—crankshaft angle encoder, 12—oxygen sensor, 13—in-cylinder pressure signal wire.
Figure 1. The schematic diagram of the research setup equipped with the AVL 5402 engine: 1—tested engine, 2—fuel tank, 3—fuel pump, 4—fuel filter, 5—high-pressure fuel pump, 6—fuel rail, 7—fuel pressure sensor, 8—fuel injector, 9—signals amplifier, 10—crankshaft angle sensor, 11—crankshaft angle encoder, 12—oxygen sensor, 13—in-cylinder pressure signal wire.
Energies 18 02392 g001
Figure 2. Actual view of the research setup equipped with the AVL engine.
Figure 2. Actual view of the research setup equipped with the AVL engine.
Energies 18 02392 g002
Figure 3. Graphical interpretation of determining the fuel auto-ignition delay angle and the corresponding the rate of heat release (RoHR).
Figure 3. Graphical interpretation of determining the fuel auto-ignition delay angle and the corresponding the rate of heat release (RoHR).
Energies 18 02392 g003
Figure 4. Recorded in-cylinder pressure (pc) and corresponding rate of heat release (RoHR) curves for the AVL research engine operating at: (a) 1200, (b) 1700 and (c) 2200 rpm.
Figure 4. Recorded in-cylinder pressure (pc) and corresponding rate of heat release (RoHR) curves for the AVL research engine operating at: (a) 1200, (b) 1700 and (c) 2200 rpm.
Energies 18 02392 g004
Figure 5. Example waveforms of the injector signal recorded for the AVL engine operated with 15 Nm at 1200 rpm.
Figure 5. Example waveforms of the injector signal recorded for the AVL engine operated with 15 Nm at 1200 rpm.
Energies 18 02392 g005
Figure 6. Curves of the pressure rise rate (dp/dα)max obtained for the AVL research engine at: (a) 1200, (b) 1700 and (c) 2200 rpm.
Figure 6. Curves of the pressure rise rate (dp/dα)max obtained for the AVL research engine at: (a) 1200, (b) 1700 and (c) 2200 rpm.
Energies 18 02392 g006
Figure 7. The influence of the tested fuels on the maximum pressure in the AVL engine cylinder recorded at: (a) 1200, (b) 1700 and (c) 2200 rpm.
Figure 7. The influence of the tested fuels on the maximum pressure in the AVL engine cylinder recorded at: (a) 1200, (b) 1700 and (c) 2200 rpm.
Energies 18 02392 g007
Figure 8. Variations in the peaks of the mean in-cylinder temperature obtained from the AVL engine at (a) 1200, (b) 1700, and (c) 2200 rpm.
Figure 8. Variations in the peaks of the mean in-cylinder temperature obtained from the AVL engine at (a) 1200, (b) 1700, and (c) 2200 rpm.
Energies 18 02392 g008
Figure 9. Variations in NOx emissions obtained from the AVL engine at (a) 1200, (b) 1700, and (c) 2200 rpm.
Figure 9. Variations in NOx emissions obtained from the AVL engine at (a) 1200, (b) 1700, and (c) 2200 rpm.
Energies 18 02392 g009
Figure 10. Variations in ignition delay in the AVL engine powered by the tested fuels at: (a) 1200, (b) 1700 and (c) 2200 rpm.
Figure 10. Variations in ignition delay in the AVL engine powered by the tested fuels at: (a) 1200, (b) 1700 and (c) 2200 rpm.
Energies 18 02392 g010
Table 1. Selected data of the AVL 5402 engine.
Table 1. Selected data of the AVL 5402 engine.
ParameterValue
Engine capacity, cm3511
Cylinder number1
Injection timingECU controlled
Top power without supercharging6 kW
Compression ratio17.5
Fuel injection max. pressure180 MPa
Crankshaft speed at idle run750
Fuel injection systemCommon Rail
Table 2. Selected physicochemical properties of tested fuels.
Table 2. Selected physicochemical properties of tested fuels.
ParameterReferenceETDFDF10DF20
Density @ 15 °C, g/cm3[45]0.7880.8330.8280.824
Viscosity @ 40 °C, mm2/s[46]1.113.453.212.97
LHV, MJ/kg[47]28.443.942.340.7
Surface tension, mN/m[48]22.332.131.329.9
CN[49]-51--
Lubricity *, μm[50]1057370--
DCN **, -[51]8---
FP, °C[52]12602624
CFPP, °C[53]<−500.0--
Latent heat of vaporization, kJ/kg-846250309368
Stoichiometric air/fuel ratio, kg/kg-9.014.713.913.4
* taken from ref. [54]. ** taken from refs. [55,56].
Table 3. Ignition delay expressed in milliseconds for diesel fuels containing 0, 10 and 20% ethanol by vol. at different engine speeds and loads.
Table 3. Ignition delay expressed in milliseconds for diesel fuels containing 0, 10 and 20% ethanol by vol. at different engine speeds and loads.
Fuelrpm5 Nm10 Nm15 Nm20 Nm25 Nm
DF12002.221,941.941.811.81
DF1012002.221.941.941.811.81
DF2012002.222.082.081.941.81
DF17002.291.811.811.671.81
DF1017002.291.811.941.671.81
DF2017002.291.811.941.671.67
DF22002.082.011.941.671.81
DF1022002.082.011.811.811.81
DF2022002.081.941.811.811.81
Disclaimer/Publisher’s Note: The statements, opinions and data contained in all publications are solely those of the individual author(s) and contributor(s) and not of MDPI and/or the editor(s). MDPI and/or the editor(s) disclaim responsibility for any injury to people or property resulting from any ideas, methods, instructions or products referred to in the content.

Share and Cite

MDPI and ACS Style

Górski, K.; Tziourtzioumis, D.; Smigins, R.; Longwic, R. Effects of Ethanol–Diesel Blends on Cylinder Pressure, Ignition Delay, and NOx Emissions in a Diesel Engine. Energies 2025, 18, 2392. https://doi.org/10.3390/en18092392

AMA Style

Górski K, Tziourtzioumis D, Smigins R, Longwic R. Effects of Ethanol–Diesel Blends on Cylinder Pressure, Ignition Delay, and NOx Emissions in a Diesel Engine. Energies. 2025; 18(9):2392. https://doi.org/10.3390/en18092392

Chicago/Turabian Style

Górski, Krzysztof, Dimitrios Tziourtzioumis, Ruslans Smigins, and Rafał Longwic. 2025. "Effects of Ethanol–Diesel Blends on Cylinder Pressure, Ignition Delay, and NOx Emissions in a Diesel Engine" Energies 18, no. 9: 2392. https://doi.org/10.3390/en18092392

APA Style

Górski, K., Tziourtzioumis, D., Smigins, R., & Longwic, R. (2025). Effects of Ethanol–Diesel Blends on Cylinder Pressure, Ignition Delay, and NOx Emissions in a Diesel Engine. Energies, 18(9), 2392. https://doi.org/10.3390/en18092392

Note that from the first issue of 2016, this journal uses article numbers instead of page numbers. See further details here.

Article Metrics

Back to TopTop