Next Article in Journal
Biogenic CO2 Emissions in the EU Biofuel and Bioenergy Sector: Mapping Sources, Regional Trends, and Pathways for Capture and Utilisation
Previous Article in Journal
Priority Load Management for Improving Supply Reliability of Critical Loads in Healthcare Facilities Under Highly Unreliable Grids
Previous Article in Special Issue
DynPy—Python Library for Mechanical and Electrical Engineering: An Assessment with Coupled Electro-Mechanical Direct Current Motor Model
 
 
Font Type:
Arial Georgia Verdana
Font Size:
Aa Aa Aa
Line Spacing:
Column Width:
Background:
Article

Generation Algorithms for Thévenin and Norton Equivalent Circuits

1
Electrical Engineering Faculty, National University of Science and Technology POLITEHNICA Bucuresti, 060042 Bucharest, Romania
2
Electrical Engineering Faculty, University of Craiova, 200585 Craiova, Romania
*
Authors to whom correspondence should be addressed.
Energies 2025, 18(6), 1344; https://doi.org/10.3390/en18061344
Submission received: 5 February 2025 / Revised: 26 February 2025 / Accepted: 4 March 2025 / Published: 10 March 2025

Abstract

The growing complexity of electrical systems requires advanced analysis tools to optimize the design time and resources. While many circuit simulators exist, they often lack the flexibility needed for real-world applications. In this context, our paper develops practical approaches to building Thévenin and Norton equivalent diagrams by means of modern software facilities which overpass the capabilities of common commercial circuit simulators. They use the symbolic computation of two simulation tools developed by our research team. The proposed algorithms are not limited by the operation behavior of the analyzed systems, being usable in both DC and AC circuits, as well as in transients. The developed method facilitates and speeds up the complex analyses required by repeated simulations specific to the modern design process. Three case studies are discussed to prove the efficiency of the developed algorithms. They cover real DC and AC applications, respectively. The results obtained using the Thévenin and Norton equivalent diagrams were validated through analyses of the initial systems.

1. Introduction

The continuous increase in the complexity of electrical systems as a result of the accelerated development of modern technologies requires new techniques, methods and analysis tools to reduce the time and resources required in the design process.
Particularly, the main challenges in today’s electrical system are related to strong nonlinearities, switching operation modes, high-range operation frequencies or mixed digital and analog circuits (as mixed-signal integrated circuits or numerical control of power drives) [1,2,3,4,5,6,7,8,9,10,11,12].
Advanced design tools are therefore needed to achieve the required performance with competitive development and manufacturing costs. Despite many circuit simulators having been developed, most of the commercial software tools have limited capabilities for certain applications which can occur in real practice [2,3,4,5,13,14]. Even when the simulation diagram and the circuit specifications are correct, a carefully chosen circuit simulator may still produce incorrect results. This can happen due to numerical algorithm issues that prevent convergence. Additionally, mathematical modeling errors may arise due to topological inconsistencies [15,16].
Since SPICE-specific techniques are implemented by most circuit simulators, such events can be avoided in certain ways. Adding parasitic elements is sometimes needed, and proper customization of the simulation parameters instead of using the default values may also be necessary (such as the maximum time step for time-domain analyses, the integration method, options for DC analyses such as the maximum number of iterations and the computation tolerance, an initial guess of the node voltages, the step of the power sources when computing the initial operation point in transient analyses, etc.) [5,13,14,17,18,19].
The solutions mentioned above are not always enough. To reduce the simulation time, especially when repeating analyses several times is required (such as in studies of control loops, controller tuning or circuit synthesis, stability analyses or optimization), particular approaches are necessary. They can exploit symbolic or partially symbolic mathematical models [2,5], equivalent diagrams of complex networks, sped-up simulations of stiff systems [4,5], etc.
Certain circuits require multiple types of analyses, e.g., to study the polarization or bias points together with low-signal operation, the transient responses of digital subsystems, the behavior under noise signals or other electromagnetic perturbations and transients caused by faults or normal operation switching [14,19].
The use of Thévenin or Norton equivalent circuits can simplify these analyses, especially in the case of large-scale circuits [20,21,22]. Reducing the number of elements in the system to be analyzed leads to a significant decrease in the calculation time while maintaining and sometimes even increasing the computing accuracy.
The substitution of linear portions of the analyzed nonlinear circuits with Thévenin or Norton equivalent circuits leads, as in the case of hybrid analysis methods, to a more efficient iterative simulation process. Therefore, the number of terms of the mathematical model corresponding to the linear parts of the circuit is drastically reduced, while their values remain constant during the simulation process.
Numerous studies in the field of electrical, electronic and power engineering recommend the use of equivalent circuits in analyses with the aim of studying their operation in different specific regimes, increasing the system performance, improving their response in case of failures, etc. Thus, in [23], a complete electromechanical model of piezoelectric transducers is presented. In this study, the proposed model is analyzed from a circuit and energy harvesting perspective. To show its versatility in all coupling systems, the authors emphasize the importance of reducing it into its Norton and Thévenin equivalents. Equally, ref. [24] emphasizes the advantages of using Thévenin equivalent circuits in large-scale power systems. In this context, the authors of this paper analyze the voltage stability of a wind power system. This approach essentially simplifies the nonlinear power system into the Thévenin equivalent circuit of the critical node. In the same context, other researchers used Thévenin equivalent schemes in [25] to calculate the fault voltage in systems with permanent-magnet-synchronous-generator-based offshore wind turbines connected to the onshore grid. The paper [26] describes a new methodology for adaptive instantaneous overcurrent protection independent of the distribution electrical network configuration and the operating regime of the generators. It is based on real-time estimation of Thévenin equivalent circuits. An online Thévenin equivalent circuit was employed to calculate the varying short-circuit currents regarding any changes in the grid.
In order to analyze the stability of a medium-voltage DC network, the researchers proposed using Norton/Thévenin equivalent systems in [27] for the analysis of a voltage-controlled modular multilevel converter. In [28], the authors demonstrated that the analytical model of a voltage source converter for calculating the non-characteristic third harmonics generated by the converter operated under unbalanced conditions actually represented a Thévenin equivalent circuit which could be used to compute the non-characteristic third harmonics in the system.
The paper [29] presents a control technique based on fuzzy models for handling uncertainties in nonlinear dynamic systems. This approach was applied to the stabilization of a multimachine power system subject to disturbances. For this purpose, the authors of this method propose that the power network be subdivided into sub-systems, with each sub-system corresponding to a generator in series with a Thévenin equivalent circuit. The authors of the paper [30] proposed determining an equivalent AC motor circuit for which to obtain an accurate and stable solution. Using an analytical procedure, the complexity of the calculations could be eliminated by applying a Thévenin approach. As a result, a simpler Thévenin equivalent circuit of the AC motor was obtained.
Last but not least, [31] proposes a compact Thévenin model for a rectenna and its application to designing a high-efficiency radio frequency harvester. Explicit expressions for the Thévenin voltage and resistance were derived that offered insight into the operation of the rectenna.
In this context, this paper focuses on effective approaches to circuit simplification techniques based on Thévenin and Norton equivalent circuits. This allows the large-scale linear and time-invariant one-ports in complex insulated networks to be substituted for simpler topologies, regardless of the operation regimes and the existence of controlled sources or magnetically coupled inductors. This method separates the linear part from the nonlinear or time-varying portions of an analog circuit to take more control over the whole network.
Linear equivalents allow for any kind of circuit analysis to be sped up. Three examples are given to prove this method for both DC and AC behaviors.
As options for commercial SPICE-like simulators, for this research, we used two original circuit analysis programs built in our laboratory to exploit some of their advantages. One is ACAP—Analogue Circuit Analysis Program [2]—which has the remarkable capability to build mathematical models of lumped linear and nonlinear circuits in fully symbolic form. The mathematical model is based on the modified nodal approach, and it uses the concept of resistive equivalent networks related to the backward Euler algorithm for a transient analysis and the Newton–Raphson algorithm to solve the nonlinear algebraic equations at each time step [2,10,15]. The numerical solver returns intermediate results and graphical representations of the solution quantities; it also checks the power conservation theorem to avoid possible errors. Another one, called SCAP—Symbolic Circuit Analysis Program [2]—is even more powerful, offering additional skills, such as Laplace analyses of linear circuits, pole-zero analyses, circuit functions for any pair of input/output one-ports, sensitivity analyses for any output quantity with respect to any circuit parameter and frequency analyses.
The advantages of using our own programs instead of SPICE simulators can be seen from Table 1 below, which summarizes the main characteristics of the programs used in this study.
This paper is structured as follows: Section 2 deals with the theoretical background of Thévenin’s and Norton’s theorems, as well as the details on the generation algorithms for Thévenin and Norton equivalent circuits of linear and time-invariant one-ports. Case studies are discussed in Section 3 to prove the effectiveness of the developed algorithms. This paper ends with final conclusions emphasizing the advantages of the proposed methods and future developments.

2. Study on Thévenin and Norton Equivalent Circuits

Thévenin and Norton equivalent circuits are well-known conventional small-size models of linear and time-invariant insulated one-ports. They are very useful for circuit analyses in replacing a complex one-port with an independent power source and an impedance [1,10,15,32]. In general, both models are used in different circuit analyses and applications, such as in source transformation, DC analyses, and frequency- and time-domain analyses. Certain transformation techniques (in the frequency or phasor range and in the s domain) are allowed for this purpose [1,3,5,33,34,35]. We will limit the discussion on the theoretical background only to DC analyses. Then, the results can be extended either to AC circuits treated in the frequency range or transients treated in the s domain.
Our approach is based on the well-known unique solvability condition related to any linear and time-invariant circuit (particularly a one-port circuit N), which is well defined if it does not contain any circuit element that is coupled, electrically or non-electrically, to a physical variable outside it [4,10,15]. The unique solvability condition comes from linear mathematics, and it refers to the requirement that guarantees that the mathematical model of a physical system has a unique solution [36,37].
Some examples of coupled systems are as follows: controlled sources that depend on a physical quantity external to N, transformer windings magnetically coupled to an external winding and a photoresistor coupled to an external light source [38,39].

2.1. A Thévenin Equivalent Circuit—Fundamentals and the Generation Algorithm

Thévenin’s theorem was first proven by the German scientist Hermann von Helmholtz in 1853 and was rediscovered in 1883 by the French telegraphy engineer Léon Charles Thévenin (1857–1926). Figure 1a represents a linear resistive circuit N with two terminals A and B, with both types of independent and controlled sources inside. Its unique solvability condition leads to the following: By connecting an independent current source j across the terminals A, B of N (instead of the resistance RAB shown in Figure 1), a unique solution is obtained (i.e., a unique value of the voltage across the terminals A, B) for any value of the current j [7,15,32,40].
If the unique solvability condition above is fulfilled by the circuit N in Figure 1a, then it can be replaced by the equivalent one-port Neq (Figure 1b) without this affecting the solution of any external circuit (not necessarily linear or resistive) connected across N. The equivalent one-port is a voltage generator with a unique value of electromotive force UTh = UAB0 and a unique value of internal resistance Req. UTh = UAB0 is the same as the voltage across the one-port N when it is left open-circuited (with an open-circuit voltage across N); Req is called the Thévenin equivalent resistance, and it signifies the input resistance across the one-port N measured when all of the independent sources inside N are set to zero [4,10,15,35].
If a resistor of any resistance RAB is connected across the terminals A, B, then the current IAB is given by the obvious expression (see Figure 1b)
I A B = U T h R e q + R A B .
Equation (1) is called the equivalent voltage generator theorem or Thévenin’s theorem in the literature [10]. Similar expressions can also be written for AC circuits or transients treated in the s domain.
An algorithm for generating a Thévenin equivalent circuit involves the following steps detailed here for resistive networks:
  • Step 1. An arbitrarily chosen ideal independent source of the direct current Jo, oriented from the terminals B to A, is connected in place of the resistor RAB in Figure 1a.
  • Step 2. Using an appropriate circuit simulator, the circuit obtained in step 1 is analyzed, and the quantities which define the operation point are returned. Among these quantities, only the voltage across the current source Jo is of interest, U A B ( S t e p 2 ) . This can be set up by any commercial SPICE-like circuit simulator. We decided to use our simulator ACAP instead (see a brief description in Section 1) for this purpose to obtain the voltage across Jo in fully symbolic form with respect to the circuit parameters and the current Jo. The symbolic form of this voltage is a linear combination of the voltages and currents of all of the independent sources inside N alongside the current Jo [4,10].
  • Step 3. The previous step is repeated for Jo = 0 in order to obtain across the terminals A, B the voltage UTh = UAB0 of the Thévenin equivalent circuit shown in Figure 1b. When the ACAP simulator was used, the Thévenin equivalent voltage was simply obtained by replacing Jo = 0 in the symbolic expression obtained in step 2:
    U T h = U A B ( S t e p 2 ) J o = 0 = U A B ( S t e p 3 ) .
  • Step 4. Based on the numerical results obtained in steps 2 and 3, the Thévenin equivalent resistance is simply computed (see Figure 1b assuming RAB is replaced with Jo):
    R e q = U T h + U A B ( S t e p 2 ) J o ( S t e p 2 ) .
When the ACAP simulator is used, all independent sources inside N are set to zero in the expression of the voltage obtained at step 2, and the value U A B ( S t e p 4 ) is obtained:
U A B ( S t e p 4 ) = U A B ( S t e p 2 ) a l l   V i n s i d e   N = 0 a l l   J i n s i d e   N = 0 .
Then, the Thévenin equivalent resistance is obtained:
R e q = U A B ( S t e p 4 ) J o ( S t e p 2 ) .
All of the parameters of the equivalent Thévenin circuit were therefore generated.
The algorithm above can easily be extended to AC circuits or transients treated in the s domain to find the Thévenin equivalent circuit parameters, as the complex or Laplace transform voltage and the complex or s-domain impedance, respectively. In such cases, the SCAP simulator is appropriate for obtaining symbolic results (see Section 1).

2.2. The Norton Equivalent Circuit—Fundamentals and the Generation Algorithm

Norton’s theorem was first published by the engineer Edward Lawry Norton (1898–1983) in 1926 at Bell Labs. The unique solvability condition for a linear resistive one-port circuit N (Figure 2a) leads to the following: By connecting an independent voltage source v across the terminals A, B of N (instead of the resistance RAB shown in Figure 2), a unique solution is obtained (i.e., a unique value of the current through the one-port) for any value of the voltage v [15].
If the unique solvability condition above is fulfilled by the circuit N in Figure 2a, then it can be replaced by the equivalent one-port Neq (Figure 2b) without affecting the solution of any external circuit (not necessarily linear or resistive) connected across N. This equivalent one-port is a current generator with a unique value of the current source JNo = Isc and a unique value of the internal conductance Geq called the Norton equivalent circuit. Isc is the short-circuit current flowing through the one-port under study when its terminals are connected by an external short circuit; Geq is called the Norton equivalent conductance, and it signifies the conductance measured across the one-port N when all of the independent sources inside N are set to zero [4,10,15,34].
If a resistor with any conductance GAB is connected across the terminals A, B, then the voltage UAB can be calculated with the formula (see Figure 2b)
U A B = J N o G e q + G A B .
Equation (6) is called the equivalent current generator theorem or Norton’s theorem in the literature. Similar expressions can also be written for AC circuits or transients treated in the s domain.
An algorithm for generating a Norton equivalent circuit involves the following steps detailed here for resistive networks:
  • Step 1. An arbitrarily chosen ideal independent source of the DC voltage Eo oriented from B to A is connected in place of the resistor whose conductance is GAB.
  • Step 2. Using an appropriate circuit simulator, the circuit obtained in step 1 is analyzed, and the quantities which define the operation point are returned. Among these quantities, only the current through the voltage source Eo is of interest. This analysis can be made by any commercial SPICE-like circuit simulator. In this paper, we used the ACAP simulator (briefly described in Section 1) to obtain the current I A B ( S t e p 2 ) through the voltage source Eo. This current was obtained in fully symbolic form with respect to the circuit parameters and the voltage Eo. It was a linear combination of the voltages and currents of all of the independent sources inside N alongside the voltage Eo [4,10].
  • Step 3. The previous step is repeated for Eo = 0 in order to obtain the current JNo = Isc of the Norton equivalent circuit shown in Figure 2b. When the ACAP simulator was used, the Norton equivalent current was simply obtained by replacing Eo = 0 in the symbolic expression obtained in step 2:
    J N o = I A B ( S t e p 2 ) E o = 0 = I s c ( S t e p 3 ) .
  • Step 4. Based on the numerical results obtained in steps 2 and 3, the Norton equivalent conductance is simply computed (see Figure 2b assuming GAB is replaced by Eo) as follows:
    G e q = J N o I A B ( S t e p 2 ) E o ( S t e p 2 ) .
When the ACAP simulator is used, all of the independent sources inside N are set to zero in the expression of the current obtained at step 2, and the value I A B ( S t e p 4 ) is obtained:
I A B ( S t e p 4 ) = I A B ( S t e p 2 ) a l l   V i n s i d e   N = 0 a l l   J i n s i d e   N = 0 .
Then, the Norton equivalent conductance is obtained:
G e q = I A B ( S t e p 4 ) E o ( S t e p 2 ) .
All of the parameters of the equivalent Norton circuit were therefore generated.
The algorithm above can easily be extended to AC circuits or transients treated in the s domain to find the Norton equivalent circuit parameters, as the complex or Laplace transform current and the complex or s-domain admittance, respectively. In such cases, the SCAP simulator is appropriate for obtaining symbolic results (see Section 1).

2.3. Discussions on the Thévenin and Norton Equivalent Circuits

Useful interpretations and applications of these theorems should be considered:
1. The main utility of Thévenin’s and Norton’s theorems is that they allow the size of any linear and time-invariant one-port to be reduced.
2. If the terminals of the equivalent Thévenin circuit Neq are short-circuited, for any R e q 0 , the short-circuit current is obtained (see Figure 1b, assuming RAB = 0):
I A B s c = U T h R e q = I s c = J N o .
This is the same as the Norton equivalent current shown in Figure 2b.
3. If R e q 0 and   G e q 0 , the one-port circuit N has a Thévenin equivalent circuit, as well as a Norton equivalent circuit with the equivalence expressions in DC:
Thévenin     parameters : R e q U A B 0 = U T h Norton     parameters : G e q = 1 R e q J N o = I A B s c = U T h R e q ; Norton   parameters : G e q J N o = I A B s c Thévenin   parameters   : R e q = 1 G e q U T h = J N o G e q .
4. The driving-point characteristic of the one-port N for any R e q 0 and   G e q 0 is defined by (see Figure 1b and Figure 2b)
U A B = U T h R e q I A B   or   I AB = J N o G e q U A B .
This characteristic is shown in Figure 3a for G e q > 0 , U T h > 0 , J N o > 0 . Limiting possible cases are illustrated in Figure 3b,c for R e q = 0 and G e q = 0 , respectively [15].
5. The limiting case defined by R e q = 0 shown in Figure 3b corresponds to a Thévenin equivalent circuit with solely an ideal independent voltage source UTh. A corresponding Norton equivalent circuit does not exist in this case because G e q . Indeed, the unique solvability condition fails in this case because the Kirchhoff voltage law is violated when the voltage source Eo is connected to the terminals A, B (Figure 2b), as seen in Section 2.2.
For the other limiting case G e q = 0 shown in Figure 3c, a Thévenin equivalent circuit does not exist, while the Norton equivalent circuit degenerates into an ideal independent current source J N o = I s c .
6. Another limiting case for a one-port N that does not admit a Thévenin or a Norton equivalent circuit is shown in Figure 4a. It contains a short-circuited unity gain current-controlled current source, with the driving-point characteristic given by (Figure 4b)
U A B = 0 ,    I A B = 0 .
It is therefore a point situated at the origin. It should be noted that a “virtual short circuit” like this is useful as a model of the input port of ideal operational amplifiers operating in the linear region. A one-port like that above is called a nullator [15,41].
As follows, it must be emphasized that certain limiting cases are possible in ideal conditions only, not in real practice when it always applies that R e q 0   and   G e q 0 .

3. Case Studies and Analysis

To demonstrate the functionality of the proposed algorithm and its efficiency in dealing with complex or large circuits, we examine three case studies. The first two analyze large-scale DC circuits. The goal is to limit the size of the circuits in order to make them easier to analyze, even if they include nonlinear elements. The third case analyses an AC circuit with multiple magnetic couplings. The goal is to simplify the overall structure of the circuit in order to make it easier to handle in relation to the load.
In these case studies, we used the two original circuit analysis programs built in our laboratory to benefit from some of their advantages, i.e., ACAP—Analogue Circuit Analysis Program—and SCAP—Symbolic Circuit Analysis Program—as specified in Section 1 [2]. ACAP demonstrates a very good capability in constructing fully symbolic mathematical models for lumped linear and nonlinear circuits. The models are based on the modified nodal approach and incorporate the concept of resistive equivalent networks. For a transient analysis, the program utilizes the backward Euler algorithm, while the Newton–Raphson algorithm is employed to solve nonlinear algebraic equations at each time step [2]. SCAP—Symbolic Circuit Analysis Program [2]—is even more powerful, offering additional skills, such as Laplace analyses of linear circuits, pole-zero analyses, circuit functions for any pair of one-ports, sensitivity analyses for any output quantity with respect to any circuit parameter, and frequency analyses.

3.1. Case Study 1—Analysis of a Large-Scale DC Circuit

This case study analyses a nonlinear resistive circuit containing a voltage-controlled nonlinear resistor Rdu12 (Figure 5a). The purpose of this case study is to illustrate that in the analysis of a nonlinear circuit, it is very efficient to replace the linear portion of the circuit with an equivalent Thévenin (or Norton) circuit.
The numerical values of the circuit parameters are given in Figure 5a. Figure 5b describes the substitution of the linear part of the circuit for a Thévenin equivalent circuit. The nonlinear characteristic of the voltage-controlled nonlinear resistor, IRdu12 = f(URdu12), is shown in Figure 5c. The red dots define the nonlinear characteristic as given by the manufacturer, while the solid line is the result of a cubic spline interpolation [5]. The latter usually quite accurately reproduces the real characteristic, being more precise than a piecewise linear approximation. The mathematical expression of the approximated curve provided is compulsory for a numerical circuit analysis.
First, using the ACAP simulator Version 2021, we analyzed the nonlinear resistive circuit from Figure 5a and obtained the numerical solution for the operating point of the nonlinear resistor Rdu12:
URdu12 = −0.50813 V and IRdu12 = −0.010163 A.
We also performed a comparative SPICE analysis, and the same result was obtained.
We intended to confirm this solution using the Thévenin equivalent circuit of the linear part according to the algorithm presented in Section 2.
The nonlinear resistor was therefore substituted with an ideal independent current source Jo (oriented from node 2 to node 1). Its arbitrary chosen value is set to Jo = 1 A. Next, the obtained circuit is simulated using the ACAP in full symbolic form. The numerical solution is also computed; the voltage across the current source Jo is returned: U A B ( S t e p 2 ) = U J o = 4.1111   V .
The simulation is repeated for a current source set to zero (Jo = 0). The new value of the voltage of interest is returned: U A B ( S t e p 3 ) = U T h = 5.5562 10 1   V . The equivalent resistance is therefore given by Equation (3): R e q = 4.6667   Ω .
The parameters corresponding to the Norton equivalent circuit can easily be obtained from Equations (12):
G e q = 1 R e q = 2.1428 10 1   S   and   J N o = U T h R e q = 1.1905 10 1   A .
By analyzing the circuit from Figure 5b with the ACAP, one can obtain the same operation point as that for the preliminary analysis,
UAB = −0.50813 V and IAB = −0.010163 A,
thus validating the proposed algorithm and the equivalent scheme. Moreover, a comparative SPICE analysis led to the same result.
Since the circuit became very simple, we also graphically verified the coordinates of the nonlinear resistor operation point by overlapping the obtained driving-point characteristic of the linear one-port (as described in Section 2.3, point 4 and shown in Figure 3a) with the nonlinear characteristic shown in Figure 5c. A similar result was obtained as detailed in Figure 5d, where the magenta solid line is the driving-point characteristic of the linear one-port, while the blue line is the nonlinear characteristic of the resistor. To gain clarity, Figure 5d is a zoom-in around the operation point.
In conclusion, the nonlinear circuit in Figure 5b is much simpler than the one in Figure 5a, offering a series of advantages, with the most important one being a reduced computational/analysis time.

3.2. Case Study 2—An Analysis of a Large-Scale DC Circuit with Two Nonlinear Elements

This case study comes to strengthen the importance of the above-described algorithm. This time, the related circuit diagram contains two nonlinear resistors (Figure 6a), one of them being voltage-controlled (Rdu12) and the other being current-controlled (Rdi13). The numerical values of the parameters are given directly in the figure. The nonlinear characteristics IRdu12 = f(URdu12) and URdi13 = f(IRdi13) are presented in Figure 6c,d, both with points and cubic spline interpolation.
By simulating the circuit from Figure 6a using ACAP software, the following results are obtained for the operation points of the nonlinear resistors:
URdu12 = −2.308943 V, IRdu12 = −0.769648 A;
URdi13 = −5.00271 V, IRdi13 = −0.769648 A.
In short, after the Thévenin equivalent diagrams shown in Figure 6b were built using the algorithm above, the simulation of the simplified diagram (Figure 6b) returned the results
URdu12 = −2.309092 V, IRdu12 = −0.769697 A;
URdi13 = −5.003032 V, IRdi13 = −0.769697 A.
Therefore, the deviations from the previous values are negligible (about 6 10 3 % ) and can be explained by the rounding errors specific to the numerical computation.
Since SPICE does not allow for direct analyses of the nonlinear resistive circuits with current-controlled nonlinear resistors, adequate sub-circuits must be developed. For this reason, comparative SPICE simulations were not performed.

3.3. Case Study 3—The Analysis of an AC Circuit with Multiple Magnetic Couplings

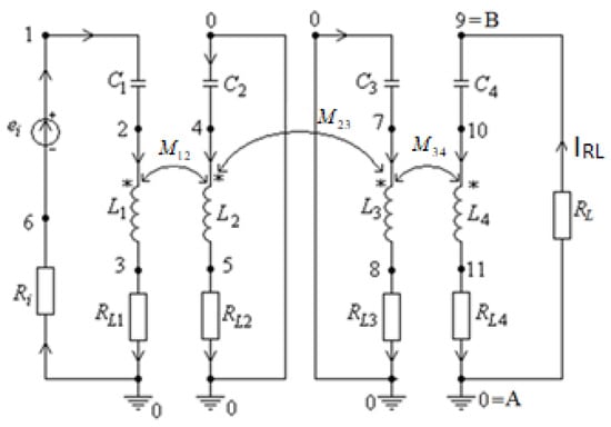
The generation algorithms for Thévenin or Norton equivalent circuits can be successfully used for impedance matching problems and especially for applications which require matching for magnetically coupled coil systems (used to optimize wireless power transfer systems).
This case study analyses a system consisting of four coils with three magnetic couplings. Such a system presents practical importance because it is used in wireless power transfer systems. The system is powered by an AC independent voltage source ei (Figure 7).
The results obtained in this case can confirm that the equivalent Thévenin and Norton circuits are particularly useful in the efficient analysis of complex AC circuits.
First, the numerical parameters of the circuit from Figure 7 were previously generated using Ansys Q3D Extractor starting from an experimental setup of a wireless power transfer system [42]:
  • Capacitances: C1 = 0.15784 × 10−6 F; C2 = 0.315685 × 10−6 F; C3 = C1; C4 = C2;
  • Inductances: L1 = 62.76 × 10−6 H; L2 = 32.6 × 10−6 H; L3 = L1; L4 = L2;
  • Resistances: Ri = 1.5 Ω; RL1 = 0.0925 Ω; RL3 = RL1; RL2 = 0.0545 Ω; RL4 = RL2; RL = 11.654 Ω;
  • Magnetically coupling factors: k12 = 0.65; k34 = k12; k23 = 0.038825;
  • Mutual inductances: M12 = k12*sqrt(L1*L2); M23 = k23*sqrt(L2*L3); M34 = k34*sqrt(L3*L4);
  • Natural frequencies of resonant circuits: f01 = 1.0/(6.28*sqrt(L1*C1));
  • f02 = 1.0/(6.28*sqrt(L2*C2)); f03 = 1.0/(6.28*sqrt(L3*C3)); f04 = 1.0/(6.28*sqrt(L4*C4)).
By following the algorithm detailed in Section 2, by means of our SCAP simulator Version 2023, the parameters of the Thévenin equivalent circuit with respect to the load terminals A, B were obtained as frequency characteristics. We only show here the numerical forms of the voltages UTh and Zeq in the complex domain with respect to the frequency f:
U A B 0 _ 3 m c _ s s _ T h : = 0.16112303 10 27 f 6 / ( 1.0 0.35681767 10 28 f 6 + 0.40265766 10 18 f 4 + 0.27481306 10 24 I f 5 0.14148643 10 14 I f 3 0.11875554 10 8 f 2 + 0.17782776 10 5 I f ) , Z A B 0 _ 3 m c _ s s _ T h : = 504413.17    I ( 1.0 0.14576385    10 27 f 6 + 0.81781383    10 18 f 4 + 0.77958335    10 24 I f 5 0.22649313    10 14 I f 3 0.15936211    10 8 f 2 + 0.18863240    10 5 I f 0.69644364    10 34 I f 7 + 0.83475075    10 38 f 8 ) / ( ( 1.0 0.35681767    10 28 f 6 + 0.40265766    10 18 f 4 + 0.27481306    10 24 I f 5 0.14148643    10 14 I f 3 0.11875554    10 8 f 2 + 0.17782776    10 5 I f ) f )
where the notations correspond to the experimental system with four coils in series connection (ss) and three magnetic couplings (3mc). UAB0_3mc_ss_Th denotes the complex form of the Thévenin voltage; ZAB0_3mc_ss_Th denotes the Thévenin impedance. The notation I was used for the imaginary unit, with this being the displaying mode specific to SCAP. The SCAP software developed by our research team can analyze electric circuits of the following structures: full symbolic, partial symbolic and full numerical. By keeping certain parameters as symbols and then directly modifying their numerical values, one can ultimately obtain the desired results. SCAP software keeps as symbols in AC the variables or jf. The polynomial expressions above with respect to the frequency are returned directly by the SCAP software. Therefore, it can be seen that terms containing odd powers of the frequency f are accompanied by the imaginary unit Ij (because j f 2 n + 1 = ± j f 2 n + 1 , for any natural number n), while the terms with even powers of f are not accompanied by it (because j f 2 n = ± f 2 n ).
The currents through the load were also computed for the whole diagram (Figure 7) and for the Thévenin equivalent diagram, respectively:
I R L _ 3 m c _ s s _ i n : = 0.31942670 10 33 I f 7 / ( 1.0 0.89403854 10 33 I f 7 0.29702302 10 13 I f 3 + 0.10082617 10 22 I f 5 + 0.000024990400   I f + 0.83475092 10 38 f 8 + 0.85050296 10 18 f 4 0.15211315 10 27 f 6 0.16347066 10 8 f 2 ) , I R L _ 3 m c _ s s _ T h : = 0.64449212 10 10 f 7 / ( 0.20176527 10 53 I 0.30691151 10 25 I f 6 + 0.17160196 10 35 I f 4 0.20343218 10 30 f 5 + 0.599289271 10 39 f 3 0.32982701 10 44 I f 2 0.50421947 10 48 f + 0.18038594 10 20 f 7 + 0.16842371 10 1.5 I f 8 )
where IRL_3mc_ss_in denotes the current through the load for the initial circuit and IRL_3mc_ss_Th denotes the current through the load for the Thévenin equivalent circuit. These expressions do not allow for a direct comparison, but the results are compared through graphical representation of the absolute values (RMS), as shown in Figure 8a.
We also verified the load current obtained by means of the Norton equivalent circuit, with similar results, as expected.
As for a wireless power transfer system, the power transferred to the load was of main interest, and the powers transferred to the load were computed for the whole diagram (Figure 7) and for the Thévenin equivalent diagram, respectively:
P R L _ 3 m c _ s s _ i n = R L a b s I R L _ 3 m c _ s s _ i n 2   and   P R L _ 3 m c _ s s _ T h = R L a b s I R L _ 3 m c _ s s _ T h 2 .
For a suggestive comparison, the powers obtained are represented in Figure 8b with respect to the frequency.
The results shown in Figure 8 prove the efficiency of the equivalent diagrams for studying the performance of AC circuits and wireless power transfer systems particularly more easily. The use of the equivalent diagrams allows us to obtain the maximum power transmitted to the load and the corresponding operation frequencies more rapidly and with the same accuracy. The gain in the computation time is a crucial advantage when repeated analyses are required during the design process of these systems.
The results of a comparative SPICE simulation of the whole circuit (Figure 7) confirm the results obtained above. The input data (netlist) in the SPICE AC simulation are shown in Figure 9a, while the frequency characteristic of the load current is shown in Figure 9b. Its shape can easily be compared with that obtained for SCAP (as seen in Figure 8a). The coordinates of remarkable points A, B, and C were displayed with reasonable approximation by moving the cursor of the plot pane over these points (Figure 9c). The deviations compared to the coordinates obtained by SCAP were below 1%.

4. Conclusions

The use of Thévenin and Norton equivalent diagrams in the process of the analysis of large-scale electric circuits with a small number of nonlinear elements leads to a reduction in the computation time and an increase in the accuracy of the results. Although the theoretical background of Thévenin’s and Norton’s theorems is well known, there are still aspects related to modern computation and computer-aided design tools in relation to which their advantages are not valued enough.
Especially for complex electrical systems containing analog circuits where the analysis requires large computing resources, these techniques allow for the replacement of significant portions of the initial system with simpler linear one-ports with only two circuit elements without affecting the solution of the rest of the circuit.
The main objective of this paper was to develop practical approaches to building Thévenin and Norton equivalent diagrams by means of modern software facilities which overpass the capabilities of common commercial circuit simulators. As an option, our approach uses symbolic computation by means of two simulation tools developed by our research team—ACAP and SCAP. The proposed algorithms are not limited by the operation behavior of the analyzed systems and can be used for both DC and AC circuits, as well as in transients.
This method facilitates and speeds up the complex analyses required by repeated simulations specific to the modern design process (e.g., for optimization processes, tolerance analyses, control loop tuning, fault analyses, etc.).
Three case studies were discussed to prove the efficiency of the developed algorithms. They corresponded to real DC and AC applications, respectively. The particularities of the given examples are the presence of controlled sources and nonlinear elements in the DC system and multiple magnetically couplings in the AC system. The results obtained after the replacement of complex linear one-ports with Thévenin and Norton equivalent diagrams built using the new proposed algorithms were similar to the results given by the analyses of the initial systems.
The examples presented in this paper lead to the conclusion that the substitution of the linear parts of the analyzed nonlinear circuits with equivalent Thévenin or Norton equivalent circuits optimizes the computation procedures for the respective circuits. For each computation iteration for the analyzed circuit, the linear parts of the circuit, modeled using equivalent Thévenin or Norton circuits, participate as simple linear elements characterized by an active branch. Furthermore, these linear parts are characterized by fixed (constant) parameters corresponding to the equivalent Thévenin or Norton circuit. The simulation method for nonlinear analog circuits (when the number of the nonlinear elements is reduced) becomes extremely efficient when the nonlinearities are strong.
The developed algorithms are suitable for implementation as an additional software package to our symbolic simulators. The computer-aided facilities developed by our research team could therefore be extended for a better response to the modern challenges in electrical engineering.

Author Contributions

Conceptualization: M.I., L.M. and I.-G.S. Data curation: M.G. and L.B. Formal analysis: M.G., I.-G.S., L.M., M.S. and M.I. Funding acquisition: I.-G.S. and L.M. Investigation: L.M., M.S. and I.-G.S. Methodology: L.M., M.I., I.-G.S. and M.S. Project administration: L.M. and M.I. Resources: M.G., L.B. and D.N. Software: M.I. and M.S. Supervision: L.M. and M.I. Validation: L.M., M.S., M.I. and D.N. Visualization: L.B. and D.N. Writing—original draft: I.-G.S. and M.I. Writing—review and editing: L.M. and M.S. All authors have read and agreed to the published version of the manuscript.

Funding

This research received no external funding.

Data Availability Statement

The original contributions presented in the study are included in the article, further inquiries can be directed to the corresponding author.

Conflicts of Interest

The authors declare no conflicts of interest.

References

  1. Tlelo-Cuautle, E. (Ed.) Advances in Analog Circuits; InTech: Rijeka, Croatia, 2011. [Google Scholar]
  2. Iordache, M. Symbolic, Numerical-Symbolic and Numerical Simulation of Analog Circuits: Program Usage Guides; MATRIX ROM Publishing House: Bucharest, Romania, 2015. [Google Scholar]
  3. Pillage, T.L.; Rohrer, R.A.; Visweswariah, C. Methods for Simulating Electronic Circuits and Systems; McGraw-Hill: New York, NY, USA, 1995. [Google Scholar]
  4. Iordache, M.; Dumitriu, L. Modern Theory of Electrical Circuits—Theoretical Foundation, Applications, Algorithms and Calculation Programs; All Educational S.A. Publishing House: Bucharest, Romania, 2000; Volume 2. [Google Scholar]
  5. Iordache, M.; Mandache, L. Computer Aided Analysis of Nonlinear Analog Circuits; POLITEHNICA Press Publishing House: Bucharest, Romania, 2004. [Google Scholar]
  6. Sedra, A.S.; Smith, K.C. Microelectronic Circuit, 6th ed.; Oxford University Press: Oxford, UK, 2010. [Google Scholar]
  7. Jaeger, R.C.; Blalock, T.N. Microelectronic Circuit Design, 4th ed.; Mc Graw-Hill Higher Education: New York, NY, USA, 2010. [Google Scholar]
  8. Asanache, R. Contributions on the Use of S-Parameters and the Smith Diagram in the Qualitative Analysis of Analog Circuits. Ph.D. Thesis, Polytechnic University of Bucharest, Bucharest, Romania, 2021. [Google Scholar]
  9. Alexandru, M.; Czumbil, L.; Andolfato, R.; Nouri, H.; Micu, D.D. Investigating the Effect of Several Model Configurations on the Transient Response of Gas-Insulated Substation during Fault Events Using an Electromagnetic Field Theory Approach. Energies 2020, 13, 6231. [Google Scholar] [CrossRef]
  10. Nilsson, J.; Riedel, S. Electric Circuits; Prentice Hall: New York, NY, USA, 2011. [Google Scholar]
  11. Breschi, M.; Macchiagodena, A.; Ribani, P.L.; Musso, A.; Angeli, G.; Bocchi, M. Improvement of the Circuit Analyzer Problem Solver CALYPSO. IEEE Trans. Appl. Supercond. 2025; accepted. [Google Scholar] [CrossRef]
  12. Kafetzis, I.; Volos, C.; Nistazakis, H.; Stouboulos, I. Computer Aided Design of Nonlinear Systems’ Emulators with Analog Circuit. In Proceedings of the 2024 Panhellenic Conference on Electronics & Telecommunications (PACET), Thessaloniki, Greece, 28–29 March 2024; pp. 1–5. [Google Scholar] [CrossRef]
  13. Smith, M. WinSpice3 User’s Manual, v1.05.08. 2006. Available online: https://woody.us.es/ASIGN/TCEF_1T/Prob/WSpiceman.pdf (accessed on 8 January 2025).
  14. Brocard, G. The LTSpice IV Simulator: Manual, Methods and Applications; Würth Elektronik: Waldenburg, Germany, 2013. [Google Scholar]
  15. Chua, L.O.; Desoer, C.A.; Kuh, E.S. Linear and Nonlinear Circuits; McGraw-Hill Book Company: New York, NY, USA, 1987. [Google Scholar]
  16. Fakhfakh, M.; Pierzchala, M. (Eds.) Pathological Elements in Analog Circuit Design; Lecture Notes in Electrical Engineering series; Springer: New York, NY, USA, 2018; Volume 479. [Google Scholar] [CrossRef]
  17. Goldgeisser, L.B.; Green, M.M. A Method for Automatic Finding of Multiple Operating Points in Nonlinear Circuits. IEEE Trans. Circuits Syst. I 2005, 52, 776–784. [Google Scholar] [CrossRef]
  18. Melville, R.C.; Trajkovic, L.; Fang, S.C.; Watson, L.T. Homotopy Methods of Artificial Parameters for the DC OP Problem. IEEE Trans. Comput.-Aided Des. 1992, 12, 861–877. [Google Scholar] [CrossRef]
  19. Vladimirescu, A. The SPICE Book; John Wiley and Sons: New York, NY, USA, 1994. [Google Scholar]
  20. Sekine, T. Multi-port Thévenin’s Theorem: A New Matrix Formulation and Efficient Calculation Method of Equivalent Circuit Constants. In Proceedings of the 2024 International Symposium on Electromagnetic Compatibility—EMC Europe, Brugge, Belgium, 2–5 September 2024; pp. 717–720. [Google Scholar] [CrossRef]
  21. Fan, Y.; Hu, Y.; Li, J. Thevenin Theorem and Norton’s Theorem. In Proceedings of the 2022 IEEE 2nd International Conference on Electronic Technology, Communication and Information (ICETCI), Changchun, China, 27–29 May 2022; pp. 142–144. [Google Scholar] [CrossRef]
  22. Sundaramoorthy, S.; Essaki raj, R. Derivation of Thevenin’s and Norton’s Theorems Using Two-Port Network Analysis. In Proceedings of the 2020 Third International Conference on Smart Systems and Inventive Technology (ICSSIT), Tirunelveli, India, 20–22 August 2020; pp. 471–477. [Google Scholar] [CrossRef]
  23. Isaf, M.L.; Rincón-Mora, G.A. Piezoelectric Transducers: Complete Electromechanical Model with Parameter Extraction. Sensors 2024, 24, 4367. [Google Scholar] [CrossRef] [PubMed]
  24. Zhou, X.; Liu, Y.; Chang, P.; Xue, F.; Zhang, T. Voltage Stability Analysis of a Power System with Wind Power Based on the Thevenin Equivalent Analytical Method. Electronics 2022, 11, 1758. [Google Scholar] [CrossRef]
  25. Yang, Z.; Gao, B.; Cao, Z.; Fang, J. Grid-Impedance-Based Transient Current Control for Offshore Wind Turbines under Low-Voltage Fault. J. Mar. Sci. Eng. 2024, 12, 691. [Google Scholar] [CrossRef]
  26. Jimenez, S.; Vázquez, E.; Gonzalez-Longatt, F. Methodology of Adaptive Instantaneous Overcurrent Protection Setting. Electronics 2021, 10, 2754. [Google Scholar] [CrossRef]
  27. Yang, J.; Wang, J.; Jin, X.; Li, S.; Xiao, X.; Wu, Z. Admittance Criterion of Medium-Voltage DC Distribution Power System and Corresponding Small Signal Stability Analysis. World Electr. Veh. J. 2023, 14, 235. [Google Scholar] [CrossRef]
  28. Zhang, M.; Zhi, H.; Zhang, S.; Fan, R.; Li, R.; Wang, J. Modeling of Non-Characteristic Third Harmonics Produced by Voltage Source Converter under Unbalanced Condition. Sustainability 2022, 14, 6449. [Google Scholar] [CrossRef]
  29. Guesmi, T.; Alshammari, B.M.; Welhazi, Y.; Hadj Abdallah, H.; Toumi, A. Robust Fuzzy Control for Uncertain Nonlinear Power Systems. Mathematics 2022, 10, 1463. [Google Scholar] [CrossRef]
  30. Averbukh, M.; Lockshin, E. Estimation of the Equivalent Circuit Parameters of Induction Motors by Laboratory Test. Machines 2021, 9, 340. [Google Scholar] [CrossRef]
  31. Gasulla, M.; Ripoll-Vercellone, E.; Reverter, F. A Compact Thévenin Model for a Rectenna and Its Application to an RF Harvester with MPPT. Sensors 2019, 19, 1641. [Google Scholar] [CrossRef] [PubMed]
  32. Hashemian, R. Designing Analog Circuits with Reduced Biasing Power. In Proceedings of the 13th IEEE International Conf. on Electronics, Circuits and Sys., Nice, France, 10–13 December 2006; pp. 1069–1072. [Google Scholar] [CrossRef]
  33. Inoue, Y. DC Analysis of Nonlinear Circuits Using Solution Tracing Circuits. Trans. IEICE A 1991, J74 A, 1647–1655. [Google Scholar] [CrossRef]
  34. Riaza, R. A Comprehensive Framework for the Thévenin–Norton Theorem Using Homogeneous Circuit Models. IEEE Trans. Circuits Syst.—I Regul. Pap. 2023, 70, 1671–1684. [Google Scholar] [CrossRef]
  35. Sona, A. Augmented Thevenin Model for the Harmonic Analysis of Switching Circuits. IEEE Trans. Electromagn. Compat. 2020, 62, 1342–1348. [Google Scholar] [CrossRef]
  36. Kreyszig, E. Advanced Engineering Mathematics, 10th ed.; Wiley: Hoboken, NJ, USA, 2011. [Google Scholar]
  37. Strang, G. Linear Algebra and Its Applications, 3rd ed.; Thomson Learning: Chicago, IL, USA, 1988. [Google Scholar]
  38. Bucata, V.; Iordache, M.; Vlad, I.; Orosanu, A.; Popescu, H.S.; Staniloiu, M.F. Thevenin Equivalent Circuits for Magnetic Coupling Resonators (Series-Series, Series-Parallel) in Wireless Power Transfer Systems. In Proceedings of the 2021 International Conference on Applied and Theoretical Electricity, Craiova, Romania, 27–29 May 2021; pp. 1–6. [Google Scholar] [CrossRef]
  39. Bucata, V.; Iordache, M.; Vlad, I.; Oroșanu, A.; Popescu, H.S.; Staniloiu, M.F. Wireless Power Transfer Systems: Thévenin Equivalent Circuits for Parallel-Series and Parallel-Parallel Magnetic Resonator Configurations. In Proceedings of the 2021 International Conference on Applied and Theoretical Electricity, Craiova, Romania, 27–29 May 2021; pp. 1–6. [Google Scholar] [CrossRef]
  40. Jacob Baker, R. CMOS Circuit Design, Layout, and Simulation, 2nd ed.; IEEE Press—Wiley Interscience: Bordeaux, France, 2008; pp. 613–822. [Google Scholar]
  41. Grib, A.R. Contributions Regarding the Analysis of Electrical Circuits with Nulors. Ph.D. Thesis, Polytechnic University of Bucharest, Bucharest, Romania, 2022. [Google Scholar]
  42. Bobaru, L.M.; Stănculescu, M.; Niculae, D.; Iordache, M. On Magnetically Coupled Coils Parameter Calculation. Sci. Bull. Electr. Eng. Fac. 2020, 20, 9–13. [Google Scholar] [CrossRef]
Figure 1. (a) A linear resistive one-port with a load; (b) the Thévenin equivalent circuit.
Figure 1. (a) A linear resistive one-port with a load; (b) the Thévenin equivalent circuit.
Energies 18 01344 g001
Figure 2. (a) A one-port linear resistive circuit with a load; (b) Norton equivalent circuit.
Figure 2. (a) A one-port linear resistive circuit with a load; (b) Norton equivalent circuit.
Energies 18 01344 g002
Figure 3. (a) The driving-point characteristic of the one-port N with UTh > 0 and Geq > 0; (b) the particular driving-point characteristic for UAB = UTh and Req = 0; (c) the particular driving-point characteristic for IAB = JNo and Geq = 0.
Figure 3. (a) The driving-point characteristic of the one-port N with UTh > 0 and Geq > 0; (b) the particular driving-point characteristic for UAB = UTh and Req = 0; (c) the particular driving-point characteristic for IAB = JNo and Geq = 0.
Energies 18 01344 g003
Figure 4. (a) A one-port model that does not admit a Thévenin or a Norton equivalent circuit; (b) Its driving-point characteristic as a point at the origin.
Figure 4. (a) A one-port model that does not admit a Thévenin or a Norton equivalent circuit; (b) Its driving-point characteristic as a point at the origin.
Energies 18 01344 g004
Figure 5. (a) The nonlinear resistive circuit; (b) the Thévenin equivalent circuit used to replace the circuit’s linear part; (c) The nonlinear characteristic of the resistor Rdu12; (d) The operation point of the nonlinear resistor determined using a graphical representation.
Figure 5. (a) The nonlinear resistive circuit; (b) the Thévenin equivalent circuit used to replace the circuit’s linear part; (c) The nonlinear characteristic of the resistor Rdu12; (d) The operation point of the nonlinear resistor determined using a graphical representation.
Energies 18 01344 g005
Figure 6. (a) Initial diagram of a nonlinear resistive circuit with two nonlinear elements. (b) The substitution of the linear parts for Thévenin equivalent circuits. (c) Characteristic IRdu12 = f(URdu12); (d) characteristic URdi13 = f(IRdi13).
Figure 6. (a) Initial diagram of a nonlinear resistive circuit with two nonlinear elements. (b) The substitution of the linear parts for Thévenin equivalent circuits. (c) Characteristic IRdu12 = f(URdu12); (d) characteristic URdi13 = f(IRdi13).
Energies 18 01344 g006
Figure 7. AC circuit with magnetically coupled coils.
Figure 7. AC circuit with magnetically coupled coils.
Energies 18 01344 g007
Figure 8. Results obtained for the AC circuit with multiple magnetic couplings: (a) frequency characteristics of the RMS of the load current obtained for the initial circuit abs(IRL_3mc_ss_in) (red line) and for the Thévenin equivalent circuit abs(IRL_3mc_ss_Th) (blue dot line); (b) frequency characteristics of powers transferred to the load for the initial circuit PRL_3mc_ss_in (red line) and for the Thévenin equivalent circuit PRL_3mc_ss_Th (blue dot line).
Figure 8. Results obtained for the AC circuit with multiple magnetic couplings: (a) frequency characteristics of the RMS of the load current obtained for the initial circuit abs(IRL_3mc_ss_in) (red line) and for the Thévenin equivalent circuit abs(IRL_3mc_ss_Th) (blue dot line); (b) frequency characteristics of powers transferred to the load for the initial circuit PRL_3mc_ss_in (red line) and for the Thévenin equivalent circuit PRL_3mc_ss_Th (blue dot line).
Energies 18 01344 g008
Figure 9. Results obtained for the whole circuit shown in Figure 8a using LTspice Version 24.1.4: (a) SPICE netlist; (b) frequency characteristic of the RMS load current obtained; (c) the coordinates of the points A, B, and C shown in Figure 9b, displayed by moving the cursor over these points.
Figure 9. Results obtained for the whole circuit shown in Figure 8a using LTspice Version 24.1.4: (a) SPICE netlist; (b) frequency characteristic of the RMS load current obtained; (c) the coordinates of the points A, B, and C shown in Figure 9b, displayed by moving the cursor over these points.
Energies 18 01344 g009
Table 1. Characteristics of the circuit analysis programs.
Table 1. Characteristics of the circuit analysis programs.
Characteristics ACAPSCAPSPICE
Circuit structureSmall- and large-scale circuits
Linear and nonlinear elements
Operating modesDC circuits
AC circuits-
Transients-
-   Time-domain analyses--
-   Laplace analyses--
Methods and techniquesModified nodal approach
Numerical analysis
Symbolic computation-
Validation through the power conservation theorem--
Provided resultsGraphical representations
Circuit functions--
Frequency analyses-
-   Symbolic--
-   Numerical-
Sensitivity analyses--
Disclaimer/Publisher’s Note: The statements, opinions and data contained in all publications are solely those of the individual author(s) and contributor(s) and not of MDPI and/or the editor(s). MDPI and/or the editor(s) disclaim responsibility for any injury to people or property resulting from any ideas, methods, instructions or products referred to in the content.

Share and Cite

MDPI and ACS Style

Grib, M.; Sirbu, I.-G.; Mandache, L.; Stanculescu, M.; Iordache, M.; Bobaru, L.; Niculae, D. Generation Algorithms for Thévenin and Norton Equivalent Circuits. Energies 2025, 18, 1344. https://doi.org/10.3390/en18061344

AMA Style

Grib M, Sirbu I-G, Mandache L, Stanculescu M, Iordache M, Bobaru L, Niculae D. Generation Algorithms for Thévenin and Norton Equivalent Circuits. Energies. 2025; 18(6):1344. https://doi.org/10.3390/en18061344

Chicago/Turabian Style

Grib, Mihaela, Ioana-Gabriela Sirbu, Lucian Mandache, Marilena Stanculescu, Mihai Iordache, Lavinia Bobaru, and Dragos Niculae. 2025. "Generation Algorithms for Thévenin and Norton Equivalent Circuits" Energies 18, no. 6: 1344. https://doi.org/10.3390/en18061344

APA Style

Grib, M., Sirbu, I.-G., Mandache, L., Stanculescu, M., Iordache, M., Bobaru, L., & Niculae, D. (2025). Generation Algorithms for Thévenin and Norton Equivalent Circuits. Energies, 18(6), 1344. https://doi.org/10.3390/en18061344

Note that from the first issue of 2016, this journal uses article numbers instead of page numbers. See further details here.

Article Metrics

Back to TopTop