Sub-Synchronous Oscillation Analysis and Suppression in Hybrid Wind Farm
Abstract
1. Introduction
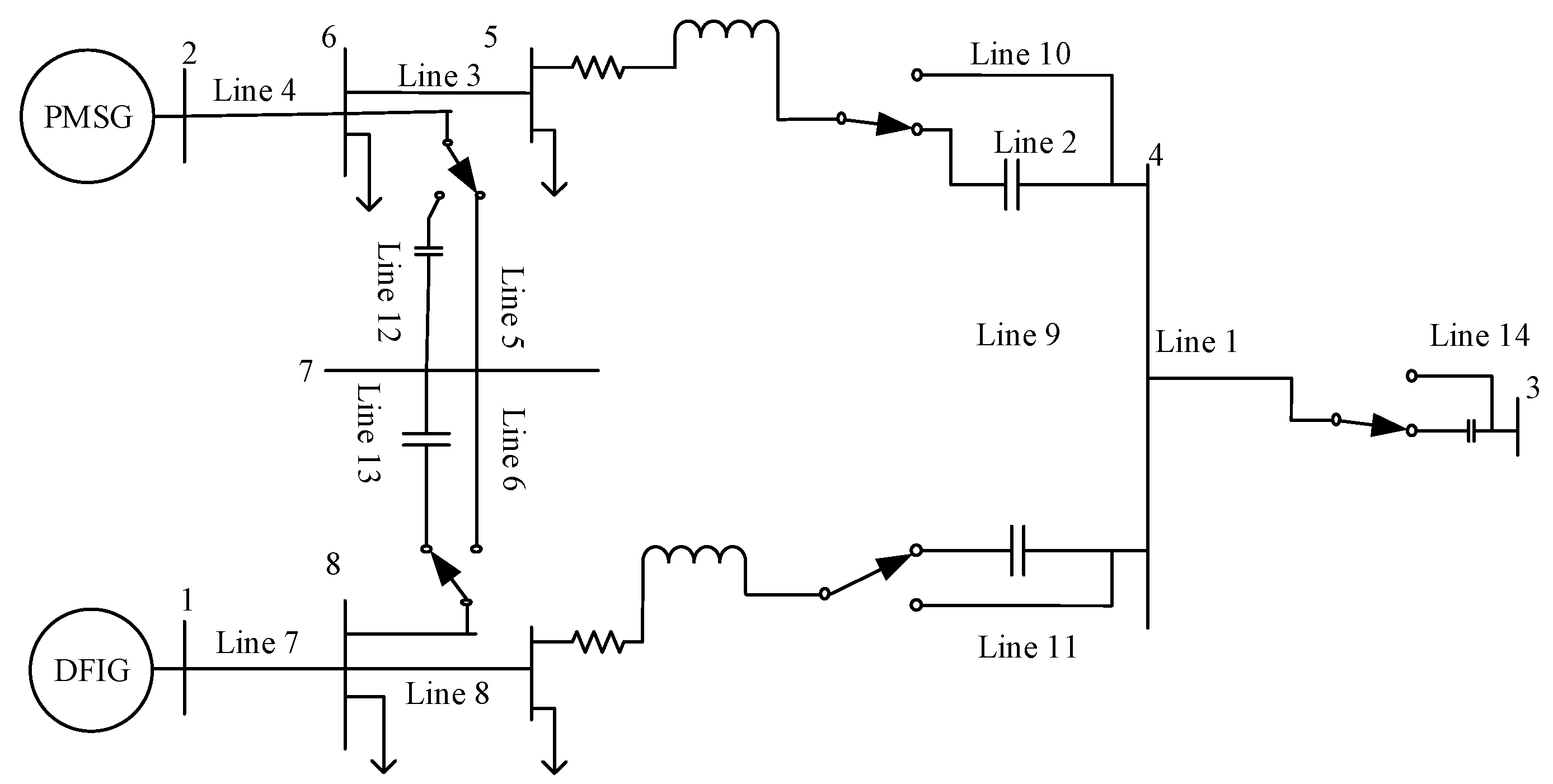
2. Modeling of Hybrid Wind Farm
3. Analysis of SSO Mechanism of Hybrid Wind Farm
3.1. SSO Modal Analysis of Hybrid Wind Farm
3.2. Effect of Series-Compensated Grid Connection Line on SSO Characteristics
3.3. Effect of HWF Parameters on SSO Characteristics
3.4. The Effect of Different Power Outputs of DFIGs and PMSGs on SSO Characteristics
4. Robust SSO Suppression Controller of Hybrid Wind Farm
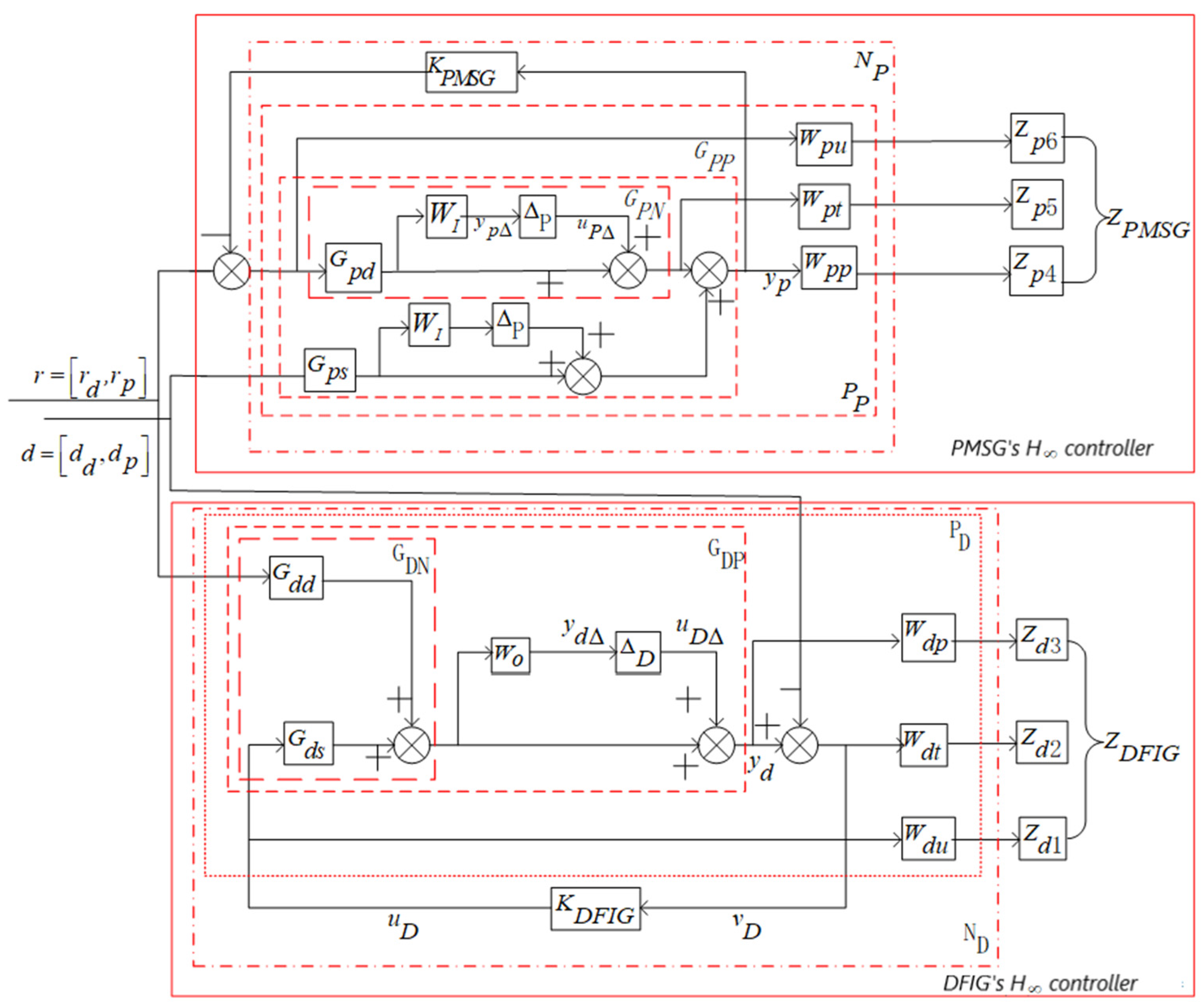
4.1. Design of Robust SSO Suppression Controller
4.2. Robustness of the SSO Suppression Controller
5. Case Study
5.1. Performance of HWF Under Grid Voltage Fault
5.2. Performance of HWF with Different Grid Series Compensation
5.3. Performance of HWF with Different Voltage Control Parameter
6. Conclusions
Author Contributions
Funding
Data Availability Statement
Conflicts of Interest
Appendix A
References
- Zhu, R.; Wang, Y.; Xiang, Y.; Sun, C.; Chang, R.; Hu, G.; Gao, Z. Study on climate characteristics and development potential of wind energy resources in China. Acta Energy Solaris Sin. 2021, 42, 409–418. [Google Scholar]
- Tang, S.; Li, T.; Guo, Y.; Zhu, R.; Qu, H. Correction of various environmental influences on Doppler wind lidar based on multiple linear regression model. Renew. Energy 2022, 184, 933–947. [Google Scholar] [CrossRef]
- Sun, X. Research on the Propagation Mechanism and Distribution Characteristics of Subsynchronous Oscillation in Large-Scale Wind Power Grid-Connected System. Ph.D. Thesis, Lanzhou University of Technology, Lanzhou, China, 2023. [Google Scholar]
- ALJowde, F. Damping of SSR Oscillations of Series Compensated Power System Connected To TwoStage PV Controlled PV Power Plant. IEEE Trans. Ind. Appl. 2024, 60, 7623–7633. [Google Scholar] [CrossRef]
- Yuan, L.; Meng, K.; Huang, J.; Dong, Z.Y. Investigating subsynchronous oscillations caused by interactions between PMSG-based wind farms and weak AC systems. Int. J. Electr. Power Energy Syst. 2020, 115, 105477. [Google Scholar] [CrossRef]
- Jiang, H.; Du, Z.; Yuan, X.; Han, J. Sub-synchronous resonance in grid-forming PMSGs connected to series-compensated networks. J. Power Electron. 2024, 24, 618–630. [Google Scholar] [CrossRef]
- Du, W.; Wang, H. Analysis of Sub-synchronous Oscillations in a Sending-End Power System With Series-Compensated Transmission Line. In Analysis of Power System Sub/Super-Synchronous Oscillations Caused by Grid-Connected Wind Power Generation; Springer International Publishing: Cham, Switzerland, 2023; pp. 185–240. [Google Scholar]
- Touti, E.; Abdeen, M.; El-Dabah, M.A.; Kraiem, H.; Agwa, A.; Alanazi, A.; Alanazi, T.I. Sub-Synchronous Oscillation Mitigation for Series-Compensated DFIG-Based Wind Farm Using Resonant Controller. IEEE Access 2024, 12, 66185–66195. [Google Scholar] [CrossRef]
- Apata, O.; Oyedokun, D.T.O.; Bokoro, P.N. Transient Operation of a Hybrid Wind Farm with FSIG and PMSG. In Proceedings of the 2023 31st Southern African Universities Power Engineering Conference (SAUPEC), Johannesburg, South Africa, 24–26 January 2023; pp. 1–6. [Google Scholar]
- Wang, Y.; Chao, M.; Xie, X.; Jiang, X.; Song, Z. Identification of subsynchronous oscillation parameters and filed tests based on PMU data. Proc. CSEE 2022, 42, 899–909. (In Chinese) [Google Scholar]
- Sun, Y.; Wu, L.; Wang, X.; Sun, D.; Su, T.; Ren, Y. Sub-synchronous oscillation characteristics analysis and suppression of DFIGs and PMSGs mixed access to MMC-HVDC sending-end system. Power Syst. Technol. 2023, 47, 4073–4080. (In Chinese) [Google Scholar]
- Long, C.; Wang, Y.; Luo, F.; Wu, Y. Analysis of sub-synchronous oscillations on hybrid wind farms with DFIG and PMSG. In Proceedings of the 2023 8th Asia Conference on Power and Electrical Engineering (ACPEE), Tianjin, China, 14–16 April 2023; pp. 2297–2301. [Google Scholar]
- Sun, K.; Yao, W.; Wen, J. Interaction between PMSG and DFIG in a hybrid wind farm integrated through a VSC-HVDC. IET Conf. Proc. 2021, 2021, 529–534. [Google Scholar] [CrossRef]
- Liu, G.; Liu, J.; Liu, A. A two-stage subsynchronous oscillation assessment method for DFIG-based wind farm grid-connected system. Sci. Rep. 2024, 14, 22290. [Google Scholar] [CrossRef]
- Yao, J.; Wang, X.; Li, J.; Liu, R.; Zhang, H. Sub-synchronous resonance damping control for series-compensated DFIG-based wind farm with improved particle swarm optimization algorithm. IEEE Trans. Energy Convers. 2018, 34, 849–859. [Google Scholar] [CrossRef]
- Jiao, D. Research on Risk Evaluation of Subsynchronous Oscillation in Wind Power Integrated System and Precise Localization in Wind Farm. Ph.D. Thesis, North China Electric Power University, Beijing, China, 2023. [Google Scholar]
- Wang, J.; Jia, Q.; Yan, G.; Liu, K.; Zhai, W. Analysis of subsynchronous oscillation characteristics of hybrid-based wind farm connected with fixed series compensation system. In Proceedings of the 2021 IEEE 16th Conference on Industrial Electronics and Applications (ICIEA), Chengdu, China, 1–4 August 2021; pp. 1579–1584. [Google Scholar]
- Zheng, T.; Jiao, D.; Zhou, Y.; Zhao, W.; Zhang, H.; Deng, J.; Wang, T. Online Localization of Oscillation Sources in Hybrid Wind Farms Based on Frequency Domain Contribution Factors. Power Syst. Clean Energy 2023, 39, 118–128. [Google Scholar]
- Xin, J.B.; Shu, Z.; Zhao, S.M.; Cheng, S.M.; Xu, Y.H. Research on influencing factors of DFIG-PMSG hybrid wind farm sub-synchronous oscillations. Adv. Technol. Electr. Eng. Energy 2019, 38, 24–32. [Google Scholar]
- Jiang, H.; Ma, S.; Song, R.; Xiang, Z. Subsynchronous control interaction analysis between PMSG-based offshore wind farm and SVGs. Energy Rep. 2023, 9, 938–945. [Google Scholar] [CrossRef]
- Deng, J.; Wang, J.; Li, S.; Zhang, H.; Peng, S.; Wang, T. Adaptive Damping Design of PMSG Integrated Power System with Virtual Synchronous Generator Control. Energies 2020, 13, 2037. [Google Scholar] [CrossRef]
- Wang, Y.; Wu, Q.; Gong, W.; Gryning, M.P.S. H∞ robust current control for DFIG based wind turbine subject to grid voltage distortions. IEEE Trans. Sustain. Energy 2017, 8, 816–825. [Google Scholar] [CrossRef]
- Huang, L.; Xin, H.; Dörfler, F. H∞-control of grid-connected converters: Design, objectives and decentralized stability certificates. IEEE Trans. Smart Grid 2020, 11, 3805–3816. [Google Scholar] [CrossRef]
- Yan, S.; Yang, X.; Gu, Z.; Xie, X.; Yang, F. Dynamic sum-based event-triggered H∞ filtering for networked TS fuzzy wind turbine systems with deception attacks. Fuzzy Sets Syst. 2024, 493, 109084. [Google Scholar] [CrossRef]
- Shair, J.; Xie, X.; Liu, W.; Li, X.; Li, H. Modeling and stability analysis methods for investigating subsynchronous control interaction in large-scale wind power systems. Renew. Sustain. Energy Rev. 2021, 135, 110420. [Google Scholar] [CrossRef]
- Koushal, A.S. Analysis of Sub-Synchronous Oscillations in Grid-Connected Wind Farms and Hybrid PV/Battery Systems. In Proceedings of the 2024 IEEE 12th International Conference on Smart Energy Grid Engineering (SEGE), Oshawa, ON, Canada, 18–20 August 2024; pp. 184–188. [Google Scholar]
- Deshpande, C.; Chilipi, R.; Arya, S.R. A multi-convex composition of adaptive LMS filter-based control for dynamic voltage restorer with SSO-optimized PI gains. Electr. Eng. 2024, 1–15. [Google Scholar] [CrossRef]
- Bodapatla, S.K.; Gaddam, M.; Sarma, P.M. Robust H-infinity and μ-synthesis controllers to mitigate sub-synchronous control interaction in DFIG wind farms considering time delay. Electr. Eng. 2024, 106, 6019–6034. [Google Scholar] [CrossRef]
- Wang, Y.; Luo, F.; Long, C.; Tao, G.; Xu, Y.; Yang, R. Robust Subsynchronous Damping Control of PMSG-Based Wind Farm. Energies 2023, 16, 3144. [Google Scholar] [CrossRef]
- Lazrak, A.; Abbou, A. H∞ control of wrim driven flywheel storage system to ride-through grid voltage dips. Adv. Electr. Electron. Eng. 2020, 18, 11–22. [Google Scholar] [CrossRef]
- Wang, S.J.; Xu, Z.; Xing, F. Application of bypass damping filter in suppressing sub-synchronous resonance of multi-generator series-compensated systems. Electr. Power Syst. Res. 2019, 168, 117–126. [Google Scholar] [CrossRef]
- Mala, R.C.; Prabhu, N.; Rao, H.V.G. Control of catastrophic bifurcations of SSR in a hybrid series compensated system. Nonlinear Dyn. 2019, 95, 971–981. [Google Scholar] [CrossRef]

























| Mode | Characteristic Value (102) | Frequency (Hz) | Damping Ratio | Is It Stable? |
|---|---|---|---|---|
| 1 | 0.0351 i | 0.5586 | 0.1383 | yes |
| 2 | 0.0614 i | 0.9772 | 0.0860 | yes |
| 3 | 0.2512 i | 3.9980 | 0.9988 | yes |
| 4 | 0.9082 i | 14.4545 | 0.9973 | yes |
| 5 | 1.4338 i | 22.8196 | 0.2327 | yes |
| 6 | 3.2872 i | 52.3174 | 0.9834 | yes |
| 7 | 3.3512 i | 53.3360 | 0.0152 | yes |
| 8 | 3.7613 i | 59.8629 | 0.1638 | yes |
| Parameters of HWF | Range of Uncertainty |
|---|---|
| slip | |
| RdL, RpL, LdLT, LPLT, Ld, Lp, Td, Tp | |
| ksc | |
| kpi1, kpp1, kpi2 | |
| kpp2 | |
| SCR | |
| kpipll, kpppll |
| Case | Settling Time | ||
|---|---|---|---|
| Hinf | PI | ||
| igd during 50% voltage sag | 1.1 s | Inf (unstable) | |
| idr during introduction of series compensation capacitors | 25% | 0.9 s | Inf (unstable) |
| 40% | 1 s | Inf (unstable) | |
| igd during changing control parameters | kpi2 | 0 s | 0.11 s |
| kpp2 | 0.28 s | 1.7 s | |
Disclaimer/Publisher’s Note: The statements, opinions and data contained in all publications are solely those of the individual author(s) and contributor(s) and not of MDPI and/or the editor(s). MDPI and/or the editor(s) disclaim responsibility for any injury to people or property resulting from any ideas, methods, instructions or products referred to in the content. |
© 2025 by the authors. Licensee MDPI, Basel, Switzerland. This article is an open access article distributed under the terms and conditions of the Creative Commons Attribution (CC BY) license (https://creativecommons.org/licenses/by/4.0/).
Share and Cite
Wang, Y.; Liang, M.; Xie, F.; Long, C.; Yang, R. Sub-Synchronous Oscillation Analysis and Suppression in Hybrid Wind Farm. Energies 2025, 18, 140. https://doi.org/10.3390/en18010140
Wang Y, Liang M, Xie F, Long C, Yang R. Sub-Synchronous Oscillation Analysis and Suppression in Hybrid Wind Farm. Energies. 2025; 18(1):140. https://doi.org/10.3390/en18010140
Chicago/Turabian StyleWang, Yun, Mingkun Liang, Feilong Xie, Chaoyang Long, and Rong Yang. 2025. "Sub-Synchronous Oscillation Analysis and Suppression in Hybrid Wind Farm" Energies 18, no. 1: 140. https://doi.org/10.3390/en18010140
APA StyleWang, Y., Liang, M., Xie, F., Long, C., & Yang, R. (2025). Sub-Synchronous Oscillation Analysis and Suppression in Hybrid Wind Farm. Energies, 18(1), 140. https://doi.org/10.3390/en18010140

