Analysis of Hydrogen Combustion in a Spark Ignition Research Engine with a Barrier Discharge Igniter
Abstract
1. Introduction
Present Contribution
2. Materials and Methods
2.1. Igniter
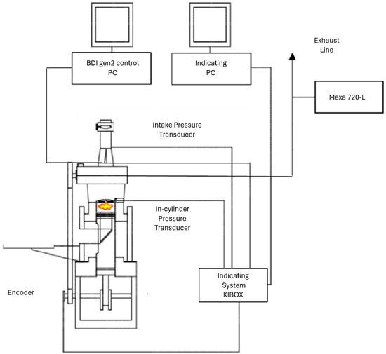
2.2. Single Cylinder Research Engine
- The intake port pressure signals from a Kistler 4075A5 piezoresistive transducer;
- The in-cylinder pressure signals from a Kistler 6061B piezoelectric transducer;
- The absolute crank angle position from an AVL 365C optical encoder;
- The O2% from a Horiba Mexa 720 fast probe (accuracy +/−2.5%);
- The ignition signal from the engine control unit.
2.3. Test Campaign
3. Results and Discussions
3.1. Optimization of the BDI Performance at λ = 1.6
3.2. Analysis of the BDI Performance at λ = 1.6 in H2 and Conventional Gasoline E5
3.3. Comparison between Traditional Spark and BDI at the Same IT in H2
3.4. Tests up to λ = 2.3 with H2 and BDI
3.5. Discussion
4. Conclusions
- At λ = 1.6, the BDI system demonstrated consistent stability across various ignition timings and driving voltages. The configuration with a higher driving voltage (12.5 V) exhibited enhanced performance in terms of higher IMEP for any ignition timing, indicating the potential for increased power output.
- Comparing hydrogen and gasoline E5 at λ = 1.6, hydrogen-PFI showed a lower IMEP but better combustion stability with a lower CoVIMEP. The shorter ignition timing requirement for hydrogen was attributed to its combustion characteristics, including higher flame speed and broader flammability range.
- Additionally, comparing the BDI and traditional spark ignition systems at the same ignition timing for hydrogen, the BDI system demonstrated the ability to shorten the first stage of the combustion process, shown by the reduction in the CA 0–50, compared to the traditional spark.
- Under the same conditions, a reduced risk of backfire events with the BDI system was observed. This might be attributed to lower residual energy stored in the coil and to enhanced combustion efficiency.
- Investigations were also extended to leaner conditions (λ = 2.0 and λ = 2.3), emphasizing the need for advanced ignition timing to optimize combustion timing and therefore power output. Despite a decrease in maximum in-cylinder pressure and IMEP as the mixture leaned, the BDI system exhibited very good stability with hydrogen.
Author Contributions
Funding
Data Availability Statement
Conflicts of Interest
Nomenclature
| aBDC | After bottom dead center |
| ACIS | Advanced corona ignition system |
| AI05 | Crank angle degree after the top dead center (TDC) at which 5% of the mass is burned |
| AI50 | Crank angle degree after the top dead center (TDC) at which 50% of the mass is burned |
| AI90 | Crank angle degree after the top dead center (TDC) at which 90% of the mass is burned |
| aTDC | After top dead center |
| BDI | Barrier discharge igniter |
| CA 0–5 | Crank angle degree from IT to AI05 |
| CA 0–50 | Crank angle degree from IT to AI50 |
| CA 5–50 | Crank angle degree from AI05 to AI50 |
| CA 5–90 | Crank angle degree from AI05 to AI90 |
| CA 50–90 | Crank angle degree from AI50 to AI90 |
| CAD | Crank angle degree |
| CO | Carbon monoxide |
| CoVIMEP | Coefficient of variance of IMEP |
| DI | Direct injection |
| D/GPF | High-efficiency particulate filters |
| E5 | Gasoline (regular European gasoline, containing 5% ethanol) |
| E85 | Ethanol (blend with 85% ethanol, rest gasoline) |
| ECU | Engine control unit |
| EGR | Exhaust gas recirculation |
| H2 | Hydrogen |
| HC | Hydrocarbons |
| ICE | Internal combustion engine |
| IHRR | Integral heat release rate |
| IMEP | Indicated mean effective pressure |
| IT | Ignition timing |
| λ | Relative air–fuel ratio |
| LTC | Low-temperature combustion |
| LTP | Low-temperature plasma |
| MBT | Maximum brake torque |
| NOx | Nitrogen oxides |
| O2 | Oxygen |
| PFI | Port fuel injection |
| SCR | Selective catalytic reducers |
| SI | Spark ignition |
| ton | Activation time |
| Vd | Driving voltage |
References
- Suresh, D.; Porpatham, E. Influence of high compression ratio and hydrogen addition on the performance and emissions of a lean burn spark ignition engine fueled by ethanol-gasoline. Int. J. Hydrogen Energy 2023, 48, 14433–14448. [Google Scholar] [CrossRef]
- Reitz, R.D.; Ogawa, H.; Payri, R.; Fansler, T.; Kokjohn, S.; Moriyoshi, Y.; Agarwal, A.; Arcoumanis, D.; Assanis, D.; Bae, C.; et al. IJER editorial: The future of the internal combustion engine. Int. J. Engine Res. 2020, 21, 3–10. [Google Scholar] [CrossRef]
- Duan, X.; Xu, L.; Xu, L.; Jiang, P.; Gan, T.; Liu, H.; Ye, S.; Sun, Z. Performance analysis and comparison of the spark ignition engine fuelled with industrial by-product hydrogen and gasoline. J. Clean. Prod. 2023, 424, 138899. [Google Scholar] [CrossRef]
- Dernotte, J.; Najt, P.M.; Durrett, R.P. Downsized-Boosted Gasoline Engine with Exhaust Compound and Dilute Advanced Combustion. SAE Int. J. Adv. Curr. Pract. Mobil. 2020, 2, 2665–2680. [Google Scholar] [CrossRef]
- Zembi, J.; Battistoni, M.; Mariani, F.; Irimescu, A.; Vaglieco, B.; Merola, S. Investigations on the impact of port water injection on soot formation in a DISI engine through CFD simulations and optical methods. Fuel 2023, 337, 127170. [Google Scholar] [CrossRef]
- Dadam, S.R.; Jentz, R.; Lenzen, T.; Meissner, H. Diagnostic Evaluation of Exhaust Gas Recirculation (EGR) System on Gasoline Electric Hybrid Vehicle; SAE Technical Paper; SAE International: Warrendale, PA, USA, 2020. [Google Scholar] [CrossRef]
- Singh, A.P.; Kumar, V.; Agarwal, A.K. Evaluation of comparative engine combustion, performance and emission characteristics of low temperature combustion (PCCI and RCCI) modes. Appl. Energy 2020, 278, 115644. [Google Scholar] [CrossRef]
- Pielecha, J.; Skobiej, K.; Kurtyka, K. Exhaust emissions and energy consumption analysis of conventional, hybrid, and electric vehicles in real driving cycles. Energies 2020, 13, 6423. [Google Scholar] [CrossRef]
- Anika, O.C.; Nnabuife, S.G.; Bello, A.; Okoroafor, E.R.; Kuang, B.; Villa, R. Prospects of low and zero-carbon renewable fuels in 1.5-degree net zero emission actualisation by 2050: A critical review. Carbon Capture Sci. Technol. 2022, 5, 100072. [Google Scholar] [CrossRef]
- Campos-Carriedo, F.; Bargiacchi, E.; Dufour, J.; Iribarren, D. How can the European Ecodesign Directive guide the deployment of hydrogen-related products for mobility? Sustain. Energy Fuels 2023, 7, 1382–1394. [Google Scholar] [CrossRef]
- Sementa, P.; Antolini, J.B.d.V.; Tornatore, C.; Catapano, F.; Vaglieco, B.M.; Sánchez, J.J.L. Exploring the potentials of lean-burn hydrogen SI engine compared to methane operation. Int. J. Hydrogen Energy 2022, 47, 25044–25056. [Google Scholar] [CrossRef]
- Luo, Q.; Sun, B. Inducing factors and frequency of combustion knock in hydrogen internal combustion engines. Int. J. Hydrogen Energy 2016, 41, 16296–16305. [Google Scholar] [CrossRef]
- Aydin, K.; Kutanoglu, R. Effects of hydrogenation of fossil fuels with hydrogen and hydroxy gas on performance and emissions of internal combustion engines. Int. J. Hydrogen Energy 2018, 43, 14047–14058. [Google Scholar] [CrossRef]
- Srinivasan, C.B.; Subramanian, R. Hydrogen as a Spark Ignition Engine Fuel Technical Review. Int. J. Mech. Mechatron. Eng. IJMME-IJENS 2014, 14, 111–117. [Google Scholar]
- Ceviz, M.A.; Kaymaz, I. Temperature and air–fuel ratio dependent specific heat ratio functions for lean burned and unburned mixture. Energy Convers. Manag. 2005, 46, 2387–2404. [Google Scholar] [CrossRef]
- Verhelst, S.; Sierens, R.; Verstraeten, S. A Critical Review of Experimental Research on Hydrogen Fueled SI Engines. SAE Trans. 2006, 115, 264–274. [Google Scholar] [CrossRef]
- Shi, C.; Ji, C.; Wang, S.; Yang, J.; Wang, H. Experimental and numerical study of combustion and emissions performance in a hydrogen-enriched Wankel engine at stoichiometric and lean operations. Fuel 2021, 291, 120181. [Google Scholar] [CrossRef]
- Dimitriou, P.; Kumar, M.; Tsujimura, T.; Suzuki, Y. Combustion and emission characteristics of a hydrogen-diesel dual-fuel engine. Int. J. Hydrogen Energy 2018, 43, 13605–13617. [Google Scholar] [CrossRef]
- Wu, H.; Yu, X.; Du, Y.; Ji, X.; Niu, R.; Sun, Y.; Gu, J. Study on cold start characteristics of dual fuel SI engine with hydrogen direct-injection. Appl. Therm. Eng. 2016, 100, 829–839. [Google Scholar] [CrossRef]
- Serin, H.; Yıldızhan, Ş. Hydrogen addition to tea seed oil biodiesel: Performance and emission characteristics. Int. J. Hydrogen Energy 2018, 43, 18020–18027. [Google Scholar] [CrossRef]
- Shi, C.; Chai, S.; Wang, H.; Ji, C.; Ge, Y.; Di, L. An insight into direct water injection applied on the hydrogen-enriched rotary engine. Fuel 2023, 339, 127352. [Google Scholar] [CrossRef]
- Gao, J.; Wang, X.; Song, P.; Tian, G.; Ma, C. Review of the backfire occurrences and control strategies for port hydrogen injection internal combustion engines. Fuel 2022, 307, 121553. [Google Scholar] [CrossRef]
- Huynh, T.C.; Kang, J.K.; Noh, K.C.; Lee, J.T.; Caton, J.A. Controlling backfire using changes of the valve overlap period for a hydrogen-fueled engine using an external mixture. In Proceedings of the ASME 2007 Internal Combustion Engine Division Fall Technical Conference, Charleston, SC, USA, 14–17 October 2007; Volume 48116, pp. 243–251. [Google Scholar] [CrossRef]
- Garmsiri, S. Study of an Internal Combustion Engine to Burn Hydrogen Fuel and Backfire Elimination Using a carburetor Fuel Delivery Method. MASc Thesis, University of Ontario Institute of Technology, UOIT, Oshawa, ON, Canada, 2010. [Google Scholar]
- Ye, Y.; Gao, W.; Li, Y.; Zhang, P.; Cao, X. Numerical study of the effect of injection timing on the knock combustion in a direct-injection hydrogen engine. Int. J. Hydrogen Energy 2020, 45, 27904–27919. [Google Scholar] [CrossRef]
- Ceschini, L.; Morri, A.; Balducci, E.; Cavina, N.; Rojo, N.; Calogero, L.; Poggio, L. Experimental observations of engine piston damage induced by knocking combustion. Mater. Des. 2017, 114, 312–325. [Google Scholar] [CrossRef]
- Diéguez, P.M.; Urroz, J.; Sáinz, D.; Machin, J.; Arana, M.; Gandía, L. Characterization of combustion anomalies in a hydrogen-fueled 1.4 L commercial spark-ignition engine by means of in-cylinder pressure, block-engine vibration, and acoustic measurements. Energy Convers. Manag. 2018, 172, 67–80. [Google Scholar] [CrossRef]
- Tsujimura, T.; Suzuki, Y. The utilization of hydrogen in hydrogen/diesel dual fuel engine. Int. J. Hydrogen Energy 2017, 42, 14019–14029. [Google Scholar] [CrossRef]
- Falfari, S.; Cazzoli, G.; Mariani, V.; Bianchi, G.M. Hydrogen Application as a Fuel in Internal Combustion Engines. Energies 2023, 16, 2545. [Google Scholar] [CrossRef]
- Onorati, A.; Payri, R.; Vaglieco, B.; Agarwal, A.; Bae, C.; Bruneaux, G.; Canakci, M.; Gavaises, M.; Günthner, M.; Hasse, C.; et al. The role of hydrogen for future internal combustion engines. Int. J. Engine Res. 2022, 23, 529–540. [Google Scholar] [CrossRef]
- Prasad, R.K.; Jain, S.; Verma, G.; Agarwal, A.K. Laser ignition and flame kernel characterization of HCNG in a constant volume combustion chamber. Fuel 2017, 190, 318–327. [Google Scholar] [CrossRef]
- Starikovskaia, S.M. Plasma assisted ignition and combustion. J. Phys. D Appl. Phys. 2006, 39, R265–R299. [Google Scholar] [CrossRef]
- Zembi, J.; Cruccolini, V.; Mariani, F.; Scarcelli, R.; Battistoni, M. Modeling of thermal and kinetic processes in non-equilibrium plasma ignition applied to a lean combustion engine. Appl. Therm. Eng. 2021, 197, 117377. [Google Scholar] [CrossRef]
- Idicheria, C.A.; Najt, P.M. Potential of advanced corona ignition system (ACIS) for future engine applications. In Ignition Systems for Gasoline Engines, Proceedings of the CISGE 2016, Berlin, Germany, 3–4 November 2016; Günther, M., Sens, M., Eds.; Springer: Cham, Switzerland, 2016. [Google Scholar] [CrossRef]
- Martinelli, R.; Ricci, F.; Zembi, J.; Battistoni, M.; Grimaldi, C.; Papi, S. Lean Combustion Analysis of a Plasma-Assisted Ignition System in a Single Cylinder Engine fueled with E85; SAE Technical Paper. In Proceedings of the 3rd Conference on Sustainable Mobility, Catania, Italy, 25–28 September 2022. [Google Scholar] [CrossRef]
- Ricci, F.; Discepoli, G.; Cruccolini, V.; Petrucci, L.; Papi, S.; Di Giuseppe, A.; Grimaldi, C. Energy characterization of an innovative non-equilibrium plasma ignition system based on the dielectric barrier discharge via pressure-rise calorimetry. Energy Convers. Manag. 2021, 244, 114458. [Google Scholar] [CrossRef]
- Cruccolini, V.; Discepoli, G.; Ricci, F.; Petrucci, L.; Grimaldi, C.; Papi, S.; Re, M.D. Comparative Analysis between a Barrier Discharge Igniter and a Streamer-Type Radio-Frequency Corona Igniter in an Optically Accessible Engine in Lean Operating Conditions; SAE Technical Paper; SAE International: Warrendale, PA, USA, 2020. [Google Scholar] [CrossRef]
- Zembi, J.; Ricci, F.; Grimaldi, C.; Battistoni, M. Numerical Simulation of the Early Flame Development Produced by a Barrier Discharge Igniter in an Optical Access Engine. SAE Technical Paper. In Proceedings of the 15th International Conference on Engines & Vehicles, Capri, Napoli, Italy, 12–16 September 2021. [Google Scholar] [CrossRef]
- Ricci, F.; Cruccolini, V.; Discepoli, G.; Petrucci, L.; Grimaldi, C.; Papi, S. Luminosity and thermal energy measurement and comparison of a dielectric barrier discharge in an optical pressure-based calorimeter at engine relevant conditions. SAE Technical Paper. In Proceedings of the SAE WCX Digital Summit, Virtual, 12–15 April 2021. [Google Scholar] [CrossRef]
- Ricci, F.; Petrucci, L.; Cruccolini, V.; Discepoli, G.; Grimaldi, C.N.; Papi, S. Investigation of the Lean Stable Limit of a Barrier Discharge Igniter and of a Streamer-Type Corona Igniter at Different Engine Loads in a Single-Cylinder Research Engine. Proceedings 2020, 58, 11. [Google Scholar] [CrossRef]
- Azeem, N.; Beatrice, C.; Vassallo, A.; Pesce, F.; Davide, G.; Guido, C.; Rossi, R. Comparative Analysis of Different Methodologies to Calculate Lambda (λ) Based on Extensive And systemic Experimentation on a Hydrogen Internal Combustion Engine. SAE Technical Paper. In Proceedings of the WCX SAE World Congress Experience, Detroit, MI, USA, 18–20 April 2023. [Google Scholar] [CrossRef]
- Wang, L.; Yang, Z.; Huang, Y.; Liu, D.; Duan, J.; Guo, S.; Qin, Z. The effect of hydrogen injection parameters on the quality of hydrogen–air mixture formation for a PFI hydrogen internal combustion engine. Int. J. Hydrogen Energy 2017, 42, 23832–23845. [Google Scholar] [CrossRef]
- Shinde, B.J.; Karunamurthy, K. Recent progress in hydrogen fuelled internal combustion engine (H2ICE)—A comprehensive outlook. Mater. Today Proc. 2022, 51, 1568–1579. [Google Scholar] [CrossRef]








| Feature | Value | Unit |
|---|---|---|
| Displaced volume | 500 | cc |
| Stroke | 88 | mm |
| Bore | 85 | mm |
| Connecting rod length | 139 | mm |
| Compression ratio | 8.8:1 | - |
| Number of valves | 4 | - |
| Exhaust valve open | −13 | CAD aBDC |
| Exhaust valve close | 25 | CAD aBDC |
| Intake valve open | −20 | CAD aBDC |
| Intake valve close | −24 | CAD aBDC |
| Features | H2 | E5 |
|---|---|---|
| IT [CAD aTDC] | −11 | −38 |
| CoVIMEP [%] | 1.98 | 2.8 |
| IMEP [bar] | 3.56 | 4.49 |
| AI05 [CAD aTDC] | −1.2 | −2.7 |
| AI50 [CAD aTDC] | 7.1 | 10 |
| AI90 [CAD aTDC] | 13.8 | 31.5 |
| Indicated fuel efficiency [%] | 29.8 | 28.8 |
Disclaimer/Publisher’s Note: The statements, opinions and data contained in all publications are solely those of the individual author(s) and contributor(s) and not of MDPI and/or the editor(s). MDPI and/or the editor(s) disclaim responsibility for any injury to people or property resulting from any ideas, methods, instructions or products referred to in the content. |
© 2024 by the authors. Licensee MDPI, Basel, Switzerland. This article is an open access article distributed under the terms and conditions of the Creative Commons Attribution (CC BY) license (https://creativecommons.org/licenses/by/4.0/).
Share and Cite
Ricci, F.; Zembi, J.; Avana, M.; Grimaldi, C.N.; Battistoni, M.; Papi, S. Analysis of Hydrogen Combustion in a Spark Ignition Research Engine with a Barrier Discharge Igniter. Energies 2024, 17, 1739. https://doi.org/10.3390/en17071739
Ricci F, Zembi J, Avana M, Grimaldi CN, Battistoni M, Papi S. Analysis of Hydrogen Combustion in a Spark Ignition Research Engine with a Barrier Discharge Igniter. Energies. 2024; 17(7):1739. https://doi.org/10.3390/en17071739
Chicago/Turabian StyleRicci, Federico, Jacopo Zembi, Massimiliano Avana, Carlo Nazareno Grimaldi, Michele Battistoni, and Stefano Papi. 2024. "Analysis of Hydrogen Combustion in a Spark Ignition Research Engine with a Barrier Discharge Igniter" Energies 17, no. 7: 1739. https://doi.org/10.3390/en17071739
APA StyleRicci, F., Zembi, J., Avana, M., Grimaldi, C. N., Battistoni, M., & Papi, S. (2024). Analysis of Hydrogen Combustion in a Spark Ignition Research Engine with a Barrier Discharge Igniter. Energies, 17(7), 1739. https://doi.org/10.3390/en17071739

