Numerical Investigation of Combustion and Emission Characteristics of the Single-Cylinder Diesel Engine Fueled with Diesel-Ammonia Mixture
Abstract
1. Introduction
2. Methodology
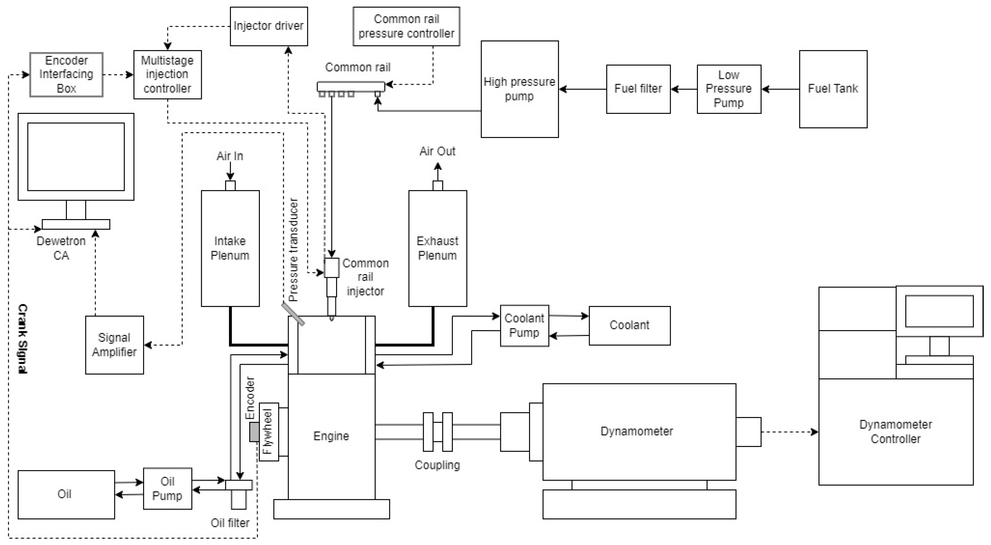
2.1. Experimental Setup
2.2. Simulation Methodology
2.3. Research Flow Process
3. Results and Discussions
3.1. Model Validation
3.2. Combustion Characteristics Results
3.2.1. In-Cylinder Pressure, Temperature, and Heat Release Rate
3.2.2. Peak of Pressure Rise Rate and Combustion Phasing
3.2.3. Combustion Duration and Ignition Delay
3.2.4. IMEP and Indicated Thermal Efficiency
3.3. Emission Characteristics
3.3.1. Combustion Efficiency
3.3.2. Emissions Produced
4. Conclusions
- Effect of SOI Timing on Combustion Efficiency: Advancing the SOI generally improves combustion in the diesel engine, an effect that applies to various fuel mixtures, including those with ammonia. Advanced SOI timing allows for better air-fuel mixing and an extended time for evaporation, which enhances combustion efficiency. However, in mixtures with high ammonia content, such as D25A75 (75% ammonia and 25% diesel by energy content), advanced SOI timings at 50 and 60 crank angle degrees BTDC lead to incomplete combustion. This incomplete combustion is likely due to the lower reactivity of ammonia compared to diesel, which impacts the mixture’s ignition properties.
- Impact of Ammonia on Combustion Characteristics: The addition of ammonia as a secondary fuel reduces the PPRR and prolongs the ignition delay. These changes indicate that ammonia’s low flammability and slower combustion characteristics alter the combustion dynamics, leading to longer ignition delays and reduced combustion intensity. Consequently, the engine’s IMEP and indicated thermal efficiency (ITE) decline when fueled with ammonia-enriched mixtures. These results suggest that while ammonia can reduce fuel reactivity, the trade-off may include reductions in engine power output and efficiency.
- Combustion Efficiency and Emissions: The inclusion of ammonia in the fuel blend enhances combustion efficiency by encouraging more complete oxidation of the fuel. This improvement is evident in lower emissions of THC, CO, and soot. Ammonia addition also significantly reduces carbon dioxide (CO2) emissions across all SOI timings compared to the pure diesel cases, highlighting its potential to lower the engine’s carbon footprint. However, ammonia’s high nitrogen content slightly increases NOx emissions as combustion progresses, particularly near the final stages, where the cylinder temperatures reach levels that favor NOx formation.
Author Contributions
Funding
Data Availability Statement
Conflicts of Interest
Nomenclature
| CFD | Computational Fluid Dynamics |
| BTDC | Before Top Dead Centre |
| IC | Internal Combustion |
| CI | Compression Ignition |
| ATDC | After Top Dead Centre |
| BTE | Brake Thermal Efficiency |
| BMEP | Brake Mean Effective Pressure |
| IVO | Intake valve opening |
| IVC | Intake valve closing |
| EVO | Exhaust valve opening |
| EVC | Exhaust valve closing |
| BBDC | Before Bottom Dead Centre |
| ESR | Energy Share Ratio |
| Ammonia mass flow rate | |
| Ammonia lower heating value | |
| Diesel mass flow rate | |
| Diesel lower heating value | |
| R2 | Coefficient of determination |
| RSME | Root-squared mean error |
| Collision frequency of a collector drop with all of the droplets | |
| Number of drops in the droplet parcel | |
| Relative velocity between the collector and droplet parcels | |
| Radii of the collector and droplet | |
| Volume of the fluid-phase cell that includes the two parcels | |
| Frossling correlation | |
| User-specified scaling factor for the mass transfer coefficient | |
| Mass diffusivity of liquid vapor in air | |
| Vapor mass fraction at the drop’s surface | |
| Vapor mass fraction | |
| Sherwood number | |
| Concentration of (compound) in mol/cm3 | |
| Rate constants for the reactions | |
| Forward reaction | |
| Reverse reaction | |
| Turbulent dissapitation | |
| Turbulent kinetic energy | |
| User-supplied source term | |
| Source term that represents interactions with discrete phase (spray) |
References
- Shen, B.; Su, Y.; Yu, H.; Zhang, Y.; Lang, M.; Yang, H. Experimental study on the effect of injection strategies on the combustion and emissions characteristic of gasoline/methanol dual-fuel turbocharged engine under high load. Energy 2023, 282. [Google Scholar] [CrossRef]
- Lu, C.; Chen, W.; Zuo, Q.; Kou, C.; Wang, H.; Xiao, G.; Zhu, G.; Ma, Y. Numerical investigation on gaseous fuel injection strategies on combustion characteristics and NO emission performance in a pure hydrogen engine. Fuel 2024, 363, 130911. [Google Scholar] [CrossRef]
- Xu, L.; Bai, X.-S.; Li, Y.; Treacy, M.; Li, C.; Tunestål, P.; Tunér, M.; Lu, X. Effect of piston bowl geometry and compression ratio on in-cylinder combustion and engine performance in a gasoline direct-injection compression ignition engine under different injection conditions. Appl. Energy 2020, 280, 115920. [Google Scholar] [CrossRef]
- Wang, X.; Li, T.; Chen, R.; Li, S.; Kuang, M.; Lv, Y.; Wang, Y.; Rao, H.; Liu, Y.; Lv, X. Exploring the GHG reduction potential of pilot diesel-ignited ammonia engines—Effects of diesel injection timing and ammonia energetic ratio. Appl. Energy 2023, 357, 122437. [Google Scholar] [CrossRef]
- Xin, G.; Ji, C.; Wang, S.; Meng, H.; Hong, C.; Yang, J. Effect of direct injection of small amounts of ethanol on port-injected hydrogen internal combustion engines. Int. J. Hydrogen Energy 2024, 49, 980–996. [Google Scholar] [CrossRef]
- Zhu, T.; Yan, X.; Gao, Z.; Qiu, Y.; Zhu, L.; Huang, Z. Combustion and emission characteristics of ammonia-hydrogen fueled SI engine with high compression ratio. Int. J. Hydrogen Energy 2024, 62, 579–590. [Google Scholar] [CrossRef]
- Kojima, Y. Hydrogen storage materials for hydrogen and energy carriers. Int. J. Hydrogen Energy 2019, 44, 18179–18192. [Google Scholar] [CrossRef]
- Kojima, Y.; Yamaguchi, M. Ammonia as a hydrogen energy carrier. Int. J. Hydrogen Energy 2022, 47, 22832–22839. [Google Scholar] [CrossRef]
- Reiter, A.J.; Kong, S.-C. Combustion and emissions characteristics of compression-ignition engine using dual ammonia-diesel fuel. Fuel 2011, 90, 87–97. [Google Scholar] [CrossRef]
- Zhou, J.; Cheung, C.; Leung, C. Combustion, performance and emissions of a diesel engine with H2, CH4 and H2–CH4 addition. Int. J. Hydrogen Energy 2014, 39, 4611–4621. [Google Scholar] [CrossRef]
- Valera-Medina, A.; Xiao, H.; Owen-Jones, M.; David, W.; Bowen, P. Ammonia for power. Prog. Energy Combust. Sci. 2018, 69, 63–102. [Google Scholar] [CrossRef]
- Yu, Z.; Zhao, J.; Markov, V.; Han, D. Effects of hydrogen addition on ignition characteristics and engine performance of ammonia-hydrogen blended fuel: A kinetic analysis. Int. J. Hydrogen Energy 2024, 87, 722–735. [Google Scholar] [CrossRef]
- Kobayashi, H.; Hayakawa, A.; Somarathne, K.K.A.; Okafor, E.C. Science and technology of ammonia combustion. Proc. Combust. Inst. 2019, 37, 109–133. [Google Scholar] [CrossRef]
- Bjørgen, K.O.P.; Emberson, D.R.; Løvås, T. Combustion of liquid ammonia and diesel in a compression ignition engine operated in high-pressure dual fuel mode. Fuel 2024, 360, 130269. [Google Scholar] [CrossRef]
- Pugazhendhi, A.; Alharbi, S.A.; Loganathan, K.; Subbiah, G.; Nithya, S. Enhancing sustainable fuel solutions: Castor oil biodiesel with nanoparticles and ammonia, utilizing as a green substitute for diesel engines. Fuel 2024, 368, 131597. [Google Scholar] [CrossRef]
- Liu, J.; Wang, X.; Zhao, W.; Sun, P.; Ji, Q. Effects of ammonia energy fraction and diesel injection parameters on combustion stability and GHG emissions characteristics in a low-loaded ammonia/diesel dual-fuel engine. Fuel 2023, 360, 130544. [Google Scholar] [CrossRef]
- Liu, J.; Liu, J. Experimental investigation of the effect of ammonia substitution ratio on an ammonia-diesel dual-fuel engine performance. J. Clean. Prod. 2023, 434, 140274. [Google Scholar] [CrossRef]
- Singh, E.; Abboud, R.; Strickland, T.; Kim, N.; Pintor, D.L.; Sjöberg, M. Effect of Dibutyl Ether − Methanol Blend Ratios on Deflagration-Based and Autoignition-Based Knock in Spark-Ignition Engines. Fuel 2024, 376, 132670. [Google Scholar] [CrossRef]
- Manzoor, M.U.; Dou, X.; Yosri, M.; Talei, M.; Yang, Y. Capturing different modes of hydrogen combustion in a spark-ignition engine using numerical simulations. Fuel 2024, 375, 132343. [Google Scholar] [CrossRef]
- Taib, N.M.; Mahmood, W.M.F.W.; Ghopa, W.A.W.; Köten, H.; Abu Mansor, M.R. Numerical study of heat transfer of hydrogen combustion in noble gases atmosphere in compression ignition engine. Int. J. Hydrogen Energy 2023, 48, 28970–28979. [Google Scholar] [CrossRef]
- Kale, A.V.; Krishnasamy, A. Numerical study on the load-range extension of gasoline-fueled homogeneous charge compression ignition combustion in a light-duty diesel engine. Fuel 2023, 349, 128592. [Google Scholar] [CrossRef]
- Xiang, L.; Theotokatos, G.; Ding, Y. Parametric investigation on the performance-emissions trade-off and knocking occurrence of dual fuel engines using CFD. Fuel 2023, 340, 127535. [Google Scholar] [CrossRef]
- Abuelnour, M.A.; Said, M.F.M.; Abuelnuor, A.A. Numerical investigation of hydrogen-diesel dual fuel engine: Combustion and emissions characteristics under varying hydrogen concentration and exhaust gas recirculation. Fuel 2024, 377, 132794. [Google Scholar] [CrossRef]
- Tornatore, C.; Marchitto, L.; Sabia, P.; De Joannon, M. Ammonia as Green Fuel in Internal Combustion Engines: State-of-the-Art and Future Perspectives. Front. Mech. Eng. 2022, 8, 944201. [Google Scholar] [CrossRef]
- Niki, Y. Experimental investigation of effects of split diesel-pilot injection on emissions from ammonia-diesel dual fuel engine. In Proceedings of the ASME 2021 Internal Combustion Engine Division Fall Technical Conference, ICEF 2021, Virtual, 13–15 October 2021. [Google Scholar] [CrossRef]
- Putrasari, Y.; Lim, O. A study on combustion and emission of GCI engines fueled with gasoline-biodiesel blends. Fuel 2017, 189, 141–154. [Google Scholar] [CrossRef]
- Førby, N.; Thomsen, T.B.; Cordtz, R.F.; Bræstrup, F.; Schramm, J. Ignition and combustion study of premixed ammonia using GDI pilot injection in CI engine. Fuel 2022, 331, 125768. [Google Scholar] [CrossRef]
- Pulkrabek, W.W. Engineering Fundamentals of the Internal Combustion Engine. Available online: www.TechnicalBooksPdf.com (accessed on 1 October 2024).
- Heywood, J.B. Internal Combustion Engine Fundamentals; McGraw-Hill Book Company: New York, NY, USA, 1988. [Google Scholar]
- Desantes, J.M.; Payri, R.; Salvador, F.J.; Manin, J. Influence on Diesel Injection Characteristics and Behavior Using Biodiesel Fuels. In SAE Technical Paper 2009-01-0851; SAE International: Warrendale, PA, USA, 2009. [Google Scholar] [CrossRef]
- Wislocki, K.; Pielecha, I.; Czajka, J.; Stobnicki, P. Experimental and numerical investigations into diesel high-pressure spray—Wall interaction under various ambient conditions. In SAE Technical Papers; SAE International: Warrendale, PA, USA, 2012. [Google Scholar] [CrossRef]
- Milojević, S.; Glišović, J.; Savić, S.; Bošković, G.; Bukvić, M.; Stojanović, B. Particulate Matter Emission and Air Pollution Reduction by Applying Variable Systems in Tribologically Optimized Diesel Engines for Vehicles in Road Traffic. Atmosphere 2024, 15, 184. [Google Scholar] [CrossRef]























| Parameter | Value | Details |
|---|---|---|
| Engine model | Hyundai D4EA | Four-stroke, compression ignition |
| Emission regulation standard | EURO 4 | - |
| Number of cylinders | 1 | - |
| Compression ratio | 19.5:1 | - |
| Bore | 83 mm | - |
| Stroke | 92 mm | - |
| Intake valve | 2 | Early open intake valve: 7° CAD BTDC Late close intake valve: 43° CAD ATDC |
| Exhaust Valve | 2 | Early open exhaust valve: 52° CAD BBDC Late close exhaust valve: 6° CAD ATDC |
| Cooling system | Water cooled | - |
| Fuel injection system | Common rail | - |
| Properties | Unit | Diesel | Ammonia |
|---|---|---|---|
| Chemical composition | - | C7H16 | NH3 |
| LHV | MJ/kg | 45.93 | 18.8 |
| Autoignition temperature | °C | 210 | 651 |
| Density (@ 15 °C) | g/cm3 | 0.83 | 0.62 |
| Stoichiometric air-fuel ratio | - | 14.5 | 6.06 |
| Heat of vaporization | kJ/kg | 275 | 1371 |
| Kinematic Viscosity (40 °C) | mm2/s | 2.798 | 0.225 |
| Cetane number | - | 48 | - |
| Parameters | Details |
|---|---|
| Grid | Size: 0.1 mm |
| Spray model | O’Rourke–Frossling model, NTC collision model |
| Combustion model | SAGE model |
| Emissions model | Thermal NOx model, Hiroyasu–NSC soot model |
| Turbulence model | RNG k-epsilon model |
| Case Name | SOI | Diesel Energy Ratio | Ammonia Energy Ratio |
|---|---|---|---|
| D100_20BTDC | 20 CAD BTDC | 100% | 0% |
| D100_30BTDC | 30 CAD BTDC | 100% | 0% |
| D100_40BTDC | 40 CAD BTDC | 100% | 0% |
| D100_50BTDC | 50 CAD BTDC | 100% | 0% |
| D100_60BTDC | 60 CAD BTDC | 100% | 0% |
| D75A25_20BTDC | 20 CAD BTDC | 75% | 25% |
| D75A25_30BTDC | 30 CAD BTDC | 75% | 25% |
| D75A25_40BTDC | 40 CAD BTDC | 75% | 25% |
| D75A25_50BTDC | 50 CAD BTDC | 75% | 25% |
| D75A25_60BTDC | 60 CAD BTDC | 75% | 25% |
| D50A50_20BTDC | 20 CAD BTDC | 50% | 50% |
| D50A50_30BTDC | 30 CAD BTDC | 50% | 50% |
| D50A50_40BTDC | 40 CAD BTDC | 50% | 50% |
| D50A50_50BTDC | 50 CAD BTDC | 50% | 50% |
| D50A50_60BTDC | 60 CAD BTDC | 50% | 50% |
| D25A75_20BTDC | 20 CAD BTDC | 25% | 75% |
| D25A75_30BTDC | 30 CAD BTDC | 25% | 75% |
| D25A75_40BTDC | 40 CAD BTDC | 25% | 75% |
| D25A75_50BTDC | 50 CAD BTDC | 25% | 75% |
| D25A75_60BTDC | 60 CAD BTDC | 25% | 75% |
| Parameters | Details |
|---|---|
| Engine speed | 1200 RPM |
| Common rail pressure | 700 bar |
| Injection duration | 800 µs |
| Air intake pressure | 1 bar |
| Air intake temperature | 298 K |
| Statistical Parameter | Value |
|---|---|
| R2 | 0.9998 |
| RSME | 0.0129 |
Disclaimer/Publisher’s Note: The statements, opinions and data contained in all publications are solely those of the individual author(s) and contributor(s) and not of MDPI and/or the editor(s). MDPI and/or the editor(s) disclaim responsibility for any injury to people or property resulting from any ideas, methods, instructions or products referred to in the content. |
© 2024 by the authors. Licensee MDPI, Basel, Switzerland. This article is an open access article distributed under the terms and conditions of the Creative Commons Attribution (CC BY) license (https://creativecommons.org/licenses/by/4.0/).
Share and Cite
Ali; Lim, O. Numerical Investigation of Combustion and Emission Characteristics of the Single-Cylinder Diesel Engine Fueled with Diesel-Ammonia Mixture. Energies 2024, 17, 5782. https://doi.org/10.3390/en17225782
Ali, Lim O. Numerical Investigation of Combustion and Emission Characteristics of the Single-Cylinder Diesel Engine Fueled with Diesel-Ammonia Mixture. Energies. 2024; 17(22):5782. https://doi.org/10.3390/en17225782
Chicago/Turabian StyleAli, and Ocktaeck Lim. 2024. "Numerical Investigation of Combustion and Emission Characteristics of the Single-Cylinder Diesel Engine Fueled with Diesel-Ammonia Mixture" Energies 17, no. 22: 5782. https://doi.org/10.3390/en17225782
APA StyleAli, & Lim, O. (2024). Numerical Investigation of Combustion and Emission Characteristics of the Single-Cylinder Diesel Engine Fueled with Diesel-Ammonia Mixture. Energies, 17(22), 5782. https://doi.org/10.3390/en17225782

