Grid-Connected Converters: A Brief Survey of Topologies, Output Filters, Current Control, and Weak Grids Operation
Abstract
1. Applicability of Grid-Connected Converters
- It highlights the importance of understanding the different topologies, output filters, and current control strategies used in these power converters;
- It also discusses the challenges associated with weak grids operation, and presents possible solutions already discussed in the literature;
- Its contribution lies in its concise and accessible overview of the field, making it a possible starting point for researchers and engineers seeking to understand or to become updated on the current state-of-the-art regarding GCCs topologies, current control structures, and weak grids operation.
2. Topologies
2.1. The Line Commutated Converter
LCC Twelve-Pulse Bridge
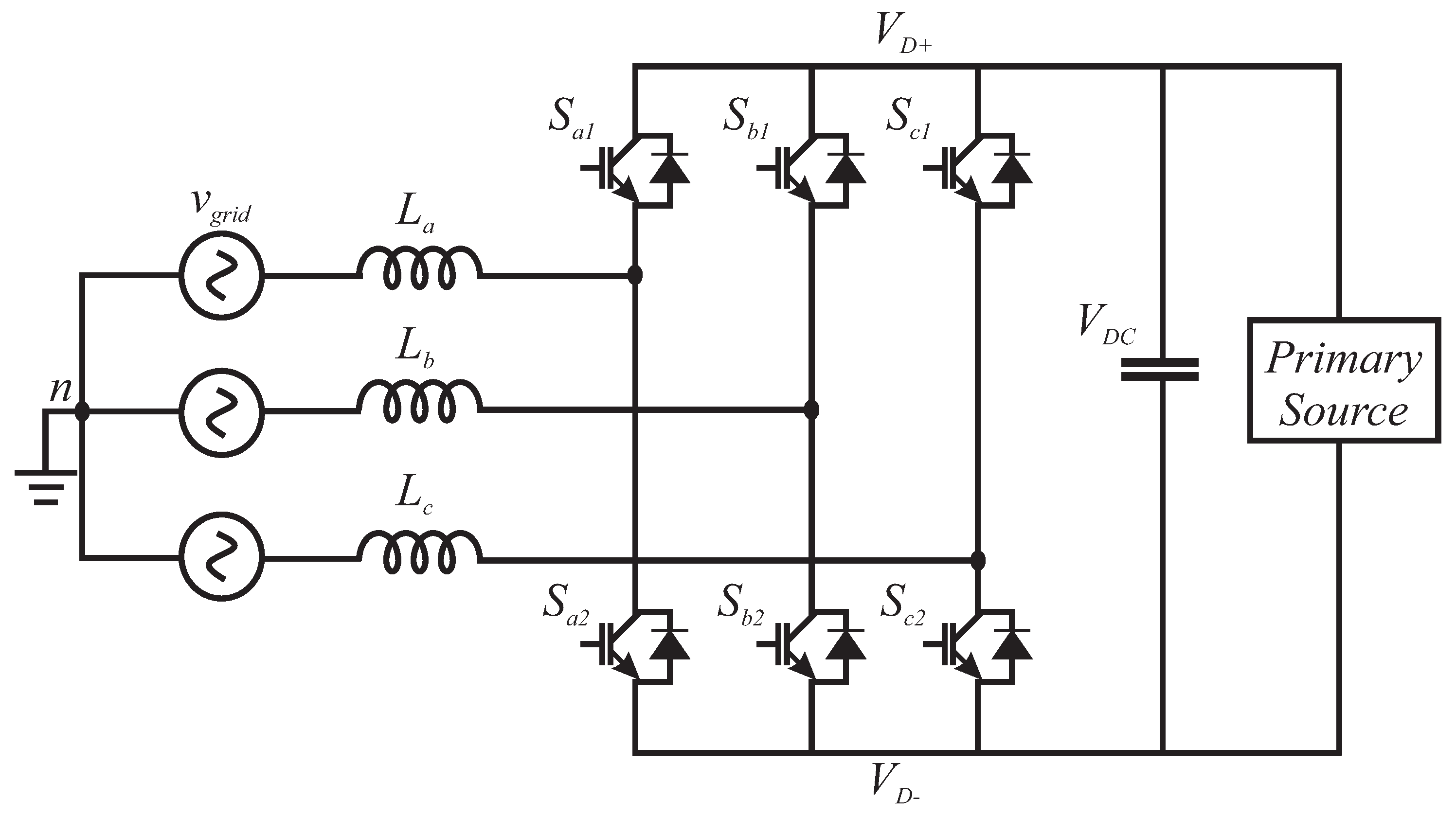
2.2. The Voltage Source Converter
| LCC and VSC Performance Comparison | ||
|---|---|---|
| Property | LCC | VSC |
| Commutation | Requires AC waveform for commutation | Does not need AC waveform for commutation |
| System Cost | Higher cost—requires filtering equipment | Low cost, low filtering requirements |
| Power Factor | Needs reactive power supply | Low cost, active and reactive power controls |
| Harmonics | High harmonics | Low harmonics |
| System Cost | Higher cost—requires filtering equipment | Low cost, low filtering requirements |
| Power Flow | Voltage polarity needs to be reversed | Bi-directional current flow |
| Voltage and Power Level | High voltage/power level—800 KV | Low voltage/power level—500 KV |
| Energy Storage Element | Inductor | Capacitor |
| Overload Capability | Good | Weak |
| P and Q Control | Dependent P and Q control | Independent P and Q control |
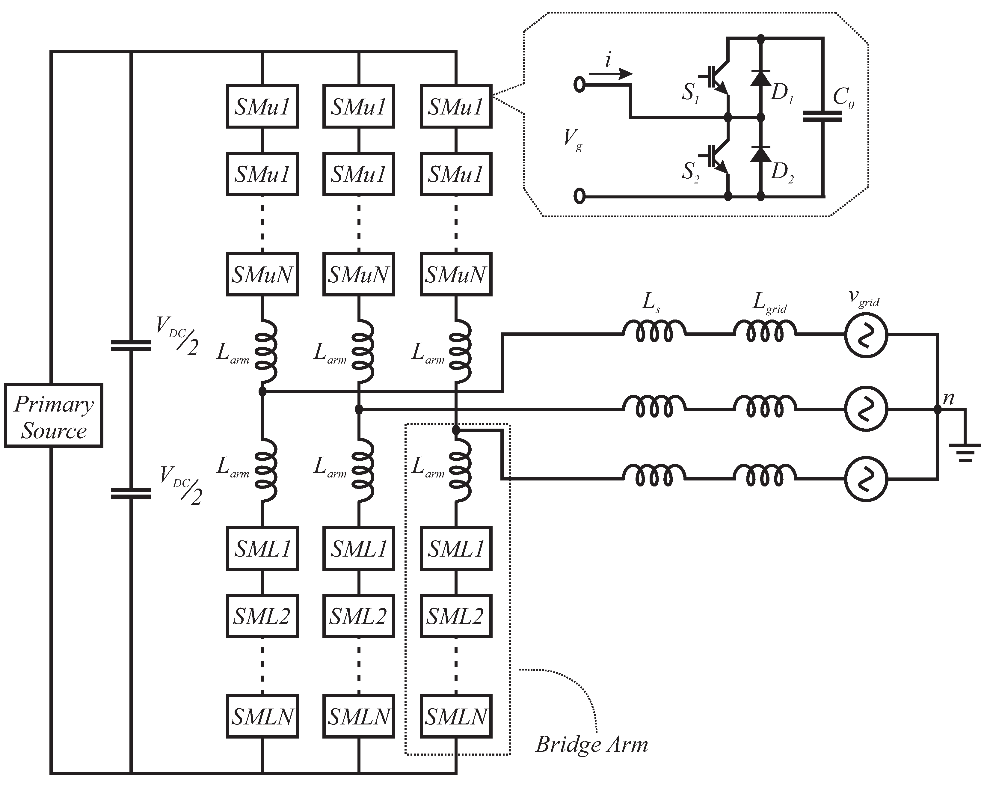
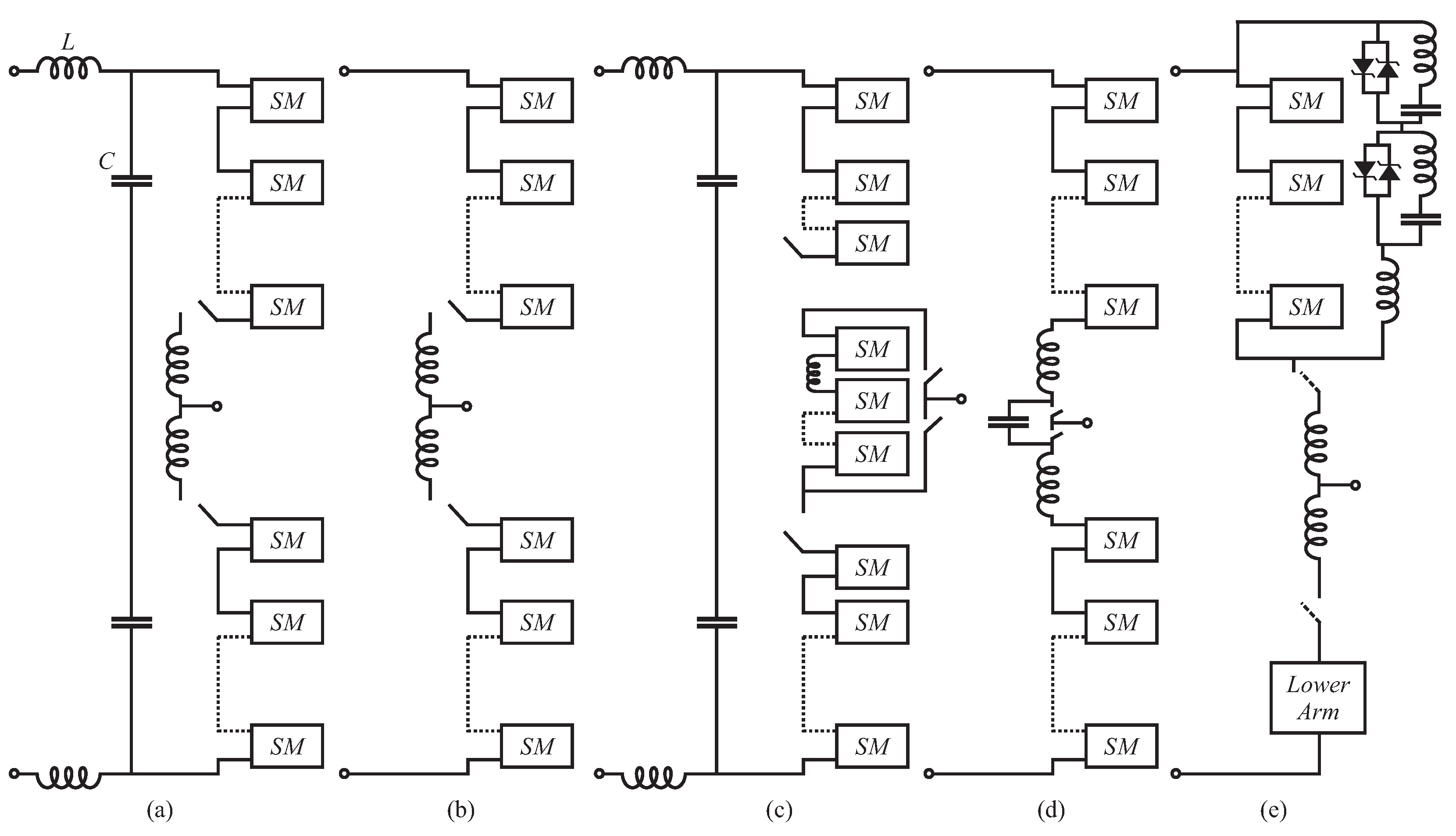
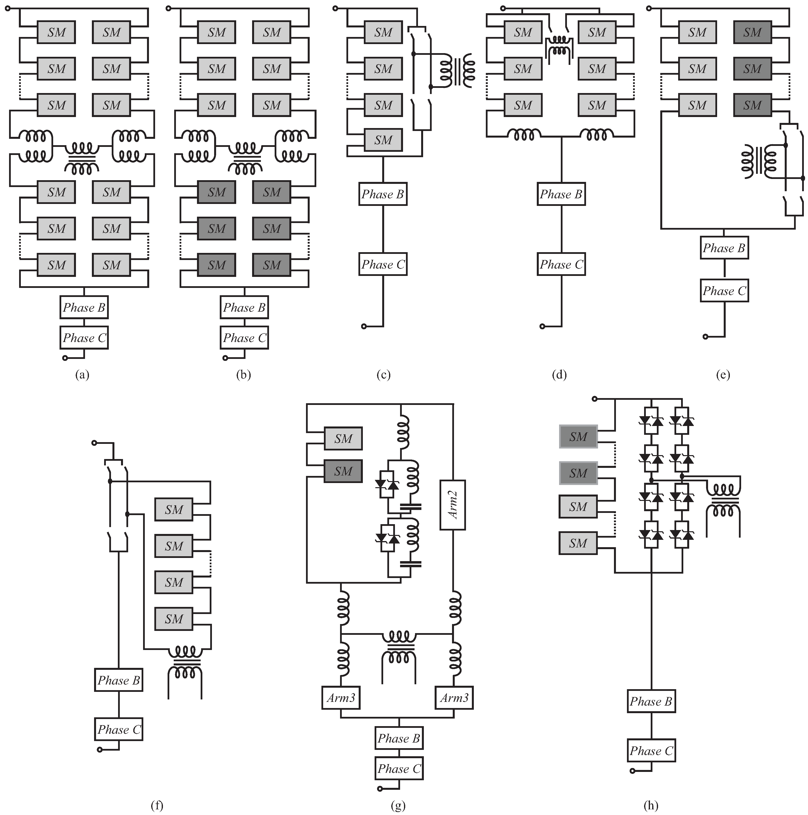
2.3. The Modular Multilevel Converter
2.3.1. Parallel-Connected MMC Topologies
2.3.2. Series-Connected MMC Topologies
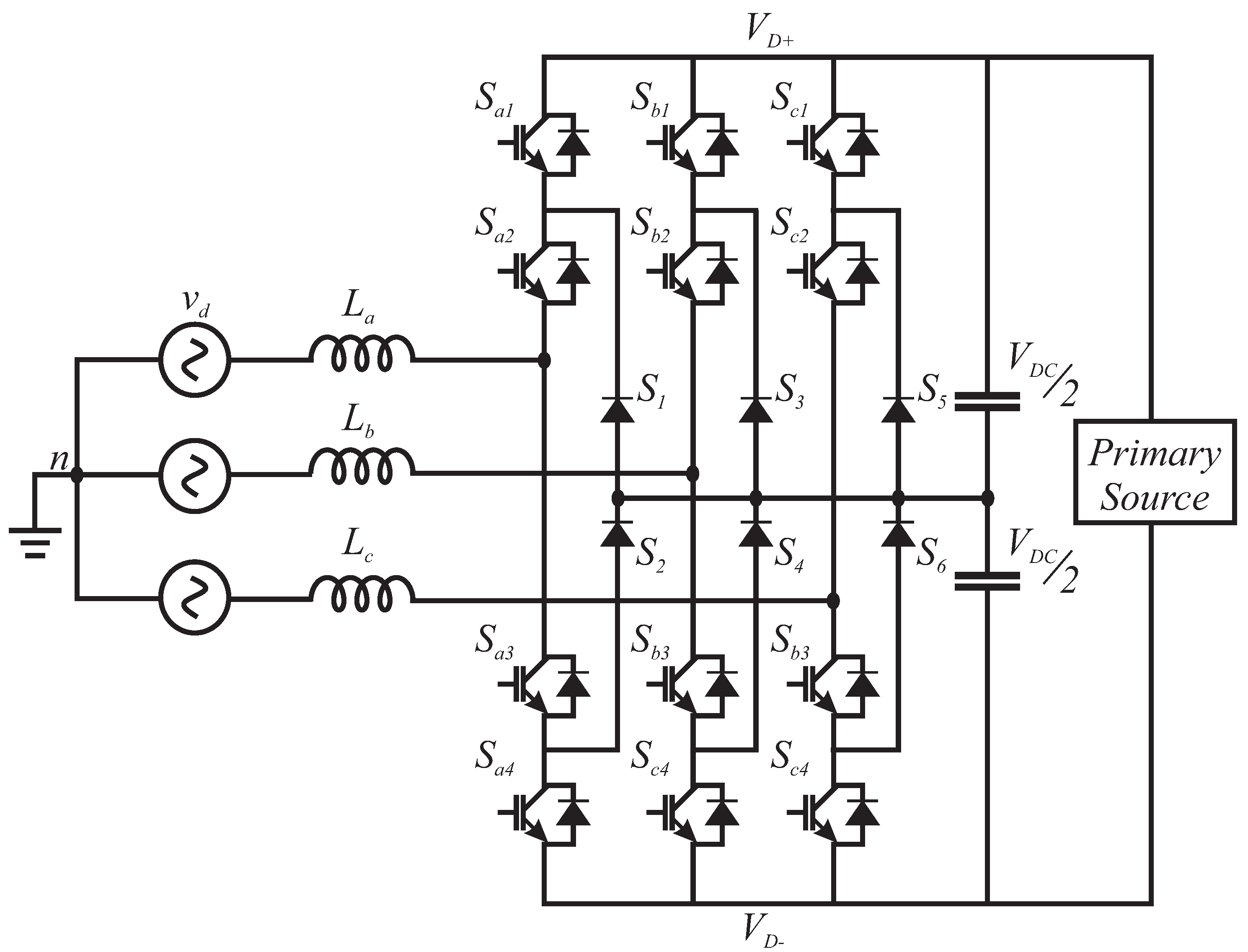
2.4. Z-Source and Quasi-Z-Source Topologies
2.5. Section Discussion
3. Output Filters for GCCs
3.1. Passive Damping
3.2. Active Damping
3.3. Section Discussion
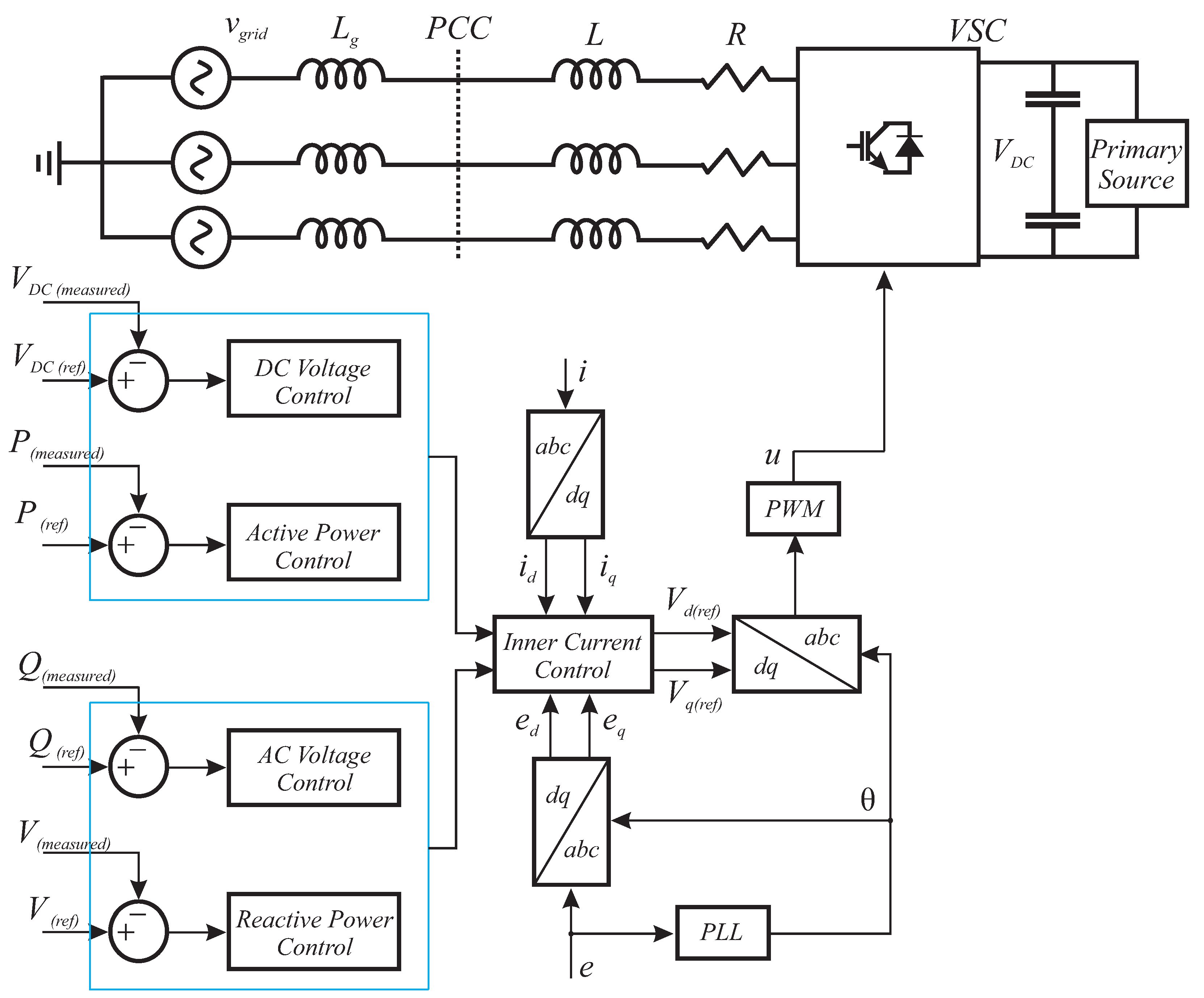
4. Current Control of GCCs
Section Discussion
5. GCCs Operating under Weak and Very Weak Grids
5.1. SCR Calculation
5.2. A Weak Grid Case Study of a Three-Phase GCC with an LCL Filter
- The LCL filter capacitor must have its value limited by the reactive power of the system, at less than 5% of the total power.
- The value of the LCL filter inductors must be optimized in order to reduce the voltage drop in the resistors.
- The filter’s resonant frequency, , cannot interfere with low frequencies, and at the same time, it should be slightly lower than the Nyquist frequency. So, , where Hz and kHz.
- The value of the damping resistor, , must be optimized in order to reduce the losses by the Joule effect, also taking into account the dynamics of the filter and its resonant frequency. However, the system will be designed without , considering an active damping.
5.3. Section Discussion
6. Conclusions
Author Contributions
Funding
Data Availability Statement
Conflicts of Interest
References
- Parizy, E.S.; Choi, S.; Bahrami, H.R. Grid-specific co-optimization of incentive for generation planning in power systems with renewable energy sources. IEEE Trans. Sustain. Energy 2019, 11, 947–957. [Google Scholar] [CrossRef]
- Ali Khan, M.Y.; Liu, H.; Yang, Z.; Yuan, X. A comprehensive review on grid connected photovoltaic inverters, their modulation techniques, and control strategies. Energies 2020, 13, 4185. [Google Scholar] [CrossRef]
- Zhang, J.; Bi, T.; Liu, H. Dynamic state estimation of a grid-connected converter of a renewable generation system using adaptive cubature Kalman filtering. Int. J. Electr. Power Energy Syst. 2022, 143, 108470. [Google Scholar] [CrossRef]
- Chaturvedi, S.; Fulwani, D.; Patel, D. Dynamic Virtual Impedance-Based Second-Order Ripple Regulation in DC Microgrids. IEEE J. Emerg. Sel. Top. Power Electron. 2022, 10, 1075–1083. [Google Scholar] [CrossRef]
- Chaturvedi, S.; Fulwani, D.M. Second Order Ripple Reduction in Switched Boost Inverter For Standalone Nanogrid Applications. In Proceedings of the 2019 IEEE 4th International Future Energy Electronics Conference (IFEEC), Singapore, 25–28 November 2019; pp. 1–6. [Google Scholar] [CrossRef]
- Chaturvedi, S.; Wang, M.; Fan, Y.; Fulwani, D.; Hollweg, G.V.; Khan, S.A.; Su, W. Control Methodologies to Mitigate and Regulate Second-Order Ripples in DC–AC Conversions and Microgrids: A Brief Review. Energies 2023, 16, 817. [Google Scholar] [CrossRef]
- Xie, Z.; Chen, Y.; Wu, W.; Xu, Y.; Wang, H.; Guo, J.; Luo, A. Modeling and control parameters design for grid-connected inverter system considering the effect of PLL and grid impedance. IEEE Access 2019, 8, 40474–40484. [Google Scholar] [CrossRef]
- Hollweg, G.V.; de Oliveira Evald, P.J.D.; Mattos, E.; Tambara, R.V.; Gründling, H.A. Feasibility Assessment of Adaptive Sliding Mode Controllers for Grid-Tied Inverters with LCL Filter. J. Control Autom. Electr. Syst. 2022, 33, 434–447. [Google Scholar] [CrossRef]
- Ma, K.; Wang, J.; Cai, X.; Blaabjerg, F. AC grid emulations for advanced testing of grid-connected converters—An overview. IEEE Trans. Power Electron. 2020, 36, 1626–1645. [Google Scholar] [CrossRef]
- Taul, M.G.; Wang, X.; Davari, P.; Blaabjerg, F. An overview of assessment methods for synchronization stability of grid-connected converters under severe symmetrical grid faults. IEEE Trans. Power Electron. 2019, 34, 9655–9670. [Google Scholar] [CrossRef]
- Boukezata, B.; Chaoui, A.; Gaubert, J.P.; Hachemi, M. Power quality improvement by an active power filter in grid-connected photovoltaic systems with optimized direct power control strategy. Electr. Power Components Syst. 2016, 44, 2036–2047. [Google Scholar] [CrossRef]
- Patel, N.; Gupta, N.; Babu, B.C. Design, development, and implementation of grid-connected solar photovoltaic power conversion system. Energy Sources Part A Recover. Util. Environ. Eff. 2021, 43, 2915–2934. [Google Scholar] [CrossRef]
- Aouichak, I.; Jacques, S.; Bissey, S.; Reymond, C.; Besson, T.; Le Bunetel, J.C. A Bidirectional Grid-Connected DC–AC Converter for Autonomous and Intelligent Electricity Storage in the Residential Sector. Energies 2022, 15, 1194. [Google Scholar] [CrossRef]
- Silva, R.M.; Cupertino, A.F.; Rezende, G.M.; Sousa, C.V.; Mendes, V.F. Power control strategies for grid connected converters applied to full-scale wind energy conversion systems during LVRT operation. Electr. Power Syst. Res. 2020, 184, 106279. [Google Scholar] [CrossRef]
- Srivastava, A.; Bajpai, R. Model predictive control of grid-connected wind energy conversion system. IETE J. Res. 2020, 68, 3474–3486. [Google Scholar] [CrossRef]
- Rosyadi, M.; Umemura, A.; Takahashi, R.; Tamura, J. Detailed and Average Models of a Grid-Connected MMC-Controlled Permanent Magnet Wind Turbine Generator. Appl. Sci. 2022, 12, 1619. [Google Scholar] [CrossRef]
- Hussain, N.; Nasir, M.; Vasquez, J.C.; Guerrero, J.M. Recent developments and challenges on AC microgrids fault detection and protection systems—A review. Energies 2020, 13, 2149. [Google Scholar] [CrossRef]
- Estabragh, M.R.; Dastfan, A.; Rahimiyan, M. Parallel AC-DC interlinking converters in the proposed grid-connected hybrid AC-DC microgrid; planning. Electr. Power Syst. Res. 2021, 200, 107476. [Google Scholar] [CrossRef]
- Harbi, I.; Ahmed, M.; Rodríguez, J.; Kennel, R.; Abdelrahem, M. A Nine-Level T-Type Converter for Grid-Connected Distributed Generation. IEEE J. Emerg. Sel. Top. Power Electron. 2022, 10, 5904–5920. [Google Scholar] [CrossRef]
- Dias de Oliveira Evald, P.J.; Vieira Hollweg, G.; Varella Tambara, R.; Gründling, H.A. A new discrete-time PI-RMRAC for grid-side currents control of grid-tied three-phase power converter. Int. Trans. Electr. Energy Syst. 2021, 31, e12982. [Google Scholar] [CrossRef]
- Hollweg, G.V.; de Oliveira Evald, P.J.D.; Tambara, R.V.; Gründling, H.A. A Robust Adaptive Super-Twisting Sliding Mode Controller applied on grid-tied power converter with an LCL filter. Control Eng. Pract. 2022, 122, 105104. [Google Scholar] [CrossRef]
- Milbradt, D.M.C.; Hollweg, G.V.; de Oliveira Evald, P.J.D.; da Silveira, W.B.; Gründling, H.A. A robust adaptive One Sample Ahead Preview controller for grid-injected currents of a grid-tied power converter with an LCL filter. Int. J. Electr. Power Energy Syst. 2022, 142, 108286. [Google Scholar] [CrossRef]
- Rakhshani, E.; Rouzbehi, K.; Elsaharty, M.A.; Cortes, P.R. Heuristic optimization of supplementary controller for VSC-HVDC/AC interconnected grids considering PLL. Electr. Power Components Syst. 2017, 45, 288–301. [Google Scholar] [CrossRef]
- Elserougi, A.A.; Massoud, A.M.; Ahmed, S. A grid-connected capacitor-tapped multimodule converter for HVDC applications: Operational concept and control. IEEE Trans. Ind. Appl. 2018, 54, 5523–5535. [Google Scholar] [CrossRef]
- Yang, J.; He, Z.; Ke, J.; Xie, M. A new hybrid multilevel DC–AC converter with reduced energy storage requirement and power losses for HVDC applications. IEEE Trans. Power Electron. 2018, 34, 2082–2096. [Google Scholar] [CrossRef]
- Savio, D.A.; Juliet, V.A.; Chokkalingam, B.; Padmanaban, S.; Holm-Nielsen, J.B.; Blaabjerg, F. Photovoltaic integrated hybrid microgrid structured electric vehicle charging station and its energy management approach. Energies 2019, 12, 168. [Google Scholar] [CrossRef]
- Piasecki, S.; Zaleski, J.; Jasinski, M.; Bachman, S.; Turzyński, M. Analysis of AC/DC/DC Converter Modules for Direct Current Fast-Charging Applications. Energies 2021, 14, 6369. [Google Scholar] [CrossRef]
- Mihet-Popa, L.; Saponara, S. Toward green vehicles digitalization for the next generation of connected and electrified transport systems. Energies 2018, 11, 3124. [Google Scholar] [CrossRef]
- Alenius, H. Modeling and Electrical Emulation of Grid Impedance for Stability Studies of Grid-Connected Converters. Master’s Thesis, Tampere University of Technology, Tampere, Finland, 2018. [Google Scholar]
- Liu, Q.; Caldognetto, T.; Buso, S. Stability analysis and auto-tuning of interlinking converters connected to weak grids. IEEE Trans. Power Electron. 2019, 34, 9435–9446. [Google Scholar] [CrossRef]
- Alenius, H.; Luhtala, R.; Messo, T.; Roinila, T. Autonomous reactive power support for smart photovoltaic inverter based on real-time grid-impedance measurements of a weak grid. Electr. Power Syst. Res. 2020, 182, 106207. [Google Scholar] [CrossRef]
- Photovoltaics, D.G.; Storage, E. IEEE standard for interconnection and interoperability of distributed energy resources with associated electric power systems interfaces. IEEE Stand. 2018, 1547, 1547–2018. [Google Scholar]
- Lian, J.; Zhang, Y.; Ma, C.; Yang, Y.; Chaima, E. A review on recent sizing methodologies of hybrid renewable energy systems. Energy Convers. Manag. 2019, 199, 112027. [Google Scholar] [CrossRef]
- Bose, B.K. Power electronics, smart grid, and renewable energy systems. Proc. IEEE 2017, 105, 2011–2018. [Google Scholar] [CrossRef]
- Tadjer, M.J. Toward gallium oxide power electronics. Science 2022, 378, 724–725. [Google Scholar] [CrossRef]
- Kizilyalli, I.C.; Spahn, O.B.; Carlson, E.P. Recent Progress in Wide-Bandgap Semiconductor Devices for a More Electric Future. ECS Trans. 2022, 109, 3. [Google Scholar] [CrossRef]
- Abu-Rub, H.; Malinowski, M.; Al-Haddad, K. Power Electronics for Renewable Energy Systems, Transportation and Industrial Applications; John Wiley & Sons: Hoboken, NJ, USA, 2014. [Google Scholar]
- Jaalam, N.; Rahim, N.; Bakar, A.; Tan, C.; Haidar, A.M. A comprehensive review of synchronization methods for grid-connected converters of renewable energy source. Renew. Sustain. Energy Rev. 2016, 59, 1471–1481. [Google Scholar] [CrossRef]
- Khan, S.A.; Ansari, J.A.; Chandio, R.H.; Munir, H.M.; Alharbi, M.; Alkuhayli, A. AI based controller optimization for VSC-MTDC grids. Front. Energy Res. 2022, 10, 01–11. [Google Scholar] [CrossRef]
- Khan, S.A.; Liu, C.; Ansari, J.A. Unified Voltage Droop Control Strategy for VSC-MTDC in HVDC System; IET: London, UK, 2021; pp. 846–851. [Google Scholar]
- Shabestary, M.M.; Mohamed, Y.A.R.I. Advanced voltage support and active power flow control in grid-connected converters under unbalanced conditions. IEEE Trans. Power Electron. 2017, 33, 1855–1864. [Google Scholar] [CrossRef]
- Khan, S.A.; Wang, M.; Su, W.; Liu, G.; Chaturvedi, S. Grid-Forming Converters for Stability Issues in Future Power Grids. Energies 2022, 15, 4937. [Google Scholar] [CrossRef]
- Yuan, X.; Hu, J.; Cheng, S. Multi-time scale dynamics in power electronics-dominated power systems. Front. Mech. Eng. 2017, 12, 303–311. [Google Scholar] [CrossRef]
- Alepuz, S.; Busquets-Monge, S.; Bordonau, J.; Martínez-Velasco, J.A.; Silva, C.A.; Pontt, J.; Rodríguez, J. Control strategies based on symmetrical components for grid-connected converters under voltage dips. IEEE Trans. Ind. Electron. 2009, 56, 2162–2173. [Google Scholar] [CrossRef]
- Zha, X.; Huang, M.; Liu, Y.; Tian, Z. An overview on safe operation of grid-connected converters from resilience perspective: Analysis and design. Int. J. Electr. Power Energy Syst. 2022, 143, 108511. [Google Scholar] [CrossRef]
- Ngo, T.; Santoso, S. Grid-connected photovoltaic converters: Topology and grid interconnection. J. Renew. Sustain. Energy 2014, 6, 032901. [Google Scholar] [CrossRef]
- Akrami, A.; Doostizadeh, M.; Aminifar, F. Power system flexibility: An overview of emergence to evolution. J. Mod. Power Syst. Clean Energy 2019, 7, 987–1007. [Google Scholar] [CrossRef]
- Moses Jeremiah Barasa Kabey, O.A.O. Sustainable Energy Transition for Renewable and Low Carbon Grid Electricity Generation and Supply. Front. Energy Res. 2022, 9, 1032–1077. [Google Scholar] [CrossRef]
- Yang, Z.; Chai, Y. A survey of fault diagnosis for onshore grid-connected converter in wind energy conversion systems. Renew. Sustain. Energy Rev. 2016, 66, 345–359. [Google Scholar] [CrossRef]
- Hou, C.C.; Shih, C.C.; Cheng, P.T.; Hava, A.M. Common-mode voltage reduction pulsewidth modulation techniques for three-phase grid-connected converters. IEEE Trans. Power Electron. 2012, 28, 1971–1979. [Google Scholar] [CrossRef]
- Massing, J.R.; Stefanello, M.; Grundling, H.A.; Pinheiro, H. Adaptive current control for grid-connected converters with LCL filter. IEEE Trans. Ind. Electron. 2011, 59, 4681–4693. [Google Scholar] [CrossRef]
- Azmi, S.; Ahmed, K.; Finney, S.; Williams, B. Comparative Analysis Between Voltage and Current Source Inverters in Grid-Connected Application; IET: London, UK, 2011. [Google Scholar]
- Xu, L.; Andersen, B.R. Grid connection of large offshore wind farms using HVDC. Wind Energy 2006, 9, 371–382. [Google Scholar] [CrossRef]
- Oni, O.E.; Davidson, I.E.; Mbangula, K.N. A review of LCC-HVDC and VSC-HVDC technologies and applications. In Proceedings of the 2016 IEEE 16th International Conference on Environment and Electrical Engineering (EEEIC), Florence, Italy, 7–10 June 2016; IEEE: Piscataway, NJ, USA, 2016; pp. 1–7. [Google Scholar]
- Chaudhuri, N.R.; Majumder, R.; Chaudhuri, B.; Pan, J. Stability analysis of VSC MTDC grids connected to multimachine AC systems. IEEE Trans. Power Deliv. 2011, 26, 2774–2784. [Google Scholar] [CrossRef]
- Vighetti, S.; Ferrieux, J.P.; Lembeye, Y. Optimization and design of a cascaded DC/DC converter devoted to grid-connected photovoltaic systems. IEEE Trans. Power Electron. 2011, 27, 2018–2027. [Google Scholar] [CrossRef]
- Ndreko, M.; Bucurenciu, A.M.; Popov, M.; van der Meijden, M.A. On grid code compliance of offshore mtdc grids: Modeling and analysis. In Proceedings of the 2015 IEEE Eindhoven PowerTech, Eindhoven, The Netherlands, 29 June–2 July 2015; IEEE: Piscataway, NJ, USA, 2015; pp. 1–6. [Google Scholar]
- Ramirez, D.; Zarei, M.E.; Gupta, M.; Serrano, J. Fast model-based predictive control (FMPC) for grid connected modular multilevel converters (MMC). Int. J. Electr. Power Energy Syst. 2020, 119, 105951. [Google Scholar] [CrossRef]
- Flourentzou, N.; Agelidis, V.G.; Demetriades, G.D. VSC-based HVDC power transmission systems: An overview. IEEE Trans. Power Electron. 2009, 24, 592–602. [Google Scholar] [CrossRef]
- Mirsaeidi, S.; Dong, X. An enhanced strategy to inhibit commutation failure in line-commutated converters. IEEE Trans. Ind. Electron. 2019, 67, 340–349. [Google Scholar] [CrossRef]
- Guo, C.; Li, C.; Zhao, C.; Ni, X.; Zha, K.; Xu, W. An evolutional line-commutated converter integrated with thyristor-based full-bridge module to mitigate the commutation failure. IEEE Trans. Power Electron. 2016, 32, 967–976. [Google Scholar] [CrossRef]
- Villablanca, M.; Nadal, J.; Cruzat, F.; Rojas, W. Harmonic improvement in 12-pulse series-connected line-commutated rectifiers. IET Power Electron. 2009, 2, 466–473. [Google Scholar] [CrossRef]
- Rezek, A.J.; de Abreu, J.P.; da Silva, V.F.; Vicente, J.; Cortez, J.; Vicentini, O.; de Sá, A.; Miskulin, M. Power factor improvement of line-commutated graetz converters by increasing their number of pulses: Modeling and experimental results. In Proceedings of the 10th International Conference on Harmonics and Quality of Power, Rio de Janeiro, Brazil, 6–9 October 2002; Proceedings (Cat. No. 02EX630). IEEE: Piscataway, NJ, USA, 2002; Volume 1, pp. 60–65. [Google Scholar]
- Salvado, F.; de Almeida, N.M.; e Azevedo, A.V. Toward improved LCC-informed decisions in building management. Built Environ. Proj. Asset Manag. 2018, 8, 114–133. [Google Scholar] [CrossRef]
- Takahashi, I.; Nabae, A. Universal power distortion compensator of line commutated thyristor converter. In Proceedings of the Conference Record, Industry Applications Society, IEEE-IAS Annual Meeting, Ithaca, NY, USA, 28 September 1980; pp. 858–864. [Google Scholar]
- Liu, X.; Ma, W.; Jia, H.; Dong, C. System adaptive AC filter for a line commutated converter high voltage DC transmission system. CSEE J. Power Energy Syst. 2019, 6, 901–910. [Google Scholar]
- Xiao, H.; Sun, K.; Pan, J.; Li, Y.; Liu, Y. Review of hybrid HVDC systems combining line communicated converter and voltage source converter. Int. J. Electr. Power Energy Syst. 2021, 129, 106713. [Google Scholar] [CrossRef]
- Rodríguez, J.; Bernet, S.; Wu, B.; Pontt, J.O.; Kouro, S. Multilevel voltage-source-converter topologies for industrial medium-voltage drives. IEEE Trans. Ind. Electron. 2007, 54, 2930–2945. [Google Scholar] [CrossRef]
- Bahrman, M.P.; Johansson, J.G.; Nilsson, B.A. Voltage source converter transmission technologies: The right fit for the application. In Proceedings of the 2003 IEEE Power Engineering Society General Meeting, Toronto, ON, Canada, 13–17 July 2003; (IEEE Cat. No. 03CH37491). IEEE: Piscataway, NJ, USA, 2003; Volume 3, pp. 1840–1847. [Google Scholar]
- Jovcic, D. Single-Phase and Three-Phase Two-Level VSC Converters. In High Voltage Direct Current Transmission; John Wiley & Sons: Hoboken, NJ, USA, 2019; pp. 181–191. [Google Scholar] [CrossRef]
- Zhong, Q.; Lin, L.; Wang, G.; Zhang, Y.; Wu, Z. Harmonic analysis model for voltage source converter under unbalanced conditions. IET Gener. Transm. Distrib. 2015, 9, 12–21. [Google Scholar] [CrossRef]
- Latorre, H.F.; Ghandhari, M.; Söder, L. Active and reactive power control of a VSC-HVdc. Electr. Power Syst. Res. 2008, 78, 1756–1763. [Google Scholar] [CrossRef]
- Agundis-Tinajero, G.; Segundo-Ramírez, J.; Peña-Gallardo, R.; Visairo-Cruz, N.; Núñez-Gutiérrez, C.; Guerrero, J.M.; Savaghebi, M. Harmonic issues assessment on PWM VSC-based controlled microgrids using Newton methods. IEEE Trans. Smart Grid 2016, 9, 1002–1011. [Google Scholar] [CrossRef]
- Gbadega, P.; Saha, A. Loss assessment of MMC-based VSC-HVDC converters using IEC 62751-1-2 Std. and component datasheet parameters. In Proceedings of the 2018 IEEE PES/IAS PowerAfrica, Cape Town, South Africa, 26–29 June 2018; IEEE: Piscataway, NJ, USA, 2018; pp. 1–9. [Google Scholar]
- Lindgren, M.; Svensson, J. Control of a voltage-source converter connected to the grid through an LCL-filter-application to active filtering. In Proceedings of the PESC 98 Record. 29th Annual IEEE Power Electronics Specialists Conference (Cat. No. 98CH36196), Fukuoka, Japan, 22 May 1998; IEEE: Piscataway, NJ, USA, 1998; Volume 1, pp. 229–235. [Google Scholar]
- Zaragoza, J.; Pou, J.; Ceballos, S.; Robles, E.; Ibanez, P.; Villate, J.L. A comprehensive study of a hybrid modulation technique for the neutral-point-clamped converter. IEEE Trans. Ind. Electron. 2008, 56, 294–304. [Google Scholar] [CrossRef]
- He, J.; Li, Y.W. Centralized Fuzzy Logic Based Optimization of PI Controllers for VSC Control in MTDC Network. J. Electr. Eng. Technol. 2020, 15, 2577–2585. [Google Scholar]
- Sun, K.; Xiao, H.; Liu, S.; Liu, Y. Machine learning-based fast frequency response control for a VSC-HVDC system. CSEE J. Power Energy Syst. 2021, 7, 688–697. [Google Scholar] [CrossRef]
- Pegueroles-Queralt, J.; Bianchi, F.; Gomis-Bellmunt, O. Optimal Droop Control for Voltage Source Converters in Islanded Microgrids. IFAC Proc. Vol. 2012, 45, 566–571. [Google Scholar] [CrossRef]
- Zou, Z.X.; Liserre, M. Modeling phase-locked loop-based synchronization in grid-interfaced converters. IEEE Trans. Energy Convers. 2019, 35, 394–404. [Google Scholar] [CrossRef]
- Zhao, J.; Huang, M.; Yan, H.; Chi, K.T.; Zha, X. Nonlinear and transient stability analysis of phase-locked loops in grid-connected converters. IEEE Trans. Power Electron. 2020, 36, 1018–1029. [Google Scholar] [CrossRef]
- Xu, W.; Huang, C.; Jiang, H. Analyses and enhancement of linear Kalman-filter-based phase-locked loop. IEEE Trans. Instrum. Meas. 2021, 70, 1–10. [Google Scholar] [CrossRef]
- Paghdar, S.; Sipai, U.; Ambasana, K.; Chauhan, P.J. Active and reactive power control of grid connected distributed generation system. In Proceedings of the 2017 Second International Conference on Electrical, Computer and Communication Technologies (ICECCT), Tamil Nadu, India, 22–24 February 2017; pp. 1–7. [Google Scholar] [CrossRef]
- Egea-Alvarez, A.; Fekriasl, S.; Hassan, F.; Gomis-Bellmunt, O. Advanced vector control for voltage source converters connected to weak grids. IEEE Trans. Power Syst. 2015, 30, 3072–3081. [Google Scholar] [CrossRef]
- Stanojev, O.; Markovic, U.; Aristidou, P.; Hug, G.; Callaway, D.S.; Vrettos, E. MPC-based fast frequency control of voltage source converters in low-inertia power systems. IEEE Trans. Power Syst. 2020, 37, 3209–3220. [Google Scholar] [CrossRef]
- Yu, M.; Dyśko, A.; Booth, C.D.; Roscoe, A.J.; Zhu, J. A review of control methods for providing frequency response in VSC-HVDC transmission systems. In Proceedings of the 2014 49th International Universities Power Engineering Conference (UPEC), Cluj, Romania, 2–5 September 2014; IEEE: Piscataway, NJ, USA, 2014; pp. 1–6. [Google Scholar]
- Yazdani, A.; Iravani, R. Variable-Frequency VSC System. In Voltage-Sourced Converters in Power Systems: Modeling, Control, and Applications; IEEE Press: Piscataway, NJ, USA, 2010; pp. 270–310. [Google Scholar] [CrossRef]
- Feltes, C.; Erlich, I. Variable frequency operation of DFIG based wind farms connected to the grid through VSC-HVDC link. In Proceedings of the 2007 IEEE Power Engineering Society General Meeting, Tampa, FL, USA, 24–28 June 2007; IEEE: Piscataway, NJ, USA, 2007; pp. 1–7. [Google Scholar]
- IEA, P. Status of Power System Transformation 2019. In Status of Power System Transformation 2019; IEA: Paris, France, 2019. [Google Scholar]
- Tian, Y.; Wickramasinghe, H.; Li, Z.; Pou, J.; Konstantinou, G. Review, Classification and Loss Comparison of Modular Multilevel Converter Submodules for HVDC Applications. Energies 2022, 15, 1985. [Google Scholar] [CrossRef]
- Lesnicar, A.; Marquardt, R. An innovative modular multilevel converter topology suitable for a wide power range. In Proceedings of the 2003 IEEE Bologna Power Tech Conference Proceedings, Bologna, Italy, 23–26 June 2003; Volume 3, p. 6. [Google Scholar] [CrossRef]
- Raju, N.; Jinkala, S.; Mandi, R.P.; Meera, K.S. Modular multilevel converters technology: A comprehensive study on its topologies, modelling, control and applications. IET Power Electron. 2019, 12, 149–169. [Google Scholar] [CrossRef]
- Sharifabadi, K.; Harnefors, L.; Nee, H.P.; Norrga, S.; Teodorescu, R. MMC-HVDC Transmission Technology and MTDC Networks. In Design, Control, and Application of Modular Multilevel Converters for HVDC Transmission Systems; IEEE Press: Piscataway, NJ, USA, 2016; pp. 336–372. [Google Scholar] [CrossRef]
- Ansari, J.A.; Liu, C.; Khan, S.A. MMC Based MTDC Grids: A Detailed Review on Issues and Challenges for Operation, Control and Protection Schemes. IEEE Access 2020, 8, 168154–168165. [Google Scholar] [CrossRef]
- Wu, L.; Qin, J.; Saeedifard, M.; Wasynczuk, O.; Shenai, K. Efficiency Evaluation of the Modular Multilevel Converter Based on Si and SiC Switching Devices for Medium/High-Voltage Applications. IEEE Trans. Electron Devices 2015, 62, 286–293. [Google Scholar] [CrossRef]
- Oates, C. Modular multilevel converter design for VSC HVDC applications. IEEE J. Emerg. Sel. Top. Power Electron. 2014, 3, 505–515. [Google Scholar] [CrossRef]
- Khan, D.; Ahmed Ansari, J.; Aziz Khan, S.; Abrar, U. Power Optimization Control Scheme for Doubly Fed Induction Generator Used in Wind Turbine Generators. Inventions 2020, 5, 40. [Google Scholar] [CrossRef]
- Priya, M.; Ponnambalam, P.; Muralikumar, K. Modular-multilevel converter topologies and applications–a review. IET Power Electron. 2019, 12, 170–183. [Google Scholar] [CrossRef]
- Perez, M.A.; Bernet, S.; Rodriguez, J.; Kouro, S.; Lizana, R. Circuit topologies, modeling, control schemes, and applications of modular multilevel converters. IEEE Trans. Power Electron. 2014, 30, 4–17. [Google Scholar] [CrossRef]
- Kenzelmann, S.; Rufer, A.; Dujic, D.; Canales, F.; De Novaes, Y. A versatile DC/DC converter based on modular multilevel converter for energy collection and distribution. In Proceedings of the IET Conference on Renewable Power Generation (RPG 2011), Edinburgh, UK, 6–8 September 2011; IET: London, UK, 2011; pp. 1–6. [Google Scholar]
- Narwal, A.; Kim, S.; Yousefpoor, N.; Bhattacharya, S. Performance evaluation and control of modular multilevel converter under system fault conditions. In Proceedings of the IECON 2013—39th Annual Conference of the IEEE Industrial Electronics Society, Vienna, Austria, 10–13 November 2013; pp. 6299–6304. [Google Scholar] [CrossRef]
- Alharbi, M.; Isik, S.; Bhattacharya, S. Reliability Comparison and Evaluation of MMC Based HVDC Systems. In Proceedings of the 2018 IEEE Electronic Power Grid (eGrid), Charleston, SC, USA, 12–14 November 2018; pp. 1–5. [Google Scholar] [CrossRef]
- Shadlu, M. Modeling and Capacitors Voltage Balancing Control of STATCOM Based on Modular Multilevel Converter. Int. J. Adv. Biotechnol. Res. (IJBR) 2016, 7, 1273–1282. [Google Scholar]
- Saeedifard, M.; Iravani, R. Dynamic Performance of a Modular Multilevel Back-to-Back HVDC System. IEEE Trans. Power Deliv. 2010, 25, 2903–2912. [Google Scholar] [CrossRef]
- Zhao, C.; Hu, Y.; Luan, K.; Xu, F.; Li, Z.; Wang, P.; Li, Y. Energy Storage Requirements Optimization of Full-Bridge MMC With Third-Order Harmonic Voltage Injection. IEEE Trans. Power Electron. 2019, 34, 11661–11678. [Google Scholar] [CrossRef]
- Wang, S.; Alsokhiry, F.; Adam, G. Impact of Submodule Faults on the Performance of Modular Multilevel Converters. Energies 2020, 13, 4089. [Google Scholar] [CrossRef]
- Tu, Q.; Xu, Z.; Xu, L. Reduced Switching-Frequency Modulation and Circulating Current Suppression for Modular Multilevel Converters. IEEE Trans. Power Deliv. 2011, 26, 2009–2017. [Google Scholar] [CrossRef]
- Liu, G.; Wang, M.; Khan, S.A.; Xi, L.; Xiao, K. Degradation Analysis of The Metallized Film Capacitance under Various Conditions in EV Applications. In Proceedings of the 2022 IEEE Transportation Electrification Conference & Expo (ITEC), Haining, China, 28–31 October 2022; IEEE: Piscataway, NJ, USA, 2022; pp. 512–516. [Google Scholar]
- Pou, J.; Ceballos, S.; Konstantinou, G.; Agelidis, V.G.; Picas, R.; Zaragoza, J. Circulating Current Injection Methods Based on Instantaneous Information for the Modular Multilevel Converter. IEEE Trans. Ind. Electron. 2015, 62, 777–788. [Google Scholar] [CrossRef]
- Siemaszko, D.; Antonopoulos, A.; Ilves, K.; Vasiladiotis, M.; Ängquist, L.; Nee, H.P. Evaluation of control and modulation methods for modular multilevel converters. In Proceedings of the 2010 International Power Electronics Conference-ECCE ASIA-, IPEC 2010, Sapporo, Japan, 21–24 June 2010; IEEE: Piscataway, NJ, USA, 2010; pp. 746–753. [Google Scholar]
- Jones, P.S.; Davidson, C.C. Calculation of power losses for MMC-based VSC HVDC stations. In Proceedings of the 2013 15th European Conference on Power Electronics and Applications (EPE), Lille, France, 2–6 September 2013; pp. 1–10. [Google Scholar] [CrossRef]
- Sun, P.; Wickramasinghe, H.R.; Konstantinou, G. AC and DC Fault Analysis in Hybrid Multi-Converter DC Grids. In Proceedings of the 2021 31st Australasian Universities Power Engineering Conference (AUPEC), Virtual, 26–30 September 2021; pp. 1–5. [Google Scholar] [CrossRef]
- Liu, X.; Sun, P.; Arraño-Vargas, F.; Konstantinou, G. Provision of Synthetic Inertia by Alternate Arm Converters in VSC-HVDC Systems. In Proceedings of the 2021 31st Australasian Universities Power Engineering Conference (AUPEC), Virtual, 26–30 September 2021; pp. 1–5. [Google Scholar] [CrossRef]
- Liang, B.; Li, Y. A review of DC/DC converter based on MMC. In Proceedings of the 2017 7th International Conference on Power Electronics Systems and Applications-Smart Mobility, Power Transfer & Security (PESA), Hong Kong, China, 12–14 December 2017; IEEE: Piscataway, NJ, USA, 2017; pp. 1–6. [Google Scholar]
- Sun, P.; Wickramasinghe, H.; Khalid, M.; Konstantinou, G. AC/DC fault handling and expanded DC power flow expression in hybrid multi-converter DC grids. Int. J. Electr. Power Energy Syst. 2022, 141, 107989. [Google Scholar] [CrossRef]
- Sun, P.; Tian, Y.; Pou, J.; Konstantinou, G. Beyond the MMC: Extended Modular Multilevel Converter Topologies and Applications. IEEE Open J. Power Electron. 2022, 3, 317–333. [Google Scholar] [CrossRef]
- Merlin, M.M.C.; Green, T.C.; Mitcheson, P.D.; Trainer, D.R.; Critchley, R.; Crookes, W.; Hassan, F. The Alternate Arm Converter: A New Hybrid Multilevel Converter With DC-Fault Blocking Capability. IEEE Trans. Power Deliv. 2014, 29, 310–317. [Google Scholar] [CrossRef]
- Wickramasinghe, H.R.; Sun, P.; Konstantinou, G. Interoperability of Modular Multilevel and Alternate Arm Converters in Hybrid HVDC Systems. Energies 2021, 14, 1363. [Google Scholar] [CrossRef]
- Sun, P.; Wickramasinghe, H.R.; Konstantinou, G. Hybrid Multiterminal HVDC System Based on Line-Commutated and Alternate Arm Converters. IEEE Trans. Power Deliv. 2022, 37, 993–1003. [Google Scholar] [CrossRef]
- Judge, P.D.; Merlin, M.M.C.; Green, T.C.; Trainer, D.R.; Vershinin, K. Thyristor-Bypassed Submodule Power-Groups for Achieving High-Efficiency, DC Fault Tolerant Multilevel VSCs. IEEE Trans. Power Deliv. 2018, 33, 349–359. [Google Scholar] [CrossRef]
- Hao, Q.; Ooi, B.T.; Gao, F.; Wang, C.; Li, N. Three-phase series-connected modular multilevel converter for HVDC application. IEEE Trans. Power Deliv. 2015, 31, 50–58. [Google Scholar] [CrossRef]
- Konstantinou, G.; Ciobotaru, M.; Agelidis, V. Selective harmonic elimination pulse-width modulation of modular multilevel converters. IET Power Electron. 2013, 6, 96–107. [Google Scholar] [CrossRef]
- Wang, C.; Yang, Y.; Long, Z.; Pan, X. A Novel Series-Connected Asymmetric Hybrid Modular Multilevel Converter for HVDC Tapping Application. IEEE Access 2019, 7, 41336–41348. [Google Scholar] [CrossRef]
- Feldman, R.; Tomasini, M.; Amankwah, E.; Clare, J.C.; Wheeler, P.W.; Trainer, D.R.; Whitehouse, R.S. A Hybrid Modular Multilevel Voltage Source Converter for HVDC Power Transmission. IEEE Trans. Ind. Appl. 2013, 49, 1577–1588. [Google Scholar] [CrossRef]
- Patro, S.K.; Shukla, A. Modular Directed Series Multilevel Converter for HVDC Applications. IEEE Trans. Ind. Appl. 2020, 56, 1618–1630. [Google Scholar] [CrossRef]
- Amankwah, E.; Costabeber, A.; Watson, A.; Trainer, D.; Jasim, O.; Chivite-Zabalza, J.; Clare, J. The Series Bridge Converter (SBC): A hybrid modular multilevel converter for HVDC applications. In Proceedings of the 2016 18th European Conference on Power Electronics and Applications (EPE’16 ECCE Europe), Karlsruhe, Germany, 5–9 September 2016; pp. 1–9. [Google Scholar] [CrossRef]
- Peng, F.Z. Z-source inverter. IEEE Trans. Ind. Appl. 2003, 39, 504–510. [Google Scholar] [CrossRef]
- Anderson, J.; Peng, F.Z. A class of quasi-Z-source inverters. In Proceedings of the 2008 IEEE Industry Applications Society Annual Meeting, Edmonton, AB, Canada, 5–9 October 2008; IEEE: Piscataway, NJ, USA, 2008; pp. 1–7. [Google Scholar]
- Li, Y.; Anderson, J.; Peng, F.Z.; Liu, D. Quasi-Z-source inverter for photovoltaic power generation systems. In Proceedings of the 2009 Twenty-Fourth Annual IEEE Applied Power Electronics Conference and Exposition, Washington, DC, USA, 15–19 February 2009; IEEE: Piscataway, NJ, USA, 2009; pp. 918–924. [Google Scholar]
- Li, Y.; Jiang, S.; Cintron-Rivera, J.G.; Peng, F.Z. Modeling and control of quasi-Z-source inverter for distributed generation applications. IEEE Trans. Ind. Electron. 2012, 60, 1532–1541. [Google Scholar] [CrossRef]
- Liu, Y.; Abu-Rub, H.; Ge, B. Z-Source∖/Quasi-Z-Source inverters: Derived networks, modulations, controls, and emerging applications to photovoltaic conversion. IEEE Ind. Electron. Mag. 2014, 8, 32–44. [Google Scholar] [CrossRef]
- Liu, Y.; Abu-Rub, H.; Ge, B.; Peng, F.Z. Impedance design of 21-kW quasi-Z-source H-bridge module for MW-scale medium-voltage cascaded multilevel photovoltaic inverter. In Proceedings of the 2014 IEEE 23rd International Symposium on Industrial Electronics (ISIE), Istanbul, Turkey, 1–4 June 2014; IEEE: Piscataway, NJ, USA, 2014; pp. 2490–2495. [Google Scholar]
- Urtasun, A.; Sanchis, P.; Marroyo, L. Adaptive voltage control of the DC/DC boost stage in PV converters with small input capacitor. IEEE Trans. Power Electron. 2013, 28, 5038–5048. [Google Scholar] [CrossRef]
- Shinde, U.K.; Kadwane, S.G.; Gawande, S.P.; Reddy, M.J.B.; Mohanta, D. Sliding mode control of single-phase grid-connected quasi-Z-source inverter. IEEE Access 2017, 5, 10232–10240. [Google Scholar] [CrossRef]
- Thelukuntla, C.S.; Mummadi, V. Adaptive tuning algorithm for single-phase Z-source inverters. IET Power Electron. 2017, 10, 302–312. [Google Scholar] [CrossRef]
- Guo, Y.; Sun, H.; Zhang, Y.; Liu, Y.; Li, X.; Xue, Y. Duty-cycle predictive control of quasi-Z-source modular cascaded converter based photovoltaic power system. IEEE Access 2020, 8, 172734–172746. [Google Scholar] [CrossRef]
- Ahmed, A.A.; Bakeer, A.; Alhelou, H.H.; Siano, P.; Mossa, M.A. A New Modulated Finite Control Set-Model Predictive Control of Quasi-Z-Source Inverter for PMSM Drives. Electronics 2021, 10, 2814. [Google Scholar] [CrossRef]
- Sosa, J.M.; Martinez-Rodriguez, P.R.; Escobar, G.; Vazquez, G.; Valdez-Fernandez, A.A. Active Power Injection Control for Power converters connected to the Grid Through an L filter. Electr. Power Components Syst. 2017, 45, 660–671. [Google Scholar] [CrossRef]
- Zhang, Q.; Tang, Y.; Hou, L.; Deng, F.; An, S.; Sun, X. An active high frequency damping scheme for the current control of L filter-based grid-connected inverter. IEEE Access 2019, 7, 171738–171751. [Google Scholar] [CrossRef]
- Bolsi, P.C.; Prado, E.O.; Sartori, H.C.; Lenz, J.M.; Pinheiro, J.R. LCL Filter Parameter and Hardware Design Methodology for Minimum Volume Considering Capacitor Lifetimes. Energies 2022, 15, 4420. [Google Scholar] [CrossRef]
- Sanatkar-Chayjani, M.; Monfared, M. Design of LCL and LLCL filters for single-phase grid connected converters. IET Power Electron. 2016, 9, 1971–1978. [Google Scholar] [CrossRef]
- Jiang, S.; Liu, Y.; Liang, W.; Peng, J.; Jiang, H. Active EMI filter design with a modified LCL-LC filter for single-phase grid-connected inverter in vehicle-to-grid application. IEEE Trans. Veh. Technol. 2019, 68, 10639–10650. [Google Scholar] [CrossRef]
- Pena-Alzola, R.; Liserre, M.; Blaabjerg, F.; Ordonez, M.; Yang, Y. LCL-filter design for robust active damping in grid-connected converters. IEEE Trans. Ind. Inform. 2014, 10, 2192–2203. [Google Scholar] [CrossRef]
- Tang, Y.; Yao, W.; Loh, P.C.; Blaabjerg, F. Design of LCL filters with LCL resonance frequencies beyond the Nyquist frequency for grid-connected converters. IEEE J. Emerg. Sel. Top. Power Electron. 2015, 4, 3–14. [Google Scholar] [CrossRef]
- Kim, Y.J.; Kim, H. Optimal design of LCL filter in grid-connected inverters. IET Power Electron. 2019, 12, 1774–1782. [Google Scholar] [CrossRef]
- Rockhill, A.; Liserre, M.; Teodorescu, R.; Rodriguez, P. Grid-filter design for a multimegawatt medium-voltage voltage-source inverter. IEEE Trans. Ind. Electron. 2010, 58, 1205–1217. [Google Scholar] [CrossRef]
- Bina, M.T.; Pashajavid, E. An efficient procedure to design passive LCL-filters for active power filters. Electr. Power Syst. Res. 2009, 79, 606–614. [Google Scholar] [CrossRef]
- Channegowda, P.; John, V. Filter optimization for grid interactive voltage source inverters. IEEE Trans. Ind. Electron. 2010, 57, 4106–4114. [Google Scholar] [CrossRef]
- Pena-Alzola, R.; Liserre, M.; Blaabjerg, F.; Sebastián, R.; Dannehl, J.; Fuchs, F.W. Analysis of the passive damping losses in LCL-filter-based grid converters. IEEE Trans. Power Electron. 2012, 28, 2642–2646. [Google Scholar] [CrossRef]
- Wu, W.; He, Y.; Tang, T.; Blaabjerg, F. A new design method for the passive damped LCL and LLCL filter-based single-phase grid-tied inverter. IEEE Trans. Ind. Electron. 2012, 60, 4339–4350. [Google Scholar] [CrossRef]
- Chaturvedi, S.; Fulwani, D.; Guerrero, J.M. Adaptive-SMC Based Output Impedance Shaping in DC Microgrids Affected by Inverter Loads. IEEE Trans. Sustain. Energy 2020, 11, 2940–2949. [Google Scholar] [CrossRef]
- Chaturvedi, S.; Fulwani, D. Adaptive Voltage Tuning Based Load Sharing in DC Microgrid. IEEE Trans. Ind. Appl. 2021, 57, 977–986. [Google Scholar] [CrossRef]
- He, J.; Li, Y.W. Generalized closed-loop control schemes with embedded virtual impedances for voltage source converters with LC or LCL filters. IEEE Trans. Power Electron. 2011, 27, 1850–1861. [Google Scholar] [CrossRef]
- Pan, D.; Ruan, X.; Bao, C.; Li, W.; Wang, X. Capacitor-current-feedback active damping with reduced computation delay for improving robustness of LCL-type grid-connected inverter. IEEE Trans. Power Electron. 2013, 29, 3414–3427. [Google Scholar] [CrossRef]
- Wang, X.; Blaabjerg, F.; Loh, P.C. Virtual RC damping of LCL-filtered voltage source converters with extended selective harmonic compensation. IEEE Trans. Power Electron. 2014, 30, 4726–4737. [Google Scholar] [CrossRef]
- Liu, T.; Liu, J.; Liu, Z.; Liu, Z. A study of virtual resistor-based active damping alternatives for LCL resonance in grid-connected voltage source inverters. IEEE Trans. Power Electron. 2019, 35, 247–262. [Google Scholar] [CrossRef]
- Li, Y.; Zhang, J.; Hao, Z.; Tian, P. Improved PR Control Strategy for an LCL Three-Phase Grid-Connected Inverter Based on Active Damping. Appl. Sci. 2021, 11, 3170. [Google Scholar] [CrossRef]
- Evald, P.J.D.O.; Tambara, R.V.; Gründling, H.A. A Direct Discrete-Time Reduced order robust model reference adaptive control for grid-tied power converters with LCL filter. Braz. J. Power Electron. 2020, 25, 361–372. [Google Scholar]
- Gao, N.; Lin, X.; Wu, W.; Blaabjerg, F. Grid Current Feedback Active Damping Control Based on Disturbance Observer for Battery Energy Storage Power Conversion System with LCL Filter. Energies 2021, 14, 1482. [Google Scholar] [CrossRef]
- Saleem, M.; Ahmed Khan Khushik, M.H.; Tahir, H.; Kim, R.Y. Robust L Approximation of an LCL Filter Type Grid-Connected Inverter Using Active Disturbance Rejection Control under Grid Impedance Uncertainty. Energies 2021, 14, 5276. [Google Scholar] [CrossRef]
- Zhang, C.; Li, Y.; Jia, C.; Fu, H.; Zhang, X.; Zhang, H. Direct active damping control for grid-connected AC/DC converter with LCL filter using augmented look-up table. IET Power Electron. 2021, 14, 1089–1101. [Google Scholar] [CrossRef]
- Kachhwaha, M.; Chaturvedi, S.; Fulwani, D. Parametric Uncertainty Compensation and Ripple Mitigation Control for Family of Z-converters. IEEE Trans. Ind. Appl. 2022, 58, 7827–7837. [Google Scholar] [CrossRef]
- Ioannou, P.A.; Sun, J. Robust Adaptive Control; Courier Corporation: Chelmsford, MA, USA, 2012. [Google Scholar]
- Åström, K.J.; Wittenmark, B. Adaptive Control; Courier Corporation: Chelmsford, MA, USA, 2013. [Google Scholar]
- Liu, Y.; Ge, B.; Abu-Rub, H.; Peng, F.Z. An effective control method for three-phase quasi-Z-source cascaded multilevel inverter based grid-tie photovoltaic power system. IEEE Trans. Ind. Electron. 2014, 61, 6794–6802. [Google Scholar] [CrossRef]
- Sajadian, S.; Ahmadi, R. Model predictive control of dual-mode operations Z-source inverter: Islanded and grid-connected. IEEE Trans. Power Electron. 2017, 33, 4488–4497. [Google Scholar] [CrossRef]
- Mastromauro, R.A.; Liserre, M.; Kerekes, T.; Dell’Aquila, A. A single-phase voltage-controlled grid-connected photovoltaic system with power quality conditioner functionality. IEEE Trans. Ind. Electron. 2008, 56, 4436–4444. [Google Scholar] [CrossRef]
- Tambara, R.V.; Kanieski, J.M.; Massing, J.R.; Stefanello, M.; Gründling, H.A. A discrete-time robust adaptive controller applied to grid-connected converters with LCL filter. J. Control Autom. Electr. Syst. 2017, 28, 371–379. [Google Scholar] [CrossRef]
- Hollweg, G.; Evald, P.; Silveira, W.; Mattos, E.; Tambara, R.; Gründling, H. Discrete RMRAC-STSM Structure for Current Regulation of Single-Phase Grid-Tied Converters with LCL Filter. In Proceedings of the 2021 14th IEEE International Conference on Industry Applications (INDUSCON), Sao Paulo, Brazil, 16–18 August 2021; IEEE: Piscataway, NJ, USA, 2021; pp. 1366–1373. [Google Scholar]
- Guo, X.; Wu, W. Improved current regulation of three-phase grid-connected voltage-source inverters for distributed generation systems. IET Renew. Power Gener. 2010, 4, 101–115. [Google Scholar] [CrossRef]
- Jeong, H.G.; Kim, G.S.; Lee, K.B. Second-order harmonic reduction technique for photovoltaic power conditioning systems using a proportional-resonant controller. Energies 2013, 6, 79–96. [Google Scholar] [CrossRef]
- Liu, Y.; Ge, B.; Abu-Rub, H.; Sun, H. Hybrid pulsewidth modulated single-phase quasi-Z-source grid-tie photovoltaic power system. IEEE Trans. Ind. Inform. 2016, 12, 621–632. [Google Scholar] [CrossRef]
- Shahparasti, M.; Catalán, P.; Roslan, N.F.; Rocabert, J.; Muñoz-Aguilar, R.S.; Luna, A. Enhanced control for improving the operation of grid-connected power converters under faulty and saturated conditions. Energies 2018, 11, 525. [Google Scholar] [CrossRef]
- Zou, C.; Liu, B.; Duan, S.; Li, R. Stationary frame equivalent model of proportional-integral controller in dq synchronous frame. IEEE Trans. Power Electron. 2014, 29, 4461–4465. [Google Scholar] [CrossRef]
- Teodorescu, R.; Blaabjerg, F.; Liserre, M.; Loh, P.C. Proportional-resonant controllers and filters for grid-connected voltage-source converters. IEE Proc.-Electr. Power Appl. 2006, 153, 750–762. [Google Scholar] [CrossRef]
- Shen, G.; Zhu, X.; Zhang, J.; Xu, D. A new feedback method for PR current control of LCL-filter-based grid-connected inverter. IEEE Trans. Ind. Electron. 2010, 57, 2033–2041. [Google Scholar] [CrossRef]
- Guisso, R.; Andrade, A.; Hey, H.; Martins, M.d.S. Grid-tied single source quasi-Z-source cascaded multilevel inverter for PV applications. Electron. Lett. 2019, 55, 342–343. [Google Scholar] [CrossRef]
- Koch, G.G.; Maccari, L.A.; Oliveira, R.C.; Montagner, V.F. Robust H∞ State Feedback Controllers Based on Linear Matrix Inequalities Applied to Grid-Connected Converters. IEEE Trans. Ind. Electron. 2018, 66, 6021–6031. [Google Scholar] [CrossRef]
- Martins, L.T.; Stefanello, M.; Pinheiro, H.; Vieira, R.P. Current control of grid-tied LCL-VSI with a sliding mode controller in a multiloop approach. IEEE Trans. Power Electron. 2019, 34, 12356–12367. [Google Scholar] [CrossRef]
- Buduma, P.; Panda, G. Robust nested loop control scheme for LCL-filtered inverter-based DG unit in grid-connected and islanded modes. IET Renew. Power Gener. 2018, 12, 1269–1285. [Google Scholar] [CrossRef]
- Osorio, C.R.; Koch, G.G.; Oliveira, R.C.; Montagner, V.F. A practical design procedure for robust H2 controllers applied to grid-connected inverters. Control Eng. Pract. 2019, 92, 104157. [Google Scholar] [CrossRef]
- Osório, C.R.D.; Koch, G.G.; Pinheiro, H.; Oliveira, R.C.; Montagner, V.F. Robust current control of grid-tied inverters affected by LCL filter soft-saturation. IEEE Trans. Ind. Electron. 2019, 67, 6550–6561. [Google Scholar] [CrossRef]
- Vieira Hollweg, G.; Dias de Oliveira Evald, P.; Varella Tambara, R.; Abílio Gründling, H. Adaptive super-twisting sliding mode for DC-AC converters in very weak grids. Int. J. Electron. 2022, 109, 1–26. [Google Scholar] [CrossRef]
- Anderson, B.D.O.; Moore, J.B. Optimal Control: Linear Quadratic Methods; Courier Corporation: Chelmsford, MA, USA, 2007. [Google Scholar]
- Bouzid, A.E.M.; Chaoui, H.; Zerrougui, M.; Elghali, S.B.; Benbouzid, M. Robust control based on linear matrix inequalities criterion of single phase distributed electrical energy systems operating in islanded and grid-connected modes. Appl. Energy 2021, 292, 116776. [Google Scholar] [CrossRef]
- Montagner, V.F.; Maccari, L.A.; Koch, G.G.; Massing, J.R.; Pinheiro, H.; Ferreira, A.A.; Oliveira, R.C. Partial state feedback controllers applied to grid-connected converters. In Proceedings of the 2015 IEEE 13th Brazilian Power Electronics Conference and 1st Southern Power Electronics Conference (COBEP/SPEC), Fortaleza, Brazil, 29 November–2 December 2015; IEEE: Piscataway, NJ, USA, 2015; pp. 1–4. [Google Scholar]
- Mattos, E.; Borin, L.C.; Osório, C.R.; Koch, G.G.; Oliveira, R.C.; Montagner, V.F. Robust Optimized Current Controller Based on a Two-Step Procedure for Grid-Connected Converters. IEEE Trans. Ind. Appl. 2022, 59, 1024–1034. [Google Scholar] [CrossRef]
- Guo, B.; Su, M.; Sun, Y.; Wang, H.; Dan, H.; Tang, Z.; Cheng, B. A robust second-order sliding mode control for single-phase photovoltaic grid-connected voltage source inverter. IEEE Access 2019, 7, 53202–53212. [Google Scholar] [CrossRef]
- Stefanello, M.; Massing, J.R.; Vieira, R.P. Robust control of a grid-connected converter with an LCL-filter using a combined sliding mode and adaptive controller in a multi-loop framework. In Proceedings of the IECON 2015-41st Annual Conference of the IEEE Industrial Electronics Society, Yokohama, Japan, 9–12 November 2015; IEEE: Piscataway, NJ, USA, 2015; pp. 3726–3731. [Google Scholar]
- Utkin, V. Variable structure systems with sliding modes. IEEE Trans. Autom. Control 1977, 22, 212–222. [Google Scholar] [CrossRef]
- Levant, A.; Fridman, L. Robustness issues of 2-sliding mode control. Var. Struct. Syst. Princ. Implement. 2004, 66, 131. [Google Scholar]
- Chakrabarty, S.; Bartoszewicz, A. Improved robustness and performance of discrete time sliding mode control systems. ISA Trans. 2016, 65, 143–149. [Google Scholar] [CrossRef] [PubMed]
- Levant, A. Sliding order and sliding accuracy in sliding mode control. Int. J. Control 1993, 58, 1247–1263. [Google Scholar] [CrossRef]
- Levant, A. Higher-order sliding modes, differentiation and output-feedback control. Int. J. Control 2003, 76, 924–941. [Google Scholar] [CrossRef]
- Lee, H.; Utkin, V.I. Chattering suppression methods in sliding mode control systems. Annu. Rev. Control 2007, 31, 179–188. [Google Scholar] [CrossRef]
- Ullah, M.F.; Hanif, A. Power quality improvement in distribution system using distribution static compensator with super twisting sliding mode control. Int. Trans. Electr. Energy Syst. 2021, 31, e12997. [Google Scholar] [CrossRef]
- Falkowski, P.; Sikorski, A. Finite control set model predictive control for grid-connected AC–DC converters with LCL filter. IEEE Trans. Ind. Electron. 2017, 65, 2844–2852. [Google Scholar] [CrossRef]
- Judewicz, M.G.; González, S.A.; Fischer, J.R.; Martínez, J.F.; Carrica, D.O. Inverter-side current control of grid-connected voltage source inverters with LCL filter based on generalized predictive control. IEEE J. Emerg. Sel. Top. Power Electron. 2018, 6, 1732–1743. [Google Scholar] [CrossRef]
- Lunardi, A.; Conde D, E.R.; Monaro, R.M.; Fernandes, D.A.; Sguarezi Filho, A.J. Robust Predictive Control with Three-Vector Modulation Connected to the Power Grid. Energies 2022, 15, 1979. [Google Scholar] [CrossRef]
- Li, Z.; Wang, J.; An, J.; Zhang, Q.; Zhu, Y.; Liu, H.; Sun, H. Control Strategy of Biaxial Variable Gain Cross-Coupled Permanent Magnet Synchronous Linear Motor Based on MPC-MRAS. IEEE Trans. Ind. Appl. 2022, 58, 4733–4743. [Google Scholar] [CrossRef]
- Yang, H.; Zhang, Y.; Liang, J.; Liu, J.; Zhang, N.; Walker, P.D. Robust deadbeat predictive power control with a discrete-time disturbance observer for PWM rectifiers under unbalanced grid conditions. IEEE Trans. Power Electron. 2018, 34, 287–300. [Google Scholar] [CrossRef]
- Xia, C.; Wang, M.; Song, Z.; Liu, T. Robust model predictive current control of three-phase voltage source PWM rectifier with online disturbance observation. IEEE Trans. Ind. Inform. 2012, 8, 459–471. [Google Scholar] [CrossRef]
- Kim, Y.; Tran, T.V.; Kim, K.H. LMI-Based Model Predictive Current Control for an LCL-Filtered Grid-Connected Inverter under Unexpected Grid and System Uncertainties. Electronics 2022, 11, 731. [Google Scholar] [CrossRef]
- Heirung, T.A.N.; Paulson, J.A.; O’Leary, J.; Mesbah, A. Stochastic model predictive control — How does it work? Comput. Chem. Eng. 2018, 114, 158–170. [Google Scholar] [CrossRef]
- Dai, L.; Xia, Y.; Gao, Y.; Kouvaritakis, B.; Cannon, M. Cooperative distributed stochastic MPC for systems with state estimation and coupled probabilistic constraints. Automatica 2015, 61, 89–96. [Google Scholar] [CrossRef]
- Xu, F.; Olaru, S.; Puig, V.; Ocampo-Martinez, C.; Niculescu, S.I. Sensor-fault tolerance using robust MPC with set-based state estimation and active fault isolation. Int. J. Robust Nonlinear Control 2017, 27, 1260–1283. [Google Scholar] [CrossRef]
- Tatjewski, P.; Ławryńczuk, M. Algorithms with state estimation in linear and nonlinear model predictive control. Comput. Chem. Eng. 2020, 143, 107065. [Google Scholar] [CrossRef]
- Dragoun, J.; Šmídl, V. Adaptive control of LCL filter with time-varying parameters using reinforcement learning. In Proceedings of the 45th Annual Conference of the IEEE Industrial Electronics Society (IECON), Lisbon, Portugal, 14–17 October 2019; IEEE: Piscataway, NJ, USA, 2019; pp. 267–272. [Google Scholar]
- Shipman, W.J.; Coetzee, L.C. Reinforcement learning and deep neural networks for PI controller tuning. IFAC-PapersOnLine 2019, 52, 111–116. [Google Scholar] [CrossRef]
- Wu, Z.; Tran, A.; Rincon, D.; Christofides, P.D. Machine learning-based predictive control of nonlinear processes. Part I: Theory. AIChE J. 2019, 65, e16729. [Google Scholar] [CrossRef]
- McClement, D.G.; Lawrence, N.P.; Backström, J.U.; Loewen, P.D.; Forbes, M.G.; Gopaluni, R.B. Meta-reinforcement learning for the tuning of PI controllers: An offline approach. J. Process Control 2022, 118, 139–152. [Google Scholar] [CrossRef]
- Yang, S.; Wan, M.P.; Chen, W.; Ng, B.F.; Dubey, S. Model predictive control with adaptive machine-learning-based model for building energy efficiency and comfort optimization. Appl. Energy 2020, 271, 115147. [Google Scholar] [CrossRef]
- Tambara, R.; Scherer, L.; Gründling, H. A discrete-time MRAC-SM applied to grid connected converters with LCL-filter. In Proceedings of the 2018 IEEE 19th Workshop on Control and Modeling for Power Electronics (COMPEL), Padova, Italy, 25–28 June 2018; IEEE: Piscataway, NJ, USA, 2018; pp. 1–6. [Google Scholar]
- Boubertakh, H.; Tadjine, M.; Glorennec, P.Y.; Labiod, S. Tuning fuzzy PD and PI controllers using reinforcement learning. ISA Trans. 2010, 49, 543–551. [Google Scholar] [CrossRef] [PubMed]
- Hajihosseini, M.; Andalibi, M.; Gheisarnejad, M.; Farsizadeh, H.; Khooban, M.H. DC/DC power converter control-based deep machine learning techniques: Real-time implementation. IEEE Trans. Power Electron. 2020, 35, 9971–9977. [Google Scholar] [CrossRef]
- Wang, S.; Dragicevic, T.; Gontijo, G.F.; Chaudhary, S.K.; Teodorescu, R. Machine learning emulation of model predictive control for modular multilevel converters. IEEE Trans. Ind. Electron. 2020, 68, 11628–11634. [Google Scholar] [CrossRef]
- Ufnalski, B.; Kaszewski, A.; Grzesiak, L.M. Particle swarm optimization of the multioscillatory LQR for a three-phase four-wire voltage-source inverter with an LC output filter. IEEE Trans. Ind. Electron. 2014, 62, 484–493. [Google Scholar] [CrossRef]
- Borin, L.; Osorio, C.; Koch, G.; Nascimento, M.; Bottega, F.; Montagner, V. Particle swarm optimization for robust control tuning applied to uninterruptible power supplies. In Proceedings of the 2019 IEEE PES Innovative Smart Grid Technologies Conference-Latin America (ISGT Latin America), Gramado, Brazil, 15–18 September 2019; IEEE: Piscataway, NJ, USA, 2019; pp. 1–6. [Google Scholar]
- Koch, G.G.; Osorio, C.R.; Pinheiro, H.; Oliveira, R.C.; Montagner, V.F. Design procedure combining linear matrix inequalities and genetic algorithm for robust control of grid-connected converters. IEEE Trans. Ind. Appl. 2019, 56, 1896–1906. [Google Scholar] [CrossRef]
- Qais, M.H.; Hasanien, H.M.; Alghuwainem, S. Enhanced salp swarm algorithm: Application to variable speed wind generators. Eng. Appl. Artif. Intell. 2019, 80, 82–96. [Google Scholar] [CrossRef]
- Hollweg, G.V.; Paulo, J.d.O.; Mattos, E.; Borin, L.; Tambara, R.; Montagner, V. Optimized Parameters Initialization of a RMRAC Controller Applied to Grid-Connected Converters. In Proceedings of the 2022 14th Seminar on Power Electronics and Control (SEPOC), Santa Maria, Brazil, 12–15 November 2022; IEEE: Piscataway, NJ, USA, 2022; pp. 1–6. [Google Scholar]
- Hollweg, G.V.; de Oliveira Evald, P.J.D.; Mattos, E.; Borin, L.C.; Tambara, R.V.; Montagner, V.F. Self-tuning methodology for adaptive controllers based on genetic algorithms applied for grid-tied power converters. Control Eng. Pract. 2023, 135, 105500. [Google Scholar] [CrossRef]
- Windarko, N.A.; Qudsi, O.A.; Tjahjono, A.; Dimas, O.A.; Purnomo, M.H. Optimized PI constant for current controller of grid connected inverter with LCL filter using Genetic Algorithm. In Proceedings of the 2014 Makassar International Conference on Electrical Engineering and Informatics (MICEEI), Makassar, Indonesia, 26–30 November 2014; IEEE: Piscataway, NJ, USA, 2014; pp. 9–13. [Google Scholar]
- Dagher, K.E. Modified elman neural-pid controller design for dc-dc buck converter system based on dolphin echolocation optimization. Al-Khwarizmi Eng. J. 2018, 14, 129–140. [Google Scholar] [CrossRef]
- Behera, T.K.; Behera, M.K.; Nayak, N. Spider monkey based improve P&O MPPT controller for photovoltaic generation system. In Proceedings of the 2018 Technologies for Smart-City Energy Security and Power (ICSESP), Bhubaneswar, India, 28–30 March 2018; IEEE: Piscataway, NJ, USA, 2018; pp. 1–6. [Google Scholar]
- Sonmez, Y.; Ayyildiz, O.; Kahraman, H.T.; Guvenc, U.; Duman, S. Improvement of buck converter performance using artificial bee colony optimized-PID controller. J. Autom. Control Eng. 2015, 3, 304–310. [Google Scholar] [CrossRef]
- Dhanasekaran, B.; Siddhan, S.; Kaliannan, J. Ant colony optimization technique tuned controller for frequency regulation of single area nuclear power generating system. Microprocess. Microsyst. 2020, 73, 102953. [Google Scholar] [CrossRef]
- Borin, L.C.; Cleveston, I.; Koch, G.G.; Osório, C.R.; Mattos, E.; Montagner, V.F. Robust control of grid-tied inverters using particle swarm optimization and linear matrix inequalities. In Proceedings of the 2020 IEEE 14th International Conference on Compatibility, Power Electronics and Power Engineering (CPE-POWERENG), Setubal, Portugal, 8–10 July 2020; IEEE: Piscataway, NJ, USA, 2020; Volume 1, pp. 285–290. [Google Scholar]
- Ioannou, P.; Tsakalis, K. A robust discrete-time adaptive controller. In Proceedings of the 1986 25th IEEE Conference on Decision and Control, Athens, Greece, 8–12 December 1986; IEEE: Piscataway, NJ, USA, 1986; pp. 838–843. [Google Scholar]
- Hollweg, G.V.; Dias de Oliveira Evald, P.J.; Milbradt, D.M.C.; Tambara, R.V.; Gründling, H.A. Lyapunov stability analysis of discrete-time robust adaptive super-twisting sliding mode controller. Int. J. Control 2021, 96, 614–627. [Google Scholar] [CrossRef]
- Hollweg, G.V.; de Oliveira Evald, P.J.D.; Milbradt, D.M.C.; Tambara, R.V.; Gründling, H.A. Design of continuous-time model reference adaptive and super-twisting sliding mode controller. Math. Comput. Simul. 2022, 201, 215–238. [Google Scholar] [CrossRef]
- de Oliveira Evald, P.J.D.; Hollweg, G.V.; Tambara, R.V.; Gründling, H.A. Lyapunov stability analysis of a robust model reference adaptive PI controller for systems with matched and unmatched dynamics. J. Frankl. Inst. 2022, 359, 6659–6689. [Google Scholar] [CrossRef]
- Milbradt, D.M.C.; de Oliveira Evald, P.J.D.; Hollweg, G.V.; Gründling, H.A. A Hybrid Robust Adaptive Sliding Mode Controller for partially modelled systems: Discrete-time Lyapunov stability analysis and application. Nonlinear Anal. Hybrid Syst. 2023, 48, 101333. [Google Scholar] [CrossRef]
- Zhou, S.; Zou, X.; Zhu, D.; Tong, L.; Zhao, Y.; Kang, Y.; Yuan, X. An improved design of current controller for LCL-type grid-connected converter to reduce negative effect of PLL in weak grid. IEEE J. Emerg. Sel. Top. Power Electron. 2017, 6, 648–663. [Google Scholar] [CrossRef]
- Liserre, M.; Blaabjerg, F.; Hansen, S. Design and control of an LCL-filter-based three-phase active rectifier. IEEE Trans. Ind. Appl. 2005, 41, 1281–1291. [Google Scholar] [CrossRef]
- Reznik, A.; Simões, M.G.; Al-Durra, A.; Muyeen, S. LCL filter design and performance analysis for grid-interconnected systems. IEEE Trans. Ind. Appl. 2013, 50, 1225–1232. [Google Scholar] [CrossRef]
- Yang, D.; Wang, X.; Liu, F.; Xin, K.; Liu, Y.; Blaabjerg, F. Symmetrical PLL for SISO impedance modeling and enhanced stability in weak grids. IEEE Trans. Power Electron. 2019, 35, 1473–1483. [Google Scholar] [CrossRef]
- Zhu, D.; Zhou, S.; Zou, X.; Kang, Y. Improved design of PLL controller for LCL-type grid-connected converter in weak grid. IEEE Trans. Power Electron. 2019, 35, 4715–4727. [Google Scholar] [CrossRef]
- Cardoso, R.; de Camargo, R.F.; Pinheiro, H.; Gründling, H.A. Kalman filter based synchronisation methods. IET Gener. Transm. Distrib. 2008, 2, 542–555. [Google Scholar] [CrossRef]













| MMC Performance Comparison | |
|---|---|
| Advantages | Disadvantages |
| Low total harmonic distortion (THD) | Complex control scheme |
| Low for semiconductor switches | Energy storage and monitoring requirements for the capacitor |
| Scalable with no DC voltage limitations | Circulating current issue |
| Simple structure construction | High count of switches leads to higher cost |
| Mitigation of filters on AC side | Fault handling is complex |
| Lower losses | |
| Parameter | Value | Parameter | Value |
|---|---|---|---|
| 6000 W | 10 kHz | ||
| mH | |||
| 130 H | |||
| 0 to 8 mH | |||
| 22 F | 500 V | ||
| 127 V | A |
Disclaimer/Publisher’s Note: The statements, opinions and data contained in all publications are solely those of the individual author(s) and contributor(s) and not of MDPI and/or the editor(s). MDPI and/or the editor(s) disclaim responsibility for any injury to people or property resulting from any ideas, methods, instructions or products referred to in the content. |
© 2023 by the authors. Licensee MDPI, Basel, Switzerland. This article is an open access article distributed under the terms and conditions of the Creative Commons Attribution (CC BY) license (https://creativecommons.org/licenses/by/4.0/).
Share and Cite
Hollweg, G.V.; Khan, S.A.; Chaturvedi, S.; Fan, Y.; Wang, M.; Su, W. Grid-Connected Converters: A Brief Survey of Topologies, Output Filters, Current Control, and Weak Grids Operation. Energies 2023, 16, 3611. https://doi.org/10.3390/en16093611
Hollweg GV, Khan SA, Chaturvedi S, Fan Y, Wang M, Su W. Grid-Connected Converters: A Brief Survey of Topologies, Output Filters, Current Control, and Weak Grids Operation. Energies. 2023; 16(9):3611. https://doi.org/10.3390/en16093611
Chicago/Turabian StyleHollweg, Guilherme V., Shahid A. Khan, Shivam Chaturvedi, Yaoyu Fan, Mengqi Wang, and Wencong Su. 2023. "Grid-Connected Converters: A Brief Survey of Topologies, Output Filters, Current Control, and Weak Grids Operation" Energies 16, no. 9: 3611. https://doi.org/10.3390/en16093611
APA StyleHollweg, G. V., Khan, S. A., Chaturvedi, S., Fan, Y., Wang, M., & Su, W. (2023). Grid-Connected Converters: A Brief Survey of Topologies, Output Filters, Current Control, and Weak Grids Operation. Energies, 16(9), 3611. https://doi.org/10.3390/en16093611

