Multi-Timescale Optimal Operation Strategy for Renewable Energy Power Systems Based on Inertia Evaluation
Abstract
1. Introduction
2. Inertia Evaluation
3. Multi-Timescale Coordinated Scheduling Model
3.1. Day-Ahead Scheduling Model
3.1.1. Objective Function
3.1.2. Constraints
3.2. Intraday Scheduling Model
3.2.1. Objective Function
3.2.2. Constraints
3.3. Real-Time Scheduling Model
3.3.1. Objective Function
3.3.2. Constraints
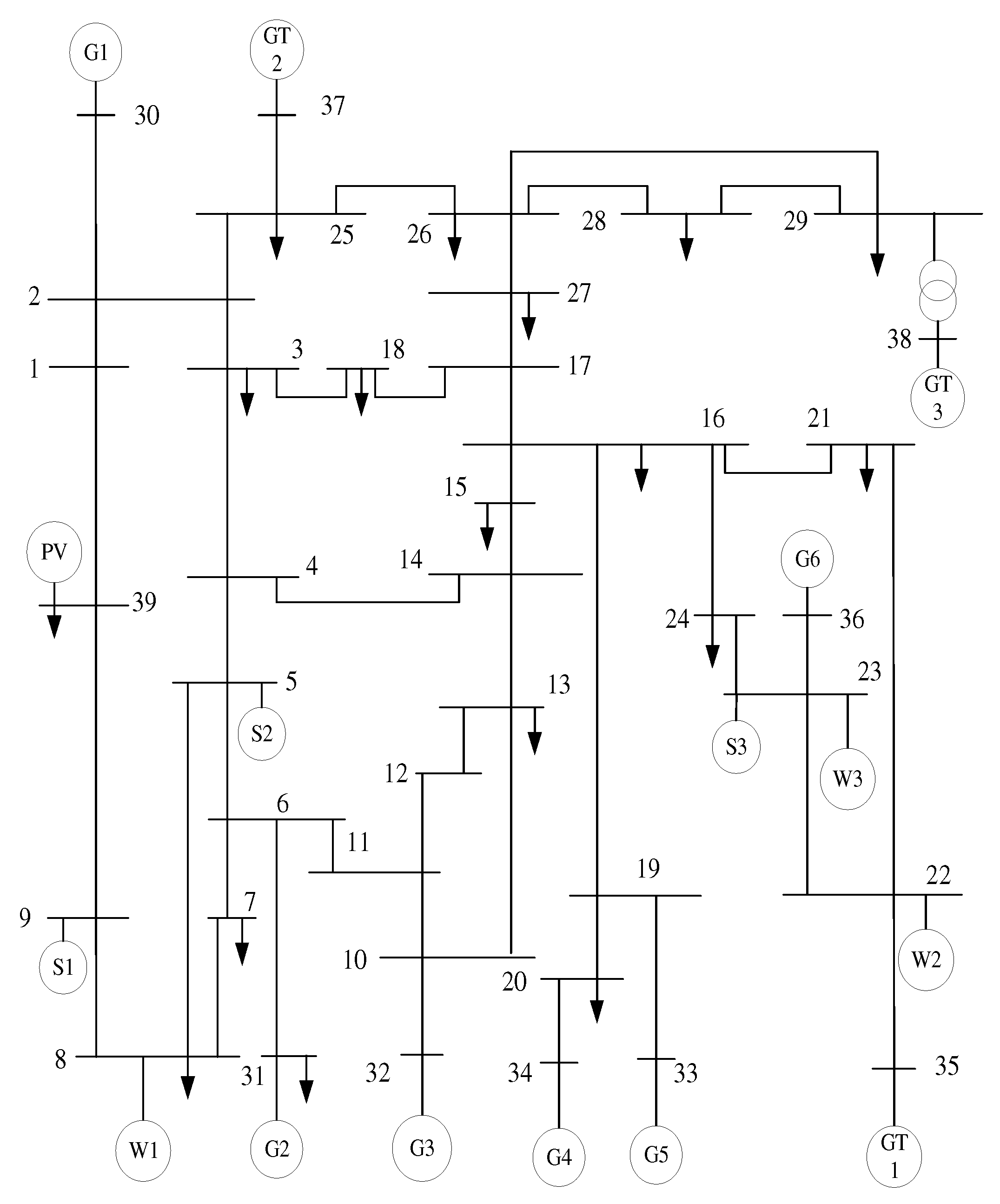
4. Case Studies
4.1. Day-Ahead Scheduling Result Analysis
4.2. Intraday Scheduling Result Analysis
4.3. Real-Time Scheduling Result Analysis
4.4. Inertia Demand Analysis
5. Conclusions
- (1)
- Drawing upon various factors, such as the frequency index, active power, and anticipated faults, the present study has developed an evaluation model for determining inertia demand. Additionally, the inertia margin coefficient has been introduced, which serves to reserve excess inertia capacity to account for the occurrence of substantial system faults. By combining the aforementioned model and coefficient, a dual-level guarantee has been established to ensure the secure operation of the power system.
- (2)
- The present study employed day-ahead, intraday, and real-time scheduling techniques to optimize the utilization of various scheduling resources. Thermal units primarily serve as the principal source of inertia during the day-ahead stage, and gas turbines provide the requisite inertia during the intraday stage. In the real-time stage, the energy storage supplements the system’s inertia capacity to offset any insufficiencies. This comprehensive approach ensures the maximal efficacy of scheduling resources and maintains the stability of the power system.
- (3)
- The stepped carbon emission cost adopted in this paper served to limit the output of thermal units and gas turbines. To account for the unpredictability of renewable energy output, a fuzzy opportunity constraint was utilized. The overarching objective was to mitigate the risk level of the system, augment the utilization of renewable energy sources, and optimize the economic operation of the power system.
Author Contributions
Funding
Data Availability Statement
Conflicts of Interest
Appendix A


References
- Shu, Y.B.; Chen, G.P.; He, J.B. Research on constructing new power system framework with new energy as main body. Eng. Sci. 2021, 23, 61–69. [Google Scholar]
- Zhang, W.Q.; Wen, Y.F.; Chi, F.D. Research framework and prospect of inertia evaluation of power system. Proc. CSEE 2021, 41, 6842–6856. [Google Scholar]
- National Energy Administration. Available online: http://www.nea.gov.cn/2022-01/20/c_1310432517.htm (accessed on 20 January 2022).
- Zeng, H.; Sun, F.; Li, T. Analysis of “9.28” power outage in Australia and enlightenment to China. Autom. Electr. Power Syst. 2017, 41, 1–6. [Google Scholar]
- Sun, H.D.; Xu, T.; Guo, Q.; Li, Y.L.; Lin, W.F.; Yi, J.; Li, W.F. Analysis of "8·9" power outage in Britain and enlightenment to China Power Grid. Proc. CSEE 2019, 39, 6183–6192. [Google Scholar]
- Tuttelberg, K.; Kilter, J.; Wilson, D. Estimation of power system inertia from ambient wide area measurements. IEEE Trans. Power Syst. 2018, 33, 7249–7257. [Google Scholar] [CrossRef]
- Wang, B.C.; Sun, H.D.; Li, W.F.; Yan, J.F.; Yu, Z.H.; Yang, C. Evaluation of minimum inertia for power systems considering dynamic frequency constraints. Proc. CSEE 2022, 42, 114–127. [Google Scholar]
- Zhang, J.B.; Xu, H. Online identification of power system equivalent inertia constant. IEEE Trans. Ind. Electron. 2017, 64, 8098–8107. [Google Scholar] [CrossRef]
- Daly, P.; Qazi, H.W.; Flynn, D. RoCoF-constrained scheduling incorporating non-synchronous residential demand response. IEEE Trans. Power Syst. 2019, 34, 3372–3383. [Google Scholar] [CrossRef]
- Teng, F.; Trovato, V.; Strbac, G. Stochastic scheduling with inertia-dependent fast frequency response requirements. IEEE Trans. Power Syst. 2015, 31, 1557–1566. [Google Scholar] [CrossRef]
- Chu, Z.D.; Zhang, N.; Teng, F. Frequency-constrained resilient scheduling of microgrid: A distributionally robust approach. IEEE Trans. Smart Grid 2021, 12, 4914–4925. [Google Scholar] [CrossRef]
- Liu, J.H.; Wang, C.; Bi, T.S. Node equivalent inertia index for frequency spatiotemporal dynamics of new energy power system and its application. Proc. CSEE 2022, 1–16. [Google Scholar]
- Ashouri-Zadeh, A.; Toulabi, M. Adaptive virtual inertia controller for DFIGs considering nonlinear aerodynamic efficiency. IEEE Trans. Sustain. Energy 2021, 12, 1060–1067. [Google Scholar] [CrossRef]
- Sun, P.; Teng, Y.; Chen, Z. Robust coordinated optimization for multi-energy systems based on multiple thermal inertia numerical simulation and uncertainty analysis. Appl. Energy 2021, 296, 116982. [Google Scholar] [CrossRef]
- Badesa, L.; Teng, F.; Strbac, G. Simultaneous scheduling of multiple frequency services in stochastic unit commitment. IEEE Trans. Power Syst. 2019, 34, 3858–3868. [Google Scholar] [CrossRef]
- Zeng, F.H.; Zhang, J.B. Online Identification of Inertia Distribution in Normal Operating Power System. IEEE Trans. Power Syst. 2020, 35, 3301–3304. [Google Scholar] [CrossRef]
- Zhao, Z.Z.; Cai, W.L.; Wang, Y.; Xiong, J.; Liu, W.L. Day-ahead electricity pricing mechanism considering the conflict between distribution network congestion and renewable produce. Electr. Energy Syst. 2021, 22, e13218. [Google Scholar] [CrossRef]
- Gu, H.; Yan, R.; Saha, T.K. System Strength and Inertia Constrained Optimal Generator Dispatch Under High Renewable Penetration. IEEE Trans. Sustain. Energy 2020, 11, 2392–2406. [Google Scholar] [CrossRef]
- Mi, Y.; Chen, Y.; Yuan, M.; Li, Z.; Tao, B.; Han, Y. Multi-Timescale Optimal Dispatching Strategy for Coordinated Source-Grid-Load-Storage Interaction in Active Distribution Networks Based on Second-Order Cone Planning. Energies 2023, 16, 1356. [Google Scholar] [CrossRef]
- Sun, H.D.; Wang, B.C.; Li, W.F. Study on inertia system of frequency response of high proportion power electronic power System. Proc. CSEE 2020, 40, 5179–5192. [Google Scholar]
- Wen, Y.F.; Lin, X.H. Minimum inertia demand evaluation of microgrid in isolated island and grid-connected mode. Proc. CSEE 2021, 41, 2040–2053. [Google Scholar]
- Xiong, H.; Xiang, T.Y.; Chen, H.K. Research on Fuzzy chance-constrained Unit combination with large-scale intermittent power supply. Proc. CSEE 2013, 33, 36–44. [Google Scholar]
- Liang, B.H.; Liao, J.H. A fuzzy-optimization approach for generation scheduling with wind and solar energy systems. IEEE Trans. Power Syst. 2007, 22, 1665–1674. [Google Scholar] [CrossRef]
- Cui, Y.; Zeng, P.; Wang, Z.; Wang, M.C.; Zhang, J.T.; Zhao, Y.T. A time-scale scheduling strategy for wind abjection consumption considering energy transfer characteristics of carbon capture power plants. Proc. CSEE 2021, 41, 945–961. [Google Scholar]
- Zhao, Z.Z.; Joseph, M. Optimal Conductor Size Selection in Distribution Networks with High Penetration of Distributed Generation Using Adaptive Genetic Algorithm. Energies 2019, 12, 2065. [Google Scholar] [CrossRef]
- Wang, Y.; Lai, K.X.; Chen, F.Y.; Li, Z.M.; Hu, C.H. Shadow price based co-ordination methods of microgrids and battery swapping stations. Appl. Energy 2019, 253, 113510. [Google Scholar] [CrossRef]
- Carrión, M.; Arroyo, J.M. A Computationally Efficient Mixed-Integer Linear Formulation for the Thermal Unit Commitment Problem. IEEE Trans. Power Syst. 2006, 21, 1371–1378. [Google Scholar] [CrossRef]
- Ren, S.H.; Dou, X.; Wang, Z.; Wang, J.; Wang, X.Y. Medium- and Long-Term Integrated Demand Response of Integrated Energy System Based on System Dynamics. Energies 2020, 13, 710. [Google Scholar] [CrossRef]








| Cost/USD | Actual Inertia | Scenario 1 | Scenario 2 | Scenario 3 |
|---|---|---|---|---|
| Operation cost | 349,220 | 351,680 | 351,680 | 354,450 |
| Start/stop cost | 2920 | 4020 | 4020 | 4530 |
| Carbon emission cost | 50,584 | 50,793 | 50,793 | 50,792 |
| Renewable cost | 9005 | 9987 | 9987 | 11,005 |
| Total cost | 411,729 | 416,480 | 416,480 | 420,777 |
| Cost/USD | Actual Inertia | Scenario 1 | Scenario 2 | Scenario 3 |
|---|---|---|---|---|
| Thermal cost | 734,300 | 734,300 | 734,300 | 734,300 |
| Gas turbine cost | 378,880 | 391,270 | 427,720 | 429,370 |
| Carbon emission cost | 14,656 | 16,867 | 16,317 | 15,961 |
| Renewable cost | 5602 | 11,797 | 10,844 | 9939 |
| Total cost | 1,133,438 | 1,154,234 | 1,189,181 | 1,189,570 |
| Cost/USD | Actual Inertia | Scenario 1 | Scenario 2 | Scenario 3 |
|---|---|---|---|---|
| Operation cost | 15,340 | 20,560 | 26,560 | 26,560 |
| Renewable cost | 5125 | 8125 | 13,360 | 13,360 |
| Total cost | 20,465 | 28,680 | 39,920 | 39,920 |
Disclaimer/Publisher’s Note: The statements, opinions and data contained in all publications are solely those of the individual author(s) and contributor(s) and not of MDPI and/or the editor(s). MDPI and/or the editor(s) disclaim responsibility for any injury to people or property resulting from any ideas, methods, instructions or products referred to in the content. |
© 2023 by the authors. Licensee MDPI, Basel, Switzerland. This article is an open access article distributed under the terms and conditions of the Creative Commons Attribution (CC BY) license (https://creativecommons.org/licenses/by/4.0/).
Share and Cite
Wang, Y.; Wang, Y.; Zhao, Z.; Zhou, Z.; Hou, Z. Multi-Timescale Optimal Operation Strategy for Renewable Energy Power Systems Based on Inertia Evaluation. Energies 2023, 16, 3577. https://doi.org/10.3390/en16083577
Wang Y, Wang Y, Zhao Z, Zhou Z, Hou Z. Multi-Timescale Optimal Operation Strategy for Renewable Energy Power Systems Based on Inertia Evaluation. Energies. 2023; 16(8):3577. https://doi.org/10.3390/en16083577
Chicago/Turabian StyleWang, Yang, Yifan Wang, Zhenghui Zhao, Zhiquan Zhou, and Zhihao Hou. 2023. "Multi-Timescale Optimal Operation Strategy for Renewable Energy Power Systems Based on Inertia Evaluation" Energies 16, no. 8: 3577. https://doi.org/10.3390/en16083577
APA StyleWang, Y., Wang, Y., Zhao, Z., Zhou, Z., & Hou, Z. (2023). Multi-Timescale Optimal Operation Strategy for Renewable Energy Power Systems Based on Inertia Evaluation. Energies, 16(8), 3577. https://doi.org/10.3390/en16083577

