Load Frequency Control in Two-Area Multi-Source Power System Using Bald Eagle-Sparrow Search Optimization Tuned PID Controller
Abstract
1. Introduction
- A novel optimized PID controller is proposed to reduce tie-line power and frequency oscillations induced by load disturbances. BESSO was introduced to estimate the most favorable parameters of the PID controller.
 - The proposed BESSO algorithm follows the hunting style of bald eagles in searching for food and also the anti-predation actions and collective wisdom foraging of sparrows.
 - To show BESSO’s supremacy in LFC, exhaustive comparative research with various newly reported LFC techniques was conducted.
 - The performance of test systems was investigated with repeated load variations to confirm the proposed controller’s stability. Finally, a statistical analysis was conducted to confirm the BESSO technique’s robust behavior in LFC.
 
2. Literature Survey
Research Gap
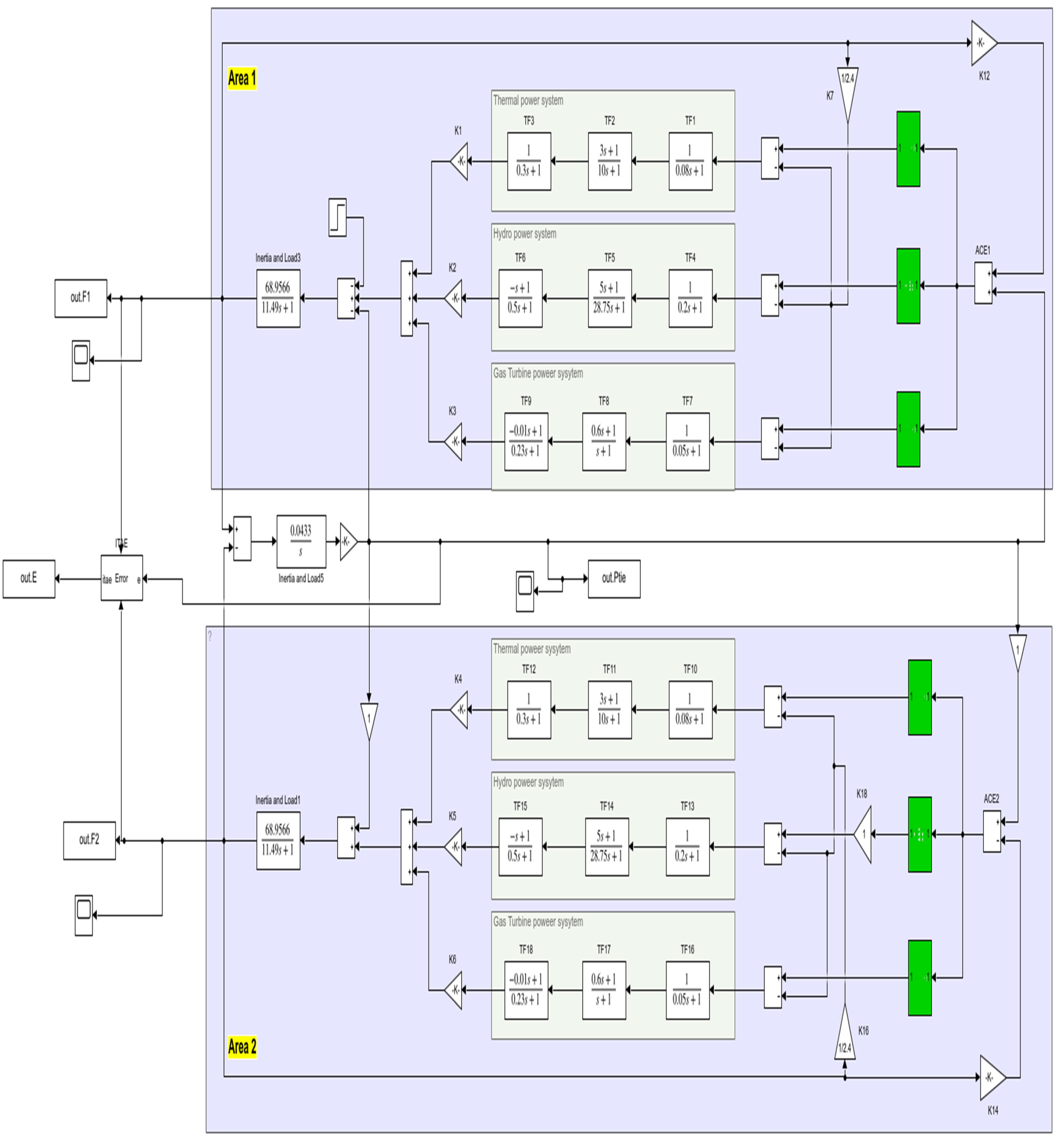
3. Proposed Strategy of LFC in a Two-Area Power System
3.1. Dynamic Model
3.1.1. Generator Modeling
3.1.2. Tie-Line Modeling
3.1.3. LFC Modeling
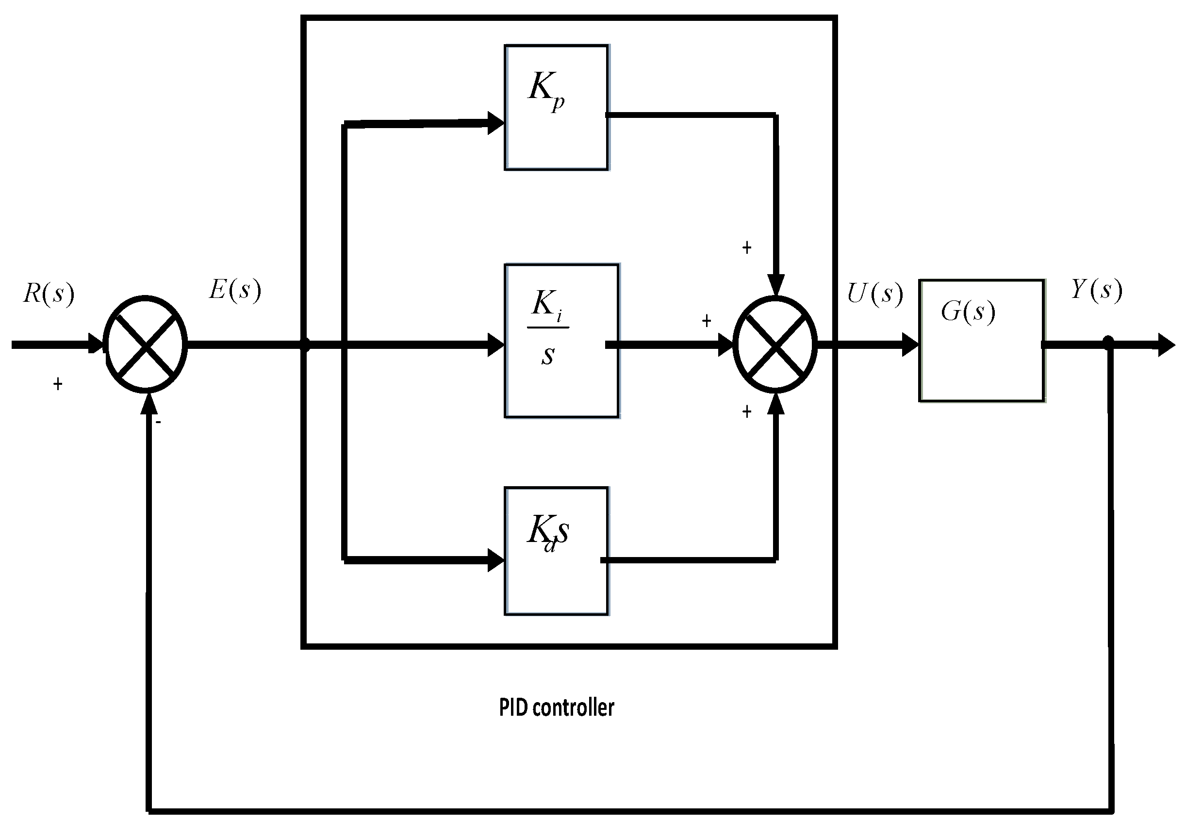
3.2. Description of PID Controller
3.2.1. Automatic Generation Control
3.2.2. Overview of Proposed BESSO Algorithm
4. Results and Analysis
4.1. Comparative Analysis
4.2. Comparative Methods
4.3. Stability Analysis
4.4. Sensitivity Analysis
4.5. Sensitivity Analysis with Random Loadings
4.6. Computational Time Analysis
5. Conclusions
Author Contributions
Funding
Institutional Review Board Statement
Informed Consent Statement
Data Availability Statement
Conflicts of Interest
References
- Ameli, A.; Ali, H.; Ehab, F.E.; Amr, M.Y. Attack detection and identification for automatic generation control systems. IEEE Trans. Power Syst. 2018, 33, 4760–4774. [Google Scholar] [CrossRef]
 - Mohammadikia, R.; Mortaza, A. A fractional order fuzzy PID for load frequency control of four-area interconnected power system using biogeography-based optimization. Int. Trans. Electr. Energy Syst. 2019, 29, e2735. [Google Scholar] [CrossRef]
 - Kumar, R.; Sharma, V.K. Whale optimization controller for load frequency control of a two-area multi-source deregulated power system. Int. J. Fuzzy Syst. 2020, 22, 122–137. [Google Scholar] [CrossRef]
 - Shayeghi, H.; Rahnama, A.; Mohajery, R.; Bizon, N.; Mazare, A.G.; Ionescu, L.M. Multi-Area Microgrid Load-Frequency Control Using Combined Fractional and Integer Order Master–Slave Controller Considering Electric Vehicle Aggregator Effects. Electronics 2022, 11, 3440. [Google Scholar] [CrossRef]
 - Gonzalez, I.; Antonio José, C.; Francisco, J.F. IoT real time system for monitoring lithium-ion battery long-term operation in microgrids. J. Energy Storage 2022, 51, 104596. [Google Scholar] [CrossRef]
 - Coban, H.H.; Aysha, R.; Mohamed, M. Load frequency control of microgrid system by battery and pumped-hydro energy storage. Water 2022, 14, 1818. [Google Scholar] [CrossRef]
 - Shankar, R.; Pradhan, S.R.; Kalyan, C.; Rajasi, M. A comprehensive state of the art literature survey on LFC mechanism for power system. Renew. Sustain. Energy Rev. 2017, 76, 1185–1207. [Google Scholar] [CrossRef]
 - Khooban, M.; Tomislav, D.; Frede, B.; Marko, D. Shipboard microgrids: A novel approach to load frequency control. IEEE Trans. Sustain. Energy 2017, 9, 843–852. [Google Scholar] [CrossRef]
 - Mohamed, T.H.; Bevrani, H.; Hassan, A.A.; Hiyama, T. Decentralized model predictive based load frequency control in an interconnected power system. Energy Convers.Manag. 2011, 52, 1208–1214. [Google Scholar] [CrossRef]
 - Bevrani, H.; Mohammad, R.F.; Sirwan, A. Robust frequency control in an islanded microgrid: Hα and μ-synthesis approaches. IEEE Trans. Smart Grid 2015, 7, 706–717. [Google Scholar] [CrossRef]
 - Modirkhazeni, A.; Omid, N.A.; Mohammad, H.K. Improved frequency dynamic in isolated hybrid power system using an intelligent method. Int. J. Electr. Power Energy Syst. 2016, 78, 225–238. [Google Scholar] [CrossRef]
 - Khooban, M.H. Secondary load frequency control of time-delay stand-alone microgrids with electric vehicles. IEEE Trans. Ind. Electron. 2017, 65, 7416–7422. [Google Scholar] [CrossRef]
 - Singh, V.P.; Nand, K.; Paulson, S. Improved load frequency control of power system using LMI based PID approach. J. Frankl. Inst. 2017, 354, 6805–6830. [Google Scholar] [CrossRef]
 - Ali, E.S.; Sahar, M.A. Bacteria foraging optimization algorithm based load frequency controller for interconnected power system. Int. J. Electr. Power Energy Syst. 2011, 33, 633–638. [Google Scholar] [CrossRef]
 - Lu, K.; Wuneng, Z.; Guoqiang, Z.; Yiyuan, Z. Constrained population extremal optimization-based robust load frequency control of multi-area interconnected power system. Int. J. Electr. Power Energy Syst. 2019, 105, 249–271. [Google Scholar] [CrossRef]
 - Turner, G.; Jay, P.K.; Caroline, L.S.; David, A.W.; Wei-Jen, L. Design and active control of a microgrid testbed. IEEE Trans. Smart Grid 2014, 6, 73–81. [Google Scholar] [CrossRef]
 - Sahu, B.K.; Tridipta, K.P.; Jyoti, R.N.; Siddhartha, P.; Sanjeeb, K.K. A novel hybrid LUS–TLBO optimized fuzzy-PID controller for load frequency control of multi-source power system. Int. J. Electr. Power Energy Syst. 2016, 74, 58–69. [Google Scholar] [CrossRef]
 - Duman, S.; Nuran, Y.; Ismail, H.A. Load frequency control of a single area power system using Gravitational Search Algorithm. In Proceedings of the 2012 International Symposium on Innovations in Intelligent Systems and Applications, Trabzon, Turkey, 2–4 July 2012; pp. 1–5. [Google Scholar]
 - Dahab, Y.A.; Hussein, A.; Tarek, H.M. Adaptive load frequency control of power systems using electro-search optimization supported by the balloon effect. IEEE Access 2020, 8, 7408–7422. [Google Scholar] [CrossRef]
 - Ali, E.S.; Abd-Elazim, S.M. BFOA based design of PID controller for two area load frequency control with nonlinearities. Int. J. Electr. Power Energy Syst. 2013, 51, 224–231. [Google Scholar] [CrossRef]
 - Sahu, R.K.; Sidhartha, P.; Umesh, K.R.; Dillip, K.S. Teaching learning based optimization algorithm for automatic generation control of power system using 2-DOF PID controller. Int. J. Electr. Power Energy Syst. 2016, 77, 287–301. [Google Scholar] [CrossRef]
 - Guha, D.; Provas, K.R.; Subrata, B. Load frequency control of large scale power system using quasi-oppositional grey wolf optimization algorithm. Eng. Sci. Technol. Int. J. 2016, 19, 1693–1713. [Google Scholar] [CrossRef]
 - Sambariya, D.K.; Rajendra, F. A novel Elephant Herding Optimization based PID controller design for Load frequency control in power system. In Proceedings of the 2017 International Conference on Computer, Communications and Electronics (Comptelix), Jaipur, India, 1–2 July 2017; pp. 595–600. [Google Scholar]
 - Alayi, R.; Zishan, F.; Seyednouri, S.R.; Kumar, R.; Ahmadi, M.H.; Sharifpur, M. Optimal load frequency control of island microgrids via a PID controller in the presence of wind turbine and PV. Sustainability 2021, 13, 10728. [Google Scholar] [CrossRef]
 - Guha, D.; Provas, K.R.; Subrata, B. Whale optimization algorithm applied to load frequency control of a mixed power system considering nonlinearities and PLL dynamics. Energy Syst. 2020, 11, 699–728. [Google Scholar] [CrossRef]
 - Guha, D.; Provas, K.R.; Subrata, B. Maiden application of SSA-optimised CC-TID controller for load frequency control of power systems. IET Gener.Transm. Distrib. 2019, 13, 1110–1120. [Google Scholar] [CrossRef]
 - Barakat, M.; Ahmed, D.; Hesham, F.H.; Gerges, M.S. Controller parameters tuning of water cycle algorithm and its application to load frequency control of multi-area power systems using TD-TI cascade control. Evol. Syst. 2022, 13, 117–132. [Google Scholar] [CrossRef]
 - Arora, K.; Ashok, K.; Vikram, K.K.; Deepak, P.; Sudan, J.; Bhanu, S.; Gyanendra, P.J. Optimization methodologies and testing on standard benchmark functions of load frequency control for interconnected multi area power system in smart grids. Mathematics 2020, 8, 980. [Google Scholar] [CrossRef]
 - Wang, N.; Jing, Z.; Yu, H.; Min, L.; Ying, Z.; Chaokuan, C.; Yerui, G.; Yongheng, R. Load-frequency control of multi-area power system based on the improved weighted fruit fly optimization algorithm. Energies 2020, 23, 437. [Google Scholar] [CrossRef]
 - Gupta, D.K.; Amitkumar, V.J.; Bhargav, A.; Avireni, S.; Nicu, B.; Phatiphat, T. Load Frequency Control Using Hybrid Intelligent Optimization Technique for Multi-Source Power Systems. Energies 2021, 6, 1581. [Google Scholar] [CrossRef]
 - Tripathy, D.; Barik, A.K.; Choudhury, N.B.D.; Sahu, B.K. Performance comparison of SMO-based fuzzy PID controller for load frequency control. In Soft Computing for Problem Solving; Springer: Singapore, 2019; pp. 879–892. [Google Scholar]
 - Shafei, M.A.R.; Doaa, K.I.; Mostafa, B. Application of PSO tuned fuzzy logic controller for LFC of two-area power system with redox flow battery and PV solar park. Ain Shams Eng. J. 2022, 13, 101710. [Google Scholar] [CrossRef]
 - Ali, T.; Malik, S.A.; Daraz, A.; Aslam, S.; Alkhalifah, T. Dandelion Optimizer-Based Combined Automatic Voltage Regulation and Load Frequency Control in a Multi-Area, Multi-Source Interconnected Power System with Nonlinearities. Energies 2022, 15, 8499. [Google Scholar] [CrossRef]
 - Kumar, A.; Gupta, D.K.; Ghatak, S.R.; Appasani, B.; Bizon, N.; Thounthong, P. A Novel Improved GSA-BPSO Driven PID Controller for Load Frequency Control of Multi-Source Deregulated Power System. Mathematics 2022, 10, 3255. [Google Scholar] [CrossRef]
 - Padhy, S.; Siddhartha, P. A hybrid stochastic fractal search and pattern search technique based cascade PI-PD controller for automatic generation control of multi-source power systems in presence of plug in electric vehicles. CAAI Trans.Intell. Tech. 2017, 2, 12–25. [Google Scholar] [CrossRef]
 - Morsali, J.; Kazem, Z.; Mehrdad, T.H. Applying fractional order PID to design TCSC-based damping controller in coordination with automatic generation control of interconnected multi-source power system. Eng. Sci. Tech. Int. J. 2017, 20, 1–17. [Google Scholar] [CrossRef]
 - Ma, M.; Chunyu, Z.; Xiangjie, L.; Hong, C. Distributed model predictive load frequency control of the multi-area power system after deregulation. IEEE Trans. Ind. Electron. 2016, 64, 5129–5139. [Google Scholar] [CrossRef]
 - Lal, D.K.; Ajit, K.B.; Tripathy, M. Load frequency control of multi area interconnected microgrid power system using grasshopper optimization algorithm optimized fuzzy PID controller. In Proceedings of the 2018 Recent Advances on Engineering, Technology and Computational Sciences (RAETCS), Allahabad, India, 6–8 February 2018; pp. 1–6. [Google Scholar]
 - Garcia-Gracia, M.; Comech, M.P.; Sallan, J.; Llombart, A. Modelling wind farms for grid disturbance studies. Renew. Energy 2008, 9, 2109–2121. [Google Scholar] [CrossRef]
 - Kosterev, D. Hydro turbine-governor model validation in pacific northwest. IEEE Trans. Power Syst. 2004, 8, 1144–1149. [Google Scholar] [CrossRef]
 - Kouba, N.E.Y.; Menaa, M.; Hasni, M.; Boudour, M. Load frequency control in multi-area power system based on fuzzy logic-PID controller. In Proceedings of the 2015 IEEE International Conference on Smart Energy Grid Engineering (SEGE), Oshawa, ON, Canada, 17–19 August 2015; pp. 1–6. [Google Scholar]
 - Khanjanzadeh, A.; Soodabeh, S.; Babak, M.; Mahmud, F. Integrated multi-area power system with HVDC tie-line to enhance load frequency control and automatic generation control. Electr. Eng. 2020, 11, 1223–1239. [Google Scholar] [CrossRef]
 - Pourmousavi, S.A.; Hashem, N.M. Introducing dynamic demand response in the LFC model. IEEE Trans. Power Syst. 2014, 29, 1562–1572. [Google Scholar] [CrossRef]
 - Kouba, N.; Mohamed, M.; Mourad, H.; Mohamed, B. LFC enhancement concerning large wind power integration using new optimised PID controller and RFBs. IET Gener.Transm. Distrib. 2016, 10, 4065–4077. [Google Scholar] [CrossRef]
 - Farook, S.; Sangameswara, R.P. AGC controllers to optimize LFC regulation in deregulated power system. Int. J. Adv. Eng. Tech. 2011, 10, 278. [Google Scholar]
 - Alsattar, H.A.; Zaidan, A.A.; Zaidan, B.B. Novel meta-heuristic bald eagle search optimisation algorithm. Artif.Intell. Rev. 2020, 53, 2237–2264. [Google Scholar] [CrossRef]
 - Xue, J.; Bo, S. A novel swarm intelligence optimization approach: Sparrow search algorithm. Syst. Sci.Control Eng. 2020, 8, 22–34. [Google Scholar] [CrossRef]
 - Daraz, A.; Suheel, A.M.; Athar, W.; Ahmad, T.A.; Ihsan, U.; Zahid, U.; Sheraz, A. Automatic Generation Control of Multi-Source Interconnected Power System Using FOI-TD Controller. Energies 2021, 14, 5867. [Google Scholar] [CrossRef]
 













| Sl. No. | Pseudocode of BESSO Algorithm | 
|---|---|
| 1 | Start | 
| 2 | |
| 3 | |
| 4 | Initialize the population of search agents | 
| 5 | Initialize parameters | 
| 6 | Initialize maximum iteration | 
| 7 | For each search agent | 
| 8 | { | 
| 9 | Phase 1: Selection phase: | 
| 10 | Update the new solution based on Equation (19) | 
| 11 | Phase 2: Searching phase: | 
| 12 | Update the new solution based on Equation (20) | 
| 13 | Phase 2: Phase of Prey: | 
| 14 | Update the new solution based on Equation (35) | 
| 15 | Evaluate fitness measures for each solution | 
| 16 | Arrange the solutions based on a fitness measure | 
| 17 | Re-evaluate the fitness measure | 
| 18 | If | 
| 19 | { | 
| 20 | |
| 21 | Replace the old solution with the new solution | 
| 22 | Else | 
| 23 | Consider the old solution as the best solution | 
| 24 | End If | 
| 25 | } | 
| 26 | } | 
| 27 | Update position of search agents based on fitness | 
| 28 | Stop | 
| 29 | 
| Notation | Description | 
|---|---|
| inertia constant | |
| deviation in rotor speed | |
| change in electrical power | |
| variation in mechanical power | |
| load damping constant | |
| non-frequency sensitive load variation | |
| frequency sensitive load variation | |
| the frequency bias coefficient | |
| variation in tie-line power | |
| variation in frequency corresponding to area 1 | |
| variation in frequency corresponding to area 2 | |
| total bald eagles in the search space | |
| Search agent | 
| Methods | Kp1 | Ki1 | Kd1 | Kp2 | Ki2 | Kd2 | ITAE | 
|---|---|---|---|---|---|---|---|
| BaEO-PID | 10.9222 | 8.4322 | 2.7222 | 7.2822 | 8.0822 | 2.3922 | 0.0427 | 
| SpSOA-PID | 10.0500 | 10.2565 | 2.4766 | 9.4327 | 8.5477 | 5.0657 | 0.2266 | 
| HIO-PID | 5.5405 | 8.7065 | 5.8365 | 7.4885 | 6.4265 | 3.1965 | 0.7265 | 
| PSO-PID | 8.4536 | 9.5233 | 3.0154 | 5.0255 | 7.9530 | 2.0920 | 1.2265 | 
| Proposed BESSO-PID | 6.7700 | 8.2010 | 3.0231 | 9.0070 | 7.5810 | 4.3910 | 0.0327 | 
| Controllers | Overshoot | Settling Time (s) | Undershoot (−) | ||||||
|---|---|---|---|---|---|---|---|---|---|
| ∆F1 | ∆F2 | ∆Ptie | ∆F1 | ∆F2 | ∆Ptie | ∆F1 | ∆F2 | ∆Ptie | |
| PI | 0.64 | 0.72 | 0.0858 | 30.25 | 30.454 | 25.759 | - | -- | - | 
| Fuzzy [41] | 0.071 | 0.0759 | 0.00357 | 23 | 23.475 | 27 | - | - | - | 
| PID | 0.049 | 0.0591 | 0.0084 | 26 | 27 | 24.757 | - | - | - | 
| ANN | 0.045 | 0.055 | 0.003 | 17.524 | 17 | 23.44 | - | - | - | 
| ANFIS | 0.044 | 0.044 | 0.012 | 15.057 | 15 | 20.165 | - | - | - | 
| FO-PID [36] | 0.0039 | 0.00461 | 0.012 | 7.617 | 8.85 | 18.989 | 0.0157 | 0.0143 | 0.00261 | 
| QOGWO-PID [22] | 0.00384 | 0.00447 | 0.000786 | 7.624 | 6.789 | 17.32 | 0.0167 | 0.0198 | 0.00321 | 
| Proposed BESSO-PID | 0.0001 | 0.0001 | 0 | 7.10 | 6.3656 | 8.5656 | 0.0002 | 0.0004 | 0.0007 | 
| Variation in Parameters | Settling Time (s) | Overshoot | Undershoot | |||||||
|---|---|---|---|---|---|---|---|---|---|---|
| Parameter | % Variation | ∆F1 | ∆F2 | ∆Ptie | ∆F1 | ∆F2 | ∆Ptie | ∆F1 | ∆F2 | ∆Ptie | 
| R | +50 | 9.4205 | 8.3761 | 9.1480 | 0.0001 | 0.0004 | 0.0006 | −0.0004 | −0.0006 | −0.0002 | 
| +25 | 6.5944 | 5.1545 | 6.0987 | 0.0002 | 0.0005 | 0.0007 | −0.0004 | −0.0006 | −0.0003 | |
| Nominal (2.4) | 0.0001 | 0.0001 | 0.0000 | 7.1000 | 8.3656 | 8.5656 | −0.0002 | −0.0004 | −0.0007 | |
| −25 | 14.1308 | 6.4432 | 9.1480 | 0.0001 | 0.0006 | 0.0006 | −0.0004 | −0.0004 | −0.0002 | |
| −50 | 14.1308 | 7.7318 | 7.9283 | 0.0002 | 0.0006 | 0.0009 | −0.0004 | −0.0004 | −0.0002 | |
| Tt | +50 | 10.3626 | 9.0205 | 9.7579 | 0.0002 | 0.0004 | 0.0009 | −0.0003 | −0.0005 | −0.0002 | 
| +25 | 10.3626 | 4.5102 | 9.1480 | 0.0002 | 0.0005 | 0.0005 | −0.0005 | −0.0006 | −0.0003 | |
| Nominal (0.3) | 0.0001 | 0.0001 | 0.0000 | 7.1000 | 8.3656 | 8.5656 | −0.0002 | −0.0004 | −0.0007 | |
| −25 | 9.4205 | 9.6648 | 10.3677 | 0.0001 | 0.0005 | 0.0008 | −0.0004 | −0.0006 | −0.0002 | |
| −50 | 14.1308 | 8.3761 | 10.3677 | 0.0002 | 0.0005 | 0.0006 | −0.0004 | −0.0006 | −0.0002 | |
| Tw | +50 | 9.4205 | 7.0875 | 7.3184 | 0.0002 | 0.0006 | 0.0007 | −0.0005 | −0.0007 | −0.0002 | 
| +25 | 7.5364 | 6.4432 | 9.1480 | 0.0002 | 0.0006 | 0.0008 | −0.0004 | −0.0006 | −0.0003 | |
| Nominal (1) | 0.0001 | 0.0001 | 0.0000 | 7.1000 | 8.3656 | 8.5656 | −0.0002 | −0.0004 | −0.0007 | |
| −25 | 13.1887 | 7.0875 | 6.7085 | 0.0002 | 0.0004 | 0.0009 | −0.0004 | −0.0007 | −0.0002 | |
| −50 | 9.4205 | 5.7989 | 6.0987 | 0.0002 | 0.0005 | 0.0007 | −0.0005 | −0.0006 | −0.0003 | |
| Tg | +50 | 8.4785 | 7.0875 | 9.1480 | 0.0002 | 0.0004 | 0.0009 | −0.0004 | −0.0005 | −0.0002 | 
| +25 | 9.4205 | 7.0875 | 8.5381 | 0.0002 | 0.0006 | 0.0006 | −0.0006 | −0.0004 | −0.0003 | |
| Nominal (0.08) | 0.0001 | 0.0001 | 0.0000 | 7.1000 | 8.3656 | 8.5656 | −0.0002 | −0.0004 | −0.0007 | |
| −25 | 6.5944 | 9.0205 | 7.9283 | 0.0002 | 0.0004 | 0.0008 | −0.0006 | −0.0006 | −0.0002 | |
| −50 | 7.5364 | 9.0205 | 10.3677 | 0.0001 | 0.0004 | 0.0008 | −0.0005 | −0.0007 | −0.0003 | |
| Methods | Time (Sec) | 
|---|---|
| BaEO-PID | 256.78 | 
| SpSOA-PID | 250.10 | 
| HIO-PID | 224.25 | 
| PSO-PID | 202.23 | 
| Proposed BESSO-PID | 170.26 | 
Disclaimer/Publisher’s Note: The statements, opinions and data contained in all publications are solely those of the individual author(s) and contributor(s) and not of MDPI and/or the editor(s). MDPI and/or the editor(s) disclaim responsibility for any injury to people or property resulting from any ideas, methods, instructions or products referred to in the content.  | 
© 2023 by the authors. Licensee MDPI, Basel, Switzerland. This article is an open access article distributed under the terms and conditions of the Creative Commons Attribution (CC BY) license (https://creativecommons.org/licenses/by/4.0/).
Share and Cite
Raj, T.D.; Kumar, C.; Kotsampopoulos, P.; Fayek, H.H. Load Frequency Control in Two-Area Multi-Source Power System Using Bald Eagle-Sparrow Search Optimization Tuned PID Controller. Energies 2023, 16, 2014. https://doi.org/10.3390/en16042014
Raj TD, Kumar C, Kotsampopoulos P, Fayek HH. Load Frequency Control in Two-Area Multi-Source Power System Using Bald Eagle-Sparrow Search Optimization Tuned PID Controller. Energies. 2023; 16(4):2014. https://doi.org/10.3390/en16042014
Chicago/Turabian StyleRaj, T. Dharma, C. Kumar, Panos Kotsampopoulos, and Hady H. Fayek. 2023. "Load Frequency Control in Two-Area Multi-Source Power System Using Bald Eagle-Sparrow Search Optimization Tuned PID Controller" Energies 16, no. 4: 2014. https://doi.org/10.3390/en16042014
APA StyleRaj, T. D., Kumar, C., Kotsampopoulos, P., & Fayek, H. H. (2023). Load Frequency Control in Two-Area Multi-Source Power System Using Bald Eagle-Sparrow Search Optimization Tuned PID Controller. Energies, 16(4), 2014. https://doi.org/10.3390/en16042014
        
