Next Article in Journal
Designing Coupling of 2-Dimensional PhotoRecepto-Conversion Scheme (2DPRCS) with Clean Unit System Platform (CUSP)
Previous Article in Journal
Numerical Investigation of a Novel Controlled-Temperature Double-Skin Façade (DSF) Building Element
 
 
Font Type:
Arial Georgia Verdana
Font Size:
Aa Aa Aa
Line Spacing:
Column Width:
Background:
Article

Rationale for Parameters of Energy-Saving Illumination inside Agricultural Premises and Method of Its Values Calculation

by
Igor M. Dovlatov
1,*,
Leonid Y. Yuferev
1,
Dmitriy Y. Pavkin
1,
Vladimir A. Panchenko
2,
Vadim E. Bolshev
1 and
Igor V. Yudaev
3
1
Department of Agricultural, Federal State Budgetary Scientific Institution “Federal Scientific Agroengineering Center VIM” (FSAC VIM), 109428 Moscow, Russia
2
Department of Mechanics, Russian University of Transport, 127994 Moscow, Russia
3
Kuban State Agrarian University, 350044 Krasnodar, Russia
*
Author to whom correspondence should be addressed.
Energies 2023, 16(4), 1837; https://doi.org/10.3390/en16041837
Submission received: 10 January 2023 / Revised: 27 January 2023 / Accepted: 30 January 2023 / Published: 13 February 2023

Abstract

High-quality lighting of premises in the cultivation of farm animals is an important condition for the successful development of the agro-industrial complex. Sufficient lighting with the simulation of sunrise and sunset which increases daylight hours to 15–16 h can raise the level of production by 8–15%. The most innovative, economical and efficient light source for livestock, poultry and greenhouse buildings are LED lamps allowing for a short payback period. The difference between the models developed by the authors and the traditional point method is taking into account lamp length o, lamp suspension height, location of the illuminated area under the lamp at displacement and observation angles, and luminous flux of light source, and the most important thing is body angle of the light source. This paper presents the method for calculating illumination under the LED lamp due to the large error in the values obtained by theoretical methods due to the lack of a correction factor for changing the illumination of the lamp (0.8). Prediction of crystal heating was carried out by verification calculation in the ANSYS/CFX software package. Forecasting the illumination of the fodder table was carried out by calculation in the DIALux evo software package. The main parameters of an energy-saving LED lamp (power consumption, luminous flux, color temperature and color) were selected. The consumption of electrical energy decreased by 85%; the average level of illumination increased and amounted to 123.1 lux. The developed method for calculating the illumination under the LED lamp can be considered satisfactory, the Student and Fisher criteria do not exceed tabular values and the correlation coefficient showed a close relationship. To comply with electrical safety standards in the premises, a resonant power supply system for LED lamps is offered.

1. Introduction

Modern agricultural production technologies are based on processes, the efficiency of which is based on the latest achievements in biology, physics, chemistry, electric power and microelectronics. In large farms with advanced industrial technology and small farms, the development of plant cultivation and/or animal keeping depends to a large degree on both providing high-quality illumination and effective prevention and control of infectious diseases of animals and plants.
As for animals, along with feeding, one of the most important factors having a significant impact on their bodies’ well-being is the microclimate of the livestock premises. The illumination degree as one of the parameters of the microclimate is a factor of great significance. In livestock premises, the degrees of natural and artificial illumination are strictly regulated. That is why standards were developed for both artificial and natural illumination; the concept of the coefficient of natural illumination has also been introduced. This coefficient is the ratio of the all-windows total area to the area of the cattle breeding premises. High–quality indoor illumination is quite an important condition for successful development of the agro-industrial complex, whether it be farm animal husbandry or plant cultivation. This is due to the high influence of the light intensity on organisms of living beings. Good illumination featuring simulated sunrises and sunsets and increased daylight duration up to 15–16 h can increase production level by 8–15% and extend the farm service life. According to research, the positive effect of illumination’s optimal parameters is achieved only if the light intensity level is 160–200 lux [1]. It is possible to increase the natural illumination of cowsheds due to a ventilating + skylight roof ridge and optimally selected number and size of windows. An increase in the lighting period to the recommended 16 h is possible due to the use of the modern energy-saving lamps; notably, their selection should be carried out already at the design stage.
In addition, it should be mentioned that the factors of interest to us affect employees of agricultural enterprises and not only animals and/or plants. That is why it is necessary to take into account to what extent illumination affects the farm productivity and the employees’ stress level. This aspect must be scrupulously regulated because in case of employees’ low productivity, the animals or plants would suffer too, and as a result, the profit of the farm would fall.
The high quality and efficiency of rearing and milking animals depends on the micro-meteorological conditions of the environment such as the insulation of the system and additional lighting. In order to improve quantity, quality and efficiency, the relationship between growth conditions and environmental meteorological factors must be identified, which can provide constructive suggestions for accurately controlling the indoor environment and reducing operating costs. For example, in crop production, the parameters from the color information of the canopy reflect the internal physiological conditions, so the RGB model is widely used in the color analysis of digital images of leaves [2,3,4,5,6,7,8].
All agricultural premises have different requirements for illumination in terms of such parameters as light intensity, light output, operating time, wavelength, color temperature, luminosity, etc. This is due to the peculiarities of every agricultural animal: some of them are more sensitive, while others are less so. In this regard, the microclimate indicators are normalized for every sector of the animals’ keeping. In order to illuminate premises for cattle keeping, light intensity within the range of 150–300 lux is required during a 16 h daytime period. When raising poultry, attention is paid not only to the level and duration of the illumination but also to the spectrum of the light waves [9,10].
In practice, for livestock and poultry premises in Russia, lamps are used with a light output of 8–16 lm/W and a service life of up to 1000 h. Alternatively, mercury lamps are used with light output of 40–60 lm/W and service life of up to 12,000 h. In addition, the lighting parameters strongly affect the stress level among animals, which in turn affects their productivity on the farm. The light stress phenomenon is known; this reflects the fact that too-intense light irradiation has a detrimental effect on the optic nerves of animals and on their brain activity in general. An excessively long light exposure also affects them negatively. However, it should be kept in mind that lack of light has an equally negative effect. It can provoke an insufficient absorption of vitamins and minerals [11].
The growth speed of plants depends directly on good illumination and on the spectrum of the used light source. Plants effectively use the part of the spectrum of visible solar radiation, which is called photo-synthetically active radiation (PAR) and is represented by waves of 380–700 nm in length. Light is the main factor of plant productivity; the greater the light absorption in gardens, the greater the yield. However, in some countries with hot climates, from the point of view of optimal plant growth, the incoming light energy can be considered excessive. Though the trees’ response to the light seems to be related to the amount of light captured, the quality of the light also plays an important role. From the above, it should be concluded that there is a need for adjustment of the illumination parameters. It should be remembered that in different periods of plant growth, the level of light intensity could also vary [12,13,14]. As is known, the solar spectrum (continuous one) is the most favorable for plant growth. Up to 8% of UV radiation in the A range is present in the natural solar spectrum. However, the expansion of the exposed spectrum into the UV radiation area due to addition of artificial light sources as well as the possibility of changing of the spectral composition can contribute to an increase in productivity and improvement of the quality characteristics of the products.
The light fixtures which emit the light closest in spectral composition to the solar spectrum are high-pressure metal halide lamps. Unfortunately, they contain mercury and do not have a long enough service life [15,16]. In practice, in order to illuminate plants in artificial conditions, lamps are used with an even narrower spectrum of the radiation useful to plants. Such lamps are able to cover the needs of the plants only partially. The most common lamps for plant growing are as follows: DRLF 400, DRF 1000, DNaT 400, DRI and DKsTL. With these lamps, the share of the PAR radiation (photosynthetic active radiation) is 12–35% of the full spectrum of the lamp radiation. Approximately 35% of the power consumption is “parasitic” radiation in the IR range (700–1200 nm), which causes increased water consumption and inefficient electricity losses. In farms producing plants with a controlled environment, as a rule, an increase in the level of light intensity or in the CO2 content leads to an increase in biomass and yield due to the enhanced photosynthesis. Today, the technologically advanced light-emitting diodes (LEDs) have made this technology a viable option both for additional illumination in greenhouses and as the only source of illumination in controlled environment chambers. It was also found out experimentally that plants grown in artificial conditions reached the first stage of flowering 8 days earlier and were about 15 cm taller than the plants grown in natural conditions. The surveyed studies prove that the use of the most technologically advanced equipment allows the achievement of results that are closest to the desired level [17,18].
Based on the results of the studies [19,20] where the numerous experiments were described, the conclusion can be made that light intensity has a quite significant impact on the productive qualities of cattle. It was revealed that the animals’ growth is affected not only by the light’s presence/absence but also by the spectrum of the radiation. It was found that the blue, red and white lights emitted by different lamps each had a different degree of influence and a different effect on the animals’ bodies.
For example, it was found out that additional light intensity could potentially increase milk yields of dairy cows with minimal additional capital costs. The recent developments in LED lighting technology made it possible to create low-power lamps with high output power; they are suitable for use on a farm. The light intensity level (in lumens) decreases according to the inverse square law, so the lamps need careful placement. For estimation of the light intensity, it is necessary to use special luxmeters because the human eye adapts too easily and cannot assess the true luminosity level. It was shown that when the indoor light intensity was above 150 lux at the cows’ eye level for 16–18 h a day, the milk yields increased by about 2 L per cow per day; this effect manifests itself with a delay of 2–3 weeks, but after 7–9 weeks, the cows’ food mass intake increases noticeably. The natural day length is insufficient in some countries for most part of the winter period. The lighting adequacy should be assessed by the building examination at the same time of day in different parts of the building. The duration of a high level of light intensity can be estimated most properly with the aid of suitable data recorders placed in a premise for several days. Installation of such data loggers on individual cows’ bodies gives a better idea of what kind of light a certain cow actually receives. In general, the current state of livestock productivity indicates that there is a need for improvements in the dairy cattle-keeping business because the premises are lit insufficiently. The expenses of upgrading the existing cowsheds are estimated usually by quite large monetary investments. However, if the lighting fixtures are installed correctly, they can help increasing the milk yields by several liters per cow per day. In the future, this can bring a fairly high income. It was also found that the exposure of the blue light spectrum had a sufficient influence on cows with multiple pregnancies. An increase in cows’ milk productivity was revealed, which is a positive sign. However, these studies need to be carried out further because the degree of influence and quality of the blue radiation spectrum have not been reliably established in cases of cows with free grazing and cows pregnant with one calf.
Due to the fact that the cows’ productivity has a number of both qualitative and quantitative indicators, it can be said in general that the quality of a cow for its economic use depends on all of them. The quantitative indicator of the productivity of a dairy cow is the amount of milk which can be obtained from the cow. The qualitative indicators include the fat content, the protein content and the number of somatic cells in the milk. Because of this complexity of the indicators, it is worth taking into account that the levels of fatty acids vary depending on time of milking and whether it is day or night. Many dairy cows are kept under the same illumination, where only white LEDs are used, no matter whether at night or daytime. However, there are studies indicating that white lighting can cause a violation of the circadian rhythms of animals, which is extremely detrimental to their productivity. In the paper [21], the study is described in detail regarding the effect of the spectrum of the light emitted by lamps on the fat content in milk. In the study, it was found out that when the cows were kept in conditions of the natural lighting cycle, they had circadian rhythms that affected their productivity in such a way that those cows had higher levels of the healthy mono-unsaturated fatty acids and lower levels of the non-healthy saturated fatty acids in their daytime milk as compared to their nighttime milk. The white light did not affect the yield of milk or the milk fat but caused the changed circadian rhythms, which led to a change in the composition of the milk fat so that the milk became less healthy from the point of view of its fatty acid profile (a decrease in the level of mono-unsaturated fatty acids was observed). Switching the white light to red light changed these circadian rhythm disturbances but did not affect the quality of the milk. Consequently, the red and white spectra have no commercial advantage over the tested natural lighting cycle, while constant white light is unprofitable for a farm and the cows subjected to its exposure demonstrated a violation of their circadian rhythms. Accordingly, if lighting is necessary, the red light mode is more preferable than the white mode. It is more beneficent for the cows’ well-being and the preservation of the natural milk fat.
As illumination is a factor of great importance in cattle keeping, it is necessary to identify ways to control livestock productivity by taking this parameter into consideration. Based on the source [22], it can be stated that artificial light can be used as an efficient control tool able to increase milk yields in dairy production. However, little is known about how cows react to the spectral composition of the light. A number of studies have been conducted in order to find out how dairy cows react to artificial light, both achromatic and chromatic. It was found that LED lamps emitting red light stimulate ipRGCs indirectly via the retinal ML-cones; meanwhile, blue light, which stimulates both S-cones and directly, ipRGCs, has a similar effect on milk yields and activity in dairy cows, and so does the mixture of the wavelengths (i.e., white light). This suggests that the spectral composition of LED-based lighting in premises is a factor of lower importance in comparison to the light duration and its intensity.
Based on analysis of the source [23], it was found that in terms of the economic benefits, the most effective lighting fixture is the LED (the light-emitting diode). The same paper also described studies conducted with the purpose of the effect assessment of LED lighting intensity on milk productivity, milk composition and the immune response of Holstein cows. In the course of those experiments, it was found that the intensity of the LED lighting had some effect on the blood counts and the immune responses of the dairy cows, along with increased milk productivity. Consequently, the light intensity parameter affects not only the organism’s productivity but also its physiological state. Thus, more detailed studies and careful monitoring are needed for the study of this microclimate parameter.
As it has been said above and confirmed by other authors, the most innovative, cost-effective and efficient light sources for agricultural premises are LED lamps, and it does not matter for what purpose the premises are intended, whether they are for livestock, poultry or greenhouses. In any case, the use of LED lamps ensures an energy-efficient method of illumination with a short payback period [24,25,26].
This study is aimed at selecting the optimal technical parameters of the energy-saving illumination inside agricultural premises, at developing a methodology for the calculation of illumination parameters and at designing an energy-saving power supply system based on LED lamps.
In addition, the authors analyzed the sources [16,27,28], which confirmed the need to supplement the expected studies with the development of modern methods for calculating illumination.

2. Materials and Methods

For the creation of efficient lighting systems, LEDs were used with the power of 0.5–100 watts. They were compared with DRL lamps having a power of 125 watts.
Today, the industry produces LEDs having the radiation spectra in the entire visible range from red to purple. By changing the current for LEDs of different colors and/or by combining LEDs of different colors, it is possible to obtain light sources with different spectral characteristics and to choose a spectrum of lamps depending on the specific stage of the plant’s development [29,30,31].
In addition, by changing of the parameters of the light sources, a different irradiance can be achieved. The least PAR irradiation for plant growth is 2–8 W/m2 (500–2000 lux). For normal plant development, PAR irradiation of 20 W/m2 (5000 lux) is required. For a yield obtainment from the plants, the PAR irradiation needed is 100–200 W/m2. At irradiation of more than 200 W/m2, oversaturation occurs, so the plants turn yellow.
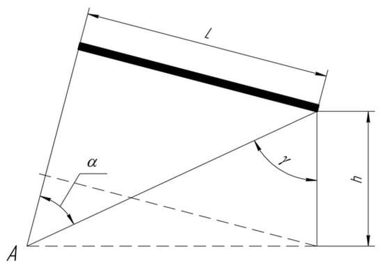
The authors of this paper refined the LED light parameter calculation methodology based on analysis of the data taken from the papers [32,33,34]. The correction was needed due to the large error caused by the absence of a correction factor for the relative change in the radiation flux of a lamp. The difference of the model from the traditional points-based method consists in taking into account the length of the lamp L, the height of the suspension of the lamp h, the location of the illuminated area under the lamp at the angle of displacement γ and the angle of observation α, as well as the luminous flux of the light source Φ; notably, the most important correction is taking into account the solid angle of the light source (Figure 1).
A light intensity under an LED lamp has a certain length of the luminous line under the lamp, located at a certain height, when it is shifted from the projection (offset); taking into account the solid angle of the lamp at the point A, the parameter is determined by the following Formula (1).
E = Φ π i ( 1 cos ( Ω / 2 ) ) 2 L h ( s i n α + s i n 2 α 2 ) cos ( γ Ω 120 ) ,
where Φ is luminous flux, lumen; h is suspension height, m; L is lamp length, m; Ω is solid angle, °; γ is offset angle, °; α is viewing angle, °; and i is correction factor of lamp light intensity change (0.8).
The main factor affecting the service life of an LED is the temperature of the p-n junction of the LED during its operation, regardless of the intended purpose of the irradiation unit, due to the fact that during the LED lamp operation, its structure is heated due to the heat generated by the p-n junction. The studies show that the service life of an LED lamp depends on the temperature of the crystal (p-n junction). At the crystal temperature of +70 °C, the lamp service life can be 50,000 h with a 30% drop in the luminous flux, or it can be 100,000 h at the temperature of no more than +55 °C. Thus, in order to ensure the LED’s long service life, it is necessary to calculate the parameters of a cooling system so that the maximum temperature of the LED crystals would not exceed +70 °C.
The crystal heating prediction is proposed to be carried out by the verificatory calculation in the software package ANSYS/CFX.
The prediction of the light intensity at the cattle feed table was carried out by the calculation in the software package DIALux evo.
The experimental procedure takes into account the level of light intensity.
In line with the textbook [35], the authors chose the method of direct measurement. The chosen method involves collecting a data array; the measured values were obtained with the aid of the device, the scale of which was graded in the appropriate units of measurement.
A reduction of the measurement error was achieved by measurement at each point of the cowshed with sixfold repetition, while taking into account the measurement time, which was more than 8 s at each point (see above).
Measurements of the parameters of the LED lamps were carried out in each section of the cowshed at the selected points (Figure 2) at 5 different heights. The device used for the measurements was the Luxmeter CEM DT-1308 for measuring illumination 400/4000/40,000/400,000 Lux: ±5.0%.
Then, the averages of the obtained values were found.
The correctness of the conducted studies with changes in the luminous flux was determined by quantifying the results’ correspondence to both theoretical expectations and experimental data. For this, the following criteria were selected: the correlation coefficient, the Fisher criterion and the Student coefficient.

3. Results and Discussion

Based on the above and the authors’ previous research, a program was developed (Figure 3) intended for modeling the optimal illumination and the electrical characteristics of the LED lamps representing both linear and point light sources. The program allows obtaining the dependence of the surface illumination on the distance, light output and radius of the illuminated spot, based on the input characteristics of the LED light source. The program simulates the illumination under spotlights and linear fixtures.
For reliable operation of LED lamps, it is necessary to observe their thermal regime. It is known that at a temperature of 80 °C, the service life is reduced by 40%. For continuous operation, it is necessary to calculate the luminaires so that this temperature is the lowest. Figure 4 shows both the measurement results taken from the thermal imager and the values obtained by the software modeling. Judging on the presented data, due to the high degree of the correlation of the obtained output values, it can be positively stated that with sufficient accuracy, the modeling allows predicting the distribution of the heating [24].
A calculation was also made of the distribution of the light flux in the room to determine the uniformity of illumination. Taking into account the regulatory documents on the illumination above the feed table prescribing the minimum illumination level 100 lux, in order to ensure the set value, the simulation calculation was carried out (Figure 5), in the frame of which each LED lamp had the following technical characteristics: the power consumption of each lamp was 33 W, the luminous flux of each lamp was 4954 lm and the luminous efficiency was 150.1 lm/W.
The obtained illumination values over the feed table are given in Table 1 and in Figure 6.
The total values were obtained for illumination inside a cowshed. It turned out that in order to provide the feed table with the necessary level of illumination (Figure 7) for a herd of 240 heads, 56 LED lamps were needed with a total luminous flux of 277,424 lm and a total power consumption of 1.85 kW. The mounting height of the suspension is 4.2 m. The distance between the lamps in a row is 5 m.
The energy-saving illumination systems developed by us are implemented in the cowshed shown in Figure 7. Due to the fact that the maximum sensitivity of the animals’ vision is shifted to the blue area, the best effect is achieved when using LED lamps with a color temperature from 4000 K to 9000 K. Despite the high power of traditional 125 W lamps, they have a low luminous flux utilization factor and it is not possible to achieve uniform illumination over the entire surface in the room. The experiment showed the advantage of using low-power LED lamps, even when their number was doubled.
So, for example, in Figure 7b, the 45 × 21 m calf house is shown and 36 LED lamps are visible; they are installed at the height of 2.6 m. Technical characteristics are presented in Table 2.
The power consumption decreased from 2250 to 324 watts; the average light intensity increased and amounted to 123.1 lux; along with this, the illumination uniformity and color rendition improved up to 30%.
For mains supply of the LED light fixtures, various drivers were used. The intensity of LED light irradiation depends on the value of the current flowing through the p-n junction. This enables control of the intensity of LED lamp irradiation; moreover, it is relatively easy to do so just by changing the current. In general, LEDs are low-voltage light sources working with the voltage of 1.5…3.5 V. In addition, in any LED, a current depends strongly on the voltage, which is described by a volt-ampere characteristic curve. As this dependence is exponential, it is necessary to set a certain current for LED powering. Due to the non-linearity of the volt-ampere characteristic, the LED power supply circuit including a resistor limiter has one more drawback, which is the instability of the current passing through the LEDs when the supply voltage changes.
The efficiency coefficient of universal drivers is worse than that of drivers designed for a fixed number of LEDs. In cases of LED lighting systems designed for poultry premises, built-in drivers are mainly used with external control; or as an alternative, one powerful 24 V power supply source is installed at the beginning of the lighting line. In the latter case, low-voltage power lines with high current are stretched over the entire length of the premises.
For illumination systems designed for livestock and poultry premises with the function “dawn–sunset”, most often, LED lamps having a step-down power source with a digital control system are used. Otherwise, they can be equipped with extended (for the entire length of the building, up to 300 m) DC lines with a voltage of 24 V with several powerful step-down power sources. In the latter case, with the purpose of reduction of the voltage losses, it is necessary to use cables with a large cross section (up to 25 mm2). However, even despite this, there remains a significant difference in the light output of the lamps located closest to the entrance and ones more distant from the power source. That is why there is a need for another power supply system for LED lamps, a system able to provide a smooth regulation of the light intensity [36,37].
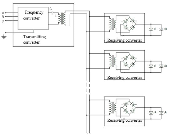
One of the design versions can be the resonant power supply system for LED lamps developed by us (Figure 8). Distinctive features of the proposed system include the installation of one transmitting voltage converter for the entire system, one receiving converter inside each lamp (a high-frequency transformer + a rectifier) and the “smooth illumination control”. One of the main components of the power supply system is a resonant step-up transformer. This resonant transformer contains an LC circuit, where the inductor has two windings. The primary winding is designed for obtainment of high voltage (with increased frequency) from low voltage. The secondary winding serves for galvanic isolation of the voltage converter and lamps. As electricity sources for the resonant electric power transmission systems, both standard electric networks and renewable sources can be used, such as, for example, solar power plants.
Such an illumination system works as follows. The frequency of the electrical energy from the mains or other energy sources is converted in the frequency converter; the voltage of this electrical energy is increased by means of the step-up transformer. Further, in the primary winding, the resonant current fluctuations are initiated with a frequency from F0 = 1 kHz to 200 kHz, equal to the frequency of the frequency converter, as well as the resonant voltage fluctuations from 0.5 kW to 30 kW. Due to the phenomenon of the voltage resonance and the high Q-factor (high finesse) of the LC circuit in the primary winding, the output voltage increases several times. Upon that, this transformer (supplemented with a capacitor battery) has its own resonant frequency, which slightly exceeds the resonant frequency of the entire system (including the receiving and transmitting equipment and the power line). The efficiency coefficient of such a circuit of the light sources’ powering reaches 90…95%. The illumination level is regulated by the frequency changing; when the frequency is changed as compared to the resonant frequency, the transmitted power decreases. In the resonant single-wire power transmission line, depending on the transmitted power, the voltage and the current are shifted in phase by a different angle relative to each other. Because of this, the energy losses in the power transmission line are reduced.
The receiving transformers can lower the voltage of the power line down to the value necessary for the normal operation of the bridge rectifiers and the LEDs. Thus, only one voltage converter (driver) is installed in the entire illumination system. This is its difference from traditional illumination systems where drivers are installed in each lamp.
A visual comparison of the experimental results and the theoretical values (Figure 9) indicates the correctness of the accepted mathematical model in our theoretical study, due to the similarity of the values obtained.
The calculation was carried out according to the paper [38].
Correlation coefficient: rxy (   r x y = 0.77).
In our case, the degree of affinity closeness shows that connection is of medium strength.
Student’s coefficient: t C T ( t C T = 1.16).
Acceptable tabular value of the Student’s coefficient: tT = 2.26.
The model is accepted when ( t C T   < tT).
Fisher’s criterion: F (F = 1,5).
Acceptable tabular value of the Fisher’s criterion: FT = 3,29
The model is accepted when (F < FT).
The conducted experiment intended for the adequacy verification of the developed model showed that the developed model can be considered satisfactory; the Student and Fisher criteria do not exceed the tabular values, and the correlation coefficient showed the close affinity.

4. Directions for Further Research

Development of methodological recommendations for the parameters substantiating the energy-saving illumination system inside agricultural premises.
Refinement of the calculation methodology by way of introduction of correction coefficients based on repeated experiments. To be precise, study is needed of the diode resource with correction on the efficiency reduction and the changing purity of the ambient air.
Conducting of tests and experiments in cowsheds with the purpose of finding out whether the selected number of LED lamps is sufficient and of making a comparison between the experimental results and the values obtained with the simulation calculation (because usually, there is a high dust content in livestock premises, which the mathematical program neglects).

5. Conclusions

In this paper, the authors substantiated the parameters of the improved energy-saving illumination system inside agricultural premises. The method was developed for calculation of the light intensity under an LED lamp. The illumination can be considered satisfactory because the Student’s and Fisher’s criteria do not exceed the tabular values and the correlation coefficient showed close affinity. The method was developed for calculating the number of LED lamps needed. The prediction model was developed for crystal heating, which describes the heating distribution with sufficient accuracy due to the high correlation between the theoretically expected values and the obtained output ones. The simulation calculation which was carried out turned out to be able to determine the required number of LED lamps and their needed technical characteristics so as to provide the premises for 240 heads of a green-forage herd with the optimal illumination above the feed table. The proposed resonant power supply system for the LED lamps will reduce the cost of the equipment maintenance and increase the reliability of the equipment operation, thanks to the isolating transformers and the increased current frequency in the wires. The “dawn–sunset” lighting function is implemented with the smooth frequency control of the converter. Based on our research, it is possible to simulate lighting systems for various rooms with modern LED light sources.

Author Contributions

I.M.D. conceptualization, software, writing—review and editing. L.Y.Y. conceptualization, software, writing—original draft preparation. D.Y.P. formal analysis, methodology, writing—review. V.A.P. supervision, editing, V.E.B. project administration. I.V.Y. visualization, resources All authors have read and agreed to the published version of the manuscript.

Funding

This research received no external funding.

Data Availability Statement

The data presented in this study are available upon request from the corresponding author.

Conflicts of Interest

The authors declare no conflict of interest. The funders had no role in the design of the study; in the collection, analyses, or interpretation of data; in the writing of the manuscript; or in the decision to publish the results.

References

  1. Pilytsikova, Y.A.; Kovalenko, O.Y.; Ovchukova, S.A. The effect of combined radiation on young birds. Bull. FGOU VPO MGAU 2012, 2, 29–31. [Google Scholar]
  2. Filatov, D.A.; Terentyev, P.V.; Avdeeva, E.A.; Plaksin, M.A. Energy-efficient lighting in dairy cattle breeding. Bull. Nizhny Novgorod State Agric. Acad. 2018, 4, 50–57. [Google Scholar]
  3. Yuferev, L.Y.; Alferova, L.K. Lighting Engineering in Agriculture; All-Russian Research Institute of Agricultural Mechanization: Moscow, Russia, 2016; 156p. [Google Scholar]
  4. Muneshwara, M.S.; Swetha, M.S.; Anand, R.; Pushpa, S.K.; Manjunath, T.N. IOT-Based Smart Street Light Control Application for Smart Cities. Lect. Notes Netw. Syst. 2022, 311, 321–333. [Google Scholar] [CrossRef]
  5. Diatroptov, M.E.; Slesarev, S.M.; Zenchenko, T.A. Phase Analysis of Ultradian Rhythms of Body Temperature in Laboratory Mice Maintained under Constant Illumination at Different Longitudinal Locations. Bull. Exp. Biol. Med. 2021, 172, 72–76. [Google Scholar] [CrossRef]
  6. Zhang, P.; Chen, Z.; Wang, F.; Jian, X.; Liu, C. Response of Population Canopy Color Gradation Skewed Distribution Parameters of the RGB Model to Micrometeorology Environment in Begonia Fimbristipula Hance. Atmosphere 2022, 13, 890. [Google Scholar] [CrossRef]
  7. Gordeev, V.V.; Khazanov, V.E.; Erk, A.F.; Razmuk, V.A. Assessment of Illumination in Cowsheds for A Farm Having 1200 Cows. In Technologies and Technical Means of Mechanized Production of Crop Production and Animal Husbandry; 2017; Volume 92, pp. 153–158. Available online: https://cyberleninka.ru/article/n/otsenka-osveschennosti-v-korovnikah-dlya-fermy-na-1200-doynyh-korov (accessed on 29 January 2023).
  8. Order of the Ministry of Agriculture of the Russian Federation Dated on 21.10.2020 No. 622. On Approval of Veterinary Rules for Cattle Keeping for the Purpose of Its Reproduction, Growing-Up and Sale. Available online: https://rulaws.ru/acts/Prikaz-Minselhoza-Rossii-ot-21.10.2020-N-622/ (accessed on 29 January 2023).
  9. Dovlatov, I.M.; Yuferev, L.Y.; Mikaeva, S.A.; Mikaeva, A.S.; Zheleznikova, O.E. Development and testing of combined germicidal recirculator. Light Eng. 2021, 29, 43–49. [Google Scholar] [CrossRef] [PubMed]
  10. Kovalenko, O.Y.; Chuvatkina, T.A.; Ovchukova, S.A.; Zhuravlyova, Y.A. Analysis of characteristics and application features of erythema lamps. Light Eng. 2022, 30, 97–101. [Google Scholar] [CrossRef]
  11. Ovchukova, S.A.; Kovalenko, O.Y.; Zhuravleva, Y.A. Study of the features of the use of discharge lamps to increase the milk productivity of cattle. Bull. NGIEI 2022, 8, 54–61. [Google Scholar]
  12. Proshkin, Y.A.; Smirnov, A.A.; Sokolov, A.V.; Dovlatov, I.M.; Kachan, S.A. Study of thermal modes of operation of SMD-LEDs in phytolamps. IOP Conf. Ser.-Earth Environ. Sci. 2021, 624, 012091. [Google Scholar] [CrossRef]
  13. Kondratyeva, N.P.; Filatov, D.A.; Terentyev, P.V.; Al-Helyu, A.S. Comparative evaluation of main characteristics of sodium-based and LED-based greenhouse irradiators. Agric. Mach. Technol. 2020, 14, 50–54. [Google Scholar]
  14. Corelli Grappadelli, L.; Lopez, G.; Manfrini, L.; Zibord, M.; Morandi, B.; Bastias, R.; Losciale, P. Conditioning the orchard light environment for greater efficiency and sustainability. Acta Hortic. 2017, 68, 4463–4477. [Google Scholar] [CrossRef]
  15. Amine, M.M.; Habib, H.; Bechekir, S.E. Realization of an dimmable electronic ballast for a discharge lamps fed by an LSCSCP circuit and a PFC stage. Int. J. Power Electron. Drive Syst. 2022, 13, 643–656. [Google Scholar] [CrossRef]
  16. Sergeyeva, N.V.; Arinichev, V.N.; Shevkun, N.A.; Ovsiannikova, E.A.; Chistova, Y.S. Economic evaluation of innovative engineering solutions in animal husbandry. IOP Conf. Ser. Earth Environ. Sci. 2021, 677, 022036. [Google Scholar] [CrossRef]
  17. Lee, M.J.; Seo, H.S.; Min, S.Y.; Lee, J.; Park, S.; Jeon, J.B.; Kim, J.; Oh, W. Effects of supplemental lighting with high-pressure sodium or plasma lamps on quality and yield of cut roses. Hortic. Sci. Technol. 2021, 39, 49–61. [Google Scholar]
  18. Wan, Y.; Wu, Y.; Zhang, M.; Hong, A.; Liu, Y. Effects of photoperiod extension via red-blue light-emitting diodes and high-pressure sodium lamps on the growth and photosynthetic characteristics in Paeonia lactiflora. Acta Physiol. Plant. 2020, 42, 174. [Google Scholar] [CrossRef]
  19. Chamberlain, A.T. The use of supplementary lighting in dairy cow housing to increase milk production. Livestock 2018, 23, 130–138. [Google Scholar] [CrossRef]
  20. Murphy, B.A.; Herlihy, M.M.; Nolan, M.B.; O’Brien, C.; Furlong, J.G.; Butler, S.T. Identification of the blue light intensity administered to one eye required to suppress bovine plasma melatonin and investigation into effects on milk production in grazing dairy cows. J. Dairy Sci. 2021, 104, 12127–12138. [Google Scholar] [CrossRef] [PubMed]
  21. Asher, A.; Fialko, M.; Fares, F.; Moallem, U.; Yaacoby, S.; Gutman, R. The Effect of Exposing High Yielding Dairy Cows To Short Wavelength LED Illumination During The Night On Fatty Acid Profile. Res. Sq. 2022, 3, 1240395. [Google Scholar]
  22. Lindkvist, S.; Ternman, E.; Ferneborg, S.; Bånkestad, D.; Lindqvist, J.; Ekesten, B.; Agenäs, S. Effects of achromatic and chromatic lights on pupillary response, endocrinology, activity, and milk production in dairy cows. PLoS ONE 2021, 16, 0253776. [Google Scholar] [CrossRef]
  23. Jin-Ryong, P.; Shah-Ahmed, B.; Chong-Sam, N.; Kwan-Seob, S. Effect of LED Lighting Intensity on Productivity, Blood Parameters and Immune Responses in Dairy Cows. Korean J. Org. Agric. 2019, 27, 161–171. [Google Scholar]
  24. Dovlatov, I.; Yuferev, L.; Smirnov, A.; Proshkin, Y.; Sokolov, A. The Implementation of Energy-Saving Lighting Systems for Poultry Houses. In Proceedings of the International Research Conference on Challenges and Advances in Farming, Food Manufacturing, Agricultural Research and Education, Rostov, Russia, 17–19 June 2020; KnE Life Sciences: Dubai, United Arab Emirates, 2021; pp. 807–817. [Google Scholar] [CrossRef]
  25. Jakubiec, J.A. Data-Driven Selection of Typical Opaque Material Reflectances for Lighting Simulation. J. Illum. Eng. Soc. 2022, 19, 176–189. [Google Scholar] [CrossRef]
  26. Duplakova, D.; Duplak, J.; Kascak, R. Ergonomic Rationalization Sequence of Digital Lighting Design in the Working Environment. Int. J. Environ. Res. Public Health 2022, 19, 7275. [Google Scholar] [CrossRef]
  27. Dupláková, D.; Hatala, M.; Duplák, J.; Knapčíková, L.; Radchenko, S. Illumination simulation of working environment during the testing of cutting materials durability. Ain Shams Eng. J. 2019, 10, 161–169. [Google Scholar] [CrossRef]
  28. Kubota, C.; Eguchi, T. Minimum UV-B Radiation Dose to Prevent Intumescence Injury of Tomato Rootstock Plants Grown Under LEDs. Hortscience 2017, 52. [Google Scholar]
  29. Sarychev, G. LEDs and intensive light culture of plants. Semicond. Light. Technol. 2018, 4, 45–47. [Google Scholar]
  30. Proshkin, Y.; Semenova, N.; Smirnov, A.; Chilingaryan, N. The LED phyto lighting for improving the environmental friendliness of growing and productivity of lettuce varieties with red and green leaves. IOP Conf. Ser. Earth Environ. Sci. 2020, 578, 012013. [Google Scholar] [CrossRef]
  31. Kowalczyk, K.; Olewnicki, D.; Mirgos, M.; Gajc-Wolska, J. Comparison of selected costs in greenhouse cucumber production with LED and HPS supplemental assimilation lighting. Agronomy 2020, 10, 1342. [Google Scholar] [CrossRef]
  32. Saunders, J.E.; Jarvis, J.R.; Wathes, C.M. Calculating luminous flux and lighting levels for domesticated mammals and birds. Animal 2008, 2, 921–932. [Google Scholar] [CrossRef]
  33. Van Heerden, B.; Krüger, T.P.J. Theoretical comparison of real-time feedback-driven single-particle tracking techniques. J. Chem. Phys. 2022, 157, 0096729. [Google Scholar] [CrossRef]
  34. Nouri, N.; Valdivia, C.E.; Beattie, M.N.; Krich, J.J.; Hinzer, K. Light management in ultra-thin photonic power converters for 1310 nm laser illumination. Opt. Express 2022, 30, 23417–23427. [Google Scholar] [CrossRef]
  35. Morozov, V. Manual Methods of Results Processing of a Physical Experiment; Morozov, V.V., Sobotkovsky, B.E., Sheinman, I.L., Eds.; SPbGETU “LETI”: Saint Petersburg, Russia, 2004; 64p. [Google Scholar]
  36. Yudina, L.; Sukhova, E.; Mudrilov, M.; Nerush, V.; Pecherina, A.; Vodeneev, V.; Sukhov, V.; Smirnov, A.A.; Dorokhov, A.S.; Chilingaryan, N.O. Ratio of intensities of blue and red light at cultivation influences photosynthetic light reactions, respiration, growth, and reflectance indices in lettuce. Biology 2022, 11, 60. [Google Scholar] [CrossRef] [PubMed]
  37. Dorokhov, A.S.; Sibirev, A.V.; Aksenov, A.G.; Mosyakov, M.A.; Sazonov, N.V.; Innovative Technological Support for the Production of Vegetable Crops. Moscow, Russia. 2022. Available online: https://www.cnshb.ru/Vexhib/vex_news/2022/vex_220430/04084950.pdf (accessed on 29 January 2023).
  38. Dovlatov, I.M. Comparison of theoretical and experimental data on changes in ram air inside of recirculator. Innov. Agric. 2019, 2, 626–632. [Google Scholar]
Figure 1. Location of illuminated point under LED lamp.
Figure 1. Location of illuminated point under LED lamp.
Energies 16 01837 g001
Figure 2. Selected points for data array calculating and collecting.
Figure 2. Selected points for data array calculating and collecting.
Energies 16 01837 g002
Figure 3. A fragment of the program developed by the authors for modeling illumination under a spot and linear lamp depending on the distance, angle of illumination and luminous flux of the light source.
Figure 3. A fragment of the program developed by the authors for modeling illumination under a spot and linear lamp depending on the distance, angle of illumination and luminous flux of the light source.
Energies 16 01837 g003
Figure 4. Calculated and simulated temperature distribution over the surface of the plastic housing of a linear LED luminaire: (a) thermal imaging; (b) calculated values as a result of modeling.
Figure 4. Calculated and simulated temperature distribution over the surface of the plastic housing of a linear LED luminaire: (a) thermal imaging; (b) calculated values as a result of modeling.
Energies 16 01837 g004
Figure 5. Modeled calculated distribution of illumination inside the cowshed using 56 LED lamps.
Figure 5. Modeled calculated distribution of illumination inside the cowshed using 56 LED lamps.
Energies 16 01837 g005
Figure 6. Calculated illumination values in the program applied in the cowshed depending on the height of the considered surface.
Figure 6. Calculated illumination values in the program applied in the cowshed depending on the height of the considered surface.
Energies 16 01837 g006
Figure 7. Comparison of illumination systems for cattle-keeping premises: (a) cowshed for 200 with illumination by high-pressure lamps with a power of 125 W; (b) cowshed for 150 heads with illumination by LED lamps with a power of 9 W.
Figure 7. Comparison of illumination systems for cattle-keeping premises: (a) cowshed for 200 with illumination by high-pressure lamps with a power of 125 W; (b) cowshed for 150 heads with illumination by LED lamps with a power of 9 W.
Energies 16 01837 g007
Figure 8. Resonant power supply system for LED lamps.
Figure 8. Resonant power supply system for LED lamps.
Energies 16 01837 g008
Figure 9. Diagram of changes in illumination at different heights.
Figure 9. Diagram of changes in illumination at different heights.
Energies 16 01837 g009
Table 1. Calculated surfaces.
Table 1. Calculated surfaces.
FeaturesE, lxEmin, lxEmax, lxg1g2Index
Aft table
Horizontal illumination
Height: 0.200 m
10962.21300.570.48CG1
Aft table
Horizontal illumination
Height: 0.200 m
10959.51300.550.46CG2
Recreation area
Horizontal illumination
Height: 0.000 m
99.277.21180.780.65CG3
Recreation area
Horizontal illumination
Height: 0.000 m
99.576.21180.770.65CG4
Table 2. Specifications.
Table 2. Specifications.
Consumed power9 watt
Luminous flux890 lumens
Color temperature6500 Kelvin
Main colorsblue and green
Disclaimer/Publisher’s Note: The statements, opinions and data contained in all publications are solely those of the individual author(s) and contributor(s) and not of MDPI and/or the editor(s). MDPI and/or the editor(s) disclaim responsibility for any injury to people or property resulting from any ideas, methods, instructions or products referred to in the content.

Share and Cite

MDPI and ACS Style

Dovlatov, I.M.; Yuferev, L.Y.; Pavkin, D.Y.; Panchenko, V.A.; Bolshev, V.E.; Yudaev, I.V. Rationale for Parameters of Energy-Saving Illumination inside Agricultural Premises and Method of Its Values Calculation. Energies 2023, 16, 1837. https://doi.org/10.3390/en16041837

AMA Style

Dovlatov IM, Yuferev LY, Pavkin DY, Panchenko VA, Bolshev VE, Yudaev IV. Rationale for Parameters of Energy-Saving Illumination inside Agricultural Premises and Method of Its Values Calculation. Energies. 2023; 16(4):1837. https://doi.org/10.3390/en16041837

Chicago/Turabian Style

Dovlatov, Igor M., Leonid Y. Yuferev, Dmitriy Y. Pavkin, Vladimir A. Panchenko, Vadim E. Bolshev, and Igor V. Yudaev. 2023. "Rationale for Parameters of Energy-Saving Illumination inside Agricultural Premises and Method of Its Values Calculation" Energies 16, no. 4: 1837. https://doi.org/10.3390/en16041837

APA Style

Dovlatov, I. M., Yuferev, L. Y., Pavkin, D. Y., Panchenko, V. A., Bolshev, V. E., & Yudaev, I. V. (2023). Rationale for Parameters of Energy-Saving Illumination inside Agricultural Premises and Method of Its Values Calculation. Energies, 16(4), 1837. https://doi.org/10.3390/en16041837

Note that from the first issue of 2016, this journal uses article numbers instead of page numbers. See further details here.

Article Metrics

Back to TopTop