Next Article in Journal
Energy Reduction with Super-Resolution Convolutional Neural Network for Ultrasound Tomography
Next Article in Special Issue
A Reliability-Optimized Maximum Power Point Tracking Algorithm Utilizing Neural Networks for Long-Term Lifetime Prediction for Photovoltaic Power Converters
Previous Article in Journal
Energy Saving Optimization Technique-Based Routing Protocol in Mobile Ad-Hoc Network with IoT Environment
Previous Article in Special Issue
Short-Circuit Fault Diagnosis on Induction Motors through Electric Current Phasor Analysis and Fuzzy Logic
 
 
Font Type:
Arial Georgia Verdana
Font Size:
Aa Aa Aa
Line Spacing:
Column Width:
Background:
Article

Simulation Analysis of a Single-Phase AC Circuit with a Nonlinear Load

Faculty of Electrical Engineering, Automatic Control and Computer Science, Kielce University of Technology, 25-314 Kielce, Poland
*
Author to whom correspondence should be addressed.
Energies 2023, 16(3), 1386; https://doi.org/10.3390/en16031386
Submission received: 25 November 2022 / Revised: 25 January 2023 / Accepted: 26 January 2023 / Published: 30 January 2023

Abstract

The IEEE 1459 standard states that: “There is a need to quantify correctly the distortions caused by the nonlinear and parametric loads …” The paper undertakes this problem. The article includes an analysis of selected steady-state properties of a single-phase AC circuit containing a series connection of a resistance, an inductance, and a nonlinear element described by a signum function. The circuit is supplied from a sinusoidal voltage source. The mathematical model of this circuit is described using dimensionless variables. Based on the harmonic balance, a description of the circuit for the fundamental harmonic and the circuit for the remaining harmonics was separated. On the basis of the relationship between the current and voltage waveforms, the solution for all harmonics, the harmonic content coefficients, and the elements of the equivalent scheme of the nonlinear load, were estimated symbolically. Based on the circuit equations, a circuit model and measurement systems were developed in Simulink, as well as a program that controls these models in MATLAB and determines the characteristics of the circuit model. The paper presents selected circuit characteristics as a function of load voltage amplitude and circuit resistance. The conclusions drawn from these studies have practical significance.

1. Introduction

As society develops, more and more energy is consumed. This energy is consumed for the purpose of producing goods and providing conditions for the development of society. Between 1965 and 2018, there was an almost four-fold increase in this consumption [1]. A significant part of the energy consumed is electricity. Methods of generating and transmitting this energy using the alternating current system have been developed since the late 19th century. The development of this system generated the need to develop the theoretical basis of AC electrical engineering and accounting for the electricity consumed. At the time C. P. Steinmetz arrived in the US as an immigrant. He had previously studied mathematics and electrical engineering. In 1900 his book on the theory and calculations of alternating current circuits was published [2]. Much of the theory contained in this publication is still used in the teaching of electrical engineering. Only the notation has changed slightly. In this work, the problems of alternating current power were analyzed. Steinmetz assumed that the powers of an AC circuit can be represented as vectors rotating with a speed equal to twice the angular velocity of the supply voltage, because he assumed that the apparent power vector is the product of the complex rotating vectors of current and voltage. With this assumption, there is no constant active power component, which occurs for time courses. The real part of the power vector was called by Steinmetz “the real power”, the imaginary part—“the wattless power”, and the module—“the apparent power” [2] (p. 153).
More intensive works focused on the problem of energy and power settlements were carried out in the 1920s and the 1930s. Publications from this period contained proposals for the definition of reactive power. Active power was measured using electrodynamic meters with a moving coil connected to the circuit voltage through a series resistor. In 1925, for the measurement of reactive power, Illovici proposed replacing this resistor with a capacitor [3] (p. 59). Based on this idea, he formulated expressions for reactive power for currents and voltages containing higher harmonics in a steady-state circuit. According to these expressions, the capacitive reactive power is proportional to the frequency of higher harmonics and for the inductive reactive power it is inversely proportional to this frequency. This definition is interesting due to the possibility of formulating expressions for instantaneous reactive power using the time derivative of the current [4].
The reactive power defined by Budeanu [3,5] was formed in another way. The basis for this approach were the definitions of active and reactive power for a steady-state linear circuit supplied from a sinusoidal voltage source. Budeanu assumed a priori that for each harmonic the reactive power is described as for the first harmonic and its amplitude does not depend directly on the frequency of the harmonic. The difference between the square of the apparent power and the sum of the squares of the active and reactive powers was called by Budeanu the square of the distortion power [3,5].
S. Fryze’s approach to the definition of reactive power was different [3]. He divided the load current into two components: active and reactive, depending on the shape of the voltage curve. In order to isolate these components, he determined the equivalent load conductivity as the quotient of the average active power and the mean square of the voltage. He determined the active component of the current by multiplying the current by this conductivity and then, after subtracting its active component from the current, he obtained the reactive component. The product of the reactive current and voltage gives the Fryze reactive power. These components are mutually orthogonal. This approach is very convenient for compensating the inactive current in a circuit node. However, in nodes with different voltage shapes, different reactive power calculation algorithms are used. This means that this definition of reactive power does not specify the direction of reactive power flow.
The definitions presented above were the basis for introducing other, modified definitions of these quantities at a later time [3,5]; therefore, only the basic definitions are presented.
For quite a long time, from among the above definitions of reactive power, the Budeanu approach was the most widely used. However, in order to determine the components of this system, it is necessary to determine the amplitudes of harmonic currents and voltages and the phase shift angles between current and voltage harmonics. To simplify these calculations, the IEEE WG2 working group has proposed an algorithm for determining reactive power as the product of voltage and current waveforms shifted in phase by an angle π/2 [5]. This algorithm is computationally simpler than the Budeanu algorithm; however, the reactive power values of some harmonics have erroneous values.
Between 1970 and 2000, there were many publications on reactive power, apparent power, and distortion power. A summary of the discussion was the IEEE Std. 1459 [6]. A trial version and, after some revisions, a proper version of this standard were initially published in 2000. It was basis for the implementation of measuring and monitoring circuits, presented in [7,8,9].
After further discussions and publications, a new version, IEEE Std. 1459–2010 [10], was created. In the introduction of this standard, it is stated that:
“There is a need to quantify correctly the distortions caused by the nonlinear and parametric loads, and to apply a fair distribution of the financial burden required to maintain the quality of electric service”.
Further:
“There is not yet available a generalized power theory that can provide a simultaneous common base for
Energy billing;
Evaluation of electric energy quality;
Detection of the major sources of waveform distortion.”
According to IEEE WG2 working group members, the purpose of the IEEE Std. 1459 is to provide definitions of well-established concepts in the measurement field and principles of energy and power quantification. These definitions are intended to serve as a guideline and useful reference, and to test for future power system instrumentation. The standard considers the cases of a single-phase circuit with non-sinusoidal currents and voltages and a three-phase circuit with unbalanced loads and asymmetrical supply voltages. The results presented in the standard paper do not indicate that the goal has been fully achieved.
In the literature, it can be found the necessary requirements that power theory should:
Reproduce from the physical phenomena of the electric power circuit, and not just use a fully unreasonable hypothetical mathematical relationship, and must never violate the laws of the circuit;
Provide an adequate basis for measurement, control, tariff systems of the power system taking into account the current state of the art.
In the examples in the literature, the study of active and reactive power is often conducted for a three-phase circuit, often with linear elements with a non-sinusoidal supply [3,5,6]. As a result, the analyzed object is multidimensional and its analysis is complicated. The standard [6] provides an example of the analysis of a circuit with a nonlinear element, a triac, but the object chosen is difficult to describe and its analysis is too simplified. According to the authors, it is more expedient to study in steady state a single-phase circuit containing a series-connected inductance, resistance, and nonlinear load, supplied from a sinusoidal voltage source. The nonlinear load described in the form of current-voltage characteristics described using the sign function will facilitate the analysis. To avoid even harmonics, the voltage on this nonlinearity should be an odd function of the current. The study of the parameters of the distribution of harmonic currents and voltages, active power, reactive power, elements of the equivalent circuit diagram in this circuit will allow the analysis of power flow phenomena, power balance and quality indicators in the circuit.
For the nonlinear load model adopted in the paper to a certain extent, the research can be carried out symbolically on general variables. In the extended range this research can be realized only by using numerical modeling and simulation. Such simulation is presented in the next section. The results of the research are presented graphically. That results can be the basis for the construction of measurement and control systems for the operation of the power system and the smart-grid system.

2. Symbolic Analysis of a Circuit Model with a Nonlinear Load

For the analysis of harmonic generation and propagation, a circuit supplied from a voltage source containing a series-connected inductance and resistance and a nonlinear element is considered. It was assumed that the power source is sinusoidal with amplitude E and angular frequency ω. Furthermore, the marked are: inductance—L, resistance—R and load voltage amplitude Ua. The diagram of this circuit is shown in Figure 1.
It is assumed that the current-voltage characteristics of the nonlinear element for Ua > 0 are described as follows:
U ( t ) = U a · sign I ( t ) = { U a , I ( t ) > 0 0 , I ( t ) = 0 U a , I ( t ) < 0
The equation of the circuit was defined using dimensionless variables with reference variables E, ωL. For zero initial conditions the equation may be presented in the form:
d i ( τ ) d τ + r i ( τ ) + u ( τ ) = sin ( τ + ψ )
where
τ = ω t ; I m = E ω L ; i ( τ ) = I ( ω t ) I m ; u ( τ ) = U ( ω t ) E ; u a = U a E ; r = R ω L
ψ—is the angle of phase shift between the supply voltage and the fundamental harmonic of the load voltage.
In the circuit analysis, the circuit reactance ωL and the nonlinear element with characteristic U(I) were assumed to be significant quantities, while the resistance R is smaller than the reactance ωL and is less significant. The introduction of dimensionless variables simplified the analysis of the circuit. In the following procedure, the independent variables are the dimensionless amplitude of the load voltage u(τ) and the dimensionless resistance r.
In the chapter the steady state solution of the circuit equation was analyzed. It was assumed that the load voltage is a symmetrical rectangular wave with an amplitude ua and an angular frequency of the fundamental harmonic after scaling equal to 1. This is the case when there is an uninterruptible current flow in the circuit i(τ), that is, when the current has a countable number of points of crossing zero. The maximum value of the load voltage amplitude ua, at which this condition is satisfied, can be easily determined for r = 0. The range ua and value of ub are:
0 < u a < u b ; u b = 1 1 + π 2 4 0.537
This means that uninterruptible current flow occurs only for a load with a voltage amplitude equal to approximately half the amplitude of the supply voltage. In this range of magnitude ua, the waveform of the load voltage and its harmonic spectrum do not depend on the circuit parameters. The waveform of this voltage can be expanded in Fourier series as follows:
u ( τ ) = n = 1 u ( 2 n 1 ) sin [ ( 2 n 1 ) τ ] = u 1 n = 1 1 2 n 1 sin [ ( 2 n 1 ) τ ]
where u2 is the amplitude of the first harmonic of the load voltage, and u(2n−1) is the amplitude of the (2n − 1)-th its harmonic:
u 1 = 4 u a π ; u ( 2 n 1 ) = u 1 2 n 1
The voltage distortion coefficient of a nonlinear load, denoted THDu, can be estimated from the Fourier series (5), in the following form:
T H D u = u 3 2 + u 5 2 + u 7 2 + u 1 = π 2 8 1 = 0.4834
The value of this coefficient is about 6 times the permissible THDu in the supply voltage according to the standard [11]. The inductance included in series reduces the flow of higher current harmonics in the direction from the nonlinearity to the power source and thus mitigates the effect of the nonlinearity on THDu and the deterioration of energy efficiency.
The current waveform can also be described by a Fourier series:
i ( τ ) = n = 1 i ( 2 n 1 ) sin [ ( 2 n 1 ) τ + φ ( 2 n 1 ) ]
The relationship between the current (8) and voltage (4) waveforms is determined by (1), and in order for it to be valid for every τ = k π , k = 0 , 1 , 2 , the condition must apply:
i 1 sin ( φ 1 ) = n = 2 i ( 2 n 1 ) sin ( φ ( 2 n 1 ) )
This relationship is valid for any nonlinearity for which the current-voltage characteristics are a single-valued and odd function.
In steady state, the time derivative of the current can also be written as a Fourier series. Then, substituting the series of the current derivative, the current and the load voltage into (2), the sum of the products of the sin|cos functions and the equations for the individual odd harmonics is obtained. Using the harmonic balance method [12], the equations of the above harmonics are obtained. Taking into account that equation (2) of the system is inhomogeneous and its forcing is a harmonic function of time, we distinguish the equations of the sin|cos components of the current: the fundamental harmonic and the higher harmonics. Higher harmonics of voltage are generated in a nonlinear load. They result from the shape of its voltage. Their amplitude is defined in (6). The impedance that determines the current amplitude and phase shift consists of resistance and reactance, which for the (2n − 1)-th harmonic in dimensionless form are r and (2n − 1), respectively. Hence results the equation of the amplitude of the (2n − 1)-th harmonic current for n = 2, 3, …, ∞:
i ( 2 n 1 ) = u ( 2 n 1 ) ( 2 n 1 ) 2 + r 2
After substituting for u(2n−2) from (6), the following results are obtained for individual harmonics (for n ≥ 2 and for r < 0.3):
i ( 2 n 1 ) = u 1 ( 2 n 1 ) ( 2 n 1 ) 2 + r 2 u 1 ( 2 n 1 ) 2 ( 1 1 2 ( r 2 n 1 ) 2 )
φ ( 2 n 1 ) = arcctg r 2 n 1
s i n ( φ ( 2 n 1 ) ) = 1 1 + ( r ( 2 n 1 ) ) 2 1 + 1 2 ( r 2 n 1 ) 2
Calculating the sum of the right-hand side of (9), one obtains:
n = 2 i ( 2 n 1 ) sin ( φ ( 2 n 1 ) ) = u 1 W ( r )
where
W ( r ) = ( π 2 8 1 r 2 ( π 4 96 1 ) ) ( 0.2337 r 2 0 . 01467 )
The component W(r) independent of r is equal to the square of the THDu (7) coefficient for ua < ub. Hence, from (9) one obtains:
i 1 sin ( φ 1 ) = u 1 W ( r )
Using the equation of balance of the first harmonic of voltage and the above relationship, one can obtain an equation describing the amplitude of the current’s first harmonic in the following form:
i 1 = [ 1 1 + r 2 ( 1 + r 2 u 1 2 ( 1 + W ( r 2 + 1 ) ) 2 u 1 r ) ] 2 + ( u 1 W ) 2
From (16) it follows that the phase shift angle of the current’s first harmonic is negative, i.e., the current is delayed with respect to the voltage, and that the equivalent series diagram of a nonlinear element for the fundamental harmonic of current and voltage contains inductance and resistance. For an equivalent schematic containing elements connected in parallel, the equivalent inductive reactance has a constant value. In further analysis, the equivalent circuit diagram of serially connected elements ωLN, RN is more useful. Therefore, these elements were estimated. The voltage drops across these elements can be written:
ω L N I 1 = U 1 sin ( φ 1 )
R N I 1 = U 1 cos ( φ 1 )
After substituting (16), the following values of equivalent elements are obtained:
ω L N = ω L u 1 i 1 sin ( φ 1 ) = ω L ( u 1 i 1 ) 2 W ( r )
R N = ω L u 1 i 1 cos ( φ 1 ) ω L u 1 i 1 ( 1 0.5 ( u 1 i 1 W ( r ) ) 2 )
The last result is particularly interesting. The load, described by an odd single-valued nonlinear function, has an inductance in the equivalent diagram, which is a conservative element. The current-voltage characteristics of the inductance for sinusoidal current are not single-valued. The nonlinear element is a voltage source of higher harmonics, which amplitudes and phase shifts of currents are determined by the L and R elements of the circuit and satisfy relation (9). From this relation it follows that the phase shifts of the higher harmonics cause a phase shift of the fundamental harmonic. As a result, an increase in the equivalent inductance of the circuit is observed for the first harmonic.
Based on (9), it is possible to estimate the current total harmonic distortion coefficient. The sum of the squares of the amplitudes of the higher harmonics is:
n 2 i ( 2 n 1 ) 2 = u 1 2 n 2 1 ( 2 n 1 ) 4 ( 1 + ( r 2 n 1 ) 2 ) u 1 2 ( π 4 96 1 r 2 ( π 6 960 1 ) ) u 1 2 ( 0.01468 r 2 0.00145 )
Hence, the current harmonic content factor has the form:
T H D i u 1 i 1 0.1212 ( 1 r 2 0.0494 )
For comparison, the harmonic content factor of a nonlinear load voltage THDu is about 0.48. The above relationships are valid only for a load with a voltage amplitude ua < ub. at most equal to approximately half of the supply voltage amplitude. Hence, the questions arise: what is the effect of the resistance of the circuit, i.e., the parameter r, and how will the above relationships look for larger values of ua? The answer to these questions can be obtained using simulation analysis. This does not mean that the results presented above are unnecessary. They will be used to organize a research experiment in Simulink and verify the obtained results.

3. Models of the Circuit and Output Systems

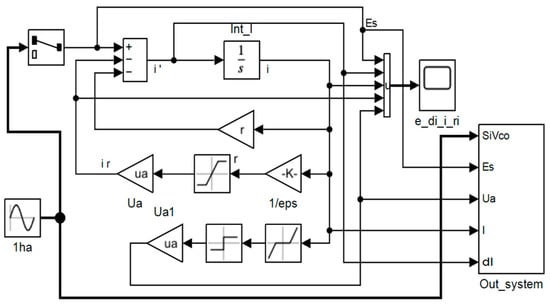
Simulation studies were carried out on the dimensionless form (2) of the equation, in which the circuit supplied from a sinusoidal voltage source with an amplitude equal to 1, contains a series-connected inductance equal to 1 and resistance r and a nonlinear element, whose voltage has an amplitude ua. To carry out simulation studies, the circuit in Figure 1 was modeled in Simulink in Figure 2.
The linear part of the model in Simulink was realized on a summator, integrator and amplifier. The nonlinearity described by the signum function (1) caused the computer to hang when variable-step methods for solving ordinary differential equations were used [13]. The non-continuity of the signum function disturbed the operation of these algorithms [10]. Therefore, the circuit was realized as a saturation block with high gain of the linear part of the characteristic and saturation levels proportional to the amplitude of the nonlinear load voltage. The power supply was made from the 1ha block, which generates the time functions sin(τ) and cos(τ) used in further calculations. Figure 3 shows waveforms of dimensionless variables of supply voltage, current, derivative of current and load voltage for nonlinear load voltage amplitude ua = 0.6 and resistance r = 0.1.
In Figure 3, it can be seen that when the current is close to zero the voltage on the load is close to the supply voltage, that is, the voltage drop on the inductance and resistance is close to zero. In the enlarged figure, the current waveform, in this case, depends on the method used to solve the ODE and has the character of a relaxation oscillation. After analyzing this current waveform for different methods, RK23 was applied. This means that in this case the load voltage does not result from model (1). In order to obtain a voltage corresponding to model (1), an additional load voltage observation circuit containing a dead band zone block, a signum function block and a voltage amplifier ua were used.
The operating diagram in Figure 3 allows the observation of the instantaneous values of the currents and voltages of the circuit in Figure 1. At steady state, the quantities characterizing these quantities averaged for the period of supply voltage are used. The steady-state analysis of the circuit presented earlier splits the procedure into two stages: analysis of higher harmonics and then analysis of the fundamental harmonic. Similarly, it is presented in IEEE Std. 1459 [6,10]. To carry out such a procedure numerically, the sine and cosine components of the fundamental harmonic and the sum of the squares of the amplitudes of all harmonics are determined in the output circuit:
i s = 1 π 0 2 π i ( τ ) sin ( τ ) d τ , i c = 1 π 0 2 π i ( τ ) cos ( τ ) d τ
i m s 2 = 1 π 0 2 π i ( τ ) 2 d τ
and then calculated are
i 1 = i s 2 + i c 2 , i h = i m s 2 i 1 2
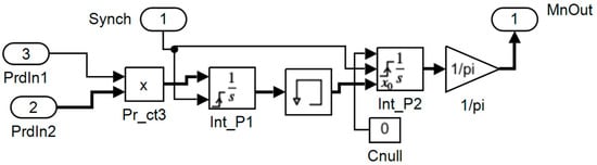
The scheme for determining the sin/cos components of the In1 equal variable is shown in Figure 4.
Calculations are carried out for successive periods and are synchronized with the 1ha generator of Figure 2 controlling the start of the integration period on integrators Int_1 and Int_2. The former integrates the output signals (signal vector) from the multiplier circuit Pr_ct3, whose inputs are given an instantaneous quantity (e.g., current) and a vector of sin(τ) and cos(τ) waveforms. Before the start of a new period, the value of the integral is remembered in the Mem block and in the new period is passed to Int_P2, whose output is divided by π (averaging operation). The output out gets a vector of sin/cos components of the PrdIn1 signal. When the same signal is given to the inputs of the multiplication circuit, (e.g., instantaneous current), the output obtains the averaged square of the doubled rms value (current).
In this way, a system for measuring the rms and amplitude of the fundamental harmonic of the current, load and power supply voltages was modeled. These relationships make it possible to determine the harmonic content ratios, the active power of the circuit’s voltages and current, and the values of the equivalent circuit elements. These quantities were determined for the supply voltage, nonlinear load voltage, current, and active and reactive power of the source and nonlinear load in the circuit.

4. Selected Results of the Circuit Simulation

The simulation experiment was controlled from a program in MATLAB. Calculations were carried out for 10 periods of supply voltage, voltage ua in the range <0.1, 0.9> and values of r = 0.1, 0.3, 0.5. Characteristics of current harmonics are shown in Figure 5.
The model tests resulted in curves more consistent with the characteristics of real circuits with bridge rectifiers than the graphs presented in earlier works [4,14]. For ua equal to about 0.6, the curves of the first harmonic current have inflection points, and the rms value of the higher harmonics of the current reaches a maximum value. These quantities with a further increase in ua tend to zero, but an increase in the ratio of the content of higher current harmonics is observed, Figure 6.
For ua > 0.5, this THDi ratio exceeds the acceptable range adopted in the IEEE Std. 519 [11] for very stiff systems, i.e., when the quotient of short-circuit current and load current is greater than one thousand for the third harmonic. As the harmonic frequency increases and the stiffness of the power system decreases. Calculations of the sin/cos components of the fundamental harmonic and the rms value of the higher harmonics were also carried out for the derivative of the current. Due to time scaling (ω = 1.0), the calculated components of the fundamental harmonic of the time derivative of the current were the same as the components of the fundamental harmonic of the current, but the component values for the higher harmonic derivatives of the current were approximately four times larger than the corresponding components of the current. As a result, the values on the ordinate scale of the THDdi graph were approximately four times greater than those on the THDi scale.
The frequency spectrum of the voltage of a nonlinear load has a slightly different character. The characteristics of the amplitude of the fundamental harmonic u2h and the root of the sum of squares of the amplitudes of the higher harmonics uhh of the voltage (similar to i1 and ih) are shown in Figure 7.
The relationship between the higher harmonics and the fundamental harmonic of the load voltage is determined by THDu, whose graph as a function of ua and r is shown in Figure 8.
In this graph, the value of THDu for ua < ub and r = 0 is constant. The voltage ub depends on r and decreases as this resistance increases. Only when ua exceeds ub, THDu decreases to about 0.3 and later increases to a value of about 0.7. For r = 0.1, the minimum THDu occurs for ua = uc = 0.7. The values of the coordinate minimum of uc depend on the value of r, and it decreases as r increases. The shape of the graph in Figure 8 is due to the relationship between the amplitude of the higher harmonics and the amplitude of the fundamental harmonic. For r = 0.1 and 0.5 < ua < 0.7 the value of the amplitude of the fundamental harmonic determines the value of THDu.
THD coefficients only determine the relationship between the amplitudes of currents and voltages of the higher harmonic circuit and the fundamental harmonic circuit. However, with a sinusoidal power supply, energy flows from the voltage source to the resistance and nonlinearity only with the first harmonic of the current. The current intensity depends on the nature of the load that the source “sees”. To determine this character, the phase shift angle between the nonlinear load voltage and current- ϕui is important. The ϕui, is defined as the difference between the shift angles of the first harmonics of the load voltage and current measured in relation to the voltage of the power source. The graph of the load’s phase shift ϕui is shown in Figure 9.
The angle ϕui is negative and has a minimum value for uaub (4), for the maximum value of the load voltage amplitude and for uninterruptible current flow. This minimum value increases with the value of r. It should be noted that this phase shift occurs for the single-valued current-voltage characteristics of the load. The consequence of this phase shift is the presence of inductance in the equivalent scheme of nonlinearities. The phase shift of the current relative to the load voltage for ua > ub tends to zero as ua increases. However, the equivalent scheme is also determined by the time shift of the moment when the load is “switched on”. This time shift increases with ua. Therefore, the elements of the equivalent scheme (including the equivalent inductance) must be determined by the phase shift of the current relative to the supply voltage.
The flow of energy in the considered circuit is related to the fundamental harmonic. In this connection, the power factor can be estimated as the cosine of the angle of the phase shift of the fundamental harmonic of the current in relation to the fundamental harmonic of the supply voltage. The graph of the power factor of the circuit as a function of the voltage of the nonlinear load and resistance is shown in Figure 10.
In the ua domain of the power factor curves, two intervals can be distinguished: the lower one, in which the current waveform is uninterrupted, and the upper one, in which there is a time gap in the current flow and a rapid increase in the equivalent resistance of the nonlinear load. This can also be seen in Figure 9, where for ua > ub a decrease in the phase shift angle of the fundamental harmonic of the current in relation to the fundamental harmonic of the load voltage is evident.
The active power in the circuit is estimated as the time-averaged product of current and voltage, implemented according to the scheme in Figure 3. Calculations were carried out for the supply voltage and nonlinear load voltage. The powers for these voltages as a function of load voltage amplitude ua and resistance r are shown in Figure 11.
The powers are presented in dimensionless form, related to Es2/(2ωLs).
p = 1 k T τ τ + k T u i d t = P E s 2 ( 2 ω L )
Similarly, the dimensionless reactive powers of the load and the whole circuit were estimated, Figure 12.
In accordance with previous analyses [4], the definition of reactive power was adopted as the product of voltage and the derivative of current with respect to time. This definition makes it possible to estimate the instantaneous values of reactive power and is one of the forms derived from the reactive power notation in IEEE Std.1459–2010 [10] (p. 4).
q = 1 ω k T τ τ + k T u d i d t d t = 1 2 π u d i
The variable τ in the equation determines the beginning of the averaging period, should be synchronized with the beginning of the supply voltage period. The second part of the relationship is recalled as a justification of an important phenomenon. For the definition adopted, the total reactive power of a nonlinear load with characteristic (1) is equal to zero, regardless of the amplitude of the load and the resistance of the circuit. That is for the nonlinear load, the sum of the reactive power of the fundamental harmonic and the power of the higher harmonics is equal to zero, that is, the reactive power of the higher harmonics is equal to the negative reactive power of the fundamental harmonic, which is positive [4]. This means that a nonlinear load is a source of reactive power of higher harmonics, and that the reactive powers so defined can be summed.
This statement can be extended to nonlinearities with current-voltage characteristics described by an odd, single-valued function (without hysteresis). For reactive power, calculated according to the IEEE algorithm, this statement is not applicable. It was verified on the presented model.
The circuit in which the higher harmonic current flows includes the nonlinearity, which is the source of the higher harmonics, and the inductance and resistance of the circuit. The power source, i.e., the voltage source of the fundamental harmonic, is a short circuit for the higher harmonics. That is, the reactive power of the higher harmonics of the nonlinear load is emitted in the inductance L. As a result, in the fundamental harmonic circuit, it is observed an increase in the reactive power and inductance of the circuit Lc, which can be estimated from the relationship:
L c L = | e | | i 1 | sin ( ϕ e i ) = 1 | i 1 | sin ( ϕ e i )
The circuit inductance intensively rises as the amplitude of the load voltage increases, Figure 13. An increase in resistance r also causes an increase in inductance but to a lesser degree than the amplitude of ua.
The equivalent inductance of the circuit for ua < 0.2 is close to the inductance Lc ≈ L, for ua ≈ 0.64 is equal to Lc ≈ 2L.
The phenomenon of increasing circuit inductance was also found for a nonlinear load in a three-phase circuit. This phenomenon was confirmed experimentally by S. Köhle [15] with measurements of arc furnace parameters.

5. Conclusions

The considered circuit is a model of the most commonly used AC power system with nonlinear load. The characteristics of this circuit were determined symbolically using dimensionless variables and numerically using the MATLAB-Simulink system. A model of AC circuit with a nonlinear load in Simulink with parameters controlled from a program in MATLAB was developed to determine the characteristic quantities of the object under study.
The symbolic steady-state analysis of the considered circuit included in the paper is very useful for organizing the numerical simulation experiment of the considered circuit and later verifying the numerical results. Dimensionless variables made it possible to reduce the dimensionality of the simulation model of the system under study and simplify the analysis and simulation studies.
In the study, the load voltage amplitude range was extended to 0.9 of the supply voltage amplitude. This makes the model useful for analyzing the most common nonlinear load, a bridge rectifier. Based on the harmonic balance analysis, the fundamental harmonic circuit and the higher harmonic circuit were considered separately. This is in accordance with the IEEE Std. 1459 [10]. This method of analyzing waveforms used in the work previously used in the measurement system presented in [9]. It should be emphasized that the analysis methodology proposed in [10] is very useful in both system analysis and design of the measurement system or power quality monitoring.
For the considered load for ua < 0.537, the harmonic content coefficient THDu in the load voltage is constant. The smallest THDu value occurs for ua in the range from 0.6 to 0.7 of the supply voltage amplitude. This conclusion can be useful in selecting the inductance L of the circuit, which moderates the operation of the load, such as a bridge rectifier. It also moderates the effect of the load on the power supply system.
The plot of dimensionless active power as a function of the amplitude of the load voltage ua is also interesting. The maximum power is obtained for a rather small value of ua, as it is equal to only about 0.4 of the supply voltage amplitude. This can be a guideline for selecting the output voltage of a bridge rectifier.
Reactive power with the definition used in the paper can be summed in a circuit. This is indicated by the summed reactive power equal to zero of a nonlinear receiver with unambiguous and nonlinear current-voltage characteristics. However, this nonlinear receiver has a non-zero equivalent inductance for the first harmonic. As a result, there is an increase in inductance and thus in the reactive power of the entire circuit. For ua < ub, this inductance may be represented as the sum of the inductance of L and the equivalent inductance of the nonlinear receiver. From this it follows that the reactive power of the first harmonic for a circuit also contains information about the nonlinearity, and therefore also about the distortion generated in the circuit. This means that using reactive power with the definition presented in the paper, it is possible to determine whether in the circuit there is a source of higher harmonics. For this purpose, the fundamental harmonic reactive power may be used. It is worth noting that according to IEC Std. 62058–24 [16] reactive energy meters must measure the reactive energy (integrated reactive power) of precisely the fundamental component.
The conclusions presented have practical significance and are useful in the practice of designing circuits using nonlinear loads, such as bridge rectifiers. There is also practical significance in the algorithms for determining circuit parameters and power quality indicators, which can be implemented in real measurement systems, digital of course.
The simulation model presented in the paper confirmed the previously presented relationships. In addition, it allows the study of nonlinearities with different characteristics. A further development of the presented research will be the development of a physical model that allows the study a filter of disturbances generated by a nonlinear load with different current-voltage characteristics. An extension of this work will be the study of three-phase systems with linear and nonlinear loads with consideration of filtering problems.

Author Contributions

Conceptualization, M.W. and P.S.; methodology, M.W.; software, M.W.; validation, M.W.; formal analysis, M.W.; investigation, P.S.; resources, M.W.; data curation, P.S.; writing—original draft preparation, M.W.; writing—review and editing, M.W.; visualization, P.S.; supervision, M.W.; project administration, M.W.; funding acquisition, M.W. All authors have read and agreed to the published version of the manuscript.

Funding

This research received no external funding.

Institutional Review Board Statement

Not applicable.

Informed Consent Statement

Not applicable.

Data Availability Statement

Not applicable.

Conflicts of Interest

The authors declare no conflict of interest.

References

  1. BP Statistical Review of World Energy 2020. Available online: https://www.connaissancedesenergies.org/bp-statistical-review-world-energy-2020-les-chiffres-cles-de-lenergie-dans-le-monde-220218 (accessed on 16 December 2022).
  2. Steinmetz, C.P. Theory and Calculation of Alternating Current Phenomena, 3rd ed.; McGraw-Hill Book Company, Inc.: New York, NY, USA, 1900. [Google Scholar]
  3. Czarnecki, L.S. Powers in Electric Circuits with Nonsinusoidal Waveforms of Currents and Voltages; Politechniki Warszawskiej: Warsaw, Poland, 2005. (In Polish) [Google Scholar]
  4. Wcislik, M. Powers balances in AC electric circuit with nonlinear load. In Proceedings of the 14th International Conference on Harmonics and Quality of Power (ICHQP 2010), Bergamo, Italy, 26–29 September 2010; pp. 1–6. [Google Scholar] [CrossRef]
  5. Emanuel, A.E. Power Definitions and the Physical Mechanism of Power Flow; John Wiley & Sons, Ltd.: Hoboken, NJ, USA, 2010. [Google Scholar]
  6. 1459-2000; IEEE Standard Definitions for the Measurement of Electric Quantities under Sinusoidal, Nonsinusoidal, Balanced and Unbalanced Conditions. IEEE: Piscataway, NJ, USA, 2000.
  7. Gherasim, C.; Van den Keybus, J.; Driesen, J.; Belmans, R. DSP implementation of power measurements according to the IEEE trial-use standard 1459. IEEE Trans. Instrum. Meas. 2004, 53, 1086–1092. [Google Scholar] [CrossRef]
  8. Milanés, M.I.; Miñambres, V.; Romero, E.; Barrero, F. Quality Meter of Electric Power Systems based on IEEE Standard 1459-2000. In 2009 Compatibility and Power Electronics; IEEE: Piscataway, NJ, USA, 2009. [Google Scholar]
  9. Wcislik, M.; Kazala, R.; Laskawski, M. Network power quality monitoring system. In Proceedings of the 14th International Conference on Harmonics and Quality of Power (ICHQP 2010), Bergamo, Italy, 26–29 September 2010; pp. 1–6. [Google Scholar] [CrossRef]
  10. 1459-2010; IEEE Standard Definitions for the Measurement of Electric Power Quantities Under Sinusoidal, Nonsinusoidal, Balanced or Unbalanced Conditions (Revision of IEEE Std. 1459-2000). IEEE: Piscataway, NJ, USA, 2010.
  11. 519-2014; IEEE Recommended Practice and Requirements for Harmonic Control in Electric Power Systems (Revision of IEEE Std. 519-1992). IEEE: Piscataway, NJ, USA, 2014.
  12. Bonani, F.; Gilli, M. Analysis of stability and bifurcations of limit cycles in Chua’s circuit through the harmonic-balance approach. IEEE Trans. Circuits Syst. I Fundam. Theory Appl. 1999, 46, 881–890. [Google Scholar] [CrossRef]
  13. Press, W.H.; Teukolsky, S.A.; Vetterling, W.T.; Flannery, B.P. Numerical Recipes, The Art of Scientific Computing; Cambridge University Press: Cambridge, UK, 2007. [Google Scholar]
  14. Wcislik, M.; Strzabala, P. The simulation analysis of the bridge rectifier continuous operation in AC circuit. Comput. Appl. Electr. Eng. 2016, 14, 53–65. [Google Scholar]
  15. Köhle, S. Lineares Ersatzschaldbild des Hochstromsystems Drehstrom Lichtbogenöfen. Elektrowärme Int. Ed. B Ind. Elektrowärme 1985, 1, B16–B22. [Google Scholar]
  16. IEC Std. 62053-24:2016+AMD.1:2016 (ED.1.1); Electricity metering equipment (a.c)—Particular requirements, Part 24: Static meters for reactive energy at fundamental frequency (classes 0.5 S, 1 S and 1). The International Electrotechnical Commission: Geneva, Switzerland, 2016.
Figure 1. Diagram of the analyzed circuit.
Figure 1. Diagram of the analyzed circuit.
Energies 16 01386 g001
Figure 2. Operational diagram of the circuit model from Figure 1.
Figure 2. Operational diagram of the circuit model from Figure 1.
Energies 16 01386 g002
Figure 3. Voltage and current waveforms of the circuit model with nonlinear load and voltage observer for ua = 0.6, r = 0.1.
Figure 3. Voltage and current waveforms of the circuit model with nonlinear load and voltage observer for ua = 0.6, r = 0.1.
Energies 16 01386 g003
Figure 4. Operational diagram for calculation of sine and cosine components and the square of the rms value of the output of the circuit model.
Figure 4. Operational diagram for calculation of sine and cosine components and the square of the rms value of the output of the circuit model.
Energies 16 01386 g004
Figure 5. Amplitudes of the first harmonic and higher harmonics of the circuit current as a function of the load voltage amplitude and resistance.
Figure 5. Amplitudes of the first harmonic and higher harmonics of the circuit current as a function of the load voltage amplitude and resistance.
Energies 16 01386 g005
Figure 6. Harmonic content coefficient of circuit current as a function of load voltage amplitude and resistance.
Figure 6. Harmonic content coefficient of circuit current as a function of load voltage amplitude and resistance.
Energies 16 01386 g006
Figure 7. Amplitudes of the first harmonic and higher harmonics of the load voltage as a function of load voltage amplitude and resistance.
Figure 7. Amplitudes of the first harmonic and higher harmonics of the load voltage as a function of load voltage amplitude and resistance.
Energies 16 01386 g007
Figure 8. Harmonic content coefficient of load voltage THDu as a function of load voltage amplitude and circuit resistance.
Figure 8. Harmonic content coefficient of load voltage THDu as a function of load voltage amplitude and circuit resistance.
Energies 16 01386 g008
Figure 9. The phase shift angle of the first harmonics of the circuit current with respect to the load voltage as a function of the load voltage amplitude and resistance.
Figure 9. The phase shift angle of the first harmonics of the circuit current with respect to the load voltage as a function of the load voltage amplitude and resistance.
Energies 16 01386 g009
Figure 10. Power factor of a circuit with a nonlinear load as a function of load voltage amplitude and resistance.
Figure 10. Power factor of a circuit with a nonlinear load as a function of load voltage amplitude and resistance.
Energies 16 01386 g010
Figure 11. Dimensionless active powers: circuit and nonlinear load as a function of nonlinear load voltage amplitude and resistance.
Figure 11. Dimensionless active powers: circuit and nonlinear load as a function of nonlinear load voltage amplitude and resistance.
Energies 16 01386 g011
Figure 12. Dimensionless reactive powers: circuit and load nonlinearity as a function of load voltage amplitude and resistance.
Figure 12. Dimensionless reactive powers: circuit and load nonlinearity as a function of load voltage amplitude and resistance.
Energies 16 01386 g012
Figure 13. Relative inductance of the circuit as a function of load voltage amplitude and resistance.
Figure 13. Relative inductance of the circuit as a function of load voltage amplitude and resistance.
Energies 16 01386 g013
Disclaimer/Publisher’s Note: The statements, opinions and data contained in all publications are solely those of the individual author(s) and contributor(s) and not of MDPI and/or the editor(s). MDPI and/or the editor(s) disclaim responsibility for any injury to people or property resulting from any ideas, methods, instructions or products referred to in the content.

Share and Cite

MDPI and ACS Style

Wcislik, M.; Strzabala, P. Simulation Analysis of a Single-Phase AC Circuit with a Nonlinear Load. Energies 2023, 16, 1386. https://doi.org/10.3390/en16031386

AMA Style

Wcislik M, Strzabala P. Simulation Analysis of a Single-Phase AC Circuit with a Nonlinear Load. Energies. 2023; 16(3):1386. https://doi.org/10.3390/en16031386

Chicago/Turabian Style

Wcislik, Miroslaw, and Pawel Strzabala. 2023. "Simulation Analysis of a Single-Phase AC Circuit with a Nonlinear Load" Energies 16, no. 3: 1386. https://doi.org/10.3390/en16031386

APA Style

Wcislik, M., & Strzabala, P. (2023). Simulation Analysis of a Single-Phase AC Circuit with a Nonlinear Load. Energies, 16(3), 1386. https://doi.org/10.3390/en16031386

Note that from the first issue of 2016, this journal uses article numbers instead of page numbers. See further details here.

Article Metrics

Back to TopTop