Abstract
The hybrid modular multilevel converter (MMC) consisting of half-bridge submodules (HBSMs) and full-bridge submodules (FBSMs) is a promising solution for overhead lines high-voltage direct current systems (HVDC) due to the advantages of direct current short circuit fault ride-through (DC-FRT) capability. This paper proposes an improved phase-disposition pulse width modulation (PDPWM) method for the hybrid modular multilevel converter. The number of carriers can be reduced from 3N (N is the number of submodules in each arm) to 6. The theoretical harmonic analysis of the improved PDPWM method for hybrid MMC is performed by using double Fourier integral analysis. The influence of three carrier displacement angles between HBSMs and FBSMs in the upper and lower arms on harmonic characteristics is investigated. The output voltage harmonics minimization PDPWM scheme and circulating current harmonics cancellation PDPWM scheme can be achieved by selecting the optimum carrier displacement angles, respectively. The proposed method for hybrid MMC is verified by the simulation and experimental results.
1. Introduction
Recently, the half-bridge submodules (SMs)-based modular multilevel converter (MMC), due to its high modularity, high scalability, excellent harmonic characteristics, and low switching losses, has become one of the most promising multilevel converter topologies for high-voltage applications, especially for high-voltage direct current (HVDC) transmission systems [1,2,3,4]. The application scope of the half-bridge submodules (HBSMs)-based MMC (HB-MMC) can be extended to the medium voltage applications, such as railway power conditioner (RPC) [5,6], unified power flow controller (UPFC) [7,8], static synchronous compensator (STATCOM) [9,10], variable speed motor drive [11,12], and so on.
However, the HB-MMC cannot block the fault currents during dc-cable short circuits, which will cause serious damage to the power devices and other components of the HB-MMC. Thus, the HB-MMC is limited in the applications of the long-distance overhead lines HVDC transmission systems, where the dc-cable short circuit faults occur at times [13]. Compared with the HB-MMC, the full-bridge submodules (FBSMs)-based MMC (FB-MMC) can block the fault currents during dc-cable short circuits and has direct current short circuit fault ride-through (DC-FRT) capability. However, the number of power devices is double and power losses are increased a lot [14]. The hybrid MMC, consisting of HBSMs and FBSMs, is a promising solution for the long-distance overhead line VSC-HVDC due to the advantages of DC-FRT capability, and it has less power devices and lower system losses than the FB-MMC [15].
Several academic papers have concentrated on topology [16,17], control [18,19,20,21], and the modulation method for the hybrid MMC. The modulation method is fundamental to both the HB-MMC and hybrid MMC, which greatly influences the harmonic characteristics, capacitor voltage balancing, system efficiency, and dynamic performance [22]. Therefore, the modulation method has been a major research field. Several modulation methods have been developed in the HB-MMC, mainly including the nearest level modulation (NLM) method [23,24,25], space vector pulse width modulation (SVPWM) method [26,27], selective harmonic elimination pulse width modulation (SHEPWM) method [28,29], alternate phase opposition disposition pulse width modulation (APOD-PWM) method [30], phase shifted carrier pulse width modulation (PSCPWM) method [31,32,33], and phase-disposition pulse width modulation (PDPWM) method [34,35,36]. In high voltage applications, the NLM method for the HB-MMC is easy to be implemented with a large number of SMs. However, when the NLM method for the HB-MMC is used in medium applications with a small number of SMs, the output voltage contains low order harmonics, which cause the high total harmonic distortion (THD) of output current [23]. The improved level increased NLM method can improve the harmonic performance by increasing the output phase voltage levels to 2N + 1 [24,25]. The SHEPWM method for the HB-MMC achieves better harmonic performance with low switching losses but the computational burden increases greatly with large amounts of SMs. Thus, the SHEPWM method is suitable for the medium applications with a small amount of SMs [26,27]. The SVPWM method for the HB-MMC provides flexibility in choosing voltage vectors to acquire multiple objectives. However, the computational burden of SVPWM increases exponentially with the increasing of the SMs. The simplified SVPWM methods can greatly reduce the computational burden [28,29]. When the equivalent switching frequency is the same, the APOD-PWM method has the same harmonic performance with the PSCPWM method. In [30], the APOD-PWM method was proposed for the HB-MMC. The PSCPWM method is an effective PWM solution for the the HB-MMC due to its even loss distribution [31]. However, the PSCPWM method needs hundreds of carriers for the HB-MMC in the VSC-HVDC [32,33]. The PDPWM method for the MMC has better harmonic performance than the PSCPWM method. However, the power distribution of the PDPWM is uneven, thus the capacitor voltage balancing method based on sorting should be added to distribute PWM signals of SMs [34]. The improved PDPWM method for the HB-MMC is easy to implement as it only needs a single carrier or double carriers [35,36].
The modulation methods for the HB-MMC can be modified to be fit for the hybrid MMC. In order to improve the harmonic performance of the NLM method for the hybrid MMC in medium voltage applications, the authors in [37] presented the nearest level PWM (NL-PWM) method for the hybrid MMC, consisting of two SiC FBSMs and N − 1 Si HBSMs in each arm, and the PWM signals are distributed to two SiC FBSMs to reduce the switching losses. However, the NLM method for the hybrid MMC achieves the total number of on-state SMs and distributes the PWM signals to FBSMs and HBSMs using the sorting algorithm. Thus, the number of on-state HBSMs and FBSMs is not calculated and distinguished, respectively. Because the topologies of HBSMs and FBSMs are different, the power losses and switching frequency are not evenly distributed between HBSMs and FBSMs. The PSCPWM method for the hybrid MMC can evenly distribute the PWM signals to HBSMs and FBSMs; the switching losses of HBSMs and FBSMs are basically the same [38]. To eliminate the mismatch pulses of the phase voltage, an improved phase-shifted carrier pulse width modulation (PSC-PWM) method was proposed for the hybrid MMC in [38], and the theoretical analysis of the PSCPWM was investigated in detail by applying the double Fourier analysis. An improved PSCPWM method for the hybrid MMC with a boosted modulation index was presented in [39]. In [40], the improved PSC-PWM method for the hybrid MMC was proposed for over modulation operations, which significantly increases the complexity. However, 2N triangular carriers are needed for the PSCPWM method for the hybrid MMC. When the PSCPWM method for the hybrid MMC is applied in HVDC transmission systems, the total number of HBSMs and FBSMs is over two hundreds, and the total number of HBSMs and FBSMs is N ∈ [200,400]. There are 2N ∈ [400,800] carriers needed for the PSCPWM, which is hard to be implemented in the application of the HVDC with a large amount of SMs. Therefore, the PSCPWM method is only suitable for medium voltage applications with a small amount of SMs.
To the best knowledge of the authors, few papers have studied the PDPWM method for the hybrid MMC. As the topology and characteristics of the hybrid MMC are different with the HB-MMC, the traditional PDPWM method for the HB-MMC cannot be used directly for the hybrid MMC. When the traditional PDPWM method for the hybrid MMC is applied in long-distance overhead lines HVDC transmission systems, the traditional PDPWM method needs more carriers than the PSCPWM method. The traditional PDPWM method for the hybrid MMC needs 3N ∈ [600,1200] carriers. It can be seen that the traditional PDPWM is relatively complex in the application of HVDC transmission systems and is difficult to implement due to so many carriers. Moreover, few literatures have studied the principle of PDPWM for the hybrid MMC, because the displacement angles between HBSMs and FBSMs in the upper and lower arms determine the harmonic characteristics of output voltage and circulating current [38], thus it is still not clear how the displacement angles between HBSMs and FBSMs in the upper and lower arms affect the harmonic characteristics of the hybrid MMC. The aim of this paper is to simplify the PDPWM method for the hybrid MMC and extend the application scope of the PDPWM method to high voltage applications such as HVDC with a large amount of SMs. Further, the aim of this paper is to provide the theoretical analysis of the PDPWM method for the hybrid MMC in detail, to analyze the influence of displacement angles on output voltages and circulating current, and to derive the optimum displacement angles to minimize the harmonics in the output voltage and circulating current.
In this paper, an improved phase-disposition pulse width modulation (PDPWM) method is presented for hybrid MMC. The improved PDPWM method for hybrid MMC only needs six carriers for any number of SMs in each arm. Therefore, the improved PDPWM method is easy to be implemented in the long-distance overhead lines HVDC transmission systems. Moreover, the theoretical analysis of the improved PDPWM method for hybrid MMC is carried out by using the double Fourier integral analysis method. Based on the double Fourier integral analysis, three optimum displacement angles are identified for the circulating current harmonics cancellation scheme and output voltage harmonics minimization scheme for the hybrid MMC, respectively.
The paper is organized as follows. Section 2 introduces the basic operating principles of the hybrid MMC. Section 3 presents the traditional PDPWM method for the hybrid MMC. Further, an improved PDPWM method by using six carriers for the hybrid MMC is proposed. Section 4 shows the theoretical analysis of the improved PDPWM for the hybrid MMC by using the double Fourier integral analysis method, and three optimum displacement angles are specified for the circulating current harmonics cancellation PDPWM scheme and output voltage harmonics minimization PDPWM scheme for the hybrid MMC, respectively. Finally, simulations and experiments are illustrated and discussed in Section 5 and Section 6, respectively. The conclusions are given in Section 7.
2. Basic Operating Principles of Hybrid MMC
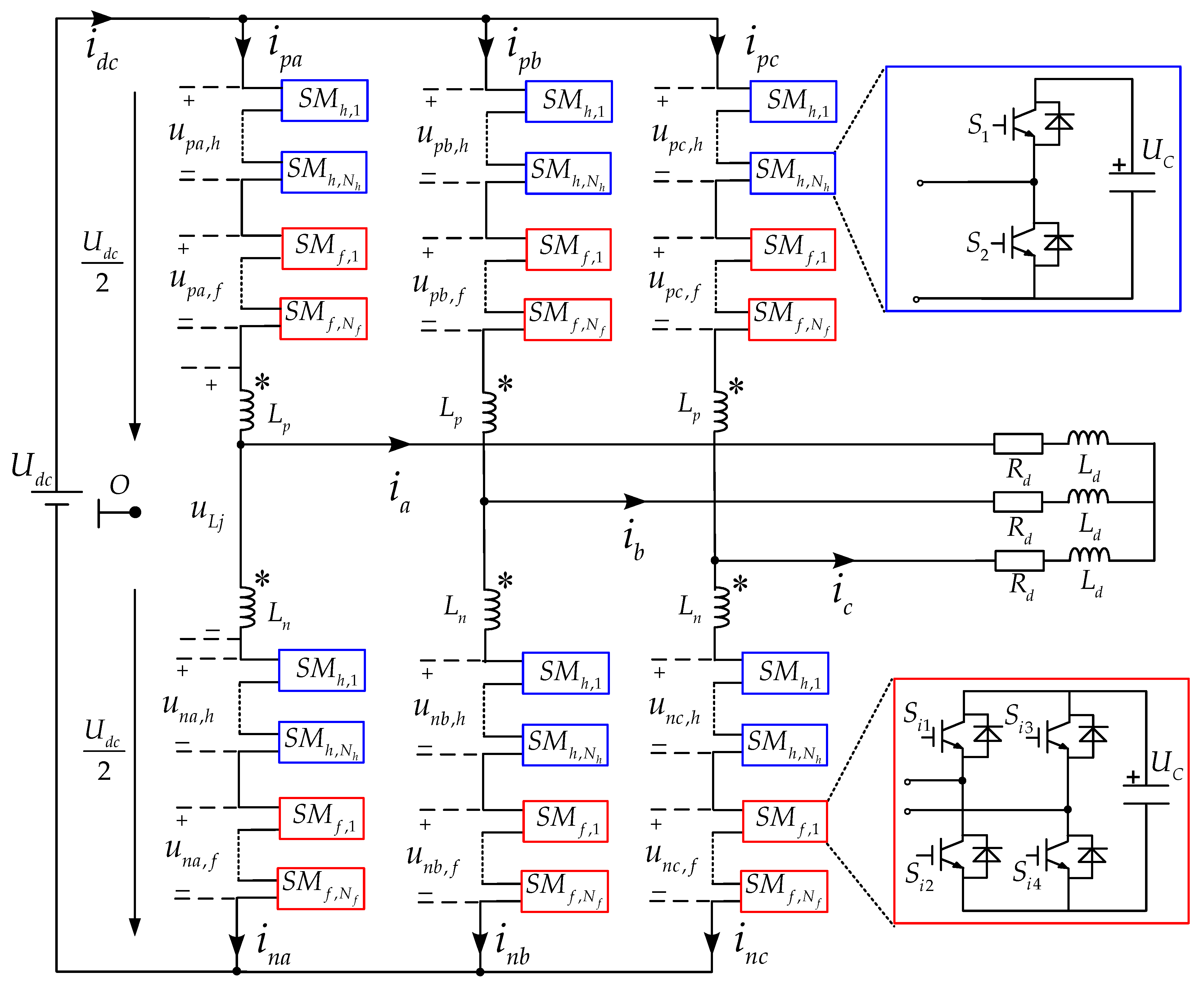
The topology of the three-phase hybrid MMC is shown in Figure 1. Each arm consists of Nh HBSMs and Nf FBSMs. Where Nh, Nf are the number of HBSMs and FBSMs, respectively.
Figure 1.
Topology of the three-phase hybrid MMC.
According to Kirchhoff’s voltage law, the following equations can be derived as:
where unj,h and unj,f are the output voltages of HBSMs and FBSMs in the lower arm, respectively. upj,h and upj,f are the output voltages of HBSMs and FBSMs in the upper arm, respectively. Udc is the dc-link voltage. uj denotes the phase voltage of phase-j (j = a, b, c). upj and unj are the output voltages of the upper and the lower arms, respectively. ipj and inj refer to the current of the upper arm and the lower arm, respectively. Lp and Ln are the self-inductances of the coupling inductance for the upper and lower arms, respectively. Lmu is the mutual inductance, assuming the two inductors are closely coupled and the leakage inductance can be ignored (i.e., Lp = Ln = Lmu =L). uLj is the voltage of coupling inductance.
According to Kirchhoff’s current law, the following equations can be obtained as:
where ij and icj are the output current and circulating current of phase-j, respectively.
3. An Improved PDPWM Method for Hybrid MMC
The PDPWM method for the hybrid MMC is shown in Figure 2, where the number of SMs per arm N = 4. For simplicity, the number of HBSMs and FBSMs is the same (N = Nf + Nh, Nf = Nh, where Nh, Nf are the number of HBSMs and FBSMs, respectively), and the output voltage of FBSMs is UC and 0. Note that the magnitude of carriers for FBSMs is 0.5, and the phase angles of left bridge and right bridge for FBSMs are opposite, so the output voltage of FBSMs is 0 and UC.
Figure 2.
The traditional PDPWM method for hybrid MMC. (a) Modulation of FBSMs in the lower arm. (b) Modulation of HBSMs in the lower arm. (c) Modulation of FBSMs in the upper arm. (d) Modulation of HBSMs in the upper arm. (e) Number of on-state FBSMs in the lower arm. (f) Number of on-state HBSMs in the lower arm. (g) Number of on-state FBSMs in the upper arm. (h) Number of on-state HBSMs in the upper arm.
The reference voltage of HBSMs in the upper arm and lower arm can be expressed as:
where ur,nj,h and ur,pj,h are the reference voltages of HBSMs in the upper arm and lower arm, respectively. M is modulation index, ω0 is the angular frequency of the reference voltage, φj is the phase angle of phase j.
The reference voltage of FBSMs in the upper arm can be expressed as:
where ur,pj,fl, ur,pj,fr are the reference voltages of the left bridge and right bridge for FBSMs in the upper arm, respectively.
The reference voltage of FBSMs in the lower arm can be expressed as:
where ur,nj,fl, ur,nj,fr are the reference voltages of the left bridge and right bridge of FBSMs in the lower arm.
It can be seen that the number of carriers of the traditional PDPWM for the hybrid MMC are 3N (where N is the number of SMs). The number of carriers of FBSMs and HBSMs are 2N and N, respectively. When the hybrid MMC is used in the HVDC, hundreds of SMs per arm are needed. Thus, the traditional PDPWM method for hybrid MMC is difficult to be implemented.
In order to simplify the PDPWM method for the hybrid MMC, an improved PDPWM method for the hybrid MMC is presented. The principle of an improved PDPWM method for the hybrid MMC is shown in Figure 3. Where Nh, Nf are the number of HBSMs and FBSMs (Nh = Nf = 4), respectively.
Figure 3.
The principle of an improved PDPWM method for hybrid MMC. (a) Modulation of HBSM for hybrid MMC. (b) Modulation of left arm of FBSM for hybrid MMC. (c) Modulation of right arm of FBSM for hybrid MMC.
Only six carriers are needed for an improved PDPWM method, which greatly simplifies the implementation of the PDPWM method for the hybrid MMC. Two carriers are needed for the modulation of HBSMs and four carriers are needed for the modulation of FBSMs.
The triangular carrier of left bridge HBSMs in the upper arm can be expressed as:
The triangular carrier of left bridge HBSMs in the lower arm can be expressed as:
The triangular carrier of left bridge FBSMs in the upper arm can be expressed as:
where uc,pj,fl, uc,pj,fr are the triangular carrier of the left bridge and right bridge for FBSMs in the upper arm, respectively. ωc is the angular frequency of triangle carrier. k (k∈[0,1, …, n]) is the carrier period.
The triangular carrier of the left bridge for FBSMs in the lower arm can be expressed as:
where uc,nj,fl, uc,nj,fr are the triangular carrier of the left bridge and right bridge for FBSMs in the lower arm, respectively.
The integer part of on-state HBSMs can be derived as:
The remainder of the reference voltage of HBSMs can be obtained as:
By comparing the remainder of the reference voltage and triangular carrier, the PWM part of on-state HBSMs can be achieved as:
By adding an integer part and PWM part, the number of on-state HBSMs can be derived as:
Note that x = (p, n), where p, n refer to upper arm and lower arm, respectively. h, f refer to HBSMs and FBSMs, respectively. urem,xj,h is the remainder part of reference voltage of HBSMs. Nint,xj,h, Npwm,xj,h are the integer part and PWM part of on-state HBSMs, respectively. Nxj,h is the number of on-state HBSMs of phase-j, which can be obtained by adding an integer part Nint,xj,h and PWM part Nint,xj,h. The integer part of on-state FBSMs for upper and lower arms can be obtained as:
where y = (l, r), l, r refer to the left bridge and right bridge of FBSMs, respectively. Nint,xj,fy is the integer part of the left bridge and right bridge of FBSMs.
The remainder of the reference voltage of FBSMs for upper and lower arms can be derived as:
The PWM part of on-state FBSMs can be achieved as:
The number of on-state FBSMs can be derived as:
where urem,xj,fy is the remainder of the left bridge and right bridge of FBSMs reference voltage in the upper and lower arms. Npwm,xj,fy is the PWM part of on-state FBSMs. Nxj,fl, Nxj,fr are the output of the left bridge and right bridge of FBSMs, respectively. Nxj,f is the number of on-state FBSMs in the upper and lower arm.
Three carrier displacement angles of an improved PDPWM method for hybrid MMC are shown in Figure 4. Where θh is the carrier displacement angle between HBSMs in the upper arm and HBSMs in the lower arm, θf is the carrier displacement angle between FBSMs in the upper arm and FBSMs in the lower arm, and θh,f is the carrier displacement angle between HBSMs and left bridge of FBSMs in the upper arm. Three carrier displacement angles of the improved PDPWM method determine the harmonic performance of the hybrid MMC.
Figure 4.
Three carrier displacement angles of an improved PDPWM method for hybrid MMC. (a) Carrier displacement angle between HBSMs in the upper arm and HBSMs in the lower arm. (b) Carrier displacement angle between FBSMs in the upper arm and FBSMs in the lower arm. (c) Carrier displacement angle between HBSMs and left bridge of FBSMs in the upper arm.
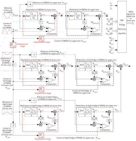
Figure 5 shows the block diagram of an improved PDPWM method for the hybrid MMC. Firstly, the number of on-state HBSMs and FBSMs for each arm are obtained through the improved PDPWM for the hybrid MMC, respectively. Then, the selection of the HBSMs and FBSMs is performed based on the reducing switching frequency (RSF) voltage balancing algorithm [41].
Figure 5.
Block diagram of an improved PDPWM method for hybrid MMC.
Where upj,h[i], unj,h[i] are the ith (1,2, …, Nh) capacitor voltages of HBSMs for the upper arm and lower arm, respectively. upj,f[i], unj,f[i] are the ith (1,2, …, Nf) capacitor voltage of FBSMs for the upper arm and lower arm, respectively.
4. Harmonic Performance of Hybrid MMC with the Improved PDPWM Method
The mathematical analysis of the improved PDPWM method for the hybrid MMC is performed by a double Fourier integral analysis method [36,42]. The Fourier series expression of the output phase voltage and circulating current for the hybrid MMC is derived. Further, three optimum displacement angles between HBSMs and FBSMs in the upper and lower arms are chosen for the circulating current harmonics cancellation PDPWM scheme and output voltage harmonics minimization PDPWM scheme for hybrid MMC, respectively.
Note that the following harmonics analysis focuses on the switching harmonics caused by the improved PDPWM for the hybrid MMC. For simplicity, the low-frequency harmonics in the circulating current are not considered, which can be reduced by adding the circulating current suppressing method.
According to (6), (49) and (53) (see Appendix A), the double Fourier integral series expression of the output voltage of phase-j can be derived as:
The double Fourier integral series expression of line-to-line voltage can be derived as:
where uab is the line-to-line voltage between phase A and phase B. Because the amplitude and phase angle of carrier harmonics in the phase voltage ua and ub are the same, the carrier harmonics can be eliminated in the line-to-line voltage uab.
According to (9), (A9), and (A13) (see Appendix A), the circulating current of phase-j can be expressed as:
According to (29), it can be seen that the circulating current contains the dc component, carrier harmonics of the circulating current of FBSMs and HBSMs, the sideband harmonics of carrier groups of FBSMs and HBSMs. It can be seen that the harmonic characteristic of the circulating current is determined by the three carrier displacement angles θh, θf, and θh,f.
4.1. Circulating Current Harmonics Cancellation PDPWM Scheme
The circulating current harmonics cancellation scheme for the hybrid MMC can be achieved by selecting three carrier displacement angles as:
According to (29) and (30), the following equation can be obtained as:
According to (29) and (31), the circulating current can be obtained as:
It can be seen that the circulating current only contains the dc component, and the carrier harmonics, sideband harmonics of carrier groups in the circulating current are fully eliminated.
According to (27) and (30), the following equation can be derived as:
According to (27), (30), and (33), the output voltage of phase-j can be obtained as:
It can be seen that the carrier harmonics, even sideband harmonics of odd carrier groups are eliminated in the output voltage of phase-j. The equivalent switching frequency of improved PDPWM for the hybrid MMC is twice as much as the carrier frequency of HBSMs and FBSMs.
According to (28) and (34), the line-to-line voltage can be achieved as:
where the magnitudes of odd sideband harmonics of even carrier groups in the line-to-line voltage can be obtained as:
where Amn,ab is the magnitudes of odd sideband harmonics of even carrier groups in the line-to-line voltage.
4.2. Output Voltage Harmonics Minimization PDPWM Scheme
The output voltage harmonic minimization scheme of the improved PDPWM for the hybrid MMC can be obtained by selecting three carrier displacement angles as:
According to (27) and (37), the following equation can be obtained as:
According to (27), (37), and (38), the output voltage of phase-j can be expressed as:
According to (38), (39), (A9), and (A13) (see Appendix A), it can be seen that the magnitudes and phase angle of carrier harmonics, even sideband harmonics of odd carrier groups, are the same for the upper arm and lower arm, which are cancelled in the output voltage of phase-j. It also can be seen that when m is odd, the magnitudes of odd sideband harmonics of even carrier groups for output voltage of HBSMs and FBSMs are the same, however, the phase angles are opposite, 1 + (−1)m = 0, so the odd sideband harmonics of even carrier groups are cancelled. When m is even, the magnitudes and phase angles of odd sideband harmonics of even carrier groups for output voltage of HBSMs and FBSMs are the same, 1 + (−1)m = 2. Thus, the coefficient m can be replaced by 2m(m = 1,2,…), the (39) can be simplified as:
It can be seen that the equivalent switching frequency of the phase voltage increase to 4fc, which is four times as many as the carrier frequency of FBSMs and HBSMs. Compared with the circulating current harmonics cancellation scheme, the output voltage harmonics minimize scheme has better harmonics characters of output voltage. The equivalent switching frequency of output voltage harmonics minimize scheme is twice as many as the circulating current harmonics cancellation scheme.
According to (28) and (40), the line-to-line voltage can be obtained as:
According to (29) and (37), the circulating current can be expressed as:
It can be seen that the odd sideband harmonics of even carrier groups are cancelled in the circulating current. The circulating current contains the carrier hamonics, even sideband harmonics of odd carrier groups.
The comparison of the PSCPWM, traditional PDPWM, and improved PDPWM methods for the hybrid MMC is shown in Table 1. It can be seen that compared with the conventional modulation methods, such as the traditional PDPWM and PSCPWM methods for the hybrid MMC, the application scope of the improved PDPWM method for hybrid MMC can be extended to high voltage (HV) applications with a large amount of SMs. Comparing Equations (34) and (40) with Equations (45) and (49) in [38], it can be seen that when the equivalent switching frequency of the improved PDPWM method equals to the PSCPWM method for the hybrid MMC, the output phase voltage of the improved PDPWM method has the same harmonic performance with the PSCPWM method for the hybrid MMC. However, it can be seen from Table 1 that the improved PDPWM method for the hybrid MMC only needs six triangular carriers, while the PSCPWM and traditional PDPWM methods for the hybrid MMC need 2N and 3N triangular carriers, respectively. When the hybrid MMC is used in long distance HVDC transmission systems, hundreds of SMs are needed in each arm, the implementation of the PSCPWM method for the hybrid MMC is difficult. Because only six carriers are needed for any number of SMs in each arm, the improved PDPWM method for hybrid MMC is easy to be implemented.
Table 1.
Comparison of the PSCPWM, traditional PDPWM, and improved PDPWM methods.
For the improved PDPWM method for the hybrid MMC, the circulating current harmonics cancellation PDPWM scheme and output voltage harmonics minimization PDPWM scheme are compared in the simulation and experiment. When the circulating current harmonics cancellation PDPWM scheme is applied, the equivalent switching frequency of the output voltage is 2fpd,hb (fpd,hb is the carrier frequency of HBSMs for PDPWM), the high frequency harmonics caused by modulation in the circulating current are cancelled. When the output voltage harmonics minimize PDPWM scheme is applied, the equivalent switching frequency of the output voltage is 4fpd,hb, but the circulating current contains high frequency harmonics caused by modulation. It can be concluded that the output voltage harmonics minimize PDPWM scheme has better output voltage harmonic characteristics than the circulating current harmonics cancellation PDPWM scheme. However, the circulating current harmonics cancellation PDPWM scheme has better circulating current harmonic characteristics than the output voltage harmonics minimize PDPWM scheme. Therefore, the output voltage harmonics minimize PDPWM scheme is a better scheme in the medium voltage applications with a small amount of SMs in each arm due to better output voltage harmonic characteristics. The circulating current harmonics cancellation PDPWM scheme is a better scheme in high voltage applications such as HVDC with a large amount of SMs in each arm due to better circulating current harmonic characteristics.
5. Simulation Results
In order to verify the validity of the proposed modulation method, the simulation model of the three-phase hybrid MMC based on Figure 1 is built in the PSIM environment. Simulation parameters are shown in Table 2. The number of SMs in each arm N = 8, where the FBSMs in each arm are equal to the number of HBSMs, Nf = Nh = 4.
Table 2.
Simulation parameters.
The carrier frequencies of HBSMs and FBSMs for an improved PDPWM method are fpd,hb = fpd,fb = 2000 Hz, where fpd,hb, fpd,fb are the carrier frequency of HBSMs and FBSMs, respctively, so the equivalent switching frequencies of output voltages of HBSMs and FBSMs are the same.
Figure 6 presents the simulation waveforms of the improved PDPWM method for the hybrid MMC with the circulating current harmonics cancellation scheme. The harmonic spectra of the improved PDPWM method for the hybrid MMC with the circulating current harmonics cancellation scheme is shown in Figure 7. It can be seen that the level number of the output phase voltage, output voltages of the upper arm and lower arm is 9. The equivalent switching frequency of the phase voltage, output voltages of the upper arm and lower arm and is fequ,j = fequ,pj = fequ,nj = fpd,fb + fpd,hb = 4000 Hz, which is twice as much as the carrier frequency of HBSMs and FBSMs. Where fequ,j, fequ,pj, fequ,nj are the equivalent switching frequency of phase voltage, output voltages of upper arm and lower arm for the hybrid MMC, respectively.
Figure 6.
Simulation waveforms of improved PDPWM method for hybrid MMC using circulating current harmonics cancellation PDPWM scheme. (a) Output voltage of lower arm. (b) Output voltage of upper arm. (c) Phase voltage. (d) Line-to-line voltage. (e) Phase current. (f) Circulating current.
Figure 7.
Harmonic spectra of improved PDPWM method for hybrid MMC using circulating current harmonics cancellation PDPWM scheme. (a) output voltage of lower arm. (b) Output voltage of upper arm. (c) Phase voltage. (d) Line-to-line voltage. (e) Phase current. (f) Circulating current.
According to Figure 6 and Figure 7, it can be seen that the circulating current only contains the dc component and low frequency harmonics (mainly second order harmonics), while the high frequency harmonics caused by the improved PDPWM for the hybrid MMC are totally cancelled when using the circulating current harmonics cancellation PDPWM scheme.
Figure 8 shows the simulation waveforms of the improved PDPWM method for the hybrid MMC using the output voltage harmonics minimization PDPWM scheme. Figure 9 presents the harmonic spectra of the improved PDPWM method for the hybrid MMC using the output voltage harmonics minimization PDPWM scheme. It can be seen that the level number of the upper arm voltage and lower arm voltage is 9, and the level number of the output phase voltage is 17. The equivalent switching frequency of output voltages of the upper arm and lower arm are fequ,pj = fequ,nj = 2000 Hz, which is the same as the carrier frequency of HBSMs and FBSMs. However, the magnitude and phase angle of odd carrier frequency harmonics and associated sideband harmonics are the same in the output voltages of the upper arm and lower arm, which are cancelled in the output phase voltage. Thus the equivalent switching frequency of the output phase voltage is fequ,j = 4 × fpd,fb = 4 × fpd,hb = 8000 Hz, which is four times the carrier frequency of HBSMs and FBSMs.
Figure 8.
Simulation waveforms of improved PDPWM method for hybrid MMC using output voltage harmonics minimization PDPWM scheme. (a) Output voltage of lower arm. (b) Output voltage of upper arm. (c) Phase voltage. (d) Line-to-line voltage. (e) Phase current. (f) Circulating current.
Figure 9.
Harmonic spectra of improved PDPWM method for hybrid MMC using output voltage harmonics minimization PDPWM scheme. (a) Output voltage of lower arm. (b) Output voltage of upper arm. (c) Phase voltage. (d) Line-to-line voltage. (e) Phase current. (f) Circulating current.
According to Figure 8 and Figure 9, it can be seen that the output phase voltage and line-to-line voltage have better harmonic performance when the output voltage harmonics minimization PDPWM scheme is applied. However, the circulating current waveform has switching ripples, which is caused by carrier frequency harmonics and associated sideband harmonics in the circulating current waveform.
Table 3 shows the simulation results of the improved PDPWM for the hybrid MMC with the circulating current harmonics cancellation PDPWM scheme and output voltage harmonics minimization PDPWM scheme. It can be seen that when the circulating current harmonics cancellation PDPWM scheme is used, the THD (Total Harmonic Distortion) of the phase voltage, line-to-line voltage, and phase current are 16.65%, 12.30%, and 7.83%, respectively. When the output voltage harmonics minimization PDPWM scheme is used, the THD (Total Harmonic Distortion) of the phase voltage, line-to-line voltage, and phase current are 7.76%, 5.89%, and 2.29%, respectively.
Table 3.
Simulation results of improved PDPWM with circulating current harmonics cancellation PDPWM scheme and output voltage harmonics minimization PDPWM scheme.
It can be concluded that the simulation results are consistent with the mathematics analysis.
6. Experimental Results
In order to verify the validity of the proposed modulation method for the hybrid MMC, the experiment prototype of the hybrid MMC was built based on Figure 1. The experiment parameters are shown in Table 4. The number of SMs per arm is N = 4. The number of FBSMs and HBSMs is the same, Nf = Nh = 2.
Table 4.
Experiment parameters.
The carrier frequency of HBSMs and FBSMs for the improved PDPWM is fpd,hb = 4000 Hz and fpd,fb = 4000 Hz, respctively, so the equivalent switching frequency of HBSMs and FBSMs is the same.
Figure 10 presents the experiment waveforms of the improved PDPWM method for the hybrid MMC using the circulating current harmonics cancellation PDPWM scheme. Figure 11 shows the harmonic spectra of the improved PDPWM method for the hybrid MMC using the circulating current harmonics cancellation PDPWM scheme. It can be seen that the level number of output phase voltage and line-to-line voltage are five and nine, respectively. The equivalent switching frequency of output phase voltage is fequ,j = fpd,fb + fpd,hb = 8000 Hz, which is twice as much as the carrier frequency of HBSMs and FBSMs. Note that the switching frequency harmonic components are basically cancelled in the circulating current waveform.
Figure 10.
Experiment waveforms of improved PDPWM method for hybrid MMC using circulating current harmonics cancellation PDPWM scheme. (a) Output phase voltage and circulating current. (b) Line-to-line voltage and output phase current.
Figure 11.
Harmonic spectra of improved PDPWM method for hybrid MMC with circulating current harmonics cancellation scheme. (a) Output phase voltage. (b) Line-to-line voltage. (c) Output phase current. (d) Circulating current.
Figure 12 shows the experiment waveforms of the improved PDPWM method for the hybrid MMC using the output voltage harmonics minimization PDPWM scheme. Figure 13 presents the harmonic spectra of the improved PDPWM method for the hybrid MMC using the output voltage harmonics minimization PDPWM scheme. It can be seen that the level number of output phase voltage and line-to-line voltage are nine and seventeen, respectively. The equivalent switching frequency of the output phase voltage is fequ,j = 4 × fpd,fb = 4 × fpd,hb = 16 kHz. However, the circulating current contains switching harmonics caused by the output voltage harmonics minimization PDPWM scheme.
Figure 12.
Experiment waveforms of improved PDPWM method for hybrid MMC with output voltage harmonics minimization scheme. (a) Output phase voltage and circulating current. (b) Line-to-line voltage and output phase current.
Figure 13.
Harmonic spectra of improved PDPWM method for hybrid MMC with output voltage harmonics minimization scheme. (a) Phase voltage. (b) Line-to-line voltage. (c) Phase current. (d) Circulating current.
It can be seen that when the circulating current harmonics cancellation PDPWM scheme is applied, the THD of phase voltage, line-to-line voltage, and phase current is 35.84%, 29.99%, and 9.78%, respectively. When the output voltage harmonics minimization PDPWM scheme is used, the THD (Total Harmonic Distortion) of phase voltage, line-to-line voltage, and phase current is 18.39%, 13.36%, and 2.76%, respectively.
It can be concluded that the experiment results are consistent with the mathematics analysis.
7. Conclusions
An improved PDPWM method has been proposed for the hybrid MMC consisting of HBSMs and FBSMs in this paper. The improved PDPWM method for the hybrid MMC is greatly simplified, where the number of carriers can be reduced from 3N to 6. Four carriers are needed for the modulation of FBSMs, and two carriers are needed for the modulation of HBSMs. Then, the theoretical analysis of the improved PDPWM method for the hybrid MMC is presented using the double Fourier integral analysis method and the Fourier series expression of the output phase voltage and circulating current for the hybrid MMC are derived. Moreover, the impact of three carrier displacement angles between HBSMs and FBSMs in the upper and lower arms on harmonic performance are investigated. Further, three optimum displacement angles are selected for the circulating current harmonics cancellation PDPWM scheme and output voltage harmonics minimization PDPWM scheme for the hybrid MMC, respectively. The proposed method and mathematics analysis were verified by the simulation and experimental results.
Author Contributions
Conceptualization, F.Z. (Fayun Zhou); methodology, F.Z. (Fayun Zhou); software, X.X.; validation, X.X. and F.Z. (Fayun Zhou); formal analysis, Y.W.; investigation, F.Z. (Fangyuan Zhou); resources, X.X.; data curation, P.P.; writing—original draft preparation, F.Z. (Fayun Zhou); writing—review and editing, X.X. and F.M.; visualization, X.X.; supervision, F.M.; project administration, X.X.; funding acquisition, F.Z. (Fayun Zhou); All authors have read and agreed to the published version of the manuscript.
Funding
This research was funded by the Natural Science Foundation of China under Grant number 51977067.
Data Availability Statement
Not applicable.
Conflicts of Interest
The authors declare no conflict of interest.
Appendix A
The double Fourier integral series expression of output voltage of HBSMs for the lower arm can be obtained as:
The double Fourier integral series expression of output voltage of HBSMs for the upper arm can be obtained as:
where θh is the carrier displacement angle between HBSMs of the upper arm and HBSMs of the lower arm. m,n are the carrier index variable and the baseband index variable, respectively. unj,hb and upj,hb are the output voltage of HBSMs of the upper arm and HBSMs of the lower arm, respectively.
Supposing that N is even, the coefficients C0, C1, C2 in (A1) and (A2) can be expressed as:
where Jn(λ) refers to the Bessel coefficient.
The output voltage of the left bridge of FBSMs for the lower arm can be derived as:
where unj,fbl is the output voltage of the left bridge of FBSMs for the lower arm. θh,f is the carrier displacement angle between left bridge of FBSMs of the lower arm and HBSMs of the lower arm.
The output voltage of the right bridge of FBSMs for the lower arm can be derived as:
where unj,fbr is the output voltage of the right bridge of FBSMs for the lower arm.
The output voltage of FBSMs for the lower arm can be obtained as:
where unj,fb is the output voltage of FBSMs in the lower arm. According to (A1) and (A8), the first carrier harmonics of output voltages for FBSMs and HBSMs are the same, which means that the equivalent switching frequency of the output voltage of FBSMs and HBSMs is equal, the mismatch pulses of the output voltage of FBSMs and HBSMs can be eliminated.
According to (A1) and (A8), the sum of output voltages for FBSMs and HBSMs in the lower arm can be expressed as:
where unj is the sum of output voltages for FBSMs and HBSMs in the lower arm. It can be seen that the harmonic characteristic of unj is determined by the carrier displacement angle θh,f between left bridge carrier of FBSMs and carrier of HBSMs.
The output voltage of the left bridge of FBSMs in the upper arm can be obtained as:
The output voltage of the right bridge of FBSMs in the upper arm can be expressed as:
The output voltage of FBSMs in the upper arm can be obtained as:
The sum of output voltages for FBSMs and HBSMs in the upper arm can be expressed as:
where upj is the sum of output voltages for FBSMs and HBSMs in the upper arm. It can be seen that the harmonic characteristic of upj is determined by the three carrier displacement angles θh, θf, and θh,f.
References
- Lesnicar, A.; Marquardt, R. An innovative modular multilevel converter topology suitable for a wide power range. In Proceedings of the 2003 IEEE Bologna Power Tech Conference Proceedings, Bologna, Italy, 23–26 June 2003; Volume 3, p. 6. [Google Scholar]
- Dekka, A.; Wu, B.; Fuentes, R.L.; Perez, M.; Zargari, N.R. Evolution of topologies, modeling, control Schemes, and applications of modular multilevel converters. IEEE J. Emerg. Sel. Topics Power Electron. 2017, 5, 1631–1656. [Google Scholar] [CrossRef]
- Li, J.; Konstantinou, G.; Wickramasinghe, H.R.; Pou, J. Operation and control methods of modular multilevel converters in unbalanced AC grids: A review. IEEE J. Emerg. Sel. Topics Power Electron. 2019, 7, 1258–1271. [Google Scholar] [CrossRef]
- Bakas, P.; Okazaki, Y.; Shukla, A.; Patro, S.K.; Ilves, K.; Dijkhuizen, F.; Nami, A. Review of hybrid multilevel converter topologies utilizing thyristors for HVDC applications. IEEE Trans. Power Electron. 2021, 36, 174–190. [Google Scholar] [CrossRef]
- Ma, F.; Kuang, Y.; Wang, Z.; Huang, G.; Kuang, D.; Zhang, C. Multi-port and -functional power conditioner and its control strategy with renewable energy access for a railway traction system. Energies 2021, 14, 6146. [Google Scholar] [CrossRef]
- Liu, L.; Zhou, Z.; Dai, N.; Lao, K.W.; Song, Y. Interpolated phase-shifted PWM for harmonics suppression of multilevel hybrid railway power conditioner in traction power supply system. IEEE Trans. Transp. Electrif. 2022, 8, 898–908. [Google Scholar] [CrossRef]
- Hao, Q.; Man, J.; Gao, F.; Guan, M. Voltage Limit Control of Modular Multilevel Converter Based Unified Power Flow Controller Under Unbalanced Grid Conditions. IEEE Trans. Power Deliv. 2018, 33, 1319–1327. [Google Scholar] [CrossRef]
- Huang, H.; Zhang, L.; Oghorada, O.; Mao, M. Analysis and control of a modular multilevel cascaded converter-based unified power flow controller. IEEE Trans. Ind. Appl. 2021, 57, 3202–3213. [Google Scholar] [CrossRef]
- Cupertino, A.F.; Farias, J.V.M.; Pereira, H.A.; Seleme, S.I., Jr.; Teodorescu, R. Comparison of DSCC and SDBC modular multilevel converters for STATCOM application during negative sequence compensation. IEEE Trans. Ind. Electron. 2019, 66, 2302–2312. [Google Scholar] [CrossRef]
- Jin, Y.; Xiao, Q.; Jia, H.; Mu, Y.; Ji, Y.; Teodorescu, R.; Dragičević, T. A dual-layer back-stepping control method for Lyapunov stability in modular multilevel converter based STATCOM. IEEE Trans. Ind. Electron. 2022, 69, 2166–2179. [Google Scholar] [CrossRef]
- Marzoughi, A.; Burgos, R.; Boroyevich, D.; Xue, Y. Design and comparison of cascaded H-bridge, modular multilevel converter, and 5-L active neutral point clamped topologies for motor drive applications. IEEE Trans. Ind. Appl. 2018, 54, 1404–1413. [Google Scholar] [CrossRef]
- Teng, J.; Sun, X.; Zhang, Y.; Fu, H.; Liu, X.; Zhao, W.; Li, X. Two types of common-mode voltage suppression in medium voltage motor speed regulation system based on solid state transformer with dual DC bus. IEEE Trans. Power Electron. 2022, 37, 7082–7099. [Google Scholar] [CrossRef]
- Nguyen, T.H.; Hosani, K.A.; Moursi, M.S.E.; Blaabjerg, F. An overview of modular multilevel converters in HVDC transmission systems with STATCOM operation during pole-to-pole DC short circuits. IEEE Trans. Power Electron. 2019, 34, 4137–4160. [Google Scholar] [CrossRef]
- Lee, J.H.; Jung, J.J.; Sul, S.K. Balancing of submodule capacitor voltage of hybrid modular multilevel converter under DC-bus voltage variation of HVDC system. IEEE Trans. Power Electron. 2019, 34, 10458–10470. [Google Scholar] [CrossRef]
- Sakib, M.N.; Azad, S.P.; Kazerani, M. A critical review of modular multilevel converter configurations and submodule topologies from DC fault blocking and ride-through capabilities viewpoints for HVDC applications. Energies 2022, 15, 4176. [Google Scholar] [CrossRef]
- Zeng, R.; Xu, L.; Yao, L.; Williams, B.W. Design and operation of a hybrid modular multilevel converter. IEEE Trans. Power Electron. 2015, 30, 1137–1146. [Google Scholar] [CrossRef]
- Song, Y.; Luo, Y.; Xiong, X.; Blaabjerg, F.; Wang, W. An improved submodule topology of MMC with fault blocking capability based on reverse-blocking insulated gate bipolar transistor. IEEE Trans. Power Del. 2022, 37, 1559–1568. [Google Scholar] [CrossRef]
- Hu, P.; Teodorescu, R.; Guerrero, J.M. Negative-sequence second-order circulating current injection for hybrid MMC under over-modulation conditions. IEEE J. Emerg. Sel. Topics Power Electron. 2020, 8, 2508–2519. [Google Scholar] [CrossRef]
- Judge, P.D.; Chaffey, G.; Merlin, M.M.C.; Clemow, P.R.; Green, T.C. Dimensioning and modulation index selection for the hybrid modular multilevel converter. IEEE Trans. Power Electron. 2018, 33, 3837–3851. [Google Scholar] [CrossRef]
- Xu, J.; Deng, W.; Li, G.; Zhao, C.; Liu, C. Optimal second-harmonic current injection for capacitor voltage fluctuation reduction in hybrid MMCs under grid-side SLG faults. IEEE Trans. Ind. Appl. 2022, 37, 2857–2866. [Google Scholar] [CrossRef]
- Lu, M.; Hu, J.; Zeng, R.; Li, W.; Lin, L. Imbalance mechanism and balanced control of capacitor voltage for a hybrid modular multilevel converter. IEEE Trans. Power Electron. 2018, 33, 5686–5696. [Google Scholar] [CrossRef]
- Leon, J.I.; Kouro, S.; Franquelo, L.G.; Rodriguez, J.; Wu, B. The essential role and the continuous evolution of modulation techniques for voltage-source inverters in the past, present, and future power electronics. IEEE Trans. Ind. Electron. 2016, 63, 2688–2701. [Google Scholar] [CrossRef]
- Wang, W.; Ma, K.; Cai, X. Flexible nearest level modulation for modular multilevel converter. IEEE Trans. Power Electron. 2021, 36, 13686–13696. [Google Scholar] [CrossRef]
- Lin, L.; Lin, Y.; He, Z.; Chen, Y.; Hu, J.; Li, W. Improved nearest-level modulation for a modular multilevel converter with a lower submodule number. IEEE Trans. Power Electron. 2016, 31, 5369–5377. [Google Scholar] [CrossRef]
- Chen, X.; Liu, J.; Song, S.; Ouyang, S. Circulating harmonic currents suppression of level-increased NLM based modular multilevel converter with deadbeat control. IEEE J. Emerg. Sel. Topics Power Electron. 2020, 35, 11418–11429. [Google Scholar] [CrossRef]
- Deng, Y.; Wang, Y.; Teo, K.H.; Saeedifard, M.; Harley, R.G. Optimized control of the modular multilevel converter based on space vector modulation. IEEE Trans. Power Electron. 2018, 33, 5697–5711. [Google Scholar] [CrossRef]
- Ronanki, D.; Williamson, S.S. A simplified space vector pulse width modulation implementation in modular multilevel converters for electric ship propulsion systems. IEEE Trans. Trans. Electrific. 2019, 5, 335–342. [Google Scholar] [CrossRef]
- Basante, A.P.; Ceballos, S.; Konstantinou, G.; Pou, J.; Andreu, J.; Alegria, I.M. (2N+1) Selective harmonic elimination-PWM for modular multilevel converters: A generalized formulation and a circulating current control method. IEEE Trans. Power Electron. 2018, 33, 802–818. [Google Scholar] [CrossRef]
- Xiao, Q.; Yang, S.; Jin, Y.; Jia, H.; Pou, J.; Teodorescu, R.; Blaabjerg, F. Decoupled control scheme for THD reduction and one specific harmonic elimination in the modular multilevel converter. IEEE Trans. Ind. Electron. 2023, 70, 99–111. [Google Scholar] [CrossRef]
- Madichetty, S.; Dasgupta, A.; Mishra, S.; Panigrahi, C.K.; Basha, G. Application of an advanced repetitive controller to mitigate harmonics in MMC with APOD scheme. IEEE Trans. Power Electron. 2016, 31, 6112–6121. [Google Scholar] [CrossRef]
- Li, B.; Yang, R.; Xu, D.; Wang, G.; Wang, W.; Xu, D. Analysis of the phase-shifted carrier modulation for modular multilevel converters. IEEE Trans. Power Electron. 2015, 30, 297–310. [Google Scholar] [CrossRef]
- Li, Y.; Wang, Y.; Li, B.Q. Generalized theory of phase-shifted carrier PWM for cascaded H-Bridge converters and modular multilevel converters. IEEE J. Emerg. Sel. Topics Power Electron. 2016, 4, 589–605. [Google Scholar] [CrossRef]
- Wang, K.; Deng, Y.; Peng, H.; Chen, G.; Li, G.; He, X. An improved CPS-PWM scheme-based voltage balancing strategy for MMC with fundamental frequency sorting algorithm. IEEE Trans. Ind. Electron. 2019, 66, 2387–2397. [Google Scholar] [CrossRef]
- McGrath, B.P.; Teixeira, C.A.; Holmes, D.G. Optimized phase disposition (PD) modulation of a modular multilevel converter. IEEE Trans. Ind. Appl. 2017, 53, 4624–4633. [Google Scholar] [CrossRef]
- Zhou, F.; Luo, A.; Xiong, Q.; Xu, Q.; Xie, N. Research of single-carrier modulation strategy for modular multilevel converter. In Proceedings of the 2014 International Power Electronics and Application Conference and Exposition, Shanghai, China, 5–8 November 2014. [Google Scholar]
- Zhou, F.; Luo, A.; Li, Y.; Xu, Q.; He, Z.; Guerrero, J.M. Double-Carrier phase-disposition pulse width modulation method for modular multilevel converters. Energies 2017, 10, 581. [Google Scholar] [CrossRef]
- Yin, T.; Lin, L.; Xu, C.; Zhu, D.; Jing, K. A hybrid modular multilevel converter comprising SiC MOSFET and Si IGBT with its specialized modulation and voltage balancing scheme. IEEE Trans. Ind. Electron. 2022, 69, 11272–11282. [Google Scholar] [CrossRef]
- Lu, S.; Yuan, L.; Li, K.; Zhao, Z. An improved phase-shifted carrier modulation scheme for a hybrid Modular Multilevel Converter. IEEE Trans. Power Electron. 2017, 32, 81–97. [Google Scholar] [CrossRef]
- Xu, C.; Lin, L.; Yin, T.; Hu, J. An improved phase-shifted-carrier technique for hybrid modular multilevel converter with boosted modulation index. IEEE Trans. Power Electron. 2020, 35, 1340–1352. [Google Scholar] [CrossRef]
- Zhang, Y.; Zhang, J.; Deng, F. Improved CPS-PWM approach for over-modulation operations of hybrid modular multilevel converter. IEEE J. Emerg. Sel. Topics Power Electron. 2022, 10, 5933–5943. [Google Scholar] [CrossRef]
- Tu, Q.; Xu, Z.; Xu, L. Reduced switching-frequency modulation and circulating current suppression for Modular Multilevel Converters. IEEE Trans. Power Del. 2011, 26, 2009–2017. [Google Scholar]
- Holmes, D.G.; Lipo, T.A. Pulse Width Modulation for Power Converters: Principles and Practice; IEEE Press: Piscataway, NJ, USA, 2003. [Google Scholar]
Disclaimer/Publisher’s Note: The statements, opinions and data contained in all publications are solely those of the individual author(s) and contributor(s) and not of MDPI and/or the editor(s). MDPI and/or the editor(s) disclaim responsibility for any injury to people or property resulting from any ideas, methods, instructions or products referred to in the content. |
© 2023 by the authors. Licensee MDPI, Basel, Switzerland. This article is an open access article distributed under the terms and conditions of the Creative Commons Attribution (CC BY) license (https://creativecommons.org/licenses/by/4.0/).












