Next Article in Journal
The Economic Value of New Sustainable Products: The Case of Photovoltaic Thermal (PVT) Hybrid Solar Collectors
Previous Article in Journal
Manufacturing of PAV-ONE, a Permeator against Vacuum Mock-Up with Niobium Membrane
 
 
Font Type:
Arial Georgia Verdana
Font Size:
Aa Aa Aa
Line Spacing:
Column Width:
Background:
Article

Leg Conversion Method for the Continuous Control of a Railway Vehicle Propulsion Inverter

1
Department of Electrical Engineering, Gachon University, Seongnam-si 13120, Republic of Korea
2
Korea Railroad Research Institute, Uiwang-si 16105, Republic of Korea
*
Author to whom correspondence should be addressed.
Energies 2023, 16(14), 5474; https://doi.org/10.3390/en16145474
Submission received: 23 May 2023 / Revised: 29 June 2023 / Accepted: 14 July 2023 / Published: 19 July 2023
(This article belongs to the Section F3: Power Electronics)

Abstract

In this study, we propose a whole-leg scheme for the continuous control of a railway vehicle propulsion inverter. The three-leg method is commonly used to obtain the output AC power from the input DC voltage in a railway vehicle propulsion inverter. When the power semiconductor of an inverter operating in a three-leg manner fails, a problem occurs in the power supply. Therefore, this study proposes a method that automatically converts into the two-leg method without replacing the power semiconductor when it fails while the inverter is driven with the three-leg method. This leg conversion method can prevent problems in supplying power by converting the power that can be obtained from an inverter operating with the three-leg method into that obtained from an inverter operating with the two-leg method. In addition, to verify the effectiveness of the leg conversion method, a demonstrative experiment was conducted after a simulation, and an actual inverter was fabricated. Consequently, the experimental results confirmed that in an inverter operating with the three-leg method, even if the power semiconductor failed, it could be converted for operation with the two-leg method to supply power normally.

1. Introduction

In recent years, resource depletion owing to environmental pollution and the excessive usage of fossil fuels has emerged as a major issue. Research on eco-friendly methods and carbon reduction methods that use renewable energy is being conducted. Methods of using alternative energy are applied in various fields, and much research is being conducted with eco-friendly methods, including in transportation. Representatively, many studies using electricity and hydrogen have been conducted and are currently widely used. In addition, eco-friendly construction methods are widely applied and used in railroads. When energy that is obtained in an eco-friendly manner is converted into the electricity required by railroad cars, it is converted and used with an inverter for propulsion [1,2,3,4,5,6].
If the power semiconductor used in a railway vehicle propulsion inverter fails, the control of the inverter malfunctions, resulting in a problem in the supply of power in places where power is needed. In severe cases, trains that are in operation may stop or be derailed. When such problems occur, they can lead to great loss of life, so appropriate countermeasures are needed [7,8,9,10].
For the normal operation of an inverter with a smooth and efficient power supply, the power semiconductor, which is where problems often occur, must be directly replaced; this is often cumbersome [11,12,13,14,15].
The proposed scheme enables normal power supply by applying the two-leg scheme to an inverter operating in the existing three-leg scheme. Inverters operating with a two-leg method have been applied in various ways, such as in electric motors, and many studies have been conducted. However, the leg transfer method proposed in this paper refers to a method of converting an inverter operating in the three-leg mode to the two-leg mode when a short-circuit fault occurs. With this method, the power supply can be continuously maintained by diverting the current in the leg where the power semiconductor has failed to the DC-link capacitor. To verify the leg conversion method, simulation experiments were conducted, and inverters were fabricated by using PSIM to conduct demonstrative experiments.
Consequently, when the three-leg operation method is converted into the two-leg method, the power that can be obtained from the three-leg operation method can be obtained, and the power supply can be made sustainable until it is applied to a load-coupled inverter.
The remainder of this paper is organized as follows. Section 2 describes the circuits of the inverters of the three-leg, two-leg, and leg conversion methods. Section 3 compares and analyzes the effects of the three-leg and two-leg systems through simulations of inverters operating with the leg conversion method. In Section 4, we present a demonstrative experiment that was conducted after designing an inverter based on the leg conversion method and analyze the results. Finally, Section 5 presents our concluding statements.

2. Inverter Structure and Control Method for Applying the Leg Conversion Method

The inverters used in railway vehicles convert an input DC voltage into an output AC power. The three-leg method is used as a typical operation method for such inverters. In addition, an inverter can be operated by using the two-leg method. In this section, before verifying the leg conversion method, the circuit and control methods of an inverter operating with the three-leg and two-leg methods used in railway vehicles are explained, and the circuit of an inverter operating with the leg conversion method is described.

2.1. Structure and Control Method of a Three-Leg Method Based Inverter

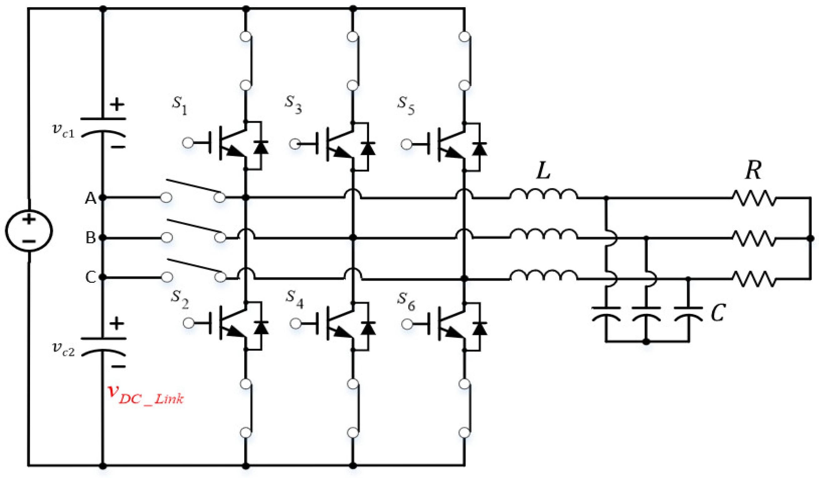
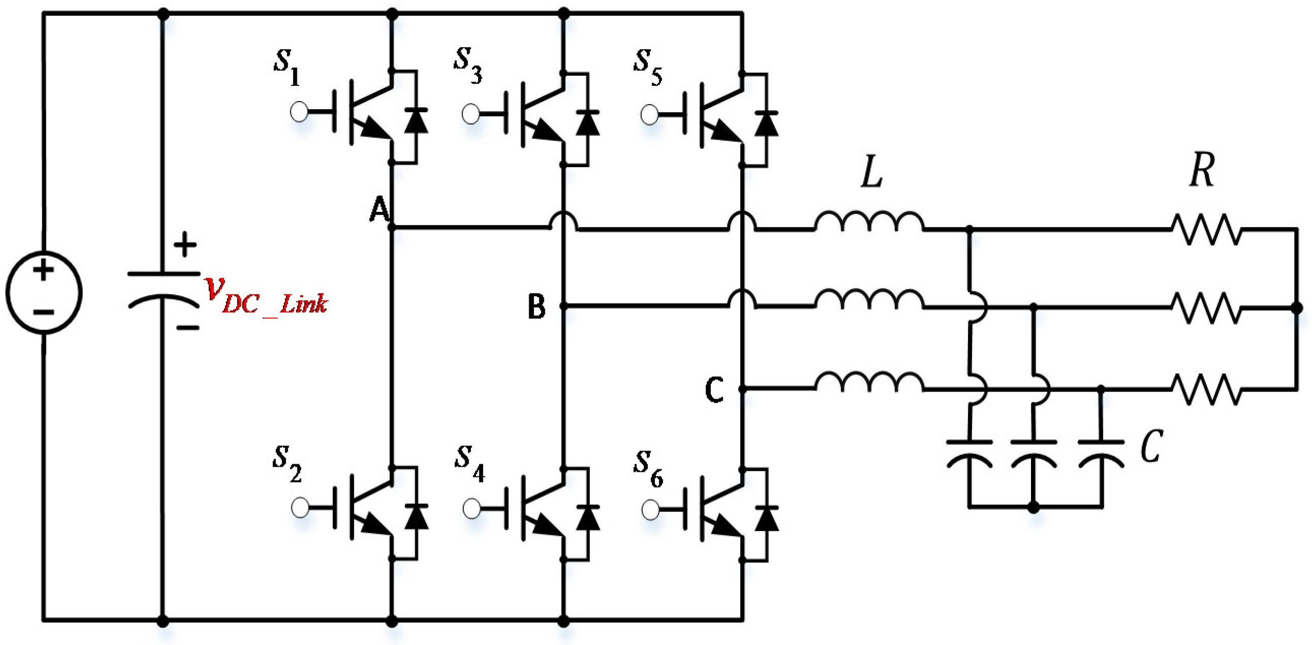
Figure 1 shows a circuit diagram of an inverter that uses the three-leg method. Six IGBTs convert the input DC power into output AC power. Figure 2 demonstrates the control block diagram of a three-leg inverter. The difference between the reference current and the measured current v c _ r e f is converted into a control quantity by using a PI controller. Each PWM waveform is signaled to the IGBT such that the inverter can convert the input DC power into the output AC power [16,17,18,19].

2.2. Structure and Control Method of a Two-Leg Method Based Inverter

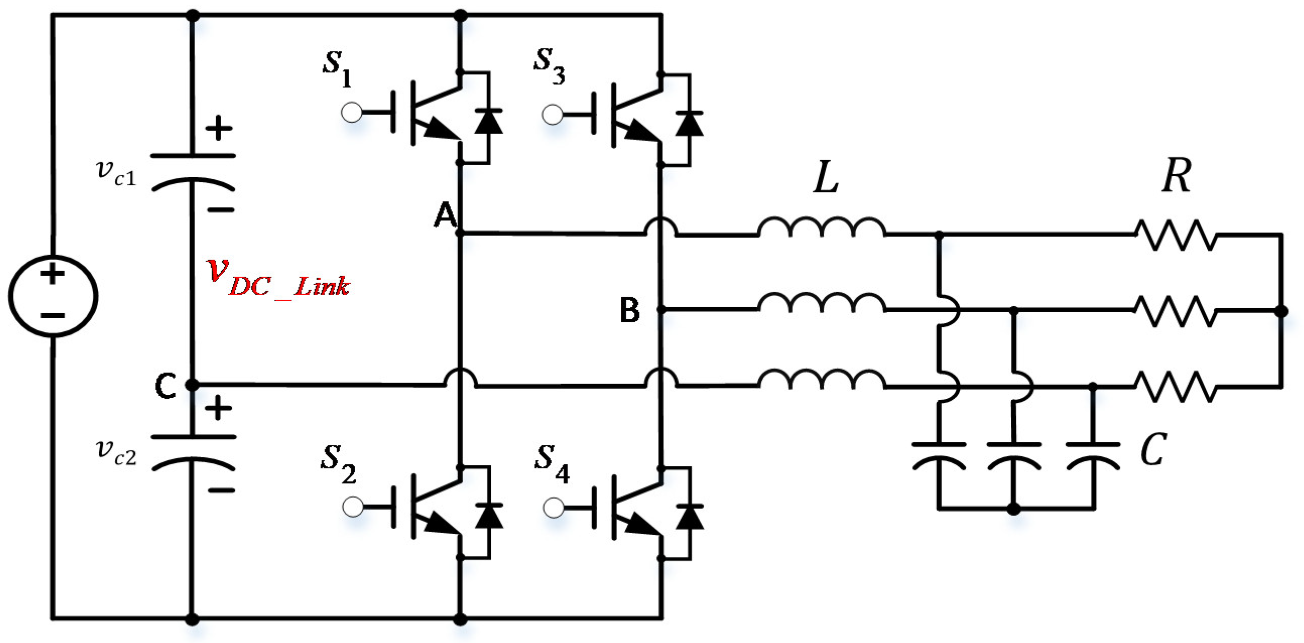
Another type of inverter based on the two-leg method uses two IGBTs less than those in the existing three-leg method, but it can obtain the same power as an inverter that operates with the three-leg method.
Figure 3 shows a circuit diagram of an inverter that uses the two-leg method. Unlike the three-leg method, the inverter operating with the two-leg method uses four IGBTs to obtain the output AC power from the input DC power. If one of the previously used phases is connected to the center of the two DC-link capacitors and appropriate control is performed, the output AC power can be obtained from the input DC power in the same manner as in the three-leg method. In this study, the IGBT of phase C of the three phases is assumed to be short-circuited; the control block diagram is demonstrated in Figure 4.
As shown in Figure 4, after passing through the PI controller, the control amount in phase C, v c , is subtracted from the control amount in phase A, v a , and the control amount in phase B, v b , which are converted into v a t   and   v b t , respectively [20,21,22,23,24,25,26,27]. By using this to generate a PWM waveform and send a signal to the IGBT, the inverter can convert and supply power normally. The voltage in each phase of the control method can be expressed as follows [28]. Based on the calculated values, three-phase voltage and current waveforms are obtained by using the SPWM control method.
v a t = v a v c
v b t = v b v c

2.3. Structure and Control Method of the Proposed Inverter

The leg conversion method used in this study is a two-leg method that converts a leg corresponding to a leg in an inverter driven with the three-leg method during IGBT failure.
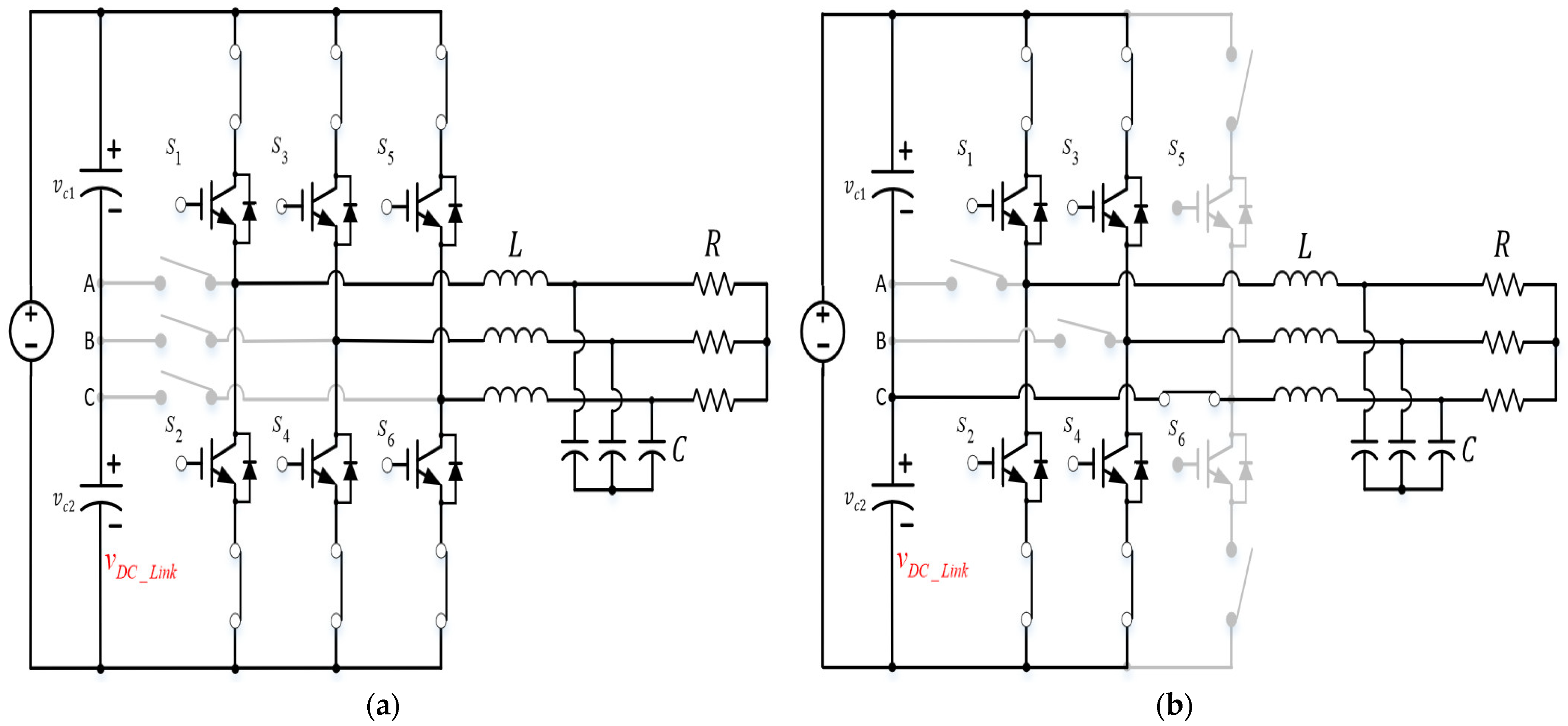
Figure 5 presents a circuit diagram of the proposed inverter. Figure 6 shows a circuit diagram of the inverter’s operation before and after a short circuit fault. Figure 7 shows the current flow diagram of an inverter with leg conversion applied.
The method proposed in this paper is a method for the normal operation of the inverter after an short circuit fault occurs in an IGBT. A gate drive that was used in an experiment generated an error signal according to the short circuit current and overvoltage. Through this, it was possible to determine whether a short circuit fault existed in the transistor [29,30,31,32].
Basically, a circuit that can be separated from the main circuit is needed when a short circuit occurs in an IGBT. Accordingly, s w A b , s w B b , and   s w C b are placed in each IGBT so that the leg can be separated from the main circuit when a problem occurs in the power semiconductor. These switches are composed of switches with b-contact characteristics so that current can flow at all times. In addition, a continuously controllable circuit is required so that current can flow normally even in the leg in which the power semiconductor has a problem. Accordingly, as shown in Figure 7, s w A a , s w B a , and   s w C _ a are installed and connected to the neutral point of the DC-link capacitor. The switch used at this time is composed of a switch with a contact characteristic so that current cannot normally flow.
In this paper, it is assumed that only the C-phase IGBT has failed. Accordingly, s w C _ b opens, the main circuit of the C-phase IGBT is separated, and s w C _ a closes, so the C-phase can be connected to the neutral point of the DC-link capacitor.

3. Simulation Verification of the Leg Conversion Method for Coping with Power Semiconductor Failure

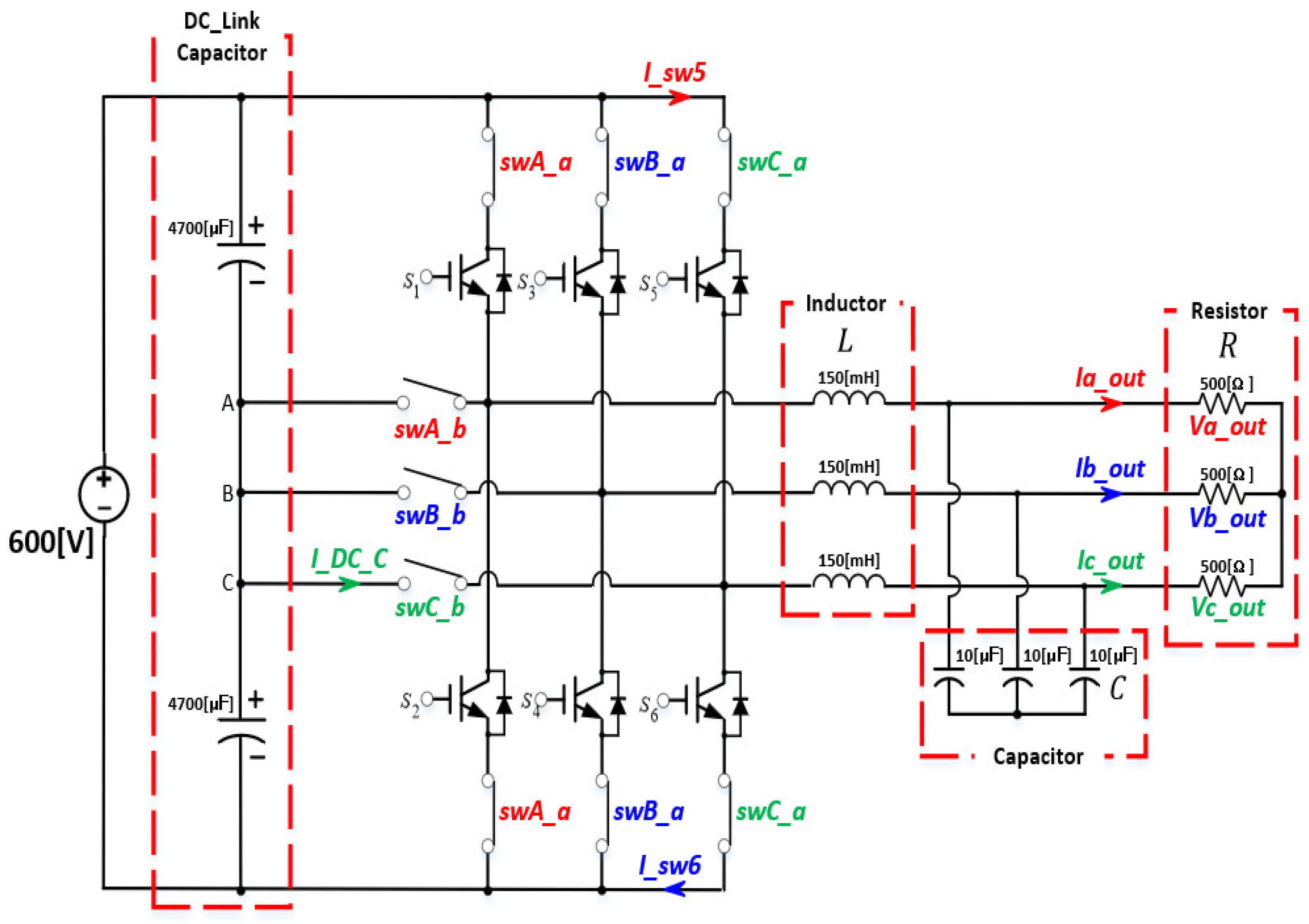
In this study, a simulation was conducted to verify the possibility of operating an inverter with the leg conversion method when the power semiconductor of a propulsion inverter used in a railway vehicle failed. The circuit used in the simulation was that described with the proposed inverter circuit diagram shown in Figure 8, and the parameters of the inverter were set as listed in Table 1. An experiment was conducted to convert the inverter’s operation from the three-leg method into the two-leg method, assuming that a problem occurred in phase C of the power semiconductor [33,34,35].
Figure 9 shows various waveforms before and after leg conversion when the power semiconductor failed according to the application of the leg conversion method. In this study, the power semiconductor failure was assumed to occur in phase C. As shown in Figure 8, the failure of the power semiconductor in phase C occurred at approximately 0.525 [s]. As shown in Figure 9a, the current flows of I s w 5 , I s w 6 , and   I _ D C _ C changed according to the time before and after 0.525 s when the power semiconductor of phase C failed. Before 0.525 s, the currents of I s w 5   and   I s w 6 flowed, and only the current of I _ D C _ C flowed when the power semiconductor failed. However, as shown in Figure 9b,c, which depict the waveforms of the output voltage and current of the inverter, the waveforms at approximately 0.525 s were all the same. In other words, when an inverter operating with the leg conversion method was applied in a propulsion inverter for railway vehicles, it produced sufficient performance to avoid power supply interruption due to the continuous control according to the power semiconductor failure occurring in one phase. An additional experiment was conducted to determine whether the output voltage and current values obtained from the inverter operating with the leg conversion method were identical to those of inverters operating with the three-leg and two-leg methods.
Figure 10 shows the various waveforms of an inverter operating with the three-leg method. As shown in Figure 10a, I s w 5   and   I _ s w 6 , the IGBT currents of phase C flowed. Furthermore, because the current of I _ D C _ C did not flow, the inverter was operating with the three-leg method. As shown in Figure 10b,c, the inverter supplied the output voltage and current normally.
Figure 11 shows various waveforms of an inverter operating with the two-leg method. As shown in Figure 11a, I s w 5   and   I _ s w 6 , the IGBT currents of phase C, did not flow. Furthermore, because the current of I _ D C _ C flowed, the inverter operated with the two-leg method. As shown in Figure 11b,c, the inverter normally supplied the output voltage and current. The magnitudes of the output voltage and current supplied by the inverter were the same for the three-leg and two-leg methods. In addition, the output voltage and current of the inverter operating with the leg conversion method when the power semiconductor failed were the same. To verify this, based on the simulation results, a demonstrative experiment was conducted after designing an inverter to apply leg conversion to an actual inverter in the case of power semiconductor failure.

4. Results and Discussion

Based on a comparative analysis of the results of the simulation experiments, a demonstrative experiment was conducted to prove the actual effect of an inverter operating with the leg conversion method. For this, an inverter was manufactured based on the parameters presented in Table 1 and the circuits used in the simulations. Continuous control of railway vehicle propulsion inverter to demonstrate the effectiveness of the inverter operation based on the leg conversion method, an experiment was conducted employing the three-leg, two-leg, and leg conversion methods.
Figure 12 shows a self-made inverter based on Table 1 and Figure 8 to verify the its operation with the leg conversion method. First, an experiment was conducted while assuming that a problem occurred in phase C of the power semiconductor in an inverter operating with the three-leg method.
Figure 13 shows the waveforms when current control was performed at a voltage of 600 V. As shown in the first waveforms in Figure 13a,b, the current flowed in the area connected to the DC-link capacitor when changing from three-leg to two-leg operation. When operated with the leg conversion method, no current flowed in the area connected to the neutral point of the DC-link capacitor. However, when operated with the two-leg method, the problematic leg’s side current was blocked, and the current flowed to the DC-link capacitor. As shown in Table 2 and Figure 10, the delay time during leg conversion occurred at approximately 37.23 ms, on average, when converting from three-leg to two-leg operation; however, no problems occurred in the normal state. In addition, an additional experiment was conducted to check whether the output values were the same as those when operating with the three-leg and two-leg methods.
Figure 14 shows the input DC voltage and three-phase output current waveforms of inverters operating with the three-leg and two-leg methods when an input DC power of 600 V was applied. As shown in Table 3, when the inverter was driven with the two-leg method, the same value of the three-phase output current could be obtained as in the three-leg method. The results of the simulation and verification experiments on the inverter indicated that the same output value as that of the inverter operating with the three-leg method could be obtained when it was operated with the two-leg method, and continuous control was possible throughout.
Accordingly, the results determined that no problems occurred in the supply of power when a problem occurred in the power semiconductor of the inverter, and the operation was converted from the three-leg to the two-leg method. Consequently, even when a power semiconductor fails while supplying power from a propulsion inverter operating with the three-leg method in a railway vehicle, its operation is directly converted into the two-leg method, and the power is supplied while the inverter operates normally.

5. Conclusions

In this study, a leg conversion method for continuous control in a propulsion inverter in a railway vehicle was applied and its performance was verified. Prior to verifying the leg conversion method, the structure and control method of the three-leg and two-leg methods, which are representative operating methods for inverters, were described, and a method for reducing the ripple effect of the failure of the power semiconductor in an inverter was described. To verify this possibility, a simulation experiment and a demonstrative experiment of an inverter operating with the leg conversion method were conducted, and the results were compared and analyzed.
The results confirmed that the waveforms of the three-phase voltage and current supplied to the system before and after the failure of the power semiconductor in phase C were the same. That is, it can be seen that by using the leg-switching method, interruption of the power supply due to the occurrence of a short circuit can be avoided. Through this, it is possible to solve various problems, such as the suspension of operation and derailment, which may occur in railroad cars due to power supply interruption in the event of a short circuit accident. Finally, through the experiment on conversion from the three-leg method to the two-leg method, it was confirmed that a control delay occurred when the leg was converted, but no problem with power supply occurred in the normal state before and after the leg conversion. It is judged that additional research on the delay problem is needed in the future.
Accordingly, it is judged that if the leg-switching method proposed in this paper is applied even in the event of a short circuit accident in the power semiconductor of a propulsion inverter in a railway vehicle, it will be possible to minimize the loss due to the interruption of the power supply and prevent disruptions in train operation.

Author Contributions

Conceptualization, J.C., G.K., H.L., G.L. and J.S.; methodology, J.C., G.K., H.L., G.L. and J.S.; software, J.C. and H.L.; validation, G.K., G.L. and J.S.; formal analysis, J.C., G.K., H.L. and G.L.; writing—original draft preparation, J.C.; writing review and editing, J.C., G.K., H.L., G.L. and J.S.; supervision, J.S. All authors have read and agreed to the published version of the manuscript.

Funding

This research was supported by a grant from the R&D program (PK2303F1) of the Korea Railroad Research Institute. This work was also supported by the Korea Institute of Energy Technology Evaluation and Planning (KETEP) and the Ministry of Trade, Industry, and Energy (MOTIE) of the Republic of Korea (No. 20214000000060).

Data Availability Statement

Not applicable.

Conflicts of Interest

The authors declare no conflict of interest.

References

  1. Carrasco, J.M.; Franquelo, L.G.; Bialasiewicz, J.T.; Galván, E.; PortilloGuisado, R.C.; Prats, M.M.; León, J.I.; Moreno-Alfonso, N. Power-Electronic Systems for the Grid Integration of Renewable Energy Sources: A Survey. IEEE Trans. Electron. 2006, 53, 1002–1016. [Google Scholar] [CrossRef]
  2. Hasoun, M.; Afia, A.E.; Chikh, K.; Khafallah, M.; Benkirane, K. A PWM strategy for dual three-phase PMSM using 12-sector vector space decomposition for electric ship propulsion. In Proceedings of the 2018 19th IEEE Mediterranean Electrotechnical Conference, Marrakesh, Morocco, 2–7 May 2018; pp. 243–248. [Google Scholar] [CrossRef]
  3. Ronanki, D.; Williamson, S.S. A Simplified Space Vector Pulse Width Modulation Implementation in Modular Multilevel Converters for Electric Ship Propulsion Systems. IEEE Trans. Transp. Electrif. 2019, 5, 335–342. [Google Scholar] [CrossRef]
  4. Stanescu, A.; Mocioi, N.; Dimitrescu, A. Hybrid Propulsion Train with Energy Storage in Metal Hydrides. In Proceedings of the 2019 Electric Vehicles International Conference, Bucharest, Romania, 3–4 October 2019; pp. 1–4. [Google Scholar] [CrossRef]
  5. Han, Y.J.; Lee, S.G.; Park, C.K.; Kim, Y.G.; Bae, C.H. The Trend Analysis of Propulsion System for Railway Vehicle Using Patent Analysis. J. Korea Acad. Ind. Coop. Soc. 2018, 19, 131–138. [Google Scholar] [CrossRef]
  6. Hara, T.; Taniguchi, S.; Ajima, T.; Sawahata, M.; Hori, M.; Tsukagoshi, T.; Hoshino, K. Synchronous PWM Control with Carrier Wave Phase Shifts for Permanent Magnet Synchronous Motor. IEEE Trans. Ind. Appl. 2022, 58, 5650–5658. [Google Scholar] [CrossRef]
  7. Sample, A.P.; Meyer, D.T.; Smith, J.R. Analysis, Experimental Results, and Range Adaptation of Magnetically Coupled Resonators for Wireless Power Transfer. IEEE Trans. Ind. Electron. 2011, 58, 544–554. [Google Scholar] [CrossRef]
  8. Lee, J.S.; Choi, U.M. Velocity Profile-Based Evaluation and Improvement of Lifetime of Power Devices in Railway Propulsion Inverters. IEEE J. Emerg. Sel. Top. Power Electron. 2022, 10, 1384–1394. [Google Scholar] [CrossRef]
  9. Yang, X.; Ning, L.B.; Tang, T. A Survey on Energy-Efficient Train Operation for Urban Rail Transit. IEEE Trans. Intell. Transp. Syst. 2016, 17, 2–13. [Google Scholar] [CrossRef]
  10. Huang, Y.; Yang, L.; Tang, T.; Cao, F.; Gao, Z. Saving Energy and Improving Service Quality: Bicriteria Train Scheduling in Urban Rail Transit Systems. IEEE Trans. Intell. Transp. Syst. 2016, 17, 3364–3379. [Google Scholar] [CrossRef]
  11. Kim, J.Y.; Jeon, J.H.; Kim, S.K.; Cho, C.; Park, J.H.; Kim, H.M.; Nam, K.Y. Cooperative Control Strategy of Energy Storage System and Microsources for Stabilizing the Microgrid during Islanded Operation. IEEE Trans. Power Electron. 2010, 25, 3037–3048. [Google Scholar] [CrossRef]
  12. Zamora, R.; Anurag, K. Srivastava. Controls for microgrids with storage: Review, challenges, and research needs. Renew. Sustain. Energy Rev. 2010, 14, 2009–2018. [Google Scholar] [CrossRef]
  13. Lee, W.; Han, B.-M.; Cha, H. Battery ripple current reduction in a three-phase interleaved dc-dc converter for 5kW battery charger. In Proceedings of the 2011 IEEE Energy Conversion Congress and Exposition, Phoenix, AZ, USA, 17–22 September 2011; pp. 3535–3540. [Google Scholar] [CrossRef]
  14. Jiang, Q.; Gong, Y.; Wang, H. A battery energy storage system dual-layer control strategy for mitigating wind farm fluctuations. IEEE Trans. Power Syst. 2014, 28, 3263–3273. [Google Scholar] [CrossRef]
  15. Wagner, V.E.; Balda, J.C.; Griffith, D.C.; Mceachern, A.; Barnes, T.M.; Hartmann, D.P.; Phileggi, D.J.; Emannuel, A.E.; Horton, W.F.; Reid, W.E.; et al. Effects of harmonics on equipment. IEEE Trans. Power Deliv. 1993, 8, 672–680. [Google Scholar] [CrossRef]
  16. Jayanth, K.G.; Boddapati, V.; Geetha, R.S. Comparative study between three-leg and four-leg current-source inverter for solar PV application. In Proceedings of the 2018 International Conference on Power, Instrumentation, Control and Computing (PICC), Thrissur, India, 18–20 January 2018; pp. 1–6. [Google Scholar] [CrossRef]
  17. Kaenthong, K.; Tipsuwanporn, V.; Numsomran, A.; Charean, A. Asymmetrical two-phase induction motor speed controlled with 3-leg voltage source inverter. In Proceedings of the 2015 IEEE International Conference on Industrial Technology (ICIT), Seville, Spain, 17–19 March 2015; pp. 640–645. [Google Scholar] [CrossRef]
  18. Charumit, C.; Kinnares, V. Analogue space vector modulator for two-phase loads using a three-leg voltage source inverter. In Proceedings of the 2008 IEEE International Conference on Robotics and Biomimetics, Bangkok, Thailand, 22–25 February 2009; pp. 1607–1612. [Google Scholar] [CrossRef]
  19. de Correa, M.B.R.; Jacobina, C.B.; Lima, A.M.N.; da Silva, E.R.C. A three-leg voltage source inverter for two-phase AC motor drive systems. In Proceedings of the 2001 IEEE 32nd Annual Power Electronics Specialists Conference (IEEE Cat. No.01CH37230), Vancouver, BC, Canada, 17–21 June 2001; Volume 3, pp. 1458–1463. [Google Scholar] [CrossRef]
  20. Lin, B.-R.; Chen, J.-J. Three-Phase Two-Leg Inverter for Stand-Alone and Grid-Connected Renewable Energy Systems. In Proceedings of the TENCON IEEE Region 10 Conference, Hong Kong, China, 14–17 November 2006; pp. 1–4. [Google Scholar] [CrossRef]
  21. Phurahong, T. Design of 2-Leg Inverter for Controlling of a Single Phase Induction Motor. In Proceedings of the 2020 3rd International Conference on Power and Energy Applications (ICPEA), Busan, Republic of Korea, 24–26 April 2020; pp. 117–120. [Google Scholar] [CrossRef]
  22. Chikate, V.D.; Fadnis, A.Y.; Gondhalekar, G.C. Control Of 2-Ph. Induction Motor Using 2-Leg Inverter. In Proceedings of the 2018 International Conference on Smart Electric Drives and Power System (ICSEDPS), Maharashtra, India, 12–13 June 2018; pp. 369–374. [Google Scholar] [CrossRef]
  23. Liu, Q.-Z. A Control Concept of SVM for Two Legs Inverters. In Proceedings of the 2021 4th International Conference on Advanced Electronic Materials, Computers and Software Engineering (AEMCSE), Changsha, China, 26–28 March 2021; pp. 318–321. [Google Scholar] [CrossRef]
  24. Jang, D.H.; Yoon, D.Y. Space vector PWM technique for two-phase inverter-fed single-phase induction motors. In Proceedings of the Conference Record of the 1999 IEEE Industry Applications Conference. Thirty-Forth IAS Annual Meeting (Cat. No.99CH36370), Phoenix, AZ, USA, 3–7 October 1999; Volume 1, pp. 47–53. [Google Scholar] [CrossRef]
  25. Wekhande, S.S.; Chaudhari, B.N.; Dhopte, S.V.; Sharma, R.K. A low cost inverter drive for 2-phase induction motor. In Proceedings of the IEEE 1999 International Conference on Power Electronics and Drive Systems. PEDS’99 (Cat. No.99TH8475), Hong Kong, China, 27–29 July 1999; Volume 1, pp. 428–431. [Google Scholar] [CrossRef]
  26. Jabbar, M.A.; Khambadkone, A.M.; Zhang, Y. DSP based space vector PWM drive for constant power operation of two-phase induction motors. In In Proceedings of the IECON'01. 27th Annual Conference of the IEEE Industrial Electronics Society (Cat. No.37243), Denver, CO, USA, 29 November–2 December 2001; Volume 2, pp. 1166–1171. [Google Scholar] [CrossRef]
  27. Jacobina, C.B.; De Rossiter Correa, M.B.; Da Silva, E.R.C.; Lima, A.M.N. Induction motor drive system for low-power applications. IEEE Trans. Ind. Appl. 1999, 35, 52–61. [Google Scholar] [CrossRef]
  28. Blaabjerg, F.; Neacsu, D.O.; Pedersen, J.K. Adaptive SVM to compensate DC-link voltage ripple for four-switch three-phase voltage-source inverters. IEEE Trans Power Electron. 1999, 14, 743–752. [Google Scholar] [CrossRef]
  29. Lu, B.; Sharma, S.K. A Literature Review of IGBT Fault Diagnostic and Protection Methods for Power Inverters. IEEE Trans. Ind. Appl. 2009, 45, 1770–1777. [Google Scholar] [CrossRef]
  30. Mendes, A.M.S.; Marques Cardoso, A.J. Voltage source inverter fault diagnosis in variable speed AC drives, by the average current Park’s vector approach. In Proceedings of the IEEE International Electric Machines and Drives Conference, IEMDC’99, San Diego, CA, USA, 12–15 May 1999; pp. 704–706. [Google Scholar] [CrossRef]
  31. Rodriguez, M.A.; Claudio, A.; Theilliol, D.; Vela, L.G. A New Fault Detection Technique for IGBT Based on Gate Voltage Monitoring. In Proceedings of the 2007 IEEE Power Electronics Specialists Conference, Orlando, FL, USA, 17–21 June 2007; pp. 1001–1005. [Google Scholar] [CrossRef]
  32. Huang, F.; Flett, F. IGBT Fault Protection Based on di/dt Feedback Control. In Proceedings of the 2007 IEEE Power Electronics Specialists Conference, Orlando, FL, USA, 17–21 June 2007; pp. 1478–1484. [Google Scholar] [CrossRef]
  33. Inzunza, R.; Akagi, H. A 6.6-kV transformerless shunt hybrid active filter for installation on a power distribution system. In Proceedings of the 2004 IEEE 35th Annual Power Electronics Specialists Conference (IEEE Cat. No.04CH37551), Aachen, Germany, 20–25 June 2004; 6, pp. 4630–4636. [Google Scholar] [CrossRef]
  34. Corasaniti, V.F.; Barbieri, M.B.; Arnera, P.L.; Valla, M.I. Hybrid Power Filter to Enhance Power Quality in a Medium-Voltage Distribution Network. IEEE Trans Ind Electron. 2009, 56, 2885–2893. [Google Scholar] [CrossRef]
  35. Das, J.C. Passive filters—Potentialities and limitations. IEEE Trans. Ind. Appl. 2004, 40, 232–241. [Google Scholar] [CrossRef]
Figure 1. Circuit diagram of an inverter using the three-leg method.
Figure 1. Circuit diagram of an inverter using the three-leg method.
Energies 16 05474 g001
Figure 2. Control block diagram of a three-leg inverter.
Figure 2. Control block diagram of a three-leg inverter.
Energies 16 05474 g002
Figure 3. Circuit diagram of an inverter using the two-leg method.
Figure 3. Circuit diagram of an inverter using the two-leg method.
Energies 16 05474 g003
Figure 4. Control block diagram of a two-leg inverter.
Figure 4. Control block diagram of a two-leg inverter.
Energies 16 05474 g004
Figure 5. Circuit diagram of an inverter that uses the leg conversion method.
Figure 5. Circuit diagram of an inverter that uses the leg conversion method.
Energies 16 05474 g005
Figure 6. Circuit diagram of switch operation in the case of a short circuit: (a) before the short circuit; (b) after the short circuit fault occurs.
Figure 6. Circuit diagram of switch operation in the case of a short circuit: (a) before the short circuit; (b) after the short circuit fault occurs.
Energies 16 05474 g006
Figure 7. Current flow diagram of an inverter that uses the leg conversion method.
Figure 7. Current flow diagram of an inverter that uses the leg conversion method.
Energies 16 05474 g007
Figure 8. Circuit diagram used in the simulation for verifying the performance of the leg conversion method when the power semiconductor of the inverter failed.
Figure 8. Circuit diagram used in the simulation for verifying the performance of the leg conversion method when the power semiconductor of the inverter failed.
Energies 16 05474 g008
Figure 9. Various waveforms before and after leg conversion in the case of power semiconductor failure according to the application of the leg conversion method: (a) C-phase current; (b) three-phase output voltage; (c) three-phase output current.
Figure 9. Various waveforms before and after leg conversion in the case of power semiconductor failure according to the application of the leg conversion method: (a) C-phase current; (b) three-phase output voltage; (c) three-phase output current.
Energies 16 05474 g009
Figure 10. Various waveforms of an inverter operating with the three-leg method: (a) C-phase current; (b) three-phase output voltage; (c) three-phase output current.
Figure 10. Various waveforms of an inverter operating with the three-leg method: (a) C-phase current; (b) three-phase output voltage; (c) three-phase output current.
Energies 16 05474 g010
Figure 11. Various waveforms of an inverter operating with the two-leg method: (a) C-phase current; (b) three-phase output voltage; (c) three-phase output current.
Figure 11. Various waveforms of an inverter operating with the two-leg method: (a) C-phase current; (b) three-phase output voltage; (c) three-phase output current.
Energies 16 05474 g011
Figure 12. Demonstrative experiment on the proposed inverter.
Figure 12. Demonstrative experiment on the proposed inverter.
Energies 16 05474 g012
Figure 13. Current waveforms for the leg conversion method: (a) control waveform at a voltage of 600 V and current of 100 mA; (b) control waveform at a voltage of 600 V and current of 300 mA.
Figure 13. Current waveforms for the leg conversion method: (a) control waveform at a voltage of 600 V and current of 100 mA; (b) control waveform at a voltage of 600 V and current of 300 mA.
Energies 16 05474 g013
Figure 14. Voltage and current waveforms in the demonstrative experiments according to the inverter types: (a) three-leg inverter; (b) two-leg inverter.
Figure 14. Voltage and current waveforms in the demonstrative experiments according to the inverter types: (a) three-leg inverter; (b) two-leg inverter.
Energies 16 05474 g014
Table 1. Summary of various parameters used in the simulations.
Table 1. Summary of various parameters used in the simulations.
ParameterUnitValue
Voltage600[V]
Inductor150[mH]
Capacitor10[μF]
Resistor500[Ω]
DC-link capacitor4700[μF]
DSPTMS320F28335
IGBTSKM100GB12T4
Gate driverSKHI 22BH4 R
Table 2. Delay time when the leg system was converted.
Table 2. Delay time when the leg system was converted.
600 [V], 100 [mA]600 [V], 300 [mA]
a35.8 [ms]34.5 [ms]
b34.4 [ms]34.2 [ms]
c34.8 [ms]35.7 [ms]
Table 3. Voltage and current values recorded during operation.
Table 3. Voltage and current values recorded during operation.
Three-Leg MethodTwo-Leg Method
Input Voltage598.6 [V]598.7 [V]
Output Current_a203.36 [mA]204.7 [mA]
Output Current_b215.57 [mA]216.31 [mA]
Output Current_c214.25 [mA]216 [mA]
Disclaimer/Publisher’s Note: The statements, opinions and data contained in all publications are solely those of the individual author(s) and contributor(s) and not of MDPI and/or the editor(s). MDPI and/or the editor(s) disclaim responsibility for any injury to people or property resulting from any ideas, methods, instructions or products referred to in the content.

Share and Cite

MDPI and ACS Style

Choi, J.; Kim, G.; Lee, H.; Lee, G.; Shon, J. Leg Conversion Method for the Continuous Control of a Railway Vehicle Propulsion Inverter. Energies 2023, 16, 5474. https://doi.org/10.3390/en16145474

AMA Style

Choi J, Kim G, Lee H, Lee G, Shon J. Leg Conversion Method for the Continuous Control of a Railway Vehicle Propulsion Inverter. Energies. 2023; 16(14):5474. https://doi.org/10.3390/en16145474

Chicago/Turabian Style

Choi, Jongyong, Gildong Kim, Hyunjae Lee, Gunbok Lee, and Jingeun Shon. 2023. "Leg Conversion Method for the Continuous Control of a Railway Vehicle Propulsion Inverter" Energies 16, no. 14: 5474. https://doi.org/10.3390/en16145474

APA Style

Choi, J., Kim, G., Lee, H., Lee, G., & Shon, J. (2023). Leg Conversion Method for the Continuous Control of a Railway Vehicle Propulsion Inverter. Energies, 16(14), 5474. https://doi.org/10.3390/en16145474

Note that from the first issue of 2016, this journal uses article numbers instead of page numbers. See further details here.

Article Metrics

Back to TopTop