Next Article in Journal
Spatial Network and Driving Factors of Agricultural Green Total Factor Productivity in China
Previous Article in Journal
A Critical Review of Growth Media Recycling to Enhance the Economics and Sustainability of Algae Cultivation
 
 
Font Type:
Arial Georgia Verdana
Font Size:
Aa Aa Aa
Line Spacing:
Column Width:
Background:
Article

Hydraulic Performance and Energy Dissipation Mechanism Analysis of the Tesla-Shaped Emitter

College of Water Resources Science and Engineering, Taiyuan University of Technology, Taiyuan 030024, China
*
Author to whom correspondence should be addressed.
Energies 2023, 16(14), 5375; https://doi.org/10.3390/en16145375
Submission received: 23 May 2023 / Revised: 5 July 2023 / Accepted: 13 July 2023 / Published: 14 July 2023
(This article belongs to the Section K: State-of-the-Art Energy Related Technologies)

Abstract

In this paper, a tesla-shaped emitter is proposed based on the structure of the “tesla valve” as the source of inspiration, so that the water flow in the channel would produce a variety of energy dissipation phenomena, such as diversion, hedging, and mixing, to explore the hydraulic performance and energy dissipation mechanism of the tesla-shaped emitter. The channel structure parameters were taken as factors, and 16 groups of orthogonal tests were arranged. Based on CFD technology, the pressure–flow relationship curve slope, flow ratio between the main channel and secondary channel, flow field, and head loss of the emitter were calculated and analyzed for different combinations of structural parameters. Based on a significance level α = 0.05 test, the main channel inlet section length (L3) had a significant impact on the curve slope, and the secondary channel length (L1) and main channel inlet section length (L3) had a significant impact on the flow. The multiple linear regression mathematical models between the channel structure parameters and the curve slope and the flow were constructed. The larger the ratio between the main channel and the secondary channel flow, the better the hydraulic performance of the emitter. The channel unit loss coefficient increased linearly with the increase of the emitter inlet pressure, and its value ranged from 4.5769 to 8.1716, with an excellent energy dissipation effect. The hedge mixing of the water flow was the core of the energy dissipation of the tesla-shaped emitter. By appropriately increasing the inlet size of the main channel and other elements to increase the main channel flow and optimize the flow ratio between the main channel and the secondary channel, the mixing was improved, which consequently improved the hydraulic performance of the emitter.

1. Introduction

A drip emitter is a sophisticated watering facility, and in the development of modern agriculture, high-efficiency agriculture, and conservation-oriented agriculture, it is among the indispensable watering measures required. Integrated water and fertilizer technology developed on this basis is currently one of the most efficient options to meet watering and fertilization needs [1,2]. In the drip-emitter system, the emitter is the core component of the outflow [3,4], and its main role is to let the pressurized water flow through the complex, curved channel structure with effective energy dissipation so that the water flow is a stable and uniform drip to the soil layer [5]. Therefore, the performance of the emitter directly affects the reliability of the drip-emitter system and the quality of watering [6].
The relationship between the emitter flow and its inlet pressure is usually expressed as [7]:
q = k · h x
where k is the flow coefficient, x is the flow state index, q is the emitter outlet flow, lph, and h is the inlet pressure of the emitter, mH2O. The flow state index reflects the sensitivity of the water flow state in the emitter to pressure changes, and its value ranges from 0 to 1. The slope of the relationship curve between the emitter flow and inlet pressure is usually used to reflect its hydraulic performance [8].
The research on the design of the emitter channel structure and energy dissipation mechanism has played a key role in promoting the development of emitters [9]. Li et al. [10] constructed a fractal flow channel with more complex channel boundaries with the help of fractal theory, which increased the channel energy dissipation rate and allowed the fluid’s pressure energy to be further consumed, representing a new channel design concept. Tian et al. [11] established a bidirectional flow channel emitter in which the water formed a variety of movements such as diversion, hedging, and mixing, which achieved a significant energy dissipation effect. Additionally, they showed that the larger the ratio of the reverse flow to the forward flow, the better the hydraulic performance of the emitter. Li et al. [12] proposed an improved bidirectional flow channel emitter, which consumed the energy of the water body mainly through the mutual mixing of positive and negative bidirectional flows and the contraction of the cross-sectional dimensions. Its minimum flow can be as low as 1.50 lph under the inlet pressure of 10 mH2O. Wang et al. [13,14] researched a two-ways mixed flow emitter and showed that the special design of the channel could lead to the formation of rapid turning flow, forward and reverse bidirectional flow, and hedge mixing flow, etc., which increased the energy dissipation of the water movement. The turbulence intensity of the channel mostly ranged from 0.1 and 0.4, higher turbulence intensity indicated more energy consumption in the channel. Xing et al. [15] proposed a ladder-shaped perforated drip emitter, which consumed energy mainly through the hedging of two streams of water formed by scaled perforated plates. Its flow state index is 0.4665–0.5266, with excellent hydraulic performance. Wang et al. [16,17,18,19,20,21] concluded that the vortex zone plays a positive role in energy dissipation, and the more fully the vortex zone is developed, the more beneficial it is to improving the energy dissipation effect, which was considered to be intrinsic to improved hydraulic performance.
At present, most of research is limited to the channel structure parameters related to the emitter hydraulic performance of the relationship; the emitter energy dissipation mechanism has been researched less often. On the other hand, although the emitter channel structure is constantly being optimized and innovated, there is still room for improvement in hydraulic performance. Pressure compensated emitter hydraulic performance is better, but the disadvantages are that the channel structure is more complex and the moving parts age quickly [22,23]. Wang and Zhang [24,25] creatively introduced the structure of the “tesla valve” into the design of the emitter channel, although its structural parameters and the energy dissipation mechanism were not elaborated. In view of this, this paper refers to the structure of the “tesla valve” proposed by physicist Nicholas Tesla in 1920 [26]. By changing the structural parameters so they were suitable for emitter requirements, a tesla-shaped emitter was formed. Its advantages include a simple channel structure, no internal moving parts, and superior hydraulic performance. Taking the pressure–flow relationship curve slope and the flow (design flow) under 10 mH2O inlet pressure as the hydraulic performance indicators, the orthogonal test method was applied to analyze the correlation between channel structure parameters and the hydraulic performance of the emitter through CFD numerical simulation technology. From the flow ratio of the main channel and secondary channel, the flow field distribution and head loss in the channel unit were used to explore the energy dissipation mechanism of the tesla-shaped emitter in order to provide a theoretical basis for the design and optimization of the emitter channel.

2. Computational Models and Methods

2.1. Physical Models and Design of Experiments

The tesla-shaped labyrinth emitter channel structure is shown in Figure 1. The test referred to the emitter channel size used by Xinjiang Tianye Group’s lateral emitter belt [27], with a fixed channel depth of 1 mm and a channel width of not less than 1 mm. Taking the diverter sizes L1, L2, L3, and θ for the channel structure parameters, the emitter of the pressure–flow relationship curve slope and flow expected requirements as the basis for the structural parameters, we determined the value range through a numerical simulation pre-test. Four levels were taken for each parameter, and the experimental factor level design is shown in Table 1. To represent as comprehensive a test as possible and to reduce the number of tests, an orthogonal tests design [28,29] was used to arrange the numerical simulation scheme. Regardless of the interaction among the factors, the factors were considered independent of each other, and the orthogonal test table L16(45) was selected.

2.2. Governing Equations

In this paper, we used FLUENT 19.2 software [30,31,32,33,34] to simulate the water flow inside the tesla-shaped emitter channel, without considering the compressibility, mass force, and temperature variation of the water flow. The governing equations included the continuity equation and Navier–Stokes [35]:
Continuity equation:
u i x i = 0
Navier-Stokes equation:
d u i d t = 1 ρ p x i + υ 2 u i
where ρ is the density of water, kg/m3; υ is the kinematic viscosity, m2/s; p is the fluid pressure, Pa; u i is the flow velocity tensor; and x i is the coordinate tensor.
The standard kε turbulent model (a semi-empirical turbulence model) was chosen as the most consistent when simulating the water flow in the emitter channel [36,37], and its basic transport equation is:
k equation:
( ρ k ) t + ( ρ k u i ) ( x i ) = ( x j ) [ ( μ + μ t σ k ) k ( x j ) ] + G k ρ ε
ε equation:
( ρ ε ) t + ( ρ ε u i ) ( x i ) = ( x j ) [ ( μ + μ t σ ε ) ε ( x j ) ] + ( C 1 ε ε ) k G k C 2 ε ε 2 k
Among them,
G k = μ t ( u i x j + u j x i ) u i x j
μ t = ρ C μ k 2 ε
where k is turbulent energy, J; ε is the turbulent dissipation rate; μ t is turbulent viscosity, Pa·s; t is time, s; μ is viscosity, N·s/m2; x i , x j is the coordinate tensor; and G k is the production term of turbulent energy k caused by the average velocity gradient. The empirical constants are C 1 ε = 1.44, C 2 ε = 1.92, C μ = 0.09 , σ k = 1.0, and σ ε = 1.3.

2.3. Mesh Division and Boundary Conditions

ICEM CFD 19.2 software [35] was used to mesh division the calculation model. In the labyrinth emitter channel set boundary layer to encrypt the mesh, the first layer of the boundary layer was set to 0.01 mm, and the other layers in 1.5 proportional increments for a total of six layers, with a total thickness of 0.21 mm. We used unstructured mesh [38,39], with mesh sizes of 0.15, 0.14, 0.13, 0.12, 0.11, 0.10, 0.09, 0.08, and 0.07 mm. The flow of the emitter was calculated for each when the inlet pressure was 5, 10, and 15 mH2O. Considering the calculation accuracy and efficiency, when the mesh size was 0.08 mm, the relative error between the calculated result and the adjacent mesh size was 0.34%, which was less than 0.5% [40]. We considered this mesh size to meet the calculation requirements. Therefore, in this paper, the mesh size is set to 0.08 mm and the number of mesh is between 2–2.5 million. As shown in Figure 2.
The calculations were performed using an uncoupled implicit steady-state solver, and the inlet and outlet turbulence parameters were defined by the hydraulic diameter and turbulence intensity, with the latter being 5%. The inlet boundary conditions were set to a 5–15 mH2O pressure inlet, and the outlet boundary was set to the atmospheric pressure. The wall was a non-slip boundary. For the flow in the wall area, the standard wall function [41] was used, and the wall roughness was 0.01 mm. The numerical calculation used the finite volume method to discretize the governing equations. The convection term and other parameters were discretized using the second-order upwind style, and the coupling of velocity and pressure was solved by the SIMPLE algorithm, with a convergence accuracy of 10−4.

3. Physical Model Tests

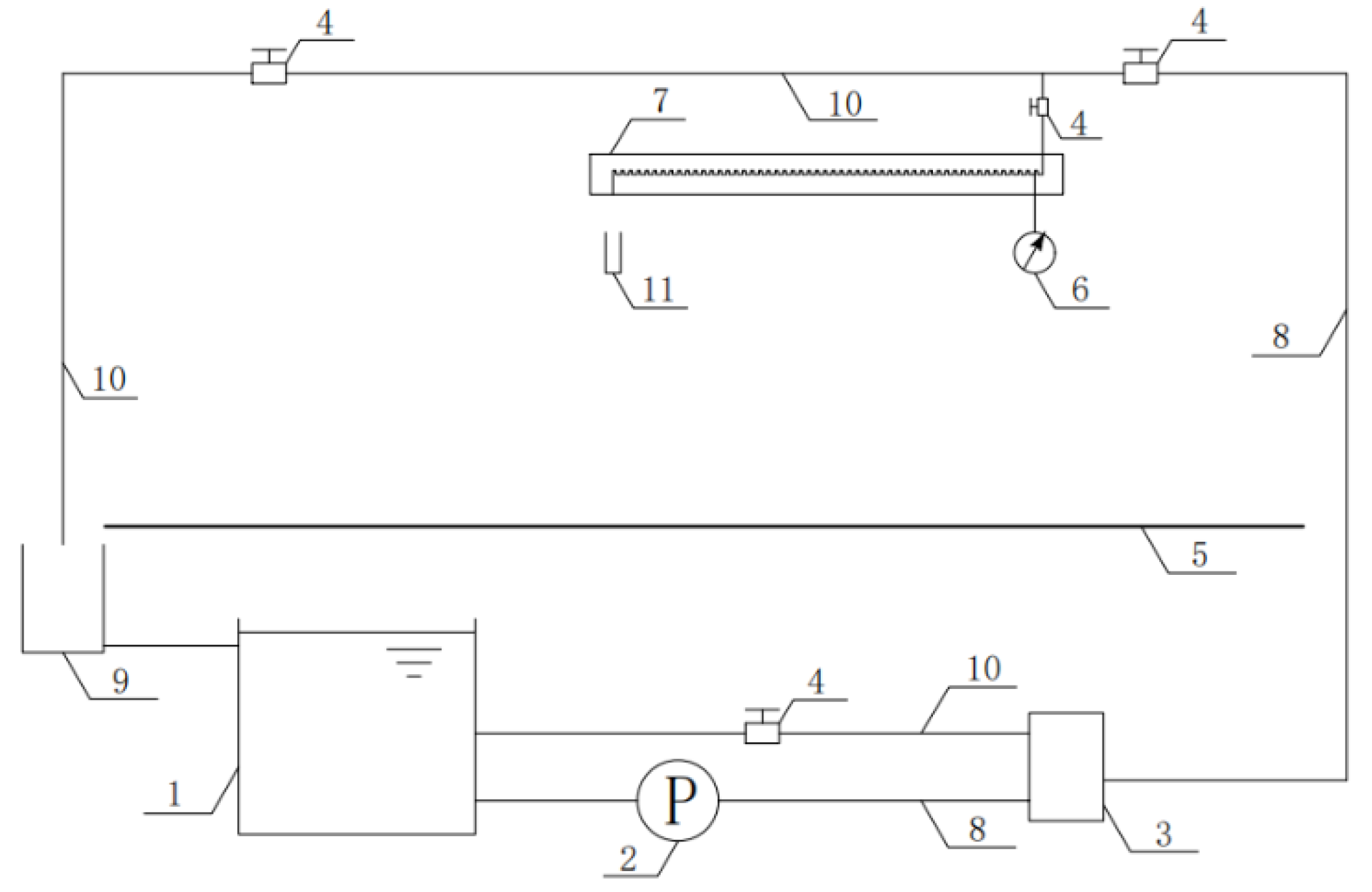
To verify the correctness of the numerical simulation, a physical model test of the tesla-shaped emitter was conducted. The model emitter channel was 1.4 mm wide, 1.0 mm deep, and 301.8 mm long. The channel prototypes were designed by AutoCAD 2018 software, and the prototypes were cut at the same scale by laser engraving machine with 0.01 mm accuracy to ensure that the prototype test matches the actual flow mechanism. Finally, the engraved channel bottom plate was covered with a cover plate and the two acrylic plates were joined together using bolts. The channel model is shown in Figure 3, and the schematic diagram of the test system is shown in Figure 4. The entire test setup is shown in Figure 5.
The physical quantities tested in the experiment were the inlet pressure and outlet flow of the emitter. The inlet pressure was measured by a 0.25-grade pressure gauge with a maximum range of 0.16 MPa and an accuracy of 0.0005 MPa, and the flow was measured with 200 and 500 mL measured cylinders according to the outlet flow. The test was in accordance with the test specification of Micro-Emitter Irrigator-Dripper (SL/T67.1-94) [42]. The flow was measured twice under each inlet pressure, the time taken for each flow measurement was no less than 2 min, the difference between the two measured flows was no more than 2%, and the average value of two times was taken as the outlet flow (lph).
Numerical simulation and model test results are shown in Table 2 and Figure 6. It can be seen from Table 2 that the maximum error between them was 1.44%. From the data in Table 2, the significance level between the results of the numerical simulation and the physical model test was analyzed. We calculated the root-mean-square error (RMSE) as 0.063; the Nash–Sutcliffe efficiency (NSE) as 0.938; and the coefficient of determination (R2) as 0.999. We can see that [43] the value of RMSE is very small and the values of NSE and R2 are very close to 1, so the fitting effect of the two sets of data is good, indicating that the experimental operation, the mesh division and the selection of the computational model were reliable.

4. Results and Analysis

According to the statistical requirements of the experimental design of the orthogonal test table L16(45), we selected the 1, 2, 4, and 5 columns in the orthogonal table to arrange the test factors and carried out 16 groups of simulations. We analyzed the simulation results of the emitter flow field under each structural parameter in the range of 5 to 15 mH2O inlet pressure, calculated the flow coefficient k and flow state index x, and fitted to obtain the pressure–flow relationship curve. The pressure–flow relationship curve slope for each emitter at different working pressures was calculated according to [44]:
q = k · x · h x 1
The orthogonal test protocol and test results are shown in Table 3.

4.1. Orthogonal Test Analysis

4.1.1. Extreme Deviations Analysis

Through the extreme deviations analysis, the influence of the test factor level on the test index could be obtained, so as to find the best level of the factor, as well as the order of factor influence, by comparing the extreme deviations values. The results of the extreme deviations analysis are shown in Table 4.
From Table 4, it is clear that for the test index: curve slope and flow, the magnitude of the extreme deviation values of the factors were RC > RD > RA > RB and RA > RC > RB > RD, respectively. Therefore, the influence order of each factor on the curve slope was: L3 > θ > L1 > L2, and the influence order on the flow was: L1 > L3 > L2 > θ.
The optimal combination of factors was further analyzed based on the principle that when the test index is smaller, the factors should be taken so that the test index reaches the minimum level. For this test index, the optimal level combination of each factor was A1B2C1D4, and the optimal combination of the corresponding channel structure parameters was 0.3 mm for L1, 2.3 mm for L2, 2.4 mm for L3, and 120° for θ. However, this optimal combination did not appear in the orthogonal test table, which precisely reflected the superiority of the orthogonal design. According to the optimal combination of the above parameters ‘design emitter channel, through numerical analysis, the curve slope of 0.0887 and the flow of 2.6078 lph were superior. These values were less than the orthogonal test design 16 channel simulation results of the curve slope of the minimum value of 0.0921 (group 14 results) and the minimum value of the flow of 2.6500 lph (group 1 results), indicating that the orthogonal test results were reasonable.

4.1.2. Variance Analysis

In order to quantitatively analyze the significance of the influence of each proposed factor on the curve slope and the flow. Take the curve slope and the flow as the dependent variables, and the channel structure parameter as the independent variables. SPSS statistical software was used for variance analysis. The variance analysis results are shown in Table 5 and Table 6.
As shown in Table 5 and Table 6, according to the significance level α = 0.05 test, only L3 had a significant impact on the curve slope, while L1 and L3 had a significant impact on the flow. According to the results of the variance analysis, the order of the factors impacting curve slope and the flow was as follows: L3, θ, L1, L2 and L1, L3, L2, θ, respectively. This was consistent with the results of the extreme deviations analysis and proved the correctness of the results of the extreme deviations analysis.

4.1.3. Multiple Linear Regression Analysis

According to the results of the numerical simulation, extreme deviations analysis, and variance analysis, the influence of different structural parameters of the channel of the tesla-shaped emitter on the curve slope and flow was quite different. The orthogonal test design in Table 3 of the 16-emitter channel curve slope and flow and channel structure parameters (L1, L2, L3, θ) differed between the corresponding data as a regression data source for multiple linear regression analysis. The results of the multiple linear regression analysis are shown in Table 7 and Table 8.
From the results of the regression model coefficients and t-tests (Table 7 and Table 8), it is clear that for the curve slope, the p-values of L3 and θ were less than 0.05, indicating that L3 and θ correlated well with the curve slope and the regression coefficients were significant. For the flow, the p-values of L1, L2, and L3 were much less than 0.05, indicating that the linear correlation between this parameter and the flow was good, and the regression coefficients were significant.
The multivariate linear regression model between the curve slope (K′), flow (q), and tesla-shaped emitter channel structure parameters at 10 mH2O inlet pressure could be obtained from Table 7 and Table 8, respectively, as follows:
K = 0.433 + 0.031 A + 0.015 B + 0.028 C 0.004 D
q = 2.432 + 0.844 A + 0.182 B + 0.251 C 0.009 D
where A is L1, mm; B is L2, mm; C is L3, mm; D is θ, °.
From the results of the linear regression variance analysis of curve slope and flow (Table 9), it can be seen that the p-value of the significance statistic of curve slope was 0.007 and the p-value of the significance statistic of flow was 0.000, both of which were much smaller than 0.05. Therefore, the constructed multiple linear regression equation of curve slope and flow had a significant regression effect.
Through the establishment of a multiple linear regression model between the tesla-shaped emitter channel structural parameters and the curve slope and flow, the quantitative predictive relationship between the structural parameters and target variables was obtained. Before finalizing the key parameters of the tesla-shaped emitter channel, the key parameters of the hydraulic performance of this type of emitter could be predicted with the help of the regression equation proposed in this study, and the predicted results determined whether further adjustments to the design parameters of the emitter channel structure were required, which will be an important guideline for the development of high-performance emitter apparatus.

4.2. Hydraulic Performance Analysis of Emitter

4.2.1. Relationship between the Flow Ratio and Hydraulic Performance

The water flow hedge zoning in the emitter channel is shown in Figure 7. In order to analyze the influence of the flow ratio between the main channel and the secondary channel on the curve slope, we defined the main channel flow as Q1, the secondary channel flow as Q2, and the total flow as q, then the flow ratio was Q1/Q2. See Table 10 for the main channel flow Q1, secondary channel flow Q2 and flow ratio Q1/Q2 for 16 groups of the orthogonal test protocol under the inlet pressure of 5, 10, and 15 mH2O.
From Table 10, it is clear that under different inlet pressures, the average variation of the secondary channel flow Q2 of each scheme was relatively small. As the inlet pressure increased, the secondary flow Q2 showed an increase, followed by a decrease (e.g., Group 4 and Group 9, etc.) or a continuous decrease (e.g., Group 1 and Group 2, etc.), and there was no consistent change rule. As the inlet pressure increased, the main channel flow Q1 and flow ratio Q1/Q2 both increased; that is, the ratio of the main channel to the secondary channel through the flow increased. Compared with the 5 mH2O inlet pressure, the main channel flow Q1 and flow ratio Q1/Q2 increased by 50.26% and 50.36%, respectively, on average at a 10 mH2O inlet pressure, and increased by 96.57% and 128.51%, respectively, on average at a 15 mH2O inlet pressure. Combining the curve slope for the 16 combinations of channels in Table 3 at 10 mH2O inlet pressure, the correspondence between the flow ratio Q1/Q2 and the curve slope could be obtained, see Figure 8. It is clear that with the increase of the flow ratio Q1/Q2, the curve slope gradually decreased, indicating that the larger the flow ratio of the main channel flow Q1 to the secondary channel flow Q2, the stronger the mixing effect tended to be, and then the better the hydraulic performance, and vice versa.

4.2.2. Analysis of the Flow Field in the Channel of the Emitter

Based on the flow ratio, we further extracted the flow field in the channel of the emitter in order to explore more deeply the reasons for the improved hydraulic performance of such emitters, and the energy dissipation mechanism from the flow field perspective. The tesla-shaped emitter flow field and energy dissipation mechanism was similar between different structural schemes. In order to make the analysis representative, the flow field and energy dissipation mechanism of the emitter channel scheme 4 with intermediate hydraulic performance were selected to analyze the flow field and energy dissipation mechanism. Figure 9 and Figure 10 show the streamline diagram and pressure distribution cloud diagram in the channel of scheme 4. As can be seen from Figure 9, the existence of vortices in the secondary channel divides the water flow in the secondary channel into two parts: the main flow zone and the vortex zone. The flow velocity is higher in the main flow (i.e., the green streamline), while the flow velocity is lower at the vortex zone (as shown in the blue streamline). Analyzed from the vortex point of view, the flow velocity at the boundary of the vortex is the maximum flow velocity in the entire vortex area. The closer to the center of the vortex, the smaller the flow velocity of the water, until the center of the vortex, the flow velocity is almost zero. The vortex from the inside to the outside of the flow velocity size and direction changed constantly, so that the water flow produced a large disturbance. Under the diversion effect of the channel, the water was divided into two water flows: the main flow and secondary flow. Due to the bending of the channel the main flow changed its original flow direction and hedged and mixed with the water flowing out of the secondary channel. The development of the vortex, friction between the layers of water flow, the collision between the water flow and the side wall (channel bend), and the effect of water hedging, mixing and so on, increases the diversity of the local head loss of the water flow. These comprehensive effects made the water flow in the emitter stable and uniformly drip out, improving the hydraulic performance of the emitter. This is also the core content of this type of emitter energy dissipation and stable flow. From Figure 10, we can see the pressure inside the channel was significantly reduced after the convergence of the main flow and the secondary flow, which further indicated that the hedging of the two water flows could produce relatively large head loss and achieve a good energy dissipation effect.
Further analysis of the local flow velocities at the inlet and outlet within the channel unit of scheme 4 was performed, and the flow velocity parameters are shown in Table 11. It is clear that when the inlet pressure increased from 5 mH2O to 10 mH2O, the increase of flow velocity in the main channel was significantly larger than the increase of flow velocity in the secondary channel. Compared with the inlet pressure of 10 mH2O, at the inlet pressure of 15 mH2O, the flow velocity in the main channel still increased significantly, but the flow velocity in the secondary channel decreased, making the flow ratio of the two water flows increase. Combined with the above analysis of the flow ratio, we confirmed that the larger the flow ratio, the better the hydraulic performance. Therefore, in the design of the channel, through a moderate increase in the main channel cross-section size and other ways to increase the main channel flow, a better energy dissipation effect and improved hydraulic performance of the emitter could be achieved.

4.2.3. Quantitative Analysis of the Channel Energy Dissipation Effect

In order to further verify the energy dissipation effect of the channel, the energy dissipation effect of the emitter channel structure was quantitatively calculated by referring to the pipe head loss calculation formula and method. According to the hydraulic theory and the energy loss superposition principle, the head loss of the channel could be obtained, and its calculation formula can be expressed as [45]:
h = N λ l 4 R + j = 1 4 ζ j v 2 2 g = N ζ v 2 2 g
We defined ζ = λ l 4 R + j = 1 4 ζ j as the channel unit loss coefficient.
Therefore, the emitter channel unit loss coefficient can be obtained as:
ζ = 2 g h A 2 N q 2
where ζ j is the local head loss coefficient for a single corner; v is the average flow velocity, m/s; g is the acceleration of gravity, 9.81 m/s2; λ is the coefficient of friction; l is the length of the channel unit, m; R is the hydraulic radius of the channel, m; A is the cross-sectional area of the channel, m2; and N is the number of units.
The emitter channel unit loss coefficient was calculated by Formula (10), and the results are shown in Table 12. It is clear that the channel unit loss coefficient increased with the increase of the working pressure, and the loss coefficients generated inside the channel in the working pressure range of 5 to 15 mH2O for the 16 groups of test schemes were 4.5769–8.1716. The loss coefficient of the current commonly used emitter channel structure is 2.1000–4.8400 [46]; therefore, from the perspective of theoretical calculation, the energy dissipation effect of the tesla-shaped emitter was 68.83–117.95% higher.

5. Discussion

The outlet flow, the pressure–flow relationship curve slope of the emitter and the energy loss in the channel reflect the hydraulic performance of the emitter. The smaller the pressure–flow curve slope (the weaker the sensitivity of the flow to pressure), and the smaller the outlet flow at the same inlet pressure, the greater the water flow energy loss in the channel unit the better the hydraulic performance of the emitter.
This paper referred to the structure of the “tesla valve” by changing the channel structure parameters of the design of the emitter, forming a tesla-shaped emitter. From the perspectives of an orthogonal test, flow ratio, and flow field, the correlation among the channel structure parameters, hydraulic performance, and energy dissipation mechanism of the tesla-shaped emitter was analyzed.
The results of the physical model test verification of the tesla-shaped emitter showed that the maximum error between the numerical simulation and the model test was 1.44%, proving the correctness of the mesh division and the selection of the computational model. We found that the results of the model tests were always smaller than the numerical simulations, which may have been caused by the model side walls not being smooth enough. Therefore, we tried to make the side wall of the physical model smoother, and compared with Xing et al. [18], the size of the error between the two was reduced, though not completely eliminated. Also, during the test, the water temperature will fluctuate by 1–2° and the system pressure will show small deviations. On the other hand, when the simulations were performed, the simulated water had to be constant, which was difficult to achieve in practice. Additionally, the room temperature in the laboratory cannot be kept constant and there are human influences on the reading. These factors potentially result in errors in the physical experiments.
In this paper, four key parameters of the tesla-shaped emitter channel were extracted, and orthogonal tests were conducted. The optimal combination of tesla-shaped emitter channel parameters was 0.3 mm for the secondary channel length (L1), 2.3 mm for the main channel outlet section length (L2), 2.4 mm for the main channel inlet section length (L3), and 120° for the angle between the main channel outlet section and the secondary channel (θ). In the orthogonal test, when the value of the parameter design L1 of scheme 4 was 0.3 mm, and the width of the main channel inlet could be taken to the maximum value of 1.2598 mm, more water could flow into the main channel, thereby obtaining a larger flow ratio. This also explained why the parameter L1 was taken as 0.3 mm in the orthogonal test; it was the optimal parameter design for the emitter.
According to the significance level α = 0.05 test, the order of magnitude of the impact of the channel structure parameters on the curve slope of the emitter was as follows: the main channel inlet section length (L3), the angle between main channel outlet section and secondary channel (θ), the secondary channel length (L1), and the main channel outlet section length (L2). Among them, the main channel inlet section length (L3) had a significant impact on the curve slope. The order of magnitude of the impact of structural parameters on flow was as follows: the secondary channel length (L1), the main channel inlet section length (L3), the main channel outlet section length (L2), and the angle between the main channel outlet section and secondary channel (θ). Among them, the secondary channel length (L1) and the main channel inlet section length (L3) had a significant impact on flow. Based on the numerical simulation results of the orthogonal test scheme, a multiple linear regression mathematical model could be constructed to quantitatively describe the relationship between the flow and the pressure–flow curve slope (at 10 mH2O inlet pressure) and the channel structure parameters, respectively.
The larger the flow ratio (Q1/Q2), the lower the pressure–flow relationship curve slope, and the better the hydraulic performance. This is because the energy dissipation of the tesla-shaped emitter is mainly due to the hedging of the two water flows, Q1 and Q2. If only the bends of the channel are used, the energy dissipation effect will be greatly reduced. The main reasons are as follows: 1. the energy dissipation method of water flow diversion will be lost. 2. The hedging energy dissipation effect of the two-water flow will be lost. 3. We found that due to the existence of the secondary channel, part of the water flow can generate circulating flow in the main channel and the secondary channel. This also improves the hydraulic performance of the emitter. Combining these three reasons, using only turns will reduce the hydraulic performance of the emitter.
Under the same channel structure parameters, as the inlet pressure increased, the flow ratio increased, and the curve slope decreased. From the perspective of velocity analysis, the inlet pressure increased, the main channel flow velocity increased greatly, and the secondary channel flow velocity appeared to first increase and then decrease; that is, the “hedging” effect refers to the “obstruction” effect of Q1 on Q2. Therefore, the structural parameters could be further adjusted to increase this “obstruction” effect, or even create the reverse flow phenomenon of Q2, allowing us to study the effect on the hydraulic performance. Guo. [14] conducted research on two-way counter flow emitters and believes that the closer the flow ratio of forward and reverse flow is to 1, the better the hydraulic performance of the emitter. The reason for the different conclusions is that the structural design of the two-way counter flow emitter makes the two water flows purely rely on the hedging effect to dissipate energy. The tesla-shaped emitter is the “obstruction” effect of Q1 on Q2, even this “obstruction” effect will make the water flow to circulate in the main channel and secondary channel. This is the most important point in which the tesla-shaped emitter differs from other emitters, and subsequently needs to be studied in further depth.

6. Conclusions

In this paper, through a tesla-shaped emitter flow field simulation and analysis of the results, the effect of the channel structure parameters on the hydraulic performance of the emitter was ascertained, and the energy dissipation mechanism of the channel was revealed from the perspective of the flow ratio and flow field. The obtained optimal combination of channel parameters and the influence order of each parameter on the curve slope and the flow provide a reference for the subsequent optimization and application of the tesla-shaped emitter. Through the calculation of the tesla-shaped emitter channel unit loss coefficient of 4.5769–8.1716, the energy dissipation effect was significant, with an excellent hydraulic performance. The hedge mixing of the water flow was the core of the tesla-shaped emitter energy dissipation. By appropriately increasing the size of the main channel inlet and using other ways to increase the main channel flow, which optimized the flow ratio, we could improve the mixing, and thus help to improve the hydraulic performance of the emitter.

Author Contributions

P.D. edited the original draft; Z.L. reviewed and edited the draft; R.H. provided software guidance; J.M. provided the funding; and D.Y. conducted the investigation. All authors have read and agreed to the published version of the manuscript.

Funding

This work was supported by the National Natural Science Foundation of China (52079085).

Data Availability Statement

The data that support the findings of this study are available from the corresponding author upon reasonable request.

Acknowledgments

The authors thank the College of Water Resources Science and Engineering for providing the site for the experiment and data collection.

Conflicts of Interest

The authors declare no conflict of interest.

References

  1. Liu, X.; Ma, L.; Li, J.; Yang, R.; Liu, Y.; Zi, H. Effect of drip fertigation on lycium yield and quality in sandy land in northern shaanxi. J. Irrig. Drain. 2020, 39, 13–16, 25, (In Chinese with English Abstract). [Google Scholar]
  2. Luo, L.; Wang, H.; Zhang, X.; Zhang, Q.; Li, B. Effect of fertilizer type and concentration on hydraulic performance of drip fertigation system. Water Sav. Irrig. 2021, 10, 57–60, (In Chinese with English Abstract). [Google Scholar]
  3. Wei, Z.; Cao, M.; Liu, X.; Tang, Y.; Lu, B. Flow behaviour analysis and experimental investigation for emitter micro-channels. Chin. J. Mech. Eng. 2012, 25, 729–737. [Google Scholar] [CrossRef]
  4. Zhang, C.; Kang, Y.; Jiang, S.; Wan, S.; Liu, S. Assessment of hydraulic performance of drip-irrigation emitters at low head pressures. J. Irrig. Drain. Eng. 2011, 137, 730–734. [Google Scholar] [CrossRef]
  5. Gil, M.; Rodríguez-Sinobas, L.; Juana, L.; Sánchez., R.; Losada, A. Emitter discharge variability of subsurface drip irrigation in uniform soils: Effect on water-application uniformity. Irrig. Sci. 2008, 26, 451–458. [Google Scholar] [CrossRef]
  6. Mangrio, A.G.; Asif, M.; Ahmed, E.; Sabir, M.W.; Khan, T.; Jahangir, I. Hydraulic performance evaluation of pressure compensating (pc) emitters and micro-tubing for drip irrigation system. Sci. Technol. Dev. 2013, 32, 290–298. [Google Scholar]
  7. Guo, Y. Farmland Water Conservancy; China Water Power Press: Beijing, China, 2007. [Google Scholar]
  8. Zhang, L.; Merkley, G.P. Relationships between common irrigation application uniformity indicators. Irrig. Sci. 2012, 30, 83–88. [Google Scholar] [CrossRef]
  9. Guo, L.; Bai, D.; Wang, X.; He, J.; Zhou, W.; Cheng, P. Numerical simulation and verification of hydraulic performance and energy dissipation mechanism of two-ways mixed flow emitter. Trans. CSAE 2017, 33, 100–107, (In Chinese with English Abstract). [Google Scholar]
  10. Li, Y.; Yang, P.; Ren, S.; Lei, X.; Wu, X.; Guan, X. Effects of fractal flow path designing and its parameters on emitter hydraulic performance. Trans. CSAM 2007, 43, 109–114, (In Chinese with English Abstract). [Google Scholar] [CrossRef]
  11. Tian, J.; Bai, D.; Yu, F.; Wang, X.; Guo, L. Numerical simulation of hydraulic performance on bidirectional flflow channel of drip irrigation emitter using fluent. Trans. CSAE 2014, 30, 65–71, (In Chinese with English Abstract). [Google Scholar]
  12. Li, J.; Zhou, Y.; Shi, K. Research on the parametric design of improved bidirectional drip irrigation emitter. Chin. Rural. Water. Hydrop. 2020, 7, 108–112, (In Chinese with English Abstract). [Google Scholar]
  13. Wang, X.; Bai, D.; Guo, S. Research on the energy dissipation regime of bidirectional flow channel in drip irrigation emitter with piv. Chin. J. Hydrod. 2019, 34, 401–410, (In Chinese with English Abstract). [Google Scholar]
  14. Guo, L. Study on Hydraulic Characteristic and Flow Channel Structural Optimization of Two-Ways Mixed Flow Emitter in Drip Irrigation. Ph.D. Thesis, Xi’an University of Technology, Xi’an, China, 2018. [Google Scholar]
  15. Xing, S.; Wang, Z.; Zhang, J.; Liu, N.; Zhou, B. Simulation and verification of hydraulic performance and energy dissipation mechanism of perforated drip irrigation emitters. Water 2021, 13, 171. [Google Scholar] [CrossRef]
  16. Wang, C.; Li, Z.; Ma, J. Influence of emitter structure on its hydraulic performance based on the vortex. Agriculture 2021, 11, 508. [Google Scholar] [CrossRef]
  17. Feng, J.; Li, Y.; Wang, W.; Xue, X. Effect of optimization forms of flow path on emitter hydraulic and anti-clogging performance in drip irrigation system. Irrig. Sci. 2018, 36, 37–47. [Google Scholar] [CrossRef]
  18. Men, Y.; Li, Z. The effect of flow on the vortex of rectangular labyrinth emitter. J. Taiyuan Univ. Technol. 2015, 46, 465–469, (In Chinese with English Abstract). [Google Scholar]
  19. Ma, Y. Numerical analysis of the effect of vortex on flow pattern of emitter with labyrinth flow channel. Water Sav. Irrig. 2021, 3, 73–78, (In Chinese with English Abstract). [Google Scholar]
  20. Al-Muhammad, J.; Tomas, S.; Anselmet, F. Modeling a weak turbulent flow in a narrow and wavy channel: Case of micro-irrigation. Irrig. Sci. 2016, 34, 361–377. [Google Scholar] [CrossRef]
  21. Zhao, X. Water and Particle Simulation and Energy Consumption Analysis Based on Cfd-Dem Labyrinth Runner Emitter. Master’s Thesis, Kunming University of Science and Technology, Kunming, China, 2018. [Google Scholar]
  22. Hou, J.; Zhang, E.; Sun, Y.; Zhang, L.; Zhou, K. Structural optimization and performance analysis of button pressure-compensating emitters. Trans. CSAE 2022, 38, 100–108, (In Chinese with English Abstract). [Google Scholar]
  23. Wei, Z.; Ma, S.; Zhou, X.; Fan, W. Influence factors on hydraulic performance of pressure-compensating emitter. Trans. CSAE 2015, 31, 19–25, (In Chinese with English Abstract). [Google Scholar]
  24. Wang, Z.; Xing, S.; Liu, N.; Li, W. A Drip Irrigation Irrigator and Irrigation System with It. Patent CN 112056181A, 11 December 2020. [Google Scholar]
  25. Zhang, Z.; Lv, M. A Drip Irrigator Based on the Tesla Valve Principle. Patent CN 216722443U, 14 June 2022. [Google Scholar]
  26. Tesla, N. Valvular Conduit. Patent US 1329559, 3 February 1920. [Google Scholar]
  27. Available online: www.xj-tianye.com/jscp/853.jhtml (accessed on 14 June 2023).
  28. Xu, T.; Zhang, L. Hydraulic performance and energy dissipation effect of pit structure flow channel emitter. IFAC-PapersOnLine 2019, 52, 143–148. [Google Scholar] [CrossRef]
  29. Hong, W. Experimental Design and Statistical Analysis; China Agricultural Press: Beijing, China, 2009. [Google Scholar]
  30. Xing, S. Research on Hydraulic Performance of Ladder-Shaped Perforated Drip Irrigation Emitters. Master’s Thesis, Shihezi University, Shihezi, China, 2021. [Google Scholar]
  31. Wu, S. Study on the Hydraulic Performmance of Two-Way Flow Column. Master’s Thesis, Xi’an University of Technology, Xi’an, China, 2020. [Google Scholar]
  32. Wang, Y.; Li, W.; He, T.; Han, C.; Zhu, Z.; Lin, Z. The effect of solid particle size and concentrations on internal flow and external characteristics of the dense fine particles solid–liquid two-phase centrifugal pump under low flow condition. Aip. Adv. 2021, 11, 85309. [Google Scholar] [CrossRef]
  33. Pan, L.; Wang, Q.; He, Z. Practical Multiphase Flow Numerical Simulation: Ansys Fluent Multiphase Flow Model and Its Engineering Applications; Science Press: Beijing, China, 2020. [Google Scholar]
  34. Wu, X.; Su, P.; Wu, J.; Zhang, Y.; Wang, B. Research on the relationship between sediment concentration and centrifugal pump performance parameters based on cfd mixture model. Energies 2022, 15, 7228. [Google Scholar] [CrossRef]
  35. Li, C.; Li, Z.; Du, P.; Ma, J.; Li, S. Mechanism analysis of the influence of structural parameters on the hydraulic performance of the novel y-shaped emitter. Agriculture 2023, 13, 1160. [Google Scholar] [CrossRef]
  36. Kang, M. Influence of Double Internal Tooth Parameters on Hydraulic Performance of Labyrinth Irrigation Device. Master’s Thesis, Taiyuan University of Technology, Taiyuan, China, 2018. [Google Scholar]
  37. Zhang, C.; Niu, Y.; Liu, X. Numerical simulation of influence tooth angle on hydraulic characteristics of labyrinth emitter. J. Drain. Irrig. Mach. Eng. 2022, 40, 751–756, (In Chinese with English Abstract). [Google Scholar]
  38. Zhai, Y.; Wu, W.; Wang, Z.; Hu, Y.; Xu, H. Analysis of the effect of pressure on hydraulic and anti-clogging performance of the flow channel unit of the irrigator based on ansys fluent software. Water Sav. Irrig. 2022, 10, 47–53, 59, (In Chinese with English Abstract). [Google Scholar]
  39. Yang, B.; Zhang, G.; Wang, J.; Gong, S.; Wang, H.; Mo, Y. Numerical simulation of hydraulic performance of tooth-form channel of labyrinth emitter. J. Irrig. Drain. 2019, 38, 71–76, (In Chinese with English Abstract). [Google Scholar]
  40. Xu, T.; Zhang, L. Influence and analysis of structure design and optimization on the performance of a pit drip irrigation emitter. Irrig. Drain. 2020, 69, 633–645. [Google Scholar] [CrossRef]
  41. Yu, L.; Wu, P.; Niu, W.; Fan, X.; Zhang, L. Influence of angle of labyrinth channels on hydraulic performance of emitter. Trans. CSAE 2009, 40, 63–67, (In Chinese with English Abstract). [Google Scholar]
  42. Feng, G. Compilation of Water Conservancy Technical Standards—Irrigation and Drainage Volume; China Water Power Press: Beijing, China, 2002. [Google Scholar]
  43. Moriasi, D.N.; Arnold, J.G.; Van Liew, M.W.; Bingner, R.L.; Veith, T.L. Model evaluation guidelines for systematic quantification of accuracy in watershed simulations. Trans. ASABE 2007, 50, 885–900. [Google Scholar] [CrossRef]
  44. Du, P.; Li, Z.; Wang, C.; Ma, J. Analysis of the influence of the channel layout and size on the hydraulic performance of emitters. Agriculture 2022, 12, 541. [Google Scholar] [CrossRef]
  45. Wu, C. Hydraulics; Higher Education Press: Beijing, China, 2007. [Google Scholar]
  46. Guo, L.; Bai, D.; Wang, X.; He, J.; Zhou, W.; Cheng, P. Hydraulic performance and energy dissipation effect of two-ways mixed flow emitter in drip irrigation. Trans. CSAE 2016, 32, 77–82, (In Chinese with English Abstract). [Google Scholar]
Figure 1. Channel key structural parameters. Notes: 1, main channel; 2, secondary channel; L1, secondary channel length, mm; L2, main channel outlet section length, mm; L3, main channel inlet section length, mm; θ, the angle between main channel outlet section and secondary channel, °.
Figure 1. Channel key structural parameters. Notes: 1, main channel; 2, secondary channel; L1, secondary channel length, mm; L2, main channel outlet section length, mm; L3, main channel inlet section length, mm; θ, the angle between main channel outlet section and secondary channel, °.
Energies 16 05375 g001
Figure 2. Mesh division.
Figure 2. Mesh division.
Energies 16 05375 g002
Figure 3. Channel model.
Figure 3. Channel model.
Energies 16 05375 g003
Figure 4. Test system. Notes: 1, water tank; 2, water pump; 3, surge tank; 4, pressure regulating valve; 5, test bench; 6, precision pressure gauge; 7, test model; 8, supply water pipeline; 9, collecting tank; 10, return water pipeline; 11, measuring cylinder.
Figure 4. Test system. Notes: 1, water tank; 2, water pump; 3, surge tank; 4, pressure regulating valve; 5, test bench; 6, precision pressure gauge; 7, test model; 8, supply water pipeline; 9, collecting tank; 10, return water pipeline; 11, measuring cylinder.
Energies 16 05375 g004
Figure 5. Entire test setup.
Figure 5. Entire test setup.
Energies 16 05375 g005
Figure 6. Comparison of the model test and numerical simulation results.
Figure 6. Comparison of the model test and numerical simulation results.
Energies 16 05375 g006
Figure 7. Water hedge zoning. Notes: 1, diversion zone; 2, vortex zone; 3, hedge and mix zone; q, total flow; Q1, main channel flow; Q2, secondary channel flow.
Figure 7. Water hedge zoning. Notes: 1, diversion zone; 2, vortex zone; 3, hedge and mix zone; q, total flow; Q1, main channel flow; Q2, secondary channel flow.
Energies 16 05375 g007
Figure 8. The relationship between the flow ratio–curve slope at 10 mH2O inlet pressure.
Figure 8. The relationship between the flow ratio–curve slope at 10 mH2O inlet pressure.
Energies 16 05375 g008
Figure 9. Scheme 4 streamline diagram.
Figure 9. Scheme 4 streamline diagram.
Energies 16 05375 g009
Figure 10. Scheme 4 pressure distribution cloud diagram.
Figure 10. Scheme 4 pressure distribution cloud diagram.
Energies 16 05375 g010
Table 1. Test factor levels.
Table 1. Test factor levels.
LevelsFactors
ABCD
10.32.12.4117
20.42.32.6118
30.52.52.8119
40.62.73.0120
Notes: A, L1, mm; B, L2, mm; C, L3, mm; D, θ, ° (the same below).
Table 2. Tesla-shaped emitter flow error percentage.
Table 2. Tesla-shaped emitter flow error percentage.
MethodPressure h (mH2O)
5.887.528.9410.3711.8013.2314.66
Numerical simulation (lph)4.795.556.106.587.067.327.65
Model test (lph)4.865.616.146.627.077.387.76
Error (%)1.441.070.650.600.140.811.42
Table 3. Orthogonal test protocol and test results.
Table 3. Orthogonal test protocol and test results.
GroupsTest ProtocolTest Results
A (mm)B (mm)C (mm)D (°)Curve SlopeFlow (lph)
10.32.12.41170.09302.6500
20.32.32.61180.10172.7048
30.32.52.81190.10762.7955
40.32.73.01200.10972.8858
50.42.12.81200.10362.8630
60.42.33.01190.11372.9297
70.42.52.41180.10622.8314
80.42.72.61170.11332.9119
90.52.13.01180.12143.0262
100.52.32.81170.11252.9294
110.52.52.61200.09452.8815
120.52.72.41190.11993.0423
130.62.12.61190.10802.9499
140.62.32.41200.09212.8770
150.62.53.01170.13553.1636
160.62.72.81180.11463.0567
Note: The curve slope is the pressure–flow relationship curve slope under the inlet pressure of 10 mH2O.
Table 4. Analysis of the extreme deviations of the orthogonal test factors.
Table 4. Analysis of the extreme deviations of the orthogonal test factors.
Test FactorsA (mm)B (mm)C (mm)D (°)
Curve slopeX10.10300.10650.10280.1136
X20.10920.10500.10440.1110
X30.11210.11100.10960.1123
X40.11260.11440.12010.1000
Ri0.00960.00940.01730.0136
FlowK12.75902.87232.85022.9137
K22.88402.86022.86202.9048
K32.96992.91802.91122.9294
K43.01182.97423.00132.8768
Rj0.25280.11400.15110.0526
Note: “Ri” and “Rj” represent the extreme deviation of each factor.
Table 5. Variance analysis of the effect of channel structure parameters on the curve slope.
Table 5. Variance analysis of the effect of channel structure parameters on the curve slope.
SourceType III Sum of SquaresDegree of FreedomMean Square SumFp
Correction model0.001 a120.0001.6570.375
Intercept0.19110.1912355.1720.000
L10.00037.507 × 10−50.9280.524
L20.00037.193 × 10−50.8890.537
L30.00130.0002.9200.021
θ0.00030.0001.8920.307
Error0.00038.093 × 10−5
Total0.19216
Total after correction0.00215
Note: “a” in the table means R2 = 0.869 (adjusted R2 = 0.648).
Table 6. Variance analysis of channel effect of structure parameters on the flow.
Table 6. Variance analysis of channel effect of structure parameters on the flow.
SourceType III Sum of SquaresDegree of FreedomMean Square SumFp
Correction model0.244 a120.0207.0520.067
Intercept135.1331135.13346,865.2160.000
L10.14930.05017.2740.021
L20.03230.0113.7110.155
L30.05730.0196.5490.039
θ0.00630.0020.6740.623
Error0.00930.003
Total135.38616
Total after correction0.25315
Note: “a” in the table means R2 = 0.966 (adjusted R2 = 0.829).
Table 7. Curve slope regression model coefficients and t-test.
Table 7. Curve slope regression model coefficients and t-test.
ModelUnstandardized Regression Coefficient BStandardized Regression Coefficient βStandard Errortp
Constant term0.433 0.1912.3200.041
L10.0310.3200.0161.9330.079
L20.0150.3050.0081.8420.093
L30.0280.5850.0083.5350.005
θ−0.004−0.4020.002−2.4330.033
Table 8. Flow regression model coefficients and t-test.
Table 8. Flow regression model coefficients and t-test.
ModelUnstandardized Regression Coefficient BStandardized Regression Coefficient βStandard Errortp
Constant term2.432 1.4401.6890.119
L10.8440.7510.1207.0320.000
L20.1820.3230.0603.0280.011
L30.2510.4470.0604.1860.002
θ−0.009−0.0770.012−0.7170.488
Table 9. Linear regression analysis of variance results.
Table 9. Linear regression analysis of variance results.
CoefficientDegree of Freedom DFSquare Sum SSMean Square Error MSFp
Curve slopeRegression analysis40.0010.0006.3860.007
Residuals110.0010.000
Total150.002
FlowRegression analysis40.2210.05519.1630.000
Residuals110.0320.003
Total150.253
Table 10. Main channel flow, secondary channel flow, and flow ratio at the 5, 10, 15 mH2O inlet pressure.
Table 10. Main channel flow, secondary channel flow, and flow ratio at the 5, 10, 15 mH2O inlet pressure.
Groups5 mH2O10 mH2O15 mH2O
Q1Q2Q1/Q2Q1Q2Q1/Q2Q1Q2Q1/Q2
11.26660.81111.56151.91200.73802.59072.46140.59404.1440
21.26020.82411.52911.91200.79282.41182.47870.67163.6904
31.25250.88821.41021.92360.87192.20622.50860.75913.3048
41.27240.94511.34631.88760.99821.89102.50030.86622.8865
51.33480.89281.49502.00120.86182.32232.60310.71253.6533
61.27230.96651.31641.90751.02221.86622.48970.93912.6510
71.29970.88361.47101.96750.86392.27762.54180.75453.3687
81.26840.95531.32771.89891.01301.87442.49710.91242.7369
91.22681.06501.15191.83841.18781.54782.46391.09662.2468
101.28560.95921.34031.91501.01441.88772.52310.89992.8037
111.39320.90241.54392.05360.82792.48072.62620.66523.9480
121.24241.07291.15801.87591.16641.60822.51771.05152.3944
131.32780.96111.38152.00060.94932.10752.60640.81543.1964
141.41900.88571.60212.09930.77772.69962.67910.59654.4915
151.25811.09831.14551.91111.25251.52592.55061.20802.1114
161.27991.07721.18821.93831.11841.73302.56220.99642.5714
X ¯ 1.29120.94931.37301.94020.96602.06442.53810.84623.1375
Mean change compared to 5 mH2O inlet pressure+50.26%+1.76%+50.35%+96.57%−10.86%+128.50%
Note: X in the table is the average value of Q1, Q2, Q1/Q2 under the same inlet pressure of the 16 combinations of channels, +, increase; −, decrease.
Table 11. Scheme 4 flow velocity parameters.
Table 11. Scheme 4 flow velocity parameters.
LocationInlet Pressure
5 mH2O10 mH2O15 mH2O
Average Flow Velocity m/sAverage Flow Velocity m/sCompared to the Change at 5 mH2O PressureAverage Flow Velocity m/sCompared to the Change at 10 mH2O Pressure
Main channel inlet0.28010.4154+48.30%0.5601+34.83%
Main channel exit0.35290.5233+48.29%0.7056+34.84%
Secondary channel0.26210.2767+5.57%0.2444−11.67%
Table 12. Channel unit loss coefficient under different inlet pressures of the emitter.
Table 12. Channel unit loss coefficient under different inlet pressures of the emitter.
GroupsChannel Unit Loss Coefficient
5 mH2O7 mH2O9 mH2O11 mH2O13 mH2O15 mH2O
15.89026.51147.01787.45027.83058.1716
25.85326.36266.77187.11737.41847.6863
35.54875.99526.35196.65206.91257.1438
45.17085.60575.95426.24796.50356.7308
55.12405.62266.02656.36976.67026.9390
65.07305.47015.78696.05306.28386.4884
75.33425.80236.17856.49646.77357.0202
85.14215.54095.85886.12586.35726.5624
94.84085.17435.43835.65885.84916.0172
105.04575.45545.78296.05856.29796.5105
114.82555.41765.90696.32906.70347.0416
124.74375.09455.37325.60685.80895.9878
134.85345.31145.68155.99546.26996.5151
144.78745.40385.91556.35876.75287.1098
154.57954.81655.00165.15445.28525.3999
164.57694.97855.30145.57415.81186.0235
Disclaimer/Publisher’s Note: The statements, opinions and data contained in all publications are solely those of the individual author(s) and contributor(s) and not of MDPI and/or the editor(s). MDPI and/or the editor(s) disclaim responsibility for any injury to people or property resulting from any ideas, methods, instructions or products referred to in the content.

Share and Cite

MDPI and ACS Style

Du, P.; Li, Z.; Hao, R.; Ma, J.; Yan, D. Hydraulic Performance and Energy Dissipation Mechanism Analysis of the Tesla-Shaped Emitter. Energies 2023, 16, 5375. https://doi.org/10.3390/en16145375

AMA Style

Du P, Li Z, Hao R, Ma J, Yan D. Hydraulic Performance and Energy Dissipation Mechanism Analysis of the Tesla-Shaped Emitter. Energies. 2023; 16(14):5375. https://doi.org/10.3390/en16145375

Chicago/Turabian Style

Du, Peisen, Zhiqin Li, Ruixia Hao, Juanjuan Ma, and Da Yan. 2023. "Hydraulic Performance and Energy Dissipation Mechanism Analysis of the Tesla-Shaped Emitter" Energies 16, no. 14: 5375. https://doi.org/10.3390/en16145375

APA Style

Du, P., Li, Z., Hao, R., Ma, J., & Yan, D. (2023). Hydraulic Performance and Energy Dissipation Mechanism Analysis of the Tesla-Shaped Emitter. Energies, 16(14), 5375. https://doi.org/10.3390/en16145375

Note that from the first issue of 2016, this journal uses article numbers instead of page numbers. See further details here.

Article Metrics

Back to TopTop