Supercapacitors Fast Ageing Control in Residential Microgrid Based Photovoltaic/Fuel Cell/Electric Vehicle Charging Station
Abstract
1. Introduction
2. Microgrid Behavior Model
2.1. Supercapacitors Behavior Model Based Experimental Data
- = 0.0003792; = 5.621 × 10−5; = −2.404 × 10−5; = −8.543 × 10−5; = −4.027 × 10−6; = 1.806 × 10−6; = 3.121 × 10−5; = 5.061 × 10−6; = 2.195 × 10−7; = −5.729 × 10−8; = 4.126 × 10−7; = −2.358 × 10−7; = −2.053 × 10−9; = 8.262 × 10−10; = −3.794 × 10−9; = 2.454 × 10−9; = −4.921 × 10−12; = −4.368 × 10−12; = 0.0002545; = −4.52 × 10−5; = −4.99 × 10−6; = 0.0001134; = 2.515 × 10−6; = −2.011 × 10−7; = −0.0001405; = −1.408 × 10−6; = 9.691 × 10−8; = −2.756 × 10−9; = 6.51 × 10−5; = 9.86× 10−7; = −8.143 × 10−9; = 1.048 × 10−9
- = 2840; = −83.41; = −4.461; = −48.03; = 15.79; = 0.1995; = 56.97; = 2.843; = −1.01; = −0.004348; = −6.173; = 0.119; = 0.02064; = 2.579 × 10−5; = 0.1059; = −0.0032; = −0.0001268; = 2.078 × 10−8; = 3176; = −218.1; = 15.63; = 790.1; = −3.161; = 0.6165; = −931.8; = 4.677; = −0.09749; = 0.00804; = 371.1; = −2.306; = 0.04386; = −0.0006857
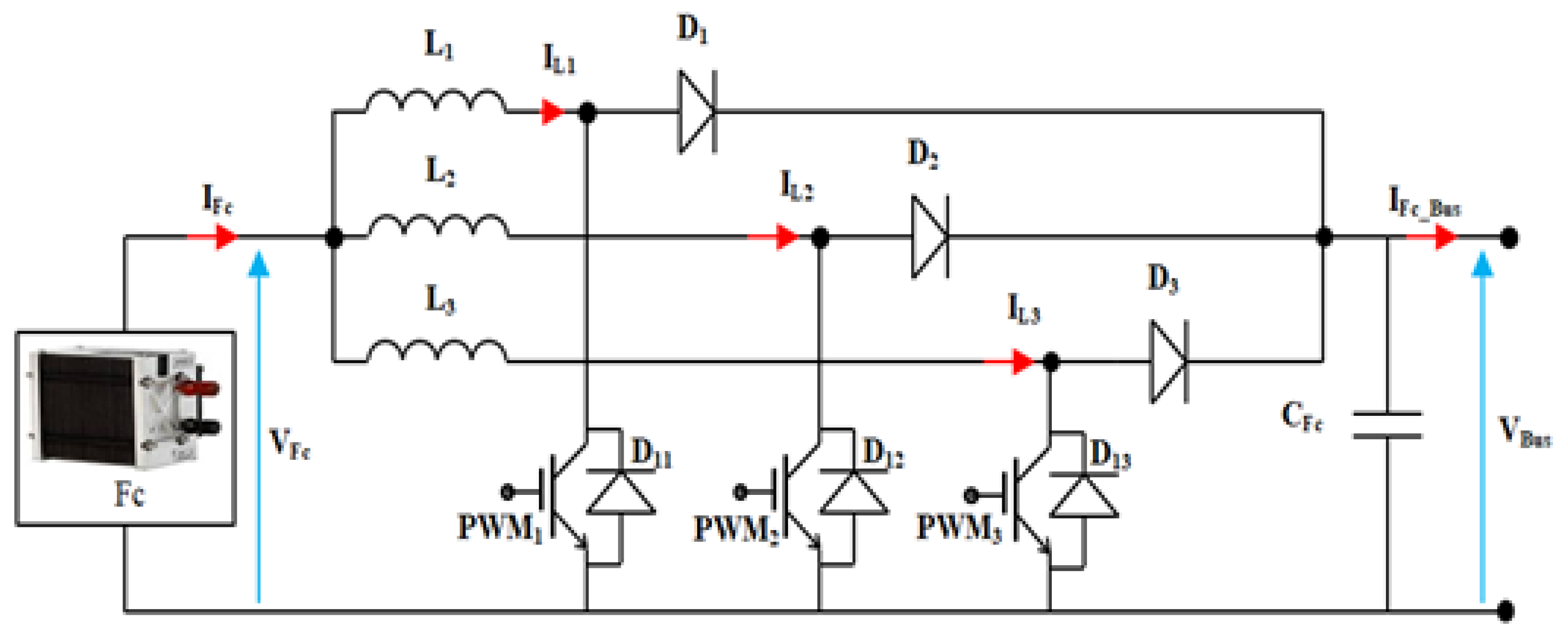
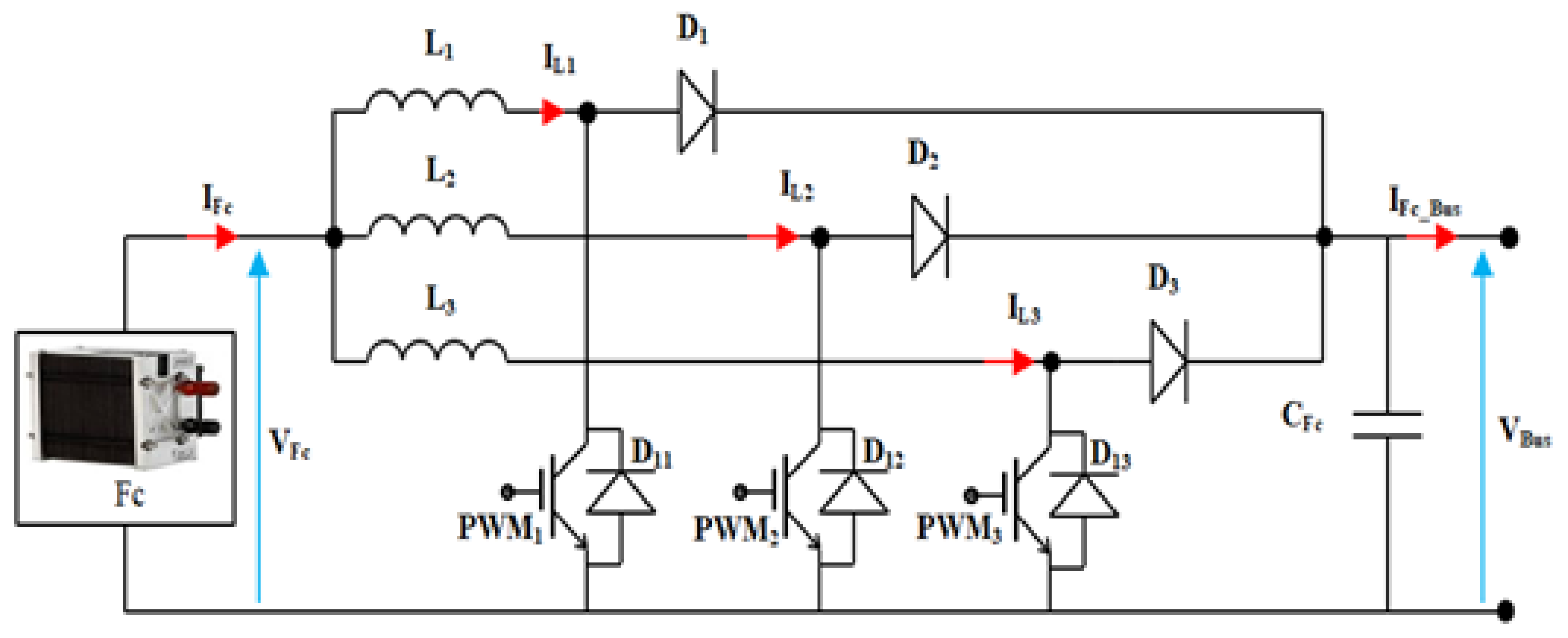
2.2. Fuel Cell Model
2.3. PV System Model
2.4. Model of the DC/DC Converters
3. Energy Management Based Supercapacitors Fast Ageing Control
| Algorithm 1. Pseudo code of the proposed energy management. |
| Initialize system parameters and variables While (simulation or real-time operation): Measure power output from PV system Measure power demand from the residential load Measure temperature and DC current ripple rate Calculate power fluctuation in the system Calculate aging rate of supercapacitors based on temperature and current ripple If (sufficient solar energy available): Supply power from PV system to meet the demand Else: Activate fuel cells to supply power to the system If (power fluctuation exceeds threshold): Adjust supercapacitors current control to mitigate power fluctuations Adjust supercapacitors resistance and capacitance based on aging rate Measure supercapacitors efficiency and capacitance If (aging control enabled): Compare measured efficiency and capacitance with target values If (efficiency or capacitance deviates significantly): Update supercapacitors resistance and capacitance to maintain optimal operation points Continue system operation End While |
3.1. Supercapacitors and Fuel Cell Reference Currents Generation Based Daptative Frequency Control
3.2. Supercapacitors Fast Ageing Control Based Capacitance Maximization and Resistance Minimization
3.3. MPPT Control of the PV System
3.4. DC-Bus Voltage Control
4. Simulations Results and Discussions
5. Conclusions
Author Contributions
Funding
Data Availability Statement
Acknowledgments
Conflicts of Interest
Nomenclature
| C(τ, T, Ncy) | Capacitance of the supercapacitor cell in (F) |
| ESR(τ, T, Ncy) | Resistance of the supercapacitor cell in (Ω) |
| EVCS | Electric Vehicle Charging Station |
| FC | Fuel cell |
| PV | Photovoltaic system |
| SC | Supercapacitor |
| Isc | Current of the supercapacitors in (A) |
| Ifc | Current of the fuel cell in (A) |
| Ipv | Current of the PV module in (A) |
| Iave | Average value of the intermittent current in (A) |
| Imax | Maximum value of the intermittent current in (A) |
| Imin | Minimum value of the intermittent current in (A) |
| ∆I | Intermittent current variation ranges in (A) |
| Ncy | Number of charge/discharge cycles |
| T | Supercapacitors operating temperature in (°C) |
| τ | Current ripple rate |
| Vfc | Fuel cell voltage in (V) |
| Vpv | PV module voltage in (V) |
| Vsc | Supercapacitor voltage in (V) |
References
- Khalid, H.M.; Peng, J.C.H. Bidirectional Charging in V2G Systems: An In-Cell Variation Analysis of Vehicle Batteries. IEEE Syst. J. 2020, 14, 3665–3675. [Google Scholar] [CrossRef]
- Khalid, H.M.; Ahmed, Q.; Peng, J.C.H.; Rizzoni, G. Current-Split Estimation in Li-Ion Battery Pack: An Enhanced Weighted Recursive Filter Method. IEEE Trans. Transp. Electrif. 2015, 1, 402–412. [Google Scholar] [CrossRef]
- Khalid, H.M.; Flitti, F.; Muyeen, S.M.; Elmoursi, M.; Sweidan, T.; Yu, X. Parameter Estimation of Vehicle Batteries in V2G Systems: An Exogenous Function-Based Approach. IEEE Trans. Ind. Electron. 2022, 69, 9535–9546. [Google Scholar] [CrossRef]
- Kouchachvili, L.; Yaïci, W.; Entchev, E. Hybrid Battery/Supercapacitor Energy Storage System for the Electric Vehicles. J. Power Sources 2018, 374, 237–248. [Google Scholar] [CrossRef]
- Hasan, M.K.; Mahmud, M.; Ahasan Habib, A.K.M.; Motakabber, S.M.A.; Islam, S. Review of Electric Vehicle Energy Storage and Management System: Standards, Issues, and Challenges. J. Energy Storage 2021, 41, 102940. [Google Scholar] [CrossRef]
- Aliakbari, R.; Kowsari, E.; Marfavi, Y.; Ramakrishna, S.; Chinnappan, A.; Cheshmeh, Z.A. Comprehensive Study on Poly Ortho-Aminophenol Composite Electrodes and Their Utilization for Supercapacitor Applications and Green Energy Storage: A Review. J. Energy Storage 2021, 44, 103365. [Google Scholar] [CrossRef]
- Sarr, C.T.; Camara, M.B.; Dakyo, B. Supercapacitors Characterization using Impedance Spectroscopy and taking account Dynamics Contraints and their combinations. In Proceedings of the 8th IEEE International Conference on Renewable Energy Research and Applications (ICRERA), Brasov, Romania, 3–6 November 2019. [Google Scholar] [CrossRef]
- Wang, C.; Liu, R.; Tang, A. Energy Management Strategy of Hybrid Energy Storage System for Electric Vehicles Based on Genetic Algorithm Optimization and Temperature Effect. J. Energy Storage 2022, 51, 104314. [Google Scholar] [CrossRef]
- He, J.; Shi, C.; Wei, T.; Peng, X.; Guan, Y. Hierarchical Optimal Energy Management Strategy of Hybrid Energy Storage Considering Uncertainty for a 100% Clean Energy Town. J. Energy Storage 2021, 41, 102917. [Google Scholar] [CrossRef]
- Baqar, A.; Camara, M.B.; Dakyo, B. Energy Management in the Multi-Source Systems. Energies 2022, 15, 2713. [Google Scholar] [CrossRef]
- Tankari, M.A.; Camara, M.B.; Dakyo, B.; Lefebvre, G. Use of Ultracapacitors and Batteries for Efficient Energy Management in Wind-Diesel Hybrid System. IEEE Trans. Sustain. Energy 2013, 4, 414–424. [Google Scholar] [CrossRef]
- Njoya Motapon, S.; Dessaint, L.A.; Al-Haddad, K. A Comparative Study of Energy Management Schemes for a Fuel-Cell Hybrid Emergency Power System of More-Electric Aircraft. IEEE Trans. Ind. Electron. 2014, 61, 1320–1334. [Google Scholar] [CrossRef]
- Rezk, H.; Nassef, A.M.; Abdelkareem, M.A.; Alami, A.H.; Fathy, A. Comparison among Various Energy Management Strategies for Reducing Hydrogen Consumption in a Hybrid Fuel Cell/Supercapacitor/Battery System. Int. J. Hydrogen Energy 2021, 46, 6110–6126. [Google Scholar] [CrossRef]
- Romero, A.; Carvalho, M.; Millar, D. Optimal Design and Control of Wind-Diesel Hybrid Energy Systems for Remote Arctic Mines. In Proceedings of the 28th International Conference on Efficiency, Cost, Optimization, Simulation and Environmental Impact of Energy Systems, Pau, France, 29 June–3 July 2015; p. 138. [Google Scholar] [CrossRef]
- Guentri, H.; Allaoui, T.; Mekki, M.; Denai, M. Power Management and Control of A Photovoltaic System with Hybrid Battery-Supercapacitor Energy Storage Based On Heuristics Methods. J. Energy Storage 2021, 39, 102578. [Google Scholar] [CrossRef]
- Asensio, E.M.; Magallán, G.A.; De Angelo, C.H.; Serra, F.M. Energy Management on Battery/Ultracapacitor Hybrid Energy Storage System Based on Adjustable Bandwidth Filter and Sliding-Mode Control. J. Energy Storage 2020, 30, 101569. [Google Scholar] [CrossRef]
- Župan, I.; Šunde, V.; Ban, Ž.; Krušelj, D. Algorithm with Temperature-Dependent Maximum Charging Current of a Supercapacitor Module in a Tram Regenerative Braking System. J. Energy Storage 2021, 36, 102378. [Google Scholar] [CrossRef]
- Zhao, J.; Burke, A.F. Review on Supercapacitors: Technologies and Performance Evaluation. J. Energy Chem. 2021, 59, 276–291. [Google Scholar] [CrossRef]
- Rahman, A.U.; Zehra, S.S.; Ahmad, I.; Armghan, H. Fuzzy Supertwisting Sliding Mode-Based Energy Management and Control of Hybrid Energy Storage System in Electric Vehicle Considering Fuel Economy. J. Energy Storage 2021, 37, 102468. [Google Scholar] [CrossRef]
- Sarr, C.T.; Camara, M.B.; Dakyo, B. Supercapacitors Aging Assessment in Wind/Tidal Intermittent Energies Application with Variable Temperature. J. Energy Storage 2022, 46, 103790. [Google Scholar] [CrossRef]
- Sarr, C.T.; Camara, M.B.; Dakyo, B. Influence of Cycles Number and RMS Value of DC-Current Ripple on Supercapacitors Aging. In Proceedings of the 7th International Conference on Clean. Electrical Power: Renewable Energy Resources Impact, Otranto, Italy, 2–4 July 2019; pp. 539–543. [Google Scholar] [CrossRef]
- Gualous, H.; Louahlia, H.; Gallay, R. Supercapacitor Characterization and Thermal Modelling with Reversible and Irreversible Heat Effect. IEEE Trans. Power Electron. 2011, 26, 3402–3409. [Google Scholar] [CrossRef]
- Gualous, H.; Chaoui, H.S.; Gallay, R. Supercapacitor calendar aging for telecommunication applications. In Proceedings of the INTELEC-2016 IEEE International Telecommunications Energy Conference, Austin, TX, USA, 23–27 October 2016. [Google Scholar] [CrossRef]
- Ionescu, C.; Vasile, A.; Negroiu, R. Accurate Modeling of Supercapacitors for DC Operation Regime. In Proceedings of the IEEE 21st International Symposium for Design and Technology of Electronics Packages (SIITME), Craiova, Romania, 22–25 October 2015; pp. 303–306. [Google Scholar] [CrossRef]
- Liu, K.; Zhu, C.; Lu, R.; Chan, C.C. Improved Study of Temperature Dependence Equivalent Circuit Model for Supercapacitors. IEEE Trans. Plasma Sci. 2013, 41, 1267–1271. [Google Scholar] [CrossRef]
- Wang, Y.X.; Ou, K.; Kim, Y.B. Modeling and Experimental Validation of Hybrid Proton Exchange Membrane Fuel Cell/Battery System for Power Management Control. Int. J. Hydrogen Energy 2015, 40, 11713–11721. [Google Scholar] [CrossRef]
- Anand, S.; Fernandes, B.G. Optimal Voltage Level for DC Microgrids. In Proceedings of the 36th Annual Conference of Industrial Electronics Society, Glendale, AZ, USA, 7–10 November 2010; pp. 3034–3039. [Google Scholar] [CrossRef]
- Parhizi, S.; Lotfi, H.; Khodaei, A.; Bahramirad, S. State of the Art in Research on Microgrids: A Review. IEEE Access 2015, 3, 890–925. [Google Scholar] [CrossRef]
- Tani, A.; Camara, M.B.; Dakyo, B. Energy Management in the Decentralized Generation Systems Based on Renewable Energy-Ultracapacitors and Battery to Compensate the Wind/Load Power Fluctuations. IEEE Trans. Ind. Appl. 2015, 51, 1817–1827. [Google Scholar] [CrossRef]
- Camara, M.B.; Gualous, H.; Gustin, F.; Berthon, A.; Dakyo, B. DC/DC Converter Design for Supercapacitor and Battery Power Management in Hybrid Vehicle Applicationspolynomial Control Strategy. IEEE Trans. Ind. Electron. 2010, 57, 587–597. [Google Scholar] [CrossRef]
- Al Amerl, A.; Oukkacha, I.; Camara, M.B.; Dakyo, B. Real-Time Control Strategy of Fuel Cell and Battery System for Electric Hybrid Boat Application. Sustainability 2021, 13, 8693. [Google Scholar] [CrossRef]
- Bellache, K.; Camara, M.B.; Dakyo, B. Supercapacitors Characterization and Modeling Using Combined Electro-Thermal Stress Approach Batteries. IEEE Trans. Ind. Appl. 2019, 55, 1817–1827. [Google Scholar] [CrossRef]
- Cell, U. Maxwell’s High Power and Energy Cell. Available online: https://maxwell.com/products/ultracapacitors/cells/ (accessed on 25 June 2023).
- Nguyễn, B.H.; Vo-Duy, T.; Henggeler Antunes, C.; Trovão, J.P.F. Multi-Objective Benchmark for Energy Management of Dual-Source Electric Vehicles: An Optimal Control Approach. Energy 2021, 223, 119857. [Google Scholar] [CrossRef]
- Benyahia, N.; Denoun, H.; Zaouia, M.; Tamalouzt, S.; Bouheraoua, M.; Benamrouche, N.; Rekioua, T.; Haddad, S. Characterization and Control of Supercapacitors Bank for Stand-Alone Photovoltaic Energy. Energy Procedia 2013, 42, 539–548. [Google Scholar] [CrossRef]


























| Parameters | Value |
|---|---|
| Maximum voltage of SC module | |
| Specific coefficient | |
| Cells in parallel | |
| Cells in series | |
| Electrical wiring resistance for one cell |
| Parameters | Value |
|---|---|
| Parametric coefficients | |
| Electron flow resistance | Ω |
| Polymer membrane thickness | |
| FC active area | |
| Maximum current density | |
| Constant parameters | |
| Cells in series |
| Parameters | Value |
|---|---|
| Number of cells in series | = 16 |
| Number of cells in parallel | |
| Shunt resistance | = |
| Resistance in series | |
| Charge of electron | |
| Boltzmann constant | = |
| Diode ideality factor | |
| Gap energy of the semiconductor | |
| Reference temperature | |
| Cell temperature | = |
| Short circuit current | |
| Coefficient of temperature | = |
Disclaimer/Publisher’s Note: The statements, opinions and data contained in all publications are solely those of the individual author(s) and contributor(s) and not of MDPI and/or the editor(s). MDPI and/or the editor(s) disclaim responsibility for any injury to people or property resulting from any ideas, methods, instructions or products referred to in the content. |
© 2023 by the authors. Licensee MDPI, Basel, Switzerland. This article is an open access article distributed under the terms and conditions of the Creative Commons Attribution (CC BY) license (https://creativecommons.org/licenses/by/4.0/).
Share and Cite
Baqar, A.; Camara, M.B.; Dakyo, B. Supercapacitors Fast Ageing Control in Residential Microgrid Based Photovoltaic/Fuel Cell/Electric Vehicle Charging Station. Energies 2023, 16, 5084. https://doi.org/10.3390/en16135084
Baqar A, Camara MB, Dakyo B. Supercapacitors Fast Ageing Control in Residential Microgrid Based Photovoltaic/Fuel Cell/Electric Vehicle Charging Station. Energies. 2023; 16(13):5084. https://doi.org/10.3390/en16135084
Chicago/Turabian StyleBaqar, Awab, Mamadou Baïlo Camara, and Brayima Dakyo. 2023. "Supercapacitors Fast Ageing Control in Residential Microgrid Based Photovoltaic/Fuel Cell/Electric Vehicle Charging Station" Energies 16, no. 13: 5084. https://doi.org/10.3390/en16135084
APA StyleBaqar, A., Camara, M. B., & Dakyo, B. (2023). Supercapacitors Fast Ageing Control in Residential Microgrid Based Photovoltaic/Fuel Cell/Electric Vehicle Charging Station. Energies, 16(13), 5084. https://doi.org/10.3390/en16135084
