A Novel Method of Forecasting Chaotic and Random Wind Speed Regimes Based on Machine Learning with the Evolution and Prediction of Volterra Kernels
Abstract
1. Introduction
2. Materials and Methods
2.1. Wind Speed Dataset
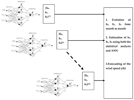
2.2. NN Model
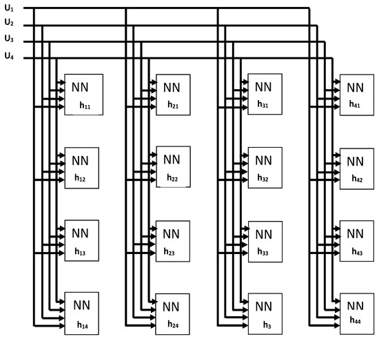
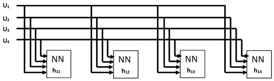
2.3. Procedural Algorithm
2.4. Volterra Kernel Extractions
2.5. Kernels Estimation
2.5.1. Prediction Method
2.5.2. ML
3. Results
3.1. Long-Term Prediction
3.2. Short-Term Prediction
3.3. Wind Speed Forecasting
4. Discussion
4.1. Method Validation
4.2. Hyperparameter Errors
4.3. Method Comparison
5. Conclusions
- The overall analysis is based on the evaluation of up to the third-order Volterra kernels.
- Only two-layer neural networks of four neutrons per layer are incorporated, which implies that machine training was not perfect.
- The forecasted wind speed in each period has been compared with the measured one in a handicapped manner, since evaluated Volterra kernels are for the entire period but not for each day, as has been performed.
- The historical depth of memory recurrence of selected inputs was limited to four only. The reason for this is to compensate for the large number of needed computations.
Funding
Informed Consent Statement
Data Availability Statement
Acknowledgments
Conflicts of Interest
References
- Drisya, G.; Asokan, K.; Kumar, K.S. Diverse dynamical characteristics across the frequency spectrum of wind speed fluctuations. Renew. Energy 2018, 119, 540–550. [Google Scholar]
- Ouyang, T.; Cha, X.; Qin, L. Medium-or long-term wind power prediction with combined models of meteorological multivariable. Power Syst. Technol. 2016, 40, 847–852. [Google Scholar]
- Sun, H.; Qiu, C.; Lu, L.; Gao, X.; Chen, J.; Yang, H. Wind turbine power modeling and optimization using artificial neural network with wind field experimental data. Appl. Energy 2020, 280, 115880. [Google Scholar] [CrossRef]
- Yan, C.; Pan, Y.; Archer, C.L. A general method to estimate wind farm power using artificial neural networks. Wind Energy 2019, 22, 1421–1432. [Google Scholar] [CrossRef]
- Zhang, W.Y.; Qu, Z.X.; Zhang, K.Q.; Mao, W.Q.; Ma, Y.N.; Fan, X. A combined model based on CEEMDAN and modified flower pollination algorithm for wind speed forecasting. Energy Convers. Manag. 2017, 136, 439–451. [Google Scholar] [CrossRef]
- Song, J.J.; Wang, J.Z.; Lu, H.Y. A novel combined model based on advanced optimization algorithm for short-term wind speed forecasting. Appl. Energy 2018, 215, 643–658. [Google Scholar] [CrossRef]
- Jiang, Y.; Huang, G.; Yang, Q.; Yan, Z.; Zhang, C. A novel probabilistic wind speed prediction approach using real time refined variational model decomposition and conditional kernel density estimation. Energy Convers. Manag. 2019, 185, 758–773. [Google Scholar] [CrossRef]
- Chen, J.; Zeng, G.-Q.; Zhou, W.; Du, W.; Lu, K.-D. Wind speed forecasting using nonlinear-learning ensemble of deep learning time series prediction and extremal optimization. Energy Convers. Manag. 2018, 165, 681–695. [Google Scholar] [CrossRef]
- Tutueva, A.V.; Karimov, T.I. Detection of hidden oscillations in system without equilibrium. Int. J. Bifurc. Chaos 2021, 31, 20150043. [Google Scholar] [CrossRef]
- Harrouni, S. Long term persistence in daily wind speed series using fractal dimension. Int. J. Multiphys. 2016, 7, 87–94. [Google Scholar] [CrossRef]
- An, X.; Jiang, D.; Liu, C.; Zhao, M. Wind farm power prediction based on wavelet decomposition and chaotic time series. Expert Syst. Appl. 2011, 38, 11280–11285. [Google Scholar] [CrossRef]
- Yin, L.; He, Y.; Dong, X.; Lu, Z. Multi-step prediction of Volterra neural network for traffic flow based on chaos algorithm. In Information Computing and Applications: Third International Conference, ICICA 2012, Chengde, China, 14–16 September 2012; Communications in Computer and Information Science Book Series (CCIS); Springer: Berlin/Heidelberg, Germany, 2012; Volume 307. [Google Scholar]
- Chen, L.R.; Zhang, Z.R.; Cao, J.F. A novel method of combining generalized frequency response function and convolutional neural network for complex system fault diagnosis. PloS ONE 2020, 15, e0228324. [Google Scholar] [CrossRef]
- De Paula, N.C.G.; Marques, F.D.; Silva, W.A. Volterra kernels assessment via time-delay neural networks for non-linear unsteady aerodynamic loading identification. AIAA J. 2018, 57, 1725–1735. [Google Scholar] [CrossRef]
- Jones, J.C.P.; Yaser, K.S.A. A new harmonic probing algorithm for computing the MIMO Volterra frequency response function of non-linear systems. Nonlinear Dyn. 2018, 94, 1029–1046. [Google Scholar] [CrossRef]
- Han, H.T.; Ma, H.G.; Tan, L.N.; Cao, J.F.; Zhang, J.L. Non-parametric identification method of Volterra kernels for nonlinear systems excited by multitone signals. Asian J. Control. 2014, 16, 519–529. [Google Scholar] [CrossRef]
- Kantz, H.; Schreiber, T. Nonlinear Time Series Analysis; Cambridge University Press: Cambridge, UK, 2004; Volume 7. [Google Scholar]
- Grassberger, P. Estimation of the Kolmogorov entropy from a chaotic signal. Phys. Rev. A 1983, 28, 2591–2593. [Google Scholar] [CrossRef]
- Wray, J.; Green, G.G.R. Calculation of the Volterra kernels of non-linear dynamic systems using an artificial neural network. Biol. Cybern. 1994, 71, 187–195. [Google Scholar] [CrossRef]
- Stegmayer, G.; Pirola, M.; Orengo, G.; Chiotti, O. Towards a Volterra series representation from a Neural Network model. WSEAS Trans. Syst. 2004, 3, 432–437. [Google Scholar]
- Zhang, B.; Billings, S.A. Volterra series truncation and kernel estimation of nonlinear systems in the frequency domain. Mech. Syst. Signal Process. 2017, 84, 39–57. [Google Scholar] [CrossRef]
- Zhong, K.; Chen, L. An Intelligent calculation method of Volterra time-domain kernel based on time-delay artificial neural network. Math. Probl. Eng. 2020, 8546963. [Google Scholar] [CrossRef]
- Lin, L.; Xia, D.; Dai, L.; Zheng, Q.; Qin, Z. Chaotic analysis and prediction of wind speed based on wavelet decomposition. Processes 2021, 9, 1793. [Google Scholar] [CrossRef]
- Giannini, F.; Colantonio, P.; Orengo, G.; Serino, A.; Stegmayer, G.; Pirola, M.; Ghione, G. Neural networks and Volterra series for time-domain power amplifier behavioral models. Int. J. RF Microw. Comput.-Aided Eng. 2007, 17, 160–168. [Google Scholar] [CrossRef]
- Abdul Majid, A. Accurate and efficient forecasted wind energy using selected temporal metrological variables and wind direction. Energy Convers. Manag. X 2022, 16, 100286. Available online: www.sciencedirect.com/journal/energy-conversion-and-management-x (accessed on 12 June 2023). [CrossRef]
- Abdul Majid, A. Forecasting Monthly Wind Energy Using an Alternative Machine Training Method with Curve Fitting and Temporal Error Extraction Algorithm. Energies 2022, 15, 8596. [Google Scholar] [CrossRef]









| Parameter | Value |
|---|---|
| Latitude | 25,007′ N |
| Longitude | 56,018′ E |
| Mean wind speed at 10 m | 4.072664 mph |
| Mean wind direction | 182.46510 |
| Average temperature | 28 °C |
| Mean pressure | 900–1100 m bar |
| Relative humidity | 50–100% |
| Air density | 1.188 kg/m3 |
| Terrain | flat land |
| Obstacles | Hills |
| Surface roughness class | 0.5 Sa |
| h0 | h1(1) | h1(2) | h1(3) | |
|---|---|---|---|---|
| Month 1 | 1.0655 | 0.7209 | −0.7852 | 3.5145 |
| Month 2 | −0.6084 | 1.3254 | −1.082 | 0.9684 |
| Month 3 | 8.5884 | 0.2627 | −0.6431 | 0.3529 |
| Month 4 | 3.959 | −0.3831 | 0.9421 | −1.0135 |
| Month 5 | −0.9335 | −0.7779 | −1.4873 | −1.1422 |
| Month 6 | −4.1281 | 0.0515 | −1.7653 | −0.3483 |
| Month 7 | 4.2697 | 0.5041 | −0.265 | −0.5244 |
| Month 8 | 2.6796 | −9.0945 | −16.7354 | 6.7691 |
| Month 9 | −1.0694 | −4.2658 | −5.5122 | −0.3046 |
| Month 10 | −7.8111 | 5.0786 | −3.3169 | −0.8385 |
| Month 11 | 7.8389 | 7.1803 | 2.681 | −0.6133 |
| Month 12 | −0.2562 | −0.069 | −0.0257 | 0.0059 |
| Forecasted month | 2.271605 | −0.60568 | −1.31348 | 1.223976 |
| h0 | h1(1) | h1(2) | h1(3) | h1(4) | |
|---|---|---|---|---|---|
| Day1–Day10 | 0.4572 | 1.0097 | 0.4292 | 1.9899 | −0.0469 |
| Day11–Day20 | 1.1548 | −0.2147 | −0.1143 | −0.663 | −0.462 |
| Day21–Day30 | 0.288 | 0.8719 | 0.3434 | 3.6623 | −3.0886 |
| Day31–Day40 | 0.1391 | 1.6331 | −0.5056 | −2.8615 | 2.5864 |
| Day41–Day50 | 0.5602 | 0.0933 | 1.2503 | −0.1631 | −0.6328 |
| Day51–Day60 | −0.7095 | −0.1883 | −0.3355 | −0.6535 | 1.5966 |
| Day61–Day70 | −0.0945 | 0.025 | −0.0249 | 0.025 | −0.0249 |
| Day71–Day80 | 0.2426 | −0.2129 | −0.6904 | 0.08 | −0.1705 |
| Day81–Day90 | 0.0728 | −0.0108 | 0.0102 | −0.0411 | 0.022 |
| Day91–Day100 | 0.9676 | 0.5311 | 0.5597 | 0.6154 | 0.189 |
| Forecasted Day (statistics) | 0.135233 | −0.09326 | −0.01668 | −0.39295 | 0.480067 |
| Forecasted Day (NN) | 3.4194 | 4.5363 | −0.48691 | −2.9585 | 1.3046 |
| Month: Day | Forecasted Wind Speed (Trended) | Average Measured Wind Speed | Error |
|---|---|---|---|
| 12:01 | 1.27 | 1.825579 | 0.555579 |
| 12:02 | 1.75 | 1.576968 | 0.173032 |
| 12:03 | (0) | 2.59120 | 2.591200 |
| 12:04 | 1.05 | 2.209375 | 1.159375 |
| 12:05 | (0) | 4.078935 | 4.078935 |
| 12:06 | (0) | 2.343981 | 2.343981 |
| 12:07 | (0) | 2.666667 | 2.666667 |
| Forecasted Day | Trended (Statistics) Wind Speed mph | NN Forecasted Wind Speed mph | Average Forecasted Wind Speed mph | Average Measured Wind Speed mph | Error mph |
|---|---|---|---|---|---|
| Day 101 | 0.5 | 8.01 | 4.25 | 3.77708 | 0.47292 |
| Day 102 | 0.5 | 8.01 | 4.25 | 4.07974 | 0.17026 |
| Day 103 | 0.28 | 19.4 | 9.8 | 4.78622 | 5.01378 |
| Day 104 | 0.25 | 17.2 | 8.7 | 4.51921 | 4.18079 |
| Day 105 | 0.25 | 17.2 | 8.7 | 8.05856 | 0.64144 |
| Day 106 | 0.21 | 12.6 | 6.4 | 5.11458 | 1.28542 |
| Day 107 | 0.19 | 10.3 | 5.25 | 3.80370 | 1.44630 |
| Day 108 | 0.21 | 12.6 | 6.4 | 2.80706 | 3.59294 |
| Day 109 | 0.21 | 12.6 | 6.4 | 4.04444 | 2.35556 |
| Day 110 | 0.09 | 14.8 | 7.4 | 3.31793 | 4.08207 |
| Implemented Method | Temporal Metrological Method [25] | Error Extraction Method [26] | |
|---|---|---|---|
| Qualitative comparison | Suitable for chaotic and random wind speed regimes | Non-chaotic wind speeds | Non-chaotic wind speeds |
| Flexible with the use of different order Volterra kernels (1st-, 2nd-, 3rd-, etc.) for accuracy | Fixed | Fixed | |
| Requires only wind speed measurements | Requires many sensors for different variables measurements. | Requires only wind speed measurements | |
| Requires several NNs for each Volterra kernel coefficient | Complex NN | Simple NN | |
| Requires many complex calculations | Requires minimum calculations | Requires simple calculations for error extraction | |
| Dataset focus on period and type of random nonlinearities | No focus is required | Some attention is needed for extracting dataset errors | |
| Short-time forecasting | Short- and long-time forecasting | Short- and long-time forecasting | |
| Quantitative comparison | Large errors of 2.12–51.15% | Small errors of 2.7% | Error of 2.8–4.8% |
| Error is between 1.9383 mph and 2.324148 mph | Error is 0.38839 mph | Error is between 0.2143 mph and 0.3610 mph | |
| Utilizing only 10 distinctive days with nonlinearities | Dataset of 30 measurements is used | Dataset of 30 measurements is used | |
| NN cannot be trained 100% for predicting all Volterra kernels | 100% fully trained NN | 100% fully trained NN | |
| TDANN-ANN is used | Distributed NN is used | ANN is used | |
| 4 input abstractions are used for the NN | 12 input abstractions are used | 5 input abstractions are used |
Disclaimer/Publisher’s Note: The statements, opinions and data contained in all publications are solely those of the individual author(s) and contributor(s) and not of MDPI and/or the editor(s). MDPI and/or the editor(s) disclaim responsibility for any injury to people or property resulting from any ideas, methods, instructions or products referred to in the content. |
© 2023 by the author. Licensee MDPI, Basel, Switzerland. This article is an open access article distributed under the terms and conditions of the Creative Commons Attribution (CC BY) license (https://creativecommons.org/licenses/by/4.0/).
Share and Cite
Abdul Majid, A. A Novel Method of Forecasting Chaotic and Random Wind Speed Regimes Based on Machine Learning with the Evolution and Prediction of Volterra Kernels. Energies 2023, 16, 4766. https://doi.org/10.3390/en16124766
Abdul Majid A. A Novel Method of Forecasting Chaotic and Random Wind Speed Regimes Based on Machine Learning with the Evolution and Prediction of Volterra Kernels. Energies. 2023; 16(12):4766. https://doi.org/10.3390/en16124766
Chicago/Turabian StyleAbdul Majid, Amir. 2023. "A Novel Method of Forecasting Chaotic and Random Wind Speed Regimes Based on Machine Learning with the Evolution and Prediction of Volterra Kernels" Energies 16, no. 12: 4766. https://doi.org/10.3390/en16124766
APA StyleAbdul Majid, A. (2023). A Novel Method of Forecasting Chaotic and Random Wind Speed Regimes Based on Machine Learning with the Evolution and Prediction of Volterra Kernels. Energies, 16(12), 4766. https://doi.org/10.3390/en16124766

