Review of Thermal Management Technology for Electric Vehicles
Abstract
1. Introduction
2. Electric Vehicle Thermal Management Requirements
2.1. Cabin Thermal Management Requirements
2.2. Power Battery Thermal Management Requirements
2.3. Electric Motor Thermal Management Requirements
3. Air Conditioning System Thermal Management Solutions
3.1. Air Conditioning System Overview
3.2. Research Progress on the Critical Components of Air Conditioning Systems
3.2.1. Electric Compressor
3.2.2. Heat Exchanger

3.2.3. Integrated Components
3.3. Research Progress on Heat Pump Air Conditioning Systems
4. Power Battery and Motor Thermal Management Solutions
4.1. Power Battery Thermal Management
4.1.1. Structural Design of Battery Thermal Management Systems
4.1.2. Battery Thermal Management Thermal Control Method
4.2. Motor Thermal Management
4.2.1. Air Cooling
4.2.2. Liquid Cooling
4.2.3. Other Solutions
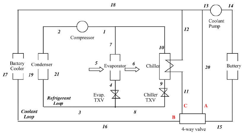
5. Integrated Thermal Management System Solutions
6. Conclusions
Author Contributions
Funding
Data Availability Statement
Conflicts of Interest
References
- Zhang, X.; Li, Z.; Luo, L.; Fan, Y.; Du, Z. A review on thermal management of lithium-ion batteries for electric vehicles. Energy 2022, 238, 121652. [Google Scholar] [CrossRef]
- Backe, S.; Korpås, M.; Tomasgard, A. Heat and electric vehicle flexibility in the European power system: A case study of Norwegian energy communities. Int. J. Electr. Power Energy Syst. 2021, 125, 106479. [Google Scholar] [CrossRef]
- Zhao, G.; Wang, X.; Negnevitsky, M.; Zhang, H. A review of air-cooling battery thermal management systems for electric and hybrid electric vehicles. J. Power Sources 2021, 501, 230001. [Google Scholar] [CrossRef]
- Zhao, Y.; Dan, D.; Zheng, S.; Wei, M.; Xie, Y. A two-stage eco-cooling control strategy for electric vehicle thermal management system considering multi-source information fusion. Energy 2023, 267, 126606. [Google Scholar] [CrossRef]
- Lei, S.; Xin, S.; Liu, S. Separate and integrated thermal management solutions for electric vehicles: A review. J. Power Sources 2022, 550, 232133. [Google Scholar] [CrossRef]
- Wawzyniak, M.; Wiebelt, A. Thermal Management for Electrified Vehicles. MTZ Worldw. 2016, 77, 38–43. [Google Scholar] [CrossRef]
- Tan, L.; Yuan, Y. Computational fluid dynamics simulation and performance optimization of an electrical vehicle Air-conditioning system. Alex. Eng. J. 2022, 61, 315–328. [Google Scholar] [CrossRef]
- Yu, X.; Jiang, R.; Lu, G.; Liu, H.; Tong, Y.; Qian, G.; Huang, R.; Li, Z. A novel energy-economic-environmental evaluation model for heat pump air conditioners integrated with waste heat recovery in electric vehicles. Case Stud. Therm. Eng. 2023, 41, 102605. [Google Scholar] [CrossRef]
- Wu, J.; Zhou, G.; Wang, M. A comprehensive assessment of refrigerants for cabin heating and cooling on electric vehicles. Appl. Therm. Eng. 2020, 174, 115258. [Google Scholar] [CrossRef]
- Dan, D.; Li, W.; Zhang, Y.; Xie, Y. A quasi-dynamic model and thermal analysis for vapor chambers with multiple heat sources based on thermal resistance network model. Case Stud. Therm. Eng. 2022, 35, 102110. [Google Scholar] [CrossRef]
- Yu, Z.; Zhang, J.; Pan, W. A review of battery thermal management systems about heat pipe and phase change materials. J. Energy Storage 2023, 62, 106827. [Google Scholar] [CrossRef]
- Du, G.; Xu, W.; Zhu, J.; Huang, N. Power Loss and Thermal Analysis for High-Power High-Speed Permanent Magnet Machines. IEEE Trans. Ind. Electron. 2020, 67, 2722–2733. [Google Scholar] [CrossRef]
- Liang, K.; Wang, M.; Gao, C.; Dong, B.; Feng, C.; Zhou, X.; Liu, J. Advances and challenges of integrated thermal management technologies for pure electric vehicles. Sustain. Energy Technol. Assess. 2021, 46, 101319. [Google Scholar] [CrossRef]
- Yang, D.; Huo, Y.; Zhang, Q.; Xie, J.; Yang, Z. Recent advances on air heating system of cabin for pure electric vehicles: A review. Heliyon 2022, 8, e11032. [Google Scholar] [CrossRef]
- Lajunen, A.; Yang, Y.; Emadi, A. Review of Cabin Thermal Management for Electrified Passenger Vehicles. IEEE Trans. Veh. Technol. 2020, 69, 6025–6040. [Google Scholar] [CrossRef]
- Zhang, Z.; Wang, J.; Feng, X.; Chang, L.; Chen, Y.; Wang, X. The solutions to electric vehicle air conditioning systems: A review. Renew. Sustain. Energy Rev. 2018, 91, 443–463. [Google Scholar] [CrossRef]
- Shahid, S.; Agelin-Chaab, M. A review of thermal runaway prevention and mitigation strategies for lithium-ion batteries. Energy Convers. Manag. X 2022, 16, 100310. [Google Scholar] [CrossRef]
- Ghaeminezhad, N.; Wang, Z.; Ouyang, Q. A Review on lithium-ion battery thermal management system techniques: A control-oriented analysis. Appl. Therm. Eng. 2023, 219, 119497. [Google Scholar] [CrossRef]
- Wang, X.; Li, B.; Gerada, D.; Huang, K.; Stone, I.; Worrall, S.; Yan, Y. A critical review on thermal management technologies for motors in electric cars. Appl. Therm. Eng. 2022, 201, 117758. [Google Scholar] [CrossRef]
- Norin, F.; Wyon, D. Driver Vigilance—The Effects of Compartment Temperature; SAE: Warrendale, PA, USA, 1992. [Google Scholar] [CrossRef]
- Warey, A.; Kaushik, S.; Khalighi, B.; Cruse, M.; Venkatesan, G. Data-driven prediction of vehicle cabin thermal comfort: Using machine learning and high-fidelity simulation results. Int. J. Heat Mass Transf. 2020, 148, 119083. [Google Scholar] [CrossRef]
- Zou, H.; Tang, Z.; Yang, T.; Tian, C. Review of Research on Thermal Management Technology for Electric Vehicles. J. Refrig. 2022, 43, 15–27, 56. (In Chinese) [Google Scholar] [CrossRef]
- Xie, Y.; Ou, J.; Li, W.; Li, K.; Liu, J.; Liu, Z.; Zhou, D.; Li, J. An intelligent eco-heating control strategy for heat-pump air conditioning system of electric vehicles. Appl. Therm. Eng. 2022, 216, 119126. [Google Scholar] [CrossRef]
- Shin, H.; Park, S.; Kim, H.; Yang, I. Development of an integrated energy management strategy with cabin heating for plug-in hybrid electric vehicle. In Proceedings of the 2015 Tenth International Conference on Ecological Vehicles and Renewable Energies (EVER), Monte Carlo, Monaco, 31 March–2 April 2015; pp. 1–10. [Google Scholar]
- Kiss, T.; Lustbader, J.; Leighton, D. Modeling of an Electric Vehicle Thermal Management System in MATLAB/Simulink; SAE Technical Paper; SAE: Warrendale, PA, USA, 2015. [Google Scholar] [CrossRef]
- Piao, C.; Wang, W.; Liu, Z.; Wu, C.; Yuan, R. Research on vehicle cabin temperature and thermal comfort optimal control based on fuzzy PID. J. Phys. Conf. Ser. 2021, 1865, 032039. [Google Scholar] [CrossRef]
- Cvok, I.; Ratkovic, I.; Deur, J. Optimisation of Control Input Allocation Maps for Electric Vehicle Heat Pump-based Cabin Heating Systems. Energies 2020, 13, 5131. [Google Scholar] [CrossRef]
- Bernagozzi, M.; Georgoulas, A.; Miché, N.; Marengo, M. Heat pipes in battery thermal management systems for electric vehicles: A critical review. Appl. Therm. Eng. 2023, 219, 119495. [Google Scholar] [CrossRef]
- Youssef, R.; Hosen, M.S.; He, J.; Al-Saadi, M.; Van Mierlo, J.; Berecibar, M. Novel design optimization for passive cooling PCM assisted battery thermal management system in electric vehicles. Case Stud. Therm. Eng. 2022, 32, 101896. [Google Scholar] [CrossRef]
- Lander, L.; Kallitsis, E.; Hales, A.; Edge, J.S.; Korre, A.; Offer, G. Cost and carbon footprint reduction of electric vehicle lithium-ion batteries through efficient thermal management. Appl. Energy 2021, 289, 116737. [Google Scholar] [CrossRef]
- Mi, C.; Li, B.; Buck, D.; Ota, N. Advanced electro-thermal modeling of lithium-ion battery system for hybrid electric vehicle applications. In Proceedings of the 2007 IEEE Vehicle Power and Propulsion Conference, Arlington, TX, USA, 9–12 September 2007; pp. 107–111. [Google Scholar]
- Liu, P.; Wang, J.; Hicks-Garner, J.; Sherman, E.; Soukiazian, S.; Verbrugge, M.; Tataria, H.; Musser, J.; Finamore, P. Aging mechanisms of LiFePO4 batteries deduced by electrochemical and structural analyses. J. Electrochem. Soc. 2010, 157, A499. [Google Scholar] [CrossRef]
- Zhao, G.; Wang, X.; Negnevitsky, M. Connecting battery technologies for electric vehicles from battery materials to management. iScience 2022, 25, 103744. [Google Scholar] [CrossRef]
- Safdari, M.; Ahmadi, R.; Sadeghzadeh, S. Numerical and experimental investigation on electric vehicles battery thermal management under New European Driving Cycle. Appl. Energy 2022, 315, 119026. [Google Scholar] [CrossRef]
- Allen, J. Review of polymers in the prevention of thermal runaway in lithium-ion batteries. Energy Rep. 2020, 6, 217–224. [Google Scholar] [CrossRef]
- Pesaran, A.; Santhanagopalan, S.; Kim, G. Addressing the Impact of Temperature Extremes on Large Format Li-Ion Batteries for Vehicle Applications (Presentation); National Renewable Energy Lab.(NREL): Golden, CO, USA, 2013.
- Lu, M.; Zhang, X.; Ji, J.; Xu, X.; Zhang, Y. Research progress on power battery cooling technology for electric vehicles. J. Energy Storage 2020, 27, 101155. [Google Scholar] [CrossRef]
- Zhang, Q.; Wang, D.; Yang, B.; Cui, X.; Li, X. Electrochemical model of lithium-ion battery for wide frequency range applications. Electrochim. Acta 2020, 343, 136094. [Google Scholar] [CrossRef]
- Nejad, S.; Gladwin, D.T.; Stone, D.A. A systematic review of lumped-parameter equivalent circuit models for real-time estimation of lithium-ion battery states. J. Power Sources 2016, 316, 183–196. [Google Scholar] [CrossRef]
- Wang, Y.; Yang, D.; Zhang, X.; Chen, Z. Probability based remaining capacity estimation using data-driven and neural network model. J. Power Sources 2016, 315, 199–208. [Google Scholar] [CrossRef]
- Romero-Becerril, A.; Alvarez-Icaza, L. Comparison of discretization methods applied to the single-particle model of lithium-ion batteries. J. Power Sources 2011, 196, 10267–10279. [Google Scholar] [CrossRef]
- Doyle, M.; Fuller, T.F.; Newman, J. Modeling of Galvanostatic Charge and Discharge of the Lithium/Polymer/Insertion Cell. J. Electrochem. Soc. 1993, 140, 1526. [Google Scholar] [CrossRef]
- Han, X.; Ouyang, M.; Lu, L.; Li, J. Simplification of physics-based electrochemical model for lithium ion battery on electric vehicle. Part II: Pseudo-two-dimensional model simplification and state of charge estimation. J. Power Sources 2015, 278, 814–825. [Google Scholar] [CrossRef]
- Xu, X.; Tang, S.; Ren, H.; Han, X.; Wu, Y.; Lu, L.; Feng, X.; Yu, C.; Xie, J.; Ouyang, M.; et al. Joint state estimation of lithium-ion batteries combining improved equivalent circuit model with electrochemical mechanism and diffusion process. J. Energy Storage 2022, 56, 106135. [Google Scholar] [CrossRef]
- Yunlong, L.; Yingchun, L.; Haijing, Z.; Huichao, G. Analysis of factors influencing homogenization effect of microlens array in laser lighting system. In Proceedings of the International Conference on Laser, Optics and Optoelectronic Technology (LOPET 2021), Xi’an, China, 28–30 May 2021; p. 1188502. [Google Scholar]
- Wang, Q.-K.; He, Y.-J.; Shen, J.-N.; Ma, Z.-F.; Zhong, G.-B. A unified modeling framework for lithium-ion batteries: An artificial neural network based thermal coupled equivalent circuit model approach. Energy 2017, 138, 118–132. [Google Scholar] [CrossRef]
- Dong, G.; Zhang, X.; Zhang, C.; Chen, Z. A method for state of energy estimation of lithium-ion batteries based on neural network model. Energy 2015, 90, 879–888. [Google Scholar] [CrossRef]
- Li, S.; He, H.; Li, J. Big data driven lithium-ion battery modeling method based on SDAE-ELM algorithm and data pre-processing technology. Appl. Energy 2019, 242, 1259–1273. [Google Scholar] [CrossRef]
- Arbab, N.; Wang, W.; Lin, C.; Hearron, J.; Fahimi, B. Thermal Modeling and Analysis of a Double-Stator Switched Reluctance Motor. IEEE Trans. Energy Convers. 2015, 30, 1209–1217. [Google Scholar] [CrossRef]
- Ušakovs, I.; Mishkinis, D.; Galkin, I.A.; Bubovich, A.; Podgornovs, A. Experimental thermal characterization of the in-wheel electric motor with loop heat pipe thermal management system. Case Stud. Therm. Eng. 2023, 47, 103069. [Google Scholar] [CrossRef]
- Zhang, X.; Yang, Q.; Ma, M.; Lin, Z.; Yang, S. A Switched Reluctance Motor Torque Ripple Reduction Strategy With Deadbeat Current Control and Active Thermal Management. IEEE Trans. Veh. Technol. 2020, 69, 317–327. [Google Scholar] [CrossRef]
- Park, M.H.; Kim, S.C. Development and validation of lumped parameter thermal network model on rotational oil spray cooled motor for electric vehicles. Appl. Therm. Eng. 2023, 225, 120176. [Google Scholar] [CrossRef]
- Tikadar, A.; Johnston, D.; Kumar, N.; Joshi, Y.; Kumar, S. Comparison of electro-thermal performance of advanced cooling techniques for electric vehicle motors. Appl. Therm. Eng. 2021, 183, 116182. [Google Scholar] [CrossRef]
- Kim, S.; Lee, S.; Kang, D.G.; Kim, M.S. Motor cooling method using flow boiling of two-phase refrigerant and its analysis with lumped parameter thermal model. Int. J. Therm. Sci. 2023, 192, 108458. [Google Scholar] [CrossRef]
- Li, B.; Kuo, H.; Wang, X.; Chen, Y.; Wang, Y.; Gerada, D.; Worall, S.; Stone, I.; Yan, Y. Thermal Management of Electrified Propulsion System for Low-Carbon Vehicles. Automot. Innov. 2020, 3, 299–316. [Google Scholar] [CrossRef]
- Garud, K.S.; Hwang, S.-G.; Han, J.-W.; Lee, M.-Y. Performance characteristics of the direct spray oil cooling system for a driving motor of an electric vehicle. Int. J. Heat Mass Transf. 2022, 196, 123228. [Google Scholar] [CrossRef]
- Garud, K.S.; Lee, M.-Y. Grey relational based Taguchi analysis on heat transfer performances of direct oil spray cooling system for electric vehicle driving motor. Int. J. Heat Mass Transf. 2023, 201, 123596. [Google Scholar] [CrossRef]
- Park, J.; An, J.; Han, K.; Choi, H.-S.; Seouk Park, I. Enhancement of cooling performance in traction motor of electric vehicle using direct slot cooling method. Appl. Therm. Eng. 2022, 217, 119082. [Google Scholar] [CrossRef]
- Chang, M.; Lai, B.; Wang, H.; Bai, J.; Mao, Z. Comprehensive efficiency analysis of air-cooled vs water-cooled electric motor for unmanned aerial vehicle. Appl. Therm. Eng. 2023, 225, 120226. [Google Scholar] [CrossRef]
- Saleem, A.; Hyeon Park, M.; Ambreen, T.; Chul Kim, S. Optimization of oil flow distribution inside the in-wheel motor assembly of electric vehicles for improved thermal performance. Appl. Therm. Eng. 2022, 201, 117753. [Google Scholar] [CrossRef]
- Shazly, J.; Wahsh, S.; Yassin, A. Thermal modeling of an AFPMSM: A review. J. Electr. Syst. Inf. Technol. 2015, 2, 18–26. [Google Scholar] [CrossRef]
- Sciascera, C.; Giangrande, P.; Papini, L.; Gerada, C.; Galea, M. Analytical Thermal Model for Fast Stator Winding Temperature Prediction. IEEE Trans. Ind. Electron. 2017, 64, 6116–6126. [Google Scholar] [CrossRef]
- Huang, X.; Li, K.; Xie, Y.; Liu, B.; Liu, J.; Liu, Z.; Mou, L. A novel multistage constant compressor speed control strategy of electric vehicle air conditioning system based on genetic algorithm. Energy 2022, 241, 122903. [Google Scholar] [CrossRef]
- Göltz, S.; Sawodny, O. Design and comparison of model-based controllers for an automotive air conditioning system in an electric vehicle. Control Eng. Pract. 2023, 130, 105376. [Google Scholar] [CrossRef]
- Power, P.; Evaporator, E.; Energy, E.; Condenser, C.; Rate, Q.H.F. Simulative Comparison of Conventional and Secondary Loop Automotive Refrigeration Systems. In Proceedings of the Vehicle Thermal Management Systems Conference, Nottingham, UK, 10–13 May 2015; pp. 511–523. [Google Scholar]
- Zhang, L.; Jiang, Y.; Dong, J.; Yao, Y. Advances in vapor compression air source heat pump system in cold regions: A review. Renew. Sustain. Energy Rev. 2018, 81, 353–365. [Google Scholar] [CrossRef]
- Zhao, R.; Li, W.; Zhuge, W. Unsteady characteristic and flow mechanism of a scroll compressor with novel discharge port for electric vehicle air conditioning. Int. J. Refrig. 2020, 118, 403–414. [Google Scholar] [CrossRef]
- Lemort, V.; Quoilin, S.; Cuevas, C.; Lebrun, J. Testing and modeling a scroll expander integrated into an Organic Rankine Cycle. Appl. Therm. Eng. 2009, 29, 3094–3102. [Google Scholar] [CrossRef]
- Ishii, N.; Sakai, M.; Sano, K.; Yamamoto, S.; Otokura, T. A fundamental optimum design for high mechanical and volumetric efficiency of compact scroll compressors. In Proceedings of the International Compressor Engineering Conference, West Lafayette, IN, USA, 23–26 July 1996. [Google Scholar]
- Tateishi, T.; Sato, H.; Kobayashi, H.; Mizuno, H. Development of high performance 3d scroll compressor. In Proceedings of the International Compressor Engineering Conference, Lafayette, IN, USA, 17–20 July 2006. [Google Scholar]
- Clemente, S.; Micheli, D.; Reini, M.; Taccani, R. Energy efficiency analysis of Organic Rankine Cycles with scroll expanders for cogenerative applications. Appl. Energy 2012, 97, 792–801. [Google Scholar] [CrossRef]
- Emhardt, S.; Tian, G.; Chew, J. A review of scroll expander geometries and their performance. Appl. Therm. Eng. 2018, 141, 1020–1034. [Google Scholar] [CrossRef]
- Zheng, S.; Wei, M.; Zhou, Y.; Hu, C.; Song, P. Tangential leakage flow control with seal-grooves on the static scroll of a CO2 scroll compressor. Appl. Therm. Eng. 2022, 208, 118213. [Google Scholar] [CrossRef]
- Blunier, B.; Cirrincione, G.; Hervé, Y.; Miraoui, A. A new analytical and dynamical model of a scroll compressor with experimental validation. Int. J. Refrig. 2009, 32, 874–891. [Google Scholar] [CrossRef]
- Bell, I.H.; Groll, E.A.; Braun, J.E.; King, G.B.; Horton, W.T. Optimization of a scroll compressor for liquid flooding. Int. J. Refrig. 2012, 35, 1901–1913. [Google Scholar] [CrossRef]
- Hirano, T.; Hagimoto, K.; Maeda, M. Study on scroll profile for scroll fluid machines. Trans. Jpn. Soc. Refrig. Air Cond. Eng. 2011, 8, 53–64. [Google Scholar]
- Bin, P.; Lemort, V.; Legros, A.; Hongsheng, Z.; Haifeng, G. Variable thickness scroll compressor performance analysis—Part I: Geometric and thermodynamic modeling. Proc. Inst. Mech. Eng. Part E J. Process Mech. Eng. 2016, 231, 633–640. [Google Scholar] [CrossRef]
- Emhardt, S.; Song, P.; Tian, G.; Chew, J.; Wei, M. CFD analysis of variable wall thickness scroll expander integrated into small scale ORC systems. Energy Procedia 2019, 158, 2272–2277. [Google Scholar] [CrossRef]
- Emhardt, S.; Tian, G.; Song, P.; Chew, J.; Wei, M. CFD analysis of the influence of variable wall thickness on the aerodynamic performance of small scale ORC scroll expanders. Energy 2022, 244, 122586. [Google Scholar] [CrossRef]
- Qin, F.; Xue, Q.; Albarracin Velez, G.M.; Zhang, G.; Zou, H.; Tian, C. Experimental investigation on heating performance of heat pump for electric vehicles at −20 °C ambient temperature. Energy Convers. Manag. 2015, 102, 39–49. [Google Scholar] [CrossRef]
- Zhang, D.; Li, J.; Nan, J.; Wang, L. Thermal performance prediction and analysis on the economized vapor injection air-source heat pump in cold climate region of China. Sustain. Energy Technol. Assess. 2016, 18, 127–133. [Google Scholar] [CrossRef]
- Zhang, X.; Zhang, B.; Cao, J.; Su, L.; Li, K. Numerical investigation on the performance and vapor injection process of a scroll compressor with different injection features. Appl. Therm. Eng. 2022, 217, 119061. [Google Scholar] [CrossRef]
- Kim, D.; Jeon, Y.; Jang, D.S.; Kim, Y. Performance comparison among two-phase, liquid, and vapor injection heat pumps with a scroll compressor using R410A. Appl. Therm. Eng. 2018, 137, 193–202. [Google Scholar] [CrossRef]
- Park, Y.; Kim, J.; Oh, J.; Han, U.; Lee, H. Multi-objective optimization of an offset strip fin heat exchanger for waste heat recovery in electric vehicles. Appl. Therm. Eng. 2023, 228, 120533. [Google Scholar] [CrossRef]
- Samiolo, M.; Verdin, P.G. Numerical modelling of a finless heat exchanger layout for electric vehicle application. Appl. Therm. Eng. 2022, 211, 118506. [Google Scholar] [CrossRef]
- Prabakaran, R.; Salman, M.; Lee, D.; Kim, S.C. Condensation of R1234yf in a plate heat exchanger with an offset strip fin flow structure for electric vehicle heat pumps. Int. Commun. Heat Mass Transf. 2023, 143, 106699. [Google Scholar] [CrossRef]
- Meng, L.; Liu, J.; Bi, J.; Özdemir, E.D.; Aksel, M.H. Multi-objective optimization of plate heat exchanger for commercial electric vehicle based on genetic algorithm. Case Stud. Therm. Eng. 2023, 41, 102629. [Google Scholar] [CrossRef]
- Mahvi, A.J.; Boyina, K.; Musser, A.; Elbel, S.; Miljkovic, N. Superhydrophobic heat exchangers delay frost formation and enhance efficency of electric vehicle heat pumps. Int. J. Heat Mass Transf. 2021, 172, 121162. [Google Scholar] [CrossRef]
- Lee, J.; Lee, K.-S. Flow characteristics and thermal performance in chevron type plate heat exchangers. Int. J. Heat Mass Transf. 2014, 78, 699–706. [Google Scholar] [CrossRef]
- Han, D.-H.; Lee, K.-J.; Kim, Y.-H. Experiments on the characteristics of evaporation of R410A in brazed plate heat exchangers with different geometric configurations. Appl. Therm. Eng. 2003, 23, 1209–1225. [Google Scholar] [CrossRef]
- Würfel, R.; Ostrowski, N. Experimental investigations of heat transfer and pressure drop during the condensation process within plate heat exchangers of the herringbone-type. Int. J. Therm. Sci. 2004, 43, 59–68. [Google Scholar] [CrossRef]
- Liu, Z.; Chen, Z.; Li, W.; Ding, Z.; Xu, Z. Composite Fouling Characteristics on Ni-P-PTFE Nanocomposite Surface in Corrugated Plate Heat Exchanger. Heat Transf. Eng. 2021, 42, 1877–1888. [Google Scholar] [CrossRef]
- Lee, J.; Lee, K.-S. Friction and Colburn factor correlations and shape optimization of chevron-type plate heat exchangers. Appl. Therm. Eng. 2015, 89, 62–69. [Google Scholar] [CrossRef]
- Zhang, Y.; Jiang, C.; Yang, Z.; Zhang, Y.; Bai, B. Numerical study on heat transfer enhancement in capsule-type plate heat exchangers. Appl. Therm. Eng. 2016, 108, 1237–1242. [Google Scholar] [CrossRef]
- Durmuş, A.; Benli, H.; Kurtbaş, İ.; Gül, H. Investigation of heat transfer and pressure drop in plate heat exchangers having different surface profiles. Int. J. Heat Mass Transf. 2009, 52, 1451–1457. [Google Scholar] [CrossRef]
- Nguyen, D.H.; Kweon, B.; Kwon, J.-S.; Kim, T.; Wongwises, S.; Ahn, H.S. Numerical study on novel airfoil corrugated plate heat exchanger: A comparison with commercial type and geometrical parameter analysis. Int. J. Heat Mass Transf. 2022, 195, 123119. [Google Scholar] [CrossRef]
- Yao, Y.; Ding, J.; Zhang, Y.; Wang, W.; Lu, J. Heat transfer performance of pillow plate heat exchanger with molten salt and supercritical carbon dioxide. Int. J. Heat Mass Transf. 2022, 183, 122211. [Google Scholar] [CrossRef]
- Wang, D.; Zhang, H.; Wang, G.; Yuan, H.; Peng, X. Experimental and numerical study on the heat transfer and flow characteristics of convex plate heat exchanger based on multi-objective optimization. Int. J. Heat Mass Transf. 2023, 202, 123755. [Google Scholar] [CrossRef]
- Habib, T.; Kristiansen, J.N.; Rana, M.B.; Ritala, P. Revisiting the role of modular innovation in technological radicalness and architectural change of products: The case of Tesla X and Roomba. Technovation 2020, 98, 102163. [Google Scholar] [CrossRef]
- Mancini, N.; Mardall, J.; Kopitz, J.; O’Donnell, C.R.; Hanks, D.F.; Li, H. Optimal Source Electric Vehicle Heat Pump with Extreme Temperature Heating Capability and Efficient Thermal Preconditioning. U.S. Patent 10,967,702, 6 April 2021. [Google Scholar]
- Zhang, Z.; Liang, T.; Yang, L.; Yongjian, F.U. Integrated Expansion Kettle for Electric Car, and Electric Car. CN 201910822053.4, 11 March 2021. [Google Scholar]
- Li, S.; Xu, M.; Jin, W.; Ye, M.; Zhou, Z. Integrated Valve Module. 215063015U, 7 December 2021. [Google Scholar]
- Zhang, Z.; Wang, D.; Zhang, C.; Chen, J. Electric vehicle range extension strategies based on improved AC system in cold climate—A review. Int. J. Refrig. 2018, 88, 141–150. [Google Scholar] [CrossRef]
- Bellocchi, S.; Leo Guizzi, G.; Manno, M.; Salvatori, M.; Zaccagnini, A. Reversible heat pump HVAC system with regenerative heat exchanger for electric vehicles: Analysis of its impact on driving range. Appl. Therm. Eng. 2018, 129, 290–305. [Google Scholar] [CrossRef]
- Feng, L.; Hrnjak, P. Experimental Study of an Air Conditioning-Heat Pump System for Electric Vehicles; SAE Technical Paper; SAE: Warrendale, PA, USA, 2016; Volume 9. [Google Scholar]
- Ning, Q.; He, G.; Xiong, G.; Sun, W.; Song, H. Operation strategy and performance investigation of a high-efficiency multifunctional two-stage vapor compression heat pump air conditioning system for electric vehicles in severe cold regions. Sustain. Energy Technol. Assess. 2021, 48, 101617. [Google Scholar] [CrossRef]
- Yu, T.; Wang, B.; Li, X.; Shi, W. Performance analysis and operation strategy of a dual-evaporation temperature heat pump system for electric vehicles in winter. Appl. Therm. Eng. 2023, 219, 119594. [Google Scholar] [CrossRef]
- Li, W.; Liu, Y.; Liu, R.; Wang, D.; Shi, J.; Yu, Z.; Cheng, L.; Chen, J. Performance evaluation of secondary loop low-temperature heat pump system for frost prevention in electric vehicles. Appl. Therm. Eng. 2021, 182, 115615. [Google Scholar] [CrossRef]
- Nasr, M.R.; Fauchoux, M.; Besant, R.W.; Simonson, C.J. A review of frosting in air-to-air energy exchangers. Renew. Sustain. Energy Rev. 2014, 30, 538–554. [Google Scholar] [CrossRef]
- Kim, K.; Kim, M.-H.; Kim, D.R.; Lee, K.-S. Thermal performance of microchannel heat exchangers according to the design parameters under the frosting conditions. Int. J. Heat Mass Transf. 2014, 71, 626–632. [Google Scholar] [CrossRef]
- Hu, Y.; Yuill, D.P.; Ebrahimifakhar, A. The effects of outdoor air-side fouling on frost growth and heat transfer characteristics of a microchannel heat exchanger: An experimental study. Int. J. Heat Mass Transf. 2020, 151, 119423. [Google Scholar] [CrossRef]
- Liu, C.; Guo, X.M.; Yang, B. Experimental Study on the Defrost Characteristics of an Air Source Heat Pump Unit with Split Fin-tube Heat Exchangers. In Proceedings of the 2010 Asia-Pacific Power and Energy Engineering Conference, Chengdu, China, 28–31 March 2010; pp. 1–5. [Google Scholar]
- Li, K.; Xia, D.; Luo, S.; Zhao, Y.; Tu, R.; Zhou, X.; Zhang, H.; Su, L. An experimental investigation on the frosting and defrosting process of an outdoor heat exchanger in an air conditioning heat pump system for electric vehicles. Appl. Therm. Eng. 2022, 201, 117766. [Google Scholar] [CrossRef]
- Westhaeuser, J.; Schatz, H.; Albrecht, J.-C.; Tegethoff, W.; Lemke, N.; Koehler, J. Analysis of cyclic frosting and defrosting of a vehicle heat pump. Int. J. Refrig. 2023. [Google Scholar] [CrossRef]
- Liu, N.; Cui, Q.; Li, H.; Li, K.; Fang, Y.; Su, L.; Zhang, H.; Shan, X.; Jin, X. Investigating the performance optimization of an outdoor condenser–evaporator for an electric vehicle heat pump system. Energy Rep. 2021, 7, 5130–5140. [Google Scholar] [CrossRef]
- Li, K.; Xia, D.; Bao, J.; Luo, S.; Zhang, H.; Liu, N.; Su, L.; Sheng, L. Investigation on reverse cycle defrosting strategy of an outdoor heat exchanger in air conditioning heat pump system for electric vehicles. Case Stud. Therm. Eng. 2021, 27, 101281. [Google Scholar] [CrossRef]
- Chen, J.; Wu, J.; He, J.; Guo, Z. A novel defrosting initiating strategy for automotive air conditioner heat pumps based on frost thickness growth prediction. Int. J. Refrig. 2022, 134, 242–252. [Google Scholar] [CrossRef]
- Li, Z.; Liang, K.; Jiang, H. Experimental study of R1234yf as a drop-in replacement for R134a in an oil-free refrigeration system. Appl. Therm. Eng. 2019, 153, 646–654. [Google Scholar] [CrossRef]
- Li, W.; Liu, R.; Liu, Y.; Wang, D.; Shi, J.; Chen, J. Performance evaluation of R1234yf heat pump system for an electric vehicle in cold climate. Int. J. Refrig. 2020, 115, 117–125. [Google Scholar] [CrossRef]
- Meng, Z.; Zhang, H.; Lei, M.; Qin, Y.; Qiu, J. Performance of low GWP R1234yf/R134a mixture asa replacement for R134a in automotive air conditioning systems. Int. J. Heat Mass Transf. 2018, 116, 362–370. [Google Scholar] [CrossRef]
- Kandhaswamy, K.; Periasamy, S.; Mayilsamy, S.; Thangavel, S. Experimental investigations on automobile air conditioners working with R134a and R290/R600a as an alternative. Therm. Sci. 2017, 21, 515–522. [Google Scholar] [CrossRef]
- Huang, Y.; Wu, X.; Jing, J. Research on the electric vehicle heat pump air conditioning system based on R290 refrigerant. Energy Rep. 2022, 8, 447–455. [Google Scholar] [CrossRef]
- Liu, C.; Zhang, Y.; Gao, T.; Shi, J.; Chen, J.; Wang, T.; Pan, L. Performance evaluation of propane heat pump system for electric vehicle in cold climate. Int. J. Refrig. 2018, 95, 51–60. [Google Scholar] [CrossRef]
- Liu, B.; Yang, Z.; Zhang, Y.; Lv, Z.; Chen, Y.; Chen, S. Evaluation of a low-GWP and nonflammable blend as a new alternative for R134a in the heat pump system. Int. J. Refrig. 2022, 143, 1–10. [Google Scholar] [CrossRef]
- Yu, B.; Yang, J.; Wang, D.; Shi, J.; Guo, Z.; Chen, J. Experimental energetic analysis of CO2/R41 blends in automobile air-conditioning and heat pump systems. Appl. Energy 2019, 239, 1142–1153. [Google Scholar] [CrossRef]
- Mansour, S.; Jalali, A.; Ashjaee, M.; Houshfar, E. Multi-objective optimization of a sandwich rectangular-channel liquid cooling plate battery thermal management system: A deep-learning approach. Energy Convers. Manag. 2023, 290, 117200. [Google Scholar] [CrossRef]
- Ranjbaran, Y.S.; Shojaeefard, M.H.; Molaeimanesh, G.R. Thermal performance enhancement of a passive battery thermal management system based on phase change material using cold air passageways for lithium batteries. J. Energy Storage 2023, 68, 107744. [Google Scholar] [CrossRef]
- Weragoda, D.M.; Tian, G.; Burkitbayev, A.; Lo, K.-H.; Zhang, T. A comprehensive review on heat pipe based battery thermal management systems. Appl. Therm. Eng. 2023, 224, 120070. [Google Scholar] [CrossRef]
- Ebbs-Picken, T.; Da Silva, C.M.; Amon, C.H. Design optimization methodologies applied to battery thermal management systems: A review. J. Energy Storage 2023, 67, 107460. [Google Scholar] [CrossRef]
- Zhou, Z.; Chen, S.; Luo, M.; Du, W.; Wu, Y.; Yu, Y. Effect of mechanical vibration on phase change material based thermal management system for a cylindrical lithium-ion battery at high ambient temperature and high discharge rate. Int. J. Heat Mass Transf. 2023, 211, 124255. [Google Scholar] [CrossRef]
- Xiong, X.; Wang, Z.; Fan, Y.; Wang, H. Numerical analysis of cylindrical lithium-ion battery thermal management system based on bionic flow channel structure. Therm. Sci. Eng. Prog. 2023, 42, 101879. [Google Scholar] [CrossRef]
- Nazar, M.W.; Iqbal, N.; Ali, M.; Nazir, H.; Amjad, M.Z.B. Thermal management of Li-ion battery by using active and passive cooling method. J. Energy Storage 2023, 61, 106800. [Google Scholar] [CrossRef]
- Li, A.; Weng, J.; Yuen, A.C.Y.; Wang, W.; Liu, H.; Lee, E.W.M.; Wang, J.; Kook, S.; Yeoh, G.H. Machine learning assisted advanced battery thermal management system: A state-of-the-art review. J. Energy Storage 2023, 60, 106688. [Google Scholar] [CrossRef]
- Sahin, R.C.; Gocmen, S.; Cetkin, E. Thermal management system for air-cooled battery packs with flow-disturbing structures. J. Power Sources 2022, 551, 232214. [Google Scholar] [CrossRef]
- Shen, X.; Cai, T.; He, C.; Yang, Y.; Chen, M. Thermal analysis of modified Z-shaped air-cooled battery thermal management system for electric vehicles. J. Energy Storage 2023, 58, 106356. [Google Scholar] [CrossRef]
- Oyewola, O.M.; Awonusi, A.A.; Ismail, O.S. Design optimization of Air-Cooled Li-ion battery thermal management system with Step-like divergence plenum for electric vehicles. Alex. Eng. J. 2023, 71, 631–644. [Google Scholar] [CrossRef]
- Yang, C.; Xi, H.; Wang, M. Structure optimization of air cooling battery thermal management system based on lithium-ion battery. J. Energy Storage 2023, 59, 106538. [Google Scholar] [CrossRef]
- Luo, L.; Liu, Y.; Liao, Z.; Zhong, J. Optimal structure design and heat transfer characteristic analysis of X-type air-cooled battery thermal management system. J. Energy Storage 2023, 67, 107681. [Google Scholar] [CrossRef]
- Abdulrasool Hasan, H.; Togun, H.; M Abed, A.; I Mohammed, H.; Biswas, N. A novel air-cooled Li-ion battery (LIB) array thermal management system—A numerical analysis. Int. J. Therm. Sci. 2023, 190, 108327. [Google Scholar] [CrossRef]
- Li, W.; Wang, N.; Garg, A.; Gao, L. Multi-objective optimization of an air cooling battery thermal management system considering battery degradation and parasitic power loss. J. Energy Storage 2023, 58, 106382. [Google Scholar] [CrossRef]
- Wang, C.; Xu, J.; Wang, M.; Xi, H. Experimental investigation on reciprocating air-cooling strategy of battery thermal management system. J. Energy Storage 2023, 58, 106406. [Google Scholar] [CrossRef]
- Ren, R.; Zhao, Y.; Diao, Y.; Liang, L. Experimental study on the bottom liquid cooling thermal management system for lithium-ion battery based on multichannel flat tube. Appl. Therm. Eng. 2023, 219, 119636. [Google Scholar] [CrossRef]
- Zhao, D.; Lei, Z.; An, C. Research on battery thermal management system based on liquid cooling plate with honeycomb-like flow channel. Appl. Therm. Eng. 2023, 218, 119324. [Google Scholar] [CrossRef]
- Sheng, L.; Su, L.; Zhang, H.; Li, K.; Fang, Y.; Ye, W.; Fang, Y. Numerical investigation on a lithium ion battery thermal management utilizing a serpentine-channel liquid cooling plate exchanger. Int. J. Heat Mass Transf. 2019, 141, 658–668. [Google Scholar] [CrossRef]
- Xie, L.; Huang, Y.; Lai, H. Coupled prediction model of liquid-cooling based thermal management system for cylindrical lithium-ion module. Appl. Therm. Eng. 2020, 178, 115599. [Google Scholar] [CrossRef]
- Li, W.; Garg, A.; Xiao, M.; Gao, L. Optimization for Liquid Cooling Cylindrical Battery Thermal Management System Based on Gaussian Process Model. J. Therm. Sci. Eng. Appl. 2020, 13, 021015. [Google Scholar] [CrossRef]
- Yang, H.; Wang, Z.; Li, M.; Ren, F.; Feng, Y. A manifold channel liquid cooling system with low-cost and high temperature uniformity for lithium-ion battery pack thermal management. Therm. Sci. Eng. Prog. 2023, 41, 101857. [Google Scholar] [CrossRef]
- He, P.; Lu, H.; Fan, Y.; Ruan, H.; Wang, C.; Zhu, Y. Numerical investigation on a lithium-ion battery thermal management system utilizing a double-layered I-shaped channel liquid cooling plate exchanger. Int. J. Therm. Sci. 2023, 187, 108200. [Google Scholar] [CrossRef]
- Xie, J.; Liu, X.; Zhang, G.; Yang, X. A novel strategy to optimize the liquid cooling plates for battery thermal management by precisely tailoring the internal structure of the flow channels. Int. J. Therm. Sci. 2023, 184, 107877. [Google Scholar] [CrossRef]
- Wang, Z.; Wang, Y.; Xie, Z.; Li, H.; Peng, W. Parametric investigation on the performance of a direct evaporation cooling battery thermal management system. Int. J. Heat Mass Transf. 2022, 189, 122685. [Google Scholar] [CrossRef]
- Wu, W.; Yang, X.; Zhang, G.; Ke, X.; Wang, Z.; Situ, W.; Li, X.; Zhang, J. An experimental study of thermal management system using copper mesh-enhanced composite phase change materials for power battery pack. Energy 2016, 113, 909–916. [Google Scholar] [CrossRef]
- Zhou, D.; Luo, Y.; Bi, C.; Li, X.; Deng, J.; Yang, W.; Li, C. Experimental and simulative investigation on battery thermal management system with structural optimization of composite phase change material. J. Energy Storage 2023, 60, 106613. [Google Scholar] [CrossRef]
- Yan, J.; Li, K.; Chen, H.; Wang, Q.; Sun, J. Experimental study on the application of phase change material in the dynamic cycling of battery pack system. Energy Convers. Manag. 2016, 128, 12–19. [Google Scholar] [CrossRef]
- Xin, S.; Wang, C.; Xi, H. Thermal management scheme and optimization of cylindrical lithium-ion battery pack based on air cooling and liquid cooling. Appl. Therm. Eng. 2023, 224, 120100. [Google Scholar] [CrossRef]
- Wu, X.; Wang, K.; Chang, Z.; Chen, Y.; Cao, S.; Lv, C.; Liu, H.; Wang, Y. Experimental and numerical study on hybrid battery thermal management system combining liquid cooling with phase change materials. Int. Commun. Heat Mass Transf. 2022, 139, 106480. [Google Scholar] [CrossRef]
- Yao, M.; Gan, Y.; Liang, J.; Dong, D.; Ma, L.; Liu, J.; Luo, Q.; Li, Y. Performance simulation of a heat pipe and refrigerant-based lithium-ion battery thermal management system coupled with electric vehicle air-conditioning. Appl. Therm. Eng. 2021, 191, 116878. [Google Scholar] [CrossRef]
- Shabgard, H.; Allen, M.J.; Sharifi, N.; Benn, S.P.; Faghri, A.; Bergman, T.L. Heat pipe heat exchangers and heat sinks: Opportunities, challenges, applications, analysis, and state of the art. Int. J. Heat Mass Transf. 2015, 89, 138–158. [Google Scholar] [CrossRef]
- Ma, Y.; Ding, H.; Mou, H.; Gao, J. Battery thermal management strategy for electric vehicles based on nonlinear model predictive control. Measurement 2021, 186, 110115. [Google Scholar] [CrossRef]
- Ma, Y.; Ding, H.; Liu, Y.; Gao, J. Battery thermal management of intelligent-connected electric vehicles at low temperature based on NMPC. Energy 2022, 244, 122571. [Google Scholar] [CrossRef]
- Zhu, C.; Lu, F.; Zhang, H.; Sun, J.; Mi, C.C. A Real-Time Battery Thermal Management Strategy for Connected and Automated Hybrid Electric Vehicles (CAHEVs) Based on Iterative Dynamic Programming. IEEE Trans. Veh. Technol. 2018, 67, 8077–8084. [Google Scholar] [CrossRef]
- Broatch, A.; Pla, B.; Bares, P.; Perin, A. Leveraging look-ahead information for optimal battery thermal management. Appl. Therm. Eng. 2023, 220, 119685. [Google Scholar] [CrossRef]
- Kim, C.; Lee, K.-S. Thermal nexus model for the thermal characteristic analysis of an open-type air-cooled induction motor. Appl. Therm. Eng. 2017, 112, 1108–1116. [Google Scholar] [CrossRef]
- Peng, H.S.; Lai, F.H.; Iop. Investigation of Parameters Affecting Heat Transfer and Fluid Flow of a TEFC Electric Motor by Using Taguchi Method. IOP Conf. Ser. Mater. Sci. Eng. 2019, 491, 012021. [Google Scholar] [CrossRef]
- Kim, C.; Lee, K.S.; Yook, S.J. Effect of air-gap fans on cooling of windings in a large-capacity, high-speed induction motor. Appl. Therm. Eng. 2016, 100, 658–667. [Google Scholar] [CrossRef]
- Jaeger, M.; Ruf, A.; Hameyer, K.; Grosse-von Tongeln, T. Thermal Analysis of an Electrical Traction Motor with an Air Cooled Rotor. In Proceedings of the 2018 IEEE Transportation and Electrification Conference and Expo (ITEC), Bangkok, Thailand, 6–9 June 2018; pp. 467–470. [Google Scholar]
- Kim, M.S.; Lee, K.S.; Um, S. Numerical investigation and optimization of the thermal performance of a brushless DC motor. Int. J. Heat Mass Transf. 2009, 52, 1589–1599. [Google Scholar] [CrossRef]
- Satrustegui, M.; Martinez-Iturralde, M.; Ramos, J.C.; Gonzalez, P.; Astarbe, G.; Elosegui, I. Design criteria for water cooled systems of induction machines. Appl. Therm. Eng. 2017, 114, 1018–1028. [Google Scholar] [CrossRef]
- Wu, P.S.; Hsieh, M.-F.; Cai, W.L.; Liu, J.H.; Huang, Y.T.; Caceres, J.F.; Chang, S.W. Heat Transfer and Thermal Management of Interior Permanent Magnet Synchronous Electric Motor. Inventions 2019, 4, 69. [Google Scholar] [CrossRef]
- Deriszadeh, A.; de Monte, F.; Villani, M.; Di Leonardo, L. Hydrothermal Performance of Ethylene Glycol and Water Mixture in a Spiral Channel for Electric Motor Cooling. In Proceedings of the 2019 21ST European Conference on Power Electronics and Applications (EPE ‘19 ECCE EUROPE), Genova, Italy, 3–5 September 2019. [Google Scholar]
- Nategh, S.; Huang, Z.; Krings, A.; Wallmark, O.; Leksell, M. Thermal Modeling of Directly Cooled Electric Machines Using Lumped Parameter and Limited CFD Analysis. IEEE Trans. Energy Convers. 2013, 28, 979–990. [Google Scholar] [CrossRef]
- Rhebergen, C.; Bilgin, B.; Emadi, A.; Rowan, E.; Lo, J.; IEEE. Enhancement of Electric Motor Thermal Management through Axial Cooling Methods: A Materials Approach. In Proceedings of the 2015 IEEE Energy Conversion Congress and Exposition (ECCE), Montreal, WI, USA, 20–24 September 2015; pp. 5682–5688. [Google Scholar]
- Rahman, N.A.; Bostanci, E.; Fahimi, B.; IEEE. Thermal Analysis of Switched Reluctance Motor with Direct In-Winding Cooling System. In Proceedings of the 2016 IEEE Conference on Electromagnetic Field Computation (CEFC), Miami, FL, USA, 13–16 November 2016. [Google Scholar]
- Chen, X.; Wang, J.B.; Griffo, A.; Spagnolo, A. Thermal Modeling of Hollow Conductors for Direct Cooling of Electrical Machines. IEEE Trans. Ind. Electron. 2020, 67, 895–905. [Google Scholar] [CrossRef]
- Wohlers, C.; Juris, P.; Kabelac, S.; Ponick, B. Design and direct liquid cooling of tooth-coil windings. Electr. Eng. 2018, 100, 2299–2308. [Google Scholar] [CrossRef]
- Davin, T.; Pelle, J.; Harmand, S.; Yu, R. Experimental study of oil cooling systems for electric motors. Appl. Therm. Eng. 2015, 75, 1–13. [Google Scholar] [CrossRef]
- Wang, X.H.; Li, B.; Huang, K.; Yan, Y.Y.; Stone, I.; Worrall, S. Experimental investigation on end winding thermal management with oil spray in electric vehicles. Case Stud. Therm. Eng. 2022, 35, 102082. [Google Scholar] [CrossRef]
- Guechi, M.R.; Desevaux, P.; Baucour, P.; Espanet, C.; Brunel, R.; Poirot, M. Spray cooling of electric motor coil windings. J. Comput. Multiph. Flows 2016, 8, 95–100. [Google Scholar] [CrossRef]
- Liu, C.; Xu, Z.Y.; Gerada, D.; Li, J.; Gerada, C.; Chong, Y.C.; Popescu, M.; Goss, J.; Staton, D.; Zhang, H. Experimental Investigation on Oil Spray Cooling With Hairpin Windings. IEEE Trans. Ind. Electron. 2020, 67, 7343–7353. [Google Scholar] [CrossRef]
- Wang, S.N.; Li, Y.H.; Li, Y.Z.; Wang, J.X.; Xiao, X.; Guo, W. Transient cooling effect analyses for a permanent-magnet synchronous motor with phase-change-material packaging. Appl. Therm. Eng. 2016, 109, 251–260. [Google Scholar] [CrossRef]
- Fang, G.Y.; Yuan, W.; Yan, Z.G.; Sun, Y.L.; Tang, Y. Thermal management integrated with three-dimensional heat pipes for air-cooled permanent magnet synchronous motor. Appl. Therm. Eng. 2019, 152, 594–604. [Google Scholar] [CrossRef]
- Sun, Y.L.; Zhang, S.W.; Chen, G.; Tang, Y.; Liang, F.Y. Experimental and numerical investigation on a novel heat pipe based cooling strategy for permanent magnet synchronous motors. Appl. Therm. Eng. 2020, 170, 114970. [Google Scholar] [CrossRef]
- Park, M.H.; Kim, S.C. Thermal characteristics and effects of oil spray cooling on in-wheel motors in electric vehicles. Appl. Therm. Eng. 2019, 152, 582–593. [Google Scholar] [CrossRef]
- Lim, D.H.; Kim, S.C. Thermal performance of oil spray cooling system for in-wheel motor in electric vehicles. Appl. Therm. Eng. 2014, 63, 577–587. [Google Scholar] [CrossRef]
- Lim, D.H.; Lee, M.Y.; Lee, H.S.; Kim, S.C. Performance Evaluation of an In-Wheel Motor Cooling System in an Electric Vehicle/Hybrid Electric Vehicle. Energies 2014, 7, 961–971. [Google Scholar] [CrossRef]
- Shen, M.; Gao, Q. Simulation and Analysis of Dual-Evaporator Refrigeration System for Electric Vehicles. Automot. Innov. 2020, 3, 347–355. [Google Scholar] [CrossRef]
- Shen, M.; Gao, Q. System simulation on refrigerant-based battery thermal management technology for electric vehicles. Energy Convers. Manag. 2020, 203, 112176. [Google Scholar] [CrossRef]
- Cen, J.W.; Li, Z.B.; Jiang, F.M. Experimental investigation on using the electric vehicle air conditioning system for lithium-ion battery thermal management. Energy Sustain. Dev. 2018, 45, 88–95. [Google Scholar] [CrossRef]
- Hamut, H.S.; Dincer, I.; Naterer, G.F. Exergy analysis of a TMS (thermal management system) for range-extended EVs (electric vehicles). Energy 2012, 46, 117–125. [Google Scholar] [CrossRef]
- Zou, H.M.; Jiang, B.; Wang, Q.; Tian, C.Q.; Yan, Y.Y. Performance analysis of a heat pump air conditioning system coupling with battery cooling for electric vehicles. In Proceedings of the International Conference on Applied Energy, ICAE2014, Taipei, Taiwan, 30 May–2 June 2014; pp. 891–894. [Google Scholar]
- Zou, H.M.; Wang, W.; Zhang, G.Y.; Qin, F.; Tian, C.Q.; Yan, Y.Y. Experimental investigation on an integrated thermal management system with heat pipe heat exchanger for electric vehicle. Energy Convers. Manag. 2016, 118, 88–95. [Google Scholar] [CrossRef]
- Han, X.X.; Zou, H.M.; Tian, C.Q.; Tang, M.S.; Yan, Y.Y. Numerical study on the heating performance of a novel integrated thermal management system for the electric bus. Energy 2019, 186, 115812. [Google Scholar] [CrossRef]
- Zhang, K.X.; Li, M.; Yang, C.H.; Shao, Z.Y.; Wang, L.H. Exergy Analysis of Electric Vehicle Heat Pump Air Conditioning System with Battery Thermal Management System. J. Therm. Sci. 2020, 29, 408–422. [Google Scholar] [CrossRef]
- Xu, J.M.; Zhang, C.Z.; Fan, R.J.; Bao, H.H.; Wang, Y.; Huang, S.L.; Chin, C.S.; Li, C.X. Modelling and control of vehicle integrated thermal management system of PEM fuel cell vehicle. Energy 2020, 199, 117495. [Google Scholar] [CrossRef]
- Tian, Z.; Gu, B.; Gao, W.Z.; Zhang, Y. Performance evaluation of an electric vehicle thermal management system with waste heat recovery. Appl. Therm. Eng. 2020, 169, 114976. [Google Scholar] [CrossRef]
- Ahn, J.H.; Kang, H.; Lee, H.S.; Jung, H.W.; Baek, C.; Kim, Y. Heating performance characteristics of a dual source heat pump using air and waste heat in electric vehicles. Appl. Energy 2014, 119, 1–9. [Google Scholar] [CrossRef]
- Javani, N.; Dincer, I.; Naterer, G.F.; Yilbas, B.S. Exergy analysis and optimization of a thermal management system with phase change material for hybrid electric vehicles. Appl. Therm. Eng. 2014, 64, 471–482. [Google Scholar] [CrossRef]
- Tian, Z.; Gan, W.; Zhang, X.; Gu, B.; Yang, L. Investigation on an integrated thermal management system with battery cooling and motor waste heat recovery for electric vehicle. Appl. Therm. Eng. 2018, 136, 16–27. [Google Scholar] [CrossRef]
- Tian, Z.; Gu, B. Analyses of an integrated thermal management system for electric vehicles. Int. J. Energy Res. 2019, 43, 5788–5802. [Google Scholar] [CrossRef]
- Zhao, Z.; Wang, T.; Zhang, B.F.; Wang, Y.Q.; Bao, C.J.; Ji, Z.Y. Analysis of an integrated thermal management system with a heat-pump in a fuel cell vehicle. AIP Adv. 2021, 11, 065307. [Google Scholar] [CrossRef]
























| Seasons | Cabin Temperature (°C) | Relative Humidity (%) | Airflow Rate (m/s) | Fresh Air Volume (m3/h) | Thermal Load (kW) |
|---|---|---|---|---|---|
| Summer | 24~28 | 40~65 | 0.3~0.4 | 20~25 | 3.0~9.3 |
| Winter | 18~20 | >30 | 0.2~0.3 | 15~20 | 1.5~6.0 |
| Author | Integration Type * | Integration Structure |
|---|---|---|
| Zou et al. [189] | BTM + AC | ![]() |
| Han et al. [191] | BTM + AC | ![]() |
| Ahn et al. [195] | BTM + AC | ![]() |
| Zou et al. [190] | BTM + AC | ![]() |
| Shen et al. [186] | BTM + AC | ![]() |
| Cen et al. [187] | BTM + AC | ![]() |
| Hamut et al. [188] | BTM + AC | ![]() |
| Javani et al. [196] | BTM + AC | ![]() |
| Xu et al. [193] | BTM + AC + MTM | ![]() |
| Tian et al. [194] | BTM + AC + MTM | ![]() |
| Tian et al. [197,198] | BTM + AC + MTM | ![]() |
| Zhao et al. [199] | BTM + AC + MTM | ![]() |
Disclaimer/Publisher’s Note: The statements, opinions and data contained in all publications are solely those of the individual author(s) and contributor(s) and not of MDPI and/or the editor(s). MDPI and/or the editor(s) disclaim responsibility for any injury to people or property resulting from any ideas, methods, instructions or products referred to in the content. |
© 2023 by the authors. Licensee MDPI, Basel, Switzerland. This article is an open access article distributed under the terms and conditions of the Creative Commons Attribution (CC BY) license (https://creativecommons.org/licenses/by/4.0/).
Share and Cite
Dan, D.; Zhao, Y.; Wei, M.; Wang, X. Review of Thermal Management Technology for Electric Vehicles. Energies 2023, 16, 4693. https://doi.org/10.3390/en16124693
Dan D, Zhao Y, Wei M, Wang X. Review of Thermal Management Technology for Electric Vehicles. Energies. 2023; 16(12):4693. https://doi.org/10.3390/en16124693
Chicago/Turabian StyleDan, Dan, Yihang Zhao, Mingshan Wei, and Xuehui Wang. 2023. "Review of Thermal Management Technology for Electric Vehicles" Energies 16, no. 12: 4693. https://doi.org/10.3390/en16124693
APA StyleDan, D., Zhao, Y., Wei, M., & Wang, X. (2023). Review of Thermal Management Technology for Electric Vehicles. Energies, 16(12), 4693. https://doi.org/10.3390/en16124693













