A Review of Power Electronic Devices for Heavy Goods Vehicles Electrification: Performance and Reliability
Abstract
1. Introduction
2. Power Converters and Devices
2.1. EV Charging
2.1.1. High Power Charging from the 400 V Network
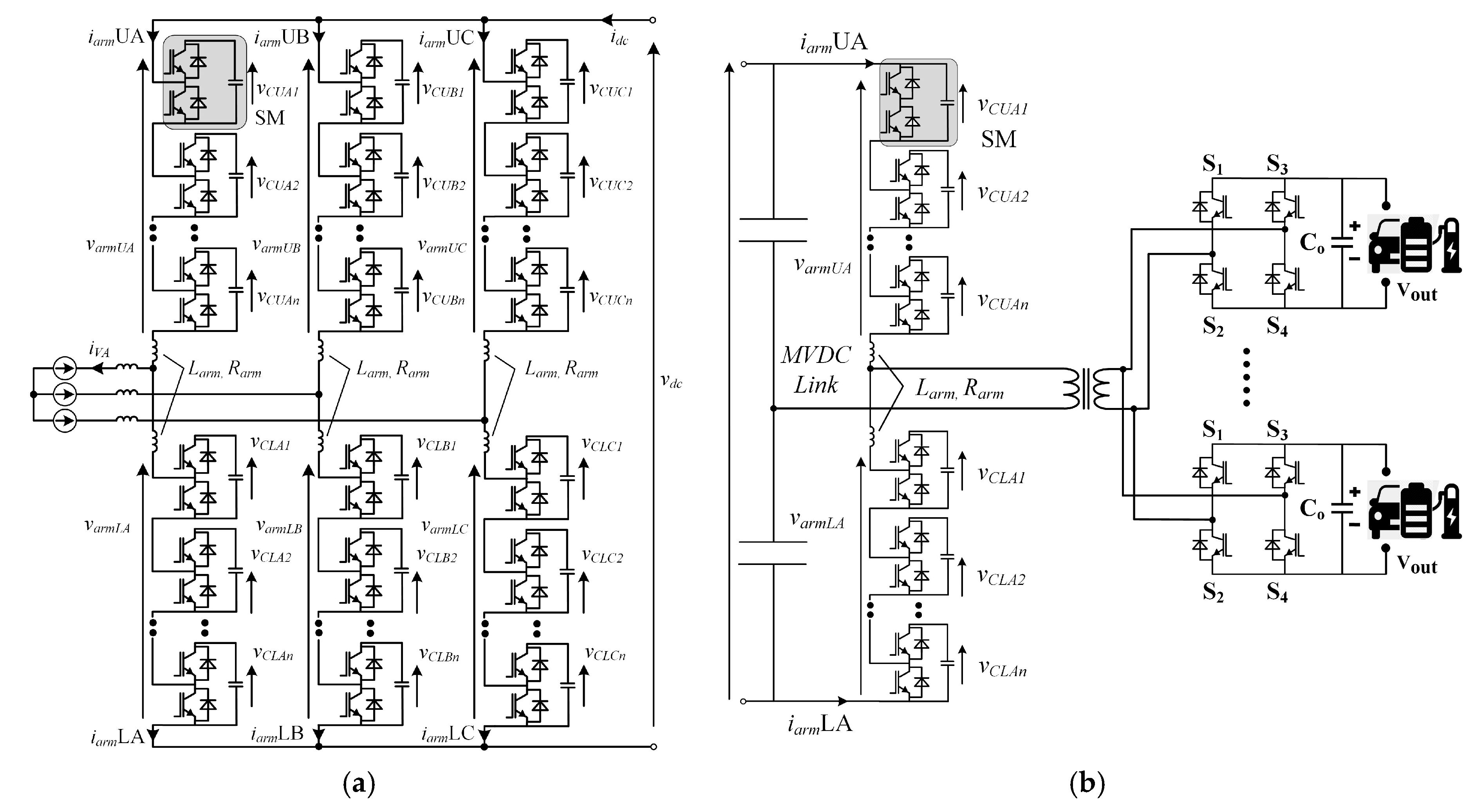
2.1.2. High Power Charging from 11 kV or 33 kV Network
2.2. Traction Inverters
3. Performance and Reliability Assessment
3.1. Switching Performance
3.2. Short Circuit Robustness
3.3. Gate Oxide Reliability Performance
3.4. Avalanche Ruggedness Performance
3.5. Body Diode Performance
3.6. Conduction Performance
4. Conclusions
Funding
Data Availability Statement
Conflicts of Interest
References
- Grid, N. Government Plans, Commitments and Targets. Available online: https://www.nationalgrid.com/responsibility/environment/decarbonising-transport/heavy-goods-vehicles (accessed on 22 May 2023).
- Manthiram, A. An Outlook on Lithium Ion Battery Technology. ACS Cent. Sci. 2017, 3, 1063–1069. [Google Scholar] [CrossRef] [PubMed]
- Impact of Transport on Energy Consumption and the Environment, Including Electric Vehicle Charging, Greenhouse Gas Emissions and Air Pollution. Available online: https://www.gov.uk/government/collections/energy-and-environment-statistics (accessed on 22 May 2023).
- Perumal, S.S.; Lusby, R.M.; Larsen, J. Electric bus planning & scheduling: A review of related problems and methodologies. Eur. J. Oper. Res. 2022, 301, 395–413. [Google Scholar] [CrossRef]
- Aldenius, M.; Mullen, C.; Pettersson-Löfstedt, F. Electric buses in England and Sweden—Overcoming barriers to introduction. Transp. Res. Part D Transp. Environ. 2022, 104, 103204. [Google Scholar] [CrossRef]
- Mahmoud, M.; Garnett, R.; Ferguson, M.; Kanaroglou, P. Electric buses: A review of alternative powertrains. Renew. Sustain. Energy Rev. 2016, 62, 673–684. [Google Scholar] [CrossRef]
- Liimatainen, H.; van Vliet, O.; Aplyn, D. The potential of electric trucks—An international commodity-level analysis. Appl. Energy 2019, 236, 804–814. [Google Scholar] [CrossRef]
- Smallbone, A.; Jia, B.; Atkins, P.; Roskilly, A.P. The impact of disruptive powertrain technologies on energy consumption and carbon dioxide emissions from heavy-duty vehicles. Energy Convers. Manag. X 2020, 6, 100030. [Google Scholar] [CrossRef]
- Haugen, M.J.; Flynn, D.; Greening, P.; Tichler, J.; Blythe, P.; Boies, A.M. Electrification versus hydrogen for UK road freight: Conclusions from a systems analysis of transport energy transitions. Energy Sustain. Dev. 2022, 68, 203–210. [Google Scholar] [CrossRef]
- Li, K.; Acha, S.; Sunny, N.; Shah, N. Strategic transport fleet analysis of heavy goods vehicle technology for net-zero targets. Energy Policy 2022, 168, 112988. [Google Scholar] [CrossRef]
- Börjesson, M.; Johansson, M.; Kågeson, P. The economics of electric roads. Transp. Res. Part C Emerg. Technol. 2021, 125, 102990. [Google Scholar] [CrossRef]
- Samet, M.J.; Liimatainen, H.; van Vliet, O.P.; Pöllänen, M. Road Freight Transport Electrification Potential by Using Battery Electric Trucks in Finland and Switzerland. Energies 2021, 14, 823. [Google Scholar] [CrossRef]
- Williamson, S.S.; Rathore, A.K.; Musavi, F. Industrial Electronics for Electric Transportation: Current State-of-the-Art and Future Challenges. IEEE Trans. Ind. Electron. 2015, 62, 3021–3032. [Google Scholar] [CrossRef]
- Khaligh, A.; D’Antonio, M. Global Trends in High-Power On-Board Chargers for Electric Vehicles. IEEE Trans. Veh. Technol. 2019, 68, 3306–3324. [Google Scholar] [CrossRef]
- Tu, H.; Feng, H.; Srdic, S.; Lukic, S. Extreme Fast Charging of Electric Vehicles: A Technology Overview. IEEE Trans. Transp. Electrif. 2019, 5, 861–878. [Google Scholar] [CrossRef]
- Papamanolis, P.; Krismer, F.; Kolar, J.W. 22 kW EV Battery Charger Allowing Full Power Delivery in 3-Phase as well as l-Phase Operation. In Proceedings of the 2019 10th International Conference on Power Electronics and ECCE Asia (ICPE 2019—ECCE Asia), Busan, Korea, 27–30 May 2019; pp. 1–8. [Google Scholar]
- Anderson, J.A.; Haider, M.; Bortis, D.; Kolar, J.W.; Kasper, M.; DeBoy, G. New Synergetic Control of a 20kW Isolated VIENNA Rectifier Front-End EV Battery Charger. In Proceedings of the 2019 20th Workshop on Control and Modeling for Power Electronics (COMPEL), Toronto, ON, Canada, 17–20 June 2019; pp. 1–8. [Google Scholar]
- Aretxabaleta, I.; Alegría, I.M.D.; Andreu, J.; Kortabarria, I.; Robles, E. High-Voltage Stations for Electric Vehicle Fast-Charging: Trends, Standards, Charging Modes and Comparison of Unity Power-Factor Rectifiers. IEEE Access 2021, 9, 102177–102194. [Google Scholar] [CrossRef]
- Soeiro, T.; Friedli, T.; Kolar, J.W. Three-phase high power factor mains interface concepts for Electric Vehicle battery charging systems. In Proceedings of the 2012 Twenty-Seventh Annual IEEE Applied Power Electronics Conference and Exposition (APEC), Orlando, FL, USA, 5–9 February 2012; pp. 2603–2610. [Google Scholar]
- Abbasi, M.; Lam, J. An Interleaved Bridgeless AC/DC Stacked SiC Switches Based LLC Converter with Semi-Active Rectifiers for EV High Voltage Battery Systems. In Proceedings of the 2021 IEEE Energy Conversion Congress and Exposition (ECCE), Vancouver, BC, Canada, 10–14 October 2021; pp. 1853–1859. [Google Scholar]
- Yan, Y.; Bai, H.; Yang, C.; Wang, W. Securing Full-load-range Zero Voltage Switching for A Dual Active Bridge Based Electric Vehicle Charger. In Proceedings of the in 2020 IEEE Applied Power Electronics Conference and Exposition (APEC), New Orleans, LA, USA, 15–19 March 2020; pp. 2067–2072. [Google Scholar]
- Gill, L.; Ikari, T.; Kai, T.; Li, B.; Ngo, K.; Dong, D. Medium Voltage Dual Active Bridge Using 3.3 kV SiC MOSFETs for EV Charging Application. In Proceedings of the 2019 IEEE Energy Conversion Congress and Exposition (ECCE), Baltimore, MD, USA, 29 September–3 October 2019; pp. 1237–1244. [Google Scholar]
- Jiang, C.; Lei, B.; Teng, H.; Bai, H.K. The power-loss analysis and efficiency maximization of a silicon-carbide MOSFET based three-phase 10kW bi-directional EV charger using variable-DC-bus control. In Proceedings of the 2016 IEEE Energy Conversion Congress and Exposition (ECCE). IEEE J. Emerg. Sel. Top. Power Electron. 2016, 4, 880–892. [Google Scholar]
- Steinke, J.K.; Maibach, P.; Ortiz, G.; Canales, F.; Steimer, P. MVDC Applications and Technology. In Proceedings of the PCIM Europe 2019; International Exhibition and Conference for Power Electronics, Intelligent Motion, Renewable Energy and Energy Management, Nuremberg, Germany, 7–9 May 2019; pp. 1–8. [Google Scholar]
- Han, C.; Song, S.; Kim, J.; Jang, G. Enhancing Line Capacity Utilization in Power Transmission System Using Active MVDC Link. Energies 2019, 12, 1589. [Google Scholar] [CrossRef]
- Mura, F.; Doncker, R.W.D. Design aspects of a medium-voltage direct current (MVDC) grid for a university campus. In Proceedings of the 8th International Conference on Power Electronics—ECCE Asia, Jeju, Korea, 30 May–3 June 2011; pp. 2359–2366. [Google Scholar]
- Bathurst, G.; Hwang, G.; Tejwani, L. MVDC—The New Technology for Distribution Networks. In Proceedings of the 11th IET International Conference on AC and DC Power Transmission, Birmingham, UK, 10–12 February 2015. [Google Scholar]
- Sparacino, A.R.; Grainger, B.M.; Kerestes, R.J.; Reed, G.F. Design and simulation of a DC electric vehicle charging station connected to a MVDC infrastructure. In Proceedings of the 2012 IEEE Energy Conversion Congress and Exposition (ECCE), Raleigh, NC, USA, 15–20 September 2012; pp. 1168–1175. [Google Scholar] [CrossRef]
- Verma, A.; Mayank, K.; Meikap, S.; Kumar, C. Modelling and Control of Modular Multilevel Converter and Dual Active Bridge Based Fast Electric Vehicle Charger. In Proceedings of the 2022 4th International Conference on Energy, Power and Environment (ICEPE), Shillong, India, 29 April–1 May 2022; pp. 1–6. [Google Scholar] [CrossRef]
- Su, Y.-C.; Li, H.-M.; Chen, P.-L.; Cheng, P.-T. Integration of PV Panels and EV Chargers on the Modular Multilevel Converter Based SST. IEEE Trans. Ind. Appl. 2022, 58, 6428–6437. [Google Scholar] [CrossRef]
- Pouresmaeil, K.; Duarte, J.; Wijnands, K.; Roes, M.; Baars, N. Single-Phase Bidirectional ZVZCS AC-DC Converter for MVConnected Ultra-fast Chargers. In Proceedings of the PCIM Europe 2022; International Exhibition and Conference for Power Electronics, Intelligent Motion, Renewable Energy and Energy Management, Nuremberg, Germany, 10–12 May 2022; pp. 1–7. [Google Scholar]
- Issa, W.; Gonzalez, J.O.; Alatise, O. Design of a Gate-Driving Cell for Enabling Extended SiC MOSFET Voltage Blocking. Energies 2022, 15, 7768. [Google Scholar] [CrossRef]
- Sakaguchi, T.; Aketa, M.; Nakamura, T.; Nakanishi, M.; Rahimo, M. Characterization of 3.3 kV and 6.5 kV SiC MOSFETs. In Proceedings of the PCIM Europe 2017; International Exhibition and Conference for Power Electronics, Intelligent Motion, Renewable Energy and Energy Management, Nuremberg, Germany, 16–18 May 2017; pp. 1–5. [Google Scholar]
- Aghabali, I.; Bauman, J.; Emadi, A. Analysis of Auxiliary Power Unit and Charging for an 800V Electric Vehicle. In Proceedings of the in 2019 IEEE Transportation Electrification Conference and Expo (ITEC), Detroit, MI, USA, 19–21 June 2019; pp. 1–6. [Google Scholar]
- Jung, C. Power Up with 800-V Systems: The benefits of upgrading voltage power for battery-electric passenger vehicles. IEEE Electrif. Mag. 2017, 5, 53–58. [Google Scholar] [CrossRef]
- Aghabali, I.; Bauman, J.; Kollmeyer, P.J.; Wang, Y.; Bilgin, B.; Emadi, A. 800-V Electric Vehicle Powertrains: Review and Analysis of Benefits, Challenges, and Future Trends. IEEE Trans. Transp. Electrif. 2021, 7, 927–948. [Google Scholar] [CrossRef]
- Su, M.; Chen, C.; Sharma, S.; Kikuchi, J. Performance and cost considerations for SiC-based HEV traction inverter systems. In Proceedings of the 2015 IEEE 3rd Workshop on Wide Bandgap Power Devices and Applications (WiPDA), Blacksburg, VA, USA, 2–4 November 2015; pp. 347–350. [Google Scholar]
- Chou, W.; Kempitiya, A.; Vodyakho, O. Reduction of Power Losses of SiC MOSFET Based Power Modules in Automotive Traction Inverter Applications. In Proceedings of the in 2018 IEEE Transportation Electrification Conference and Expo (ITEC), Long Beach, CA, USA, 13–15 June 2018; pp. 1035–1038. [Google Scholar] [CrossRef]
- Hamada, K.; Nagao, M.; Ajioka, M.; Kawai, F. SiC—Emerging Power Device Technology for Next-Generation Electrically Powered Environmentally Friendly Vehicles. IEEE Trans. Electron Devices 2015, 62, 278–285. [Google Scholar] [CrossRef]
- Acquaviva, A.; Thiringer, T. Energy efficiency of a SiC MOSFET propulsion inverter accounting for the MOSFET’s reverse conduction and the blanking time. In Proceedings of the 2017 19th European Conference on Power Electronics and Applications (EPE’17 ECCE Europe). Warsaw, Poland, 11–14 September 2017; pp. P.1–P.9. [Google Scholar]
- Taha, W.; Nahid-Mobarakeh, B.; Bauman, J. Efficiency Evaluation of 2L and 3L SiC-Based Traction Inverters for 400 V and 800 V Electric Vehicle Powertrains. In Proceedings of the 2021 IEEE Transportation Electrification Conference & Expo (ITEC), Chicago, IL, USA, 21–25 June 2021; pp. 625–632. [Google Scholar]
- Zhu, J.; Kim, H.; Chen, H.; Erickson, R.; Maksimović, D. High efficiency SiC traction inverter for electric vehicle applications. In Proceedings of the 2018 IEEE Applied Power Electronics Conference and Exposition (APEC), San Antonio, TX, USA, 4–8 March 2018; pp. 1428–1433. [Google Scholar]
- Wu, R.; Gonzalez, J.O.; Davletzhanova, Z.; Mawby, P.A.; Alatise, O. The Potential of SiC Cascode JFETs in Electric Vehicle Traction Inverters. IEEE Trans. Transp. Electrif. 2019, 5, 1349–1359. [Google Scholar] [CrossRef]
- Millan, J.; Godignon, P.; Perpina, X.; Perez-Tomas, A.; Rebollo, J. A Survey of Wide Bandgap Power Semiconductor Devices. IEEE Trans. Power Electron. 2014, 29, 2155–2163. [Google Scholar] [CrossRef]
- Zhang, Z.; Guo, B.; Wang, F.F.; Jones, E.A.; Tolbert, L.M.; Blalock, B.J. Methodology for Wide Band-Gap Device Dynamic Characterization. IEEE Trans. Power Electron. 2017, 32, 9307–9318. [Google Scholar] [CrossRef]
- Jahdi, S.; Alatise, O.; Gonzalez, J.A.O.; Bonyadi, R.; Ran, L.; Mawby, P. Temperature and Switching Rate Dependence of Crosstalk in Si-IGBT and SiC Power Modules. IEEE Trans. Ind. Electron. 2016, 63, 849–863. [Google Scholar] [CrossRef]
- Salvo, L.; Pulvirenti, M.; Sciacca, A.G.; Scelba, G.; Cacciato, M. Gate-Source Voltage Analysis for Switching Crosstalk Evaluation in SiC MOSFETs Half-Bridge Converters. IEEE Power Electron. Mag. 2022, 9, 54–60. [Google Scholar] [CrossRef]
- Mendy, S.; Agbo, N.S.; Gonzalez, J.O.; Alatise, O. Influence of the SiC JFET Gate Impedance on the Off-State Voltage Balance in Cascode Configuration. In Proceedings of the in 2022 IEEE Workshop on Wide Bandgap Power Devices and Applications in Europe (WiPDA Europe), Coventry, UK, 18–20 September 2022; pp. 1–6. [Google Scholar] [CrossRef]
- Keysight. PD1500A Series Dynamic Power Device Analyzer/Double-Pulse Tester for discrete IGBT, SiC, and GaN Devices—Datasheet. Available online: https://www.keysight.com/gb/en/assets/7018-06616/data-sheets/5992-3942.pdf (accessed on 22 May 2023).
- Tektronix. Available online: https://www.tek.com/en/solutions/industry/power-semiconductor/double-pulse-testing (accessed on 22 May 2023).
- IpTEST. Available online: https://www.iptest.com/dynamicswitching (accessed on 22 May 2023).
- Gonzalez, J.O.; Wu, R.; Jahdi, S.; Alatise, O. Performance and Reliability Review of 650 V and 900 V Silicon and SiC Devices: MOSFETs, Cascode JFETs and IGBTs. IEEE Trans. Ind. Electron. 2020, 67, 7375–7385. [Google Scholar] [CrossRef]
- Chen, Y.; Li, W.; Iannuzzo, F.; Luo, H.; He, X.; Blaabjerg, F. Investigation and Classification of Short-Circuit Failure Modes Based on Three-Dimensional Safe Operating Area for High-Power IGBT Modules. IEEE Trans. Power Electron. 2018, 33, 1075–1086. [Google Scholar] [CrossRef]
- Sadik, D.-P.; Colmenares, J.; Tolstoy, G.; Peftitsis, D.; Bakowski, M.; Rabkowski, J.; Nee, H.-P. Short-Circuit Protection Circuits for Silicon-Carbide Power Transistors. IEEE Trans. Ind. Electron. 2016, 63, 1995–2004. [Google Scholar] [CrossRef]
- Cui, R.; Xin, Z.; Liu, Q.; Kang, J.; Luo, H.; Zhang, L.; Loh, P.C. Review of Methodologies for Evaluating Short-Circuit Robustness and Reliability of SiC Power MOSFETs. IEEE J. Emerg. Sel. Top. Power Electron. 2022, 10, 4665–4679. [Google Scholar] [CrossRef]
- Gonzalez, J.O.; Deb, A.; Bashar, E.; Agbo, S.; Jahdi, S.; Alatise, O. Benchmarking the robustness of Si and SiC MOSFETs: Unclamped inductive switching and short-circuit performance. Microelectron. Reliab. 2022, 138, 114719. [Google Scholar] [CrossRef]
- Bashar, E.; Agbo, N.; Wu, R.; Mendy, S.; Jahdi, S.; Jennings, M.; Withey, A.; Evans, S.; Davies, G.; Demitrova, J.; et al. A Review of Short Circuit Performance in 650 V Power Devices: SiC MOSFETs, Silicon Super-junction MOSFETs, SiC Cascode JFETs, Silicon MOSFETs and Silicon IGBTs. In Proceedings of the PCIM Europe 2022: International Exhibition and Conference for Power Electronics, Intelligent Motion, Renewable Energy and Energy Management, Nuremberg, Germany, 10–12 May 2022; pp. 1–8. [Google Scholar]
- Bashar, E.; Wu, R.; Agbo, N.; Mendy, S.; Jahdi, S.; Gonzalez, J.O.; Alatise, O. Comparison of Short Circuit Failure Modes in SiC Planar MOSFETs, SiC Trench MOSFETs and SiC Cascode JFETs. In Proceedings of the 2021 IEEE 8th Workshop on Wide Bandgap Power Devices and Applications (WiPDA), Redondo Beach, CA, USA, 7–11 November 2021; pp. 384–388. [Google Scholar]
- An, J.; Namai, M.; Yano, H.; Iwamuro, N.; Kobayashi, Y.; Harada, S. Methodology for enhanced short-circuit capability of SiC MOSFETs. In Proceedings of the 2018 IEEE 30th International Symposium on Power Semiconductor Devices and ICs (ISPSD), Chicago, IL, USA, 13–17 May 2018; pp. 391–394. [Google Scholar]
- Romano, G.; Maresca, L.; Riccio, M.; d’Alessandro, V.; Breglio, G.; Irace, A.; Fayyaz, A.; Castellazzi, A. Short-circuit failure mechanism of SiC power MOSFETs. In Proceedings of the 2015 IEEE 27th International Symposium on Power Semiconductor Devices & IC’s (ISPSD), Hong Kong, China, 10–14 May 2015; pp. 345–348. [Google Scholar]
- Castellazzi, A.; Fayyaz, A.; Yang, L.; Riccio, M.; Irace, A. Short-circuit robustness of SiC Power MOSFETs: Experimental analysis. In Proceedings of the 2014 IEEE 26th International Symposium on Power Semiconductor Devices & IC’s (ISPSD), Waikoloa, HI, USA, 15–19 June 2014; pp. 71–74. [Google Scholar]
- Lu, Z.; Iannuzzo, F. Short Circuit Capability and Performance Degradation of Cascode GaN Devices—A Case Study. In Proceedings of the 2022 IEEE Energy Conversion Congress and Exposition (ECCE), Detroit, MI, USA, 9–13 October 2022; pp. 1–5. [Google Scholar] [CrossRef]
- Landel, M.; Gautier, C.; Lefebvre, S. Study of short-circuit robustness of p-GaN and cascode transistors. Microelectron. Reliab. 2022, 138, 114695. [Google Scholar] [CrossRef]
- Fernández, M.; Perpiñà, X.; Roig, J.; Vellvehi, M.; Bauwens, F.; Jordà, X.; Tack, M. P-GaN HEMTs Drain and Gate Current Analysis Under Short-Circuit. IEEE Electron Device Lett. 2017, 38, 505–508. [Google Scholar] [CrossRef]
- Xue, P.; Maresca, L.; Riccio, M.; Breglio, G.; Irace, A. Investigation on the Short-Circuit Oscillation of Cascode GaN HEMTs. IEEE Trans. Power Electron. 2020, 35, 6292–6300. [Google Scholar] [CrossRef]
- JEDEC Solid State Technology Association. Available online: https://www.jedec.org/ (accessed on 22 May 2023).
- AEC Automotive Electronics Council. Available online: http://aecouncil.com/index.html (accessed on 22 May 2023).
- Puschkarsky, K.; Reisinger, H.; Aichinger, T.; Gustin, W.; Grasser, T. Understanding BTI in SiC MOSFETs and Its Impact on Circuit Operation. IEEE Trans. Device Mater. Reliab. 2018, 18, 144–153. [Google Scholar] [CrossRef]
- Domeij, M.; Franchi, J.; Buono, B.; Lee, K.; Park, K.-S.; Choi, C.-S.; Sunkari, S.; Das, H. Avalanche rugged 1200 V 80 m Ω SiC MOSFETs with state-of-the-art threshold voltage stability. In Proceedings of the in 2018 IEEE 6th Workshop on Wide Bandgap Power Devices and Applications (WiPDA), Atlanta, GA, USA, 31 October–2 November 2018; pp. 114–117. [Google Scholar] [CrossRef]
- Aichinger, T.; Rescher, G.; Pobegen, G. Threshold voltage peculiarities and bias temperature instabilities of SiC MOSFETs. Microelectron. Reliab. 2018, 80, 68–78. [Google Scholar] [CrossRef]
- Puschkarsky, K.; Grasser, T.; Aichinger, T.; Gustin, W.; Reisinger, H. Review on SiC MOSFETs High-Voltage Device Reliability Focusing on Threshold Voltage Instability. IEEE Trans. Electron. Devices 2019, 66, 4604–4616. [Google Scholar] [CrossRef]
- Lelis, A.J.; Green, R.; Habersat, D.B.; El, M. Basic Mechanisms of Threshold-Voltage Instability and Implications for Reliability Testing of SiC MOSFETs. IEEE Trans. Electron. Devices 2015, 62, 316–323. [Google Scholar] [CrossRef]
- Gonzalez, J.A.O.; Alatise, O. Impact of BTI-Induced Threshold Voltage Shifts in Shoot-Through Currents from Crosstalk in SiC MOSFETs. IEEE Trans. Power Electron. 2021, 36, 3279–3291. [Google Scholar] [CrossRef]
- McPherson, J.W. Brief history of JEDEC qualification standards for silicon technology and their applicability(?) to WBG semiconductors. In Proceedings of the in 2018 IEEE International Reliability Physics Symposium (IRPS), Burlingame, CA, USA, 11–15 March 2018; pp. 3B.1-1–3B.1-8. [Google Scholar] [CrossRef]
- JEDEC Committee JC-70: Wide Bandgap Power Electronic Conversion Semiconductors. Available online: https://www.jedec.org/committees/jc-70 (accessed on 22 May 2023).
- Kadavelugu, A.; Aeloiza, E.; Belcastro, C. Short-circuit performance of multi-chip SiC MOSFET modules. In Proceedings of the 2017 IEEE 5th Workshop on Wide Bandgap Power Devices and Applications (WiPDA), Albuquerque, NM, USA, 30 October–1 November 2017; pp. 285–290. [Google Scholar]
- Wu, R.; Mendy, S.; Gonzalez, J.O.; Jahdi, S.; Alatise, O. Current Sharing of Parallel SiC MOSFETs under Short Circuit Condition. In Proceedings of the 2021 23rd European Conference on Power Electronics and Applications (EPE’21 ECCE Europe), Ghent, Belgium, 6–10 September 2021; pp. 1–9. [Google Scholar]
- Gao, Z.; Cao, L.; Guo, Q.; Sheng, K. Experimental Investigation of the Single Pulse Avalanche Ruggedness of SiC Power MOSFETs. In Proceedings of the in 2020 IEEE Applied Power Electronics Conference and Exposition (APEC), New Orleans, LA, USA, 15–19 March 2020; pp. 2601–2604. [Google Scholar] [CrossRef]
- DiMarino, C.; Hull, B. Characterization and prediction of the avalanche performance of 1.2 kV SiC MOSFETs. In Proceedings of the 2015 IEEE 3rd Workshop on Wide Bandgap Power Devices and Applications (WiPDA), Blacksburg, VA, USA, 2–4 November 2015; pp. 263–267. [Google Scholar]
- Fayyaz, A.; Castellazzi, A.; Romano, G.; Riccio, M.; Irace, A.; Urresti, J.; Wright, N. Influence of gate bias on the avalanche ruggedness of SiC power MOSFETs. In Proceedings of the 2017 29th International Symposium on Power Semiconductor Devices and IC’s (ISPSD), Sapporo, Japan, 28 May–1 June 2017; pp. 391–394. [Google Scholar]
- Ren, N.; Hu, H.; Wang, K.L.; Zuo, Z.; Li, R.; Sheng, K. Investigation on single pulse avalanche failure of 900V SiC MOSFETs. In Proceedings of the 2018 IEEE 30th International Symposium on Power Semiconductor Devices and ICs (ISPSD), Chicago, IL, USA, 13–17 May 2018; pp. 431–434. [Google Scholar]
- Fayyaz, A.; Castellazzi, A.; Romano, G.; Riccio, M.; Irace, A.; Urresti, J.; Wright, N. UIS failure mechanism of SiC power MOSFETs. In Proceedings of the 2016 IEEE 4th Workshop on Wide Bandgap Power Devices and Applications (WiPDA), Fayetteville, AR, USA, 7–9 November 2016; pp. 118–122. [Google Scholar]
- Song, Q.; Zhang, R.; Kozak, J.P.; Liu, J.; Li, Q.; Zhang, Y. Robustness of Cascode GaN HEMTs in Unclamped Inductive Switching. IEEE Trans. Power Electron. 2022, 37, 4148–4160. [Google Scholar] [CrossRef]
- Wang, J.; Jiang, X. Review and analysis of SiC MOSFETs’ ruggedness and reliability. IET Power Electron. 2020, 13, 445–455. [Google Scholar] [CrossRef]
- Ren, N.; Hu, H.; Lyu, X.; Wu, J.; Xu, H.; Li, R.; Zuo, Z.; Wang, K.; Sheng, K. Investigation on single pulse avalanche failure of SiC MOSFET and Si IGBT. Solid-State Electron. 2019, 152, 33–40. [Google Scholar] [CrossRef]
- Ahmed, M.R.; Todd, R.; Forsyth, A.J. Switching performance of a SiC MOSFET body diode and SiC schottky diodes at different temperatures. In Proceedings of the in 2017 IEEE Energy Conversion Congress and Exposition (ECCE), Cincinnati, OH, USA, 1–5 October 2017; pp. 5487–5494. [Google Scholar] [CrossRef]
- Martin, D.; Killeen, P.; Curbow, W.A.; Sparkman, B.; Kegley, L.E.; McNutt, T. Comparing the switching performance of SiC MOSFET intrinsic body diode to additional SiC schottky diodes in SiC power modules. In Proceedings of the IEEE 4th Workshop on Wide Bandgap Power Devices and Applications (WiPDA), Fayetteville, AR, USA, 7–9 November 2016; pp. 242–246. [Google Scholar] [CrossRef]
- Jahdi, S.; Alatise, O.; Bonyadi, R.; Alexakis, P.; Fisher, C.A.; Gonzalez, J.A.O.; Ran, L.; Mawby, P. An Analysis of the Switching Performance and Robustness of Power MOSFETs Body Diodes: A Technology Evaluation. IEEE Trans. Power Electron. 2015, 30, 2383–2394. [Google Scholar] [CrossRef]
- Husain, I.; Ozpineci, B.; Islam, S.; Gurpinar, E.; Su, G.-J.; Yu, W.; Chowdhury, S.; Xue, L.; Rahman, D.; Sahu, R. Electric Drive Technology Trends, Challenges, and Opportunities for Future Electric Vehicles. Proc. IEEE 2021, 109, 1039–1059. [Google Scholar] [CrossRef]
- Tan, C.; Stecca, M.; Soeiro, T.B.; Dong, J.; Bauer, P. Performance Evaluation of an Electric Vehicle Traction Drive using Si/SiC Hybrid Switches. In Proceedings of the in 2021 IEEE 19th International Power Electronics and Motion Control Conference (PEMC), Gliwice, Poland, 25–29 April 2021; pp. 278–283. [Google Scholar] [CrossRef]
- Stecca, M.; Tan, C.; Xu, J.; Soeiro, T.B.; Bauer, P.; Palensky, P. Hybrid Si/SiC Switch Modulation With Minimum SiC MOSFET Conduction in Grid Connected Voltage Source Converters. IEEE J. Emerg. Sel. Top. Power Electron. 2022, 10, 4275–4289. [Google Scholar] [CrossRef]
- Woldegiorgis, D.; Hossain, M.M.; Saadatizadeh, Z.; Wei, Y.; Mantooth, H.A. Hybrid Si/SiC Switches: A Review of Control Objectives, Gate Driving Approaches and Packaging Solutions. IEEE J. Emerg. Sel. Top. Power Electron. 2023, 11, 1737–1753. [Google Scholar] [CrossRef]
- Wu, Y.; Yin, S.; Liu, Z.; Li, H.; See, K.Y. Experimental Investigation on Electromagnetic Interference (EMI) in Motor Drive Using Silicon Carbide (SiC) MOSFET. In Proceedings of the in 2020 International Symposium on Electromagnetic Compatibility—EMC EUROPE, Rome, Italy, 23–25 September 2020; pp. 1–6. [Google Scholar] [CrossRef]
- Jia, X.; Hu, C.; Dong, B.; He, F.; Wang, H.; Xu, D. Influence of system layout on CM EMI noise of SiC electric vehicle powertrains. CPSS Trans. Power Electron. Appl. 2021, 6, 298–309. [Google Scholar] [CrossRef]
- Han, D.; Li, S.; Wu, Y.; Choi, W.; Sarlioglu, B. Comparative Analysis on Conducted CM EMI Emission of Motor Drives: WBG Versus Si Devices. IEEE Trans. Ind. Electron. 2017, 64, 8353–8363. [Google Scholar] [CrossRef]
- Morya, A.; Toliyat, H.A. Insulation design for Wide Bandgap (WBG) device based voltage source converter fed motors. In Proceedings of the in 2017 IEEE 5th Workshop on Wide Bandgap Power Devices and Applications (WiPDA), Albuquerque, NM, USA, 30 October–1 November 2017; pp. 74–79. [Google Scholar] [CrossRef]
- Morya, A.K.; Gardner, M.C.; Anvari, B.; Liu, L.; Yepes, A.G.; Doval-Gandoy, J.; Toliyat, H.A. Wide Bandgap Devices in AC Electric Drives: Opportunities and Challenges. IEEE Trans. Transp. Electrif. 2019, 5, 3–20. [Google Scholar] [CrossRef]
- Petri, T.; Keller, M.; Parspour, N. The Insulation Resilience of Inverter-Fed Low Voltage Traction Machines: Review, Challenges, and Opportunities. IEEE Access 2022, 10, 104023–104049. [Google Scholar] [CrossRef]
- Chen, Y.; Iradukunda, A.; Mantooth, H.A.; Chen, Z.; Huitink, D. A Tutorial on High Density Power Module Packaging. IEEE J. Emerg. Sel. Top. Power Electron. 2022; early access. [Google Scholar] [CrossRef]
- Ataseven, I.; Sahin, I.; Ozturk, S.B. Design and Implementation of a Paralleled Discrete SiC MOSFET Half-Bridge Circuit with an Improved Symmetric Layout and Unique Laminated Busbar. Energies 2023, 16, 2903. [Google Scholar] [CrossRef]
- Bertelshofer, T.; Denk, M.; Bakran, M. Design Study and Prototype of 150 kW Inverter with Discrete SiC MOSFETs. In Proceedings of the PCIM Europe 2019: International Exhibition and Conference for Power Electronics, Intelligent Motion, Renewable Energy and Energy Management, Nuremberg, Germany, 7–9 May 2019; pp. 1–8. [Google Scholar]
- Osman, A.; Moreno, G.; Myers, S.; Narumanchi, S.V.; Joshi, Y. Single-Phase Jet Impingement Cooling for a Power-Dense Silicon Carbide Power Module. IEEE Trans. Compon. Packag. Manuf. Technol. 2023; early access. [Google Scholar] [CrossRef]
- Liu, M.; Coppola, A.; Alvi, M.; Anwar, M. Comprehensive Review and State of Development of Double-Sided Cooled Package Technology for Automotive Power Modules. IEEE Open J. Power Electron. 2022, 3, 271–289. [Google Scholar] [CrossRef]
- Rafiq, A.; Pramanick, S. Ultrafast Protection of Discrete SiC MOSFETs With PCB Coil-Based Current Sensors. IEEE Trans. Power Electron. 2022, 38, 1860–1870. [Google Scholar] [CrossRef]
- Li, C.; Sheng, J.; Dujic, D. Short Circuit Protection of SiC MOSFET Module with Extended Short Circuit Withstanding Time. In Proceedings of the PCIM Asia 2022: International Exhibition and Conference for Power Electronics, Intelligent Motion, Renewable Energy and Energy Management, Shanghai, China, 26–27 October 2022; pp. 1–9. [Google Scholar]
- ECPE. ECPE Guideline AQG 324—Qualification of Power Modules for Use in Power Electronics Converter Units in Motor Vehicles; ECPE European Center for Power Electronics e.V.: Nürnberg, Germany, 2021. [Google Scholar]























| Device | Switching Losses | Conduction Losses | SC Ruggedness | Avalanche Ruggedness | Gate Reliability | 3rd Quadrant Performance |
|---|---|---|---|---|---|---|
| Si MOSFET | + | ++ | +++ | +++ | +++ | + |
| Si SJ MOSFET | + | ++ | +++ | +++ | +++ | + |
| Si IGBT | + | +++ | ++ | + | +++ | − |
| SiC MOSFETs | +++ | ++ | ++ | ++ | ++ | +++ |
| SiC Cascode JFET | +++ | ++ | ++ | ++ | +++ | ++ |
| GaN e-HEMT | +++ | ++ | − | − | + | +++ |
| GaN Cascode | +++ | ++ | − | − | +++ | + |
Disclaimer/Publisher’s Note: The statements, opinions and data contained in all publications are solely those of the individual author(s) and contributor(s) and not of MDPI and/or the editor(s). MDPI and/or the editor(s) disclaim responsibility for any injury to people or property resulting from any ideas, methods, instructions or products referred to in the content. |
© 2023 by the authors. Licensee MDPI, Basel, Switzerland. This article is an open access article distributed under the terms and conditions of the Creative Commons Attribution (CC BY) license (https://creativecommons.org/licenses/by/4.0/).
Share and Cite
Alatise, O.; Deb, A.; Bashar, E.; Ortiz Gonzalez, J.; Jahdi, S.; Issa, W. A Review of Power Electronic Devices for Heavy Goods Vehicles Electrification: Performance and Reliability. Energies 2023, 16, 4380. https://doi.org/10.3390/en16114380
Alatise O, Deb A, Bashar E, Ortiz Gonzalez J, Jahdi S, Issa W. A Review of Power Electronic Devices for Heavy Goods Vehicles Electrification: Performance and Reliability. Energies. 2023; 16(11):4380. https://doi.org/10.3390/en16114380
Chicago/Turabian StyleAlatise, Olayiwola, Arkadeep Deb, Erfan Bashar, Jose Ortiz Gonzalez, Saeed Jahdi, and Walid Issa. 2023. "A Review of Power Electronic Devices for Heavy Goods Vehicles Electrification: Performance and Reliability" Energies 16, no. 11: 4380. https://doi.org/10.3390/en16114380
APA StyleAlatise, O., Deb, A., Bashar, E., Ortiz Gonzalez, J., Jahdi, S., & Issa, W. (2023). A Review of Power Electronic Devices for Heavy Goods Vehicles Electrification: Performance and Reliability. Energies, 16(11), 4380. https://doi.org/10.3390/en16114380

