Next Article in Journal
Forecasting Development of Green Hydrogen Production Technologies Using Component-Based Learning Curves
Next Article in Special Issue
A One-Dimensional Numerical Model for High-Performance Two-Stroke Engines
Previous Article in Journal
Performance Test and Structure Optimization of a Marine Diesel Particulate Filter
Previous Article in Special Issue
Diesel Spray Liquid Length Imaging at High Pressure
 
 
Font Type:
Arial Georgia Verdana
Font Size:
Aa Aa Aa
Line Spacing:
Column Width:
Background:
Article

Comparative Assessment of sCO2 Cycles, Optimal ORC, and Thermoelectric Generators for Exhaust Waste Heat Recovery Applications from Heavy-Duty Diesel Engines

by
Menaz Ahamed
1,
Apostolos Pesyridis
1,
Jabraeil Ahbabi Saray
2,
Amin Mahmoudzadeh Andwari
1,3,*,
Ayat Gharehghani
2,* and
Srithar Rajoo
4
1
Department of Mechanical and Aerospace Engineering, Brunel University, London UB8 3PH, UK
2
School of Mechanical Engineering, Iran University of Science and Technology, Narmak, Tehran 16846, Iran
3
Machine and Vehicle Design (MVD), Materials and Mechanical Engineering, Faculty of Technology, University of Oulu, FI-90014 Oulu, Finland
4
UTM Centre for Low Carbon Transport (LoCARtic), IVeSE, Universiti Teknologi Malaysia, Skudai 81310, Johor, Malaysia
*
Authors to whom correspondence should be addressed.
Energies 2023, 16(11), 4339; https://doi.org/10.3390/en16114339
Submission received: 19 April 2023 / Revised: 21 May 2023 / Accepted: 24 May 2023 / Published: 25 May 2023
(This article belongs to the Special Issue Internal Combustion Engine Performance 2022)

Abstract

This study aimed to investigate the potential of supercritical carbon dioxide (sCO2), organic Rankine cycle (ORC), and thermoelectric generator (TEG) systems for application in automotive exhaust waste heat recovery (WHR) applications. More specifically, this paper focuses on heavy-duty diesel engines applications such as marine, trucks, and locomotives. The results of the simulations show that sCO2 systems are capable of recovering the highest amount of power from exhaust gases, followed by ORC systems. The sCO2 system recovered 19.5 kW at the point of maximum brake power and 10.1 kW at the point of maximum torque. Similarly, the ORC system recovered 14.7 kW at the point of maximum brake power and 7.9 kW at the point of maximum torque. Furthermore, at a point of low power and torque, the sCO2 system recovered 4.2 kW of power and the ORC system recovered 3.3 kW. The TEG system produced significantly less power (533 W at maximum brake power, 126 W at maximum torque, and 7 W at low power and torque) at all three points of interest due to the low system efficiency in comparison to sCO2 and ORC systems. From the results, it can be concluded that sCO2 and ORC systems have the biggest potential impact in exhaust WHR applications provided the availability of heat and that their level of complexity does not become prohibitive.

1. Introduction

Diesel engines were widely used for heavy goods transportation, agriculture, and industrial machines for many decades. However, with growing pressure from environmental groups and government regulation, automotive manufacturers are being forced to improve engine efficiency and reduce fuel consumption, consequently leading to reduced CO2 and other greenhouse gas (GHG) emissions into the atmosphere. Figure 1 shows the typical energy losses in a heavy-duty diesel engine. As can be seen in the diagram, over half of the fuel energy is wasted mainly through exhaust and cooling systems [1]. A waste heat recovery system has the potential to convert some of this wasted energy into electricity, which can be used to reduce the load on the vehicle alternator or power auxiliary components, such as the air conditioning and lights [2,3]. Therefore, fuel consumption can be reduced.
There are three promising systems that are being investigated currently in the industry for use in automotive exhaust waste heat recovery applications. These are the thermoelectric generators (TEGs), the organic Rankine cycle (ORC)-based systems, and supercritical carbon dioxide (sCO2)-based systems [4,5,6,7]. These systems can not only be used for exhaust heat recovery, but also in many other industries, such as nuclear power generation, fossil fuel power generation, and shipboard power. These were specifically chosen as they are at the highest state of technological readiness compared to newer option (thermo-acoustic systems, for example) available that are under early to mid-stage research.
Figure 1. Typical energy losses in heavy-duty diesel engines [5].
Figure 1. Typical energy losses in heavy-duty diesel engines [5].
Energies 16 04339 g001

1.1. Supercritical Carbon Dioxide (sCO2) Cycles

CO2 is an environmentally benign natural working fluid that is inexpensive, non-flammable, non-explosive, and abundant in nature. Furthermore, it has a low global warming potential (GWP) and no ozone-depleting potential (ODP) [8,9,10,11], which are important environmental characteristics when selecting the working fluid for a thermodynamic power generation cycle. The layout of these waste heat recovery systems can be seen in Figure 2 below.
As CO2 approaches its critical point, it becomes more incompressible; therefore, the compressor work can be decreased substantially, leading to higher thermodynamic cycle efficiencies. Another benefit of using sCO2 cycles is that they operate at much higher pressures throughout the cycle, which results in a higher density working fluid, thereby facilitating smaller equipment sizes and physical footprint, and hence lower capital cost [12].
Due to the compact nature of these systems, their environmentally friendly characteristics, safety levels, and the properties of the working fluid, sCO2 cycles emerged as a promising method in engine waste heat recovery. The technical feasibility of using CO2-based systems in engine waste heat recovery was already verified as it is already being used in vehicle air conditioning systems [13,14,15,16].
Figure 2. (a) Original preheating sCO2 system and (b) improved sCO2 system with regeneration branch [17].
Figure 2. (a) Original preheating sCO2 system and (b) improved sCO2 system with regeneration branch [17].
Energies 16 04339 g002
Manjunath et al. carried out a study on sCO2 waste heat recovery cycles for shipboard power applications. The study compared a proposed system that uses the sCO2 Brayton cycle to a conventional topping Brayton cycle that is already used for the application. They found that an increase in power output of around 18% can be achieved, as well as an increase in the overall shipboard power system efficiency of more than 11% [17]. Song et al. carried out a simulation study to test the performance improvement of a preheating sCO2 cycle-based system for engine waste heat recovery. The engine in consideration was an inline six turbocharged diesel engine that was used previously for ORC waste heat recovery studies. The results from the simulation show that the improved system can better utilize the regeneration heat load and hence improve system performance. Moreover, the maximum net output of the system is 7.4% higher than the original system. By adopting the improved preheating system, the engine power output was increased by 6.9% [1]. Furthermore, a similar study carried on the same engine with similar sCO2-based systems found that the engine power output was increased by 8.5%, indicating a tremendous potential for practical applications [1].
The cost of sCO2 systems varies significantly with the architecture of the system. Marchionni et al. studied the cost of various sCO2 architectures (in the 160–175 kWe range). They found that the simple recompression and simple recuperation layouts have investment costs of USD/kWe 1175 and USD/kWe 862.5, respectively. More complex systems such as the recompression, reheating layout can have costs as high as USD/kWe 1675 [18].

1.2. Organic Rankine Cycle (ORC)

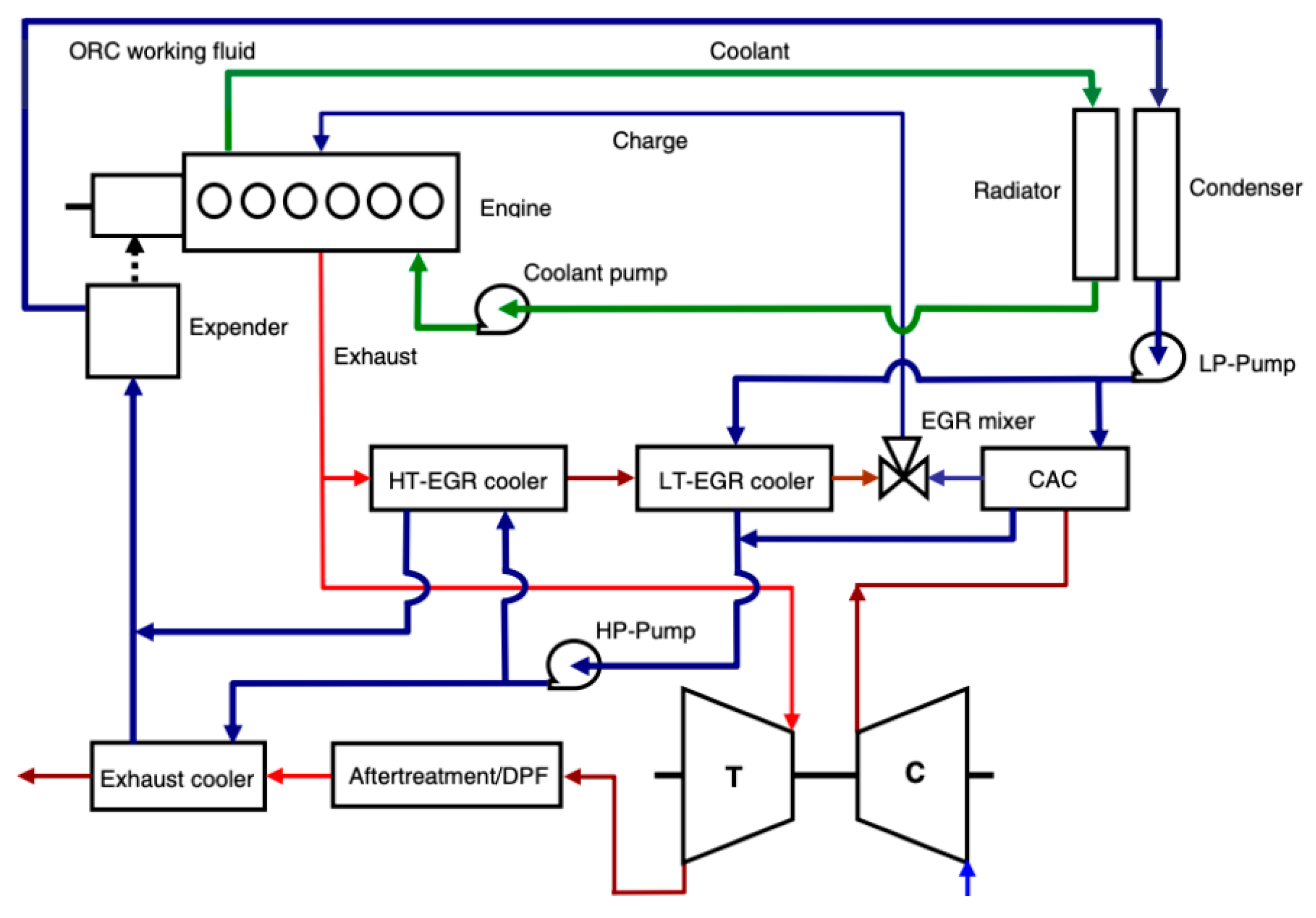
ORC waste heat recovery systems were heavily investigated for application in heavy-duty diesel engines for several decades. Mahmoudi et al. carried out an extensive literature review on ORC research. They found that diesel engines and gas turbines are the most used heat sources for WHR studies [19]. The layout of the system onboard diesel engine with exhaust gas recirculation (EGR) can be seen in Figure 3 below.
One of the first studies carried out was by Teng et al. who simulated an ORC WHR system on a Cummins ISX heavy-duty diesel engine with a rated brake power of 275 kW. The results of the simulations show that 55 kW of mechanical work was recovered by the ORC WHR system in steady-state conditions, which is equivalent to about a 20% increase in engine power without any additional fuel consumption [20]. Moreover, the efficiency of the ORC system was found to be 29.5% [20]. Another study carried out by Cipollone et al. tested an IVECO N67 engine operating at 1500 rpm and 25% load (a brake power of 35 kW). The ORC system was able to recover 2 kW of electric power at this power range [21]. Additionally, Pesyridis et al. carried out a study on a 10.3 L, 316 kW turbocharged heavy-duty diesel engine using an ORC WHR system. The system was able to recover 2–4 kW at low speeds and 8–16 kW at high speeds [22,23]. Moreover, Arunachalam et al. simulated an ORC WHR system on a 13 L, 367 kW Volvo D-13 engine using a mixture of 80% water and 20% ethanol as the working fluid. They found that the efficiency of the WHR system varied between 9 and 23% depending on the source of the waste heat [24]. Moreover, Varshil and Deshmouk [25] reviewed ORC performance for diesel engines of various configurations and found that there is a potential of improving fuel economy by up to 5% through effective implementation of ORC systems for waste heat recovery.
The focus more recently was on investigating the fuel economy potential of using ORC WHR systems. An experiment based on a 10.8 L 2006-MY Cummins ISM diesel engine in typical driving conditions was carried out by Teng et al. [26]. Thermodynamic analysis showed that up to a 5% fuel economy improvement was achieved using the WHR system above. Moreover, Laouid et al. conducted a multi-objective optimization of different organic Rankine cycle configurations and also found fuel economy improvements of 5–8.78%, with the latter being obtained by an ORC with an internal heat exchanger [27]. Hoang carried out an extensive review on ORC WHR diesel engine studies. He found that up to a 10% fuel saving can be achieved realistically, as well as 10–25% thermal efficiency for single-loop ORC systems and 60–90% for dual- or multi-loop ORC systems [28]. These exact findings were replicated by Chintala et al., who carried out a similar technical review on compression ignition engines using ORC WHR systems. They also found that R245fa is the best working fluid for these systems due to its good performance as a refrigerant, its availability, and its low economic and environmental impacts [29]. ORC systems were also heavily investigated for mobile marine applications. Mat Nawi et al. carried out a study using bioethanol as the working fluid in the ORC system. The results show that the ORC system was able to recover 5 kW of power from a 996 kW marine diesel engine running at 1500 rpm [30]. Moreover, Mondejar et al. found that ORC systems recovering heat from exhaust gases produced by marine diesel engines running on low-sulphur fuels could yield fuel savings of 10–15% [31]. In terms of both simulation and experimental studies, the fuel economy improvement ranges from 2 to 10%. These values depend on the design and selection of components, the working fluid used, and the architecture of the WHR system [32].

1.3. Thermoelectric Generators (TEG)

Thermoelectric processes are those the result in the direct conversion of thermal energy into electrical energy. Thermoelectric generators (TEG) have great potential to be used in waste heat recovery applications in power plants and automotive vehicles. They have many advantages, including low maintenance, zero environmental impact, silent operation, compactness, and stability. However, there are considerable technical challenges still remaining that, thus far, limited the progress of these systems. These include low efficiency and low maximum operating temperature, which are dictated by the selection of thermoelectric materials, as well as integration effects that arise from increased mass, complexity, and increased exhaust backpressure. Figure 4 below shows a typical thermoelectric module that can be used to generate electricity.
Kumar et al. created a model for a TEG WHR system based on a General Motors prototype Chevrolet Suburban. They were able to obtain a thermoelectric efficiency of 5.5% and heat exchanger transfer efficiency of 64% [33]. Lan et al. used a novel combination of TEG with and without ORC. They were able to produce 400 W of power and claimed a 1.8 to 4.3% fuel consumption reduction along a different drive cycle with TEG offering a 1.4% fuel saving on the WLTP on its own [34]. Kim et al. carried out an experiment to test the WHR performance of a TEG showing that the power produced by the TEG increases with engine load and speed. Moreover, a maximum power output of 119 W at 2000 rpm was achieved, as well as a maximum conversion efficiency of approximately 2.8% [35,36]. Lan et al. conducted a study to see how the location of the TEG affects the fuel economy potential in light-duty automotive applications. The study found that by placing a TEG closer to the exhaust manifold, the fuel-saving potential can increase by 50% [37].
Bang et al. studied the application of TEGs in medium-sized trucks. They found that these systems can save around 1.04 kL of fuel over 10 years, therefore justifying an economically acceptable cost of USD/kW 2905 for a TEG system [38,39]. This is significantly less than ORC systems due to the reduced complexity of the system. Moreover, Hendricks et al. carried out a cost analysis on an automotive TEG system using Skutterudite modules. They found that the most dominant components contributing to system costs are the heat exchangers used [40].
The aim of this study is to investigate the power recovery potential through the use of either ORC, sCO2, or TEG systems in automotive exhaust waste heat recovery applications in order to assess their suitability for automotive exhaust waste heat recovery systems. This will be achieved by completing the following objectives:
  • Create a heavy-duty diesel engine model on GT-SUITE;
  • Create TEG, ORC, and sCO2 system models on GT-SUITE and simulate these systems with the diesel engine model;
  • Compare obtained results from simulations to relevant literature to come to a conclusion about which technology is most suitable for automotive exhaust waste heat recovery systems;
  • The following sections include the Modelling Methodology in Section 2, where the heavy-duty diesel engine model is developed and described and then, in turn, the ORC, sCO2, and TEG models are, also, developed and described;
  • In Section 3, the results for all three main waste heat recovery systems tested, are presented, as is their efficiency in improving the diesel engine’s performance;
  • Section 4 concludes with a summary of the main findings and purpose of this work.

2. Modelling Methodology

This work was carried out using the GT-SUITE software to model these systems. The software can be used to simulate the physics of fluid, mechanical, thermal, and electrical flow. The heavy-duty diesel engine, as well as the WHR systems, were built and simulated on GT-ISE using both the GT-POWER and the GT-SUITE components. Once this was completed, GT-POST, which is a post-processing tool than can quickly generate 2D and 3D plots from simulations, was used to analyze the results of the simulations as well as combine data from different cases. This section will describe in sufficient detail to allow repeatability, the creation of the diesel engine and WHR models that the results of this project are obtained from.
An important part of modelling in GT-SUITE is calibrating the different components in a system. In this project, the first step was to create standalone calibration models for the heat exchangers, compressors, pumps, and turbines used in the diesel engine and WHR models. These models were compared to reference test data provided by manufacturers of GT-SUITE for WHR applications, as well as other calibration data found in the literature. Once the components were calibrated and the quality of fit in comparison to test data was acceptable, the simulations for this project were initiated. The calibration data, as well as the key parameters for the design of the systems, can be found in the ‘Appendix A, Appendix B and Appendix C’ section of the report.

2.1. Heavy-Duty Diesel Engine Modelling

The engine used for this project is a 4-stroke, 6-cylinder, 11.7 L diesel engine with a compression ratio of 16:1. This is representative of typical engines that are currently used, for example, in heavy-duty trucks. The overall engine model can be seen in Figure 5. The modifications that were carried out on the base engine will be discussed below.
The engine cylinder temperatures are specified and can be changed for different scenarios in Table 1. The in-cylinder heat transfer model used in this study is the ‘WoschniGT’ model. This model uses a formula that closely emulates the classical Woschni correlation without swirl. However, the difference lies in the treatment of the heat transfer coefficients while the valves are open. The ‘WoschniGT’ model accounts for the heat transfer increased by inflow velocities through intake valves, as well as the backflow through the exhaust valves. Furthermore, the combustion model used is the direct injection (DI), three-term Wiebe function, which can be used when the fuel is injected directly into the cylinder. The DI-Wiebe function attempts to model the burn rate of diesel combustion by summing up three separate curves: a main curve, a premixed curve, and a tail curve. The chosen properties of the combustion model and heat transfer model can be found in Appendix A.
In this model, the brake power from the engine is controlled by the amount of fuel injected into the cylinders. This brake power target, as well as the injected mass of fuel, is specified in the case setup section. Fueling is limited within the controller by an air-fuel ratio limit. Furthermore, the turbocharger adds a new dimension to the model, especially in regards to the convergence of the simulation. In general, the turbocharger can take a while to reach a steady speed even after flow convergence. Therefore, the turbocharger compressor and turbine need to be mapped accordingly. The desired turbocharger speed (in rpm) is defined by the user for the application in question. The compressor and turbine calibration data can both be found in Appendix A.
Once all of the necessary parameters are defined, the user can enter all of the relevant inputs needed for their simulation. In this project, the values chosen can be seen in Table 2. The final obtained results for the simulation can be found in the ‘Results and Discussion’ section of the report. Below, ‘RPM’ stands for ‘revolutions per minute.

2.2. ORC System Modelling

The indirect integration study approach will be adopted in this study. This is where the engine is simulated separately from the WHR model. Firstly, the heavy-duty diesel engine model is simulated, and the results are stored in a database alongside boundary conditions. After this, the relevant data are inserted into the separate WHR model and simulated to obtain the power recovered by the system. The advantage of this approach is the faster solution times achievable relative to the direct method where the engine and WHR system are coupled together and solved simultaneously.
The ORC system model that was created for this project can be seen in Figure 6. This model incorporates typical components of an ORC system but has the added benefit of a recuperator to help further improve system efficiency. For this system, the working fluid that was selected was R245fa. Working fluid selection was based on practicality (availability of R245fa and cost). The point of the study was the comparison of three systems on a common basis and not an extensive investigation of optimal working fluids. In this model, the values for the exhaust gas mass flow rate can be specified by the user in the case setup section. These values were obtained from the diesel engine simulations that provided the indirect approach link between the engine and the WHR system as described previously.
After the ORC model is completed, the run setup needs to be defined. The time control flag is set to continuous for this simulation. Periodic time control would only be used if the WHR system was coupled with a GT-POWER engine. However, as discussed earlier, the indirect approach was taken in this project. The final parameters defined in the case setup for this simulation can be seen in Table 3. Note that only three cases are run in the WHR simulations. The reason for this will be discussed later in the ‘Results and Discussion’ section of the report. In Table 3, ‘MFR’ stands for ‘Mass Flow Rate’ and ‘VFR’ for ‘Volume Flow Rate’.

2.3. sCO2 System Modelling

Figure 7 shows the sCO2 system model that was created in GT-SUITE for this project. The design of the system was based on the recuperated closed-loop Brayton cycle design that can be seen in the literature review. This system, as the ORC system designed, has the added benefit of increasing overall system efficiency by using a recuperator. The working fluid for this system is carbon dioxide (CO2) in a supercritical state. In this state, the temperature and pressure of CO2 is higher than its critical point and so the liquid and vapor phases are indistinguishable. This occurs when the temperature is higher than 31 °C and pressure is higher than 83.8 bar.
Once the system is modelled, the case setup section can be defined. The final case setup parameters can be seen in Table 4 below. One important parameter is the refrigerant initial temperature. This is set to 31 °C to ensure that the CO2 is in a supercritical state throughout the entire system. Additionally, in the fluid properties for the model, the option to calculate properties above the supercritical pressure was chosen. The results of the simulation can be seen in the ‘Results and Discussion’ section of this report.

2.4. TEG System Modelling

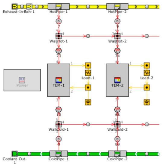
The final system being tested in this project is the TEG system that can be seen in Figure 8. A close up of the thermoelectric modules (TEM) can be seen in Figure 9. In this model, 10 TEM elements are sandwiched between a hot and a cold pipe. Each TEM connects thermally to the pipe walls such that a temperature difference exists across each TEM. The temperature difference produces a voltage within the TEM and therefore a current through the attached external electric circuit. The exhaust gas inlet properties (exhaust mass flow rate and temperature) are defined by the user in the case setup, alongside the pressure of the exhaust at the outlet.
Each pipe is modelled as a ‘flat plate’ that would be found in a typical plate-style heat exchanger. The pipes are modelled using thermal pipes connected to masses to represent the pipe walls (and fins for the inner pipe). Furthermore, the TEM template used in the model accounts for all three thermoelectric effects (Seebeck, Peltier, and Thomson) to generate an electric potential in response to a temperature difference across it. The same process is repeated for all 10 TEMs to obtain the complete model. To analyze the amount of power produced by the whole TEG system, an RLT creator part was made, which sums up all of the power outputs from each TEM. The final parameters in the case setup can be seen in Table 5 below.

3. Results and Discussion

After modelling the diesel engine and waste heat recovery systems, the results are analyzed and discussed in this section. In the first part, diesel engine modelling results are presented, and then waste heat recovery modelling is discussed.

3.1. Heavy-Duty Diesel Engine Model Results

Figure 10 shows the brake power produced by the heavy-duty diesel engine model from 1000 rpm to 3000 rpm. It can be seen that the maximum brake power produced by the engine is around 305 kW at 1800 rpm. This type of power is representative of current heavy-duty diesel engines. Moreover, the actual shape of the power curve and the rev range that it is produced at further increases confidence in the model. Similarly, in Figure 11 the brake torque produced by the engine in the same rpm range can be seen. We can see that the maximum brake torque produced is approximately 1540 N·m at 1400 rpm. Again, this figure at this power range is representative of current production heavy-duty diesel engines, thereby further increasing confidence in the model.
After obtaining the power and torque curves from the engine, it is important to select a few important points of operation in order to study how much power WHR systems can recover during typical driving scenarios. In this project, three points of operation were selected:
  • Case 1. Point of low power and torque (90 kW brake power)—1000 rpm was selected as another point of interest;
  • Case 2. Point of maximum torque (225 kW brake power)—1540 N·m was produced at 1400 rpm;
  • Case 3. Point of maximum power (305 kW brake power)—305 kW was produced at 1800 rpm from the model.
Figure 12 shows the exhaust mass flow rate for the 1000 rpm to 3000 rpm range. However, not all the points are of interest in this study as discussed above. Figure 13 shows the exhaust mass flow rates at the selected points of interest (1000 rpm, 1400 rpm, and 1800 rpm). This, alongside the exhaust temperature values at the points of interest in Figure 14, were entered into the WHR models as the exhaust input values. This is the reason why three cases are being run in the WHR models, as each case represents one point of interest. By obtaining these exhaust values, the indirect approach was taken as discussed in the ‘Methodology’ section of the report.

3.2. WHR Systems Results

Figure 15 shows the expander power obtained at the selected points of interest. Note that in all of the WHR simulations, case number 1 represents the low power and torque point, case number 2 represents the point of maximum torque, and case number 3 represents the point of maximum power. We can see that at 1000 rpm, the ORC system was able to produce 3.3 kW of power. Furthermore, at the point of maximum torque, the ORC system was able to produce 7.9 kW of power. Lastly, at the point of maximum power, the ORC system produced 14.7 kW of power. These results are similar to previous studies carried out on similar engines, such as Teng et al.’s experiment on a Cummins ISX heavy-duty diesel engine and Pesyridis et al.’s ORC simulation on a 10.3 L, 316 kW turbocharged heavy-duty diesel engine (as discussed earlier in the literature review). Furthermore, these results fall in the simulation range that Xu et al. mentioned when they carried out an extensive study on all ORC WHR research undertaken so far. Therefore, we can be fairly confident in the results from the ORC model made on GT-SUITE as it is supported heavily by previous literature and a good working model. The efficiency of the ORC system is highly dependent on the working fluid selected. In this study, the working fluid that was chosen was R245fa. This is because R245fa is a well-established working fluid for ORC application with many desirable properties for ORC applications. For example, it has no ozone impact, low global warming potential, it is non-flammable, and it has the appropriate thermodynamic properties for WHR applications.
Figure 16 shows the expander power output for the sCO2 system at the selected points of interest. At the point of low power and torque (1000 rpm), the sCO2 system produced 4.1 kW of power. At 1400 rpm (maximum torque), the system produced 10.1 kW of power. Lastly, at the point of maximum power (1800 rpm), the system produced 19.5 kW. In comparison to the ORC system results, we can see that at each point of interest, the sCO2 system produced more power. This is because sCO2 systems have higher efficiency than ORC systems, which is apparent in the results of this simulation.
The final WHR system investigated in this project is the TEG system. In Figure 17, we can see the total power output from all 10 TEMs. At 1000 rpm, the system produced 7 W of power. At 1400 rpm, the system produced 126 W of power. Lastly, at 1800 rpm the system produced 533 W of power. In comparison to both the ORC and the sCO2 systems, the total power produced by the TEG system is significantly less. This is because TEGs have very low efficiency. In terms of the model, we can be confident that the model created on GT-SUITE is representative of current TEG technology as the results from the simulation are very similar to the literature in the field.
Overall, from the results of all three WHR systems, in the Figure 18, it can be seen that the most likely systems to be successful for exhaust waste heat recovery applications for heavy-duty diesel engines are the ORC and sCO2 systems. These two systems have significantly higher efficiencies than TEGs and therefore recover much more power from the exhaust gases. Furthermore, sCO2 systems have the added benefit of being more compact due to the higher working pressures of the system. However, the main challenges facing both ORC and sCO2 systems are designing high efficiency turbines that are reliable at elevated pressures and temperatures. If these challenges can be overcome though, there is a significant opportunity for these systems to be adopted for WHR applications on a mass scale.
Overall, this is the only study to consider all three main heat recovery systems for mobile application. Previous studies discussed from the literature (refer to [34]) stop short of implementing sCO2. Therefore, the value of this study lies in the concurrent assessment of these three principal options for waste heat recovery in a single study and carried out against a common comparative basis.

4. Conclusions

The aim of this study was to investigate the potential of ORC, sCO2, and TEG systems for use in heavy-duty diesel engine exhaust WHR. There was a number of simulations and experimental studies carried out on these systems for a wide variety of applications; however, they are yet to be adopted on a mass scale in transportation.
The results of the simulations showed that sCO2 systems are capable of recovering the most power from exhaust gases, followed closely by ORC systems. The sCO2 system recovered 19.5 kW at the point of maximum brake power and 10.1 kW at the point of maximum torque. Similarly, the ORC system recovered 14.7 kW at the point of maximum brake power and 7.9 kW at the point of maximum torque. Furthermore, at a point of low power and torque, the sCO2 system recovered 4.2 kW of power and the ORC system recovered 3.3 kW. The TEG system produced significantly less power (533 W at maximum brake power, 126 W at maximum torque, and 7 W at low power and torque) at all three points of interest due to the low system efficiency in comparison to sCO2 and ORC systems. Based on these results, we can be confident in proposing the theoretical viability of sCO2 and ORC systems as the most likely systems to be adopted for diesel engine WHR applications. The sCO2 systems have the highest efficiency of the three WHR systems and also have the benefit of being more compact due to the higher working pressures. Furthermore, the cost per kW of power produced by sCO2 systems is also significantly less than both ORC and TEG systems. Of course, the applicability of such systems is still a matter of debate in the context of the electrification of transportation, but the increasing introduction of alternative fuels and of hydrogen options means that such systems can be considered with renewed vigor. Obviously, there are still some challenges to be overcome in terms of component design and affordability of the systems for mass-scale production. However, if this is achieved, in the near term, the potential of these systems can be exploited. The energy recovered by these systems can be used to power auxiliary components, such as the air conditioning or lights, therefore reducing the fuel consumption of the vehicle. With growing pressure on automotive manufacturers to reduce emissions from their vehicles, these WHR systems could prove to be an attractive prospect. While in industrial use, SCO2 and ORC systems would require increased maintenance requirements compared to TEG systems; in the transportation context, these requirements are likely to be minimal by design, but their evaluation was, in fact, out of the scope of this investigation.

Author Contributions

Data curation, Investigation, Writing-original draft, M.A.; Conceptualization, Data curation, Investigation, A.P.; Writing-original draft, J.A.S.; Supervision, Methodology, Validation, Writing-review & editing, A.M.A.; Supervision, Methodology, Writing-review & editing, A.G.; Supervision, Resources, Writing-review & editing, S.R. All authors have read and agreed to the published version of the manuscript.

Funding

This research received no external funding.

Data Availability Statement

Data available on request due to privacy.

Conflicts of Interest

The authors declare no conflict of interest.

Nomenclature

AbbreviationDescription
sCO2Supercritical carbon dioxide
TEGThermoelectric generator
TEMThermoelectric modules
WHRWaste heat recovery
RPMRevolution per minute
ORCOrganic Rankine cycle
GHGGreenhouse gas
GWPGlobal warming potential
ODPOzone-depleting potential
Ref. In Temp.Refrigerant initial temperature
ExhGas_MFRExhausr gas mass flow rate
ExhGas In Temp.Exhaust gas inlet temperature
Cool_MFRCoolant mass flow rate
Cool_Out_PCoolant outlet pressure
Exh_Out_PExhaust outlet pressure

Appendix A

Heavy-Duty Diesel Engine Model Design Parameters on GT-SUITE.
Table A1. Engine cylinder heat transfer properties.
Table A1. Engine cylinder heat transfer properties.
ParameterValue
Heat transfer modelWoschniGT
Overall convection multiplier1
Head/bore area ratio1
Piston/bore area ratio1.3
Radiation multiplier1
Table A2. DI Wiebe combustion model properties.
Table A2. DI Wiebe combustion model properties.
ParameterValue
Premixed fraction0.017
Ignition delay2
Tail fraction0.05
Premixed duration2
Main duration33
Tail duration45
Premixed exponent0.7
Main exponent1.1
Tail exponent1.3
Table A3. Compressor calibration data.
Table A3. Compressor calibration data.
AttributeSpeed (RPM)Mass Flow Rate (kg/s)Pressure RatioEfficiency (Fraction)
155,9840.151.750.67
255,9840.21131.7030.737
355,9840.37691.6690.763
455,9840.33331.6080.735
555,9840.39481.4940.639
673,9740.232.420.68
773,9740.31192.3820.74
873,9740.38712.3480.771
973,9740.45862.2250.745
1073,9740.52831.9690.639
1188,4850.363.210.69
1288,4850.43883.1910.746
1388,4850.48693.1520.758
1488,4850.54682.9630.731
1588,4850.59752.5360.635
16102,0000.444.0220.7
17102,0000.524.0180.709
18102,0000.54553.9670.712
19102,0000.583.7850.7
20102,0000.631453.2230.631
Table A4. Turbine calibration data.
Table A4. Turbine calibration data.
AttributeSpeed
(RPM)
Mass Flow Rate
(kg/s)
Pressure Ratio
(bar)
Efficiency
(fraction)
140,7000.251.270.76
240,7000.2761.310.8
340,7000.28881.3490.831
440,7000.2941.380.81
549,7000.2951.460.79
649,7000.321.530.83
749,7000.32231.5940.846
849,7000.3381.630.823
957,3000.3431.750.821
1057,3000.3491.830.847
1157,3000.35531.8820.856
1264,0000.35731.920.846
1364,0000.3482.020.838
1464,0000.3552.090.855
1564,0000.36292.1610.863
1670,0000.3662.230.849
1770,0000.3532.310.825
1870,0000.3572.360.842
1970,0000.36062.4160.854
20102,0000.3632.50.847

Appendix B

ORC and sCO2 System Model Design Parameters on GT-SUITE.
Table A5. Evaporator heat exchanger specifications.
Table A5. Evaporator heat exchanger specifications.
AttributeValue
Tube length (mm)850
Inlet connection diameter (master fluid) (mm)12.7
Outlet connection diameter (master fluid) (mm)117.0973
Number of tubes100
Inlet tank volume (L)0.03335
Outlet tank volume (L)0.03335
Dry mass of heat exchanger material (kg)10
Heat exchanger material properties objectStainless steel
Table A6. Evaporator heat transfer calibration data.
Table A6. Evaporator heat transfer calibration data.
AttributeMaster Inlet
Temperature
(°C)
Master
Inlet
Static
Pressure
(bar)
Master
Outlet
Static
Pressure
(bar)
Master
Mass
Flow
Rate
(kg/s)
Slave Inlet
Temperature
(°C)
Slave
Inlet
Static
Pressure
(bar)
Slave
Outlet
Static
Pressure
(bar)
Slave
Mass
Flow
Rate
(kg/s)
Heat
Transfer
Rate
(kW)
14520.0025200.17001.0007410.0528.8
24520.0072200.27001.0023210.0847.1
34520.0202200.37001.0074710.1482.8
44520.0313200.47001.0107410.1798.8
54520.0521200.57001.0197310.23130
Table A7. Expander calibration data.
Table A7. Expander calibration data.
AttributeTurbine
Speed
(RPM)
Volumetric
Efficiency
(Fraction)
Suction
Pressure
(bar)
Suction
Temperature
(°C)
Discharge
Pressure
(bar)
Discharge
Temperature
(°C)
Total
Shaft
Power
Output
(kW)
110000.922015010127.61.39
210000.94201507122.132.12
310000.95201505117.854.48
410000.95201502.5109.473.41
520000.732015010127.72.71
620000.75201507121.623.89
720000.75201505116.614.67
820000.76201502.5112.135.31
930000.632015010129.43.58
1030000.64201507123.024.74
1130000.65201505117.775.85
1230000.65201502.5116.525.61
1340000.552015010132.433.05
1440000.56201507125.674.55
1540000.56201505121.115.75
1640000.56201502.5121.114.84
Table A8. Recuperator heat exchanger specifications.
Table A8. Recuperator heat exchanger specifications.
AttributeValue
Tube length (mm)600
Inlet connection diameter (master fluid) (mm)12.7
Outlet connection diameter (master fluid) (mm)12.7
Number of tubes1
Inlet tank volume (L)0.1
Outlet tank volume (L)0.1
Dry mass of heat exchanger material (kg)5
Heat exchanger material properties objectAluminum
Table A9. Recuperator heat transfer calibration data.
Table A9. Recuperator heat transfer calibration data.
AttributeMaster Inlet
Temperature
(°C)
Master
Inlet
Static
Pressure
(bar)
Master
Outlet
Static
Pressure
(bar)
Master
Mass
Flow
Rate
(kg/s)
Slave Inlet
Temperature
(°C)
Slave
Inlet
Static
Pressure
(bar)
Slave
Outlet
Static
Pressure
(bar)
Slave
Mass
Flow
Rate
(kg/s)
Heat
Transfer
Rate
(kW)
131826260.153552.92.90.155.36585
231826260.23552.92.90.27.07691
331826260.253552.92.90.258.7795
431826260.33552.92.90.310.4803
Table A10. Condenser heat exchanger specifications.
Table A10. Condenser heat exchanger specifications.
AttributeValue
Plate length (mm)200
Plate width (mm)200
Connection diameter (master fluid) (mm)75.2892
Connection diameter (slave fluid) (mm)60
Number of channels (master fluid)12
Number of channels (slave fluid)11
Dry mass of heat exchanger material (kg)3.8
Heat exchanger material properties objectAluminum
Table A11. Condenser heat transfer calibration data.
Table A11. Condenser heat transfer calibration data.
AttributeMaster Inlet
Temperature
(°C)
Master
Inlet
Static
Pressure
(bar)
Master
Outlet
Static
Pressure
(bar)
Master
Mass
Flow
Rate
(kg/s)
Slave Inlet
Temperature
(°C)
Slave
Inlet
Static
Pressure
(bar)
Slave
Outlet
Static
Pressure
(bar)
Slave
Mass
Flow
Rate
(kg/s)
Heat
Transfer
Rate
(kW)
1703.223.20.1232.0185624020.6910
2703.253.20.2232.0742328041.3821
3703.33.20.3232.167212062.0732
4703.353.20.4232.29687216082.7643
5703.413.20.5232.463842200103.4554
Table A12. Pump calibration data.
Table A12. Pump calibration data.
AttributeSpeed
(RPM)
Volumetric Flow Rate (m3/s)Pressure Ratio
(bar)
Total Isentropic
Efficiency (Fraction)
110008.25 × 10−5290.48
210009.3 × 10−5250.51
310009.76 × 10−5230.53
410001.12 × 10−4150.54
510001.15 × 10−4130.55
610001.24 × 10−4170.58
715001.2 × 10−4290.52
815001.36 × 10−4250.57
915001.41 × 10−4230.61
1015001.63 × 10−4150.63
1115001.67 × 10−4130.64

Appendix C

TEG System Model Design Parameters on GT-SUITE.
Table A13. TEG model hot and cold pipe properties.
Table A13. TEG model hot and cold pipe properties.
ParameterHot Pipe ValueCold Pipe Value
The area at inlet end (mm2)5.26500
Wetted perimeter at inlet end (mm)12.1210
The area at outlet end (mm2)5.26500
Wetted perimeter at outlet end (mm)12.1210
Length (mm)5050
Discretization length (mm)5050
Number of identical pipes801
Table A14. TEG model hot and cold thermal block properties.
Table A14. TEG model hot and cold thermal block properties.
ParameterHot Thermal BlockCold Thermal Block
Material properties objectAluminumAluminum
Mass (g)4029
Height (mm)22
Length (mm)5050
Width (mm)100100

References

  1. Song, J.; Ren, X.-D.; Gu, C.-W. Investigation of Engine Waste Heat Recovery Using Supercritical CO2 (S-CO2) Cycle System. In Turbo Expo: Power for Land, Sea, and Air; American Society of Mechanical Engineers: New York, NY, USA, 2018; Volume 51180, p. V009T38A014. [Google Scholar]
  2. Olabi, A.B.; Al-Murisi, M.; Maghrabie, H.M.; Yousef, B.A.A.; Sayed, E.T.; Alami, A.H.; Abdelkareem, M.A. Potential applications of thermoelectric generators (TEGs) in various waste heat recovery systems. Int. J. Thermofluids 2022, 16, 100249. [Google Scholar] [CrossRef]
  3. Feneley, A.J.; Pesiridis, A.; Andwari, A.M. Variable geometry turbocharger technologies for exhaust energy recovery and boosting—A Review. Renew. Sustain. Energy Rev. 2017, 71, 959–975. [Google Scholar] [CrossRef]
  4. Mahmoudzadeh Andwari, A.; Pesyridis, A.; Esfahanian, V.; Salavati-Zadeh, A.; Hajialimohammadi, A. Modelling and evaluation of waste heat recovery systems in the case of a heavy-duty diesel engine. Energies 2019, 12, 1397. [Google Scholar] [CrossRef]
  5. Eichler, K.; Jeihouni, Y.; Ritterskamp, C. Fuel economy benefits for commercial diesel engines with waste heat recovery. SAE Int. J. Commer. Veh. 2015, 8, 491–505. [Google Scholar] [CrossRef]
  6. Moradi, J.; Gharehghani, A.; Mirsalim, M. Numerical investigation on the effect of oxygen in combustion characteristics and to extend low load operating range of a natural-gas HCCI engine. Appl. Energy 2020, 276, 115516. [Google Scholar] [CrossRef]
  7. Moradi, J.; Gharehghani, A.; Mirsalim, M. Numerical comparison of combustion characteristics and cost between hydrogen, oxygen and their combinations addition on natural gas fueled HCCI engine. Energy Convers. Manag. 2020, 222, 113254. [Google Scholar] [CrossRef]
  8. Gharehghani, A.; Mirsalim, S.M.; Jazayeri, S.A. Numerical and Experimental Investigation of Combustion and Knock in a Dual Fuel Gas/Diesel Compression Ignition Engine. J. Combust. 2012, 2012, 504590. [Google Scholar] [CrossRef]
  9. Gharehghani, A.; Kakoee, A.; Andwari, A.M.; Megaritis, T.; Pesyridis, A. Numerical Investigation of an RCCI Engine Fueled with Natural Gas/Dimethyl-Ether in Various Injection Strategies. Energies 2021, 14, 1638. [Google Scholar] [CrossRef]
  10. Mehranfar, S.; Gharehghani, A.; Azizi, A.; Mahmoudzadeh Andwari, A.; Pesyridis, A.; Jouhara, H. Comparative assessment of innovative methods to improve solar chimney power plant efficiency. Sustain. Energy Technol. Assess. 2022, 49, 101807. [Google Scholar] [CrossRef]
  11. Guo, J.-Q.; Li, M.J.; He, Y.L.; Jiang, T.; Ma, T.; Xu, J.L.; Cao, F. A systematic review of supercritical carbon dioxide(S-CO2) power cycle for energy industries: Technologies, key issues, and potential prospects. Energy Convers. Manag. 2022, 258, 115437. [Google Scholar] [CrossRef]
  12. White, M.T.; Bianchi, G.; Chai, L.; Tassou, S.A.; Sayma, A.I. Review of supercritical CO2 technologies and systems for power generation. Appl. Therm. Eng. 2021, 185, 116447. [Google Scholar] [CrossRef]
  13. Kim, S.C.; Won, J.P.; Kim, M.S. Effects of operating parameters on the performance of a CO2 air conditioning system for vehicles. Appl. Therm. Eng. 2009, 29, 2408–2416. [Google Scholar] [CrossRef]
  14. Siddiqui, M.E.; Almatrafi, E.; Bamasag, A.; Saeed, U. Adoption of CO2-based binary mixture to operate transcritical Rankine cycle in warm regions. Renew. Energy 2022, 199, 1372–1380. [Google Scholar] [CrossRef]
  15. Siddiqui, M.E. Thermodynamic Performance Improvement of Recompression Brayton Cycle Utilizing CO2-C7H8 Binary Mixture. Mechanics 2021, 27, 259–264. [Google Scholar] [CrossRef]
  16. Wieland, C.; Schifflechner, C.; Dawo, F.; Astolfi, M. The organic Rankine cycle power systems market: Recent developments and future perspectives. Appl. Therm. Eng. 2023, 224, 119980. [Google Scholar] [CrossRef]
  17. Manjunath, K.; Sharma, O.P.; Tyagi, S.K.; Kaushik, S.C. Thermodynamic analysis of a supercritical/transcritical CO2 based waste heat recovery cycle for shipboard power and cooling applications. Energy Convers. Manag. 2018, 155, 262–275. [Google Scholar] [CrossRef]
  18. Marchionni, M.; Bianchi, G.; Tsamos, K.M.; Tassou, S.A. Techno-economic comparison of different cycle architectures for high temperature waste heat to power conversion systems using CO2 in supercritical phase. Energy Procedia 2017, 123, 305–312. [Google Scholar] [CrossRef]
  19. Mahmoudi, A.; Fazli, M.; Morad, M. A recent review of waste heat recovery by Organic Rankine Cycle. Appl. Therm. Eng. 2018, 143, 660–675. [Google Scholar] [CrossRef]
  20. Teng, H.; Regner, G.; Cowland, C. Achieving High Engine Efficiency for Heavy-Duty Diesel Engines by Waste Heat Recovery Using Supercritical Organic-Fluid Rankine Cycle; SAE Technical Paper, 0148-7191; SAE International: Warrendale, PA, USA, 2006. [Google Scholar]
  21. Cipollone, R.; Di Battista, D.; Perosino, A.; Bettoja, F. Waste Heat Recovery by an Organic Rankine Cycle for Heavy Duty Vehicles; SAE Technical Paper, 0148-7191; SAE International: Warrendale, PA, USA, 2016. [Google Scholar]
  22. Mahmoudzadeh Andwari, A.; Pesiridis, A.; Esfahanian, V.; Salavati-Zadeh, A.; Karvountzis-Kontakiotis, A.; Muralidharan, V. A comparative study of the effect of turbocompounding and ORC waste heat recovery systems on the performance of a turbocharged heavy-duty diesel engine. Energies 2017, 10, 1087. [Google Scholar] [CrossRef]
  23. Mahmoudzadeh Andwari, A.; Pesiridis, A.; Karvountzis-Kontakiotis, A.; Esfahanian, V. Hybrid electric vehicle performance with organic rankine cycle waste heat recovery system. Appl. Sci. 2017, 7, 437. [Google Scholar] [CrossRef]
  24. Arunachalam, P.N.; Shen, M.; Tuner, M.; Tunestal, P.; Thern, M. Waste Heat Recovery from Multiple Heat Sources in a HD Truck Diesel Engine Using a Rankine Cycle—A Theoretical Evaluation; SAE Technical Paper, 0148-7191; SAE International: Warrendale, PA, USA, 2012. [Google Scholar]
  25. Varshil, P.; Deshmuk, D. A comprehensive review of waste heat recovery from a diesel engine using organic rankine cycle. Energy Rep. 2021, 7, 3951–3970. [Google Scholar]
  26. Teng, H.; Klaver, J.; Park, T.; Hunter, G.L.; van der Velde, B. A Rankine Cycle System for Recovering Waste Heat from HD Diesel Engines—WHR System Development; SAE Technical Paper, 0148-7191; SAE International: Warrendale, PA, USA, 2011. [Google Scholar]
  27. Laouid, Y.A.A.; Kezrane, C.; Lasbet, Y.; Pesyridis, A. Towards improvement of waste heat recovery systems: A multi-objective optimization of different organic Rankine cycle configurations. SAE Int. J. Thermofluids 2022, 11, 100100. [Google Scholar] [CrossRef]
  28. Hoang, A.T. Waste heat recovery from diesel engines based on Organic Rankine Cycle. Appl. Energy 2018, 231, 138–166. [Google Scholar] [CrossRef]
  29. Chintala, V.; Kumar, S.; Pandey, J.K. A technical review on waste heat recovery from compression ignition engines using organic Rankine cycle. Renew. Sustain. Energy Rev. 2018, 81, 493–509. [Google Scholar] [CrossRef]
  30. Nawi, Z.M.; Kamarudin, S.; Abdullah, S.S.; Lam, S. The potential of exhaust waste heat recovery (WHR) from marine diesel engines via organic rankine cycle. Energy 2019, 166, 17–31. [Google Scholar] [CrossRef]
  31. Mondejar, M.; Andreasen, J.; Pierobon, L.; Larsen, U.; Thern, M.; Haglind, F. A review of the use of organic Rankine cycle power systems for maritime applications. Renew. Sustain. Energy Rev. 2018, 91, 126–151. [Google Scholar] [CrossRef]
  32. Xu, B.; Rathod, D.; Yebi, A.; Filipi, Z.; Onori, S.; Hoffman, M. A comprehensive review of organic rankine cycle waste heat recovery systems in heavy-duty diesel engine applications. Renew. Sustain. Energy Rev. 2019, 107, 145–170. [Google Scholar] [CrossRef]
  33. Kumar, S.; Heister, S.D.; Xu, X.; Salvador, J.R.; Meisner, G.P. Thermoelectric generators for automotive waste heat recovery systems part II: Parametric evaluation and topological studies. J. Electron. Mater. 2013, 42, 944–955. [Google Scholar] [CrossRef]
  34. Lan, S.; Li, Q.; Guo, X.; Wang, S.; Chen, R. Fuel saving potential analysis of bifunctional vehicular waste heat recovery system using thermoelectric generator and organic Rankine cycle. Energy 2023, 263, 125717. [Google Scholar] [CrossRef]
  35. Kim, T.Y.; Negash, A.A.; Cho, G. Waste heat recovery of a diesel engine using a thermoelectric generator equipped with customized thermoelectric modules. Energy Convers. Manag. 2016, 124, 280–286. [Google Scholar] [CrossRef]
  36. Andwari, A.M.; Pesiridis, A.; Esfahanian, V.; Muhamad Said, M.F. Combustion and emission enhancement of a spark ignition two-stroke cycle engine utilizing internal and external exhaust gas recirculation approach at low-load operation. Energies 2019, 12, 609. [Google Scholar] [CrossRef]
  37. Lan, S.; Yang, Z.; Stobart, R.; Chen, R. Prediction of the fuel economy potential for a skutterudite thermoelectric generator in light-duty vehicle applications. Appl. Energy 2018, 231, 68–79. [Google Scholar] [CrossRef]
  38. Bang, S.; Kim, B.; Youn, N.; Kim, Y.; Wee, D. Economic and environmental analysis of thermoelectric waste heat recovery in conventional vehicles operated in Korea: A model study. J. Electron. Mater. 2016, 45, 1956–1965. [Google Scholar] [CrossRef]
  39. Andwari, A.M.; Said, M.F.M.; Aziz, A.A.; Esfahanian, V.; Salavati-Zadeh, A.; Idris, M.A.; Perang, M.R.M.; Jamil, H.M. Design, modeling and simulation of a high-pressure gasoline direct injection (GDI) pump for small engine applications. J. Mech. Eng. 2018, 1, 107–120. [Google Scholar]
  40. Sivaprahasam, D.; Harish, S.; Gopalan, R.; Sundararajan, G. Automotive Waste Heat Recovery by Thermoelectric Generator Technology. In Bringing Thermoelectricity into Reality; IntechOpen: London, UK, 2018; pp. 163–182. [Google Scholar]
Figure 3. ORC WHR system with integrated low-temperature cooling loop [20].
Figure 3. ORC WHR system with integrated low-temperature cooling loop [20].
Energies 16 04339 g003
Figure 4. Working principle of thermoelectric module and its components [33].
Figure 4. Working principle of thermoelectric module and its components [33].
Energies 16 04339 g004
Figure 5. 6-Cylinder, 4-stroke, 11.7 L heavy-duty modified diesel engine model in GT- SUITE.
Figure 5. 6-Cylinder, 4-stroke, 11.7 L heavy-duty modified diesel engine model in GT- SUITE.
Energies 16 04339 g005
Figure 6. Schematic of the ORC system model and components layout in GT-SUITE.
Figure 6. Schematic of the ORC system model and components layout in GT-SUITE.
Energies 16 04339 g006
Figure 7. Schematic of the sCO2 system model in GT-SUITE.
Figure 7. Schematic of the sCO2 system model in GT-SUITE.
Energies 16 04339 g007
Figure 8. TEG system model in GT-SUITE.
Figure 8. TEG system model in GT-SUITE.
Energies 16 04339 g008
Figure 9. Schematic of TEG system close up.
Figure 9. Schematic of TEG system close up.
Energies 16 04339 g009
Figure 10. Brake power (kW) vs. engine speed (RPM) curve.
Figure 10. Brake power (kW) vs. engine speed (RPM) curve.
Energies 16 04339 g010
Figure 11. Brake torque (N·m) vs. engine speed (RPM) curve.
Figure 11. Brake torque (N·m) vs. engine speed (RPM) curve.
Energies 16 04339 g011
Figure 12. Exhaust mass flow rate (kg/s) vs. engine speed (RPM).
Figure 12. Exhaust mass flow rate (kg/s) vs. engine speed (RPM).
Energies 16 04339 g012
Figure 13. Exhaust mass flow rates for selected points of interest.
Figure 13. Exhaust mass flow rates for selected points of interest.
Energies 16 04339 g013
Figure 14. Exhaust temperature for selected points of interest.
Figure 14. Exhaust temperature for selected points of interest.
Energies 16 04339 g014
Figure 15. ORC expander power output (kW) vs. case number.
Figure 15. ORC expander power output (kW) vs. case number.
Energies 16 04339 g015
Figure 16. sCO2 expander power output (kW) vs. case number.
Figure 16. sCO2 expander power output (kW) vs. case number.
Energies 16 04339 g016
Figure 17. TEG system power output vs. case number.
Figure 17. TEG system power output vs. case number.
Energies 16 04339 g017
Figure 18. Comparison of three WHR systems.
Figure 18. Comparison of three WHR systems.
Energies 16 04339 g018
Table 1. Heavy-duty diesel engine specifications modelled in GT-SUITE.
Table 1. Heavy-duty diesel engine specifications modelled in GT-SUITE.
ParameterValue
Engine type11.7 L, inline, 6-cylinder, 4-stroke
Turbocharged diesel
Bore x stroke (mm)119 × 175
Compression ratio16:1
Connecting rod length (mm)300
Maximum brake power (kW)305–1800 rpm
Maximum torque (N·m)1540–1400 rpm
Engine firing order1-5-3-6-2-4
Head temperature (K)570
Piston temperature (K)600
Cylinder temperature (K)480
Table 2. Final chosen parameters for heavy-duty diesel engine model in GT-SUITE.
Table 2. Final chosen parameters for heavy-duty diesel engine model in GT-SUITE.
ParameterCase 1Case 2Case 3Case 4Case 5Case 6Case 7Case 8
Brake power target (KW)24027029530527022515590
Injected mass of fuel (mg)255240225210195180165150
Number of Cycle7575757575757575
RPM (rpm)30002400200018001600140012001000
Turbocharger (rpm)90,00086,00080,00082,00077,00069,00060,00052,000
Table 3. Final chosen parameters for the ORC system model on GT-SUITE.
Table 3. Final chosen parameters for the ORC system model on GT-SUITE.
ParameterCase 1Case 2Case 3
Pump speed (rpm)200022002400
Expander speed (rpm)135015001650
Exhaust gas MFR (kg/s)0.13690.32350.4770
Exhaust gas inlet temperature (K)655.6711.8783.9
Condenser coolant VFR (L/min)180190200
Coolant inlet temperature (°C)26.8526.8526.85
Refrigerant initial temperature (°C)26.8526.8526.85
Table 4. Final chosen parameters for the sCO2 system model in GT-SUITE.
Table 4. Final chosen parameters for the sCO2 system model in GT-SUITE.
ParameterCase 1Case 2Case 3
Pump speed (rpm)200022002400
Expander speed (rpm)135015001650
ExhGas_MFR (kg/s)0.136930.323450.47707
ExhGas inlet temperature (K)655.5935711.7872783.91376
Condenser coolant VFR (L/min)180190200
Coolant inlet temperature (°C)26.8526.8526.85
Refrigerant initial temperature (°C)313131
Table 5. Final chosen parameters for TEG model in GT-SUITE.
Table 5. Final chosen parameters for TEG model in GT-SUITE.
ParameterCase 1Case 2Case 3
Coolant mass flow rate (kg/s)0.10.40.8
Exhaust mass flow (kg/s)0.136930.323450.47707
Coolant outlet pressure (bar)111
Exhaust outlet pressure (bar)1.0096561.04822281.0881422
coolant inlet temperature (°C)252525
Exhaust inlet temperature (K)655.5935711.7872783.91376
Disclaimer/Publisher’s Note: The statements, opinions and data contained in all publications are solely those of the individual author(s) and contributor(s) and not of MDPI and/or the editor(s). MDPI and/or the editor(s) disclaim responsibility for any injury to people or property resulting from any ideas, methods, instructions or products referred to in the content.

Share and Cite

MDPI and ACS Style

Ahamed, M.; Pesyridis, A.; Ahbabi Saray, J.; Mahmoudzadeh Andwari, A.; Gharehghani, A.; Rajoo, S. Comparative Assessment of sCO2 Cycles, Optimal ORC, and Thermoelectric Generators for Exhaust Waste Heat Recovery Applications from Heavy-Duty Diesel Engines. Energies 2023, 16, 4339. https://doi.org/10.3390/en16114339

AMA Style

Ahamed M, Pesyridis A, Ahbabi Saray J, Mahmoudzadeh Andwari A, Gharehghani A, Rajoo S. Comparative Assessment of sCO2 Cycles, Optimal ORC, and Thermoelectric Generators for Exhaust Waste Heat Recovery Applications from Heavy-Duty Diesel Engines. Energies. 2023; 16(11):4339. https://doi.org/10.3390/en16114339

Chicago/Turabian Style

Ahamed, Menaz, Apostolos Pesyridis, Jabraeil Ahbabi Saray, Amin Mahmoudzadeh Andwari, Ayat Gharehghani, and Srithar Rajoo. 2023. "Comparative Assessment of sCO2 Cycles, Optimal ORC, and Thermoelectric Generators for Exhaust Waste Heat Recovery Applications from Heavy-Duty Diesel Engines" Energies 16, no. 11: 4339. https://doi.org/10.3390/en16114339

APA Style

Ahamed, M., Pesyridis, A., Ahbabi Saray, J., Mahmoudzadeh Andwari, A., Gharehghani, A., & Rajoo, S. (2023). Comparative Assessment of sCO2 Cycles, Optimal ORC, and Thermoelectric Generators for Exhaust Waste Heat Recovery Applications from Heavy-Duty Diesel Engines. Energies, 16(11), 4339. https://doi.org/10.3390/en16114339

Note that from the first issue of 2016, this journal uses article numbers instead of page numbers. See further details here.

Article Metrics

Back to TopTop