Design and Verification of Petri-Net-Based Cyber-Physical Systems Oriented toward Implementation in Field-Programmable Gate Arrays—A Case Study Example
Abstract
1. Introduction
- The comprehensive design flow of the cyber-physical systems modelled by an interpreted Petri net is proposed. The presented design flow is aimed mainly at (but not restricted to) the implementation of the CPS in the FPGA device. The presented methodology includes all necessary steps, including modelling of the system by an interpreted Petri net, formal verification, transformation to the hardware description, and final implementation in the FPGA.
- Besides the complete design flow, a novel verification algorithm is introduced. The method allows the initial error checking in order to obtain potentially unbounded places. The main advantage of the proposed method is its polynomial computational complexity. It is proved that the algorithm runs in time.
- The presented design flow, as well as proposed verification technique are illustrated by a real-life cyber-physical system. In particular, a traffic light controller is designed and implemented within FPGA. The system was additionally validated in hardware with the use of the miniaturization model of the crossroad traffic light system.
2. Basic Notations and Definitions
- (a)
- Any rows consisting entirely of zeros are grouped together at the bottom of the matrix; otherwise, the first nonzero number in the row is 1 (leading one);
- (b)
- Each column of the matrix containing a leading one has zeros everywhere else;
- (c)
- In any two successive nonzero rows of the matrix, the leading one in the lower row occurs farther to the right than the leading one in the higher row.
3. The Proposed Design and Verification Techniques
- Modelling of the system by an interpreted Petri net.
- Formal verification of the system (detection of possible unbounded places).
- Hardware modelling of the system (transformation to HDL description).
- Implementation and validation of the system within FPGA.
3.1. Modelling of the System by an Interpreted Petri Net
3.2. Formal Verification of the System (Detection of Possible Unbounded Places)
| Algorithm 1: Searching for possible unbounded places in the Petri-net-based CPS | |
| 1. | Read incidence matrix of interpreted Petri net . |
| 2. | Transformation of : |
| for each row | |
| find row with the leftmost nonzero entry ; | |
| swap rows and ; | |
| divide row by | |
| for each : | |
| for each : | |
| ; | |
| end for | |
| end for | |
| end for | |
| 3. | Examination of the transformed matrix: |
| set ; | |
| set ; | |
| for each row : | |
| while ( and ): | |
| ++; | |
| end while | |
| if () break; | |
| for (: | |
| if (: | |
| :=; | |
| end if | |
| end for | |
| end for | |
| 4. | Print the possible unbounded places and return the algorithm: |
| if (): | |
| print No unbounded places found! | |
| else | |
| print The possible unbounded places in the CPS: | |
| for each place | |
| print ; | |
| end for | |
| end if | |
| return . | |
3.3. Hardware Modelling of the System (Transformation to HDL Description)
| Listing 1. The HDL description of the system shown in Figure 1b. |
![]() |
3.4. Implementation and Validation of the System within FPGA
4. Case Study Example
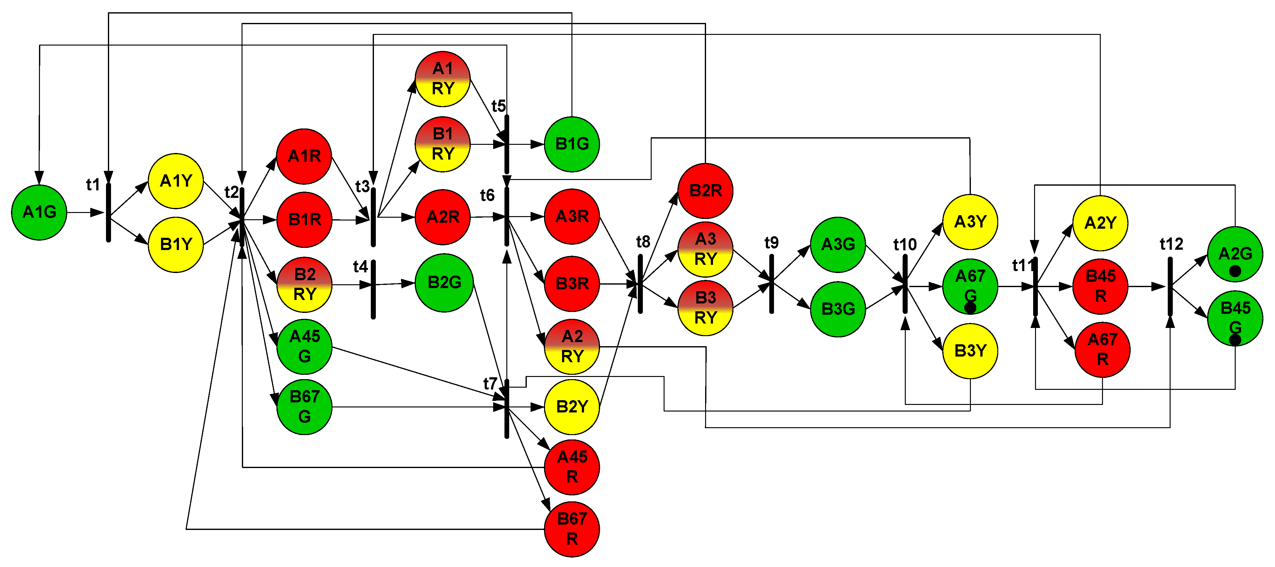
4.1. Modelling of the Crossroad Example by an Interpreted Petri Net
4.2. Formal Verification of the System (Detection of Possible Unbounded Places)
4.3. Hardware Modelling of the System (Transformation to HDL Description)
| Listing 2. The HDL description of the system shown in Figure 5. |
![]() |
4.4. Implementation and Validation of the System within FPGA
5. Conclusions
Author Contributions
Funding
Data Availability Statement
Conflicts of Interest
References
- Clempner, J. An Analytical Method for Well-Formed Workflow/Petri Net Verification of Classical Soundness. Int. J. Appl. Math. Comput. Sci. 2014, 24, 931–939. [Google Scholar] [CrossRef]
- Gu, C.; Ma, Z.; Li, Z.; Giua, A. Verification of Nonblockingness in Bounded Petri Nets With a Semi-Structural Approach. In Proceedings of the 2019 IEEE 58th Conference on Decision and Control (CDC), Nice, France, 11–13 December 2019; IEEE: Piscataway, NJ, USA, 2019; pp. 6718–6723. [Google Scholar]
- Girault, C.; Valk, R. Petri Nets for Systems Engineering: A Guide to Modeling, Verification, and Applications; Springer: Berlin/Heidelberg, Germany, 2003; ISBN 978-3-540-41217-5. [Google Scholar]
- Murata, T. Petri Nets: Properties, Analysis and Applications. Proc. IEEE 1989, 77, 541–580. [Google Scholar] [CrossRef]
- Wiśniewski, R. Prototyping of Concurrent Control Systems Implemented in FPGA Devices; Advances in Industrial Control; Springer International Publishing: Berlin/Heidelberg, Germany, 2017; ISBN 978-3-319-45810-6. [Google Scholar]
- Martínez, J.; Silva, M. A Simple and Fast Algorithm to Obtain All Invariants of a Generalised Petri Net. In Proceedings of the Application and Theory of Petri Nets; Girault, C., Reisig, W., Eds.; Springer: Berlin, Heidelberg, 1982; pp. 301–310. [Google Scholar]
- Karatkevich, A. Dynamic Analysis of Petri Net-Based Discrete Systems; Lecture Notes in Control and Information Sciences; Springer: Berlin/Heidelberg, Germany, 2007; ISBN 978-3-540-71464-4. [Google Scholar]
- Zhou, M.; Wu, N. System Modeling and Control with Resource-Oriented Petri Nets, 1st ed.; CRC Press: Boca Raton, FL, USA, 2009; ISBN 978-1-4398-0884-9. [Google Scholar]
- Koh, I.; DiCesare, F. Transformation Methods for Generalized Petri Nets and Their Applications to Flexible Manufacturing Systems. In Proceedings of the 1990 Rensselaer’s Second International Conference on Computer Integrated Manufacturing, Troy, NY, USA, 21–23 May 1990; pp. 364–371. [Google Scholar]
- Kaid, H.; Al-Ahmari, A.; Li, Z.; Davidrajuh, R. Automatic Supervisory Controller for Deadlock Control in Reconfigurable Manufacturing Systems with Dynamic Changes. Appl. Sci. 2020, 10, 5270. [Google Scholar] [CrossRef]
- Patalas-Maliszewska, J.; Wiśniewski, R.; Topczak, M.; Wojnakowski, M. Modelling of the Effectiveness of Integrating Additive Manufacturing Technologies into Petri Net-Based Manufacturing Systems. In Proceedings of the 2022 IEEE International Conference on Fuzzy Systems (FUZZ-IEEE), Padua, Italy, 18–23 July 2022; IEEE: Piscataway, NJ, USA, 2022; pp. 1–9. [Google Scholar]
- Patalas-Maliszewska, J.; Wiśniewski, R.; Topczak, M.; Wojnakowski, M. Design Optimization of the Petri Net-Based Production Process Supported by Additive Manufacturing Technologies. Bull. Pol. Acad. Sci. Tech. Sci. 2022, 70, e140693. [Google Scholar]
- Wiśniewski, R.; Bazydło, G.; Szcześniak, P.; Wojnakowski, M. Petri Net-Based Specification of Cyber-Physical Systems Oriented to Control Direct Matrix Converters With Space Vector Modulation. IEEE Access 2019, 7, 23407–23420. [Google Scholar] [CrossRef]
- van der Aalst, W.M.P. Workflow Verification: Finding Control-Flow Errors Using Petri-Net-Based Techniques. In Business Process Management: Models, Techniques, and Empirical Studies; van der Aalst, W., Desel, J., Oberweis, A., Eds.; Lecture Notes in Computer Science; Springer: Berlin/Heidelberg, Germany, 2000; pp. 161–183. ISBN 978-3-540-45594-3. [Google Scholar]
- Yakovlev, A.; Gomes, L.; Lavagno, L. (Eds.) Hardware Design and Petri Nets; Springer: New York, NY, USA, 2000; ISBN 978-0-7923-7791-7. [Google Scholar]
- Alcaraz, M.; Campos-Rodriguez, R.; Lopez-Mellado, E.; Ramirez-Trevino, A. Partial Reconfiguration of Control Systems Using Petri Nets Structural Redundancy. Inf. Technol. Control 2015, 44, 287–301. [Google Scholar] [CrossRef]
- Wiśniewski, R. Dynamic Partial Reconfiguration of Concurrent Control Systems Specified by Petri Nets and Implemented in Xilinx FPGA Devices. IEEE Access 2018, 6, 32376–32391. [Google Scholar] [CrossRef]
- Li, B.; Khlif-Bouassida, M.; Toguyéni, A. On–The–Fly Diagnosability Analysis of Bounded and Unbounded Labeled Petri Nets Using Verifier Nets. Int. J. Appl. Math. Comput. Sci. 2018, 28, 269–281. [Google Scholar] [CrossRef]
- Szpyrka, M.; Biernacka, A.; Biernacki, J. Methods of Translation of Petri Nets to NuSMV Language. In Proceedings of the CS&P, Chemnitz, Germany, 29 September–1 October 2014. [Google Scholar]
- van der Aalst, W.M.P.; van Hee, K.M.; ter Hofstede, A.H.M.; Sidorova, N.; Verbeek, H.M.W.; Voorhoeve, M.; Wynn, M.T. Soundness of Workflow Nets: Classification, Decidability, and Analysis. Form. Asp. Comput. 2011, 23, 333–363. [Google Scholar] [CrossRef]
- Zaitsev, D. Clans of Petri Nets: Verification of Protocols and Performance Evaluation of Networks; LAP LAMBERT Academic Publishing: London, UK, 2013; ISBN 978-3-659-42228-7. [Google Scholar]
- Wojnakowski, M.; Wiśniewski, R.; Bazydło, G.; Popławski, M. Analysis of Safeness in a Petri Net-Based Specification of the Control Part of Cyber-Physical Systems. Appl. Math. Comput. Sci. 2021, 31, 647–657. [Google Scholar] [CrossRef]
- Ide, K.; Wasaki, K. Efficient Algorithm for Liveness/Safeness Analysis of Free-Choice Nets in a Petri Net Tool: HiPS. In Proceedings of the 2012 6th International Conference on New Trends in Information Science, Service Science and Data Mining (ISSDM2012), Taipei, Taiwan, 23–25 October 2012; IEEE: Piscataway, NJ, USA, 2012; pp. 179–184. [Google Scholar]
- Wojnakowski, M.; Popławski, M.; Wiśniewski, R.; Bazydło, G. Hippo-CPS: Verification of Boundedness, Safeness and Liveness of Petri Net-Based Cyber-Physical Systems. In Proceedings of the Technological Innovation for Digitalization and Virtualization; Camarinha-Matos, L.M., Ed.; Springer International Publishing: Cham, Switzerland, 2022; pp. 74–82. [Google Scholar]
- Wojnakowski, M.; Popławski, M.; Wiśniewski, R.; Bazydło, G. Safeness Analysis of Petri Net-Based Cyber-Physical Systems Based on the Linear Algebra and Parallel Reductions. In Proceedings of the AIP Conference Proceedings, Heraklion, Greece, 7 September 2021. [Google Scholar]
- Popławski, M.; Wojnakowski, M.; Bazydło, G.; Wiśniewski, R. Reachability Tree in Liveness Analysis of Petri Net-Based Cyber-Physical Systems. In Proceedings of the AIP Conference Proceedings, Heraklion, Greece, 7 September 2021. [Google Scholar]
- Wojnakowski, M.; Wiśniewski, R. Verification of the Boundedness Property in a Petri Net-Based Specification of the Control Part of Cyber-Physical Systems. In Proceedings of the Technological Innovation for Applied AI Systems; Camarinha-Matos, L.M., Ferreira, P., Brito, G., Eds.; Springer International Publishing: Cham, Switzerland, 2021; pp. 83–91. [Google Scholar]
- Wisniewski, R.; Wojnakowski, M.; Stefanowicz, Ł. Safety Analysis of Petri Nets Based on the SM-Cover Computed with the Linear Algebra Technique. AIP Conf. Proc. 2018, 2040, 080008. [Google Scholar] [CrossRef]
- Wojnakowski, M.; Wiśniewski, R.; Popławski, M. Bounded and Place Invariant-Covered Petri Nets for Cyber-Physical Systems Specification. In Proceedings of the AIP Conference Proceedings, Heraklion, Crete, Greece, 26–29 October 2022; AIP: New York, NY, USA, 2022. [Google Scholar]
- Wiśniewski, R. Design of Petri Net-Based Cyber-Physical Systems Oriented on the Implementation in Field Programmable Gate Arrays. Energies 2021, 14, 7054. [Google Scholar] [CrossRef]
- Reisig, W. Petri Nets: An Introduction; Monographs in Theoretical Computer Science: An EATCS Series; Springer: Berlin/Heidelberg, Germany, 1985; ISBN 978-3-642-69970-2. [Google Scholar]
- Ajao, L.A.; Agajo, J.; Umar, B.U.; Agboade, T.T.; Adegboye, M.A. Modeling and Implementation of Smart Home and Self-Control Window Using FPGA and Petri Net. In Proceedings of the 2020 IEEE PES/IAS PowerAfrica, Nairobi, Kenya, 25–28 August 2020; IEEE: Piscataway, NJ, USA, 2020; pp. 1–5. [Google Scholar]
- Costa, A.; Gomes, L.; Barros, J.P.; Oliveira, J.; Reis, T. Petri Nets Tools Framework Supporting FPGA-Based Controller Implementations. In Proceedings of the 2008 34th Annual Conference of IEEE Industrial Electronics, Orlando, FL, USA, 10–13 November 2008; IEEE: Piscataway, NJ, USA, 2008; pp. 2477–2482. [Google Scholar]
- Abughalieh, K.M.; Alawneh, S.G. A Survey of Parallel Implementations for Model Predictive Control. IEEE Access 2019, 7, 34348–34360. [Google Scholar] [CrossRef]
- Kubica, M.; Opara, A.; Kania, D. Technology Mapping for LUT-Based FPGA; Lecture Notes in Electrical Engineering; Springer International Publishing: Cham, Switzerland, 2021; Volume 713, ISBN 978-3-030-60487-5. [Google Scholar]
- Loschi, H.; Lezynski, P.; Smolenski, R.; Nascimento, D.; Sleszynski, W. FPGA-Based System for Electromagnetic Interference Evaluation in Random Modulated DC/DC Converters. Energies 2020, 13, 2389. [Google Scholar] [CrossRef]
- Marguč, J.; Truntič, M.; Rodič, M.; Milanovič, M. FPGA Based Real-Time Emulation System for Power Electronics Converters. Energies 2019, 12, 969. [Google Scholar] [CrossRef]
- Wiśniewski, R.; Bazydło, G.; Gomes, L.; Costa, A. Dynamic Partial Reconfiguration of Concurrent Control Systems Implemented in FPGA Devices. IEEE Trans. Ind. Inform. 2017, 13, 1734–1741. [Google Scholar] [CrossRef]
- Barkalov, A.; Titarenko, L.; Mielcarek, K. Improving Characteristics of LUT-Based Mealy FSMs. Int. J. Appl. Math. Comput. Sci. 2020, 30, 745–759. [Google Scholar] [CrossRef]
- Reisig, W. Nets Consisting of Places and Transistions. In Petri Nets: An Introduction; Reisig, W., Ed.; EATCS Monographs on Theoretical Computer Science; Springer: Berlin/Heidelberg, Germany, 1985; pp. 62–76. ISBN 978-3-642-69968-9. [Google Scholar]
- Schmidt, K. On the Computation of Place Invariants for Algebraic Petri Nets. In Proceedings of the Structures in Concurrency Theory; Desel, J., Ed.; Springer: London, UK, 1995; pp. 310–325. [Google Scholar]
- Best, E.; Devillers, R.; Koutny, M. Petri Net Algebra; Monographs in Theoretical Computer Science: An EATCS Series; Springer: Berlin/Heidelberg, Germany, 2001; ISBN 978-3-540-67398-9. [Google Scholar]
- Wiśniewski, R.; Karatkevich, A.; Adamski, M.; Costa, A.; Gomes, L. Prototyping of Concurrent Control Systems With Application of Petri Nets and Comparability Graphs. IEEE Trans. Control Syst. Technol. 2018, 26, 575–586. [Google Scholar] [CrossRef]
- Grobelna, I.; Wiśniewski, R.; Wojnakowski, M. Specification of Cyber-Physical Systems with the Application of Interpreted Nets. In Proceedings of the IECON 2019—45th Annual Conference of the IEEE Industrial Electronics Society, Lisbon, Portugal, 14–17 October 2019; IEEE: Piscataway, NJ, USA, 2019; Volume 1, pp. 5887–5891. [Google Scholar]
- Wisniewski, R.; Bazydło, G.; Szcześniak, P.; Grobelna, I.; Wojnakowski, M. Design and Verification of Cyber-Physical Systems Specified by Petri Nets—A Case Study of a Direct Matrix Converter. Mathematics 2019, 7, 812. [Google Scholar] [CrossRef]
- Lu, A.-Y.; Yang, G.-H. Malicious Adversaries against Secure State Estimation: Sparse Sensor Attack Design. Automatica 2022, 136, 110037. [Google Scholar] [CrossRef]
- Bhattacharjya, A.; Kozdrój, K.; Bazydło, G.; Wisniewski, R. Trusted and Secure Blockchain-Based Architecture for Internet-of-Medical-Things. Electronics 2022, 11, 2560. [Google Scholar] [CrossRef]
- Bhattacharjya, A.; Wisniewski, R.; Nidumolu, V. Holistic Research on Blockchain’s Consensus Protocol Mechanisms with Security and Concurrency Analysis Aspects of CPS. Electronics 2022, 11, 2760. [Google Scholar] [CrossRef]
- An, L.; Yang, G.-H. Distributed Secure State Estimation for Cyber–Physical Systems under Sensor Attacks. Automatica 2019, 107, 526–538. [Google Scholar] [CrossRef]
- Su, L.; Ye, D.; Zhao, X.-G. Distributed Secure State Estimation for Cyber-Physical Systems Against Replay Attacks via Multisensor Method. IEEE Syst. J. 2022, 16, 5720–5728. [Google Scholar] [CrossRef]
- Wiśniewski, R.; Patalas-Maliszewska, J.; Wojnakowski, M.; Topczak, M. Interpreted Petri Nets in Modelling and Analysis of Physical Resilient Manufacturing Systems. In Proceedings of the 2022 IEEE International Conference on Systems, Man, and Cybernetics (SMC), Prague, Czech Republic, 9–12 October 2022; IEEE: Piscataway, NJ, USA, 2022. [Google Scholar]
- Gomes, L. On Conflict Resolution in Petri Nets Models through Model Structuring and Composition. In Proceedings of the INDIN ’05. 2005 3rd IEEE International Conference on Industrial Informatics, Perth, WA, Australia, 10–12 August 2005; IEEE: Piscataway, NJ, USA; pp. 489–494. [Google Scholar]
- Knottenbelt, W. PIPE v2. 5: A Petri Net Tool for Performance Modelling. In Proceedings of the 23rd Latin American Conference on Informatics (CLEI 2007), San Jose, Costa Rica, 7–11 October 2007; Faculty of Law, Josip Juraj Strossmayer University in Osijek: Osijek, Croatia, 2007; Volume 12. [Google Scholar]
- Gomes, L.; Moutinho, F.; Pereira, F. IOPT-Tools—A Web Based Tool Framework for Embedded Systems Controller Development Using Petri Nets. In Proceedings of the 2013 23rd International Conference on Field programmable Logic and Applications, Gothenburg, Sweden, 31 August–4 September 2013; p. 1. [Google Scholar]
- Bouyekhf, R.; Moudni, A.E. On the Analysis of Some Structural Properties of Petri Nets. IEEE Trans. Syst. Man Cybern.-Part Syst. Hum. 2005, 35, 784–794. [Google Scholar] [CrossRef]
- Lipton, R.J. The Reachability Problem Requires Exponential Space. In Proceedings of the Technical Report 62; Yale University: New Haven, CT, USA, 1976. [Google Scholar]
- Kovalyov, A.; Esparza, J. A Polynomial Algorithm to Compute the Concurrency Relation of Free-Choice Signal Transition Graphs. Proc. Int. WODES 1996, 6, 107–126. [Google Scholar]
- Esparza, J.; Silva, M. A Polynomial-Time Algorithm to Decide Liveness of Bounded Free Choice Nets. Theor. Comput. Sci. 1992, 102, 185–205. [Google Scholar] [CrossRef]
- Barkaoui, K.; Minoux, M. A Polynomial-Time Graph Algorithm to Decide Liveness of Some Basic Classes of Bounded Petri Nets. In Proceedings of the Application and Theory of Petri Nets 1992; Jensen, K., Ed.; Springer: Berlin/Heidelberg, Germany, 1992; pp. 62–75. [Google Scholar]
- Best, E.; Thiagarajan, P.S. Some Classes of Live and Safe Petri Nets. In Concurrency and Nets: Advances in Petri Nets; Springer: Berlin/Heidelberg, Germany, 1987; pp. 71–94. ISBN 978-0-387-18057-1. [Google Scholar]
- Yuster, A.T.; Yuster, T. The Reduced Row Echelon Form of a Matrix Is Unique: A Simple Proof. Math. Mag. 1984, 57, 93–94. [Google Scholar] [CrossRef]
- Kemper, P. O(|P||T|)-Algorithm to Compute a Cover of S-Components in EFC-Nets. 1995. Available online: https://www.semanticscholar.org/paper/O(jpjjtj)-algorithm-to-Compute-a-Cover-of-in-Kemper/0c7890a0fcac62e9ddffc2feed0801f6740b0115 (accessed on 2 November 2022).
- Kovalyov, A.V. Concurrency Relations and the Safety Problem for Petri Nets. In Proceedings of the Application and Theory of Petri Nets 1992; Jensen, K., Ed.; Springer: Berlin/Heidelberg, Germany, 1992; pp. 299–309. [Google Scholar]
- Wiśniewski, R.; Karatkevich, A.; Adamski, M.; Kur, D. Application of Comparability Graphs in Decomposition of Petri Nets. In Proceedings of the 2014 7th International Conference on Human System Interactions (HSI), Melbourne, Australia, 28–31 June 2014; pp. 216–220. [Google Scholar]
- IEEE Std 1364-2005 Revis. IEEE Std 1364-2001; IEEE Standard for Verilog Hardware Description Language. IEEE: Piscataway, NJ, USA, 2006; pp. 1–590. [CrossRef]
- Altera FPGA Solutions|Analog Devices. Available online: https://www.analog.com/en/design-center/reference-designs/fpga-compatible-reference-designs/altera-fpga-solutions.html (accessed on 2 November 2022).
- FPGA. Available online: https://www.latticesemi.com/fpga (accessed on 2 November 2022).
- Microchip Technology/Atmel FPGA—Field Programmable Gate Array—Mouser Poland. Available online: https://www.mouser.pl/c/semiconductors/programmable-logic-ics/fpga-field-programmable-gate-array/?b=Microchip%20Technology%20%2F%20Atmel (accessed on 2 November 2022).
- Xilinx—Adaptable. Intelligent|Together We Advance. Available online: https://www.xilinx.com/ (accessed on 2 November 2022).
- Xilinx Documentation Portal. Available online: https://docs.xilinx.com/ (accessed on 2 November 2022).
- Wiśniewski, R.; Bazydło, G.; Szcześniak, P. SVM Algorithm Oriented for Implementation in a Low-Cost Xilinx FPGA. Integration 2019, 64, 163–172. [Google Scholar] [CrossRef]
- Wiśniewski, R.; Bazydło, G.; Szcześniak, P. Low-Cost FPGA Hardware Implementation of Matrix Converter Switch Control. IEEE Trans. Circuits Syst. II Express Briefs 2019, 66, 1177–1181. [Google Scholar] [CrossRef]







| Place | Outputs | Place | Outputs | Place | Outputs | Places | Outputs |
|---|---|---|---|---|---|---|---|
| A1G | A1G | A1RY | A1R, A1Y | B2Y | B2Y | A3Y | A3Y |
| A1Y | A1Y | B1RY | B1R, B1Y | A45R | A4R, A5R | A67G | A6G, A7G |
| B1Y | B1Y | A2R | A2R | B67R | B6R, B7R | B3Y | B3Y |
| A1R | A1R | B2G | B2G | B2R | B2R | A2Y | A2Y |
| B1R | B1R | B1G | B1G | A3RY | A3Y, A3R | B45R | B4R, B5R |
| B2RY | B2Y, B2R | A3R | A3R | B3RY | B3Y, B3R | A67R | A6R, A7R |
| A45G | A4G, A5G | B3R | B3R | A3G | A3G | A2G | A2G |
| B67G | B6G, B7G | A2RY | A2Y, A2R | B3G | B3G | B45G | B4G, B5G |
Disclaimer/Publisher’s Note: The statements, opinions and data contained in all publications are solely those of the individual author(s) and contributor(s) and not of MDPI and/or the editor(s). MDPI and/or the editor(s) disclaim responsibility for any injury to people or property resulting from any ideas, methods, instructions or products referred to in the content. |
© 2022 by the authors. Licensee MDPI, Basel, Switzerland. This article is an open access article distributed under the terms and conditions of the Creative Commons Attribution (CC BY) license (https://creativecommons.org/licenses/by/4.0/).
Share and Cite
Wiśniewski, R.; Wojnakowski, M.; Li, Z. Design and Verification of Petri-Net-Based Cyber-Physical Systems Oriented toward Implementation in Field-Programmable Gate Arrays—A Case Study Example. Energies 2023, 16, 67. https://doi.org/10.3390/en16010067
Wiśniewski R, Wojnakowski M, Li Z. Design and Verification of Petri-Net-Based Cyber-Physical Systems Oriented toward Implementation in Field-Programmable Gate Arrays—A Case Study Example. Energies. 2023; 16(1):67. https://doi.org/10.3390/en16010067
Chicago/Turabian StyleWiśniewski, Remigiusz, Marcin Wojnakowski, and Zhiwu Li. 2023. "Design and Verification of Petri-Net-Based Cyber-Physical Systems Oriented toward Implementation in Field-Programmable Gate Arrays—A Case Study Example" Energies 16, no. 1: 67. https://doi.org/10.3390/en16010067
APA StyleWiśniewski, R., Wojnakowski, M., & Li, Z. (2023). Design and Verification of Petri-Net-Based Cyber-Physical Systems Oriented toward Implementation in Field-Programmable Gate Arrays—A Case Study Example. Energies, 16(1), 67. https://doi.org/10.3390/en16010067



