Next Article in Journal
Internet Threat Detection in Smart Grids Based on Network Traffic Analysis Using LSTM, IF, and SVM
Previous Article in Journal
Flow and Combustion Characteristics of Wave Rotor–Trapped Vortex Combustor System
 
 
Font Type:
Arial Georgia Verdana
Font Size:
Aa Aa Aa
Line Spacing:
Column Width:
Background:
Article

Techno-Economic Analysis towards Full-Scale Pressure Retarded Osmosis Plants

1
Chemical Engineering Program, Texas A&M University at Qatar, Doha P.O. Box 23874, Qatar
2
ConocoPhillips Global Water Sustainability Center, Qatar Science & Technology Park, Doha P.O. Box 24750, Qatar
3
Facultad de Ciencias de la Ingeniería, Universidad Paraguayo Alemana, San Lorenzo 2540, Paraguay
*
Author to whom correspondence should be addressed.
Energies 2023, 16(1), 325; https://doi.org/10.3390/en16010325
Submission received: 15 November 2022 / Revised: 24 December 2022 / Accepted: 25 December 2022 / Published: 28 December 2022

Abstract

Pressure retarded osmosis (PRO) is a power generation process that harnesses the salinity gradient between two water bodies of different salinities. Using high salinity water as a draw solution, this work assesses the techno-economic feasibility of the technology to generate electricity using single and multistage systems. This work utilizes a simulator built on the rigorous Q-Electrolattice equation of state and a mass transfer model that accounts for concentration polarization, combined with the Dakota optimization tool to perform sensitivity analysis and optimization studies. The economic indicator of interest is the Levelized Cost of Electricity (LCOE), which serves to compare PRO with other sources of renewable energy. An LCOE value of USD 0.1255/kWh was obtained from the use of commercial membranes at an efficiency of 100% for the mechanical components of the PRO system. This LCOE drops to USD 0.0704/kWh when an ideal membrane is used—thus showing the improvements to economics possible with improved membrane properties. With currently obtainable membrane properties and mechanical equipment, the LCOE of a single-stage process increases to USD 0.352/kWh, which is not cost-competitive with other renewable energy sources. Setting up multistage PRO systems towards minimizing the LCOE was found to be detrimental to the net power production by the plant.

Graphical Abstract

1. Introduction

Increasing energy demand and anthropogenic climate change have led to increased research on alternative sources of energy. Among these alternatives, energy from solar photovoltaics and wind turbines have enjoyed widespread adoption due to their ability to attain grid parity [1,2]. Grid parity refers to the point where renewable energy technologies can produce power at the same cost or lower than that obtainable from conventional grids powered by hydrocarbons. Salinity gradient energy, which refers to the energy harnessed from the mixing of solutions with different salt concentrations, has also enjoyed increased research interest. The prevalent methods of harvesting energy from salinity gradients include reverse electrodialysis (RED), nanofluidic reverse electrodialysis (NRED), capacitive mixing (CAPMIX), and pressure retarded osmosis (PRO) [3,4,5,6,7,8]. In RED, the salinity gradient energy is directly converted to electrical energy through the generation of an ionic electric current by mixing two solutions with different salinities through a cation/anion-exchange membrane [9]. The NRED process is similar to RED but with the transport of ions from the high salinity reservoir to the low salinity reservoir occurring through a solid-state nanoporous membrane instead of ion exchange membranes [6,10]. In CAPMIX, there is a periodic switch of the liquid in contact with electrodes, being either a high-salinity or a low-salinity solution, generating an electrical current [11]. The PRO is an osmotically-driven membrane process that converts the energy of mixing between the high and low salinity streams to mechanical energy, which can be subsequently converted to electrical energy [12,13]. Pressure retarded osmosis (PRO) has been shown to be a promising technology for harnessing salinity gradient energy [14] and is studied in this work.
PRO is a technology that takes advantage of the osmotic pressure difference between two bodies of water separated by a semipermeable membrane where one body is more saline than the other. Due to osmosis, water molecules move through the membrane from the solution of lower salt concentration to that with a higher salt concentration. The process operates in such a way that the pressure on the side of the solution with higher salt concentration (draw solution) is more than the pressure on the side with lower salt concentration (feed solution). The hydraulic pressure difference is also smaller than the osmotic pressure difference between the draw and feed solutions. In this way, there is a flow of solvent from the feed to the draw solution. These two effects—the increase in pressure of the draw solution and its flowrate—enable the generation of mechanical power in a hydro turbine, which extracts power from the pressurized draw solution [15].
There has been much focus on the energetic performance of the PRO process [16,17,18,19,20,21,22], but few works assess its economic feasibility [2,4,23]. Even when economic evaluations are reported, the use of different frameworks for costing and different standards for decision-making makes it difficult to assess how cost-competitive the process is and how it compares to other renewable energy technologies. Won et al. [2] proposed a ‘lower bound cost’ scenario, which leads to a decision on which scenarios are uneconomical. The levelized costs of electricity reported by Chung et al. are USD 1.2/kWh for seawater and river water pairing, USD 0.44/kWh for reverse osmosis brine and wastewater pairing, and USD 0.066/kWh for hypersaline water (26% wt.) and river water pairing. They conclude that only hypersaline water/river water or hydrocarbon-produced water/river water pairing with more than 18% wt. salt is economically viable.
Loeb [4] carried out the techno-economic feasibility of the PRO process and concluded optimistically that the cost of electricity generated would be in the range of USD 0.058/kWh–USD 0.070/kWh, with the added benefit of refilling the Dead Sea with discharge brine. His model was based on a Brackish Water Reverse Osmosis (BWRO) plant’s capital cost per volume of USD 450/(m3/day). However, the cost of a BWRO plant is not an adequate estimate due to the absence of high-pressure booster pumps [2]. This estimate was updated by Loeb [24] to USD 0.091/kWh with costing that considers a Reverse Osmosis plant with high-pressure pumps, but with the optimistic assumption that membrane costs decrease exponentially with an increase in permeate rate as well as a very low-interest rate on the cost of capital for the plant.
Kleiterp [25] carried out location-specific techno-economic studies with a focus on the use of PRO for power generation from natural bodies of water. For the plant capacities used in this work, the conclusion was that commercial exploitation was unfeasible—with feasibility measured as the selling price of energy at 8 cents/kWh. Khasawneh et al. [23] evaluated the viability of energy generation from PRO for three different pairings of feed and draw streams. The conclusion reached was that only the pairing of Red Sea–Dead Sea was economically feasible with a levelized cost of USD 0.056/kWh. However, the amount of electricity produced is over-estimated due to the simple model for water flux calculation used in this work.
In the literature, no standard framework exists to analyze the economic feasibility of PRO and compare it with other renewable energy sources. Given this scenario, one of the contributions of this work is to propose a framework suitable for assessing the performance of PRO processes. Moreover, this work provides new results for processes with high salinity streams because it is unlikely that PRO processes with low salinity streams will be economically feasible. This work analyzes the PRO process using a process simulator that utilizes a rigorous equation of state suited to high-salinity solutions (Q-electrolattice EoS) and a mass transfer model that accounts for internal and external concentration polarization. The cost of energy generated is evaluated modularly by cost models that depend on equipment characteristic property (e.g., pump costs depend on the power needed, membrane costs depend on total area, etc.) to make up the capital costs. Operating costs are then calculated in USD/year. The economic decision-making parameter Levelized Cost of Electricity (LCOE) is computed to (i) give information on the cost of generating a unit of electricity (USD/kWh), (ii) compare with other renewable energy technologies, and (iii) ascertain the closeness of a particular configuration to grid parity. The LCOE is widely used as a measure in renewable energy research as well as in reporting cost trends for global projects by international renewable energy agencies.
A typical PRO process has five modules, as described below and shown in Figure 1:
(1)
the semipermeable membrane, which selectively allows water (but not salt, ideally) molecules to permeate through it;
(2)
the booster pump (or high-pressure pump), which drives the draw solution (high salinity stream) to the membrane;
(3)
the feed pump (or low-pressure pump), which drives the feed (low salinity stream) to the membrane. This is the stream that permeates through the membrane;
(4)
the pressure exchanger, which receives a portion of the membrane unit output pressurized draw stream and exchanges its pressure with the input draw solution stream. Its purpose is to reduce the pumping requirement of the booster pump; and
(5)
the hydro turbine, where energy is recovered from the remainder of the pressurized output draw stream that exits the membrane unit.
In a PRO process, a low-pressure and low-salinity feed stream enters the process through a low-pressure feed pump, and water molecules permeate through the membrane via osmosis. A high-pressure, high-salinity draw stream enters the process via the high-pressure booster pump. Within the membrane, the high-salinity stream is diluted by the influx of water molecules from the feed. This increases the volume of diluted draw exiting the membrane. Some of the high-pressure, diluted draw is sent to the pressure exchanger to pressurize the incoming draw solution, while the other part is sent to the turbine to produce electricity.

2. Methodology

The analysis reported herein was carried out using an in-house computational tool developed with the specific goal of simulating PRO processes with different configurations and operating conditions. The key features of the simulator were presented in our previous work, such as the equation of state used to calculate thermodynamic properties, the mass transfer model used to predict water fluxes across the membrane, and the mathematical models for pieces of equipment such as pumps, pressure exchangers and hydro turbines [26,27,28]. New features were added to this simulator for this work in order to assess the techno-economic performance of PRO units.
Figure 2 displays the simulator’s structure. The equations that need to be solved are the mass and energy balances, the design equations of each piece of equipment, and the equations that represent how these units are interconnected in the process. When these equations are solved, the stream flowrates and equipment sizes become known. This allows the calculation of capital expenditures and operating expenses and of performance indicators such as the LCOE. In addition, the simulator can be used in optimization and sensitivity analysis studies. As illustrated in Figure 2, for the case of optimization, the simulator runs inside a loop in which the optimization algorithm systematically changes the values of selected variables to determine the conditions that provide the best performance as, for example, the minimum value of the LCOE.
This section summarizes the main elements of the simulator, with subsections dedicated to the thermodynamic and transport models, equipment sizing, and costing.

2.1. Thermodynamic and Transport Models

The van’t Hoff equation, which is widely used in PRO literature [16,20,23], is derived under the assumptions of dilute systems and ideal solution behavior, both of which make it unsuitable to model hypersaline solutions. When compared with experimental data, it was observed that, at low salinities, it overpredicts the specific energy produced while it underpredicts the specific energy at high salinities [26].
In contrast, the developed simulator uses the Q-electrolattice EoS [27], which is based on a Helmholtz free energy expansion. The thermodynamic properties of interest which enable osmotic pressure calculations are density, molar enthalpy, and molar entropy of each process stream, as well as the chemical potential of each of its components. All of these are expressed as functions of temperature (T, in K), volume (V, in m3) or pressure (P, in Pa), and component amounts (n, in moles).
The residual Helmholtz free energy ( A R ) in the Q-electrolattice EoS is given as a sum of contributions, all of them in joules (J), as shown in Equation (1):
A R ( T , V , n ) = Δ A M T C + Δ A B o r n + Δ A M S A  
where Δ A M T C represents the contribution of short-range non-electrostatic interactions to the Helmholtz free energy based on the Mattedi-Tavares-Castier (MTC) EoS [28]. Δ A B o r n is the contribution due to interaction between ion and solvent (ion-solvation effect) based on the Born Model [29]. Δ A M S A is the contribution to Helmholtz energy due to long-range ion–ion interaction and is based on the mean spherical approximation [30].
To calculate water and salt flux across the membrane accurately, the mass transfer model developed by Yip et al. [17] is used. It considers the effect of concentration polarization and reverse salt flux. Equation (2) quantifies the water flux:
J w = A [ π D , b exp ( J w k ) π F , b exp ( J w S D ) 1 + B J w [ exp ( J w S D ) exp ( J w k ) ] Δ P ]  
where J w (L·m−2·h−1) is the water flux, A (L·m−2·h−1·bar−1) is the water permeability, B is the salt permeability (L·m−2·h−1), k (L·m−2·h−1) is the membrane mass transfer coefficient, S (m) is the structural parameter of the membrane, D (m2/s) is the bulk diffusion coefficient, π D , b and π F , b are osmotic pressures (bar) of the bulk draw and feed solutions, respectively, and Δ P (bar) is the hydraulic pressure difference across the membrane. Equation (3) gives the reverse salt flux:
J s = B [ C D , b exp ( J w k ) C F , b exp ( J w S D ) 1 + B J w [ exp ( J w S D ) exp ( J w k )   ] ]  
where J s (mol·m−2·h−1) is the salt flux, C D , b and   C F , b are the concentration (mol/L) of the draw and feed in the bulk solution, respectively.
Equations (4)–(9) describe balances to be satisfied, as detailed by Matta et al. [31]. To obtain the water permeate flowrate V ˙ P (L/h) across the membrane, the water flux J w is integrated over the total area A m (m2) of the membrane as shown in Equation (4);
V ˙ P = 0 A m J w   d a  
The molar flowrate can, in turn, be found by using the molar volume obtained from the Q-electrolattice EoS to convert the volumetric flowrate. The salt molar flowrate ( n ˙ P , s ,   in   mol/s) can be obtained by integrating the salt flux J s over the area of the membrane, as in Equation (5):
n ˙ P , s = 0 A m J s   d a  
Both water and salt fluxes depend on the concentration and osmotic pressure, which in turn depends on the flux profile at the membrane surface. This makes analytical integration difficult, and a numerical technique is used instead to estimate the concentration profile in the membrane unit. The mass transfer equations are solved for each discrete element of the membrane, and the boundary conditions are determined by the feed and draw inlet streams using sufficient step size.
Assuming that the membrane operates isothermally, that perfect mixing occurs at each discrete membrane element, and that the pressure drop across the membrane unit is user-specified, for each element j , the following mass balances Equations (6)–(9) must be satisfied:
n ˙ w , j 1 D + 0 A m J w   d a V m × 600 × 1000 = n ˙ w , j D  
n ˙ s , j 1 D 0 A m J s   d a 3600 = n ˙ s , j D  
n ˙ w , j 1 F 0 A m J w   d a V m × 3600 × 1000 = n ˙ w , j F  
n ˙ s , j 1 F + 0 A m J s   d a 3600 = n ˙ s , j F  
where n ˙ D and n ˙ F (mol/s) are the draw and feed molar flowrates, respectively, and V m is the molar volume of the solution (m3/mol). The molar volume is calculated by the EoS at the solution’s pressure and temperature. The subscripts s and w represent solute and water in the draw and feed streams, and the superscripts D and F represent draw and feed, respectively. Details of the implementation for flat sheet membranes (Manzoor et al. [26,32]) and spiral wound membranes (Matta et al. [31]) can be found in their works.

2.2. Equipment Models and Design Equations

This subsection summarizes the formulation used to model the pumps, turbines, and pressure exchangers. The development of the corresponding equations, Equations (10)–(17), is available in the work of Manzoor et al. [26,32].

2.2.1. Pump and Turbine Modules

The cost of pumps and turbines depends on power. Equation (10) is the energy balance obtained from the first law of thermodynamics by assuming that the pump or turbine is adiabatic, operates at steady-state, and that changes to the fluid’s kinetic and potential energies are negligible:
W ˙ s h a f t = n ˙ [ h o u t ( T o u t , P o u t , x o u t ) h i n ( T i n , P i n , x i n ) ]  
where W ˙ s h a f t (W) is the shaft power, h represents molar enthalpy (J/mol), x represents an array with the mole fraction of all components, n ˙ represents the molar flowrate (mol/s), T (K) and P (Pa) represent temperature and pressure, respectively, and the subscripts i n and o u t correspond to stream properties of the inlet and outlet. It is assumed that the molar flowrate and the component mole fractions remain unchanged across the pumps. To calculate the temperature of the outlet stream, T o u t given a specified outlet pressure, assuming isentropic conditions enables the first approximation of the outlet temperature by solving Equation (11):
n ˙ [ s o u t ( T o u t , P o u t , x o u t ) s i n ( T i n , P i n , x i n ) ] = 0  
where s represents the molar entropy (J·mol−1·K−1). The reversible and adiabatic shaft power, W ˙ s h a f t , r e v , can be calculated by substituting the evaluated temperature into Equation (10). The reversibility assumption is relaxed such that when the efficiency ( η ) of the mechanical component is specified, the actual power can be calculated as in Equation (12).
W ˙ s h a f t = W ˙ s h a f t , r e v   η p u m p  
An analogous procedure is executed for the turbine, with Equation (13):
W ˙ s h a f t = W ˙ s h a f t , r e v × η t u r b i n e  
The outlet stream temperature, T o u t , is then re-evaluated such that it satisfies the energy balance, Equation (10).

2.2.2. Pressure Exchanger

A pressure exchanger has two sides—a pressurization side and a depressurization side. It operates by transferring the mechanical energy supplied by the high-pressure flow to the low-pressure flow. Mechanical power from the depressurization side is transferred to the pressurization side, and thus, the pressurization side is similar to a pump. The depressurization side is similar to a turbine. By assuming adiabatic and reversible operations, the isentropic power ( W ˙ H P , r e v ) and temperature can be calculated using Equations (10) and (11) while the actual power transferred from the depressurization side ( W ˙ H P ) is evaluated by substituting Equation (13) into Equation (10) to allow re-evaluation of the outlet temperature needed to satisfy the energy balance.
The output pressure of the pressurization side is unknown but can be calculated from the power supplied by the depressurization side ( W ˙ H P ) after accounting for frictional losses calculated as ( 1 η L P ) W ˙ H P . η L P is the thermodynamic efficiency of the pressurization side. The entropy balance for the pressurization side is given as Equation (14):
n ˙ L P ( s L P , i n s L P , o u t ) + S ˙ g e n = 0  
where n ˙ L P is the molar flowrate of the low-pressure stream and S ˙ g e n (J·K−1·s−1) is the rate of entropy generation given as Equation (15):
S ˙ g e n = ( 1 η L P )   | W ˙ H P |   T  
where T is the arithmetic average temperature of the inlet and outlet stream of the pressurization side. The energy and entropy balance for a pressure exchanger pressurization side is shown in Equations (16) and (17) such that solving both simultaneously give the values of T L P , o u t   and P L P , o u t .
n ˙ L P h ( T L P , o u t , P L P , o u t , x L P ) = n ˙ L P h ( T L P , i n , P L P , i n , x L P ) + | W ˙ H P |  
n ˙ L P   s   ( T L P , o u t , P L P , o u t , x L P ) = n ˙ L P   s   ( T L P , i n , P L P , i n , x L P ) + ( 1 η L P ) × | W ˙ H P |   T L P , i n + T L P , o u t 2  
where L P represents the low-pressure stream, η L P represents the efficiency of the low-pressure stream, and W ˙ H P is power transferred from the depressurization side of the pressure exchanger.

2.3. Techno-Economic Performance

2.3.1. Cost Estimation Schemes

Since there are no commercial-scale PRO plants and PRO equipment and membrane materials are like those used in reverse osmosis (RO) plants, strategies that have been followed to estimate the cost for RO plants are adopted herein. In reverse osmosis (RO) plants, there are four schemes of desalination cost estimates [33]. They are the conceptual, preliminary, budgetary, and detailed schemes. Each of them has a different level of accuracy. The conceptual cost estimate is performed to compare supply alternatives without knowledge of the full scope of the project. Its strength is based on knowledge of similar projects already executed, which are used as benchmarks to which incremental “plus” or “minus” cost factors are applied. The preliminary cost estimate defines a basis for further analysis. It represents the cost estimate of the plant without considering location-specific details such as the cost of land and transportation or country-specific labor costs [33]. This costing type combines the use of costing models or quotes from suppliers with knowledge of specific processes to make a judgment on costs. Budgetary cost estimation uses the costs from preliminary estimation methods and adds costs such as geotechnical surveys and architectural designs as well as costs of supply systems logistics to the plant [33]. It mainly accounts for site-specific factors. Finally, detailed costs estimate the bidding price for a project, which includes costs due to regulation, vendor supply costs, and commissioning costs. Preliminary cost estimation is the technique used in this work.

2.3.2. Equipment Cost Equations

The evaluation of capital costs is based on empirical cost correlations that depend on some technical parameters that are characteristic of each type of equipment. For example, the cost correlations for pumps and turbines often are explicit as functions of mechanical power, while the total cost of membranes depends on the cost per unit area. This section presents the main equations of the models that are used to determine the design parameters of PRO process components and the corresponding cost correlation formulas for these components. The capital cost correlations provide estimates in USD in the given year of model formulation. The obtained costs are updated to the desired year of project execution by accounting for inflation using the Chemical Engineering Plant Cost Index (CEPCI) [34].
Pumps and turbines: The models to calculate the cost relationship for the pumps and turbines were obtained from Feinberg [20]. The correlations were developed using cost information from suppliers in the year 2014 and the CEPCI inflation index for that year was 576.1. The cost correlation for pumps is Equations (18)–(20):
C C p u m p = 0.4744 W ˙ p u m p 2 + 606.76 W ˙ p u m p + 663,998 ,   W ˙ p u m p > 550   kW
C C p u m p = 0.617 W ˙ p u m p 2 + 1576.58 W ˙ p u m p + 350,323 ,   350   kW < W ˙ p u m p < 550   kW
C C p u m p = 1.7084 W ˙ p u m p 2 + 2546.4 W ˙ p u m p + 36,648 ,     W   ˙ pump < 350   kW
The cost correlation for turbines is:
C C t u r b i n e = 0.0009 W ˙ t u r b i n e 2 + 204.9 W ˙ t u r b i n e + 127,049
where W ˙ p u m p and W ˙ t u r b i n e is the power of the pump and turbine, respectively, in kW.
Pressure exchangers: The costing model of a pressure exchanger depends on the volumetric flowrate through it. It is based on cost correlation from Energy Recovery International (ERI), as reported by Lu et al. [35], with V ˙ P X in m3/h. This is shown in Equation (22). The model was developed in 2006 and the CEPCI inflation index was 499.6.
C C P X = 19,802.4   ( V ˙ P X ) 0.58
Membranes: There were no available costing models for membranes, to the best of our knowledge, but membrane costs depend on the required membrane area, the manufacturer, and the type of membrane. The costs of a membrane can range between USD 5/m2 and USD 25/m2 [23,36] (depending on the manufacturer). A value of USD 15/m2 was used as the membrane cost in this work.
Pressure vessel: The pressure vessel houses the spiral wound membranes. The cost model is obtained from Sim et al. [37]. The cost depends on the number of pressure vessels needed ( N P V ), which in turn depends on the area of membrane to be housed. In general, in desalination processes, there are typically 7 membrane elements per pressure vessel and each membrane element has an area of 40.88 m2 [36]. The model was developed in 2013, and the CEPCI inflation index for that year was 567.3.
C C P V = 1740 × N P V  

2.3.3. Operating Costs (OPEX)

The main operating costs encountered in a PRO plant are labor and maintenance, chemicals, pretreatment, and membrane replacement. Pretreatment is performed to prevent membrane fouling, which occurs when particles accumulate on the surface or in the membrane pores [38]. The energetic cost of pretreatment is assumed to range between 0.1–0.4 kWh/m3 [19] and is shown in Equation (24).
O C P r e t r e a t = 0.256 kWh m 3 × C e l e c t r i c i t y USD   kWh × ( V ˙ d r a w + V ˙ f e e d   ) × m 3 year    
C e l e c t r i c i t y is taken as USD 0.032/kWh, which is the cost of electricity in Qatar. The value of 0.256   kWh / m 3 is an approximation of the energetic cost of pretreatment, as reported by Straub et al. [19].
The annual cost of chemicals depends on the sum of the flowrates of feed and draw treated. An inherent assumption to this is that both feed and draw require the same type of treatment. This simplifying assumption may not be true in all cases, depending on the composition of the feed and draw. The annual cost of chemicals (USD/m3) ranged between USD 0.03/m3 and USD 0.06/m3 in the year 2018 [33].
O C c h e m = ( V ˙ d r a w + V ˙ f e e d   ) m 3 year × C u n i t USD   m 3  
where C c h e m is the total annual cost of chemicals, V ˙ d r a w + V ˙ f e e d   is the total flowrate in m3/yr of liquid (draw and feed) to be treated and C u n i t is the unit cost of chemicals in USD/m3.
Desalination membranes usually have a life span between 5 and 7 years [39] or 3 and 5 years, and the plants have an average lifetime of about 20 years [23]. Average membrane life of 5 years is used in this work. Based on this information, the operating cost associated with membrane replacement, as reported by Khasawneh et al. [23], is:
O C m r = ( USD   m e m × A m × ( p l a n t   l i f e m e m b r a n e   l i f e 1 ) ) P l a n t   l i f e  
where O C m r is the cost of membrane replacement per year, USD m e m is the purchasing cost of the membrane per unit area, A m is the total area of the membrane to be replaced.
Labor costs largely depend on the location and size of the plant, while maintenance costs depend on the size of the plant. A simple approximation takes these costs (annual amount) as a percentage of the capital cost of the plant [23]. Together, they are taken as 3% of initial capital costs [23]. This equals the amount that would be spent yearly on labor and maintenance:
O C L & M = 3 % C A P E X  
A parameter that combines both economic and energetic information of energy generation systems is the Levelized Cost of Electricity (LCOE) and is calculated using the formula detailed by Khasawneh et al. [23], as shown in Equation (28):
  L C O E = ( C C A P E X + C O P E X   ( 1 + i ) N 1 ( 1 + i ) N i ) E ( 1 + i ) N 1 ( 1 + i ) N i  
where C C A P E X is the capital expenditure, C O P E X represent annual operating costs, i   represents the yearly discounting factor, N represents the total life of the plant in years, and E represents the net total electricity produced by the plant every year (kWh/year) A graphical representation of the LCOE components is shown in Figure 3.
In general, the LCOE is used to compare different types of electricity generation technologies. The LCOE depends on the cost of generation as well as the amount of electricity generated. For a PRO plant, the cost of generation is made up of capital and operating expenditure. The capital expenditure (CAPEX) is the sum of the costs of the mechanical equipment, membrane housing, and membranes used in power generation. The OPEX refers to the costs for labor and maintenance, membrane replacement, chemicals, and pretreatment. On the other hand, the energy produced is a function of the draw and feed flowrates and salinity, membrane properties, and the applied hydraulic pressure.

3. Results and Discussion

Using the DAKOTA Sensitivity Analysis and Optimization tool [40], various analyses were carried out to understand system behavior considering both technical and economic constraints. DAKOTA is a comprehensive and freely available software developed by the Sandia National Laboratories, which implements a set of methods for optimization, parameter fitting, and sensitivity and uncertainty analysis. The case studies presented here focus on high salinity draw streams because PRO processes that use stream pairs with small salinity differences, such as seawater and freshwater, have little chance of being economically feasible.

3.1. Energetic and Economic Optima Occur at Different System Conditions

To arrive at this result—that energetic and economic optimum occurs at different system conditions—a sensitivity analysis was carried out using membrane sizes ranging from 20,000 to 200,000 m2 and hydraulic pressure ranging from 10 to 100 bar. Flowrates of the draw and feed were scaled up in tandem with membrane sizes for each analysis. Membrane properties, stream properties, and simulation limits used in the setup of this study are shown in Table 1.
The results reported in Figure 4 are for 200,000 m2 membrane area at equal volumetric flowrates of the draw and feed such that ( ϕ = 0.5 ) where:
ϕ = V ˙ f e e d V ˙ d r a w + V ˙ f e e d
For this membrane area, the data shown in Figure 4 are for net power produced ( W ˙ s y s t e m ) and the LCOE at various values of applied pressure on the draw solution side. The net power of the system can be defined as:
W ˙ s y s t e m = W ˙ t u r b i n e W ˙ p u m p  
From Figure 4, it can be observed that the maximum net power produced and the minimum LCOE occur at operating pressures that are significantly different from each other. The effect of the trade-off between the cost of generation and power production is clearly seen. At 200,000 m2, the pressure that minimizes LCOE is approximately 25 bar, while the maximum power production is at 79 bar. While larger areas correspond to higher power generation, the combined effect of the increased cost of pumping required to deliver the draw solution through the system and the higher cost of the membrane due to its large area makes operating the system in maximum power production mode undesirable.

3.2. Optimal Economical Operating Pressure Range Decreases as Plant Size Increases

The effect of system size in terms of the feed flowrates was evaluated while fixing the draw flowrate and other process parameters. Table 2 presents the data used in performing the simulation for this section. Membrane properties and stream properties remain the same as in Table 1. The flowrate for the draw is fixed while that of the feed varies, and thus ϕ varies accordingly in the range from 0.25 to 0.62. Figure 5 shows the LCOE versus applied pressure for a membrane area of 20,000 m2 and a draw solution flowrate of 0.25 m3/s, while Figure 6 presents the results for 200,000 m2 membrane areas and a draw solution flowrate of 2.52 m3/s. It can be observed from comparing the behavior of LCOE between the two different plant sizes that as the system size increases, the range of pressures for which LCOE can be minimized narrows. At 20,000 m2 and for different values of ϕ , the plot of LCOE (USD/kWh) against pressure (bar) in Figure 5 shows that, between 43.75 and 66.25 bar, the LCOE reaches a minimum. The percentage change in the value of LCOE between these pressures ranges from 1.77% at ϕ = 0.25 to 4.26% at ϕ = 0.63. The change in LCOE within this pressure range is less than 5%, which indicates that the system can operate within this pressure range with little detrimental effect to plant techno-economics. For comparison, the two renewable energy technologies with the least value of LCOE (Hydro and Onshore Wind) differ from each other by about 11.3% [41]. At 200,00 m2 membrane area and 2.52 m3/s draw solution flowrate, the range of pressure that minimizes the LCOE is between 21.25 and 33 bar, as shown in Figure 6, providing a narrow pressure operation band of 11.75. This is because the combined effect of higher pumping costs and higher total membrane costs narrows the range of operating conditions for which LCOE might be minimized.

3.3. Effect of Membrane Intrinsic Properties on LCOE

Membrane intrinsic properties affect how much power can be produced via PRO for a specific configuration and this, in turn, affects the value of LCOE. An ideal membrane would be one that maximizes flux by increasing the value of water permeability and minimizes salt permeability [42]. Although membrane properties such as water permeability (A), salt permeability (B), and structural parameter (S) are usually assumed to be independent of pressure, Madsen et al. [43] published findings showing that B and S both increase with pressure for HTI-CTA membranes. However, water permeability (A) was reported to be independent of pressure. The results obtained by Madsen et al. for the effects of pressure on the salt permeability and structural parameter were fitted by the following linear relationship and used in the simulator so that these parameters are expressed as functions of applied pressure.
y = a + b ( P P o )
where y represents B or S at a given pressure P, a is the initial value of salt permeability (B’) or structural parameter (S’) at an initial pressure Po, and b is the rate of increase of B or S versus pressure.
Table 3 presents the parameters and process conditions used in the problem setup to evaluate the effect of water permeability, salt permeability, and structural parameter on LCOE. The effect of water permeability on LCOE was studied by varying its value in the range of 0.2–10 L·m−2·h−1·bar−1 while keeping other parameters at the values reported in Table 3. The simulation results are presented in Figure 7, and these results show a negligible decrease in LCOE beyond certain values of water permeability. For example, increasing the “A” value from 0.2 to 0.6 L·m−2·h−1·bar−1 at an operating pressure of 30 bar, results in a decrease in the LCOE by 25.35%. However, increasing “A” from 2 to 5 L·m−2·h−1·bar−1 and from 5 to 10 L·m−2·h−1·bar−1 at the same pressure, only caused LCOE decline of 4.28% and 1.42%, respectively. This indicates that although a high value of water permeability is desirable for increasing water transport through the membranes, further increase beyond a certain value has little impact on the economics of the process.
Figure 8 shows the effect of salt permeability on LCOE by varying the initial value of B at pressure = 10 bar, B’, from 0.0 to 0.75 L·m−2·h−1, with the rate of increase of “B” versus pressure and other parameters remained the same as reported in Table 3. These results presented in Figure 8 indicate that at any specific pressure, as the salt permeability increases, the LCOE also increases. This is not unexpected because higher values of salt permeability indicate that the membrane is more susceptible to reverse salt flux, which results in lowering the salinity gradient across the membrane and, thus, lowering the power produced for the same economic costs. At any specific value of salt permeability, the LCOE reaches a minimum but increases beyond a certain pressure. This is because, beyond optimal pressure where maximum power is produced, a further increase in pressure actually leads to a decrease in power production. This combined effect of increased pumping cost (due to increased pressure) but decreased power production causes a rise in the value of LCOE. Also, the LCOE increased at a faster rate with increasing salt permeability as the pressure deviated from the optimum value. For example, comparing the curves obtained at 0 and 0.75 L·m−2·h−1, when the pressure is increased from 40 bar to 60 bar, the LCOE increased by 16.15% for the membrane with 0 L·m−2·h−1 and 35.62% for that with 0.75 L·m−2·h−1, respectively.
The contribution of the structural parameter “S” to costs was estimated by varying the initial value of “S” at 10 bar pressure (S’) in the range of 5.00 × 10−5–1.00 × 10−3, while fixing the rate of increase of S with pressure and other parameters at the same values shown in Table 3. The results obtained are shown in Figure 9 and indicate that, at any specific value of pressure, the LCOE increases as the value of S increases. Higher values of LCOE indicate less efficiency in power generation due to lowering water transport as a result of increasing S caused by concentration polarization. For a specific value of a structural parameter, the LCOE reaches a minimum and then increases beyond a certain pressure. This trend is generally observed for Pressure–LCOE relationships, as increased pumping costs and decreased power production beyond optimum pressure result in the trend seen.

3.4. Optimization Studies

Optimization studies were performed to better understand plant conditions and dimensions that minimize LCOE, as well as compare the LCOE values obtained from PRO with other renewable energy technologies. First, we compare the results of optimization from the use of an ideal membrane and a real membrane with 100% efficiency of the mechanical components. Then, the assumption of perfectly efficient mechanical components is relaxed, and the LCOE is calculated using the results from the optimization study with real membranes. All three results are compared with other renewable energy technologies using global average values from the IRENA database [41]. The optimization was carried out using the DAKOTA optimization tool [40] with the LCOE as the objective function to be minimized. The flowrates of the draw and feed, applied pressure, and membrane area were the parameters varied. Sensitivity analysis (not shown) was used prior to optimization studies to obtain initial estimates for these parameters. Table 4 shows the membrane properties for both ideal and real membranes, as well as process and stream conditions used in the problem set up.
The results obtained from the optimization study are shown in Table 5. These values represent the optimum values of operating parameters that attained the lowest achievable LCOE for a single-stage PRO using the specified process conditions and stream salinities. The levelized cost of USD 0.0704/kWh was achieved for an ideal membrane, which is better than geothermal energy, offshore wind, and CSP, using the 2019 global average value reported by IRENA [41]. Nonidealities in the membrane lead to a 92.7% increase in the required membrane area as well as a 78.5% increase in the value of LCOE. At this value of LCOE, PRO technology is only better than CSP [41].
The International Renewable Energy Agency (IRENA) released the Renewable Energy power generation costs for the year 2019 [41]. The reported results in Figure 10 are used as a basis for comparing different renewable energy sources. The values reported are global averages. Figure 10 shows that the LCOE of PRO with real membrane performance and considering equipment efficiencies is higher than that from other sources. However, it is comparable to both solar photovoltaics and concentrated solar power, considering their costs at the start of their mainstream production in 2010, as shown in Figure 11. Solar PV found uses in satellite communication before becoming more mainstream for electricity generation for domestic use. This initial capital-intensive use enabled improvement in the technology, and external encouragement led to large-scale deployment that enabled some cost savings [44]. In this same light, research has been conducted on the use of PRO for water flooding applications in oil reservoir pressure maintenance [45]. Going further, we explore PRO multistage design configurations to determine if the extra energy production from multistage design justifies its costs.

3.5. Multistage Analysis

PRO and RO systems have many similarities, and it has been shown that multistage operation improves the energetic performance of a reverse osmosis process [46,47,48]. Wei et al. [46] showed that for a reverse osmosis process, the energetic benefits obtained from staged designs are confounded by increased costs of membrane area—although, with careful design, the energetic benefits could outweigh the costs. Some interesting multistage designs for PRO have been reported in the literature. Chung et al. [49] classified all two-module multistage designs into two broad families—interstage pressure control and input exergy control. Interstage pressure control refers to designs with either a pump (for interstage pressurization) or a turbine (for interstage depressurization) between membrane modules. Pressure control is important in reducing entropy generation because it helps to achieve a more uniform osmotic driving force [50,51].
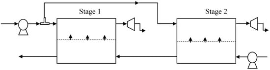
Input exergy control refers to a design philosophy that allows for modification to the draw and feed streams as they enter the process. This control method seeks to maintain the salinity gradient across the membrane in both stages. Altaee et al. [18] and Li [22] studied dual-stage systems PRO that can be classified as interstage pressure control. While Altaee et al. had a design with interstage pressurization, Li had interstage depressurization. He et al. [52] introduced four designs for two-stage PRO systems, and each design is named depending on whether the draw or feed solution is split upon entering the process. Their design can be classified as input exergy control. Of the four designs, two are studied in this work; the first of them is the continuous draw differentiated feed (CDDF) design, as shown in Figure 12, which has the draw stream moving continuously from one stage to the next while fresh un-concentrated feed is supplied to each stage. The second design is the differentiated draw continuous feed (DDCF), as shown in Figure 13. In this configuration, fresh draw enters each stage while the feed flows unhindered from one stage to the next.
The optimization studies were first performed to minimize the LCOE, and the results from the single-stage optimization study using real membranes are set as the boundaries for the multistage system. A total membrane area of 137,255 m2, applied pressure of 48.48 bar, and draw flowrate of 0.2853 m3 were used for the dual-stage system. Optimization was conducted to determine the right distribution of membrane areas between stages, given that the total area of the membrane is constant. In addition, we found the optimal allocation of flowrates to each stage. The distribution of flowrates (either draw or feed, depending on the design configuration) between membrane stages is referred to as ‘split ratio’, and it sums up to 1. The volumetric flowrate of the feed was not limited to the value obtained from a single stage, but instead, it was allowed to vary within a range shown in Table 6. This was done under the assumption that seawater is plentiful and would not be a limit to our design. Table 6 shows the membrane properties, stream conditions, and optimization limits used in the set up of this run.
The results of the two-stage simulations are presented in Table 7, and they show that carrying out multistage design with the aim of minimizing costs is detrimental even to the amount of energy that can be produced from the system. In both dual-stage designs, the total amount of power produced is less than that produced in a single stage. For the CDDF, the cost of production is the same as in the single stage, but lower energy production leads to higher LCOE. For the DDCF, the cost of energy produced is higher due to the presence of an added turbine. However, the energy produced is lower than that with the single-stage design; hence the LCOE is higher.
Another interesting observation about system design is the allocation of membrane area and flowrate of either feed or draw (depending on if the design is split feed or split draw) to each stage. In CDDF, 26.4% of the total membrane area is allocated to stage 1, while 31.0% of the total membrane area is allocated to membrane 1 in DDCF. These percentages are calculated by dividing the total membrane allocated to stage 1 by the total membrane area used for the optimization. This points to the fact that large-scale design of such systems would not have an equal distribution of membrane areas between stages to be effective. Similarly, 27.2% of the total feed into the system is fed into stage 1 in CDDF, while 29.7% of the total draw is fed into stage 1 in the DDCF configuration.
Studies were also carried out to maximize the net power produced by the plant. Doing this relaxes the constraints of economics and enables comparison between single-stage and multistage designs on the basis of energy available. This was first performed for a single-stage system using real membrane properties, as reported in Table 4. Instead of the objective of minimizing LCOE as was earlier done, herein we set the objective to maximize net power produced. Comparing the results in Table 7 for the single stage and the results presented in Table 8, we see the trade-off one makes in designing a single-stage system to minimize costs as against maximizing power production. Net power produced was doubled in designing the system to optimize for power production against costs. However, this leads to a 34% increase in the levelized costs of electricity.
Similar analysis can be conducted for the multistage configurations. The results from the single-stage study are set as the boundaries for the multistage system. A total membrane area of 233,672 m2, applied pressure of 69.47 bar, and draw flowrate of 0.5901 m3 were used for the dual-stage system. Table 9 presents information used in setting up the study to maximize the net power of multistage systems. Other membrane-specific and operating parameters were the same, as reported in Table 6.
The results of this optimization are shown in Table 10. Similar trends for area and volume distribution between stages are also observed here. Here, 33.3% of the total membrane area is allocated to stage 1 of the CDDF design, while 23.2% is allocated in the DDCF design. Additionally, 37.2% of the feed and 21.3% of the draw is allocated to stage 1 in CDDF and DDCF, respectively. In designing to maximize net power produced, the multistage designs produce more net power than the single stage; however, the levelized costs are also higher. CDDF design produces 1.7% more power than single stage and has a 5% higher levelized cost. The DDCF design produces 1.9% more net power than the single stage but has a 7.2% higher levelized cost. The simultaneous optimization of six variables (pressure, total membrane area, draw flowrate, area allocated to stage 1, split ratio, and feed flowrate) might lead to larger net powers, but this study was beyond the scope of this work.

4. Conclusions

In this work, techno-economic analyses were carried out on full-scale single-stage and multistage pressure retarded osmosis systems to determine their economic viability. The draw solution of interest was hypersaline water with a salinity of 3 M NaCl. The techno-economic parameter of interest was the Levelized Cost of Electricity (LCOE), which depends on the cost of energy produced and on the total amount of electrical energy produced. Each module making up the PRO system was costed based on a relevant attribute (e.g., turbines costed on the basis of power produced). The Chemical Engineering Plant Cost Index (CEPCI) was used to account for inflation—thus bringing the capital costs to the year of interest/project execution.
Membrane properties play an important role in the techno-economics of PRO systems. For the same membrane area (and costs), a membrane with higher water permeability and lower salt permeability and structural parameter produces more energy. Hence, more energy is produced at the same cost, lowering LCOE. A set of analyses was performed using a membrane with pressure-dependent salt permeability and structural parameter with 3 M NaCl and freshwater as draw and feed, respectively. The results show that beyond a water permeability value of 5 L·m−2·h−1·bar−1, increasing the water permeability to a value of 10 L·m−2·h−1·bar−1 gives a mere 1.42% decrease in LCOE, suggesting little incremental advantage by increasing water permeability beyond a certain point. On the other hand, minimum LCOE was achieved at a salt permeability of 0 L·m−2·h−1. For structural parameters, moving from a value of 5.5 × 10−6 m to 5.5 × 10−7 m, the decrease in LCOE is a meager 0.22%. In Figure 9, the plot LCOE against pressure at these two structural parameter values shows an overlap in plot lines. This gives an indication that the economic optimum is around a value of 10−5 m. This is an important future work—improving the membrane properties to these benchmark points.
Optimization studies were carried out to determine the system size, operating pressure, and stream flowrates that minimize the objective function LCOE. Both ideal and real membranes were used. Using an ideal membrane and keeping the efficiency of all mechanical components at 100%, the LCOE achieved is USD 0.074/kWh, which is comparable to geothermal energy and better than offshore wind and CSP using the International Renewable Energy Agency (IRENA) 2019 global average values for LCOE. With real membranes, the LCOE increases to USD 0.1255/kWh, which is better than only CSP. Using real membranes and considering the efficiencies of mechanical components, the LCOE increases to USD 0.352/kWh—higher than all other renewable energy sources.
Multistage analysis was carried out using two design configurations—one that supplies fresh draw to each module and the other that supplies fresh feed to each module. Using 3 M NaCl and seawater as draw and feed, respectively, designing the system to minimize levelized costs negatively affected the net power produced—thus making the single-stage better than the multistage design on the basis of costs. On the other hand, designing the system to maximize net power produced caused the multistage system to perform better than the single-stage. However, the levelized costs remained higher in multistage designs compared to the single-stage. In addition, multistage designs depend on the allocation of total membrane area and flowrates to different stages. Equal distribution of area and flowrate between stages reduced the net power obtainable from the system.
While PRO may not yet be competitive with other renewable energy technologies, finding parallel uses for the technology—such as waterflooding during enhanced oil recovery or pressure maintenance in the reverse osmosis process—could hasten commercial deployment for energy production.

Author Contributions

The research in this paper was the result of the joint efforts of all authors. Conceptualization, A.A.-W. and M.C.; methodology, E.I.O. and M.C.; software, E.I.O. and A.B.; validation, M.C., A.A.-W. and A.B.; formal analysis, E.I.O.; investigation, E.I.O.; resources, A.A.-W. and S.A.; data curation, E.I.O.; writing—original draft preparation, E.I.O.; writing—review and editing, M.C., S.A., A.B., and A.A.-W.; visualization, E.I.O.; supervision, M.C., S.A. and A.A.-W.; project administration, A.A.-W.; funding acquisition, A.A.-W. and S.A. All authors have read and agreed to the published version of the manuscript.

Funding

This research was funded by Qatar National Research Fund under its National Priorities Research Program, award number NPRP10-1231-160069, and by ConocoPhillips Global Water Sustainability Center (GWSC).

Data Availability Statement

Not applicable.

Acknowledgments

This study was made possible by a grant from the Qatar National Research Fund under its National Priorities Research Program award number NPRP10-1231-160069 and by financial support from ConocoPhillips Global Water Sustainability Center (GWSC).

Conflicts of Interest

The authors declare no conflict of interest.

References

  1. Chu, S.; Majumdar, A. Opportunities and challenges for a sustainable energy future. Nature 2012, 488, 294–303. [Google Scholar] [CrossRef] [PubMed]
  2. Hyung Won, C.; Leonardo, D.B.; Jaichander, S.; John, H. On the present and future economic viability of stand-alone pressure-retarded osmosis. Desalination 2017, 408, 133–144. [Google Scholar]
  3. Fernanda, H.; Charles, L.; Yuri, G.A. Osmotic power with Pressure Retarded Osmosis: Theory, performance and trends—A review. J. Membr. Sci. 2014, 453, 337–358. [Google Scholar]
  4. Loeb, S. Energy production at the Dead Sea by pressure-retarded osmosis: Challenge or chimera? Desalination 1998, 120, 247–262. [Google Scholar] [CrossRef]
  5. Stein Erik, S.; Jon, E.D.; Rolf Jarle, A. Osmotic power–power production based on the osmotic pressure difference between waters with varying salt gradients. Desalination 2008, 220, 476–482. [Google Scholar]
  6. Siria, A.; Bocquet, M.-L.; Bocquet, L. New avenues for the large-scale harvesting of blue energy. Nat. Rev. Chem. 2017, 1, 0091. [Google Scholar] [CrossRef]
  7. Mai, V.-P.; Huang, W.-H.; Yang, R.-J. Enhancing Ion Transport through Nanopores in Membranes for Salinity Gradient Power Generation. ACS EST Eng. 2021, 1, 1725–1752. [Google Scholar] [CrossRef]
  8. Withers, T.; Neill, S.P. 8.05—Salinity Gradient Power. In Comprehensive Renewable Energy, 2nd ed.; Letcher, T.M., Ed.; Elsevier: Oxford, UK, 2022; pp. 50–79. [Google Scholar]
  9. Tufa, R.A.; Pawlowski, S.; Veerman, J.; Bouzek, K.; Fontananova, E.; di Profio, G.; Velizarov, S.; Goulão Crespo, J.; Nijmeijer, K.; Curcio, E. Progress and prospects in reverse electrodialysis for salinity gradient energy conversion and storage. Appl. Energy 2018, 225, 290–331. [Google Scholar] [CrossRef]
  10. Zhang, Z.; Wen, L.; Jiang, L. Nanofluidics for osmotic energy conversion. Nat. Rev. Mater. 2021, 6, 622–639. [Google Scholar] [CrossRef]
  11. Brogioli, D.; Ziano, R.; Rica, R.A.; Salerno, D.; Mantegazza, F. Capacitive mixing for the extraction of energy from salinity differences: Survey of experimental results and electrochemical models. J. Colloid Interface Sci. 2013, 407, 457–466. [Google Scholar] [CrossRef]
  12. Straub, A.P.; Yip, N.Y.; Elimelech, M. Raising the Bar: Increased Hydraulic Pressure Allows Unprecedented High Power Densities in Pressure-Retarded Osmosis. Environ. Sci. Technol. Lett. 2014, 1, 55–59. [Google Scholar] [CrossRef]
  13. Gonzales, R.R.; Abdel-Wahab, A.; Adham, S.; Han, D.S.; Phuntsho, S.; Suwaileh, W.; Hilal, N.; Shon, H.K. Salinity gradient energy generation by pressure retarded osmosis: A review. Desalination 2021, 500, 114841. [Google Scholar] [CrossRef]
  14. Yip, N.Y.; Elimelech, M. Comparison of Energy Efficiency and Power Density in Pressure Retarded Osmosis and Reverse Electrodialysis. Environ. Sci. Technol. 2014, 48, 11002–11012. [Google Scholar] [CrossRef] [PubMed]
  15. Andrea, A.; Tzahi, Y.C.; Amy, E.C. Power generation with pressure retarded osmosis: An experimental and theoretical investigation. J. Membr. Sci. 2009, 343, 42–52. [Google Scholar]
  16. Karen, G.; Peinemann, K.V.; Stein Erik, S.; Thor, T.; Torleif, H. Membrane processes in energy supply for an osmotic power plant. Desalination 2008, 224, 64–70. [Google Scholar]
  17. Yip, N.Y.; Tiraferri, A.; Phillip, W.A.; Schiffman, J.D.; Hoover, L.A.; Kim, Y.C.; Elimelech, M. Thin-Film Composite Pressure Retarded Osmosis Membranes for Sustainable Power Generation from Salinity Gradients. Environ. Sci. Technol. 2011, 45, 4360–4369. [Google Scholar] [CrossRef]
  18. Altaee, A.; Hilal, N. Dual stage PRO power generation from brackish water brine and wastewater effluent feeds. Desalination 2016, 389, 68–77. [Google Scholar] [CrossRef]
  19. Straub, A.P.; Deshmukh, A.; Elimelech, M. Pressure-retarded osmosis for power generation from salinity gradients: Is it viable? Energy Environ. Sci. 2016, 9, 31–48. [Google Scholar] [CrossRef]
  20. Feinberg, B.J.; Ramon, G.Z.; Hoek, E.M.V. Scale-up characteristics of membrane-based salinity-gradient power production. J. Membr. Sci. 2015, 476, 311–320. [Google Scholar] [CrossRef]
  21. Lin, S.H.; Straub, A.P.; Elimelech, M. Thermodynamic limits of extractable energy by pressure retarded osmosis. Energy Environ. Sci. 2014, 7, 2706–2714. [Google Scholar] [CrossRef]
  22. Li, M.H. Systematic analysis and optimization of power generation in pressure retarded osmosis: Effect of multistage design. Aiche J. 2018, 64, 144–152. [Google Scholar] [CrossRef]
  23. Khasawneh, Q.A.; Tashtoush, B.; Nawafleh, A.; Kan’an, B. Techno-Economic Feasibility Study of a Hypersaline Pressure-Retarded Osmosis Power Plants: Dead Sea-Red Sea Conveyor. Energies 2018, 11, 3118. [Google Scholar] [CrossRef]
  24. Loeb, S. One hundred and thirty benign and renewable megawatts from Great Salt Lake? The possibilities of hydroelectric power by pressure-retarded osmosis. Desalination 2001, 141, 85–91. [Google Scholar] [CrossRef]
  25. Kleiterp, R. The Feasibility of a Commercial Osmotic Power Plant. Master’s Thesis, Delft University of Technology, Delft, The Netherlands, 2012. [Google Scholar]
  26. Manzoor, H.; Selam, M.A.; Abdur Rahman, F.B.; Adham, S.; Castier, M.; Abdel-Wahab, A. A tool for assessing the scalability of pressure-retarded osmosis (PRO) membranes. Renew. Energy 2020, 149, 987–999. [Google Scholar] [CrossRef]
  27. Zuber, A.; Checoni, R.F.; Castier, M. Thermodynamic properties of aqueous solutions of single and multiple salts using the Q-electrolattice equation of state. Fluid Phase Equilibria 2014, 362, 268–280. [Google Scholar] [CrossRef]
  28. Zuber, A.; Checoni, R.F.; Mathew, R.; Santos, J.P.L.; Tavares, F.W.; Castier, M. Thermodynamic Properties of 1:1 Salt Aqueous Solutions with the Electrolattice Equation of State. Oil Gas Sci. Technol.-Rev. D Ifp Energ. Nouv. 2013, 68, 255–270. [Google Scholar] [CrossRef][Green Version]
  29. Born, M. Volumen und Hydratationswärme der Ionen. Z. Phys. 1920, 1, 45–48. [Google Scholar] [CrossRef]
  30. Blum, L. Mean spherical model for asymmetric electrolytes. Mol. Phys. 1975, 30, 1529–1535. [Google Scholar] [CrossRef]
  31. Matta, S.M.; Selam, M.A.; Manzoor, H.; Adham, S.; Shon, H.K.; Castier, M.; Abdel-Wahab, A. Predicting the performance of spiral-wound membranes in pressure-retarded osmosis processes. Renew. Energy 2022, 189, 66–77. [Google Scholar] [CrossRef]
  32. Manzoor, H.; Selam, M.A.; Adham, S.; Shon, H.K.; Castier, M.; Abdel-Wahab, A. Energy recovery modeling of pressure-retarded osmosis systems with membrane modules compatible with high salinity draw streams. Desalination 2020, 493, 114624. [Google Scholar] [CrossRef]
  33. Voutchkov, N. Desalination Project Cost Estimating and Management, 1st ed.; CRC Press: Boca Raton, FL, USA, 2018; p. 248. [Google Scholar]
  34. Mignard, D. Correlating the chemical engineering plant cost index with macro-economic indicators. Chem. Eng. Res. Des. 2014, 92, 285–294. [Google Scholar] [CrossRef]
  35. Lu, Y.-Y.; Hu, Y.-D.; Xu, D.-M.; Wu, L.-Y. Optimum design of reverse osmosis seawater desalination system considering membrane cleaning and replacing. J. Membr. Sci. 2006, 282, 7–13. [Google Scholar] [CrossRef]
  36. Benjamin, J.; Arias, M.E.; Zhang, Q. A techno-economic process model for pressure retarded osmosis based energy recovery in desalination plants. Desalination 2020, 476, 114218. [Google Scholar] [CrossRef]
  37. Sim, V.S.T.; She, Q.; Chong, T.H.; Tang, C.Y.; Fane, A.G.; Krantz, W.B. Strategic Co-Location in a Hybrid Process Involving Desalination and Pressure Retarded Osmosis (PRO). Membranes 2013, 3, 98–125. [Google Scholar] [CrossRef] [PubMed]
  38. Lutchmiah, K.; Verliefde, A.R.D.; Roest, K.; Rietveld, L.C.; Cornelissen, E.R. Forward osmosis for application in wastewater treatment: A review. Water Res. 2014, 58, 179–197. [Google Scholar] [CrossRef] [PubMed]
  39. Ziolkowska, J.R. Is Desalination Affordable?—Regional Cost and Price Analysis. Water Resour. Manag. 2015, 29, 1385–1397. [Google Scholar] [CrossRef]
  40. Adams, B.; Bohnhoff, W.; Dalbey, K.; Ebeida, M.; Eddy, J.; Eldred, M.; Hooper, R.; Hough, P.; Hu, K.; Jakeman, J. Dakota, A Multilevel Parallel Object-Oriented Framework for Design Optimization, Parameter Estimation, Uncertainty Quantification, and Sensitivity Analysis: Version 6.13 User’s Manual; Sandia National Lab. (SNL-NM): Albuquerque, NM, USA, 2020. [Google Scholar]
  41. IRENA. In Renewable Power Generation Costs in 2019; International Renewable Energy Agency: Abu Dhabi, United Arab Emirates, 2020; ISBN 978-92-9260-244-4.
  42. Chae, S.H.; Kim, Y.M.; Park, H.; Seo, J.; Lim, S.J.; Kim, J.H. Modeling and Simulation Studies Analyzing the Pressure-Retarded Osmosis (PRO) and PRO-Hybridized Processes. Energies 2019, 12, 243. [Google Scholar] [CrossRef]
  43. Madsen, H.T.; Nissen, S.S.; Muff, J.; Søgaard, E.G. Pressure retarded osmosis from hypersaline solutions: Investigating commercial FO membranes at high pressures. Desalination 2017, 420, 183–190. [Google Scholar] [CrossRef]
  44. Green, M.A. How Did Solar Cells Get So Cheap? Joule 2019, 3, 631–633. [Google Scholar] [CrossRef]
  45. Janson, A.; Dardor, D.; Al Maas, M.; Minier-Matar, J.; Abdel-Wahab, A.; Adham, S. Pressure-retarded osmosis for enhanced oil recovery. Desalination 2020, 491, 114568. [Google Scholar] [CrossRef]
  46. Wei, Q.J.; McGovern, R.K. Saving energy with an optimized two-stage reverse osmosis system. Environ. Sci. Water Res. Technol. 2017, 3, 659–670. [Google Scholar] [CrossRef]
  47. Zhu, A.; Rahardianto, A.; Christofides, P.D.; Cohen, Y. Reverse osmosis desalination with high permeability membranes—Cost optimization and research needs. Desalination Water Treat. 2010, 15, 256–266. [Google Scholar] [CrossRef]
  48. Zhu, A.; Christofides, P.D.; Cohen, Y. Effect of Thermodynamic Restriction on Energy Cost Optimization of RO Membrane Water Desalination. Ind. Eng. Chem. Res. 2009, 48, 6010–6021. [Google Scholar] [CrossRef]
  49. Chung, H.W.; Swaminathan, J.; Lienhard, J.H. Multistage pressure-retarded osmosis configurations: A unifying framework and thermodynamic analysis. Desalination 2020, 476, 114230. [Google Scholar] [CrossRef]
  50. Tondeur, D.; Kvaalen, E. Equipartition of entropy production. An optimality criterion for transfer and separation processes. Ind. Eng. Chem. Res. 1987, 26, 50–56. [Google Scholar] [CrossRef]
  51. Lienhard, V.; John, H. Energy Savings in Desalination Technologies: Reducing Entropy Generation by Transport Processes. J. Heat Transf. 2019, 141, 072001. [Google Scholar] [CrossRef]
  52. He, W.; Wang, Y.; Shaheed, M.H. Enhanced energy generation and membrane performance by two-stage pressure retarded osmosis (PRO). Desalination 2015, 359, 186–199. [Google Scholar] [CrossRef]
Figure 1. Single-stage PRO configuration.
Figure 1. Single-stage PRO configuration.
Energies 16 00325 g001
Figure 2. Structure of the PRO simulator.
Figure 2. Structure of the PRO simulator.
Energies 16 00325 g002
Figure 3. Components of the LCOE for a PRO Plant.
Figure 3. Components of the LCOE for a PRO Plant.
Energies 16 00325 g003
Figure 4. Net power and LCOE as a function of applied hydraulic pressure at membrane area of 200,000 m2. Equal volumetric flowrates of feed and draw used ( ϕ = 0.5 ) .
Figure 4. Net power and LCOE as a function of applied hydraulic pressure at membrane area of 200,000 m2. Equal volumetric flowrates of feed and draw used ( ϕ = 0.5 ) .
Energies 16 00325 g004
Figure 5. LCOE against Pressure for membrane area of 20,000 m2 at different values of ϕ .
Figure 5. LCOE against Pressure for membrane area of 20,000 m2 at different values of ϕ .
Energies 16 00325 g005
Figure 6. LCOE against Pressure at membrane area of 200,000 m2 at different values of ϕ .
Figure 6. LCOE against Pressure at membrane area of 200,000 m2 at different values of ϕ .
Energies 16 00325 g006
Figure 7. LCOE versus water permeability “A” (L·m−2·h−1·bar−1) at different values of applied pressure (bar).
Figure 7. LCOE versus water permeability “A” (L·m−2·h−1·bar−1) at different values of applied pressure (bar).
Energies 16 00325 g007
Figure 8. LCOE as a function of applied pressure at different values of Salt Permeability, B (L·m−2·h−1). B’ (L·m−2·h−1) refers to the value of salt permeability recorded at initial pressure of 10 bar.
Figure 8. LCOE as a function of applied pressure at different values of Salt Permeability, B (L·m−2·h−1). B’ (L·m−2·h−1) refers to the value of salt permeability recorded at initial pressure of 10 bar.
Energies 16 00325 g008
Figure 9. LCOE against applied pressure at different values of structural parameter, S (m). S’ (m) refers to the value of salt permeability recorded at initial pressure of 10 bar.
Figure 9. LCOE against applied pressure at different values of structural parameter, S (m). S’ (m) refers to the value of salt permeability recorded at initial pressure of 10 bar.
Energies 16 00325 g009
Figure 10. 2019 IRENA reported LCOE values compared with PRO when ideal membranes and real membranes are used, as well as the values when equipment efficiencies below 100% are included.
Figure 10. 2019 IRENA reported LCOE values compared with PRO when ideal membranes and real membranes are used, as well as the values when equipment efficiencies below 100% are included.
Energies 16 00325 g010
Figure 11. 2010 IRENA Reported LCOE values compared with PRO when ideal membranes and real membranes are used as well as the values when equipment efficiencies below 100% are included.
Figure 11. 2010 IRENA Reported LCOE values compared with PRO when ideal membranes and real membranes are used as well as the values when equipment efficiencies below 100% are included.
Energies 16 00325 g011
Figure 12. Continuous draw differentiated feed (CDDF) configuration. Fresh feed is supplied into each membrane stage while diluted draw leaving stage 1 enters stage 2.
Figure 12. Continuous draw differentiated feed (CDDF) configuration. Fresh feed is supplied into each membrane stage while diluted draw leaving stage 1 enters stage 2.
Energies 16 00325 g012
Figure 13. Differentiated draw continuous feed configuration (DDCF). Fresh undiluted draw enters each stage while feed flows from one stage into the next.
Figure 13. Differentiated draw continuous feed configuration (DDCF). Fresh undiluted draw enters each stage while feed flows from one stage into the next.
Energies 16 00325 g013
Table 1. Properties and process conditions used in simulation. Membrane used is HTI-CTA reported by Straub et al. [12].
Table 1. Properties and process conditions used in simulation. Membrane used is HTI-CTA reported by Straub et al. [12].
PropertyValues
Area (m2)20,000200,000
Volumetric flowrate draw (m3·s−1)0.252.52
Volumetric flowrate feed (m3·s−1)0.252.52
Water Permeability (L·m−2·h−1·bar−1)2.49
Salt permeability (L·m−2·h−1)0.39
Structural parameter (m)5.64 × 10−4
Diffusion coefficient (m2/s)1.48 × 10−9
Mass transfer coefficient (L·m−2·h−1)99.0
Hydraulic pressure (bar){10–100}
Temperature (K)298.15
SalinityDraw salinityFeed salinity
Na+ ion (g·L−1)68.970
Cl ion (g·L−1)106.510
Table 2. Properties and process conditions used in the simulation of operating pressure ranges as area increases.
Table 2. Properties and process conditions used in the simulation of operating pressure ranges as area increases.
PropertyValues
Area (m2)20,000200,000
Draw flowrate (m3·s−1)0.252.52
Feed flowrate (m3·s−1){0.084–0.75}{0.84–7.58}
Hydraulic pressure (bar){10–100}
Table 3. HTI-CTA membrane properties as reported by Madsen et al. [43] and Process Conditions used in problem set up to test effect of Water permeability on LCOE.
Table 3. HTI-CTA membrane properties as reported by Madsen et al. [43] and Process Conditions used in problem set up to test effect of Water permeability on LCOE.
PropertiesValues
Area (m2)40
Water Permeability (L·m−2·h−1·bar−1)0.42
Salt permeability (L·m−2·h−1) at applied pressure of P0 = 10 bar0.284
Rate of increase of B vs. P (L·m−2·h−1·bar−1)8.36 × 10−3
Structural parameter (m) at applied pressure of P0 = 10 bar1.2 × 10−3
Rate of increase of S vs. P (m·bar−1)2.37 × 10−5
Diffusion coefficient (m2·s−1)1.48 × 10−9
Mass transfer coefficient (L·m−2·h−1)300.0
Hydraulic pressure (bar){10–90}
Draw flowrate (m3·s−1)3.5 × 10−4
Feed flowrate (m3·s−1)3.5 × 10−4
Temperature (K)298.15
SalinityDraw salinityFeed salinity
Na+ ion (g·L−1)68.970
Cl ion (g·L−1)106.510
Table 4. Ideal membrane properties, real membrane properties [12], and stream conditions used for optimization studies.
Table 4. Ideal membrane properties, real membrane properties [12], and stream conditions used for optimization studies.
PropertyValues
Area (m2){45,000–200,000}
Ideal Membrane PropertiesReal Membrane Properties
Water Permeability (L·m−2·h−1·bar−1)62.49
Salt permeability (L·m−2·h−1)00.39
Structural parameter (m)05.64 × 10−4
Diffusion coefficient (m2/s)1.48 × 10−9
Mass transfer coefficient (L·m−2·h−1)99.0
Hydraulic pressure (bar){30–90}
Draw flowrate (m3/s){0.15–0.5}
Feed flowrate (m3/s){0.3–0.7}
Temperature (K)298.15
SalinityDrawFeed
Na+ ion (g· L−1)68.9713.8
Cl ion (g·L−1)106.5121.3
Table 5. Results of optimization study for ideal and real membranes.
Table 5. Results of optimization study for ideal and real membranes.
Ideal MembraneReal Membrane
Pressure (bar)42.6948.48
Draw flowrate (m3·s−1)0.28550.2853
Feed flowrate (m3·s−1)0.4770.4437
Area (m2)71,215137,255
LCOE (USD /kWh)0.07040.1255
Table 6. Properties and process conditions used in simulation of multistage units for LCOE minimization. Membrane used is HTI-CTA reported by Straub et al. [12].
Table 6. Properties and process conditions used in simulation of multistage units for LCOE minimization. Membrane used is HTI-CTA reported by Straub et al. [12].
PropertyValues
Total Membrane area (m2)137,255
Total Draw Flowrate (m3·s−1)0.2852
Pressure (bar)48.48
Stage 1Stage 2
Split Ratio{0.8–0.2}{0.2–0.8}
Area (m2){109,804–27,451}{27,451–109,804}
Feed flowrate (m3·s−1){0.35–1.6}
Water Permeability (L·m−2·h−1·bar−1)2.49
Salt permeability (L·m−2·h−1)0.39
Structural parameter (m)5.64 × 10−4
Diffusion coefficient (m2·s−1)1.48 × 10−9
Mass transfer coefficient (L·m−2·h−1)99.0
Temperature (K)298.15
SalinityDrawFeed
Na+ ion (g·L−1)68.9713.8
Cl ion (g·L−1)106.5121.3
Table 7. Comparison between single-stage and multistage LCOE and net power production when plants are designed to minimize levelized costs.
Table 7. Comparison between single-stage and multistage LCOE and net power production when plants are designed to minimize levelized costs.
Properties from Single-Stage Optimization Used in Multistage Simulation
Total membrane area (m2)137,255
Applied hydraulic pressure (bar)48.48
Draw flowrate (m3·s−1)0.2853
Single-stage values (for comparison)Continuous Draw Differentiated Feed (CDDF)Differentiated Draw Continuous Feed (DDCF)
Area allocated to membrane 1 (m2)-36,19742,887
Split ratio (ratio of flowrate allocated to membrane 1)-0.2720.297
Volumetric flowrate Feed (m3·s−1)0.44370.39720.4819
LCOE (USD/kWh)0.12550.13010.1308
Net Power at this LCOE (kW)849.19807.38839.53
Table 8. Optimization study results for single-stage design using real membrane when the objective is to maximize net power produced.
Table 8. Optimization study results for single-stage design using real membrane when the objective is to maximize net power produced.
PropertyValues
Pressure (bar)69.47
Draw flowrate (m3·s−1)0.5901
Feed flowrate (m3·s−1)0.7931
Area (m2)233,672
LCOE (USD/kWh)0.1679
Net Power (kW)1706.4
Table 9. Properties and process conditions used in simulation of multistage units for net power maximization. Membrane used is HTI-CTA reported by Straub et al. [12].
Table 9. Properties and process conditions used in simulation of multistage units for net power maximization. Membrane used is HTI-CTA reported by Straub et al. [12].
PropertyValues
Total Membrane area (m2)233,672
Total Draw Flowrate (m3·s−1)0.5091
Pressure (bar)69.47
Stage 1Stage 2
Split Ratio{0.8–0.2}{0.2–0.8}
Area (m2){186,937.6–46,734.4}{46,734.4–186,937.6}
Feed flowrate (m3·s−1){0.5–2.5}
Table 10. Comparison between single-stage and multistage LCOE and net power production when plants are designed to maximize net power produced.
Table 10. Comparison between single-stage and multistage LCOE and net power production when plants are designed to maximize net power produced.
Properties from Single-Stage Optimization Used in Multistage Simulation
Total membrane area (m2)233,672
Applied hydraulic pressure (bar)69.47
Draw flowrate (m3·s−1)0.5091
Single-stage values (for comparison)Continuous Draw Differentiated Feed (CDDF)Differentiated Draw Continuous Feed (DDCF)
Area allocated to stage 1 (m2)-77,82454,295
Split ratio (ratio of flowrate allocated to stage 1)-0.3720.213
Volumetric flowrate Feed (m3·s−1)0.79311.36851.526
LCOE (USD/kWh) at this net power0.16790.17640.1800
Net Power (kW)1706.41735.731738.78
Disclaimer/Publisher’s Note: The statements, opinions and data contained in all publications are solely those of the individual author(s) and contributor(s) and not of MDPI and/or the editor(s). MDPI and/or the editor(s) disclaim responsibility for any injury to people or property resulting from any ideas, methods, instructions or products referred to in the content.

Share and Cite

MDPI and ACS Style

Obode, E.I.; Badreldin, A.; Adham, S.; Castier, M.; Abdel-Wahab, A. Techno-Economic Analysis towards Full-Scale Pressure Retarded Osmosis Plants. Energies 2023, 16, 325. https://doi.org/10.3390/en16010325

AMA Style

Obode EI, Badreldin A, Adham S, Castier M, Abdel-Wahab A. Techno-Economic Analysis towards Full-Scale Pressure Retarded Osmosis Plants. Energies. 2023; 16(1):325. https://doi.org/10.3390/en16010325

Chicago/Turabian Style

Obode, Elizabeth I., Ahmed Badreldin, Samer Adham, Marcelo Castier, and Ahmed Abdel-Wahab. 2023. "Techno-Economic Analysis towards Full-Scale Pressure Retarded Osmosis Plants" Energies 16, no. 1: 325. https://doi.org/10.3390/en16010325

APA Style

Obode, E. I., Badreldin, A., Adham, S., Castier, M., & Abdel-Wahab, A. (2023). Techno-Economic Analysis towards Full-Scale Pressure Retarded Osmosis Plants. Energies, 16(1), 325. https://doi.org/10.3390/en16010325

Note that from the first issue of 2016, this journal uses article numbers instead of page numbers. See further details here.

Article Metrics

Back to TopTop