Next Article in Journal
Resorption Thermal Transformer Generator Design
Previous Article in Journal
State-of-the-Art Review of Fluid Catalytic Cracking (FCC) Catalyst Regeneration Intensification Technologies
 
 
Font Type:
Arial Georgia Verdana
Font Size:
Aa Aa Aa
Line Spacing:
Column Width:
Background:
Article

Optimal Power Systems Restoration Based on Energy Quality and Stability Criteria

Smart Electric Grids Research Group GIREI (Spanish Acronym), Salesian Polytechnic University, Quito 170702, Ecuador
*
Author to whom correspondence should be addressed.
Energies 2022, 15(6), 2062; https://doi.org/10.3390/en15062062
Submission received: 2 February 2022 / Revised: 2 March 2022 / Accepted: 9 March 2022 / Published: 11 March 2022

Abstract

Electric power systems (EPS) are exposed to disconnections of their elements, such as transmission lines and generation units, due to meteorological factors or electrical failures. Thus, this research proposes a smart methodology for the re-entry of elements that have been disconnected from the EPS due to unforeseen events. This methodology is based on optimal AC power flows (OPF-AC) which allow verifying the state of variables such as voltage, angular deviation, and power (these variables are monitored in normal and fault conditions). The proposed study considers contingencies N-2, N-3, N-4, and N-5, for which the disconnection of transmission lines and generation units are carried out randomly. The analysis of the EPS after the disconnections of the elements is carried out by means of the contingency index, with which the impact that the disconnections of the elements have on the EPS is verified. In this way, the optimal route is generated to restore the elements that went out of operation, verifying that when the elements re-enter the acceptable limits, voltage and voltage angle are not exceeded. According to the results of the methodology used, it was found that NM contingencies can be applied in the proposed model, in addition to considering stability restrictions, modeled as restrictions on acceptable voltage limits, and a new restriction for the voltage angle between the differences of the bars.

1. Introduction

Nowadays, electrical power systems (EPS) are a fundamental part of the modern world since they are responsible for providing the electricity supply by supplying electricity for commercial, industrial, and residential users. The electrical systems are not exempt from failures; due to this, outages in the electrical service can be generated causing great economic losses. In addition, power outages affect a wide variety of institutions and departments, and among these, there are some considered of high importance: those that must have continuous electricity supply such as police, military and fire departments, hospitals, clinics, and health care centers. Therefore, it is of utmost importance that the restoration of the operation of the electrical power system is carried out in the shortest possible time, through maneuvers and corrective actions in a way that does not affect the continuity, quality, and stability of the electric power supply [1,2,3].
There are factors that affect the EPS which cause it to stop supplying the electricity, such as connection and disconnection of loads and generation units, meteorological phenomena such as lightning, and bad maneuvering of EPS operators. The presence of these events generates disturbances in the electrical system causing oscillations, overvoltages, and overcurrents; in addition, it causes elements such as transmission lines, generators, and loads to be out of operation. The disconnection of transmission lines, generators, and loads can cause loss of stability in EPS and a disconnection cascade effect in most elements, which would lead to a partial or total blackout of the EPS [2,3,4,5].
Reestablishing the energy at the EPS goes beyond reconnecting generation units and transmission elements. Therefore, decision-making methodologies must be planned and determined, in addition to establishing steps so that the electrical system restoration complies with the quality and stability indexes. For the reason previously explained, it is necessary to take into account the following guidelines: know how the electrical power system is operating under normal conditions and under post-failure conditions, carry out a planning that ensures that the electrical system recovers its normal operation in the shortest possible time, determine the way for reconnection of the elements of the generation system, and the route for the entrance to the system of power transformers and transmission lines. The planning and methodology that will be determined and used for the restoration of the EPS should allow reducing generation costs caused by the power outages, in addition, to reduce the time used in the necessary maneuvers to reconnect the elements that went out of operation by evaluating technical criteria for the re-establishment of the normal operation of the EPS [6,7,8].
Refs. [9,10] used the mixed integer linear programming (MILP) technique, which is used to determine the sequence in which the generators must enter. The authors also used the improved Dijkstra method, significantly reducing the time taken for the generators to start.
The authors of [6] used various techniques for the restoration of EPS, dividing the problem into several stages: (i) using the MILP optimization technique, determining the input order of the generators, and (ii) using decision theory heuristics. This methodology has an interesting characteristic since it does not need to use technical variables such as voltage and current obtained from the EPS and its main objective is to ensure the generators reach their maximum power. Finally, for the restoration of the transmission system, a genetic algorithm is used.
The use of the water cycle algorithm (WCA) as a methodology to restore EPS is proposed in [11], which takes into account various quality and reliability indexes to achieve the restoration of the EPS. This article considers the restoration of the transmission system. In addition, the results obtained from the WCA technique are compared with the particle swarm optimization heuristics (PSO) and the genetic algorithm (GA), where the water cycle algorithm methodology generates the optimal solution in less time than the PSO and the GA.
Contingency analysis allows studying the severity of elements disconnection in the power system; therefore, it is essential to consider its study. It is called contingency when one or more elements are disconnected from the electrical system unexpectedly due to unscheduled or unforeseen events such as wrong practices during maintenance of the electrical system. The operating outage of the following elements is considered a contingency: generators, loads, transmission lines, and transformers. To carry out the contingency analysis of the EPS, optimal power flows (OPF) are used to calculate variables such as current, voltage, frequency, and power. In this way, it is possible to know the post-contingency state of the EPS [12,13].
There are different methodologies that allow analyzing what happened in the EPS in the event of a failure or a contingency, for example, OPF-AC and optimal DC power flow (OPF-DC). Furthermore, in these types of problems, it is necessary to use OPF-AC and OPF-DC to determine the contingency indexes, which helps to determine which element of the EPS is most affected after a failure. These methodologies are used to determine generation dispatch cost and observe variables of voltage, angle, frequency, current, and technical losses through the power balance [14,15,16,17,18].
State estimators (SE) allow the EPS to be monitored and are widely used by control centers to determine the state of the electrical power system. SE are useful to observe how the network is operating and contribute when it is the time of restoring the EPS since they allow to know the operating status of the EPS under normal conditions and in the event of failures or contingencies. The SE consist of sensors and meters placed throughout the electrical system, allowing it to process and interpret the operating variables of the EPS in real-time [19,20]. In [21], a state estimator is presented which has as an objective to verify the post-contingency state when disconnecting a transmission line by generating contingencies N-1; this is performed through the transmission line outage post-contingency state estimator principle (PLOP).
In [22], the authors propose a method to determine the state of the EPS after suffering the disconnection of transmission lines. The model is based on data obtained by the phasor measurement units (PMU) in pre-failure and post-failure when applying statistical procedures. To implement this methodology it is necessary to linearize the power flow of the EPS.
In [23], the authors present a particular data concentrator, this concentrator is a data acquisition suspension clamp that can be used in electrical conductors, for transmission lines, communication lines, water lines, gas lines, and oil lines. This type of clamp allows to monitor, acquire, and generate reports of different EPS elements. The main disadvantage of the measuring mechanism is that its use as part of a clamp is restricted.
In [24], the authors propose the use of sensors to monitor the electrical parameters on both sides of a switching device; in this way, they observe the number of power outages that occurred in the EPS, in addition to the duration and the voltage deviation that causes the suspension of power supply. These sensors are installed in the outgoing electrical transmission lines and in the low-voltage busbars of the transformer substation.
In [25], the authors propose the use of networks of power lines sensors; the sensors allow to monitor the variables in real time, and they also evaluate variables such as the thermal capacity of the transmission lines, contacts of overhead conductors with vegetation, and proximity between overhead power lines and animals in real time.
EPS stability is the system’s ability to bring back its operation to steady-state condition when suffering electrical failures or disturbances that destabilize the electrical system.If the electrical system becomes unstable, it generates significant variations in the voltage, angle and frequency parameters, causing the disconnection of transmission lines and generation units, in addition to possible total or partial blackouts. There are three parameters that are fundamental for the study of EPS stability, such as angle, frequency, and voltage, which are related to each other [26,27], so when reconnecting, it is important that the EPS meets these requirements. Only in this way can the elements that suffered a disconnection be entered.
In this research, a methodology is proposed that allows the restoration of the electrical system considering optimal operating costs. For this purpose, a review of the state of the art regarding the problem posed was established in the previous section to obtain the proposed scenario for this work. To solve the problem, two methodologies were used: the contingency index and the OPF-AC; which were applied to the normal operating state of the EPS and to contingencies generated randomly. It should be emphasized that the scenario in which the EPS suffers a black-start is not taken into consideration; this scenario will be carried out in future works. Through the contingency index, a decision tree was generated, which allowed establishing the path or route to reconnect the elements to the electrical system. The architecture of this article is shown in Figure 1.

2. Electrical Power System Operation

2.1. Electrical Power System Restoration

Electrical power system reestablishment is a process that demands more than planning and analysis of the electrical system variable. First, a verification of the available elements must be carried out, as well as decision-making tools for the EPS operators. Restoring the EPS is a multi-objective optimization problem with variables and constraints that are nonlinear character [28]. The restoration objective is for the system to return to normal operating conditions quickly and safely, minimizing the time it takes to recover normal operating conditions and preventing instability in the EPS due to elements reconnection that went out of operation. These actions will reduce the partial or total EPS outage [29]. The steps for EPS restoration are detailed below.
  • Preparing the EPS for restoration: The first step consists of checking the status of the EPS after one or more contingencies have occurred, in addition to verifying the limits of the technical variables such as voltage, current, frequency, and angular deviation. The EPS capacity must be verified in terms of elements that are available to enter and provide electrical power to the EPS. Additionally, due to their intermittency nature, renewable generation should be taken out of service [7].
  • Strategies for EPS restoration: There are two specific strategies used in the EPS restoration, (i) reduction and (ii) accumulation. The first consists of re-entering transmission lines and generation, and, as the last priority, the loads. By doing this, it is intended to stabilize the electrical system with the reestablishment of the transmission part of the electrical power system. The accumulation method consists of two steps: first, the transmission system with its more significant loads is reconnected to the electrical power system, and then, as a second step, the remaining (noncritical) loads are reconnected [7].
  • Subsystems characterization of the electrical power system: When electrical failures occur in the EPS, causing contingencies, for the restoration of the system it is necessary to consider the accumulation strategy because it is the most used to solve these types of problems. Therefore, it must be taken into account that to work under this method, it is necessary to divide the system into several subsystems, fulfilling characteristics such as having a reduced difference margin between generation and loads in each subsystem, and the subsystems must be balanced. Reactive power must be checked in a special way, since it is one of the main factors in restoring the EPS [7].
  • Re-entry of the transmission system: Reconnecting the transmission system is a complicated process; it is necessary to comply with the minimum and maximum voltage limits, verifying that the system does not violate any of these. Energization is achieved by two methods: line switching and load currents.
  • Energization for load and generation: The energization of the generation system is the most complicated step, because this action must be carried out in the shortest possible time in order not to stop supplying electrical energy to critical loads such as hospitals, police stations, firefighters, and military services. When the generators enter the system, the stability of the EPS is also verified by checking the voltage and frequency for the input of the loads, and it must be verified that the generation capacity is proportional to the load capacity that is entering the system.
  • System synchronization: Having most of the EPS restored, it must be verified that the system is synchronized by checking the magnitudes of voltages, voltage sequence, and frequency. The transmission system must also comply with adequate synchronization; for this, the system must be evaluated by means of the power quality indexes, in addition to checking the capacity of the transmission lines.
There are several characteristics for the restoration of the EPS; in [30], several are mentioned, such as:
  • Voltage and frequency control.
  • Active power distribution in weak subsystems.
  • Capacity that the electrical system must have to start in initial conditions through thermal power plants.
  • Reactive power capacity for connecting transformers and transmission lines.
Optimal power flows (OPF) are key methods to solve restoration power problems. In addition, it is necessary to use several techniques for the restoration of the EPS; among them, there are contingency and quality indexes. The post-failure stability of the system should be considered once the elements that were affected by contingencies re-enter the system.
Optimal power flows (OPF) are used to solve problems where there are a large number of variables, high uncertainty, and the system is robust; they are specially used to solve stochastic optimization problems [31,32,33].
The AC-OPF method allows solving resilience problems because it involves a large number of technical variables of the EPS. In addition, OPF-AC is the most effective method in solving these types of electrical system restoration problems. The fundamental objective of OPF-AC is to minimize generation operating costs, taking into account operating restrictions of the system, for example, voltage limits, angular deviation, and power balances [34].
The equations that intervene in the calculation of the OPF-AC are given as follows:
  • Objective Function
    M i n Z = i = 1 n C g i
  • Restrictions
    P g i P D i = V i j = 1 n V j Y i j C o s ( δ i δ j θ i j )
    Q g i Q D i = V i j = 1 n V j Y i j S i n ( δ i δ j θ i j )
    P g m i n P g P g m a x
    Q g m i n Q g Q g m a x
    V i m i n V i V i m a x
    δ i m i n δ i δ i m a x
Equation (1) represents the objective function, which consists of minimizing the operating cost in generation, while Equations (2) and (3) represent the active and reactive power balance restrictions for the EPS. Equations (4) and (5) represent the limits of active power and reactive power. Finally, Equations (6) and (7) represent the operating limits of voltage and angular deviation of the system.

2.2. Quality and Stability for the Restoration of the EPS

Voltage stability in the EPS is determined by the ability to recover the voltage in all the bus bars after suffering electrical faults or disturbances directly affecting the normal operation of the system. The active or reactive power imbalance that may exist between demand and generation is the main cause of voltage instability. This causes the voltage to rise drastically, exceeding the admissible limits, resulting in the system protections acting; thus, elements of the EPS move out in a cascading effect. If the voltage fluctuations occur abruptly, it is due to an oscillation in the rotor angle of the synchronous machine [26].
Angle stability is directly related to a synchronous machine’s ability to withstand a disturbance and continue to operate; consequently, there must be a condition in which the electromagnetic and mechanical torque must be balanced, that is, they must be equal. If this condition is not met, angular oscillations occur, causing the output of one or more generators from the electrical system. When small disturbances occur, synchronous generators suffer oscillations in the rotor; however, when these events occur, the generation units have the ability to solve the problem of small disturbances and continue operating. On the contrary, if large-scale disturbances occur, the angular stability of the synchronous machine is lost, which causes the operating output of the said unit [35,36].
To prevent the system from losing stability in the face of events that generate contingencies in [37], it is suggested that this parameter is bordering ± 35 degrees or ± 0.6 radians, this means that when disconnections of elements occur, the angle does not exceed 90 degrees, this being the limit of stability in steady state. If the angle exceeds 90 degrees, the system would go into instability.
The energy quality of the electrical power systems worldwide is generally regulated by each country and the established limits are ± 5 % and ± 10 % ; however, for the resolution of the problem of resilience in [38], it is mentioned that the quality limits are 1.05 pu and 0.95 pu, that is, the ± 5 % , this value is taken to avoid a system collapse when generating N-M contingencies.

2.3. Contingency Index

The contingency index (CI) is used to determine the state of the electrical system under normal conditions and when contingencies are generated. If the EPS is in a normal state, considering that lines and generators are within the operating limits, the CI value will be low; on the contrary, if there are external events that lead to the disconnection of EPS elements, the CI will increase accordingly to the severity of the disconnect. The CI is ordered from highest to lowest, then we proceed to verify that the initial cases are the most damaging, causing violations of capacity limits and nodal voltage limits.
Equation (8) shows how to calculate the contingency index, the weighting factor W f i indicates the importance of the transmission lines for the system, and the values that are normally assigned depend on transmission lines chargeability. In this research, the value for the weighting factor is one, giving the same importance to all the elements. The factor n, known as the evaluation factor, helps to reduce the error when ordering the contingencies and fulfills a restriction n 1 . The factor f i represents the power flow in the lines of the EPS or voltages in the nodes of the system; therefore, it has two different contingency indexes and must be studied as such [39,40,41].
C I = l = 1 n l W f i 2 n f i f i m a x 2 n

3. Problem Formulation

As the EPS is exposed to electrical failures or events that generate contingencies, it is necessary to plan and develop a methodology that allows the system to be optimally restored; therefore, the OPF-AC study has been carried out, generating a generic algorithm that allows determining the technical variables of (i) voltage, (ii) angular deviation, and (iii) power flow. In addition, N-2, N-3, N-4, and N-5 contingencies are considered, and through the continence index, a decision tree was developed, which allows appreciating the route that must be followed to optimally restore the EPS.
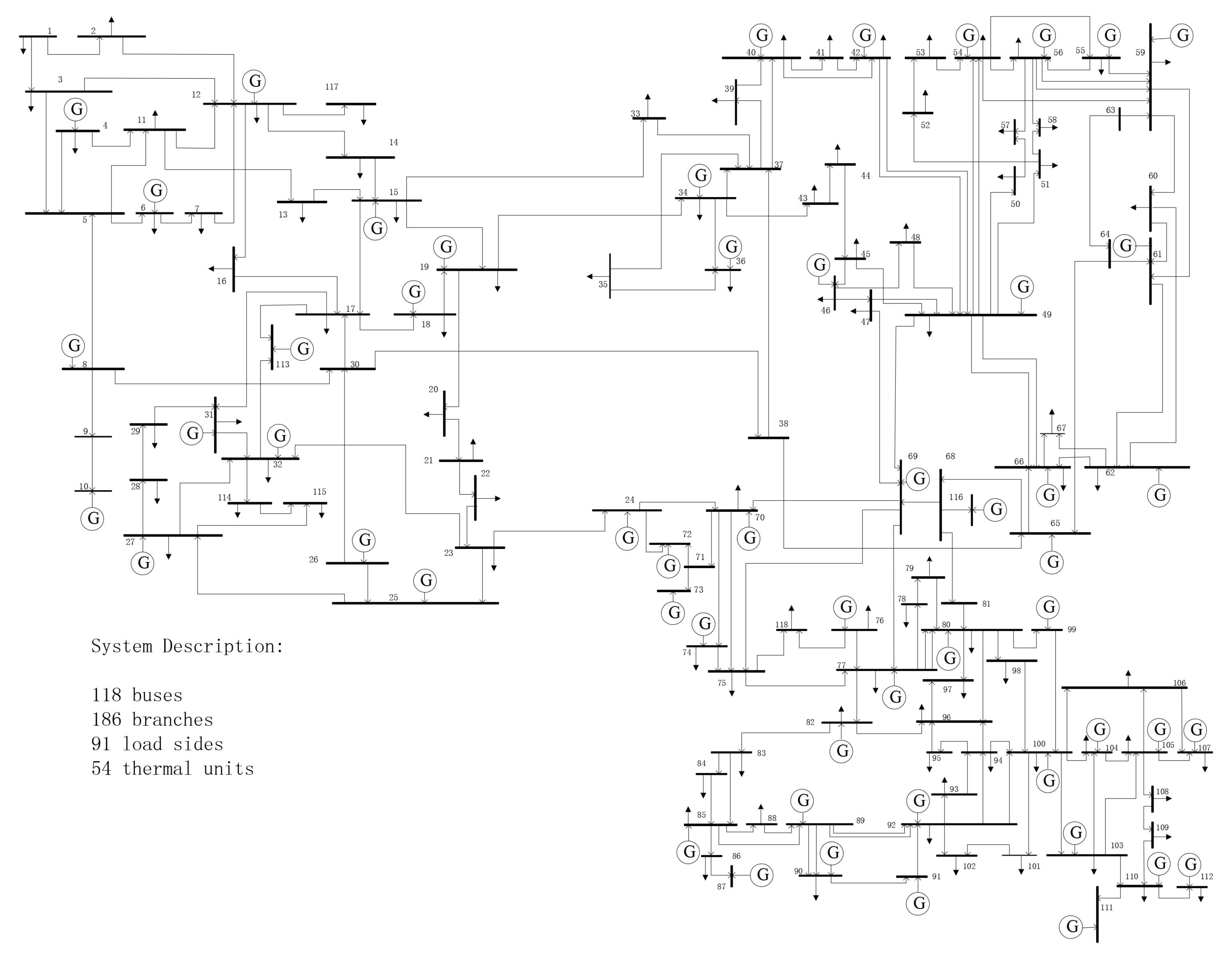
Four cases were studied, generating contingencies N-2, N-3, N-4, and N-5, with case A being the disconnection of a line and a generator, case B disconnection of two transmission lines, case C exit from the operation of two generators, case D the disconnection of two lines and a generator, case E the disconnection of three lines and a generator, and case F the disconnection of four transmission lines and a generator. In each of the case studies, in addition to contingencies, the normal behavior of the electrical system is analyzed. The disconnection of transmission lines and generators was carried out randomly, without considering the collection of the lines or the contribution of the generators that went out of operation. The study was conducted on the generic IEEE 118 bus system which is presented in Figure 2. Table A1 represents the input data of the generators, Table A2 represents the input data of the transmission lines, and, finally, we have the data of the loads that is given by Table A3.   
Although the proposed method requires several input data, there are methods such as in [22,23,24,25], where they use elements such as sensors and data acquisition clamps that can monitor the EPS, thus providing the input data required from the proposed model.

Methodology

In the following, the methodology used to solve the problem of optimal restoration is detailed, by means of the pseudocode found in Algorithm 1. In Algorithm 1 it can be seen the steps to follow, such as entering the technical data of lines, generators and loads, applying the OPF-AC, generation of contingencies, the study of pre-failure and post-failure stability, and the development of the decision tree. It is important to emphasize that the implemented methodology is generic and, as such, it can be applied in any EPS, although input data is necessary to solve the problem.
Algorithm 1: Heuristics for optimal power systems restoration.
Step: 1
Input data
EPS parameterization
Lines: r, x, b
Generator:  P m i n , P m a x , c o s t , Q m a x , Q m i n , V g
Load:  P d , P q
Step: 2
OPF-AC
O.F.:
  M i n Z = i = 1 n C g i
s.t.:
Power balance
  P g i N M P D i = V i j = 1 n V j Y i j C o s ( δ i δ j θ i j )
  Q g i Q D i = V i j = 1 n V j Y i j S i n ( δ i δ j θ i j )
Voltage and angle limits
  V i m i n V i V i m a x
  π δ i π
Save results:
  P i j , Q i j , V i , δ i
Step: 3
OPF-AC for contingencies generated
Disconnection of one or more elements of the EPS
N 1 → line or generator
N 2 → line-line or generator-generator or line-generator
N 3 →   generator-line-line
Calculated the OPF-AC for each case and contingency index
for  i = 1 : n ; n n o d e s
    for  j = 1 : n
        if  C i j = 1
                 C i j = 0
                  O P F A C
                 C I = l = 1 n l W f i 2 n f i f i m a x 2 n
                 C i j = 1
                 k = k + 1
          end if
     end for
end for
Step: 4
Decision tree
for  k = 1 : m ; m C o n t i n g e n c i e s
     if  C I o r i < C I k
           Reestablishment of elements generating a path according to the CI
            C I o r i = C I k
     end if
end for
Step: 5
Show results
Through Equation (8), the contingency index can be calculated. For this research, the voltage values in the system bus bars were used; in this way, the affectation suffered by the EPS when disconnecting one or more elements is quantified. The higher the value of the CI, the EPS suffers a greater affectation; according to this, the optimal restoration of the elements that previously went out of operation is planned. The elements that re-enter first are those that have the least impact on the EPS.
Below, there is a comparison of the existing models with the proposed method:
  • In [4], the authors propose to restore the EPS by sectionalizing the system, taking into account the topology of the subsystems, and a restoration path is proposed. Therefore, all the elements that exist from the generation to the element in failure must be verified, something important in the methodology applied by the authors is that they will grant critical and noncritical loads, which are considered at the time of restoring the EPS; this would be a major disadvantage when performing a power system restoration.
  • The authors in [6] propose the gap theory methodology for the restoration of the generation system in the EPS; this methodology implies the coordinated action of generation and load for the entry in sequence of the generating units. One of the advantages seen in this methodology is that there is great uncertainty in the data; the IGDT methodology is also called double uncertainty, while a great disadvantage is that, for the restoration of the system, the entry and exit of loads in the EPS are necessary.
  • In [7], the authors propose to sectionalize the ESP to carry out the restoration of the generation system. They consider the capacity of the generators that did not go out of operation and the severity of those that went out of operation is determined, the restoration does not take into account the transmission system.
  • In [9], the authors propose the restoration of the generation system by implementing a sequence for the start of the generators, taking into consideration the technical characteristics of the generators. One of the weaknesses of this method is that it is necessary to have a large amount of generation, otherwise the time of restoration of generators increases greatly.
  • The methodology proposed in [10] considers the capacitance of the transmission lines; in addition, the method takes into account the path of the elements for restoration. The transmission lines enter interpretation and the importance is suggested according to the capacitance.
  • In [11], the authors propose a methodology that consists of three steps after the sectioning of the EPS into subsystems. The first is to verify the generation units, the second is to reconfigure the subsystems, and the last step is to verify the problems that exist when reconfiguring the subsystems. Routes are carried out throughout the system and it is verified which is the option in which the best results are obtained.
  • The proposed methodology is based on the reestablishment of the EPS, both in the generation and transmission systems in the presence of N-M contingencies. Stability criteria are taken, such as the voltage angle between the difference of the bars, as well as restrictions, such as the acceptable voltage limits, and the contingency index allows establishing the path for restoration. The proposed method does not consider the disconnection of loads nor the sectioning in EPS subsystems.
    Figure 3 represents the solution of the methodology used to solve the problem of optimal EPS restoration. As a first step, the EPS is selected and parameterized, followed by the OPF-AC, establishing the objective function and the restrictions. The contingencies are generated by disconnecting transmission lines and generating units. As a next step, the OPF-AC is carried out for each one of the contingencies generated; once the OPF-AC has been calculated for the contingencies, the CI is calculated, and the decision tree is made according to the calculated CI.

4. Analysis of Results

Once the proposed method mentioned in Section 3 has been executed, the results obtained in terms of voltage variations, angular deviation, and power flow in the bus bars of the study case in normal operational state and under contingencies are presented.
Finally, once the power flow has been performed in the EPS, the CI is determined using the power flow in the transmission lines, and the events that produce more damage to the electrical system were determined; that is, the CI is considered with the highest value. In this way, we proceed with the path for restoration, first entering the elements with the highest value of CI, then the elements of lower value of CI. The simulation was carried out using an interface between Gams 27.3 and Matlab R2021b, the algorithm was implemented in Matlab, which is in charge of processing the input data, and the results were returned by Gams after the optimization was completed. In this way, the OPF-AC is solved through nonlinear programming, using the CONOPT solver, in addition to calculating the CI.
The simulations implemented under the different software were run on a computer with an Intel Core I7 processor, 12 gigabyte RAM, Windows 10, and 64-bit operating system.
Figure 4 shows the voltage variations in the four case studies A, B, C, and D in the IEEE 118 bus system. Each case study contains the behavior of the system under a normal state which can be seen in the green line; the segmented red and black lines represent the voltage variation when disconnecting the transmission lines and the generators, respectively. Finally, the segmented blue line represents the most serious contingency. For cases, A, B, and C, contingencies N-2 are analyzed, and for case D, contingencies N-3 are taken into consideration.
  • In case A, it is observed that the voltage variations when disconnecting the generator and the line are similar when disconnecting only the generator that is on bus bar 112, the variations occur only in the bus bars close to the bus where the power was from disconnected generator, and significantly in bus bar 112; as it can be seen, the voltage drops from 1.04 pu to 1.01 pu; the rest of the system does not suffer any significant damage.
  • In case B, the disconnection of line 24–72 has a strong impact on the system; as it can be seen, there are significant variations in bus bars 27–28 and 113–114, as contingency N-2 generates the variation in the system. It is reduced in nodes 27–28 and 113–114; however, in nodes 1 to 27 there is a greater voltage variation in each of the buses of the electrical system.
  • Case C is the worst case study when disconnecting the generators located on bus bars 80 and 112. It can be seen that there are voltage variations in all the bus bars of the system, with bus bars 80 and 112 being the most affected. In addition, it can be seen that generator 52 (connected to bus bar 112) is the one that has the greatest impact of the two elements of the electrical system, as can be seen in the red line, while generator 36 (connected to the bus bar 80) has a minor impact on the EPS while maintaining the appropriate operating limits for its operation.
  • Case D contemplates the disconnection of three elements, generator number 52, lines 24–72, and 25–27. When these elements are out of service, the worst scenario is produced, having significant voltage variations on bus bars 28 and 115. In addition, there are small voltage variations from bus bars 1 to 20; this can be seen by the blue colored line.
  • Case E consists of restoring the system in the face of an N-4 contingency, for which generator 52 and three transmission lines are disconnected, which are lines 24–72, 25–27, and lines 2–3.
  • In case F, five elements of the EPS are disconnected, generating a contingency N-5, the first of which is generator 52. In addition, four transmission lines are disconnected: lines 24–72, 25–27, 2–3, and, finally, lines 4–9.
The variation of the voltage angle of the different study cases is observed in Figure 5.
In case A, it can be seen that when generator 52 is disconnected, it causes variation in more than half of the bus bars of the system; however, these variations do not have a considerable magnitude.
Case B presents a greater angle variation when disconnecting lines 24–72 and 25–27, these same angle changes are obtained when disconnecting only line 24–72. This is because this element has great loadability, that is, through this line, there is a greater flow of power to meet the demand.
In Case C, there is the greatest angle variation with respect to the other cases. The disconnection of two generators causes significant changes in the variables of voltage, angle, and power flow throughout the system. Despite this, the system does not fall into instability respecting operating limits. In this case, it is observed that generator 52 causes the greatest angle variation.
In case D, it can be seen that contingency N-3 is the worst scenario because it considers more than two elements that must re-enter the EPS; however, the angle variations suffered by the electrical system in each bus bar do not violate the EPS operational limits. In addition, the angle changes that occur in the system are minimal and are located in specific bus bars 28 and 115.
Figure 6 presents the power flow in the transmission lines according to the case studied. It is observed that in cases A and B, where the generator–line and line–line system is disconnected, the flow variations are minimal except for the disconnected lines where the power reaches zero without affecting the electrical power system.
If the system suffers the disconnection of generation units, the power flow varies significantly, as can be seen in the curves resulting from case C (see Figure 6); the green curve represents the flow of the power of the electrical system in a pre-fault state, while the curves in red, blue, and black represent the power flow when one and two generators are disconnected (post-fault), this being one of the serious cases in the present study.
The curves in case D show the power flow upon disconnection of three elements (blue curve). The disconnection of two generator–line and line–line elements is seen in the red and black lines, respectively. The N-3 contingency is another serious case in terms of power flow since it generates several peaks and significant power drops in several lines of the electrical system.
Table 1 shows the results obtained from OPF-AC for the IEEE 118 bus bar system. By using nonlinear programming, with the help of the CONOPT solver, the optimal solution found by the proposed algorithm is presented and implemented in the Matlab–Gams interface. The optimal solution, for the proposed cases, responds to the initial restrictions of the problem that seek to minimize the operating cost of the EPS, this being the objective function. As it can be seen in Table 1, case F, which is the disconnection of five elements in the EPS, presents the highest operating costs, while case A, which is the disconnection of two elements, has the lowest operating cost within all the study cases. As more elements are disconnected from the EPS, the operating cost increases.
Table 2 represents the computational time required by the machine to solve the problem posed by the proposed algorithm; when having a greater number of contingencies, the time increases exponentially. When contingencies N-5 occur, the time the machine takes is 0.775 s.
Table 3 represents the contingency index obtained when analyzing the different cases proposed. It can be seen that the worst contingency occurs in case F, which is contingency N-5, while the least serious contingency occurs in case A. When contingencies N-2 are generated in the EPS, there is a greater affectation in case C with a CI of 3824, which occurs when generating units 36 and 52 are disconnected.
In Table 4, the contingency index N-1 of the EPS disconnecting transmission lines and generators are ordered from the element that, when disconnecting from the EPS, has the least impact to the greatest. It can be seen that the element that has the least impact on the EPS is the line 24–72, while line 2–3 is the element that has the greatest impact when disconnecting from the EPS.
The order in which the elements must be re-entered before the generated contingencies is found in Figure 7, according to the contingency indexes found in Table A3. For case A, generator 52 must be the first to re-enter. This is carried out in order for the EPS to prepare for the re-entry of the transmission line, followed by re-entering line 24–72; in this way, the system is optimally restored. For case B, the reconnection process begins with line 24–72, followed by line 25–27.
In case C, the decision tree suggests that generator 56 must enter first, followed by generator 36. In this way, the element with the least impact enters the EPS, ensuring that the electrical system does not lose voltage stability in the face of sudden changes in the technical variables of EPS caused by contingencies. For the N-3 contingency generated, generator 52 must enter first, then line 24–72 and finally line 25–27; by following this route, the electrical system is restored in the correct way, meeting energy quality criteria and voltage stability, preventing the system from entering a voltage collapse generating a blackout.
In Figure 8, the entry of the elements for cases E and F is observed. For case E, generator 52 must be entered as the first step, followed by line 24–72, as a third step, the entry of line 25–27, finally the re-entry of line 2–3. In case F, the order of entry of the elements is first the generator 52; second, line 24–72; third, line 25–27; fourth, line 4–9; and, finally, line 2–3.
Figure 9 represents the voltage stability study that is obtained in the study cases C, D, E, and in normal operation. It can be seen that the case that presents a greater disturbance than the EPS is case C, in which generators 36 and 52 go out of operation, despite the fact that in cases D and E there are more elements that were disconnected from the system. The P–V curve was developed with a load increase λ = 2 in the bar 45 of the EPS.
The stability of the system under normal conditions is represented by the red line, while for case C, stability is represented by the black lines, and for cases D and E it is represented by the lines colored green and blue, respectively. By having the IEEE 118 bar system, the reduction in the stability margin is minimal since it is a robust system. Although, with the disconnection of two generators in the EPS, a slight reduction in the stability margin is seen when disconnecting a generator and several lines, the reduction is minimal.
This work evaluates the optimal restoration of the IEEE 118 bus system under N-2 and N-3 contingencies considering generation, transmission, and transmission and generation systems. In this research, an important aspect to consider is that the proposed methodology allows to evaluate the system in case of N-M contingencies; for this purpose, cases N-4 and N-5 were created and evaluated. In addition, the model considers as restrictions the acceptable voltage limits and the difference in voltage angle between the different bus bars. Table 5 shows a comparison between the criteria used for this research methodology and other relevant works.

5. Conclusions

Through optimal AC power flows methodology and obtaining the contingency index, it was possible to plan the optimal restoration of the EPS. With the OPF-AC method, it was possible to determine the status of the EPS in normal operation and when contingencies were generated, which leads to obtaining the status of the main technical variables, such as voltage, angle, and power flow. On the other hand, once the technical variables were obtained, the contingency index was calculated through the voltage in the EPS bars. This technique allows establishing the magnitude of the affectation suffered by the system when one or more elements are disconnected considering the power flow; therefore, it allows determining the optimal path or route to follow for the re-entry of these elements to the EPS, fulfilling with criteria of continuity, quality, and voltage stability, observing optimal operating limits.
When applying the proposed methodology, it is important to calculate the contingency index; in this way, it is possible to determine the level of affectation suffered by the EPS when disconnecting transmission lines or generators. The higher the contingency index, the greater the variation in voltage and angular deviation. Once the results of the disconnections of the elements that went out of operation were obtained, their re-entry is planned, with the elements with the highest CI being the last to be reintegrated into the EPS and the elements with the lowest CI being the first to enter the system.
Through this research, a generic methodology was determined that allows planning the optimal restoration and can be applied in any EPS under N-M contingencies. In addition, the disconnection of elements can be generated in the generation, transmission, or both systems, giving the methodology a plus. Therefore, for the proposed work, contingencies N-2 and N-3 were carried out, which were within the objective, it was also verified that the methodology can be applied under contingencies N-4, N-5, and N-M.

6. Future Work

In the future, there are plans to develop new research in which an electrical power system that is in black start will be used as a starting case, for which an optimal restoration will be carried out in this EPS.

Author Contributions

F.Q. and D.C.: conceptualization, methodology, validation, writing—review and editing. F.Q.: methodology, software, writing—original draft. D.C.: data curation, formal analysis. D.C.: supervision. M.J.: writing—review and editing. All authors have read and agreed to the published version of the manuscript.

Funding

This work was supported by Universidad Politécnica Salesiana and GIREI -Smart Grid Research Group under the project “Transmission line dispatch planning considering deregulated markets”.

Data Availability Statement

Not applicable.

Conflicts of Interest

The authors declare no conflict of interest.

Abbreviations

C g i Generation cost
P g m i n Active power lower limit
P g i Active power, generated
P g m a x Active power upper limit
Q g i Reactive power, generated
Q g m i n Reactive power lower limit
P D i Active power, demanded
Q g m a x Reactive power upper limit
Q D i Reactive power, demanded
V i m i n Voltage lower limit
V i Input voltage at bus bar i of the element connected between bus bar i j
V i m a x Voltage upper limit
V j Ouput voltage at bus bar j of the element connected between bus bar i j
δ i m i n Voltage angle lower limit
δ i Voltage angle at bus bar i
δ i m a x Voltage angle upper limit
δ j Voltage angle at bus bar j
P i Power flow at line i
θ i j Admitance angle at line i j
P i m a x Capacitance at line i
Y i j Admitance at line i j
n l System total lines
W p i Weighting factor for line i
nFunction evaluation factor
iBus bar indexes i
jBus bar indexes j
gGenerator indexes
c o s t Generators operation cost
rLine resistance
xLine reactance

Appendix A

Table A1. IEEE 118 bar system generation data.
Table A1. IEEE 118 bar system generation data.
NameBus No.PminPmaxQminQmax
TG14530−300300
TG26530−1350
TG38530−300300
TG410150500−147200
TG512100300−35120
TG6151030−1030
TG71825100−1650
TG819530−824
TG924530−300300
TG1025100300−47140
TG1126100350−10001000
TG1227830−300300
TG1331830−300300
TG143225100−1442
TG1534830−824
TG163625100−824
TG1740830−300300
TG1842830−300300
TG194625100−100100
TG204950250−85210
TG215450250−300300
TG225525100−823
TG235625100−815
TG245950200−60180
TG256150200−100300
TG266225100−2020
TG2765100420−67200
TG2866100420−67200
TG296980300−99,99999,999
TG30703080−1032
TG31721030−100100
TG3273530−100100
TG3374520−69
TG347625100−823
TG357725100−2070
TG3680150500−165280
TG378225100−99009900
TG38851030−823
TG3987200650−1001000
TG4089150500−210300
TG4190820−300300
TG42912050−100100
TG4392100300−39
TG4499100300−100100
TG45100100300−50155
TG46103820−1540
TG4710425100−823
TG4810525100−823
TG49107820−200200
TG501102550−823
TG5111125100−1001000
TG5211225100−1001000
TG5311325100−100200
TG541162550−10001000
Table A2. IEEE 118 bar system bus data.
Table A2. IEEE 118 bar system bus data.
IndexRXBIndexRXB
10.03030.09990.0254940.001720.020.216
20.01290.04240.010829500.02680
30.001760.007980.0021960.009010.09861.046
40.02410.1080.0284970.002690.03020.38
50.01190.0540.01426980.0180.09190.0248
60.004590.02080.0055990.0180.09190.0248
70.002440.03051.1621000.04820.2180.0578
800.026701010.02580.1170.031
90.002580.03221.2310200.0370
100.02090.06880.017481030.02240.10150.02682
110.02030.06820.017381040.001380.0160.638
120.005950.01960.005021050.08440.27780.07092
130.01870.06160.015721060.09850.3240.0828
140.04840.160.040610700.0370
150.008620.0340.008741080.030.1270.122
160.022250.07310.018761090.002210.41150.10198
170.02150.07070.018161100.008820.03550.00878
180.07440.24440.062681110.04880.1960.0488
190.05950.1950.05021120.04460.180.04444
200.02120.08340.02141130.008660.04540.01178
210.01320.04370.04441140.04010.13230.03368
220.04540.18010.04661150.04280.1410.036
230.01230.05050.012981160.04050.1220.124
240.011190.04930.011421170.01230.04060.01034
250.02520.1170.02981180.04440.1480.0368
260.0120.03940.01011190.03090.1010.1038
270.01830.08490.02161200.06010.19990.04978
280.02090.0970.02461210.003760.01240.01264
290.03420.1590.04041220.005460.02440.00648
300.01350.04920.04981230.0170.04850.0472
310.01560.080.08641240.02940.1050.0228
3200.038201250.01560.07040.0187
330.03180.1630.17641260.001750.02020.808
340.019130.08550.021612700.0370
350.02370.09430.02381280.02980.08530.08174
3600.038801290.01120.036650.03796
370.004310.05040.5141300.06250.1320.0258
380.007990.0860.9081310.0430.1480.0348
390.04740.15630.03991320.03020.06410.01234
400.01080.03310.00831330.0350.1230.0276
410.03170.11530.11731340.028280.20740.0445
420.02980.09850.02511350.020.1020.0276
430.02290.07550.019261360.02390.1730.047
440.0380.12440.031941370.01390.07120.01934
450.07520.2470.06321380.05180.1880.0528
460.002240.01020.002681390.02380.09970.106
470.0110.04970.013181400.02540.08360.0214
480.04150.1420.03661410.00990.05050.0548
490.008710.02680.005681420.03930.15810.0414
500.002560.00940.009841430.03870.12720.03268
5100.037501440.02580.08480.0218
520.03210.1060.0271450.04810.1580.0406
530.05930.1680.0421460.02230.07320.01876
540.004640.0540.4221470.01320.04340.0111
550.01840.06050.015521480.03560.1820.0494
560.01450.04870.012221490.01620.0530.0544
570.05550.1830.04661500.02690.08690.023
580.0410.1350.03441510.01830.09340.0254
590.06080.24540.060681520.02380.1080.0286
600.04130.16810.042261530.04540.2060.0546
610.02240.09010.02241540.06480.2950.0472
620.040.13560.03321550.01780.0580.0604
630.0380.1270.03161560.01710.05470.01474
640.06010.1890.04721570.01730.08850.024
650.01910.06250.016041580.03970.1790.0476
660.07150.3230.0861590.0180.08130.0216
670.07150.3230.0861600.02770.12620.0328
680.06840.1860.04441610.01230.05590.01464
690.01790.05050.012581620.02460.1120.0294
700.02670.07520.018741630.0160.05250.0536
710.04860.1370.03421640.04510.2040.0541
720.02030.05880.013961650.04660.15840.0407
730.04050.16350.040581660.05350.16250.0408
740.02630.1220.0311670.06050.2290.062
750.0730.2890.07381680.009940.03780.00986
760.08690.2910.0731690.0140.05470.01434
770.01690.07070.02021700.0530.1830.0472
780.002750.009550.007321710.02610.07030.01844
790.004880.01510.003741720.0530.1830.0472
800.03430.09660.02421730.01050.02880.0076
810.04740.1340.03321740.039060.18130.0461
820.03430.09660.02421750.02780.07620.0202
830.02550.07190.017881760.0220.07550.02
840.05030.22930.05981770.02470.0640.062
850.08250.2510.05691780.009130.03010.00768
860.08030.2390.05361790.06150.2030.0518
870.047390.21580.056461800.01350.06120.01628
880.03170.1450.03761810.01640.07410.01972
890.03280.150.03881820.00230.01040.00276
900.002640.01350.014561830.000340.004050.164
910.01230.05610.014681840.03290.140.0358
920.008240.03760.00981850.01450.04810.01198
9300.038601860.01640.05440.01356
Table A3. IEEE 118 bar system load data.
Table A3. IEEE 118 bar system load data.
IndexNameBusNoPLQLIndexNameBusNoPLQL
1Load1154.1428.6646Load46568418
2Load2221.2395547Load4757123
3Load3341.410.6248Load4858123
4Load4431.8512.7449Load4959277113
5Load5655.223.3550Load5060783
6Load6720.172.1251Load51627714
7Load71174.3124.4252Load52663918
8Load81249.8910.6253Load5367287
9Load91336.0916.9954Load54706620
10Load101414.861.0655Load55746827
11Load111595.5431.8556Load56754711
12Load121626.5410.6257Load57766836
13Load131711.683.1858Load58776128
14Load141863.6936.0959Load59787126
15Load151947.7726.5460Load60793932
16Load162019.113.1861Load618013026
17Load172114.868.4962Load62825427
18Load182210.625.3163Load63832010
19Load19237.433.1864Load6484117
20Load202765.8213.865Load65852415
21Load212818.057.4366Load66862110
22Load222925.484.2567Load67884810
23Load233145.6528.6668Load68907842
24Load243262.6324.4269Load69926510
25Load253324.429.5570Load7093127
26Load263462.6327.671Load71943016
27Load273535.039.5572Load72954231
28Load283632.9118.0573Load73963815
29Load2939271174Load7497159
30Load3040202375Load7598348
31Load3141371076Load761003718
32Load3242372377Load771012215
33Load334318778Load7810253
34Load344416879Load791032316
35Load3545532280Load801043825
36Load3646281081Load811053126
37Load374734082Load821064316
38Load3848201183Load831072812
39Load3949873084Load8410821
40Load405017485Load8510983
41Load415117886Load861103930
42Load425218587Load871122513
43Load4353231188Load881148.493.18
44Load44541133289Load8911523.357.43
45Load4555632290Load9011721.238.49
91Load911183315

References

  1. Adibi, M.M.; Fink, L.H. Power system restoration planning. IEEE Trans. Power Syst. 1994, 9, 22–28. [Google Scholar] [CrossRef]
  2. Murinelli Pesoti, P.; De Lorenci, E.V.; Zambroni de Souza, A.C.; Lo, K.L.; Lima Lopes, B.I. Robustness Area Technique Developing Guidelines for Power System Restoration. Energies 2017, 10, 99. [Google Scholar] [CrossRef]
  3. Zhang, H.; Li, G.; Yuan, H. Collaborative Optimization of Post-Disaster Damage Repair and Power System Operation. Energies 2018, 11, 2611. [Google Scholar] [CrossRef]
  4. Li, C.; He, J.; Zhang, P.; Xu, Y. A Novel Sectionalizing Method for Power System Parallel Restoration Based on Minimum Spanning Tree. Energies 2017, 10, 948. [Google Scholar] [CrossRef]
  5. Carrión, D.; Francisco, J.; Paul, M. Revisión para la restauración optima de la operación del sistema eléctrico basado en criterios de calidad de energía y estabilidad. Revista de I+D Tecnológico 2021, 17, 9. [Google Scholar] [CrossRef]
  6. Jiang, P.; Chen, Q. An Optimal Source-Load Coordinated Restoration Method Considering Double Uncertainty. Energies 2018, 11, 558. [Google Scholar] [CrossRef]
  7. Qiu, F.; Li, P. An Integrated Approach for Power System Restoration Planning. Proc. IEEE 2017, 105, 1234–1252. [Google Scholar] [CrossRef]
  8. Ganganath, N.; Wang, J.V.; Xu, X.; Cheng, C.; Tse, C.K. Agglomerative Clustering-Based Network Partitioning for Parallel Power System Restoration. IEEE Trans. Ind. Inform. 2018, 14, 3325–3333. [Google Scholar] [CrossRef]
  9. Goo, B.; Jung, S.; Hur, J. Development of a Sequential Restoration Strategy Based on the Enhanced Dijkstra Algorithm for Korean Power Systems. Appl. Sci. 2016, 6, 435. [Google Scholar] [CrossRef]
  10. Sun, R.; Liu, Y.; Zhu, H.; Azizipanah-Abarghooee, R.; Terzija, V. A network reconfiguration approach for power system restoration based on preference-based multiobjective optimization. Appl. Soft Comput. 2019, 83, 105656. [Google Scholar] [CrossRef]
  11. Esmaili, M.R.; Khodabakhshian, A.; allah Hooshmand, R.; Siano, P. A new coordinated design of sectionalizing scheme and load restoration process considering reliability of transmission system. Int. J. Electr. Power Energy Syst. 2018, 102, 23–37. [Google Scholar] [CrossRef]
  12. Escobar, A.; Gallego, L. Análisis estático de contingencias de potencia activa en sistemas eléctricos de potencia. Sci. Technol. 2004, 1–6. [Google Scholar] [CrossRef]
  13. Escobar, Z.A.; Gallego, L. Análisis estático de contingencias de voltaje en sistemas eléctricos de potencia. Sci. Technol. 2004, 1–6. [Google Scholar] [CrossRef]
  14. Escudero Delgado, P.; Carrión Galarza, D. Expansión de un sistema de transmisión mediante LOPF-AC. INGE CUC 2018, 14, 116–125. [Google Scholar] [CrossRef]
  15. Li, Y.; Li, Y. Two-Step Many-Objective Optimal Power Flow Based on Knee Point-Driven Evolutionary Algorithm. Processes 2018, 6, 250. [Google Scholar] [CrossRef]
  16. Li, Z.; Cao, Y.; Dai, L.V.; Yang, X.; Nguyen, T.T. Optimal Power Flow for Transmission Power Networks Using a Novel Metaheuristic Algorithm. Energies 2019, 12, 4310. [Google Scholar] [CrossRef]
  17. Masache, P.; Carrión, D. Estado del Arte de conmutación de líneas de transmisión con análisis de contingencias. Revista de I+D Tecnológico 2019, 15, 98–106. [Google Scholar] [CrossRef]
  18. Poyrazoglu, G.; Oh, H. Optimal Topology Control With Physical Power Flow Constraints and N-1 Contingency Criterion. IEEE Trans. Power Syst. 2015, 30, 3063–3071. [Google Scholar] [CrossRef]
  19. Duque, F.G.; de Oliveira, L.W.; de Oliveira, E.J.; Augusto, A.A. State estimator for electrical distribution systems based on an optimization model. Electr. Power Syst. Res. 2017, 152, 122–129. [Google Scholar] [CrossRef]
  20. Blood, E.A.; Krogh, B.H.; Ilic, M.D. Electric power system static state estimation through Kalman filtering and load forecasting. In Proceedings of the 2008 IEEE Power and Energy Society General Meeting—Conversion and Delivery of Electrical Energy in the 21st Century, Pittsburgh, PA, USA, 20–24 July 2008; pp. 1–6. [Google Scholar] [CrossRef]
  21. Armaghani, S.; Hesami Naghshbandy, A.; Shahratash, S.M. Application of a new fast analytical approach for post-contingency state estimation of “N-1” transmission line outage in online vulnerability assessment of large-scale transmission networks with wind power resources. Int. J. Electr. Power Energy Syst. 2020, 123, 106304. [Google Scholar] [CrossRef]
  22. Banerjee, T.; Chen, Y.C.; Dominguez-Garcia, A.D.; Veeravalli, V.V. Power system line outage detection and identification—A quickest change detection approach. In Proceedings of the 2014 IEEE International Conference on Acoustics, Speech and Signal Processing (ICASSP), Florence, Italy, 4–9 May 2014; pp. 3450–3454. [Google Scholar] [CrossRef]
  23. Miller, P.; Waltz, B.; Chadbourne, C. Transmission line measuring device and method for connectivity and monitoring Hubbel Incorporated, (US) Patent. US9767685B2, 9 September 2017. [Google Scholar]
  24. Bolshev, V.; Vinogradov, A.; jasiński, M.; Sikorski, T.; Leonowicz, Z.; Gono, R. Monitoring the Number and Duration of Power Outages and Voltage Deviations at Both Sides of Switching Devices. IEEE Access 2020, 8, 137174–137184. [Google Scholar] [CrossRef]
  25. Yang, Y. Power Line Sensor Networks for Enhancing Power Line Reliability and Utilization; Georgia Institute of Technology: Atlanta, GA, USA, 2011; p. 264. Available online: http://hdl.handle.net/1853/41087 (accessed on 1 February 2022).
  26. Andersson, C.; Solem, J.E.; Eliasson, B. Classification of power system stability using support vector machines. In Proceedings of the IEEE Power Engineering Society General Meeting, San Francisco, CA, USA, 16 June 2005; Volume 1, pp. 650–655. [Google Scholar] [CrossRef]
  27. Wiszniewski, A. New Criteria of Voltage Stability Margin for the Purpose of Load Shedding. IEEE Trans. Power Deliv. 2007, 22, 1367–1371. [Google Scholar] [CrossRef]
  28. Liu, Y.; Fan, R.; Terzija, V. Power system restoration: A literature review from 2006 to 2016. J. Mod. Power Syst. Clean Energy 2016, 4, 332–341. [Google Scholar] [CrossRef]
  29. Sharma, D.; Lin, C.; Luo, X.; Wu, D.; Thulasiraman, K.; Jiang, J.N. Advanced techniques of power system restoration and practical applications in transmission grids. Electr. Power Syst. Res. 2020, 182, 106238. [Google Scholar] [CrossRef]
  30. Braun, M.; Brombach, J.; Hachmann, C.; Lafferte, D.; Klingmann, A.; Heckmann, W.; Welck, F.; Lohmeier, D.; Becker, H. The Future of Power System Restoration: Using Distributed Energy Resources as a Force to Get Back Online. IEEE Power Energy Mag. 2018, 16, 30–41. [Google Scholar] [CrossRef]
  31. Mezghani, I.; Misra, S.; Deka, D. Stochastic AC Optimal Power Flow: A Data-Driven Approach. Electr. Power Syst. Res. 2020, 189, 106567. [Google Scholar] [CrossRef]
  32. Venzke, A.; Chatzivasileiadis, S.; Molzahn, D.K. Inexact Convex Relaxations for AC Optimal Power Flow: Towards AC Feasibility. Electr. Power Syst. Res. 2020, 187, 106480. [Google Scholar] [CrossRef]
  33. Rokrok, E.; Shafie-khah, M.; Siano, P.; Catalão, J.P.S. A Decentralized Multi-Agent-Based Approach for Low Voltage Microgrid Restoration. Energies 2017, 10, 1491. [Google Scholar] [CrossRef]
  34. Louca, R.; Bitar, E. Robust ac optimal power flow. IEEE Trans. Power Syst. 2019, 34, 1669–1681. [Google Scholar] [CrossRef]
  35. Kundur, P.; Paserba, J.; Vitet, S. Overview on definition and classification of power system stability. In Proceedings of the CIGRE/IEEE PES International Symposium Quality and Security of Electric Power Delivery Systems—CIGRE/PES 2003, Montreal, QC, Canada, 8–10 October 2003; pp. 1–4. [Google Scholar] [CrossRef]
  36. Shuai, Z.; Shen, C.; Liu, X.; Li, Z.; Shen, Z.J. Transient Angle Stability of Virtual Synchronous Generators Using Lyapunov’s Direct Method. IEEE Trans. Smart Grid 2019, 10, 4648–4661. [Google Scholar] [CrossRef]
  37. Castellanos, R. Determinación de límites de transmisión en sistemas eléctricos de potencia. Ingeniería, Investigación y Tecnología 2014, 15, 271–286. [Google Scholar] [CrossRef][Green Version]
  38. Masetti, C. Revision of European Standard EN 50160 on power quality: Reasons and solutions. In Proceedings of the 14th International Conference on Harmonics and Quality of Power—ICHQP 2010, Bergamo, Italy, 26–29 September 2010; pp. 1–7. [Google Scholar] [CrossRef]
  39. Malakar, S.; Maharana, M.K. Network contingency ranking using analytic hierarchy process to calculate unequal importance factors for static severity indices. In Proceedings of the Michael Faraday IET International Summit 2015, Kolkata, India, 12–13 September 2015; pp. 249–255. [Google Scholar] [CrossRef]
  40. Mishra, A.; Gundavarapu, V.N.K. Contingency management of power system with Interline Power Flow Controller using Real Power Performance Index and Line Stability Index. Ain Shams Eng. J. 2016, 7, 209–222. [Google Scholar] [CrossRef]
  41. Carrión, D.; García, E.; Jaramillo, M.; González, J.W. A Novel Methodology for Optimal SVC Location Considering N-1 Contingencies and Reactive Power Flows Reconfiguration. Energies 2021, 14, 6652. [Google Scholar] [CrossRef]
  42. Fernandez-Porras, P.; Panteli, M.; Quiros-Tortos, J. Intentional Controlled Islanding: When to Island for Power System Blackout Prevention. IET Gener. Transm. Distrib. 2018, 12. [Google Scholar] [CrossRef]
Figure 1. Proposed solution architecture.
Figure 1. Proposed solution architecture.
Energies 15 02062 g001
Figure 2. IEEE 118 bus system [42].
Figure 2. IEEE 118 bus system [42].
Energies 15 02062 g002
Figure 3. Solution methodology for the optimal restoration of EPS.
Figure 3. Solution methodology for the optimal restoration of EPS.
Energies 15 02062 g003
Figure 4. Voltages on IEEE 118 bus bars system subjected to contingencies.
Figure 4. Voltages on IEEE 118 bus bars system subjected to contingencies.
Energies 15 02062 g004
Figure 5. Angular deviation in the IEEE 118 system bus bars subjected to contingencies.
Figure 5. Angular deviation in the IEEE 118 system bus bars subjected to contingencies.
Energies 15 02062 g005
Figure 6. Power flow in transmission lines for the different study cases.
Figure 6. Power flow in transmission lines for the different study cases.
Energies 15 02062 g006
Figure 7. Decision tree for the entry of EPS elements, cases A, B, C, and D.
Figure 7. Decision tree for the entry of EPS elements, cases A, B, C, and D.
Energies 15 02062 g007
Figure 8. Decision tree for the entry of EPS elements, cases E and F.
Figure 8. Decision tree for the entry of EPS elements, cases E and F.
Energies 15 02062 g008
Figure 9. Voltage stability curve, P–V.
Figure 9. Voltage stability curve, P–V.
Energies 15 02062 g009
Table 1. The operating cost of generation for cases A, B, C, D, E, and F.
Table 1. The operating cost of generation for cases A, B, C, D, E, and F.
SolutionNormal OperationCase ACase BCase CCase DCase ECase F
OptimalUSD 457.8595USD 459.1201USD 460.0032USD 476.3337USD 462.7507USD 477.6674USD 477.7116
Table 2. Computational times for case studies.
Table 2. Computational times for case studies.
SolutionNormal OperationN-1N-2N-3N-4N-5
Computational Times0.565 s0.614 s0.620 s0.710 s0.736 s0.775 s
Table 3. Contingency indexes for cases A, B, C, D, E, and F in the IEEE 118 bus system.
Table 3. Contingency indexes for cases A, B, C, D, E, and F in the IEEE 118 bus system.
CasesNorm. OpN-2N-3N-4N-5
Case A3.42543.4591---
Case B3.42543.7413---
Case C3.42543.824---
Case D3.4254-3.7871--
Case E3.4254--4.1704-
Case F3.4254---4.1834
Table 4. Contingency index by disconnected elements.
Table 4. Contingency index by disconnected elements.
ElementCI
L 24-723.4254
G 523.4564
L 25-273.7413
L 4-93.8057
G 363.8072
L 2-33.8262
Table 5. Comparison of the proposed methodology.
Table 5. Comparison of the proposed methodology.
MethodologyTransmissionGenerationTransmission GenerationN-MVoltage Angle
Qiu [7]-X---
Sun [10]-X---
Li [4]X----
Esmaili [11]X----
ProposedXXXXX
Publisher’s Note: MDPI stays neutral with regard to jurisdictional claims in published maps and institutional affiliations.

Share and Cite

MDPI and ACS Style

Quinteros, F.; Carrión, D.; Jaramillo, M. Optimal Power Systems Restoration Based on Energy Quality and Stability Criteria. Energies 2022, 15, 2062. https://doi.org/10.3390/en15062062

AMA Style

Quinteros F, Carrión D, Jaramillo M. Optimal Power Systems Restoration Based on Energy Quality and Stability Criteria. Energies. 2022; 15(6):2062. https://doi.org/10.3390/en15062062

Chicago/Turabian Style

Quinteros, Francisco, Diego Carrión, and Manuel Jaramillo. 2022. "Optimal Power Systems Restoration Based on Energy Quality and Stability Criteria" Energies 15, no. 6: 2062. https://doi.org/10.3390/en15062062

APA Style

Quinteros, F., Carrión, D., & Jaramillo, M. (2022). Optimal Power Systems Restoration Based on Energy Quality and Stability Criteria. Energies, 15(6), 2062. https://doi.org/10.3390/en15062062

Note that from the first issue of 2016, this journal uses article numbers instead of page numbers. See further details here.

Article Metrics

Back to TopTop