Investigations into the Combined Effect of Mahua Biodiesel Blends and Biogas in a Dual Fuel Engine
Abstract
:1. Introduction
2. Materials and Methods
2.1. Fuel Preparation
2.2. Fuel Properties
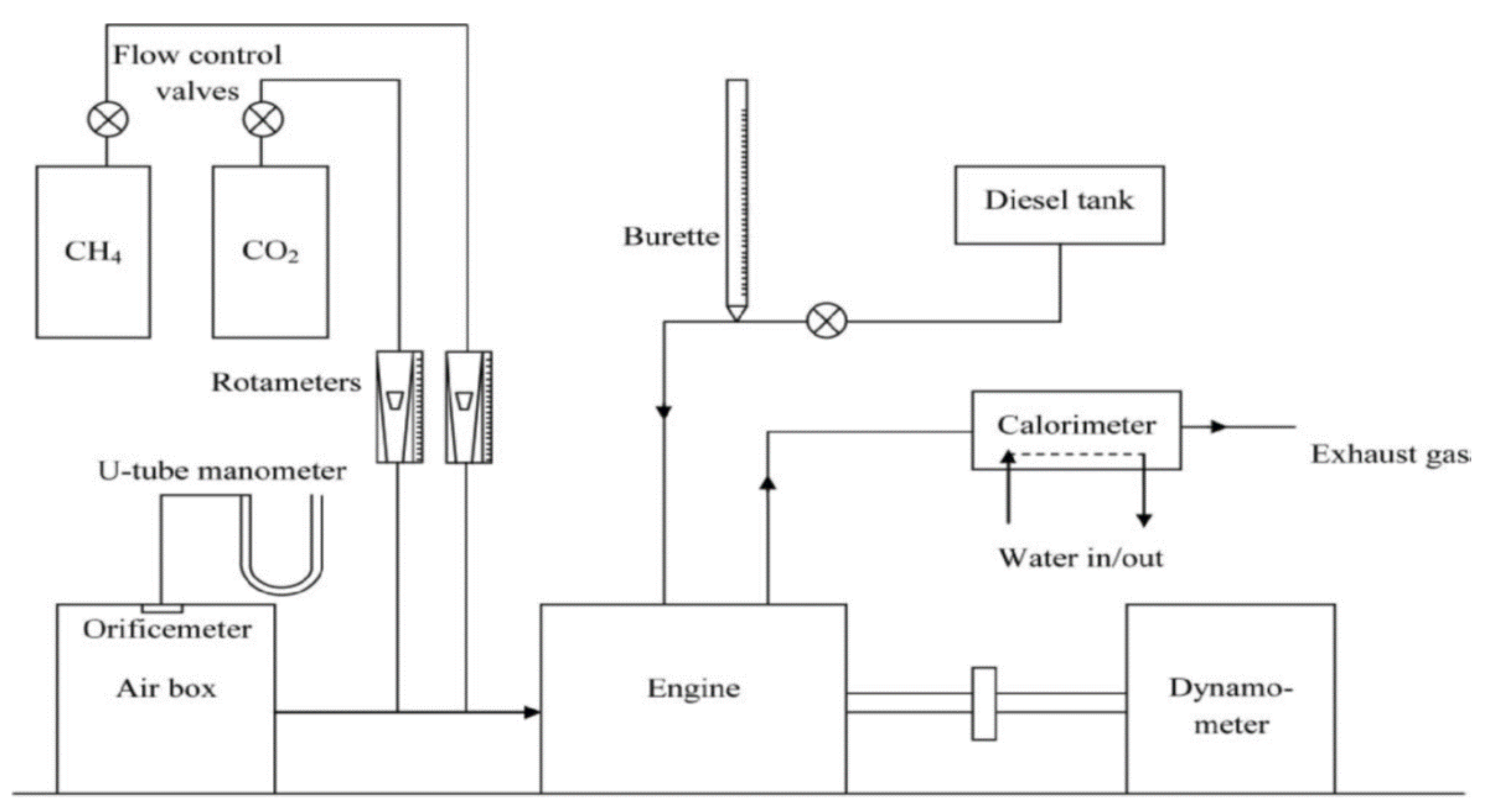
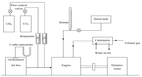
2.3. Experimental Setup
2.4. Methodology
3. Results & Discussion
3.1. Brake Thermal Efficiency (BTE)
3.2. NOx Emission
3.3. Smoke Emission
3.4. HC Emission
3.5. CO Emission
3.6. Combustion Characteristics
4. Conclusions
- Addition of biodiesel (B20) showed more than 5% improvement in brake thermal efficiency. Purified biogas (100% methane) showed lower efficiency compared to raw biogas (60% methane). Biogas with 8 lpm flow rate with B20 showed substantially better BTE (32.39%) at high load. Increase in biogas flow rate reduced liquid fuel consumption and lead to improper combustion at low loads.
- Addition of biodiesel in diesel reduced HC, CO and NOx emissions. B20 exhibits better emissions compared to B10 and B30. B20 dominated in portraying lower values of HC (14 ppm) and CO emissions (0.061%).
- Dual fuel mode showed high HC and CO emissions. Biodiesel-blended pilot fuel reduces HC and CO emissions due to better combustion.
- Huge reduction in NOx emissions is possible in the dual fuel mode. More than 50% reduction is possible through the addition of biogas at high load.
Author Contributions
Funding
Institutional Review Board Statement
Informed Consent Statement
Data Availability Statement
Conflicts of Interest
References
- Government of India. Annual Reports 2017–2018, Ministry of Petroleum and Natural Gas; Government of India: New Delhi, India, 2018.
- Srivastava, A.; Prasad, R. Triglycerides-based diesel fuels. Renew. Sustain. Energy Rev. 2000, 4, 111–133. [Google Scholar]
- Schuchardt, U.; Sercheli, R.; Vargas, R.M. Transesterification of vegetable oils: A review. J. Braz. Chem. Soc. 1998, 9, 199–210. [Google Scholar] [CrossRef] [Green Version]
- Puhan, S.; Vedaraman, N.; Ram, B.V.; Sankarnarayanan, G.; Jeychandran, K. Mahua oil (Madhuca Indica seed oil) methyl ester as biodiesel-preparation and emission characteristics. Biomass Bioenergy 2005, 28, 87–93. [Google Scholar]
- Islam, A.K.M.A.; Primandari, S.R.P.; Yaakob, Z. Non-edible vegetable oils as renewable resources for biodiesel production: South-east Asia perspective. In Advances in Biofuels and Bioenergy; IntechOpen: London, UK, 2018. [Google Scholar]
- Azam, M.M.; Waris, A.; Nahar, N.M. Prospects and potential of fatty acid methyl esters of some non-traditional seed oils for use as biodiesel in India. Biomass Bioenergy 2005, 29, 293–302. [Google Scholar]
- Jyothi, U.S.; Reddy, V.V.K. Effect of Piston Bowl Geometry on Performance and Emissions with Mahua Biodiesel Blend (No. 2018-28-0057); SAE Technical Paper; Society of Automotive Engineers (SAE): Varrendale, PA, USA, 2018; p. 6. [Google Scholar]
- Patel, A.J.; Shah, H.A. April Effect of brake power on emission for different blending ratio of Mahua biodiesel in diesel engine. In Proceedings of the 2013 International Conference on Energy Efficient Technologies for Sustainability, Nagercoil, India, 10–12 April 2013; pp. 678–681. [Google Scholar]
- Acharya, N.; Nanda, P.; Panda, S.; Acharya, S. A comparative study of stability characteristics of mahua and jatropha biodiesel and their blends. J. King Saud Univ.-Eng. Sci. 2019, 31, 184–190. [Google Scholar]
- Aalam, C.S.; Saravanan, C.G. Effects of nano metal oxide blended Mahua biodiesel on CRDI diesel engine. Ain Shams Eng. J. 2017, 8, 689–696. [Google Scholar]
- Feroskhan, M.; Ismail, S. Investigation of the effects of biogas composition on the performance of a biogas-diesel dual fuel CI engine. Biofuels 2016, 7, 593–601. [Google Scholar]
- Feroskhan, M.; Ismail, S.; Kumar, A.; Kumar, V.; Aftab, S.K. Investigation of the effects of biogas flow rate and cerium oxide addition on the performance of a dual fuel CI engine. Biofuels 2017, 8, 197–205. [Google Scholar]
- Kapilan, N.; Babu, T.; Reddy, R. Performance characteristics of a dual fuel engine operated with mahua biodiesel and liquefied petroleum gas. ASTM Special Technical Publication 2011, 1477, 312–327. [Google Scholar]
- Aklouche, F.Z.; Loubar, K.; Bentebbiche, A.; Awad, S.; Tazerout, M. Experimental investigation of the equivalence ratio influence on combustion, performance and exhaust emissions of a dual fuel diesel engine operating on synthetic biogas fuel. Energy Convers. Manag. 2017, 152, 291–299. [Google Scholar] [CrossRef] [Green Version]
- Nalgundwar, A.; Paul, B.; Sharma, S.K. Comparison of performance and emissions characteristics of DI CI engine fueled with dual biodiesel blends of palm and jatropha. Fuel 2016, 173, 172–179. [Google Scholar] [CrossRef]
- Gawale, G.R.; Srinivasulu, G.N. Experimental investigation of ethanol/diesel and ethanol/biodiesel on dual fuel mode HCCI engine for different engine load conditions. Fuel 2020, 263, 116725. [Google Scholar] [CrossRef]
- Nema, V.K.; Singh, A. Emission reduction in a dual blend biodiesel fuelled CI engine using nano-fuel additives. Mater. Today Proc. 2018, 5, 20754–20759. [Google Scholar] [CrossRef]
- Kumar, S.; Kumar, S.; Kumar, A.; Maurya, S.; Deswal, V. Experimental investigation of the influence of blending on engine emissions of the diesel engine fueled by mahua biodiesel oil. Energy Sources Part A Recovery Util. Environ. Eff. 2018, 40, 994–998. [Google Scholar] [CrossRef]
- Banapurmath, N.R.; Budzianowski, W.M.; Basavarajappa, Y.H.; Hosmath, R.S.; Yaliwal, V.S.; Tewari, P.G. Effects of compression ratio, swirl augmentation techniques and ethanol addition on the combustion of CNG–biodiesel in a dual-fuel engine. Int. J. Sustain. Eng. 2014, 7, 55–70. [Google Scholar] [CrossRef]
- Kumar, R.; Singh, M. Experimental investigation of performance and emission characteristics of DI CI engine with dual biodiesel blends of mexicana argemone and mahua. Mater. Today Proc. 2019, 16, 321–328. [Google Scholar] [CrossRef]
- Rahman, K.A.; Ramesh, A. Effect of reducing the methane concentration on the combustion and performance of a biogas diesel predominantly premixed charge compression ignition engine. Fuel 2017, 206, 117–132. [Google Scholar] [CrossRef]
- Ramesha, D.K.; Bangari, A.S.; Rathod, C.P.; Chaitanya, R.S. Combustion, performance and emissions characteristics of a biogas fuelled diesel engine with fish biodiesel as pilot fuel. Biofuels 2015, 6, 9–19. [Google Scholar] [CrossRef]
- Saravanan, A.; Murugan, M.; Reddy, M.S.; Parida, S. Performance and emission characteristics of variable compression ratio CI engine fueled with dual biodiesel blends of Rapeseed and Mahua. Fuel 2020, 263, 116751. [Google Scholar] [CrossRef]
- Hariharan, N.; Senthil, V.; Karthic, S.V.; Krishnamoorthi, M. Influence of hydrogen enrichment on the combustion, efficiency and emissions of dual fuel engine. Energy Sources Part A Recovery Util. Environ. Eff. 2019, 1–18. [Google Scholar]
- Kumar, M.S.; Nataraj, G.; Selvan, S.A. A comprehensive assessment on the effect of high octane fuels induction on engine’s combustion behaviour of a Mahua oil based dual fuel engine. Fuel 2017, 199, 176–184. [Google Scholar] [CrossRef]
- Rosha, P.; Amit, D.; Saroj, K.M. Influence of gaseous fuel induction on the various engine characteristics of a dual fuel compression ignition engine: A review. Renew. Sustain. Energy Rev. 2018, 82, 3333–3349. [Google Scholar] [CrossRef]
- Jin, S.; Li, J.; Deng, L.; Wu, B. Effect of the HPDI and PPCI Combustion Modes of Direct-Injection Natural Gas Engine on Combustion and Emissions. Energies 2021, 14, 1957. [Google Scholar] [CrossRef]
- Shamun, S.; Belgiorno, G.; Blasio, G.D. Engine parameters assessment for alcohols fuels application in compression ignition engines. In Alternative Fuels and Their Utilization Strategies in Internal Combustion Engines; Springer: Singapore, 2020; pp. 125–139. [Google Scholar]
- Karczewski, M.; Chojnowski, J.; Szamrej, G. A Review of Low-CO2 Emission Fuels for a Dual-Fuel RCCI Engine. Energies 2021, 14, 5067. [Google Scholar] [CrossRef]
- Jamrozik, A.; Tutak, W.; Gnatowska, R.; Nowak, Ł. Comparative analysis of the combustion stability of diesel-methanol and diesel-ethanol in a dual fuel engine. Energies 2019, 12, 971. [Google Scholar] [CrossRef] [Green Version]
- Mofijur, M.; Hasan, M.M.; Mahlia, T.M.I.; Rahman, S.M.; Silitonga, A.S.; Ong, H.C. Performance and emission parameters of homogeneous charge compression ignition (HCCI) engine: A review. Energies 2019, 12, 3557. [Google Scholar] [CrossRef] [Green Version]
- Piechota, G. Removal of siloxanes from biogas upgraded to biomethane by Cryogenic Temperature Condensation System. J. Clean. Prod. 2021, 308, 127404. [Google Scholar] [CrossRef]
- Bai, M.T.; Swarna, U.; Raju, C.A.; Sridevi, V. Production of methyl ester from mahua oil: Characterization and optimization by using RSM. Mater. Today Proc. 2021, 44, 1609–1616. [Google Scholar]
- Giakoumis, E.G.; Sarakatsanis, C.K. Estimation of biodiesel cetane number, density, kinematic viscosity and heating values from its fatty acid weight composition. Fuel 2018, 222, 574–585. [Google Scholar] [CrossRef]
- Oliveira, L.E.; Da Silva, M.L.C.P. Comparative study of calorific value of rapeseed, soybean, jatropha curcas and crambe biodiesel. Renew. Energy Power Qual. J. 2013, 1, 679–682. [Google Scholar] [CrossRef]
- Moffat, R.J. Describing the uncertainties in experimental results. Exp. Therm. Fluid Sci. 1988, 1, 3–17. [Google Scholar] [CrossRef] [Green Version]
- Patel, T.; Dubey, A.; Feroskhan, M. Investigation on the effect of intake air pressure in a biogas-diesel fueled dual-fuel engine. Energy Sources Part A: Recovery Util. Environ. Eff. 2020, 1–17. Energy Sources Part A: Recovery Util. Environ. Eff. 2020, 1–17. [Google Scholar]







| S No. | Properties | Pure Diesel | B10 | B20 | B30 |
|---|---|---|---|---|---|
| 1 | Flash point (°C) | 49 | 67 | 71 | 75 |
| 2 | Fire point (°C) | 51 | 74 | 76 | 79 |
| 3 | Cloud point (°C) | 5 | 5 | 5 | 4 |
| 4 | Pour point (°C) | −38 | −4 | −5 | −6 |
| 5 | Density (kg/m3) | 833 | 847 | 852 | 856 |
| 6 | Kinematic viscosity (mm2/s @ 40 °C) | 3.3 | 3.8 | 3.9 | 4.1 |
| 7 | Calorific value (kJ/kg) | 40,600 | 39,368 | 37,288 | 35,640 |
| 8 | Carbon residue (%) | 0.3 | 0.33 | 0.45 | 0.48 |
| Intake Condition | Level 1 | Level 2 | Level 3 | Level 4 |
|---|---|---|---|---|
| Biodiesel blend | B0 (Diesel) | B10 | B20 | B30 |
| Biogas flow rate (lpm) | 0 | 8 | 12 | - |
| Methane fraction (%) | 60 | 100 | - | - |
| Torque (N-m) | 5 | 10 | 15 | 20 |
Publisher’s Note: MDPI stays neutral with regard to jurisdictional claims in published maps and institutional affiliations. |
© 2022 by the authors. Licensee MDPI, Basel, Switzerland. This article is an open access article distributed under the terms and conditions of the Creative Commons Attribution (CC BY) license (https://creativecommons.org/licenses/by/4.0/).
Share and Cite
Kshatriya, A.S.; Tiwari, P.; M, S.; Yunus Khan, T.M.; Abdul Khadar, S.D.; Mansour, M.; M, F. Investigations into the Combined Effect of Mahua Biodiesel Blends and Biogas in a Dual Fuel Engine. Energies 2022, 15, 2057. https://doi.org/10.3390/en15062057
Kshatriya AS, Tiwari P, M S, Yunus Khan TM, Abdul Khadar SD, Mansour M, M F. Investigations into the Combined Effect of Mahua Biodiesel Blends and Biogas in a Dual Fuel Engine. Energies. 2022; 15(6):2057. https://doi.org/10.3390/en15062057
Chicago/Turabian StyleKshatriya, Anmol Singh, Prabhatkumar Tiwari, Sreekanth M, T. M. Yunus Khan, Shaik Dawood Abdul Khadar, Mohamed Mansour, and Feroskhan M. 2022. "Investigations into the Combined Effect of Mahua Biodiesel Blends and Biogas in a Dual Fuel Engine" Energies 15, no. 6: 2057. https://doi.org/10.3390/en15062057
APA StyleKshatriya, A. S., Tiwari, P., M, S., Yunus Khan, T. M., Abdul Khadar, S. D., Mansour, M., & M, F. (2022). Investigations into the Combined Effect of Mahua Biodiesel Blends and Biogas in a Dual Fuel Engine. Energies, 15(6), 2057. https://doi.org/10.3390/en15062057

