Design and Control of Three-Phase Power System with Wind Power Using Unified Power Quality Conditioner
Abstract
:1. Introduction
2. Materials and Methods
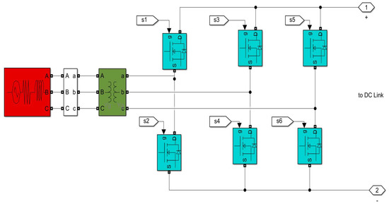
2.1. Series and Shunt Inverters
2.2. DC Link Rectifier
3. Generating References
3.1. Series Inverter Controller
3.2. Shunt Inverter Controller
3.3. DC Link Control System
4. Transistor Pulsing Systems
5. Wind-Turbine-Generated Power
6. Simulation Results for Case Study
- Non-linear load on the grid side.
- Non-linear load connected in parallel with the sensitive load.
- Phase to ground fault.
- All the above with different values of wind speed.
- Using pulse-width modulation and hysteresis band techniques for pulsing transistors [32].
6.1. Non-Linear Load on Grid Side
6.1.1. Using Hysteresis Technique
6.1.2. Using PWM Technique
6.2. Non-Linear Load on Load Side
6.2.1. Using Hysteresis Technique
6.2.2. Using PWM Technique
7. Results Discussion
- Voltage amplitude
- 2.
- Voltage THD
- 3.
- Current THD
- 4.
- DC Link voltage
8. Conclusions
Author Contributions
Funding
Institutional Review Board Statement
Informed Consent Statement
Data Availability Statement
Conflicts of Interest
Abbreviations
| UPQC | Unified power quality conditioner |
| PWM | Pulse-width modulation |
| PI | Proportional integral |
| PID | Proportional integral divertive |
| PCC | Point of common connection |
| PQ | Power quality |
| PLL | Phase-locked-loop |
References
- Lakshmi, G.S.; Rubanenko, O.; Divya, G.; Lavanya, V. Distribution energy generation using renewable energy sources. In Proceedings of the 2020 IEEE India Council International Subsections Conference (INDISCON), Virtual, 3–4 October 2020; pp. 108–113. [Google Scholar]
- Adeagbo, A.P.; Ariyo, F.K.; Makinde, K.A.; Salimon, S.A.; Adewuyi, O.B.; Akinde, O.K. Integration of Solar Photovoltaic Distributed Generators in Distribution Networks Based on Site’s Condition. Solar 2022, 2, 52–63. [Google Scholar] [CrossRef]
- Ganthia, B.P.; Barik, S.; Nayak, B. Application of hybrid facts devices in DFIG based wind energy system for LVRT capability enhancements. J. Mech. Cont. Math. Sci. 2020, 15, 245–256. [Google Scholar]
- Dhua, D.; Yang, G.; Zhang, Z.; Kocewiak, Ł.H.; Timofejevs, A. Harmonic active filtering and impedance-based stability analysis in offshore wind power plants. In Proceedings of the 16th Wind Integration Workshop, Hague, The Netherlands, 12–14 October 2017; pp. 1–8. [Google Scholar]
- Pinto, A.C.; dos Santos Neto, P.J.; Pereira, F.C. Passive Filters Applied to a Small Wind Turbine Based System. IEEE Lat. Am. Trans. 2016, 14, 3291–3298. [Google Scholar] [CrossRef]
- Hasan, K.M.; Rauma, K.; Luna, A.; Candela, J.I.; Rodriguez, P. Harmonic resonance damping in wind power plant. In Proceedings of the 2012 IEEE Energy Conversion Congress and Exposition (ECCE), Raleigh, NC, USA, 15–20 September 2012; pp. 2067–2074. [Google Scholar]
- Singh, A.; Baredar, P. Power quality analysis of shunt active power filter based on renewable energy source. In Proceedings of the 2014 International Conference on Advances in Engineering & Technology Research (ICAETR-2014), Kanpur, India, 1–2 August 2014; pp. 1–5. [Google Scholar]
- Ramya, P.; Arpitha, C.N. Reduction of THD in power system using generalized UPQC. Int. J. Electr. Electron. Eng. Telecommun. 2013, 4, 47–56. [Google Scholar]
- Matlani, D.M.; Solanki, M.D. UPQC: An Exhaustive Solution to Improve Power Quality. In Proceedings of the 2020 4th International Conference on Electronics, Communication and Aerospace Technology (ICECA), Coimbatore, India, 5–7 November 2020; pp. 416–421. [Google Scholar]
- Gupta, A.; Rai, V. Integration of Unified Power Quality Conditioner (Upqc) With Smart Grid. Int. J. LNCT 2020, 4, 6–15. [Google Scholar]
- Karelia, N.D.; Pandya, V.J. Distributed generation and role of upqc–dg in meeting power quality criteria–a review. Procedia Technol. 2015, 21, 520–525. [Google Scholar] [CrossRef]
- Kumar, C.P.; Pragaspathy, S.; Karthikeyan, V.; Prakash, K.D. Power quality improvement for a hybrid renewable farm using UPQC. In Proceedings of the 2021 International Conference on Artificial Intelligence and Smart Systems (ICAIS), Coimbatore, India, 25–27 March 2021; pp. 1483–1488. [Google Scholar]
- Kesler, M.; Ozdemir, E. Synchronous-reference-frame-based control method for UPQC under unbalanced and distorted load conditions. IEEE Trans. Ind. Electron. 2010, 58, 3967–3975. [Google Scholar] [CrossRef]
- Rajarajan, R.; Prakash, R. Mitigation of voltage sags and stability analysis of distribution system based on upqc using substantial transformation intrinsic algorithm (STIA). J. Crit. Rev. 2019, 7, 2020. [Google Scholar]
- Reddy, C.R.; Goud, B.S.; Aymen, F.; Rao, G.S.; Bortoni, E.C. Power quality improvement in HRES grid connected system with FOPID based atom search optimization technique. Energies 2021, 14, 5812. [Google Scholar] [CrossRef]
- Szromba, A. The unified power quality conditioner control method based on the equivalent conductance signals of the compensated Load. Energies 2020, 13, 6298. [Google Scholar] [CrossRef]
- Patnaik, N.; Pandey, R.; Satish, R.; Surakasi, B.; Abdelaziz, A.Y.; El-Shahat, A. Single-Phase Universal Power Compensator with an Equal VAR Sharing Approach. Energies 2022, 15, 3769. [Google Scholar] [CrossRef]
- Hussain, J.; Hussain, M.; Raza, S.; Siddique, M. Power quality improvement of grid connected wind energy system using DSTATCOM-BESS. Int. J. Renew. Energy Res. 2019, 9, 1388–1397. [Google Scholar]
- Kenjrawy, H.; Makdisie, C.; Houssamo, I.; Mohammed, N. New Modulation Technique in Smart Grid Interfaced Multilevel UPQC-PV Controlled via Fuzzy Logic Controller. Electronics 2022, 11, 919. [Google Scholar] [CrossRef]
- Bouzelata, Y.; Kurt, E.; Chenni, R.; Altın, N. Design and simulation of a unified power quality conditioner fed by solar energy. Int. J. Hydrog. Energy 2015, 40, 15267–15277. [Google Scholar] [CrossRef]
- Muhammad, F.; Rasheed, H.; Ali, I.; Alroobaea, R.; Binmahfoudh, A. Design and Control of Modular Multilevel Converter for Voltage Sag Mitigation. Energies 2022, 15, 1681. [Google Scholar] [CrossRef]
- Goud, B.S.; Reddy, C.R.; Bajaj, M.; Elattar, E.E.; Kamel, S. Power Quality Improvement Using Distributed Power Flow Controller with BWO-Based FOPID Controller. Sustainability 2021, 13, 11194. [Google Scholar] [CrossRef]
- Raju, G.J. Hysteresis Control of a Unified Power Quality Conditioner for Current And Voltage Perturbations Compensation In A Power Distribution Network. Int. J. Eng. Res. Technol. 2013, 2, 2010–2015. [Google Scholar]
- Muthuvel, K.; Vijayakumar MSolar, P.V. sustained quasi Z-source network-based unified power quality conditioner for enhancement of power quality. Energies 2020, 13, 2657. [Google Scholar] [CrossRef]
- Remigio-Carmona, P.; González-de-la-Rosa, J.J.; Florencias-Oliveros, O.; Sierra-Fernández, J.M.; Fernández-Morales, J.; Espinosa-Gavira, M.J.; Palomares-Salas, J.C. Current Status and Future Trends of Power Quality Analysis. Energies 2022, 15, 2328. [Google Scholar] [CrossRef]
- Reddy, C.R.; Reddy, A.S.; Kumar, C.N.; Ahmed, M.I.; Reddy, D.R.; Goud, B.S.; Aymen, F. Power Quality Improvement in Integrated System using Inductive UPQC. Int. J. Renew. Energy Res. 2021, 11, 566–576. [Google Scholar]
- Kalla, U.K.; Kaushik, H.; Singh, B.; Kumar, S. Adaptive control of voltage source converter based scheme for power quality improved grid-interactive solar PV–battery system. IEEE Trans. Ind. Appl. 2019, 56, 787–799. [Google Scholar] [CrossRef]
- Bueno-Contreras, H.; Ramos, G.A.; Costa-Castelló, R. Power Quality Improvement through a UPQC and a Resonant Observer-Based MIMO Control Strategy. Energies 2021, 14, 6938. [Google Scholar] [CrossRef]
- Yousuf, S.M.; Arthi, S. Reactive Power Improvement in Wind Farm by Using UPQC. Int. J. Sci. Res. 2014, 3, 403–408. [Google Scholar]
- Farias, M.F.; Battaiotto, P.E.; Cendoya, M.G. Wind farm to weak-grid connection using UPQC custom power device. In Proceedings of the 2010 IEEE International Conference on Industrial Technology, Viña del Mar, Chile, 4–17 March 2010; pp. 1745–1750. [Google Scholar]
- Viji, A.J.; Balasubramaniyan, D.S. Comparative Analysis of UPQC With Various Hysteresis Current Controllers. Int. J. Electr. Eng. Technol. 2020, 11, 392–403. [Google Scholar] [CrossRef]
- Modesto, R.A.; da Silva, S.A.O.; de Oliveira, A.A.; Bacon, V.D. A versatile unified power quality conditioner applied to three-phase four-wire distribution systems using a dual control strategy. IEEE Trans. Power Electron. 2015, 31, 5503–5514. [Google Scholar] [CrossRef]


























| Power Quality Problems | Wind | Solar | Hydro | Diesel |
|---|---|---|---|---|
| Current Harmonics | x | x | x | |
| Voltage Sag/swell | x | x | ||
| Voltage Harmonics | x | x | x | |
| Flicker | x | x | x | |
| Voltage Unbalance | x | |||
| Over/Under voltage | x | x | ||
| Interruption | x | x | ||
| Voltage Transient | x |
| Case | THD% on Grid Side | THD% on Load Side | |
|---|---|---|---|
| Non-linear load on grid side | Hysteresis | 8–10 | 4.9 |
| PWM | 6–8 | 4.9 | |
| Non-linear load on load side | Hysteresis | 4–6 | 4.8 |
| PWM | 4.5–7.5 | 4.8 |
| Research Number | Voltage THD% | Comment |
|---|---|---|
| Proposed method | 4.9 | 150 KW grid-connected WT with non-linear load, variable wind speed, and phase to ground fault |
| [5] | 5.84 | Passive filter with variable wind speed |
| [13] | 4.5 | under unbalanced load and without RES |
| [14] | 10.3 | PI controller |
| [14] | 7.5 | PID controller |
| Case | THD% on Load Side Current | |
|---|---|---|
| Non-linear load on grid side | Hysteresis | 4.1 |
| PWM | 4.5 | |
| Non-linear load on load side | Hysteresis | 4.55 |
| PWM | 4.5 |
| Research Number | Current THD% | Comment |
|---|---|---|
| Proposed method | 4.55 | 150 KW grid-connected WT with non-linear load, variable wind speed, and phase to ground fault |
| [4] | 7.44 | Four grid-connected wind turbines |
| [4] | 15.95 | One grid-connected wind turbine |
| [5] | 11.42 | Passive filter with variable wind speed |
| [7] | 4.85 | Using fuzzy logic controller |
| [8] | 3.54 | With 60 W PV panel |
| [13] | 3.5 | Single-phase system that is connected to the utility grid. |
Publisher’s Note: MDPI stays neutral with regard to jurisdictional claims in published maps and institutional affiliations. |
© 2022 by the authors. Licensee MDPI, Basel, Switzerland. This article is an open access article distributed under the terms and conditions of the Creative Commons Attribution (CC BY) license (https://creativecommons.org/licenses/by/4.0/).
Share and Cite
Mahdi, D.I.; Gorel, G. Design and Control of Three-Phase Power System with Wind Power Using Unified Power Quality Conditioner. Energies 2022, 15, 7074. https://doi.org/10.3390/en15197074
Mahdi DI, Gorel G. Design and Control of Three-Phase Power System with Wind Power Using Unified Power Quality Conditioner. Energies. 2022; 15(19):7074. https://doi.org/10.3390/en15197074
Chicago/Turabian StyleMahdi, Dheyaa Ied, and Goksu Gorel. 2022. "Design and Control of Three-Phase Power System with Wind Power Using Unified Power Quality Conditioner" Energies 15, no. 19: 7074. https://doi.org/10.3390/en15197074
APA StyleMahdi, D. I., & Gorel, G. (2022). Design and Control of Three-Phase Power System with Wind Power Using Unified Power Quality Conditioner. Energies, 15(19), 7074. https://doi.org/10.3390/en15197074

