Quasi-Zero Stiffness-Based Synchronous Vibration Isolation and Energy Harvesting: A Comprehensive Review
Abstract
1. Introduction
2. Description of QZS Development
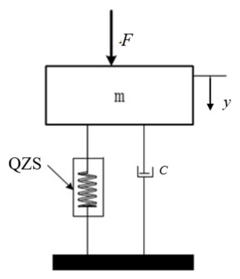
2.1. Basic Principle of QZS
2.2. Development of QZS-Based Vibration Isolation
3. Classification of QZS-Based Vibration Isolation Structures
3.1. Classical Structures with Positive and Negative Stiffness
3.2. Negative-Stiffness Structures with Active Control
3.3. Geometrically Nonlinear Structures
3.4. Multi-Direction/Multi-Degree-of-Freedom QZS Structures
4. Current Progress of QZS-Based SVIEH
4.1. QZS-Based Electromagnetic SVIEH
4.2. QZS-Based Piezoelectric SVIEH
4.3. QZS-Based Hybrid SVIEH
5. Key Challenges of QZS-Based SVIEH
5.1. Improve Energy Harvesting/Weight Ratio
5.2. Potential Instability
5.3. Multi-Stable Phenomenon Due to Nonlinear Negative Stiffness
5.4. Small Range of QZS
5.5. Limited Implementation Method
6. Future Trend
6.1. Nonlinear Positive Stiffness Compensation
6.2. QZS Molecular Spring
6.3. QZS-Based SVIEH Using New Material
6.4. The Effects of External Circuit Parameters
6.5. QZS-Based SVIEH Double Optimization
7. Conclusions
Author Contributions
Funding
Data Availability Statement
Conflicts of Interest
References
- Yang, T.; Zhou, S.; Fang, S. Nonlinear vibration energy harvesting and vibration suppression technologies: Designs, analysis, and applications. Appl. Phys. Rev. 2021, 8, 031317. [Google Scholar] [CrossRef]
- Cao, D.; Guo, X.; Hu, W. A novel low-frequency broadband piezoelectric energy harvester combined with a negative stiffness vibration isolator. J. Intell. Mater. Syst. Struct. 2019, 30, 1105–1114. [Google Scholar] [CrossRef]
- Yang, T.; Cao, Q.; Hao, Z. A novel nonlinear mechanical oscillator and its application in vibration isolation and energy harvesting. Mech. Syst. Signal Process. 2021, 155, 107636. [Google Scholar] [CrossRef]
- Wang, Q.; Zhou, J.; Xu, D. Design and experimental investigation of ultra-low frequency vibration isolation during neonatal transport. Mech. Syst. Signal Process. 2020, 139, 106633. [Google Scholar] [CrossRef]
- Ye, K.; Ji, J.C.; Brown, T. Design of a quasi-zero stiffness isolation system for supporting different loads. Sound Vib. 2020, 471, 115198. [Google Scholar] [CrossRef]
- Wang, K.; Zhou, J.; Ouyang, H. A semi-active metamaterial beam with electromagnetic quasi-zero-stiffness resonators for ultralow-frequency bandgap tuning. Int. J. Mech. Sci. 2020, 176, 105548. [Google Scholar] [CrossRef]
- Priya, S.; Inman, D.J. Energy Harvesting Technologies; Springer: New York, NY, USA, 2009. [Google Scholar]
- Zhou, S.; Cao, J.; Erturk, A.; Lin, J. Enhanced broadband piezoelectric energy harvesting using rotatable magnets. Appl. Phys. Lett. 2013, 102, 173901. [Google Scholar] [CrossRef]
- Yan, Z.; Sun, W.; Tan, T. Nonlinear analysis of galloping piezoelectric energy harvesters with inductive-resistive circuits for boundaries of analytical solutions, Commun. Nonlinear Sci. Numer. Simul. 2018, 62, 90–116. [Google Scholar] [CrossRef]
- Margielewicz, J.; Gąska, D.; Litak, G. Nonlinear dynamics of a new energy harvesting system with quasi-zero stiffness. Appl. Energy 2022, 307, 118159. [Google Scholar] [CrossRef]
- Barton, D.A.W.; Burrow, S.G.; Clare, L.R. Energy harvesting from vibrations with a nonlinear oscillator. J. Vib. Acoust. 2010, 132, 021009. [Google Scholar] [CrossRef]
- Abolfathi, A.; Brennan, M.J.; Waters, T.P. On the effects of mistuning a force-excited system containing a quasi-zero-stiffness vibration isolator. J. Vib. Acoust. 2015, 137, 044502. [Google Scholar] [CrossRef]
- Li, S.; Feng, G.; Zhao, Q. Design and research of semiactive quasi-zero stiffness vibration isolation system for vehicles. Shock Vib. 2021, 2021, 5529509. [Google Scholar] [CrossRef]
- Davis, R.B.; McDowell, M.D. Combined Euler column vibration isolation and energy harvesting. Smart Mater. Struct. 2017, 26, 055001. [Google Scholar] [CrossRef]
- Cobb, R.G.; Sullivan, J.M.; Das, A.; Davis, L.P.; Hyde, T.T.; Davis, T.; Rahman, Z.H.; Spanos, J.T. Vibration isolation and suppression system for precision payloads in space. Smart Mater. Struct. 1999, 8, 798. [Google Scholar] [CrossRef]
- Virgin, L.N.; Santillan, S.T.; Plaut, R.H. Vibration isolation using extreme geometric nonlinearity. J. Sound Vib. 2008, 315, 721–731. [Google Scholar] [CrossRef]
- Thakadu, K.; Li, K. A Passive Vibration Isolator Integrated a Dynamic Vibration Absorber with Negative Stiffness Spring. J. Vib. Eng. Technol. 2022, 10, 71–82. [Google Scholar] [CrossRef]
- Valeev, A.; Kharisov, S. Application of vibration isolators with a low stiffness for the strongly vibrating equipment. Procedia Eng. 2016, 150, 641–646. [Google Scholar] [CrossRef]
- Anvar, V.; Alexey, Z.; Artem, T. Study of application of vibration isolators with quasi-zero stiffness for reducing dynamics loads on the foundation. Procedia Eng. 2017, 176, 137–143. [Google Scholar] [CrossRef]
- Ali, S.; Ramaswamy, A. Testing and modeling of MR damper and its application to SDOF systems using integral backstepping technique. J. Dyn. Syst. Meas. Control 2009, 131, 021009. [Google Scholar] [CrossRef]
- Lee, C.T.; Moon, B.Y. Simulation and experimental validation of vehicle dynamic characteristics for displacement-sensitive shock absorber using fluid-flow modelling. Mech. Syst. Signal Process. 2006, 20, 373–388. [Google Scholar] [CrossRef]
- Nie, S.; Zhuang, Y.; Wang, Y. Velocity & displacement-dependent damper: A novel passive shock absorber inspired by the semi-active control. Mech. Syst. Signal Process. 2018, 99, 730–746. [Google Scholar]
- Konieczny, Ł. Analysis of simplifications applied in vibration damping modelling for a passive car shock absorber. Shock Vib. 2016, 2016, 6182847. [Google Scholar] [CrossRef]
- Xu, T.; Liang, M.; Li, C. Design and analysis of a shock absorber with variable moment of inertia for passive vehicle suspensions. J. Sound Vib. 2015, 355, 66–85. [Google Scholar] [CrossRef]
- Bazinenkov, A.M.; Mikhailov, V.P. Active and semi active vibration isolation systems based on magnetorheological materials. Procedia Eng. 2015, 106, 170–174. [Google Scholar] [CrossRef]
- Choi, S.B.; Lee, H.K.; Chang, E.G. Field test results of a semi-active ER suspension system associated with skyhook controller. Mechatronics 2001, 11, 345–353. [Google Scholar] [CrossRef]
- Valášek, M.; Novak, M.; Šika, Z. Extended ground-hook-new concept of semi-active control of truck’s suspension. Veh. Syst. Dyn. 1997, 27, 289–303. [Google Scholar] [CrossRef]
- Kamaruzaman, N.A.; Robertson, W.S.P.; Ghayesh, M.H. Vibration Isolation Performance of an LQR-Stabilised Planar Quasi-zero Stiffness Magnetic Levitation System. In Vibration Engineering for a Sustainable Future; Springer: Cham, Switzerland, 2021; pp. 237–243. [Google Scholar]
- Zhang, Q.; Yang, Z.; Wang, C. Intelligent control of active shock absorber for high-speed elevator car. Proc. Inst. Mech. Eng. Part C J. Mech. Eng. Sci. 2019, 233, 3804–3815. [Google Scholar] [CrossRef]
- Ebrahimi, B.; Bolandhemmat, H.; Khamesee, M.B. A hybrid electromagnetic shock absorber for active vehicle suspension systems. Veh. Syst. Dyn. 2011, 49, 311–332. [Google Scholar] [CrossRef]
- Zheng, P.; Wang, R.; Gao, J. A comprehensive review on regenerative shock absorber systems. J. Vib. Eng. Technol. 2020, 8, 225–246. [Google Scholar] [CrossRef]
- Brennan, M.J.; Tang, B.; Melo, G.P. An investigation into the simultaneous use of a resonator as an energy harvester and a vibration absorber. J. Sound Vib. 2014, 333, 1331–1343. [Google Scholar] [CrossRef]
- Li, Y.; Baker, E.; Reissman, T. Design of mechanical metamaterials for simultaneous vibration isolation and energy harvesting. Appl. Phys. Lett. 2017, 111, 251903. [Google Scholar] [CrossRef]
- Mofidian, S.M.M.; Bardaweel, H. A dual-purpose vibration isolator energy harvester: Experiment and model. Mech. Syst. Signal Process. 2019, 118, 360–376. [Google Scholar] [CrossRef]
- Satpute, N.; Iwaniec, M.; Narina, R. Energy harvesting shock absorber with linear generator and mechanical motion amplification. Vib. Phys. Syst. 2020, 31, 2020104-1–2020104-8. [Google Scholar]
- Shen, W.; Zhu, S.; Zhu, H. Experimental study on using electromagnetic devices on bridge stay cables for simultaneous energy harvesting and vibration damping. Smart Mater. Struct. 2016, 25, 065011. [Google Scholar] [CrossRef]
- Dalela, S.; Balaji, P.S.; Jena, D.P. A review on application of mechanical metamaterials for vibration control. Mech. Adv. Mater. Struct. 2022, 29, 3237–3262. [Google Scholar] [CrossRef]
- Zou, D.; Liu, G.; Rao, Z. A device capable of customizing nonlinear forces for vibration energy harvesting, vibration isolation, and nonlinear energy sink. Mech. Syst. Signal Process. 2021, 147, 107101. [Google Scholar] [CrossRef]
- Wang, K.; Zhou, J.; Ouyang, H. A dual quasi-zero-stiffness sliding-mode triboelectric nanogenerator for harvesting ultralow-low frequency vibration energy. Mech. Syst. Signal Process. 2021, 151, 107368. [Google Scholar] [CrossRef]
- Woodard, S.E.; Housner, J.M. Nonlinear behavior of a passive zero-spring-rate suspension system. J. Guid. Control. Dyn. 1991, 14, 84–89. [Google Scholar] [CrossRef]
- Yan, G.; Zou, H.X.; Wang, S. Large stroke quasi-zero stiffness vibration isolator using three-link mechanism. J. Sound Vib. 2020, 478, 115344. [Google Scholar] [CrossRef]
- Gatti, G.; Shaw, A.D.; Gonçalves, P.J.P. On the detailed design of a quasi-zero stiffness device to assist in the realisation of a translational Lanchester damper. Mech. Syst. Signal Process. 2022, 164, 108258. [Google Scholar] [CrossRef]
- Wang, X.; Shi, Z.; Wang, J. A stack-based flex-compressive piezoelectric energy harvesting cell for large quasi-static loads. Smart Mater. Struct. 2016, 25, 055005. [Google Scholar] [CrossRef]
- Alabuzhev, P.M. Vibration Protection and Measuring Systems with Quasi-Zero Stiffness; CRC Press: Boca Raton, FL, USA, 1989. [Google Scholar]
- Trimboli, M.S.; Wimmel, R.; Breitbach, E.J. Quasi-active approach to vibration isolation using magnetic springs. In Smart Structures and Materials 1994, Passive Damping; SPIE: Bellingham, WA, USA, 1994; Volume 2193, pp. 73–83. [Google Scholar]
- Platus, D.L. Negative-stiffness-mechanism vibration isolation systems. In Vibration Control in Microelectronics, Optics, and Metrology; International Society for Optics and Photonics: Bellingham, WA, USA, 1992; Volume 1619, pp. 44–54. [Google Scholar]
- Mizuno, T.; Toumiya, T.; Takasaki, M. Vibration isolation system using negative stiffness. JSME Int. J. Ser. C Mech. Syst. Mach. Elem. Manuf. 2003, 46, 807–812. [Google Scholar] [CrossRef][Green Version]
- Lee, C.M.; Goverdovskiy, V.N.; Samoilenko, S.B. Prediction of non-chaotic motion of the elastic system with small stiffness. J. Sound Vib. 2004, 272, 643–655. [Google Scholar] [CrossRef]
- Lee, C.M.; Bogatchenkov, A.H.; Goverdovskiy, V.N. Position control of seat suspension with minimum stiffness. J. Sound Vib. 2006, 292, 435–442. [Google Scholar] [CrossRef]
- Carrella, A.; Brennan, M.J.; Waters, T.P. Static analysis of a passive vibration isolator with quasi-zero-stiffness characteristic. J. Sound Vib. 2007, 301, 678–689. [Google Scholar] [CrossRef]
- Kovacic, I.; Brennan, M.J.; Waters, T.P. A study of a nonlinear vibration isolator with a quasi-zero stiffness characteristic. J. Sound Vib. 2008, 315, 700–711. [Google Scholar] [CrossRef]
- Carrella, A.; Brennan, M.J.; Kovacic, I. On the force transmissibility of a vibration isolator with quasi-zero-stiffness. J. Sound Vib. 2009, 322, 707–717. [Google Scholar] [CrossRef]
- Peng, X.; Zhang, S.X. Nonlinear resonance response analysis of a kind of passive isolation system with quasi-zero stiffness. J. Hunan Univ. 2011, 38, 34–39. [Google Scholar]
- Niu, F.; Meng, L.S.; Wu, W.J. Recent advances in quasi-zero-stiffness vibration isolation systems. Appl. Mech. Mater. Trans. 2013, 397, 295–303. [Google Scholar] [CrossRef]
- Li, B.; Shuai, C.; Xu, W. Review on Low Frequency Control of Quasi-Zero Stiffness. In Proceedings of the 2021 13th International Conference on Computer and Automation Engineering (ICCAE), Melbourne, Australia, 20–22 March 2021; pp. 59–63. [Google Scholar]
- Le, T.D.; Ahn, K.K. Experimental investigation of a vibration isolation system using negative stiffness structure. Int. J. Mech. Sci. 2013, 70, 99–112. [Google Scholar] [CrossRef]
- Zhou, J.; Wang, K.; Xu, D. Vibration isolation in neonatal transport by using a quasi-zero-stiffness isolator. J. Vib. Control 2018, 24, 3278–3291. [Google Scholar] [CrossRef]
- Ding, H.; Ji, J.; Chen, L.Q. Nonlinear vibration isolation for fluid-conveying pipes using quasi-zero stiffness characteristics. Mech. Syst. Signal Process. 2019, 121, 675–688. [Google Scholar] [CrossRef]
- Attary, N.; Symans, M.; Nagarajaiah, S. Performance evaluation of negative stiffness devices for seismic response control of bridge structures via experimental shake table tests. J. Earthq. Eng. 2015, 19, 249–276. [Google Scholar] [CrossRef]
- Attary, N.; Symans, M.; Nagarajaiah, S. Numerical simulations of a highway bridge structure employing passive negative stiffness device for seismic protection. Earthq. Eng. Struct. Dyn. 2015, 44, 973–995. [Google Scholar] [CrossRef]
- Attary, N.; Symans, M.; Nagarajaiah, S. Performance assessment of a highway bridge structure employing adaptive negative stiffness for seismic protection. In Proceedings of the Structures Congress 2013, Bridging Your Passion with Your Profession, Pittsburgh, PA, USA, 2–4 May 2013; pp. 1736–1746. [Google Scholar]
- Ishida, S.; Suzuki, K.; Shimosaka, H. Design and experimental analysis of origami-inspired vibration isolator with quasi-zero-stiffness characteristic. J. Vib. Acoust. 2017, 139, 051004. [Google Scholar] [CrossRef]
- Burian, Y.A.; Silkov, M.V.; Trifonova, E.N. Support with quasi-zero stiffness effect for processing equipment. AIP Conf. Proc. 2019, 2141, 03006. [Google Scholar]
- Bouna, H.S.; Nbendjo, B.R.; Woafo, P. Isolation performance of a quasi-zero stiffness isolator in vibration isolation of a multi-span continuous beam bridge under pier base vibrating excitation. Nonlinear Dyn. 2020, 100, 1125–1141. [Google Scholar] [CrossRef]
- Liang, H.; Hao, G.; Olszewski, O.Z. A review on vibration-based piezoelectric energy harvesting from the aspect of compliant mechanisms. Sens. Actuators A Phys. 2021, 331, 112743. [Google Scholar] [CrossRef]
- Robertson, W.S.; Kidner, M.R.F.; Cazzolato, B.S. Theoretical design parameters for a quasi-zero stiffness magnetic spring for vibration isolation. J. Sound Vib. 2009, 326, 88–103. [Google Scholar] [CrossRef]
- Xu, D.; Zhang, Y.; Zhou, J. On the analytical and experimental assessment of the performance of a quasi-zero-stiffness isolator. J. Vib. Control 2014, 20, 2. [Google Scholar] [CrossRef]
- Liu, C.; Yu, K. Superharmonic resonance of the quasi-zero-stiffness vibration isolator and its effect on the isolation performance. Nonlinear Dyn. 2020, 100, 95–117. [Google Scholar] [CrossRef]
- Liu, X.; Huang, X.; Hua, H. On the characteristics of a quasi-zero stiffness isolator using Euler buckled beam as negative stiffness corrector. J. Sound Vib. 2013, 332, 3359–3376. [Google Scholar] [CrossRef]
- Huang, X.; Liu, X.; Sun, J. Vibration isolation characteristics of a nonlinear isolator using Euler buckled beam as negative stiffness corrector: A theoretical and experimental study. J. Sound Vib. 2014, 333, 1132–1148. [Google Scholar] [CrossRef]
- Carrella, A.; Brennan, M.J.; Waters, T.P. On the design of a high-static–low-dynamic stiffness isolator using linear mechanical springs and magnets. J. Sound Vib. 2008, 315, 712–720. [Google Scholar] [CrossRef]
- Zheng, Y.; Zhang, X.; Luo, Y. Analytical study of a quasi-zero stiffness coupling using a torsion magnetic spring with negative stiffness. Mech. Syst. Signal Process. 2018, 100, 135–151. [Google Scholar] [CrossRef]
- Sun, X.; Xu, J.; Jing, X. Beneficial performance of a quasi-zero-stiffness vibration isolator with time-delayed active control. Int. J. Mech. Sci. 2014, 82, 32–40. [Google Scholar] [CrossRef]
- Zhou, N.; Liu, K. A tunable high-static–low-dynamic stiffness vibration isolator. J. Sound Vib. 2010, 329, 1254–1273. [Google Scholar] [CrossRef]
- Xu, J.; Yang, X.; Li, W. Design of quasi-zero stiffness joint actuator and research on vibration isolation performance. J. Sound Vib. 2020, 479, 115367. [Google Scholar] [CrossRef]
- Ahn, K.K. Active pneumatic vibration isolation system using negative stiffness structures for a vehicle seat. J. Sound Vib. 2014, 333, 1245–1268. [Google Scholar]
- Li, M.; Cheng, W.; Xie, R. A quasi-zero-stiffness vibration isolator using a cam mechanism with user-defined profile. Int. J. Mech. Sci. 2021, 189, 1059. [Google Scholar] [CrossRef]
- Zhou, J.; Wang, X.; Xu, D. Nonlinear dynamic characteristics of a quasi-zero stiffness vibration isolator with cam–roller–spring mechanisms. J. Sound Vib. 2015, 346, 53–69. [Google Scholar] [CrossRef]
- Zou, W.; Cheng, C.; Ma, R. Performance analysis of a quasi-zero stiffness vibration isolation system with scissor-like structures. Arch. Appl. Mech. 2021, 91, 117–133. [Google Scholar] [CrossRef]
- Liu, C.; Zhao, R.; Yu, K. In-plane quasi-zero-stiffness vibration isolator using magnetic interaction and cables: Theoretical and experimental study. Appl. Math. Model. 2021, 96, 497. [Google Scholar] [CrossRef]
- Wu, Z.; Jing, X.; Sun, B. A 6DOF passive vibration isolator using X-shape supporting structures. J. Sound Vib. 2016, 380, 90–111. [Google Scholar] [CrossRef]
- Zhou, J.; Xiao, Q.; Xu, D. A novel quasi-zero-stiffness strut and its applications in six-degree-of-freedom vibration isolation platform. J. Sound Vib. 2017, 394, 59–74. [Google Scholar] [CrossRef]
- Diala, U. Application of Nonlinear System Frequency Analysis and Design to Vibration Isolation and Energy Harvesting. Ph.D. Thesis, University of Sheffield, Sheffield, UK, 2019. [Google Scholar]
- Li, M.; Jing, X. A bistable X-structured electromagnetic wave energy converter with a novel mechanical-motion-rectifier: Design, analysis, and experimental tests. Energy Convers. Manag. 2021, 244, 114466. [Google Scholar] [CrossRef]
- Liang, H.; Hao, G.; Olszewski, O.Z. Ultra-low wide bandwidth vibrational energy harvesting using a statically balanced compliant mechanism. Int. J. Mech. Sci. 2022, 219, 107130. [Google Scholar] [CrossRef]
- Lu, Z.Q.; Wu, D.; Ding, H. Vibration isolation and energy harvesting integrated in a Stewart platform with high static and low dynamic stiffness. Appl. Math. Model. 2021, 89, 249–267. [Google Scholar] [CrossRef]
- Yang, T.; Cao, Q.; Li, Q. A multi-directional multi-stable device: Modeling, experiment verification and applications. Mech. Syst. Signal Process. 2021, 146, 106986. [Google Scholar] [CrossRef]
- Liu, C.; Zhao, R.; Yu, K. A quasi-zero-stiffness device capable of vibration isolation and energy harvesting using piezoelectric buckled beams. Energy 2021, 233, 121146. [Google Scholar] [CrossRef]
- Liu, C.; Zhao, R.; Yu, K. Simultaneous energy harvesting and vibration isolation via quasi-zero-stiffness support and radially distributed piezoelectric cantilever beams. Appl. Math. Model. 2021, 100, 152–169. [Google Scholar] [CrossRef]
- Sun, X.; Wang, F.; Xu, J. Nonlinear piezoelectric structure for ultralow-frequency band vibration energy harvesting with magnetic interaction. Int. J. Precis. Eng. Manuf.-Green Technol. 2019, 6, 671–679. [Google Scholar] [CrossRef]
- Iwaniec, J.; Litak, G.; Iwaniec, M. Response Identification in a Vibration Energy-Harvesting System with Quasi-Zero Stiffness and Two Potential Wells. Energies 2021, 14, 3926. [Google Scholar] [CrossRef]
- Lu, Z.Q.; Shao, D.; Fang, Z.W. Integrated vibration isolation and energy harvesting via a bistable piezo-composite plate. J. Vib. Control 2020, 26, 779–789. [Google Scholar] [CrossRef]
- Zhao, L.C.; Zou, H.X.; Yan, G. A water-proof magnetically coupled piezoelectric-electromagnetic hybrid wind energy harvester. Appl. Energy 2019, 239, 735–746. [Google Scholar] [CrossRef]
- Rajarathinam, M.; Ali, S.F. Energy generation in a hybrid harvester under harmonic excitation. Energy Convers. Manag. 2018, 155, 10–19. [Google Scholar] [CrossRef]
- Karami, M.A.; Inman, D.J. Equivalent damping and frequency change for linear and nonlinear hybrid vibrational energy harvesting systems. J. Sound Vib. 2011, 330, 5583–5597. [Google Scholar] [CrossRef]
- Lallart, M.; Inman, D.J. Mechanical effect of combined piezoelectric and electromagnetic energy harvesting. In Structural Dynamics and Renewable Energy; Springer: New York, NY, USA, 2011; Volume 1, pp. 261–272. [Google Scholar]
- Wang, K.; Ouyang, H.; Zhou, J. A nonlinear hybrid energy harvester with high ultralow-frequency energy harvesting performance. Meccanica 2021, 56, 461–480. [Google Scholar] [CrossRef]
- Yang, T.; Cao, Q. Time delay improves beneficial performance of a novel hybrid energy harvester. Nonlinear Dyn. 2019, 96, 1511–1530. [Google Scholar] [CrossRef]
- Tao, Y.; Zhou, S.X.; Cao, Q.J. Some advances in nonlinear vibration energy harvesting technology. Li Xue Xue Bao 2021, 53, 2894–2909. [Google Scholar]
- Fulcher, B.A.; Shahan, D.W.; Haberman, M.R. Analytical and experimental investigation of buckled beams as negative stiffness elements for passive vibration and shock isolation systems. J. Vib. Acoust. 2014, 136, 031009. [Google Scholar] [CrossRef]
- Oyelade, A.O. Vibration isolation using a bar and an Euler beam as negative stiffness for vehicle seat comfort. Adv. Mech. Eng. 2019, 11, 1687814019860983. [Google Scholar] [CrossRef]
- Mehreganian, N.; Fallah, A.S.; Sareh, P. Structural mechanics of negative stiffness honeycomb metamaterials. J. Appl. Mech. 2021, 88, 051006. [Google Scholar] [CrossRef]
- Meng, H.; Huang, X.; Chen, Y. Structural vibration absorption in multilayered sandwich structures using negative stiffness nonlinear oscillators. Appl. Acoust. 2021, 182, 108240. [Google Scholar] [CrossRef]
- Kashdan, L.; Seepersad, C.C.; Haberman, M. Design, fabrication, and evaluation of negative stiffness elements using SLS. Rapid Prototyp. J. 2012, 18, 194–200. [Google Scholar] [CrossRef]
- Sarlis, A.A.; Pasala, D.T.R.; Constantinou, M.C. Negative stiffness device for seismic protection of structures. J. Struct. Eng. 2013, 139, 1124–1133. [Google Scholar] [CrossRef]
- Montenbruck, O.; Steigenberger, P.; Darugna, F. Semi-analytical solar radiation pressure modeling for QZS-1 orbit-normal and yaw-steering attitude. Adv. Space Res. 2017, 59, 2088–2100. [Google Scholar] [CrossRef]
- Liu, Y.; Abu-Rub, H.; Ge, B. Front-end isolated quasi-z-source dc–dc converter modules in series for high-power photovoltaic systems—Part II: Control, dynamic model, and downscaled verification. IEEE Trans. Ind. Electron. 2016, 64, 359–368. [Google Scholar] [CrossRef]
- Yan, B.; Wang, X.; Wang, Z. Enhanced lever-type vibration isolator via electromagnetic shunt damping. Int. J. Mech. Sci. 2022, 218, 107070. [Google Scholar] [CrossRef]
- Dong, G.; Zhang, X.; Xie, S. Simulated and experimental studies on a high-static-low-dynamic stiffness isolator using magnetic negative stiffness spring. Mech. Syst. Signal Process. 2017, 86, 188–203. [Google Scholar] [CrossRef]
- Xu, D.; Yu, Q.; Zhou, J. Theoretical and experimental analyses of a nonlinear magnetic vibration isolator with quasi-zero-stiffness characteristic. J. Sound Vib. 2013, 332, 3377–3389. [Google Scholar] [CrossRef]
- Li, H.; Li, Y.; Li, J. Negative stiffness devices for vibration isolation applications: A review. Adv. Struct. Eng. 2020, 23, 1739–1755. [Google Scholar] [CrossRef]
- Zeng, Y.; Ding, H.; Du, R.H. A suspension system with quasi-zero stiffness characteristics and inerter nonlinear energy sink. J. Vib. Control 2022, 28, 143–158. [Google Scholar] [CrossRef]
- Tang, L.; Yang, Y.; Soh, C.K. Improving functionality of vibration energy harvesters using magnets. J. Intell. Mater. Syst. Struct. 2012, 23, 1433–1449. [Google Scholar] [CrossRef]
- Qian, F.; Hajj, M.R.; Zuo, L. Bio-inspired bi-stable piezoelectric harvester for broadband vibration energy harvesting. Energy Convers. Manag. 2020, 222, 113174. [Google Scholar] [CrossRef]
- Zhou, S.; Cao, J.; Lin, J. Exploitation of a tristable nonlinear oscillator for improving broadband vibration energy harvesting. Eur. Phys. J.-Appl. Phys. 2014, 67, 30902. [Google Scholar] [CrossRef]
- Huynh, B.H.; Tjahjowidodo, T.; Zhong, Z.W. Design and experiment of controlled bistable vortex induced vibration energy harvesting systems operating in chaotic regions. Mech. Syst. Signal Process. 2018, 98, 1097–1115. [Google Scholar] [CrossRef]
- Tan, T.; Wang, Z.; Zhang, L. Piezoelectric autoparametric vibration energy harvesting with chaos control feature. Mech. Syst. Signal Process. 2021, 161, 107989. [Google Scholar] [CrossRef]
- Liu, D.; Xu, Y.; Li, J. Randomly-disordered-periodic-induced chaos in a piezoelectric vibration energy harvester system with fractional-order physical properties. J. Sound Vib. 2017, 399, 182–196. [Google Scholar] [CrossRef]
- Huang, D.; Zhou, S.; Han, Q. Response analysis of the nonlinear vibration energy harvester with an uncertain parameter. Proc. Inst. Mech. Eng. Part K J. Multi-Body Dyn. 2020, 234, 393–407. [Google Scholar] [CrossRef]
- Suman, S.; Balaji, P.S.; Selvakumar, K. Nonlinear vibration control device for a vehicle suspension using negative stiffness mechanism. J. Vib. Eng. Technol. 2021, 9, 957–966. [Google Scholar] [CrossRef]
- Nagarajaiah, S.; Pasala, D.T.R.; Reinhorn, A. Adaptive negative stiffness: A new structural modification approach for seismic protection. Adv. Mater. Res. Trans. 2013, 639, 54–66. [Google Scholar] [CrossRef]
- Davoodi, E.; Safarpour, P.; Pourgholi, M. Design and evaluation of vibration reducing seat suspension based on negative stiffness structure. Proc. Inst. Mech. Eng. Part C J. Mech. Eng. Sci. 2020, 234, 4171–4189. [Google Scholar] [CrossRef]
- Cheng, C.; Li, S.; Wang, Y. Force and displacement transmissibility of a quasi-zero stiffness vibration isolator with geometric nonlinear damping. Nonlinear Dyn. 2017, 87, 2267–2279. [Google Scholar] [CrossRef]
- Araki, Y.; Kimura, K.; Asai, T. Integrated mechanical and material design of quasi-zero-stiffness vibration isolator with superelastic Cu–Al–Mn shape memory alloy bars. J. Sound Vib. 2015, 358, 74–83. [Google Scholar] [CrossRef]
- Santhosh, B. Dynamics and performance evaluation of an asymmetric nonlinear vibration isolation mechanism. J. Braz. Soc. Mech. Sci. Eng. 2018, 40, 1–14. [Google Scholar] [CrossRef]
- Han, H.; Sorokin, V.; Tang, L.; Cao, D. A nonlinear vibration isolator with quasi-zero-stiffness inspired by Miura-origami tube. Nonlinear Dyn. 2021, 105, 1313–1325. [Google Scholar] [CrossRef]
- Jin, G.; Wang, Z.; Yang, T. Cascaded quasi-zero stiffness nonlinear low-frequency vibration isolator inspired by human spine. Appl. Math. Mech. 2022, 43, 813–824. [Google Scholar] [CrossRef]
- Yan, G.; Qi, W.H.; Shi, J.W. Bionic paw-inspired structure for vibration isolation with novel nonlinear compensation mechanism. J. Sound Vib. 2022, 525, 116799. [Google Scholar] [CrossRef]
- Yan, G.; Zou, H.X.; Wang, S. Bio-inspired vibration isolation: Methodology and design. Appl. Mech. Rev. 2021, 73, 020801. [Google Scholar] [CrossRef]
- Yan, G.; Zou, H.X.; Wang, S. Bio-inspired toe-like structure for low-frequency vibration isolation. Mech. Syst. Signal Process. 2022, 162, 108010. [Google Scholar] [CrossRef]
- Yan, G.; Wu, Z.Y.; Wei, X.S. Nonlinear compensation method for quasi-zero stiffness vibration isolation. J. Sound Vib. 2022, 523, 116743. [Google Scholar] [CrossRef]
- Yu, M.; Gao, X.; Chen, Q. Study of the mechanical properties and vibration isolation performance of a molecular spring isolator. Shock Vib. 2016, 2016, 6451829. [Google Scholar] [CrossRef]
- Li, Z.; Chen, Q.; Gu, F. Modeling a Mechanical Molecular Spring Isolator with High-Static-Low-Dynamic-Stiffness Properties. Shock Vib. 2020, 2020, 8853936. [Google Scholar] [CrossRef]
- Nie, G.; Li, Z.; Chen, Q. Application of a hydrophobic microporous material in vehicle suspension. AIP Adv. 2022, 12, 015216. [Google Scholar] [CrossRef]
- Chen, Z.; Guo, B.; Yang, Y. Metamaterials-based enhanced energy harvesting: A review. Phys. B Condens. Matter 2014, 438, 1–8. [Google Scholar] [CrossRef]
- Hu, G.; Tang, L.; Liang, J. Acoustic-elastic metamaterials and phononic crystals for energy harvesting: A review. Smart Mater. Struct. 2021, 30, 085025. [Google Scholar] [CrossRef]
- Fan, H.; Yang, L.; Tian, Y. Design of metastructures with quasi-zero dynamic stiffness for vibration isolation. Compos. Struct. 2020, 243, 112244. [Google Scholar] [CrossRef]
- Zhou, Y.; Chen, P.; Mosqueda, G. Analytical and numerical investigation of quasi-zero stiffness vertical isolation system. J. Eng. Mech. 2019, 145, 04019035. [Google Scholar] [CrossRef]
- Hom, C.L.; Pilgrim, S.M.; Shankar, N. Calculation of quasi-static electromechanical coupling coefficients for electrostrictive ceramic materials. IEEE Trans. Ultrason. Ferroelectr. Freq. Control 1994, 41, 542–551. [Google Scholar] [CrossRef]
- Shaw, A.D.; Gatti, G.; Gonçalves, P.J.P. Design and test of an adjustable quasi-zero stiffness device and its use to suspend masses on a multi-modal structure. Mech. Syst. Signal Process. 2021, 152, 107354. [Google Scholar] [CrossRef]
- Hu, X.; Zhou, C. The effect of various damping on the isolation performance of quasi-zero-stiffness system. Mech. Syst. Signal Process. 2022, 171, 108944. [Google Scholar] [CrossRef]
- Zhang, Y.; Cai, C.S. A retrofitted energy harvester for low frequency vibrations. Smart Mater. Struct. 2012, 21, 075007. [Google Scholar] [CrossRef]
- Yan, B.; Zhou, S.; Litak, G. Nonlinear analysis of the tristable energy harvester with a resonant circuit for performance enhancement. Int. J. Bifurc. Chaos 2018, 28, 1850092. [Google Scholar] [CrossRef]
- Zhou, S.; Lallart, M.; Erturk, A. Multistable vibration energy harvesters: Principle, progress, and perspectives. J. Sound Vib. 2022, 2022, 116886. [Google Scholar] [CrossRef]
- Guyomar, D.; Badel, A.; Lefeuvre, E. Toward energy harvesting using active materials and conversion improvement by nonlinear processing. IEEE Trans. Ultrason. Ferroelectr. Freq. Control 2005, 52, 584–595. [Google Scholar] [CrossRef]
- Lefeuvre, E.; Badel, A.; Richard, C. A comparison between several vibration-powered piezoelectric generators for standalone systems. Sens. Actuators A Phys. 2006, 126, 405–416. [Google Scholar] [CrossRef]
- Lallart, M.; Wu, W.J.; Hsieh, Y. Synchronous inversion and charge extraction (SICE): A hybrid switching interface for efficient vibrational energy harvesting. Smart Mater. Struct. 2017, 26, 115012. [Google Scholar] [CrossRef]
- Cheng, C.; Chen, Z.; Xiong, Y. A high-efficiency, self-powered nonlinear interface circuit for bi-stable rotating piezoelectric vibration energy harvesting with nonlinear magnetic force. Int. J. Appl. Electromagn. Mech. 2016, 51, 235–248. [Google Scholar] [CrossRef]
- Shu, Y.C.; Lien, I.C.; Wu, W.J. An improved analysis of the SSHI interface in piezoelectric energy harvesting. Smart Mater. Struct. 2007, 16, 2253. [Google Scholar] [CrossRef]















| QZS Structure | Representative Literature | Excitation Frequency | Peak Transmissibility |
|---|---|---|---|
| Classical structures with positive and negative stiffness | Thanh et al. [56] | 1.5 Hz | 9 dB |
| Negative-stiffness structures with active control | Zhou and Liu et al. [74] | 7 Hz | 4 dB |
| Geometrically nonlinear structures | Li and Cheng [77] | 10 Hz | 17 dB |
| Multi-direction/Multi-degree-of-freedom structures | Liu et al. [80] | 7.23 Hz | 11.22 dB |
| QZS Structure | Advantages | Disadvantages |
|---|---|---|
| Classical structures with positive and negative stiffness | Simple structure | Poor stability |
| Negative-stiffness structures with active control | low resonance frequency rapid response strong stability | Require external electrical energy High cost |
| Geometrically nonlinear structures | Compact structure | Limited displacement range Limited loading capacity |
| Multi-direction/Multi-degree-of-freedom structures | Multi-direction vibration isolation | Complex structure Large space |
| Energy Conversion Mode | Representative Literature | Incentive Type | Energy Harvesting Value |
|---|---|---|---|
| Electromagnetic | Yang and Cao et al. [3] | harmonic excitation | 0.5 W |
| Li and jing et al. [84] | Random excitation | 0.5~1 W | |
| Lu and Wu et al. [86] | harmonic excitation | 1.74 W | |
| Piezoelectric | Liu and Zhao et al. [89] | harmonic excitation | 2 W |
| Sun and Wang et al. [90] | Random excitation | 100 mW | |
| Hybrid. | Wang and Zhou et al. [97] | Random excitation | 10 mW |
Publisher’s Note: MDPI stays neutral with regard to jurisdictional claims in published maps and institutional affiliations. |
© 2022 by the authors. Licensee MDPI, Basel, Switzerland. This article is an open access article distributed under the terms and conditions of the Creative Commons Attribution (CC BY) license (https://creativecommons.org/licenses/by/4.0/).
Share and Cite
Chen, Z.; Chen, Z.; Wei, Y. Quasi-Zero Stiffness-Based Synchronous Vibration Isolation and Energy Harvesting: A Comprehensive Review. Energies 2022, 15, 7066. https://doi.org/10.3390/en15197066
Chen Z, Chen Z, Wei Y. Quasi-Zero Stiffness-Based Synchronous Vibration Isolation and Energy Harvesting: A Comprehensive Review. Energies. 2022; 15(19):7066. https://doi.org/10.3390/en15197066
Chicago/Turabian StyleChen, Zhiwen, Zhongsheng Chen, and Yongxiang Wei. 2022. "Quasi-Zero Stiffness-Based Synchronous Vibration Isolation and Energy Harvesting: A Comprehensive Review" Energies 15, no. 19: 7066. https://doi.org/10.3390/en15197066
APA StyleChen, Z., Chen, Z., & Wei, Y. (2022). Quasi-Zero Stiffness-Based Synchronous Vibration Isolation and Energy Harvesting: A Comprehensive Review. Energies, 15(19), 7066. https://doi.org/10.3390/en15197066

