Dual Isolated Multilevel Modular Inverter with Novel Switching and Voltage Stress Suppression
Abstract
:1. Introduction
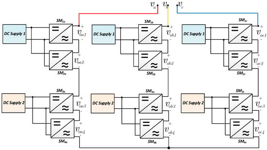
2. General TPMI Description
2.1. Current Spikes Limitation
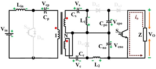
2.2. Proposed DISC SM
3. Modulation Scheme
4. SM Operation
- ▪
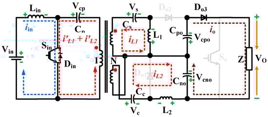
- State 1 (ON cycle)
- ▪
- State 2 (OFF cycle)
- ▪
- State 3 (Shutdown)
5. System’s SM Average Model
5.1. Analysis of SM Steady States
- I.
- Mode-1.
- II.
- Mode-2.It is not possible to solve the differential equations directly without making certain estimations due to the complexity of the SM combination of the Cuk and SEPIC out-put sides. These estimations were based on the following observations.
- The average currents of the capacitors are zero in the sub-circuit depicted in Figure 10a, which results in the average values of L1 and L2 being almost equal to the average load current io.
- Since the inductors’ currents are equal, the currents going into Cs and Cpo in a separate loop are equal, see Figure 10b. Hence, the total series capacitance of Cs and Cpo can be determined as follows:
- Figure 10c shows that the input current is divided by the impedance values of the capacitors on the converter’s output sides in accordance with the ratio ().
5.2. Modelling of DISC SM
6. Passive Components Design
7. System’s Validation
7.1. Simulation Results
7.2. Experimental Results
8. Conclusions
Author Contributions
Funding
Institutional Review Board Statement
Informed Consent Statement
Data Availability Statement
Acknowledgments
Conflicts of Interest
References
- IRENA. Future of Solar Photovoltaic: Deployment, Investment, Technology, Grid Integration and Socio-Economic Aspects (A Global Energy Transformation: Paper). 2019. Available online: https://www.irena.org/-/media/Files/IRENA/Agency/Publication/2019/Nov/IRENA_Future_of_Solar_PV_2019.pdf (accessed on 5 May 2022).
- IRENA. Renewable Power Generation Costs in 2020. 2020. Available online: https://www.irena.org/publications/2021/Jun/Renewable-Power-Costs-in-2020 (accessed on 5 May 2022).
- Islam, M.R.; Guo, Y.; Zhu, J. A high-frequency link multilevel cascaded medium-voltage converter for direct grid integration of renewable energy systems. IEEE Trans. Power Electron. 2014, 29, 4167–4182. [Google Scholar] [CrossRef]
- Niroomand, M.; Esfahani, F.N. Converter technologies for PV systems: A comprehensive review. In Energy Conversion Systems: An Overview; Padmanaban, S., Tripathi, S.M., Eds.; NOVA Science Publishing: Hauppauge, NY, USA, 2021; pp. 1–58. [Google Scholar]
- Darwish, A.; Holliday, D.; Finney, S. Operation and control design of an input-series–input-parallel–output-series conversion scheme for offshore DC wind systems. IET Power Electron. 2017, 10, 2092–2103. [Google Scholar] [CrossRef] [Green Version]
- Islam, M.R.; Mahfuz-Ur-Rahman, A.M.; Muttaqi, K.M.; Sutanto, D. State-of-The-Art of the Medium-Voltage Power Converter Technologies for Grid Integration of Solar Photovoltaic Power Plants. IEEE Trans. Energy Convers. 2019, 34, 372–384. [Google Scholar] [CrossRef]
- Bughneda, A.; Salem, M.; Richelli, A.; Ishak, D.; Alatai, S. Review of multilevel inverters for PV energy system applications. Energies 2021, 14, 1585. [Google Scholar] [CrossRef]
- Zhang, X.; Zhao, T.; Mao, W.; Tan, D.; Chang, L. Multilevel inverters for grid-connected photovoltaic applications: Examining emerging trends. IEEE Power Electron. Mag. 2018, 5, 32–41. [Google Scholar] [CrossRef]
- Alotaibi, S.; Darwish, A. Modular Multilevel Converters for Large-Scale Grid-Connected Photovoltaic Systems: A Review. Energies 2021, 14, 6213. [Google Scholar] [CrossRef]
- Noman, A.M.; Addoweesh, K.E.; Alabduljabbar, A.A.; Alolah, A.I. Cascaded H-bridge MLI and three-phase cascaded VSI topologies for grid-connected PV systems with distributed MPPT. Int. J. Photoenergy 2019, 2019, 7642919. [Google Scholar] [CrossRef]
- Stynski, S.; Grzegorczyk, M.; Sobol, C.; Kot, R. Current control strategies for a star connected cascaded h-bridge converter operating as mv-ac to mv-dc stage of a solid state transformer. Energies 2021, 14, 4607. [Google Scholar] [CrossRef]
- Lumbreras, D.; Barrios, E.L.; Balda, J.; Navarrete, M.; Gonzalez, R.; Sanchis, P. Medium-Voltage Cascaded Sequential Topology for large-scale PV plants. IEEE Access 2021, 9, 130601–130614. [Google Scholar] [CrossRef]
- Gunsal, I.; Stone, D.A.; Foster, M.P. Suppressing Leakage Current for Cascaded H-Bridge Inverters in Renewable Energy and Storage Systems. IEEE Trans. Ind. Electron. 2021, 68, 11035–11043. [Google Scholar] [CrossRef]
- Amaral, F.V.; Parreiras, T.M.; Lobato, G.C.; Machado, A.A.P.; Pires, I.A.; Filho, B.D.C. Operation of a Grid-Tied Cascaded Multilevel Converter Based on a Forward Solid-State Transformer under Unbalanced PV Power Generation. IEEE Trans. Ind. Appl. 2018, 54, 5493–5503. [Google Scholar] [CrossRef]
- Darwish, A.; Elserougi, A.; Abdel-Khalik, A.S.; Ahmed, S.; Massoud, A.; Holliday, D.; Williams, B.W. A single-stage three-phase DC/AC inverter based on Cuk converter for PV application. In Proceedings of the 2013 7th IEEE GCC Conference and Exhibition (GCC), Doha, Qatar, 17–20 November 2013; pp. 384–389. [Google Scholar] [CrossRef] [Green Version]
- Ghosh, S.; Gaona, D.; Siwakoti, Y.; Long, T. Synchronous Combined Cuk-SEPIC Converter for Single Phase Transformerless Solar Inverter. In Proceedings of the 2020 IEEE Applied Power Electronics Conference and Exposition (APEC), New Orleans, LA, USA, 15–19 March 2020; Volume 2020, pp. 3225–3231. [Google Scholar] [CrossRef]
- Malekjamshidi, Z.; Jafari, M. Comparative analysis of DC to AC conversion cells for application in PV-linked grid-connected modular multi-level cascaded converters. IET Power Electron. 2020, 13, 3360–3372. [Google Scholar] [CrossRef]
- Esfahani, F.N.; Darwish, A.; Williams, B.W. Power Converter Topologies for Grid-Tied Solar Photovoltaic (PV) Powered Electric Vehicles (EVs)—A Comprehensive Review. Energies 2022, 15, 4648. [Google Scholar] [CrossRef]
- Elsanabary, A.I.; Konstantinou, G.; Mekhilef, S.; Townsend, C.D.; Seyedmahmoudian, M.; Stojcevski, A. Medium Voltage Large-Scale Grid-Connected Photovoltaic Systems Using Cascaded H-Bridge and Modular Multilevel Converters: A Review. IEEE Access 2020, 8, 223686–223699. [Google Scholar] [CrossRef]
- Edwin, F.F.; Xiao, W.; Khadkikar, V. Dynamic modeling and control of interleaved flyback module-integrated converter for PV power applications. IEEE Trans. Ind. Electron. 2014, 61, 1377–1388. [Google Scholar] [CrossRef]
- Ali, A.I.M.; Tuan, C.A.; Takeshita, T.; Sayed, M.A.; Alaas, Z.M. Modular Single-Stage Three-Phase Flyback Differential Inverter for Medium/High-Power Grid Integrated Applications. Sensors 2022, 22, 2064. [Google Scholar] [CrossRef]
- Zhang, F.; Xie, Y.; Hu, Y.; Chen, G.; Wang, X. A hybrid boost-flyback/flyback microinverter for photovoltaic applications. IEEE Trans. Ind. Electron. 2020, 67, 308–318. [Google Scholar] [CrossRef]
- Darwish, A.; Elgenedy, M.A. Current-source modular medium-voltage grid-connected system with high-frequency isolation for photovoltaic applications. IEEE Trans. Energy Convers. 2019, 34, 255–266. [Google Scholar] [CrossRef] [Green Version]
- Darwish, A. Current Source DC-DC and DC-AC Converters with Continuous Energy Flow. Ph.D. Thesis, University of Strathclyde, Glasgow, UK, 2015. [Google Scholar]
- Darwish, A.; Alotaibi, S.; Elgenedy, M.A. Current-Source Single-Phase Module Integrated Inverters for PV Grid-Connected Applications. IEEE Access 2020, 8, 53082–53096. [Google Scholar] [CrossRef]
- Alotaibi, S.; Darwish, A.; Ma, X.; Williams, B.W. A new modular three-phase inverter based on sepic-cuk combination converter for photovoltaic applications. In Proceedings of the 9th Renewable Power Generation Conference (RPG Dublin Online 2021), Virtual, 1–2 March 2021; pp. 259–264. [Google Scholar] [CrossRef]
- Nathan, K.; Ghosh, S.; Siwakoti, Y.; Long, T. A New DC-DC Converter for Photovoltaic Systems: Coupled-Inductors Combined Cuk-SEPIC Converter. IEEE Trans. Energy Convers. 2019, 34, 191–201. [Google Scholar] [CrossRef]
- Anand, A.; Singh, B. Power Factor Correction in Cuk–SEPIC-Based Dual-Output-Converter-Fed SRM Drive. IEEE Trans. Ind. Electron. 2018, 65, 1117–1127. [Google Scholar] [CrossRef]


















| Parameters | Value |
|---|---|
| Number of modules | n = 80 |
| SM rated power | PSM = 4.2 kW |
| SM inductors | Lin = 1.5 mH and L1 = L2 = 1 mH |
| SM capacitors | Cp = Cs = Cc = 10 μF Cno = 10 μF and Cpo = 50 μF |
| SM Switching frequency | fs = 50 kHz |
| Transformer turns’ ratio | N = 1 |
| PV module | Grape Solar GS-S-420-KR3 (Pm = 420 W, Vmp = 48.73 V, Imp = 8.62) |
| PV array | 10 parallel × 3 series |
| Grid voltage | 13.47 kV |
| Grid impedance | Lg = 1 mH, rg = 0.5Ω |
| Grid frequency | f = 50 Hz |
Publisher’s Note: MDPI stays neutral with regard to jurisdictional claims in published maps and institutional affiliations. |
© 2022 by the authors. Licensee MDPI, Basel, Switzerland. This article is an open access article distributed under the terms and conditions of the Creative Commons Attribution (CC BY) license (https://creativecommons.org/licenses/by/4.0/).
Share and Cite
Alotaibi, S.; Ma, X.; Darwish, A. Dual Isolated Multilevel Modular Inverter with Novel Switching and Voltage Stress Suppression. Energies 2022, 15, 5025. https://doi.org/10.3390/en15145025
Alotaibi S, Ma X, Darwish A. Dual Isolated Multilevel Modular Inverter with Novel Switching and Voltage Stress Suppression. Energies. 2022; 15(14):5025. https://doi.org/10.3390/en15145025
Chicago/Turabian StyleAlotaibi, Saud, Xiandong Ma, and Ahmed Darwish. 2022. "Dual Isolated Multilevel Modular Inverter with Novel Switching and Voltage Stress Suppression" Energies 15, no. 14: 5025. https://doi.org/10.3390/en15145025
APA StyleAlotaibi, S., Ma, X., & Darwish, A. (2022). Dual Isolated Multilevel Modular Inverter with Novel Switching and Voltage Stress Suppression. Energies, 15(14), 5025. https://doi.org/10.3390/en15145025

