Next Article in Journal
A Novel VSG Control Strategy for UPS Voltage Source Inverter with Impulsive Load
Previous Article in Journal
Enhancing the Activity of Employees of the Communication Department of an Energy Sector Company
 
 
Font Type:
Arial Georgia Verdana
Font Size:
Aa Aa Aa
Line Spacing:
Column Width:
Background:
Article

A Flux−Linkage Torque Ripple Suppression Method of Dual−Series FPMSMs Decoupling Control Based on Dual−Frequency Vector Modulation

School of Electrical Engineering and Automation, Harbin Institute of Technology, Harbin 150001, China
*
Authors to whom correspondence should be addressed.
Energies 2022, 15(13), 4700; https://doi.org/10.3390/en15134700
Submission received: 18 May 2022 / Revised: 10 June 2022 / Accepted: 22 June 2022 / Published: 27 June 2022

Abstract

:
A novel cross−series connection of two five−phase permanent magnet synchronous motors (FPMSM) supplied by single inverter can halve the number of required power units and current sensors. This, along with a decoupling control strategy for FPMSMs in series based on an improved dual−frequency vector modulation (DFV−SVPWM) and a flux−linkage torque ripple suppression method with current compensation are proposed in this paper, each of which have great significance for multi−unit industrial equipment. The third harmonic flux−linkage will produce torque ripple in the FPMSM in series, which has an adverse effect on accuracy. In this paper, a synchronous decoupling mathematical model of dual−series FPMSM with harmonic flux−linkage is established to analyze the decoupling relationship between torque and current. In addition, an enhanced DFV−SVPWM with higher modulation ratio is proposed for the decoupling control of double motors in series. Furthermore, based on the torque influence of two series−connected motors by harmonic flux−linkage and the decoupling control with improved DFV−SVPWM, a torque ripple compensation method with current compensation is proposed, which can effectively suppress the torque ripple of FPMSM with harmonic flux−linkage and not affect the other. The correctness and superiority of the scheme are verified by simulation and experiment in this paper.

1. Introduction

The demand for and application of multi−motor drives is increasing, especially in multi−unit control systems such as intelligent industrial assembly lines and multi−unit turntable equipment, and the different functional units have different requirements for motors. For example, scanning and servo units require higher accuracy and stability of motors, while a locking motor is more concerned with the amplitude of torque. This means that research on multi-motors of single inverter drive systems has become a lucrative issue [1,2,3]. For a traditional three-phase machine, the research on independent control methods of dual–motor systems by single voltage source inverter (VSI) [4,5,6] is increasing. For multi−phase machines, the multi−dimensional freedom of the motor also makes it possible to build a multi−motor drive system using a single inverter [7,8,9]. Compared with multi−inverters, the multi−motor drive control system by single inverter not only reduces the cost of the power device, but also avoids the synchronous communication and command coordination problems of multi−inverters.
According to the output voltage characteristics of five−phase VSI, the space voltage vector can be distributed in two orthogonal subspaces [10]. The five−phase motor has an extra free subspace. For the non−sinusoidal motor, the harmonic subspace can be used for harmonic injection to improve torque density or fault−tolerant control [11,12,13]. While, for the sinusoidal five−phase motor, this extra free subspace has no torque contribution, it is possible to connect another five−phase motor in series with a single inverter. With the extra control degree of freedom, the drive control of another five−phase motor can be realized, so that the two series−connected motors can be controlled independently, as in [14]. In parallel mode, the two motors need to be able to bear voltage from all dimensions of VSI. The harmonic current of two multi−phase motors are both huge, which can result in great loss, meanwhile, each phase current needs to be detected separately. The cost of sensors is the same with two independent inverters, although, compared with the single motor drive, the single inverter double−motor series drive mode will also increase some losses and reduce the efficiency. However, compared with a parallel connection, it has obvious advantages in efficiency. It has a better application prospect, which can reduce the energy consumption and the cost of hardware such as power devices and sensors.
The multi−phase double motor series−connected system is first explained by reference [15], in which all possible coefficients of multi−phase motors, including the principle of phase conversion, the number of connected motors, and the connection mode, are further discussed in detail. Another paper [16] provides a more detailed analysis of the five−phase double motor series drive system, which is supported by physical deduction rather than strict mathematical deduction, and only gives the simulation results. The paper [17] adopts a strict mathematical method of a sine five−phase motor. It is pointed out that if there are harmonics in the flux−linkage, there must be cross−coupling between motors in series and the harmonic current will produce large torque ripple in the other motor. Due to the design and industrial processing technology, there must be the harmonic flux−linkage in five−phase motors. According to the research above, the influence of harmonic flux−linkage has always been the difficulty in the research of the five−phase double motor series-connected control system.
At present, the research on modulation methods of multi−motor series control is insufficient. Because of its simple implementation, the carrier modulation method is still the most widely used [18]. A position control method of a series−connected five−phase linear motor is proposed in [19]. The carrier modulation method is used to realize the control of double motors by single inverter. The optimal time control strategy of a PI regulator is used to study the control characteristics. Research in [14] also uses carrier modulation to analyze the current controller of double sinusoidal FPMSMs in series. The robust feed−forward current control is adopted to ensure the current control accuracy, which reduces the equivalent disturbance and enhances current tracking performance. Due to the fact that the third harmonics in EMFs can be used to increase the torque density of FPMSM, the EMFs of FPMSM are designed as trapezoidal rather than sinusoidal in some applications [20]. The sinusoidal EMFs machines require a perfect sinusoidal winding and magnetic field. If non−sinusoidal EMFs machines are used with series connection, a strong coupling by the third flux−linkage is induced between two FPMSMs, which leads to torque ripple [21]. Similarly, the third flux−linkage also generates torque ripple in the FPMSM fault−tolerant control. In [22], the third time−harmonic current compensation method proposed by Nicola Bianchi can effectively suppress the second and fourth torque ripple under all fault-tolerance including one− and two−phase open−circuits to achieve an adequate average torque with minimum torque ripple and no zero−sequence currents. Inspired by this, the torque ripple of FPMSM in series can also be solved by a novel current compensation method. Therefore, the proper modulation method and the compensation method of torque ripple induced by harmonic flux−linkage should be further studied.
In this paper, a novel cross connection of two FPMSMs in series is employed, which is more suitable for multi−dimensional space vector modulation. In accordance with the established mathematical model of two series−connected FPMSMs with third flux−linkage, the decoupling relationship of two motors in series is analyzed. A decoupling control strategy based on an improved DFV−SVPWM and a harmonic current compensation method are proposed to suppress the torque ripple generated by the third flux−linkage.

2. Series Topology of Double FPMSMs

The output voltage vector of the five−phase VSI is distributed in two orthogonal subspaces, and the two space vectors are corresponding and associated with each other. When double motors are connected in series, the voltages of two motors can correspond to two orthogonal spaces, respectively. The five−phase voltages (A, B, C, D, E) of five−phase VSI correspond, respectively, to the space vectors (U16, U8, U4, U2, U1). As such, the space distribution of the five−phase voltage of VSI is shown in Figure 1.
It can be seen from Figure 1 that the five-phase voltage in fundamental subspace is ABCDE in a counterclockwise direction, with ACEBD in the harmonic subspace. The fundamental subspace in Figure 1a is used as the fundamental subspace of motor 1, and the harmonic subspace in Figure 1b is used as the fundamental subspace of motor 2. The ABCDE of five−phase VSI needs to be connected to the A1B1C1D1E1 of motor 1 and the A2D2B2E2C2 of motor 2. The obtained dual-series FPMSM cross connection is shown in Figure 2. This connection in Figure 2 is based on the space voltage vector distribution in double subspaces of five−phase VSI. Although it is consistent with the basic principle of traditional connection, it is slightly different from the connection method of dual motors in series [23].
The connection mode in Figure 2 makes the fundamental subspaces of the two motors correspond to the fundamental subspaces and harmonic subspaces of the five−phase VSI, respectively.

3. Mathematical Model of Double Motors in Series

3.1. Mathematical Model of Single Motor Considering Third Flux−Linkage

In the case of five−phase star−connected sinusoidal PMSM, the voltage of FPMSM in the synchronous decoupling space is:
U d q s = R d 1 q 1 d 3 q 3 I d 1 q 1 d 3 q 3 + d d t ψ d 1 q 1 d 3 q 3 Ω s ψ d 1 q 1 d 3 q 3
where,
U d 1 q 1 d 3 q 3 = [ u d 1 u q 1 u d 3 u q 3 u 0 ] T I d 1 q 1 d 3 q 3 = [ i d 1 i q 1 i d 3 i q 3 i 0 ] T ψ d 1 q 1 d 3 q 3 = [ ψ d 1 ψ q 1 ψ d 3 ψ q 3 ψ 0 ] T R d 1 q 1 d 3 q 3 = R s I 5 × 5   Ω s = ω [ 0 1 0 0 0 1 0 0 0 0 0 0 0 3 0 0 0 3 0 0 0 0 0 0 0 ]
Ignoring the first and third mutual inductance in FPMSM, the flux−linkage is expressed as:
ψ d 1 q 1 d 3 q 3 = L d 1 q 1 d 3 q 3 I d 1 q 1 d 3 q 3 + ψ m d 1 q 1 d 3 q 3
where inductance matrix is
L d 1 q 1 d 3 q 3 = [ L d 1 0 0 0 0 L q 1 0 0 0 0 L d 3 0 0 0 0 L q 3 ]   ψ m d 1 q 1 d 3 q 3 = [ ψ m 1 0 ψ m 3 0 ]
According to (1) and (2), the voltage in d-q coordinate frame is as follows:
[ u d 1 u q 1 u d 3 u q 3 ] = R s [ i d 1 i q 1 i d 3 i q 3 ] + [ L d 1 0 0 0 0 L q 1 0 0 0 0 L d 3 0 0 0 0 L q 3 ] d d t [ i d 1 i q 1 i d 3 i q 3 ] + ω [ L q 1 i q 1 L d 1 i d 1 3 L q 3 i q 3 3 L d 3 i d 3 ] + ω [ 0 ψ m 1 0 3 ψ m 3 ]
Then the torque of FPMSM with third flux−linkage can be expressed as [24]:
T e = 5 P 2 [ ψ m 1 i q 1 + 3 ψ m 3 i q 3 + ( L d 1 L q 1 ) i d 1 i q 1 + + 3 ( L d 1 L q 1 ) i d 3 i q 3 ]
In Equation (4), the capital P is the number of pole pairs of the motor. Field−oriented control is adopted and the d-component of the reference current is set to zero, the torque is:
T e = 5 P 2 [ ψ m 1 i q 1 + 3 ψ m 3 i q 3 ]
There is no third flux−linkage and third inductance in sinusoidal FPMSM, which is consistent with the three−phase permanent magnet synchronous motor. The decoupling voltage and torque can be expressed as follows:
[ u d 1 u q 1 ] = R s [ i d 1 i q 1 ] + [ L d 1 0 0 L q 1 ] d d t [ i d 1 i q 1 ] + ω [ L q 1 i q 1 L d 1 i d 1 ] + ω [ 0 ψ m 1 ]
T e = 5 P 2 [ ψ m 1 i q 1 ]
The current in harmonic subspace does not participate in energy conversion, only the current in the fundamental subspace contributes to electromagnetic torque. When the EMFs of FPMSMs are both optimally sinusoidal, two FPMSM series−connected systems can be derived from a single inverter. However, in practice, an FPMSM with optimal sinusoidal EMFs is hard to obtain, being limited by machining accuracy and nonlinear factors. The non−sinusoidal magnetic field is inevitable. Therefore, the mathematical model of two FPMSM series-connected systems with third flux−linkage still needs to be further considered.

3.2. Voltage Decoupling Model of Two FPMSM in Series

As shown in Figure 2, the voltage of two motors in series can be expressed as:
U A B C D E = U a b c d e s 1 + U a d b e c s 2
where, UABCDE is inverter output voltage matrix; Uabcdes1 is phase voltage matrix of motor 1; Uadbecs2 is phase voltage matrix of motor 2; The expression is:
U A B C D E = [ u A u B u C u D u E ] T U a b c d e s 1 = [ u a s 1 u b s 1 u c s 1 u d s 1 u e s 1 ] T U a d b e c s 2 = [ u a s 2 u d s 2 u b s 2 u e s 2 u c s 2 ] T
Based on the cross relation of voltage, the unit transfer matrices E(1,2) and E(2,1) can be derived as follows:
X a d b e c s = [ 1 0 0 0 0 0 0 0 1 0 0 1 0 0 0 0 0 0 0 1 0 0 1 0 0 ] X a b c d e s = E ( 1 , 2 ) X a b c d e s
X a c e b d s = [ 1 0 0 0 0 0 0 1 0 0 0 0 0 0 1 0 1 0 0 0 0 0 0 1 0 ] X a b c d e s = E ( 2 , 1 ) X a b c d e s
where, X is a matrix variable. It can be a matrix of phase voltage or phase current, and its subscript represents its element arrangement order.
In order to analyze the relationship between the output voltage and the decoupling voltage in motor 1, the total phase voltage in the fundemental subspace of motor 1 can be expressed as follows:
T ( θ 1 ) U a b c d e s 1 + T ( θ 1 ) U a d b e c s 2 = T ( θ 1 ) U a b c d e s 1 + T ( θ 1 ) E ( 1 , 2 ) T 1 ( θ 2 ) T ( θ 2 ) U a b c d e s 2 = T ( θ 1 ) U a b c d e s 1 + T 12 T ( θ 2 ) U a b c d e s 2 = U d q d 3 q 3 s 1 + T 12 U d q d 3 q 3 s 2
In (11), θ1 and θ2 are the phase angles of two motors. T(θ1) and T(θ2) are the decoupling transformation matrices of two motors from a natural coordinate system(abcde) to a synchronous coordinate system(dq). The transformation matrix T12 can be expressed as:
T 12 = T ( θ 1 ) E ( 1 , 2 ) T 1 ( θ 2 ) = [ 0 0 cos ( φ ) sin ( φ ) 0 0 sin ( φ ) cos ( φ ) cos ( λ ) sin ( λ ) 0 0 sin ( λ ) cos ( λ ) 0 0 ]
where, λ = 3 θ 1 θ 2 , φ = 3 θ 2 + θ 1 .
Equation (11) shows that the voltages in the fundamental subspaces of the two motors are completely decoupled. Assuming that the output voltage in the harmonic subspaces of the two motors is zero, the voltage in the fundamental plane of the motor 1 can be derived as:
[ U s 1 d U s 1 q ] = r s 1 [ i s 1 d i s 1 q ] + r s 2 [ i s 2 d 3 i s 2 q 3 ] + [ L s 1 d 1 p ω s 1 L s 1 q 1 ω s 1 L s 2 d 1 L s 1 q 1 p ] [ i s 1 d i s 1 q ] + [ L s 2 d 3 cos ( φ ) p 3 ω s 2 L s 2 d 3 sin ( φ ) L s 2 q 3 sin ( φ ) p 3 ω s 2 L s 2 q 3 cos ( φ ) L s 2 d 3 sin ( φ ) p 3 ω s 2 L s 2 d 3 cos ( φ ) L s 2 q 3 cos ( φ ) p + 3 ω s 2 L s 2 d 3 sin ( φ ) ] [ i s 2 d 3 i s 2 q 3 ] + ω s 1 [ 0 ψ s 1 m 1 ] + ω s 2 [ 3 sin ( φ ) ψ s 2 m 3 3 cos ( φ ) ψ s 2 m 3 ]
where, the lowercase p is the differential operator, and the subscript with s1 and s2 represents the variables of motor 1 and motor 2, respectively.
Equation (13) shows that the third harmonic flux−linkage of motor 2 will also disturb the fundamental voltage of motor 1. The disturbance has a sinusoidal relationship with the difference coefficient of motor rotation angle and is also affected by the speed of motor 2. Ignoring the third flux−linkage of motor 2, the fundamental voltage of motor 1 only affects the fundamental current of motor 1 and the harmonic current in the harmonic subspace of motor 2.
Similarly, the output voltage UABCDE is transformed to the fundamental subspace of motor 2, and the other transformation array T21 can be expressed as:
T 21 = T ( θ 2 ) E ( 2 , 1 ) T 1 ( θ 1 ) = [ 0 0 cos ( λ ) sin ( λ ) 0 0 sin ( λ ) cos ( λ ) cos ( φ ) sin ( φ ) 0 0 sin ( φ ) cos ( φ ) 0 0 ]
The voltage equation can be obtained by transforming the total voltage to the fundamental subspace of motor 2, as shown in (15).
[ U s 2 d U s 2 q ] = r s 1 [ i s 1 d i s 1 q ] + r s 2 [ i s 2 d 3 i s 2 q 3 ] + [ L s 2 d 1 p ω s 2 L s 2 q 1 ω s 2 L s 2 d 1 L s 2 q 1 p ] [ i s 2 d i s 2 q ] + [ L s 1 d 3 cos ( λ ) p 3 ω s 1 L s 1 d 3 sin ( λ ) L s 1 q 3 sin ( λ ) p 3 ω s 1 L s 1 q 3 cos ( λ ) L s 1 d 3 sin ( λ ) p + 3 ω s 1 L s 1 d 3 cos ( λ ) L s 1 q 3 cos ( λ ) p 3 ω s 1 L s 1 d 3 sin ( λ ) ] [ i s 1 d 3 i s 1 q 3 ] + ω s 2 [ 0 ψ s 2 m 1 ] + ω s 1 [ 3 sin ( λ ) ψ s 1 m 3 3 cos ( λ ) ψ s 1 m 3 ]
The fundamental voltage of motor 2 generates the fundamental current of motor 2 and the harmonic current of motor 1, while the third harmonic flux-linkage of motor 1 also generates disturbance on the fundamental voltage of motor 2. The disturbance has a sinusoidal relationship with the angle difference coefficient and is also affected by the speed of motor 1. The fundamental voltage of motor 2 affects the fundamental current of motor 1 and the harmonic current of motor 2.
The voltage decoupling model of two FPMSM series−connected systems can be concluded as follows:
(1)
The fundamental voltage and current of the two motors are independently decoupled from each other, and the rotation angles of the two motors do not reflect the voltage decoupling.
(2)
The fundamental voltage of one motor affects the fundamental current and harmonic current of the other motor.
(3)
The harmonic current of one motor will affect the transient state of the other motor.
(4)
The third flux−linkage have an impact on motor decoupling, and voltage disturbance has a certain relationship with the speed and rotation angle of the two motors.
When two five−phase PMSMs in series are both sinusoidal FPMSM (SIN−FPMSM), the third harmonic flux−linkage has less effect on the torque of the motor, and the harmonic current also does not produce torque ripple. However, for non−sinusoidal FPMSM, the coupling caused by the third harmonic flux−linkage between the two motors will increase the difficulty of current control. The current influence on torque still needs to be further analyzed with the decoupled model. Considering the existence of third harmonic flux, the non−sinusoidal FPMSM can also be called the third harmonic injection FPMSM (THI−FPMSM).

3.3. Torque Characteristic Analysis

Assuming that the two motors are not directly connected mechanically, the current and voltage of the two motors have a certain relationship, as shown above. The current of two FPMSM series−connected systems is divided into two parts:
I S 1 * = I S 2 * = I a b c d e s 1 * + I a d b e c s 2 *
where, I*S1 and I*S2 are the total current flowing through the two motors. I*abcdes1 and I*adbecs2 represent the current in the fundamental and harmonic subspace of five−phase VSI.
The total current of motor 1 can be transformed to the current I1sdq in the d-q subspace of motor 1, which is expressed as:
I 1 s d q = I d q 1 + T 12 I d q 2
The fundamental and harmonic current of motor 1 can be expressed as:
[ i 1 s d i 1 s q i 1 s d 3 i 1 s q 3 ] = [ i s 1 d i s 1 q i s 1 d 3 i s 1 q 3 ] + [ 0 0 cos ( φ ) sin ( φ ) 0 0 sin ( φ ) cos ( φ ) cos ( λ ) sin ( λ ) 0 0 sin ( λ ) cos ( λ ) 0 0 ] [ i s 2 d i s 2 q i s 2 d 3 i s 2 q 3 ]
Similarly, the total output current transformed to d-q subspace of motor 2 is I2sdq:
I 2 s d q = T 21 I d q 1 + I d q 2
The fundamental and harmonic current of motor 2 can be expressed as:
[ i 2 s d i 2 s q i 2 s d 3 i 2 s q 3 ] = [ i s 2 d i s 2 q i s 2 d 3 i s 2 q 3 ] + [ 0 0 cos ( λ ) sin ( λ ) 0 0 sin ( λ ) cos ( λ ) cos ( φ ) sin ( φ ) 0 0 sin ( φ ) cos ( φ ) 0 0 ] [ i s 1 d i s 1 q i s 1 d 3 i s 1 q 3 ]
From (17) and (19), it can be seen that the total current flowing through motor 1 and motor 2 will no longer be decoupled when transformed into their respective fundamental subspaces. The fundamental current of one motor will be affected by the harmonic current of the other motor. Due to the existence of the third harmonic current, the fundamental current of the biplane cannot be controlled independently. Therefore, the third harmonic current cannot exist in the motor current. If the two motors have no harmonic current, the fundamental current and the harmonic current of the motor 1 can be expressed as follows:
[ i 1 s d i 1 s q ] = [ i s 1 d i s 1 q ]
[ i 1 s d 3 i 1 s q 3 ] = [ i s 1 d 3 i s 1 q 3 ] + [ cos ( λ ) sin ( λ ) sin ( λ ) cos ( λ ) ] [ i s 2 d i s 2 q ]
The fundamental and harmonic currents of motor 2 are:
[ i 2 s d i 2 s q ] = [ i s 2 d i s 2 q ]
[ i 2 s d 3 i 2 s q 3 ] = [ i s 2 d 3 i s 2 q 3 ] + [ cos ( φ ) sin ( φ ) sin ( φ ) cos ( φ ) ] [ i s 1 d i s 1 q ]
It can be seen that when the current in two subspaces does not contain the third harmonic components, the fundamental currents of the two motors are completely decoupled. However, the harmonic current of one motor is only affected by the disturbance caused by the fundamental current of the other motor. Therefore, the fundamental current of the two motors is decoupled. The fundamental torque generated by the two motor current components in the total current does not affect the other. The total current will not increase additional iron loss. Because of the existence of internal resistance in the motor, the copper loss of the system will inevitably increase slightly. Considering harmonic flux−linkage and harmonic current, the currents of the two motors are substituted into (4), the torque equation of the two motors can be expressed as follows:
T e M 1 = 5 P 2 [ ψ s 1 m 1 i s 1 q + ( L s 1 d 1 L s 1 q 1 ) i s 1 d i s 1 q + 3 ψ s 1 m 3 ( sin ( λ ) i s 2 d + cos ( λ ) i s 2 q ) + 3 ( L s 1 d 3 L s 1 q 3 ) ( 0.5 sin ( 2 λ ) ( i s 2 d 2 i s 2 q 2 ) + cos ( 2 λ ) i s 2 d i s 2 q ) ]
T e M 2 = 5 P 2 [ ψ s 2 m 1 i s 2 q + ( L s 2 d 1 L s 2 q 1 ) i s 2 d i s 2 q 3 ψ s 2 m 3 ( sin ( φ ) i s 1 d + cos ( φ ) i s 1 q ) 3 ( L s 2 d 3 L s 2 q 3 ) ( 0.5 sin ( 2 φ ) ( i s 1 d 2 i s 1 q 2 ) + cos ( 2 φ ) i s 1 d i s 1 q ) ]
Equations (25) and (26) give the torque expressions of two series−connected motors. When the motor is a non−sinusoidal FPMSM, it will inevitably produce a periodic torque ripple, which is related to the angle of rotation and the current of another motor. With the increase of the third flux−linkage in a non-sinusoidal FPMSM, the torque ripple becomes greater, which limits the application of series-connected two−motor control systems. However, when the third flux−linkage of SIN-FPMSM is zero, the harmonic subspace does not participate in the electromechanical energy conversion. Although there is a certain coupling relationship between the harmonic currents of the two sinusoidal motors, the harmonic current of one motor does not produce torque ripple in the other motor. The torque of the two SIN−FPMSM in series can be simplified as:
{ T e M 1 = 5 P 2 ψ s 1 m 1 i s 1 q 1 T e M 2 = 5 P 2 ψ s 2 m 1 i s 2 q 1
Equation (27) shows that the torque of the two FPMSM is decoupled, only when the EMFs of the two motors are sinusoidal. However, a pure SIN−FPMSM is hard to manufacture. Therefore, solving the torque ripple caused by the third flux-linkage in two FPMSM series−connected systems has also become a key issue.

4. Dual-Frequency Vector Modulation Method

The space voltage vector distribution of the five−phase inverter is shown in Figure 3.

4.1. The Traditional Modulation Principle

When the harmonic space voltages of the two motors are both zero, the voltages of the two motors are decoupled from each other. From the existing five−phase single−biplane space vector modulation method, the modulation method that meets the voltage decoupling of the two motors is the near four−vector modulation method for both spaces. This method can ensure that the superimposed harmonic voltage of the two motors is zero, so as to ensure that the voltages of the two planes do not interfere with each other, on this basis, this paper proposes two PWM generation methods to further improve the modulation ratio of SVPWM. The reference voltage vector of the two motors is shown in Equation (28). The two orthogonal plane voltages are independent from each other and can be operated at different frequencies, so they can be named as the dual−frequency vector modulation algorithm (Dual Frequent Vector SVPWM, DFV−SVPWM) [25].
{ U r 1 = 1 2 m 1 U d c e j θ 1 U r 2 = 1 2 m 2 U d c e j θ 2
where, θ1, θ2 - are phase angles of two motors.
According to the magnitude of the reference vector, the modulation period is able to be divided into two sub−periods, TS1 and TS2, which satisfies:
T S = T S 1 + T S 2
In each sub−period, the corresponding reference voltage vector is synthesized according to the near four−vector algorithm [26], so as to ensure that when vector synthesis is performed in TS1, no accompanying vector will be generated in another subspace.
{ T L 1 k = | U r 1 | sin ( k 1 π / 5 θ 1 ) ( | U L | + 0.618 | U M | ) sin ( π / 5 ) T S T L 1 ( k + 1 ) = | U r 1 | sin ( θ 1 ( k 1 1 ) π / 5 ) ( | U L | + 0.618 | U M | ) sin ( π / 5 ) T S T M 1 k = 0.618 T L 1 k T M 1 ( k + 1 ) = 0.618 T L 1 ( k + 1 )
The active time of each voltage vector in the second space is
{ T L 2 k = | U r 2 | sin ( k 2 π / 5 θ 2 ) ( | U L | + 0.618 | U M | ) sin ( π / 5 ) T S T L 2 ( k + 1 ) = | U r 2 | sin ( θ 2 ( k 2 1 ) π / 5 ) ( | U L | + 0.618 | U M | ) sin ( π / 5 ) T S T M 2 k = 0.618 T L 2 k T M 2 ( k + 1 ) = 0.618 T L 2 ( k + 1 )
The active time of the zero vector in the two sub−periods is
{ T 01 = T S 1 T L 1 k T L 1 ( k + 1 ) T M 1 k T M 1 ( k + 1 ) T 02 = T S 2 T L 2 k T L 2 ( k + 1 ) T M 2 k T M 2 ( k + 1 )
Since two reference vectors are allocated according to the period, the maximum modulation of the modulation algorithm is reached when the active time of the two zero vectors in Equation (32) is zero. Since both planes are the near four−vector modulation methods [26], the linear modulation range of the near four-vector modulation is within the regular decagon, and the reference vector range satisfies
U r cos ( k   π / 5 θ ) 0.5257 U d c
From (30) and (31), it can be seen that when modulating with the same period TS, the magnitude of the reference vector amplitude is proportional to the total action time of the non−zero vector. Therefore, when the full modulation is TSx, the modulation boundary should be a regular decagon reduced in proportion to TSx/TS. Therefore, the two reference vector modulation ranges with TS1 and TS2 as the full modulation time can be expressed as follows:
{ U r 1 cos ( k 1 π / 5 θ 1 ) ( T S 1 / T S ) 0.5257 U d c U r 2 cos ( k 2 π / 5 θ 2 ) ( T S 2 / T S ) 0.5257 U d c
U r 1 c o s ( k 1 π / 5 θ 1 ) + U r 2 cos ( k 2 π / 5 θ 2 ) 0.5257 U d c
where, K1 and K2 are the sector number of Ur1 and Ur2, respectively.
It can be seen that the modulation range of dual−frequency modulation within two regular decagons satisfies Equation (35). If the complete two-rotation reference vector is strictly guaranteed, the modulation range of the dual-frequency modulation method should be the same as the single−plane nearest four vectors. The maximum modulation ratio is 1.054. Due to the eight basic vectors in the biplane and any sector of the reference vector, there are up to 100 vector combinations. With such a complex vector arrangement, the waveform cannot be centered symmetrically. Asymmetry not only limits the modulation range, but also brings difficulties to the realization of components and algorithms, which requires certain implementation methods to be optimized.

4.2. The Combination Method 1 (M1)

The first combination is based on the idea of centralization, which solves the problem of asymmetry in the center of the PWM waveform. The centralization idea is based on the cycle as the unit, according to the principle of sub−second balance, by centering the high level of each phase to ensure the same duty cycle. In this way, the harmonic components are reduced under certain conditions and the voltage of each phase remains unchanged, which does not affect the modulated output voltage. The first method is to uniformly modulate the modulation vectors of the two subspace planes through a centralization method, and the other vectors remain unchanged in time, while the the zero vector is uniformly calculated as shown in Equation (36).
T 0 = T s T M 11 + T M 12 + T L 11 + T L 12 + T M 21 + T M 22 + T L 21 + T L 22
At the same time, the active time of the modulated five−phase vector after the centering is given as:
{ T a = T M 11 + T M 12 + T L 11 + T L 12 + T M 21 + T M 22 + T L 21 + T L 22 + T 0 / 2 T b = T M 12 + T L 11 + T L 12 + T 0 / 2 T c = T M 12 + T M 22 + T L 21 + T L 22 + T 0 / 2 T d = T M 22 + T L 21 + T 0 / 2 T e = T M 12 + T L 11 + T M 22 + T 0 / 2
Since the first method is based on the two spatial sub-plane modulations, the modulation time is different in the time period of Ts. Therefore, the modulation time of the first method in different sectors is not the same. Figure 4 shows the switching time distribution of the non−zero vectors of different sectors.
As can be seen in the Figure 4, when the reference vector is in different modulation sectors, its maximum non−zero modulation phase voltage is also different. Therefore, the two reference vectors will have different maximum modulation ratios in different sectors. When the maximum modulation phase voltage of the fundamental sub−plane and the maximum phase voltage of the harmonic sub−plane are the same, the first method can increase the modulation range within a certain phase. In the full modulation period, a larger reference voltage can be obtained.

4.3. The Combination Method 2 (M2)

In order to further improve the modulation ratio, while considering the related methods of reference carrier modulation, the active time of each vector can be calculated separately by Formulas (30) and (31). The x(x {a,b,c,d,e} phase non-zero vector active time T01X of reference Ur1 and non-zero vector active time T02X of reference Ur2 are calculated. The two reference vectors are modulated in their respective subspaces, and the respective zero vector active time T01 and T02 can be obtained through Equation (38) Calculation of the high−level active time T1X of x phase of the fundamental sub−plane and the harmonic sub-plane T2X, respectively, is shown in Equation (39).
{ T 01 = T S T L 1 k T L 1 ( k + 1 ) T M 1 k T M 1 ( k + 1 ) T 02 = T S T L 2 k T L 2 ( k + 1 ) T M 2 k T M 2 ( k + 1 )
{ T 1 x = T 01 x + T 01 / 2 T 2 x = T 02 x + T 02 / 2   x { a , b , c , d , e }
According to the principle of bipolar modulation, the relationship between output voltage and duty cycle can be given as
{ U 1 = D 1 U D C 0.5 U D C U 2 = D 2 U D C 0.5 U D C U O = D O U D C 0.5 U D C
In order to superimpose the output voltage, from UO = U1 + U2 and (40):
D O = D 1 + D 2 0.5
Therefore, the modulation time of the combined voltage of each phase is
T O X = T 1 X + T 2 X 0.5 T S x { a , b , c , d , e }
Combination method 2 and method 1 have different zero vector processing methods in the two-plane modulation process. At the same time, method 2 considers the cancellation phenomenon of the two waveforms on the modulation voltage, which can effectively improve the modulation ratio. Modulation time allowed by method 2 (T1X + T2X) > TS, and the zero vector active time will not be less than zero, however, the condition (43) must be satisfied when the maximum modulation is required, otherwise the modulation will exceed the modulation range:
max ( T O a , T O b , T O c , T O d , T O e ) = T S
To sum up, when the first mode is at full modulation ratio, T1X and T2X directly synthesize the modulation waveform without zero vector. However, in the second mode, when the modulation ratio is full, due to separate modulation, the two sub−planes alone have not reached full modulation, so there must be a certain zero vector.

4.4. Modulation Ratio Veritification

To facilitate the verification of the difference between the two combinations, take θ1 = 3θ2 as an example. Given motor 1 reference voltage 0.3 UDC, the modulation example of the two modulation modes under different phase difference (PD) is calculated as shown in the Figure 5.
It can be seen that the combination method 2 will have a higher modulation ratio than the combination method 1, which greatly increases the modulation range of dual-frequency vector modulation. Figure 6 shows the modulation ratio distribution of combination method 2 in the full range state. The second method has a better effect on the improvement of the modulation ratio on the dual-frequency vector modulation.

5. Control Strategy and Torque Compensation Method

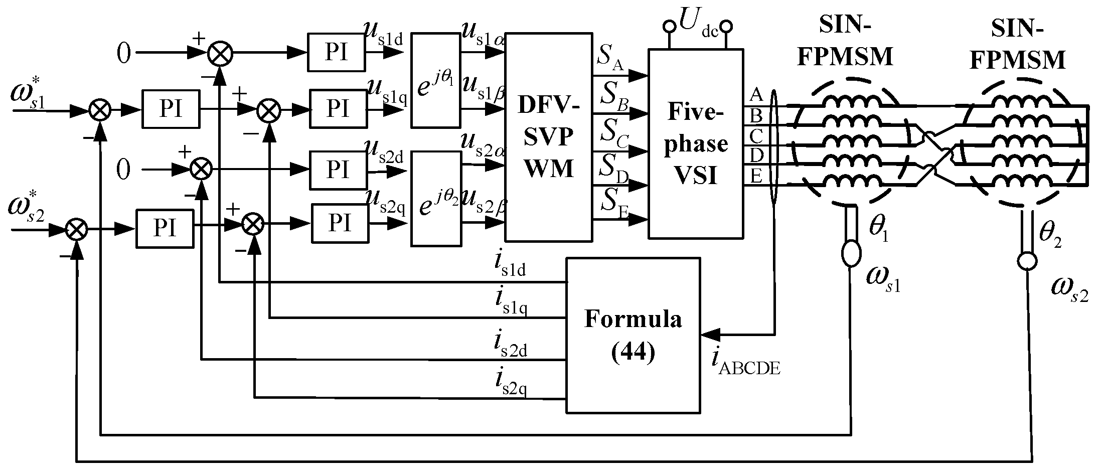
According to the mathematical model, when the two motors are both SIN−FPMSMs, only the fundamental current of the two motors participates in energy conversion, while in dual−vector modulation voltages are decoupled. However, since the current is the total current flowing through the two motors, the fundamental and harmonic currents of the two motors are cross−coupled with each other. The coupling current in the harmonic space does not produce torque in the sinusoidal motor, so the series vector control of the dual−sine five−phase permanent magnet synchronous motor based on dual−frequency vector (DFV) modulation is shown in Figure 7.
Figure 7 shows the block diagram of two SIN−FPMSMs in series based on decoupling control. The transformation matrix in the Figure 7 is
T ( θ 1 , θ 2 ) = 2 5 [ cos θ 1 cos ( θ 1 α ) cos ( θ 1 2 α ) cos ( θ 1 3 α ) cos ( θ 1 4 α ) sin θ 1 sin ( θ 1 α ) sin ( θ 1 2 α ) sin ( θ 1 3 α ) sin ( θ 1 4 α ) cos θ 2 cos ( θ 2 3 α ) cos ( θ 2 α ) cos ( θ 2 4 α ) cos ( θ 2 2 α ) sin θ 2 sin ( θ 2 3 α ) sin ( θ 2 α ) sin ( θ 2 4 α ) sin ( θ 2 2 α ) 1 2 1 2 1 2 1 2 1 2 ]
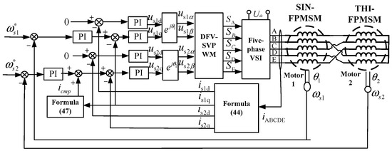
For THI−FPMSM, this control scheme will be difficult to achieve better control, and divergence or oscillation may even occur. In order to better verify and solve the influence of the third flux−linkage in series, motor 2 (THI−FPMSM), of which harmonic content 21%, is serially connected to the topology. This paper proposes a third flux−linkage current compensation method to solve the problem of harmonic torque ripple when non−sinusoidal motors are connected in series. By optimizing the fundamental current of the non−sinusoidal motor, the torque ripple of the non−sinusoidal motor is compensated. The series torque expression of a non-sinusoidal motor is
T e M 2 = 5 P 2 [ ψ s 2 m 1 i s 2 q + ( L s 2 d 1 L s 2 q 1 ) i s 2 d i s 2 q 3 ψ s 2 m 3 ( sin ( φ ) i s 1 d + cos ( φ ) i s 1 q ) 3 ( L s 2 d 3 L s 2 q 3 ) ( 0.5 sin ( 2 φ ) ( i s 1 d 2 i s 1 q 2 ) + cos ( 2 φ ) i s 1 d i s 1 q ) ]
Under the condition of ignoring the salient pole inductance difference and id = 0, the torque of the motor 2 can be further simplified into:
T e M 2 = 5 P 2 [ ψ s 2 m 1 i s 2 q 3 ψ s 2 m 3 cos φ i s 1 q ]
From the simplified torque expression of the non−sinusoidal five−phase motor, it can be seen that due to the coupling between the fundamental current of motor 1 and the harmonic current of motor 2, in (46), periodic torque ripple caused by the fundamental current of the motors appears. In order to suppress the torque ripple caused by the third magnetomotive force of a non-sinusoidal motor, it can only be suppressed by the torque of the fundamental current of the motor. The new torque compensation current is given as shown:
{ i s 2 q * = i s 2 q + i c m p i c m p = 3 ( ψ s 2 m 3 / ψ s 2 m 1 ) cos φ i s 1 q
To suppress non-sinusoidal torque ripple harmonic current caused by THI−FPMSM, it is necessary to increase the compensation term in the fundamental current. The control scheme of the compensated sine and non−sinusoidal FPMSM is shown in Figure 8.
According to the mathematical model of two motors in series, the compensated fundamental current of motor 2 will generate harmonic currents in the harmonic space of motor 1, which is:
[ i s 1 d 3 i s 1 q 3 ] = [ sin ( φ ) ( i s 2 q 2 3 ( ψ s 2 m 3 / ψ s 2 m 1 ) cos φ i s 1 q ) cos ( φ ) ( i s 2 q 2 3 ( ψ s 2 m 3 / ψ s 2 m 1 ) cos φ i s 1 q ) ]
From (48), it can be seen that non-sinusoidal torque compensation causes complex harmonic currents. If motor 1 also uses a non−sinusoidal motor, it will cause a large torque ripple. The proposed torque compensation method reduces the torque ripple caused by the harmonic flux without increasing the torque ripple of the other motor, even for the non−sinusoidal five−phase motor.

6. Simulation and Experiment

6.1. Simulation Verification

The experiment uses two types of FPMSMs, of which the number of slots is 30 and the number of poles is 8. By using fractional slot short−pitch windings, the cogging torque of the motor is effectively reduced. In order to ensure that the air gap has a trapezoidal magnetic field distribution, the rotor magnet is designed to be flat−topped. Permanent magnets are not specially cut, and the cogging will have a certain influence on the magnetic density, which produces a certain third harmonic magnetomotive force. This non−sinusoidal FPMSM is THI−FPMSM. For the SIN−FPMSM, in order to ensure the reduction of the third harmonic magnetomotive force component, the air gap flux density is close to the sinusoidal distribution. The shape of the permanent magnet of the rotor needs to be specially designed, and the angle cut method of the rotor magnet can effectively suppress the high−order harmonic components of the air gap synthesis magnetic density. This design can ensure that the magnetic density of the motor only contains a small amount of third and fifth harmonics. At the same time, the stator windings of the motor have also been reduced. The simulation model established by ANSYS Maxwell of the two motors, respectively, are shown in the Figure 9.
Figure 10 shows the open−winding back−EMF of two FPMSMs at the speed of 200 rpm in the generation state. The result of Fourier analysis on the back−EMF is shown in Figure 11.
Figure 11 shows that the third harmonic of back−EMF are 5.9% in SIN−FPMSM and 24.3% in THI−FPMSM, respectively. The fifth and seventh harmonics in THI-FPMSM are much higher than harmonics in SIN−FPMSM, and the ninth harmonic only exists in THI−FPMSM. The phase back−EMF in Figure 10 is the open−winding back−EMF, and the fifth harmonic is eliminated by using star connection. However, the seventh and ninth harmonics will cause torque ripple. Comparing the two types of FPMSM, THI−FPMSM has much higher torque density, while the SIN−FPMSM has smaller third torque ripple.
Simulation 1. Harmonic torque compensation simulation verification
In order to verify the torque compensation characteristics of two FPMSMs series−connected systems, in which one motor is SIN−FPMSM (motor 1) and the other is THI−FPMSM (motor 2), only the current of q axis is added to series−connected motors. After ignoring the initial position factor, the injection current is added to THI−FPMSM (motor 2). The expression is shown in (49):
{ i 2 A = I s 2 q * sin ( ω 2 t ) + I s 1 q sin ( ω 1 t ) i 2 B = I s 2 q * sin ( ω 2 t α ) + I s 1 q sin ( ω 1 t 2 α ) i 2 C = I s 2 q * sin ( ω 2 t 2 α ) + I s 1 q sin ( ω 1 t + α ) i 2 D = I s 2 q * sin ( ω 2 t + 2 α ) + I s 1 q sin ( ω 1 t α ) i 2 E = I s 2 q * sin ( ω 2 t + α ) + I s 1 q sin ( ω 1 t + 2 α )
Given that motor 2 rotates at 300 rpm and the current Is2q = 1 A, Equation (47) calculates compensation current I*s2q; the speed of motor 1 is 200 rpm, and the current Is1q = 0.5 A. The current of motor 2 is shown in (49). The current and torque results with the proposed compensation method are shown in Figure 12, and the results without compensation are shown in Figure 13 under the same conditions.
It can be seen that the compensation can effectively suppress the torque ripple of THI−FPMSM in series, so that the non−sinusoidal motor can be applied in two FPMSMs series−connected systems. The experimental results show that the proposed current compensation method is very effective in compensating the torque ripple caused by the third harmonic flux−linkage.
Simulation 2. the influence of current compensation
With the current compensation, it is still necessary to perform finite element simulation on the torque characteristics of the sinusoidal motors connected in series. Therefore, in order to study the torque characteristics of the sinusoidal motor under sinusoidal and non−sinusoidal series torque compensation, only the current of q axis is added to the motor, and the initial position factor is ignored. The injection current which is added to the sinusoidal motor (motor 1) is shown as (50):
{ i 1 A = I s 1 q sin ( ω 1 t ) + I s 2 q * sin ( ω 2 t ) i 1 B = I s 1 q sin ( ω 1 t α ) + I s 2 q * sin ( ω 2 t + 2 α ) i 1 C = I s 1 q sin ( ω 1 t 2 α ) + I s 2 q * sin ( ω 2 t α ) i 1 D = I s 1 q sin ( ω 1 t + 2 α ) + I s 2 q * sin ( ω 2 t + α ) i 1 E = I s 1 q sin ( ω 1 t + α ) + I s 2 q * sin ( ω 2 t 2 α )
Given the speed of SIN−FPMSM (motor 1) is 300 rpm, Is1q = 1 A. The speed of THI−FPMSM (motor 2) is 200 rpm, Is2q = 0.5 A, (46) calculates I*s2q. The motor input current is shown in (50). The finite element is used to simulate the current and torque characteristics of motor 1, and the results are shown in Figure 14.
Compared with Figure 15, the results of Figure 14 show that with the current compensation of motor 2, the compensation current has little impact on the torque of motor 1. Because of the smaller third flux−linkage, the influence on the harmonic torque of motor 1 is small. Therefore, the current compensation method can effectively suppress the torque ripple caused by the harmonic flux−linkage of THI−FPMSM, without affecting the torque of the other motor. This also enables non−sinusoidal motors to be used in series. However, when two motors are operated in series, it is still required that the harmonic flux−linkage of two motors, or at least one motor, is as small as possible.

6.2. Experiment Verification

The experiment platform of two FPMSMs series−connected systems is established as shown in Figure 16. The connection of two motors is shown in Figure 2. The bus voltage is 150 V, motor 1 is a nearly sinusoidal five−phase permanent magnet synchronous motor (SIN−FPMSM), and motor 2 is a non−sinusoidal five−phase permanent magnet synchronous motor (THI−FPMSM).
The parameters of the two motors are shown in Table 1. Motor 1 is a sinusoidal five−phase motor with 6% of the harmonic back EMF and motor 2 (THI−FPMSM) contains 24.3% of the third harmonic flux−linkage.
Experiment 1. In order to verify the dual−frequency vector modulation method, the reference voltage of motor 1 is given as Ur1:Us1d = 0 V, Us1q = 30 V; The reference voltage of motor 2 is Ur2:Us2d = 0 V, Us2q = 15 V. Setting different phase angle relationships θ2 = 3θ1 and θ2 = 4θ1, the experimental results of modulation voltage, phase voltage, and reference voltage of the two motors with DFV−SVPWM are shown in Figure 17.
Experiment 2. In order to verify the voltage decoupling characteristics of double motors in series and eliminate current interference, voltage open−loop experiments are carried out on two motors in series without load, setting the voltage at Ur1:Us1d = 0 V, Us1q = 20 V; Ur2:Us2d = 0 V, Us2q = −30 V. When the motor runs stably, the Us1q voltage of motor 1 is set to a negative value. The speed and voltage waveforms of the two motors are shown in Figure 18.
From Figure 18, it can be seen that both motors can run smoothly with a given voltage. This also verifies the validity of the voltage decoupling of two motors in a steady state. Due to the transient coupling relationship between the two motors, when an open−loop voltage reference step occurs in motor 1, motor 2 will have a transient speed disturbance, and motor 1 will also be disturbed. Figure 18b shows the voltage modulation waveforms of phase A and phase B during dynamic switching. Under no−load conditions, the phase currents of the two motors are small, so motor 2 can also run smoothly with a larger third flux−linkage. However, when motor 2 is affected by the current of motor 1 during the load changing, the torque ripple is large, and the current of motor 2 needs to be compensated.
Experiment 3. Adding current compensation in Equation (47) to motor 2 to verify the speed closed−loop operating performance of two motors in series. The control strategy is shown in Figure 8. Under no−load conditions, the speed reference of motor 1 is 200 rpm, and the speed reference of motor 2 is −100 rpm. The speed reference of motor 1 changes from 200 rpm to −200 rpm, and motor 2 changes from −100 rpm to 100 rpm. Figure 19 shows the speed and current waveforms of two series−connected motors.
It can be seen from Figure 19 that the two motors can realize independent speed adjustment. It can be seen from speed waveforms that the speed of motor 1 is basically the same as the open loop state. Under no−load conditions, the closed−loop speed of motor 2 can also run smoothly. Compared with the open−loop state, the speeds of the two motors are both more stable. In the no−load state, because of the small current, the compensation effect of the periodic torque ripple caused by harmonic flux−linkage in motor 2(THI−FPMSM) is not obvious.
Experiment 4. In order to verify the effect of current compensation and the periodic disturbance from the sinusoidal motor to the non−sinusoidal motor, a 4N.m load step is applied to motor 1 in an uncompensated state. The control structure is shown as Figure 8, but without icmp. The experimental result of speed closed−loop decoupling control without current compensation under load step is shown in Figure 20.
From Figure 20, when the load of motor 1 is 4 N.m without current compensation, it can be seen that motor 2 (THI−FPMSM) has a large periodic torque ripple. Because of the harmonic flux−linkage of motor 2, the decoupling current from motor 1 causes harmonic torque disturbance in motor 2. However, the average speed of non−sinusoidal motor 2 is not affected by the load of motor 1, but the ripple in motor 2 is unacceptable. The flux−linkage torque ripple suppression method proposed in this paper can suppress the harmonic torque ripple by compensating the fundamental current in Equation (47).
Appling the proposed compensation method, the control structure is shown as Figure 8. A load step from 4 N·m to 6.5 N·m is applied to motor 1. The experimental results of speed closed−loop decoupling control with current compensation are shown in Figure 21.
From Figure 20 and Figure 21, under the same load 4 N.m, the speed of motor 2 in Figure 21 with current compensation is much more stable than speed in Figure 20 without current compensation. It can be seen that the current compensation method can effectively suppress the torque ripple caused by the harmonic flux−linkage in dual−series FPMSM control systems. In Figure 21, when the load of motor 1 is increased to 6.7 N·m, motor 2 still runs smoothly with the current compensation method. It can be seen from the speed waveform of motor 1 that the compensation current does not cause interference to motor 1, either. The experimental results show that the current compensation method proposed in the article can effectively solve the torque disturbance caused by the harmonic flux−linkage in a two-motor series−connected decoupling control system. Under the load 6.7 N·m, the decouple current of two FPMSMs in series with current compensation is shown in Figure 22.
Figure 22 shows the decoupling currents of the two motors in each fundamental decoupling space. It can be seen that the currents of motor 1 and motor 2 are relatively stable. Due to the influence of the third flux−linkage on the torque, the q-axis current of motor 2 exhibits periodic fluctuations with the current compensation. Although the currents of the two motors are not decoupled completely, the flux−linkage torque ripple compensation method can suppress the decoupling influence of two FPMSMs in series and improves the independent control effect in this series connection control system.

7. Conclusions

This paper makes a study of the decoupling control of two FPMSMs in series based on DFV−SVPWM. The decoupling modeling of dual−series FPMSMs with harmonic flux-linkage, the improved DFV−SVPWM, and a flux−linkage torque ripple suppression method are proposed and verified. The following conclusions are drawn:
  • The mathematical model of decoupling control of dual−series FPMSMs with harmonic flux−linkage is established to reveal the decoupling characteristics of two series−connected motors.
  • The new combination method (M1 and M2) of DFV−SVPWM for double motors in series is proposed to improve the modulation ratio of traditional modulation.
  • Based on the influence on torque of two series−connected motors by harmonic flux−linkage, a torque ripple compensation method is proposed. The torque ripple of one motor can be optimized without affecting the other motor. The method is of great significance for different functional motors with different requirements in multi−unit industrial equipment.
The series connection and modulation method based on multi-dimensional space vector is not only suitable for series operation of five−phase motors, but also for other multiphase motors. In addition, by means of torque current compensation method, the double motors with single inverter can be applied in higher precision, and even the non−sinusoidal motors can be worked in series. The correctness and superiority of the scheme are verified by simulation and experiment in this paper.

Author Contributions

G.S. studied the scientific and technical literature, designed the experiment and carried out the test. G.S. and G.L. wrote the original manuscript. G.Y. provided the necessary materials and equipment support. J.S. offered guidance and project supervision. All the authors discussed the results and commented on the manuscript. All authors have read and agreed to the published version of the manuscript.

Funding

This work was supported in part by the National Natural Science Foundation of China (grant No. 51437004).

Acknowledgments

The authors thank anonymous reviewers for providing useful comments and suggestions that resulted in the improved quality of this paper.

Conflicts of Interest

The authors declare no conflict of interest.

References

  1. Yeam, T.I.; Dong, C.L. Design of Sliding-Mode Speed Controller with Active Damping Control for Single-Inverter Dual-PMSM Drive Systems. IEEE Trans. Power Electron. 2021, 36, 5794–5801. [Google Scholar] [CrossRef]
  2. Zhou, Y.; Chen, G. Predictive DTC Strategy with Fault-Tolerant Function for Six-Phase and Three-Phase PMSM Series-Connected Drive System. IEEE Trans. Ind. Electron. 2018, 65, 9101–9112. [Google Scholar] [CrossRef]
  3. Lu, J.D.; Hu, Y.H.; Wang, J.W.; Song, Y.G.; Su, Y.; Liu, J.L. Synergistic Correction of Current Sampling Errors in Dual-Motor Powered Electric Power train for High Power Electric Vehicles. IEEE Trans. Ind. Electron. 2022, 69, 225–235. [Google Scholar] [CrossRef]
  4. Janouš, Š.; Talla, J.; Šmídl, V.; Peroutka, Z. Constrained LQR Control of Dual Induction Motor Single Inverter Drive. IEEE Trans. Ind. Electron. 2021, 68, 5548–5558. [Google Scholar] [CrossRef]
  5. Gunabalan, R.; Sanjeevikumar, R.; Blaabjerg, P.F.; Ojo, O.; Subbiah, V. Analysis and Implementation of Parallel Connected Two-Induction Motor Single-Inverter Drive by Direct Vector Control for Industrial Application. IEEE Trans. Power Electron. 2015, 30, 6472–6475. [Google Scholar] [CrossRef]
  6. Lazi, J.M.; Ibrahim, Z.; Sulaiman, M.; Razali, A.M.; Kamisman, N. Independent control for dual-PMSM drives using Five-Leg Inverter. In Proceedings of the 2015 IEEE Conference on Energy Conversion (CENCON), Johor Bahru, Malaysia, 19–20 February 2015. [Google Scholar]
  7. Levi, E. Advances in Converter Control and Innovative Exploitation of Additional Degrees of Freedom for Multiphase Machines. IEEE Trans. Ind. Electron. 2016, 63, 433–448. [Google Scholar] [CrossRef] [Green Version]
  8. Levi, E.; Jones, M.; Vukosavic, S.N.; Toliyat, H.A. Operating principles of a novel multiphase multimotor vector-controlled drive. IEEE Trans. Energy Convers. 2004, 19, 508–517. [Google Scholar] [CrossRef]
  9. Thavot, M.; Iqbal, A.; Saleh, M.; Kalam, A. Modeling of a seven-phase series-connected three-motor drive system. In Proceedings of the 2013 7th IEEE GCC Conference and Exhibition (GCC), Doha, Qatar, 17–20 November 2013. [Google Scholar]
  10. Dujic, D.; Grandi, G.; Jones, M.; Levi, E. A Space Vector PWM Scheme for Multifrequency Output Voltage Generation with Multiphase Voltage-Source Inverters. IEEE Trans. Ind. Electron. 2008, 55, 1943–1955. [Google Scholar] [CrossRef] [Green Version]
  11. An, X.; Liu, G.; Chen, Q.; Zhao, W.; Song, X. Robust predictive current control for fault-tolerant operation of five-phase PM motors based on online stator inductance identification. IEEE Trans. Power Electron. 2021, 36, 13162–13175. [Google Scholar] [CrossRef]
  12. Xiong, C.; Guan, T.; Zhou, P.; Xu, H. A Fault-Tolerant FOC Strategy for Five-Phase SPMSM with Minimum Torque Ripples in the Full Torque Operation Range Under Double-Phase Open-Circuit Fault. IEEE Trans. Ind. Electron. 2020, 67, 9059–9072. [Google Scholar] [CrossRef]
  13. Qiu-Liang, H.; Yong, C.; Li, X. Fault-Tolerant Control Strategy for Five-Phase PMSM With Third-Harmonic Current Injection. Access IEEE. 2018, 6, 58501–58509. [Google Scholar] [CrossRef]
  14. Chen, H.; Su, C. Current control for single-inverter-fed series-connected five-phase PMSMs. IEEE Intern. Sym. Ind. Electron. 2013, 36, 1–6. [Google Scholar]
  15. Levi, E.; Jones, M.; Vukosavic, S.N.; Toliyat, H.A. A novel concept of a multiphase, multi-motor vector controlled drive system supplied from a single voltage source inverter. IEEE Trans. Power Electron. 2004, 19, 320–335. [Google Scholar] [CrossRef]
  16. Gataric, S. A polyphase cartesian vector approach to control of polyphase AC machines. In Proceedings of the 35th IAS Annual Meeting and World Conference on Industrial Applications of Electrical Energy, Rome, Italy, 8–12 October 2000. [Google Scholar]
  17. Levi, E.; Jones, M.; Vukosavic, S.N.; Toliyat, H.A. A five-phase two machine vector controlled induction motor drive supplied from a single inverter. EPE J. 2004, 14, 38–48. [Google Scholar] [CrossRef]
  18. Iqbal, A.; Moinuddin, S. Comprehensive Relationship Between Carrier-Based PWM and Space Vector PWM in a Five-Phase VSI. IEEE Trans. Power Electron. 2019, 24, 2379–2390. [Google Scholar] [CrossRef]
  19. Mengoni, M.; Tani, A.; Zarri, L.; Serra, G.; Casadei, D. Position Control of a Multi-Motor Drive Based on Series-Connected Five-Phase Tubular PM Actuators. IEEE Trans. Ind. Appl. 2012, 48, 2048–2058. [Google Scholar] [CrossRef]
  20. Abdel-Khalik, A.S.; Masoud, M.I.; Williams, B.W. Improved Flux Pattern with Third Harmonic Injection for Multiphase Induction Machines. IEEE Trans. Power Electron. 2012, 27, 1563–1578. [Google Scholar] [CrossRef]
  21. Mekri, F.; Charpentier, J.F.; Semail, E. An efficient control of a series connected two-synchronous motor 5-phase with non sinusoidal EMF supplied by a single 5-leg VSI: Experimental and theoretical investigations. Electr. Power Syst. Res. 2021, 92, 11–19. [Google Scholar] [CrossRef] [Green Version]
  22. Bianchi, N.; Bolognani, S.; Dai Pre, M. Strategies for the Fault-Tolerant Current Control of a Five-Phase Permanent-Magnet Motor. IEEE Trans. Ind. Appl. 2007, 43, 960–970. [Google Scholar] [CrossRef]
  23. Malvar, J. Graphical Diagram for Subspace and Sequence Identification of Time Harmonics in Symmetrical Multiphase Machines. IEEE Trans. Ind. Electron. 2014, 61, 29–42. [Google Scholar] [CrossRef]
  24. Sun, G.; Yang, G.; Wang, Y.; Su, J. Unified Fault-tolerant Control Strategy with Torque Ripple Compensation for Five-phase Permanent Magnet Synchronous Motor Based on Normal Decoupling. Energies 2019, 12, 1127. [Google Scholar]
  25. Sun, G.; Su, J.; Yang, G. Four Dimensional Current Control Method of Five-phase PMSM Based on Dual Frequency Vector Modulation. Proc. CSEE 2019, 39, 836–844. (In Chinese) [Google Scholar]
  26. Sun, G.; Su, J.; Yang, G.; Zhou, C. Minimum Harmonic Voltage Modulation Method of Near Four Vector for Five-phase Voltage Source Inverter. Proc. CSEE 2017, 37, 5730–5740. (In Chinese) [Google Scholar]
Figure 1. The space distribution of five−phase VSI in double subspace: (a) in fundamental subspace (b) in harmonic subspace.
Figure 1. The space distribution of five−phase VSI in double subspace: (a) in fundamental subspace (b) in harmonic subspace.
Energies 15 04700 g001
Figure 2. Dual−series FPMSMs connection based on double subspaces.
Figure 2. Dual−series FPMSMs connection based on double subspaces.
Energies 15 04700 g002
Figure 3. Voltage vectors distribution of five−phase VSI: (a) in fundamental subspace, (b) in harmonic subspace.
Figure 3. Voltage vectors distribution of five−phase VSI: (a) in fundamental subspace, (b) in harmonic subspace.
Energies 15 04700 g003
Figure 4. Non−zero vector switching signal distributions of the DFV−SVPWM algorithm on double plane: (a) in α1-β1 subspace; (b) in α3-β3 subspace.
Figure 4. Non−zero vector switching signal distributions of the DFV−SVPWM algorithm on double plane: (a) in α1-β1 subspace; (b) in α3-β3 subspace.
Energies 15 04700 g004
Figure 5. The modulation ratio comparison of combination method 1 (M1) and method 2 (M2).
Figure 5. The modulation ratio comparison of combination method 1 (M1) and method 2 (M2).
Energies 15 04700 g005
Figure 6. Modulation score layout of DFV−VSVPWM with method 2 (M2) under different phase differences.
Figure 6. Modulation score layout of DFV−VSVPWM with method 2 (M2) under different phase differences.
Energies 15 04700 g006
Figure 7. Double SIN−FPMSMS series control based on DFV−SVPWM.
Figure 7. Double SIN−FPMSMS series control based on DFV−SVPWM.
Energies 15 04700 g007
Figure 8. Two kinds of FPMSMS in series decoupling control based on DFV−SVPWM with current compensation.
Figure 8. Two kinds of FPMSMS in series decoupling control based on DFV−SVPWM with current compensation.
Energies 15 04700 g008
Figure 9. Maxwell model of two FPMSMs: (a) THI−FPMSM; (b) SIN−FPMSM.
Figure 9. Maxwell model of two FPMSMs: (a) THI−FPMSM; (b) SIN−FPMSM.
Energies 15 04700 g009
Figure 10. Simulation of air gap magnetic density of two FPMSMs: (a) THI−FPMSM; (b) SIN−FPMSM.
Figure 10. Simulation of air gap magnetic density of two FPMSMs: (a) THI−FPMSM; (b) SIN−FPMSM.
Energies 15 04700 g010
Figure 11. Back−EMF harmonic analysis of two FPMSMs: (a) THI−FPMSM; (b) SIN−FPMSM.
Figure 11. Back−EMF harmonic analysis of two FPMSMs: (a) THI−FPMSM; (b) SIN−FPMSM.
Energies 15 04700 g011
Figure 12. The current and torque simulation of series−connected THI−FPMSM with icmp: (a) five−phase current; (b) torque.
Figure 12. The current and torque simulation of series−connected THI−FPMSM with icmp: (a) five−phase current; (b) torque.
Energies 15 04700 g012
Figure 13. The current and torque simulation of series−connected THI−FPMSM without icmp: (a) five−phase current; (b) torque.
Figure 13. The current and torque simulation of series−connected THI−FPMSM without icmp: (a) five−phase current; (b) torque.
Energies 15 04700 g013
Figure 14. The current and torque simulation of series−connected SIN−FPMSM with icmp: (a) five−phase current; (b) torque.
Figure 14. The current and torque simulation of series−connected SIN−FPMSM with icmp: (a) five−phase current; (b) torque.
Energies 15 04700 g014
Figure 15. The current and torque simulation of series−connected SIN−FPMSM without icmp: (a) five−phase current; (b) torque.
Figure 15. The current and torque simulation of series−connected SIN−FPMSM without icmp: (a) five−phase current; (b) torque.
Energies 15 04700 g015
Figure 16. The experimental platform of dual−series FPMSM.
Figure 16. The experimental platform of dual−series FPMSM.
Energies 15 04700 g016
Figure 17. Experimental results of DFV−SVPWM with different frequencies: (a) θ2 = 3θ1; (b) θ2 = 4θ1.
Figure 17. Experimental results of DFV−SVPWM with different frequencies: (a) θ2 = 3θ1; (b) θ2 = 4θ1.
Energies 15 04700 g017
Figure 18. The voltage a speed waveform of voltage open−loop control based on DFV−SVPWM: (a) steady state; (b) dynamic state.
Figure 18. The voltage a speed waveform of voltage open−loop control based on DFV−SVPWM: (a) steady state; (b) dynamic state.
Energies 15 04700 g018
Figure 19. The current and speed waveform of speed close−loop control with current compensation under no load: (a) close−loop steady state; (b) close−loop speed adjustment.
Figure 19. The current and speed waveform of speed close−loop control with current compensation under no load: (a) close−loop steady state; (b) close−loop speed adjustment.
Energies 15 04700 g019
Figure 20. The current and speed waveform of speed closed−loop decoupling control without current compensation under load step from 0 N·m to 4 N·m.
Figure 20. The current and speed waveform of speed closed−loop decoupling control without current compensation under load step from 0 N·m to 4 N·m.
Energies 15 04700 g020
Figure 21. The current and speed waveform of speed closed−loop decoupling control with current compensation under further load step from 4 N·m to 6.5 N·m.
Figure 21. The current and speed waveform of speed closed−loop decoupling control with current compensation under further load step from 4 N·m to 6.5 N·m.
Energies 15 04700 g021
Figure 22. The decoupling current of dual−series FPMSMs decoupling control with current compensation.
Figure 22. The decoupling current of dual−series FPMSMs decoupling control with current compensation.
Energies 15 04700 g022
Table 1. Motor parameters.
Table 1. Motor parameters.
M1 ParameterM2 Parameter
r1 (Ω)1.26r2 (Ω)17.5
L1d(mH)3.91L2d(mH)55.3
L1q (mH)4.06L2q (mH)81.2
Ψ1 (Wb)0.3158Ψ2 (Wb)1.416
P14P24
J1 (kg⋅m2)5.9 × 10−3J2 (kg⋅m2)6.2 × 10−3
Publisher’s Note: MDPI stays neutral with regard to jurisdictional claims in published maps and institutional affiliations.

Share and Cite

MDPI and ACS Style

Sun, G.; Yang, G.; Su, J.; Lu, G. A Flux−Linkage Torque Ripple Suppression Method of Dual−Series FPMSMs Decoupling Control Based on Dual−Frequency Vector Modulation. Energies 2022, 15, 4700. https://doi.org/10.3390/en15134700

AMA Style

Sun G, Yang G, Su J, Lu G. A Flux−Linkage Torque Ripple Suppression Method of Dual−Series FPMSMs Decoupling Control Based on Dual−Frequency Vector Modulation. Energies. 2022; 15(13):4700. https://doi.org/10.3390/en15134700

Chicago/Turabian Style

Sun, Guodong, Guijie Yang, Jianyong Su, and Guangxu Lu. 2022. "A Flux−Linkage Torque Ripple Suppression Method of Dual−Series FPMSMs Decoupling Control Based on Dual−Frequency Vector Modulation" Energies 15, no. 13: 4700. https://doi.org/10.3390/en15134700

APA Style

Sun, G., Yang, G., Su, J., & Lu, G. (2022). A Flux−Linkage Torque Ripple Suppression Method of Dual−Series FPMSMs Decoupling Control Based on Dual−Frequency Vector Modulation. Energies, 15(13), 4700. https://doi.org/10.3390/en15134700

Note that from the first issue of 2016, this journal uses article numbers instead of page numbers. See further details here.

Article Metrics

Back to TopTop