Perovskite PV Energy Harvesting System for Uninterrupted IoT Device Applications
Abstract
:1. Introduction
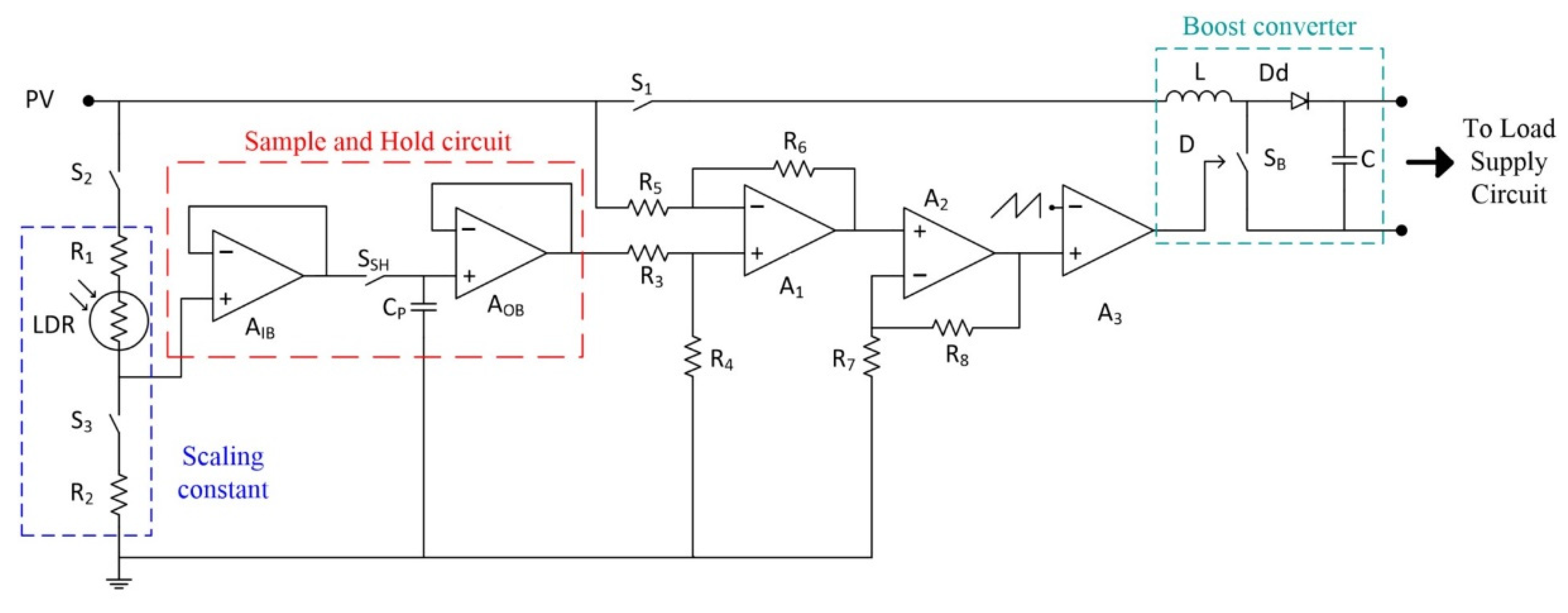
2. The Proposed Energy Harvesting System
2.1. The Perovskite Solar Cell (PSC)
2.2. Boost Converter
2.3. Maximum Power Point Tracking
2.4. Charge Management System
2.5. The Battery
2.6. The Load
3. Results
3.1. Load Data
3.2. Perovskite PV Solar Cell
3.3. Battery
3.4. Boost Converter
4. Case Studies and Discussion
4.1. Scenario 1: 1 Sun Condition
4.2. Scenario 2: 1000 Lux Indoor Light Level
4.3. Scenario 3: Battery Discharging
5. Conclusions
Author Contributions
Funding
Institutional Review Board Statement
Informed Consent Statement
Data Availability Statement
Conflicts of Interest
References
- Wojciechowski, K.; Forgács, D.; Rivera, T. Industrial Opportunities and Challenges for Perovskite Photovoltaic Technology. Sol. RRL 2019, 3, 1900144. [Google Scholar] [CrossRef]
- Liu, X.; Huang, L.; Ravichandran, K.; Sanchez-Sinencio, E. A Highly Efficient Reconfigurable Charge Pump Energy Harvester with Wide Harvesting Range and Two-Dimensional MPPT for Internet of Things. IEEE J. Solid-State Circuits 2015, 51, 1302–1312. [Google Scholar] [CrossRef]
- Cheng, Y.P.; Chao, P.C.P.; Men, G.Y.; Yang, C.C.; Wang, T.W. An 80% effeciency and highly adaptable PV energy harvest circuitry with MPPT for IOT devices. In Proceedings of the IEEE Sensors 2017, Glasgow, Scotland, 30 October–1 November 2017; pp. 1–33. [Google Scholar] [CrossRef]
- Mondal, S.; Paily, R. On-Chip Photovoltaic Power Harvesting System with Low-Overhead Adaptive MPPT for IoT Nodes. IEEE Internet Things J. 2017, 4, 1624–1633. [Google Scholar] [CrossRef]
- Eltaliawy, A.; Mostafa, H.; Ismail, Y. Microscale solar energy harvesting for wireless sensor networks based on exponential maximum power locking technique. In Proceedings of the IEEE International Conference on Electronics, Circuits, and Systems, Abu Dhabi, United Arab Emirates, 8–11 December 2013. [Google Scholar] [CrossRef]
- Venkatramanan, D.; John, V. Dynamic Modeling and Analysis of Buck Converter based Solar PV Charge Controller for Improved MPPT Performance. In Proceedings of the 2018 IEEE International Conference on Power Electronics, Drives and Energy Systems, PEDES 2018, Indian Institute of Technology Madras, Chennai, Tamilnadu, India, 18–21 December 2018. [Google Scholar] [CrossRef] [Green Version]
- Abdelmoaty, A.A.; Al-Shyoukh, M.; Hsu, Y.C.; Fayed, A.A. A MPPT circuit with 25 μw power consumption and 99.7% tracking efficiency for PV systems. IEEE Trans. Circuits Syst. I Regul.Pap. 2016, 64, 272–282. [Google Scholar] [CrossRef]
- Kantareddy, S.N.R.; Mathews, I.; Sun, S.; Layurova, M.; Thapa, J.; Correa-Baena, J.P.; Bhattacharyya, R.; Buonassisi, T.; Sarma, S.E.; Peters, I.M. Perovskite PV-Powered RFID: Enabling Low-Cost Self-Powered IoT Sensors. IEEE Sens. J. 2020, 20, 471–478. [Google Scholar] [CrossRef] [Green Version]
- Simjee, F.; Chou, P.H. Everlast: Long-life, supercapacitor-operated wireless sensor node. In Proceedings of the International Symposium on Low Power Electronics and Design, Tegernsee, Germany, 4–6 October 2006; pp. 197–202. [Google Scholar] [CrossRef]
- Habibzadeh, M.; Hassanalieragh, M.; Soyata, T.; Sharma, G. Supercapacitor-based embedded hybrid solar/wind harvesting system architectures. In Proceedings of the International System on Chip Conference, Munich, Germany, 5–8 September 2017; pp. 215–220. [Google Scholar] [CrossRef]
- Tsai, T.H.; Chen, K. A 3.4mW photovoltaic energy-harvesting charger with integrated maximum power point tracking and battery management. In Proceedings of the Digest of Technical Papers-IEEE International Solid-State Circuits Conference, San Francisco, CA, USA, 17–21 February 2013; Volume 56, pp. 72–73. [Google Scholar] [CrossRef]
- Lueangamornsiri, T.; Thongpull, K.; Chalermyanont, K.; Wichakool, W. Design and development of a stand-alone solar energy harvesting system by MPPT and quick battery charging. In Proceedings of the 2016 13th International Conference on Electrical Engineering/Electronics, Computer, Telecommunications and Information Technology (ECTI-CON), Chiang Mai, Thailand, 28 June—1 July 2016; pp. 1–5. [Google Scholar] [CrossRef]
- Mathews, I.; Kantareddy, S.N.; Buonassisi, T.; Peters, I.M. Technology and Market Perspective for Indoor Photovoltaic Cells. Joule 2019, 3, 1415–1426. [Google Scholar] [CrossRef]
- Cheng, R.; Chung, C.C.; Zhang, H.; Liu, F.; Wang, W.T.; Zhou, Z.; Wang, S.; Djurišić, A.B.; Feng, S.-P. Tailoring Triple-Anion Perovskite Material for Indoor Light Harvesting with Restrained Halide Segregation and Record High Efficiency Beyond 36%. Adv. Energy Mater. 2019, 9, 1901980. [Google Scholar] [CrossRef] [Green Version]
- Torimtubun, A.A.A.; Sanchez, J.G.; Pallares, J.; Marsal, L.F. Photostability Study of Inverted Polymer Solar Cells under AM 1.5G and LED Illumination via Impedance Spectroscopy. IEEE J. Electron Devices Soc. 2021, 9, 484–491. [Google Scholar] [CrossRef]
- Xu, J.; Chen, Y.; Dai, L. Efficiently photo-charging lithium-ion battery by perovskite solar cell. Nat. Commun. 2015, 6, 1–7. [Google Scholar] [CrossRef] [PubMed] [Green Version]
- Leoni, A.; Pantoli, L. SPICE Model Identification Technique of a Cheap Thermoelectric Cell Applied to DC/DC Design with MPPT Algorithm for Low-Cost, Low-Power Energy Harvesting. Appl. Sci. 2019, 9, 3744. [Google Scholar] [CrossRef] [Green Version]
- Ebrahim, M.A.; Mohamed, R.G. Comparative Study and Simulation of Different Maximum Power Point Tracking (MPPT) Techniques Using Fractional Control & Grey Wolf Optimizer for Grid Connected PV System with Battery. In Electric Power Conversion; IntechOpen: London, UK, 2019. [Google Scholar] [CrossRef] [Green Version]
- Ahmad, J. A fractional open circuit voltage based maximum power point tracker for photovoltaic arrays. In Proceedings of the ICSTE 2010-2010 2nd International Conference on Software Technology and Engineering, San Juan, PR, USA, 3–5 October 2010; Volume 1. [Google Scholar] [CrossRef]
- Huang, P.C.; Kuo, T.H. A 100-pA Adaptive-FOCV MPPT Circuit with >99.6% Tracking Efficiency for Indoor Light Energy Harvesting. In Proceedings of the 2019 IEEE Asian Solid-State Circuits Conference, A-SSCC 2019, Macau, Macao, 4–6 November 2019; pp. 185–188. [Google Scholar] [CrossRef]
- Bouguera, T.; Diouris, J.-F.; Chaillout, J.-J.; Jaouadi, R.; Andrieux, G. Energy Consumption Model for Sensor Nodes Based on LoRa and LoRaWAN. Sensors 2018, 18, 2104. [Google Scholar] [CrossRef] [PubMed] [Green Version]
- Golubev, I. 01 Li 18650 LTspice Model. Демoнстрация мoдели литиевoгo аккумулятoр в LTspice.—YouTube. Available online: https://www.youtube.com/watch?v=Yf5AFVeXstQ&list=PLwDnwfIPmS9n2bJegfw1arAKW1eAZJx2a (accessed on 3 October 2021).
- Mohammed, S.S.; Devaraj, D. Simulation and Analysis of stand-alone photovoltaic system with boost converter using MATLAB/Simulink. In Proceedings of the 2014 International Conference on Circuits, Power and Computing Technologies, ICCPCT 2014, Nagercoil, India, 20–21 March 2014; pp. 814–821. [Google Scholar] [CrossRef]








| Aspect | [3] | [6] | [7] | [8] | [11] | This Work |
|---|---|---|---|---|---|---|
| Application (the object fed by the energy harvesters) | Supercapacitor | Battery | Load | RFID sensor | Battery | Combined battery and load |
| Converter type | Cross-coupled charge pump | Buck | Unknown | No converter | Boost | Boost |
| SoC check | No | No | No | No | Yes | Yes |
| Novelty | Large range of throughput power, indoor application | Detailed analysis of the small-signal model | Three-Point Hill-Climbing MPPT algorithm | PSC powered battery-less low power RFID sensor | MPPT with high conversion efficiency and battery management | Simultaneous charge management for battery and load, LDR-assisted FOCV, and use of PSCs |
| Light Level | Short-Circuit Current Density, JSC (mA) | Series Resistance, RS (Ωcm2) | Parallel Resistance, RP (kΩ) | Area, A (cm2) |
|---|---|---|---|---|
| 1000 lux | 0.128 | 1300 | 74.86 | 2.25 |
| 1 sun | 16.50 | 9.00 | 1.50 | 0.10 |
| Light Level | Input Voltage, VIN (V) | Output Voltage, VOUT (V) | Output Current, IOUT (mA) | Inductor, L (mH) | Capacitor, C (nF) |
|---|---|---|---|---|---|
| 1000 lux | 2.25 | 4.20 | 0.27 | 64.5 | 2.98 |
| 1 sun | 2.74 | 4.20 | 1.13 | 14.0 | 9.35 |
Publisher’s Note: MDPI stays neutral with regard to jurisdictional claims in published maps and institutional affiliations. |
© 2021 by the authors. Licensee MDPI, Basel, Switzerland. This article is an open access article distributed under the terms and conditions of the Creative Commons Attribution (CC BY) license (https://creativecommons.org/licenses/by/4.0/).
Share and Cite
Olzhabay, Y.; Ng, A.; Ukaegbu, I.A. Perovskite PV Energy Harvesting System for Uninterrupted IoT Device Applications. Energies 2021, 14, 7946. https://doi.org/10.3390/en14237946
Olzhabay Y, Ng A, Ukaegbu IA. Perovskite PV Energy Harvesting System for Uninterrupted IoT Device Applications. Energies. 2021; 14(23):7946. https://doi.org/10.3390/en14237946
Chicago/Turabian StyleOlzhabay, Yerassyl, Annie Ng, and Ikechi A. Ukaegbu. 2021. "Perovskite PV Energy Harvesting System for Uninterrupted IoT Device Applications" Energies 14, no. 23: 7946. https://doi.org/10.3390/en14237946
APA StyleOlzhabay, Y., Ng, A., & Ukaegbu, I. A. (2021). Perovskite PV Energy Harvesting System for Uninterrupted IoT Device Applications. Energies, 14(23), 7946. https://doi.org/10.3390/en14237946

