Next Article in Journal
Fault Diagnosis of Electric Motors Using Deep Learning Algorithms and Its Application: A Review
Previous Article in Journal
Optimal Bi-Level Scheduling Method of Vehicle-to-Grid and Ancillary Services of Aggregators with Conditional Value-at-Risk
 
 
Font Type:
Arial Georgia Verdana
Font Size:
Aa Aa Aa
Line Spacing:
Column Width:
Background:
Article

A Circuit Model for Energy Harvesting from Fringing Electric Fields for Mobile Wearable Device Applications

by
Mohammad Rezwan Khan
*,
Mohammad Ariful Islam
,
Mohammad Masum Rana
,
Tohfa Haque
and
Shahal Ibn Islam Joy
Department of EEE, United International University, Dhaka 1212, Bangladesh
*
Author to whom correspondence should be addressed.
Energies 2021, 14(21), 7016; https://doi.org/10.3390/en14217016
Submission received: 27 September 2021 / Revised: 22 October 2021 / Accepted: 22 October 2021 / Published: 26 October 2021

Abstract

:
Harvesting energy from the fringing electric field of power lines is a topic of recent interest. So far, most of the reported energy harvesting processes used a fixed ground connection that makes the harvesting process immobile. This paper presents a new idea to avoid the fixed ground connection and make the extraction process mobile, which can lead to charging of wearable and mobile devices, reducing the frequency of battery charging and enhancing the longevity of the batteries. A comprehensive circuit model for the energy extraction system is still absent, and this research proposes a circuit model that forms a basis for the circuit design and prediction of the energy extraction efficacy. The circuit model provides the analytical basis to estimate charging time, optimum operating voltage and optimum power for such circuits. Experimental results are also presented to justify the circuit model. Although the actual amount of power extracted was very small, further research is needed to enhance the energy extraction efficacy.

1. Introduction

Energy harvesting has become an important issue as IoT based low power devices are being used for many different applications. Energy harvesting is particularly important for charging the small batteries used for mobile and wearable devices. Researchers investigated the energy harvesting issue from many different perspectives and different techniques have been proposed [1,2,3,4,5]. The energy sources include temperature, photo voltaic and RF electromagnetic waves, sound and vibration, etc. Fringing electric field from power lines as a possible source of energy harvesting is a topic of recent interest [6,7,8,9,10]. In unsheathed power cables, there is usually significant fringing electric field that results in capacitive effect between the power line and a metal plate placed in the vicinity. The word ‘vicinity’ does not indicate any specific distance but shorter distances will couple stronger electric fields compared to more distant metal plates. The fringing electric field depends on the voltage of the power line and does not depend on the amount of current carried by the cable. Recent publications show that there have been several attempts to extract energy from fringing electric fields in power lines [11,12,13,14,15,16,17,18] using different approaches and with varying circuit arrangements. The researchers used circuit arrangements where they exploited the stray A.C. electric field from the power line to induce voltage in a metal plate and connected the circuit via a half bridge rectifier circuit to the ground at the other end. A large capacitor (~μF) is placed across one of the rectifier diodes that accumulates charge from the rectified induced voltage and gradually builds up voltage that can reach quite high value. As the actual charge accumulation is a slow process, it takes a long time (of the order of tens of minutes) to reach a reasonably high voltage (tens of volts). The reported circuit arrangements are such that they make the extraction system immobile, particularly due to the fixed ground connection. Today’s modern living is inconceivable without electricity and we are virtually immersed in fringing electric field from power lines and different electronic control circuits. So, any effective extraction technology that can harvest useful level of power from the fringing fields can make a big difference in the application of low power IoT devices. Any circuit arrangement that can get rid of the fixed ground connection can extend the application of energy harvesting from the fringing fields to mobile devices as well. This will mean that we will require less frequent charging of the batteries used in mobile phone, pacemakers or other invasive biomedical applications. This will also enhance the longevity of the batteries and can be attractive to different other biomedical applications. While harvesting power for mobile devices, the device distance from the power line will vary and a comprehensive circuit model is needed to understand and simulate the performance of the energy harvesting process. In the reported papers, such a model is absent as none of them considered the possibility of application for mobile devices.
In this paper, we have introduced a full bridge rectifier circuit arrangement so that the charging takes place in both the half cycles, making the actual energy harvesting process faster. In the research reported so far, the main difficulty in making such a mobile charging system comes from the fixed ground connection. A ground connection in such an energy harvesting system is an essential element as all the power systems have ground connections. However, a virtual ground connection is possible via capacitive coupling if we use a second plate instead of a fixed ground connection. We could find only one paper where the researchers have used a full wave bridge rectifier [19] and presented very useful empirical results. However, there exists no circuit model that can help to visualize the effect of the circuit arrangement, its distance from the power line and the actual amount of power that can be extracted. Although the reported device does not have any fixed ground connection, the device is tightly tied to the power cable and is effectively immobile. In our proposition two plates, one placed close to the power line and the other at a larger distance from the power line were used. Without any physical contact, stray capacitance effect of these plates was exploited to obtain a current flow from the power line to the ground. Presence of stray capacitors in circuit models is reported in energy harvesting using electric fields such as piezoelectric [20] or triboelectric nanogenerators [21], but their analyses are not similar to the proposed one due to the difference in physical energy harvesting mechanisms. In this paper a theoretical model has been developed to give insight to the physical mechanism of energy harvesting from power lines without any fixed connection and estimate the charging time and optimum power for such a system when the distance of the plates is varied from the power line. Simulated and experimental results are presented to evaluate the performance of the proposed circuit.

2. The Proposed Scheme

Fringing electric field near the power lines is a well understood phenomenon and there is reported research on the effects of fringing electric fields. However, living in an environment where we are always using different electrical appliances, it is virtually impossible to avoid fringing electric field while remaining in a house or an office building or an industrial installation. Any metal plate or conducting body, when placed close to a power line, will experience induced movement of charges due to the fringing electric field. In this paper, we present an attempt to harvest energy from the charge movements due to the inducing electric fields from the power line by using a simple circuit. Two metal plates are connected to a full bridge rectifier having a capacitor C 0 placed between the +ve and −ve terminal of the bridge rectifier as shown in Figure 1. The metal plates are placed such that one of them is close to the power line and the other is at a larger distance. So, the effect of the power line voltage is stronger on metal plate 1, as it is closer to the power line. The AC voltage in the power line continuously changes the magnitude of the electric field and it induces a charge movement in the plates that changes direction with the change in the polarity of the line voltage.
When the power line has a +ve voltage, it attracts −ve charges on the metal plate 1 and the −ve charge flows from metal plate 2 through the rectifier circuit and storing the corresponding amount of charge in C 0 . During the negative half cycle of the power line voltage, −ve charges are repelled from plate 1 and move to plate 2. So, this charge movement again passes through the rectifier circuit and stores charge in the capacitor C 0 . As this process goes on, the capacitor C 0 gradually builds up significant charge to produce a voltage across it. In the next section, an analysis is presented to show the effect of the size and distance of the plates, impact of the choice of the diodes, optimum voltage and power that can be achieved and the time required for charging the capacitor C 0 for the variation of the circuit parameters.

3. The Proposed Model

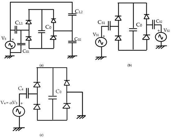
The schematic of the proposed circuit arrangement is shown in Figure 2. Two metal plates, metal plate 1 and metal plate 2, are connected to a bridge rectifier as shown in the figure. The circuit is placed close to a live power line in such a way that metal plate 1 is closer to the power line than the metal plate 2. The voltage in the power line induces fringing electric fields between the metal plates and the power line. Due to the induced charges in the metal plates, there will also be fringing field between the plates and the ground/earth. The fringing electric fields are shown by the dotted lines in the figure. The fringing electric fields can be represented as stray capacitances in a circuit representation. In Figure 3a, vs. is the voltage of the power line and the stray capacitances between the metal plate 1 to the power line and the ground are represented by the capacitors CL1 and CG1, respectively.
Similarly, the stray capacitances from the metal plate 2 to the power line and the ground are CL2 and CG2, respectively. Using Thevenin’s theorem we can replace the metal plate 1 and metal plate 2 by two equivalent sources VS1 and VS2 and equivalent capacitances CS1 and CS2, respectively, as shown in Figure 3b, where
V S 1 = V S · C L 1 C S 1 = α 1 V S
V S 2 = V S · C L 2 C S 2 = α 2 V S
where,
C S 1 = C L 1 + C G 1
and
C S 2 = C L 2 + C G 2
As seen in Figure 3b, VS1, VS2, CS1 and CS2 are all in series and their series equivalent is presented in Figure 3c where,
Ve = VS1VS2 = (α1 − α2VS = α·VS
and
Ce = CS1·CS2/(CS1 + CS2)
From the equivalent circuit in Figure 3c, it is evident that the actual driving voltage for the circuit can be much less than the supply voltage vs. of the power line as, from Equations (1)–(4), we can see that both α1 and α2 are smaller than 1. To obtain the highest possible energy harvesting from the circuit, we need to design the plates such that (α1α2) = α has the maximum possible value for any given circuit arrangement. This can be achieved in a number of ways such as
(i)
Keeping the distance of the metal plate 2 from the power line larger than that of the metal plate 1, such that CL1 >> CL2.
(ii)
Designing the metal plate 1 such that value of CL1 is larger compared to CG1.
(iii)
Designing the metal plate 2 such that CG2 is larger than CL2.
It is important to recognize that any random change in the area of the metal plates, without considering the geometry, may not be very effective. As for example, if we use a square shaped metal plate 1, then increasing the area of the plate will increase CG1 proportionately; on the other hand the increase in CL1 may not increase linearly with the area of the square plate due to the reason that the capacitance between a line and a square plate does not change in proportion to the area. If we design the metal plate 1 in a rectangular fashion such that its width is small and the length of the plate is along the power line then the we can obtain much higher value of CL1 compared to a square plate of same area. It will be a similar the case with metal plate 2. However, in a mobile device keeping such an alignment may not be easy.
As the actual power harvested in this circuit is not expected to be high, it is very important to operate the circuit as its maximum power point voltage. Please refer to Figure 3c for the theoretical analysis presented below. The capacitor C o   stores the harvested energy and the input power to the capacitor is determined by the expression
P = V o I o
where V o   is the voltage across the capacitor C o and   I o   is the average current flowing into it. Ignoring the voltage drop across the forward biased diodes and their internal resistances, let the voltage across the stray capacitor C e   be V C e   at the instant when the input AC voltage αVS is at its positive peak value V m   . At this point, the voltage V C e   can be expressed
V C e = V m V o  
So, the corresponding charge stored in the capacitor C e is given by
  Q C e = V C e · C e = ( V m V o ) C e
In the next half cycle, the input voltage reaches its negative peak to − V m . Assuming that any change in the voltage across the capacitor C o   is very small (as C o >> C e ) during this half cycle, VO can be considered to remain the same and the charge in the capacitor C e   will be
Q C e = V C S C e = ( V m V o ) C e  
As seen from Equations (9) and (10), the charge in the capacitor Ce changes from QCe to −QCe over a time period of T/2, T being the time period of the AC supply, and hence the charge pumped to the capacitor C o by the stray capacitance C e   is
Q C O = 2 Q C e
This produces an average charging current of
I C = Q C O T / 2 = 4   ( V m V o ) C e T
The Equation (12) is obtained by putting the values of Q C O   from Equation (11) and Q C e   from Equation (9). However, the capacitor C o   is continuously drained due the leakage current from the diodes, assuming that there is no leakage from the capacitor plates. This leakage current is the reverse saturation current of the diodes and can be considered constant so long as the V o   is more than a few hundred millivolts (Sze, 1987) [22]. If I r   is the total reverse saturation current due to the diodes, then the net charging current for the capacitor C o   is
I o = I c I r = 4 ( V m V o )   C e T I r
Hence, the power P Equation (7) for the capacitor C o can be written as
P = V o [ 4 ( V m V o )   C e T I r ]
To find out the optimum power point for the capacitor C o with respect to the voltage V o   ,   we put zero for the first derivative of P with respect to V o   , i.e.,
d P d V o = 4   C e V m T I r 8   C e V o T = 0  
Solving Equation (15) for V o   we come up with the optimum voltage V o = V o m   for maximum power point
V o m = I r T 8   C e + V m 2  
As Ce << C0, the charging process is a very slow one and it is expected to take significant time to reach the optimum power point. To estimate the time requirement, using Equation (13) we can write
C 0 d V o d t = I 0 =   4 ( V m   V o )   C e T I r
where, the 1st term represents the charging current as given in Equation (13) and the second term is the discharging current due reverse saturation current of the diodes. This is a simple 1st order linear differential equation and we can solve it to get the solution as given below
V 0 ( t ) = ( V m T I r 4 C e ) [ 1 exp ( 4 t C e T C 0 ) ]
From Equation (18), it is possible to find the time required to reach the optimum voltage Vom (using Equation (16)).
The analysis presented above give us an idea how much power can be harvested corresponding to a certain design of the harvesting device. It also gives the preliminary analytical framework to estimate the amount of extracted power that can be achieved if the device is mobile and changes its distance and orientation with respect to the power line. In other energy harvesting designs like piezoelectric based devices [20] or triboelectric harvesters [21], the device parameters remain approximately fixed once the device is fabricated. So, it is possible to make an analysis for optimum power harvesting from a given source for such devices. However, in the case of power extraction from the fringing electric field the circuit parameter like the stray capacitors vary with location which make it effectively impossible to achieve any unique optimum power extraction solution. Theoretically, using very large plates with one of the plates very close to the power line and the other at a very large distance would produce the best possible results. However, energy harvesting devices have limitations of size and distance between the plates. So, further research will be required to design the size, shape and the placement of the plates relative to each other to achieve the optimum solution for a given volume of the device. Our presented model will be equally useful towards such an effort.

4. Simulation

Using the analytical model presented in Section 3, we simulated the voltage development in the capacitor C0 for different values of Ce, and reverse saturation current of the diodes. As shown in Equations (1), (2), and (5), the value of α depends on the ratios of capacitors CL1, CL2, CG1 and CG2 and not on their actual values. So, in the simulations, we assumed Ce (Figure 3c) and α as independent parameters to observe the effect of distance of the plates from the live power line. The voltage in the power line was 220 VAC 50 Hz, which correspond to a peak voltage of 310 V. The reverse saturation current of power diodes (having high reverse voltage) varies widely from fraction of micro ampere to tens of microamperes depending on the voltage and current rating of the diodes. A high current rating diode effectively has a larger junction area and the corresponding reverse saturation current is also high. In our experimental measurements (results are presented in Section 5) we observed that reasonably high voltage can be achieved with small current rating diodes like 1N4007, but the voltage developed reduces significantly when larger current capacity diodes are used. In our simulation, we used Equation (18) and the values of reverse saturation current Ir to be a fraction of micro ampere (tens of nano amperes). The value of C0 (Figure 3) used in the simulation is 1.2 μF which was the value we used in the experiment (Section 5). A larger value of Co takes longer time for the voltage to develop and a smaller value has the risk of rapid fall in the voltage when the measuring equipment (the usual internal impedance of the voltmeters is 10 MΩ) is connected to measure the voltage. In the experimental results, given in the next section, we observed a development of 50–60 V over a time span of 30 min. In our simulation, we chose our values of Ce and α to produce values close to the measured results so that we could see the effect of variation of the parameters on the voltage developed and power extracted in capacitor C0. We accept our limitation that our laboratory does not have the facilities to measure very small values of stray capacitance.
The voltage developed in the capacitor C0 is shown in Figure 4. The values used to calculate the results are also mentioned in the figure. The curves shown in the figure are for three different values of Ce and it is an expected outcome that higher values of Ce will develop more voltage at a faster rate as this is the effective coupling capacitor with the source. The capacitors for the simulation are chosen such that they represent the realistic values for the given dimension of the metal plates. Figure 5 shows the power variation in the capacitor C0. When the voltage across C0 is low, the current is higher. The current reduces gradually as the voltage buildup. The power at the optimum point comes out to be of the order of microwatt and is presented for three different values of capacitor Ce.
The voltage developed in the capacitor C0 is shown in Figure 4. The values used to calculate the results are also mentioned in the figure. The curves shown in the figure are for three different values of Ce and it is an expected outcome that higher values of Ce will develop more voltage at a faster rate as this is the effective coupling capacitor with the source. The capacitors for the simulation are chosen such that they represent the realistic values for the given dimension of the metal plates. Figure 5 shows the power variation in the capacitor C0. When the voltage across C0 is low, the current is higher. The current reduces gradually as the voltage builds up. The power at the optimum point comes out to be of the order of microwatt and is presented for three different values of capacitor Ce.
In Figure 6 the simulated results for the optimum voltage (voltage for maximum power) with the variation of the capacitance Ce are presented for a given value of Ir and α. Higher values of capacitor effectively means a higher degree of coupling from the electric field of the power line and we expect to get higher current in the circuit. This makes the value of the optimum voltage higher. If we consider Figure 5, it is clear that the circuit reaches the maximum power point quicker for higher values of Ce. In Figure 6, we show the simulated results due to the variation of optimum voltage for different values of Ce. The expression for optimum voltage Vom, as given in Equation (16) shows that the term containing 1/Ce has a negative coefficient and the trend of the graph in Figure 6 is an expected one. Although we have used the same value of α for all the different values of Ce, we expect the value of α to change with the change in the value of Ce.
Figure 7 shows that variation of optimum voltage due to the variation of the diode reverse current. Keeping the values of the Ce same, any increase in Ir deceases the optimum voltage and there comes a value of Ir when no voltage will be developed in the capacitor C0. In the graph for Ce = 10 pF, the value of the voltage goes to zero when Ir exceeds 110 nA. Under such a condition, the discharge current Ir from the diodes becomes high compared to the charging current from the capacitor Ce. That is why we can see that for a higher value of Ce, the optimum voltage does not go to zero while a lower value of Ce shows such a behavior.

5. Experimental Setup and Results

Picture of the experimental setup is shown in Figure 8. The live wire was a thin insulated copper wire fixed along the edge of the table (left edge of the table in the figure). The voltage in the live wire was 220 V 50 Hz and was drawn from single phase supply line. Two 4”× 4” metal plates, one placed close to the live wire of a power line and the other at a distance farther from the wire. The metal plates, 4 diodes in a full bridge rectifier and a 1.2 μF capacitor as C0 was connected on a bread board in accordance with the circuit configuration shown in Figure 1. In the figure, the metal plate 2 is placed at distance of 60 cm from the live wire.
The four diodes used in the full bridge rectifier were 1N 4007. The diodes have the following rating
Diode 1N 4007
Maximum reverse voltage = 1000 V
Steady current rating = 1 A
Reverse saturation current (max.) = 5 μA
Although the maximum reverse saturation current, as mentioned by the manufacturers, is 5 μA, the actual reverse saturation current seldom exceeds a few nanoamperes (usually less than 10 nA). Figure 9 shows the measured charge build up in C0 for plate 2 placed at a distance of 60 cm from the live wire. The experimental data are indicated by the dots and a fitted curve (using Equation (18)) is also shown in the figure. The fitted curve has the following fitting parameters: Ir =10 nA, α = 0.1167 and Ce = 17.5 pF. Figure 10 shows the voltage development in C0 for a plate 2 distance of 120 cm from the live wire.
The fitting parameters for the curve in Figure 10 are Ir =10 nA, α = 0.19 and Ce = 15.5 pF. Increasing the distance of plate 2 has increased the value of α, which is expected, as the fringing electric field from the power line to plate 2 is reduced. On the other hand, increase in distance reduces the overall value of the equivalent capacitance Ce due to deceased capacitance between the power line to the plate 2, which is also apparent from the fitting parameters. The time vs. power curve is presented in Figure 11 showing higher maximum power for larger distance of plate 2. As the actual value of current is very small, we used the fitted graphs in Figure 9 and Figure 10 to calculate the values of C0 ΔVt at each data point to find out the current to calculate the power presented in Figure 11. If we compare the experimental results with the simulated ones presented in Figure 4 and Figure 5, we can see similar trends in the curves showing very close resemblance to the power values. As no physical contact is used, neither for the power line nor for the ground connection, such a circuit can be moved around. However, the power extraction would vary if the distance of plate 1 from power line live wire is varied.
Comparing the results with other reported research is difficult as the physical structure and circuit arrangements are quite different. However, the voltage achieved are of the order of tens of volts and the time of charging is of the order of minutes, similar to the reported results presented in most of the papers. The results presented in [19], which has a circuit arrangement closest to ours, extracted less than 1 μW where as the optimum power extraction in our experiment, as shown in Figure 11, is within 2 to 2.5 μW, which is higher by a factor of more than 2.5. This is probably due to the following reasons—
(i)
the line voltage used in [19] was lower (120 V).
(ii)
the cable attached to the harvesting circuit contained a live wire, a ground wire and a earth wire placed very close to each other. This may have caused reduction in the fringing field from the live wire to the metal plate used for harvesting (as the earth wire diverted the major portion of the electric field from the live wire to the earth wire).
(iii)
the circuit arrangement did not look for optimized output voltage but switched the storage capacitor at a voltage that is required to drive the load.
Although the power extraction that we achieved in the experimental circuit is not high, it can still be useful for energy harvesting purposes. It is our understanding that there is scope for further research for design improvement and the power extraction is expected to increase with better design of the metal plates and their arrangements.
If we consider the simulation and the experimental results, there may arise a very pertinent question that the size of the plates and the distance between them in the experimental set up is large and does not look realistic. A real life wearable device is expected to be much smaller and so will be the corresponding amount of energy extraction. If we look at the circuit model (Figure 3), we find that the capacitive coupling between the power line and the plate 2 results in a voltage source that opposes the voltage source due to plate 1 in the equivalent circuit and hence it is the main challenge to reduce this coupling. Theoretically, making the distance of plate 2 infinity is an obvious solution but not a practical one. While designing the energy harvesting circuit, it is possible to place plate 2 in the shadow of plate 1 such that the electric field from the power line is screened by plate 1 reducing the effective coupling with plate 2. This will increase the source voltage of the equivalent circuit to a higher value and will consequently enhance the energy harvesting efficacy of the circuit. Higher value of the source voltage in the equivalent circuit will increase the power extraction proportional to ~ V2 (approx.) and the actual amount of power extraction can be increased significantly. However, predicting an estimated enhancement of power extraction based on this basic understanding will be inappropriate without going into further experimentation and investigation.

6. Conclusions

In this paper, it has been shown that energy extraction for mobile devices is possible from a power line without having any fixed connection. It is understood that the actual power will diminish as one goes to a farther distance from the power line, but in close vicinity, power extraction can be of a useful level. The research shows a number of interesting observations like effect of distance and stray capacitance (plate size) on voltage generation and diode reverse current in relation to harvesting of energy from stray fields like electric fields from a power line. Although the actual power extracted as reported in this research was quite low, it forms a basis to analyze the effects of time varying fringing electric fields and forms the basic foundation for the analysis of such effects. The analyses and the results indicate that increased value of stray capacitances and differential induction of electric field in the two plates can enhance the power output. On the other hand, higher frequency of the fringing electric field will cause higher energy harvesting, which is apparent from the time period T in the Equation (14). Considering the charging of any wearable device, the human body can act as one of the plates and higher harmonics in the household power electronic devices can enhance the actual energy harvesting process. However, we accept that not much research has been conducted on this topic yet and further research is needed to enhance the efficacy of the energy harvesting performance of the circuits.

Author Contributions

Conceptualization, supervision and write up M.R.K.; experimental setup, data collection and investigation M.A.I., M.M.R., T.H., S.I.I.J. All authors have read and agreed to the published version of the manuscript.

Funding

This work was funded by the United International University.

Conflicts of Interest

The authors declare no conflict of interest.

References

  1. Akinaga, H. Recent advances and future prospects in energy harvesting technologies. Jpn. J. Appl. Phys. 2020, 59, 110201. [Google Scholar] [CrossRef]
  2. Elvin, N.; Erturk, A. Advances in Energy Harvesting Methods; Springer: Berlin, Germany, 2013. [Google Scholar]
  3. Bizon, N.; Tabatabaei, N.M.; Blaabjerg, F.; Kurt, E. Energy Harvesting and Energy Efficiency: Technology, Methods, and Applications; Springer: Berlin, Germany, 2017. [Google Scholar]
  4. Gould, C.; Edwards, R. Review on micro-energy harvesting technologies. In Proceedings of the 51st International Universities Power Engineering Conference (UPEC), Coimbra, Portugal, 6–9 September 2016. [Google Scholar]
  5. Davidson, J.; Mo, C. Recent Advances in Energy Harvesting Technologies for Structural Health Monitoring Applications. Hindawi Publ. Corp. Smart Mater. Res. 2014, 2014, 410316. [Google Scholar] [CrossRef]
  6. Zhu, M.; Baker, P.C.; Roscoe, N.M.; Judd, M.D.; Fitch, J. Alternative power sources for autonomous sensors in high voltage plant. In Proceedings of the 2009 IEEE Electrical Insulation Conference, Montreal, QC, Canada, 31 May–3 June 2009; pp. 36–40. [Google Scholar]
  7. Keutel, T.; Zhao, X.; Kanoun, O. Energy scavenging for monitoring of overhead power line networks. In Proceedings of the SENSOR+TEST Confefrence, Nuremberg, Germany, 26–28 May 2009; pp. 207–212. [Google Scholar]
  8. Zhao, X.; Keutel, T.; Baldauf, M.; Kanoun, O. Energy harvesting for a wireless-monitoring system of overhead high-voltage power lines. IET Generat. Transmiss. Distrib. 2013, 7, 101–107. [Google Scholar] [CrossRef]
  9. Chang, K.; Kang, S.; Park, K.; Shin, S.; Kim, H.; Kim, H. Electric Field Energy Harvesting Powered Wireless Sensors for Smart Grid. J. Electr. Eng. Technol. 2012, 7, 75–80. [Google Scholar] [CrossRef] [Green Version]
  10. Kim, H.; Choi, D.; Gong, S.; Park, K. Stray electric field energy harvesting technology using MEMS switch from insulated AC power line. Electron. Lett. 2014, 50, 1236–1238. [Google Scholar] [CrossRef]
  11. Rodríguez, J.C.; Holmes, D.G.; McGrath, B.P.; Wilkinson, R.H. Maximum energy harvesting from medium voltage electric-field energy using power line insulators. In Proceedings of the 2014 Australasian Universities Power Engineering Conference (AUPEC), Perth, WA, Australia, 28 September–1 October 2014; pp. 1–6. [Google Scholar] [CrossRef]
  12. Honda, M.; Sakurai, T.; Takamiya, M. Wireless temperature and illuminance sensor nodes with energy harvesting from insulating cover of power cords for building energy management system. In Proceedings of the 2015 IEEE PES Asia-Pacific Power and Energy Engineering Conference (APPEEC), Brisbane, QLD, Australia, 15–18 November 2015; pp. 1–5. [Google Scholar]
  13. Moghe, R.; Iyer, A.R.; Lambert, F.C.; Divan, D. A low-cost electric field energy harvester for an MV/HV asset-monitoring smart sensor. IEEE Trans. Ind. Appl. 2015, 51, 1828–1836. [Google Scholar] [CrossRef]
  14. Zhao, D.; Dai, D.; Li, L. Electric field energy harvesting for on-line condition-monitoring device installed on high-voltage transmission tower. Electron. Lett. 2015, 51, 1692–1693. [Google Scholar] [CrossRef]
  15. Zhang, J.; Li, P.; Wen, Y.; Zhang, F.; Yang, C. A management circuit with up conversion oscillation technology for electric-field energy harvesting. IEEE Trans. Power Electron. 2016, 31, 5515–5523. [Google Scholar] [CrossRef]
  16. Rodríguez, J.C.; Holmes, D.G.; McGrath, B.P.; Teixeira, C. Energy harvesting from medium voltage electric fields using pulsed flyback conversion. In Proceedings of the IEEE 2016 IEEE 8th International Power Electronics and Motion Control Conference (IPEMC-ECCE Asia), Hefei, China, 22–26 May 2016; pp. 3591–3598. [Google Scholar]
  17. Kang, S.; Yang, S.; Kim, H. Non-intrusive voltage measurement of ac power lines for smart grid system based on electric field energy harvesting. Electron. Lett. 2017, 53, 181–183. [Google Scholar] [CrossRef]
  18. Cetinkaya, O.; Akan, O. Electric-Field Energy Harvesting from Lighting Elements for Battery-Less Internet of Things. IEEE Access 2017, 5, 7423–7434. [Google Scholar] [CrossRef]
  19. Gulati, M.; Parizi, F.S.; Whitmire, E.; Gupta, S.; Ram, S.S.; Singh, A.; Patel, S.N. CapHarvester: A Stick-on Capacitive Energy Harvester Using Stray Electric Field from AC Power Lines. Proc. ACM Interact. Mob. Wearable Ubiquitous Technol. 2018, 2, 110. [Google Scholar] [CrossRef] [Green Version]
  20. Fang, S.; Xia, H.; Xia, Y.; Ye, Y.; Shi, G.; Wang, X.; Chen, Z. An efficient piezoelectric energy harvesting circuit with series-SSHI rectifier and FNOV-MPPT control technique. IEEE Trans. Ind. Electron. 2020, 68, 7146–7155. [Google Scholar] [CrossRef]
  21. Dai, K.; Wang, X.; Niu, S.; Yi, F.; Yin, Y.; Chen, L.; Zhang, Y.; You, Z. Simulation and structure optimization of triboelectric nanogenerators considering the effects of parasitic capacitance. Nano Res. 2017, 10, 157–171. [Google Scholar] [CrossRef]
  22. Sze, S.M. Physics of Semiconductor Devices, 2nd ed.; Wiley Eastern Limited: New Delhi, India, 1987. [Google Scholar]
Figure 1. Induction of charges in the metal plates having different distances from the power line. Plate 2 is at a larger distance compared to plate 1. (a) Charge induced during +ve half cycle and (b) charge induced during −ve half cycle.
Figure 1. Induction of charges in the metal plates having different distances from the power line. Plate 2 is at a larger distance compared to plate 1. (a) Charge induced during +ve half cycle and (b) charge induced during −ve half cycle.
Energies 14 07016 g001
Figure 2. Schematic showing the fringing electric fields. Induced charges from the live wire creates fringing electric fields between the plates and the live wire, and also between the plates and the earth.
Figure 2. Schematic showing the fringing electric fields. Induced charges from the live wire creates fringing electric fields between the plates and the live wire, and also between the plates and the earth.
Energies 14 07016 g002
Figure 3. (a) The circuit representation of Figure 2. (b) Thevenin’s equivalent circuit of the source and the stray capacitors for the metal plates. (c) The final equivalent circuit by combining the voltage sources and the stray capacitors.
Figure 3. (a) The circuit representation of Figure 2. (b) Thevenin’s equivalent circuit of the source and the stray capacitors for the metal plates. (c) The final equivalent circuit by combining the voltage sources and the stray capacitors.
Energies 14 07016 g003
Figure 4. Voltage buildup in Capacitor C0 with time.
Figure 4. Voltage buildup in Capacitor C0 with time.
Energies 14 07016 g004
Figure 5. Power variation in Capacitor C0 with time.
Figure 5. Power variation in Capacitor C0 with time.
Energies 14 07016 g005
Figure 6. Variation of Optimum voltage for the variation of equivalent capacitance Ce in pF (Ir = 10 nA).
Figure 6. Variation of Optimum voltage for the variation of equivalent capacitance Ce in pF (Ir = 10 nA).
Energies 14 07016 g006
Figure 7. Variation of Optimum voltage for the variation of Ir.
Figure 7. Variation of Optimum voltage for the variation of Ir.
Energies 14 07016 g007
Figure 8. The experimental setup for buildup of voltage in the 1.2 μF capacitor (C0).
Figure 8. The experimental setup for buildup of voltage in the 1.2 μF capacitor (C0).
Energies 14 07016 g008
Figure 9. Measured voltage buildup in C0 for a distance of 60 cm between the metal plate 2 and the live power cable.
Figure 9. Measured voltage buildup in C0 for a distance of 60 cm between the metal plate 2 and the live power cable.
Energies 14 07016 g009
Figure 10. Measured voltage buildup in C0 for a distance of 150 cm between the metal plate 2 and the live power cable.
Figure 10. Measured voltage buildup in C0 for a distance of 150 cm between the metal plate 2 and the live power cable.
Energies 14 07016 g010
Figure 11. Power harvested from the power line for plate 2 distances of 60 cm (blue) and 120 cm (brown) from the live wire.
Figure 11. Power harvested from the power line for plate 2 distances of 60 cm (blue) and 120 cm (brown) from the live wire.
Energies 14 07016 g011
Publisher’s Note: MDPI stays neutral with regard to jurisdictional claims in published maps and institutional affiliations.

Share and Cite

MDPI and ACS Style

Khan, M.R.; Islam, M.A.; Rana, M.M.; Haque, T.; Joy, S.I.I. A Circuit Model for Energy Harvesting from Fringing Electric Fields for Mobile Wearable Device Applications. Energies 2021, 14, 7016. https://doi.org/10.3390/en14217016

AMA Style

Khan MR, Islam MA, Rana MM, Haque T, Joy SII. A Circuit Model for Energy Harvesting from Fringing Electric Fields for Mobile Wearable Device Applications. Energies. 2021; 14(21):7016. https://doi.org/10.3390/en14217016

Chicago/Turabian Style

Khan, Mohammad Rezwan, Mohammad Ariful Islam, Mohammad Masum Rana, Tohfa Haque, and Shahal Ibn Islam Joy. 2021. "A Circuit Model for Energy Harvesting from Fringing Electric Fields for Mobile Wearable Device Applications" Energies 14, no. 21: 7016. https://doi.org/10.3390/en14217016

APA Style

Khan, M. R., Islam, M. A., Rana, M. M., Haque, T., & Joy, S. I. I. (2021). A Circuit Model for Energy Harvesting from Fringing Electric Fields for Mobile Wearable Device Applications. Energies, 14(21), 7016. https://doi.org/10.3390/en14217016

Note that from the first issue of 2016, this journal uses article numbers instead of page numbers. See further details here.

Article Metrics

Back to TopTop