Analysis of the Transformer Characteristics for an Integration System with a Wireless Power Transfer Device and Linear Motor
Abstract
1. Introduction
2. Configuration of System
2.1. Integration System of a Wireless Power Transfer Device and Linear Motor
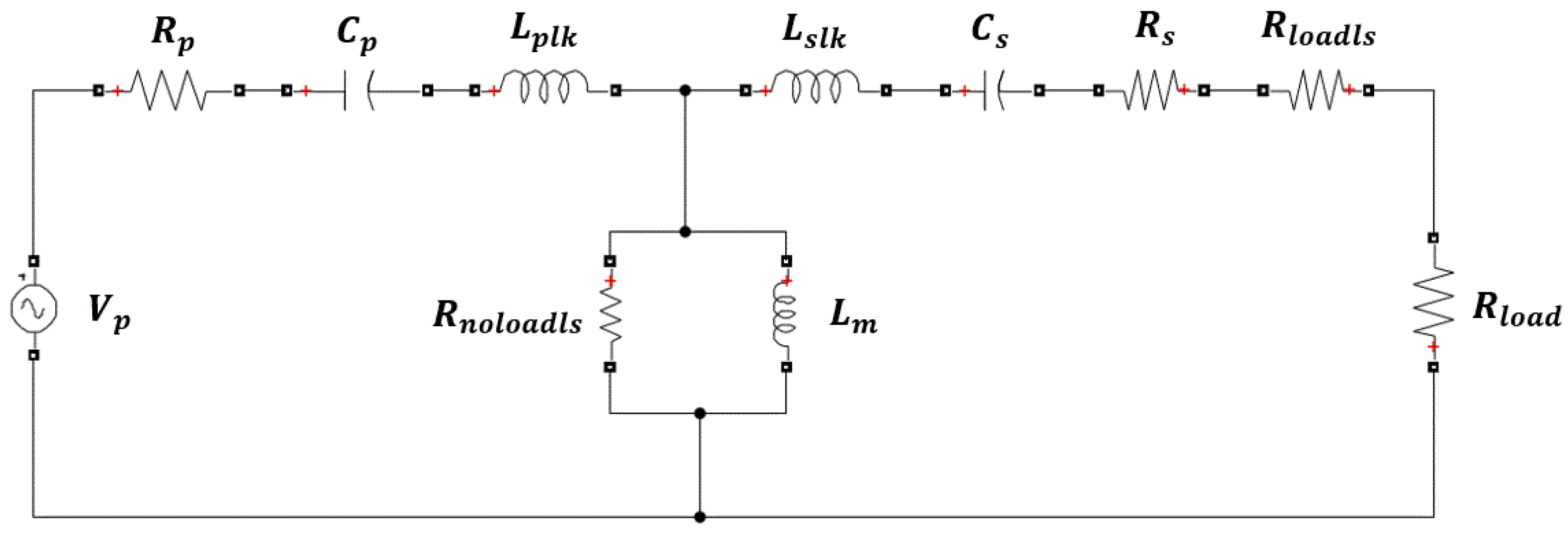
2.2. Wireless Power Transfer Device
3. Specification of the Wireless Power Transfer
3.1. Specification of the Transfer and Receiver
3.2. Specification of the Winding Coil
4. Design and FEA Analysis
4.1. Inductance of Primary and Secondary
4.2. Calculation of Coreloss
4.3. Calculation of the Resonance Capacitor
5. Experiment
5.1. Inductance Measurement
5.2. Resonant Circuit
6. Conclusions
Author Contributions
Funding
Institutional Review Board Statement
Informed Consent Statement
Data Availability Statement
Acknowledgments
Conflicts of Interest
References
- Woo, H.-J.; Park, J.-H.; Joo, C.-D.; Ahn, H.-G.; Kang, D.-H.; Kim, T.-K. Design of Wireless Power Transfer in Integration System of Wireless Power Transfer and Linear Motor. In Proceedings of the KIEE EMECS Fall Conference, Jeju, Korea, 29–31 October 2020; pp. 37–39. [Google Scholar]
- Kang, D.-H. Linear Transferring System Having Wireless Power Supply. Patent PCT KR2020 017108,10-2020-0094888, 29 July 2020. [Google Scholar]
- Lee, J.-Y.; Lee, I.-J.; Kim, J.-W.; Chang, J.-H.; Kang, D.-H.; Chung, S.-U.; Hong, J.-P. Contactless Power Transfer System Combined with Linear Electric Machine. In Proceedings of the 2007 International Conference on Electrical Machines and Systems (ICEMS), Seoul, Korea, 8–11 October 2007; pp. 1544–1548. [Google Scholar]
- Kim, J.M.; Kang, D.H.; Jung, S.J.; Bang, D.J. Design of the Transverse Flux Linear Motor with the Integrated Contactless Power Supply. In Proceedings of the 5th Linear Drives for Industry Applications (LDIA), Kobe, Japan, 25–28 September 2005; pp. 286–289. [Google Scholar]
- Dynamic Motion Technology CO. LTD. Available online: http://www.dmtec.net/en/product/linear-motors (accessed on 24 September 2021).
- Wang, C.-S.; Stielau, O.H.; Covic, G. Design Considerations for a Contactless Electric Vehicle Battery Charger. IEEE Trans. Ind. Electron. 2005, 52, 1308–1314. [Google Scholar] [CrossRef]
- Yazaki, Y.; Nishimura, T.; Ohnishi, W.; Imura, T.; Fujimoto, H. Moving Coil Type Wireless Linear Motor Based on Magnetic Resonance Coupling. In Proceedings of the IECON 2017—43rd Annual Conference of the IEEE Industrial Electronics Society, Beijing, China, 29 October–1 November 2017; pp. 7288–7293. [Google Scholar] [CrossRef]
- Jin, Y.; Liu, S.; Wu, C.; Li, Y.; Ma, D. Research on Contactless Power Transmission System Based on DCDC Charging Module for Unmanned Underwater Vehicles. In Proceedings of the 2019 IEEE 4th Advanced Information Technology, Electronic and Automation Control Conference (IAEAC), Chengdu, China, 20–22 December 2019; IEEE: Piscataway, NJ, USA; Volume 1, pp. 2019–2023. [Google Scholar] [CrossRef]
- Reatti, A.; Musumeci, S.; Corti, F. Frequency Analysis and Comparison of LCCL and CLLC Compensations for Capacitive Wireless Power Transfer. In Proceedings of the 2020 AEIT International Conference of Electrical and Electronic Technologies for Automotive (AEIT AUTOMOTIVE), Turin, Italy, 23–25 September 2020; IEEE: Piscataway, NJ, USA; pp. 1–6. [Google Scholar] [CrossRef]
- Kim, E.S.; Goo, D.H.; Kim, J.M.; Kang, D.H.; Shin, B.C.; Kong, Y.S.; Yang, S.C. Contact-Less Power Supply Using Series-Parallel Resonant Converter; The Korean Institute of Power Electronics: Seoul, Korea, 2002; pp. 103–107. [Google Scholar]
- Jenson, J.; Therattil, J.P.; Johnson, J.A. A Novel LCC-LCL Compensation WPT System for Better Performance. In Proceedings of the 2019 IEEE International Conference on Electrical, Computer and Communication Technologies (ICECCT), Coimbatore, India, 20–22 February 2019; IEEE: Piscataway, NJ, USA; pp. 1–6. [Google Scholar] [CrossRef]
- Andrei, M.; Claudiu, B.; Vadan, I. Wireless Power Transmission—State of the Art and Applications. In Proceedings of the 2019 8th International Conference on Modern Power Systems (MPS), Cluj-Napoca, Romania, 21–23 May 2019; IEEE: Piscataway, NJ, USA; pp. 1–6. [Google Scholar] [CrossRef]
- Lee, J.-Y.; Kim, J.-W.; Woo, B.-C.; Kang, D.-H. Characteristic Analysis of a Permanent Magnet Transverse Flux Linear Motor with Spiral Core. J. Magn. 2013, 18, 111–116. [Google Scholar] [CrossRef][Green Version]
- Dong, Y.; Nuchkrua, T.; Shen, T. Asymptotical stability contouring control of dual-arm robot with holonomic constraints: Modified distributed control framework. IET Control. Theory Appl. 2019, 13, 2877–2885. [Google Scholar] [CrossRef]











| Description | Value | |
|---|---|---|
| Primary part | length (mm) | 1080 |
| Width (mm) | 50 | |
| Height (mm) | 23 | |
| Length of tooth part (mm) | 6.5 | |
| Length of slot part (mm) | 11.5 | |
| Secondary part | length (mm) | 108 |
| Width (mm) | 50 | |
| Height (mm) | 30 | |
| Air gap (mm) | 1 | |
| Coil area of primary part (mm2) | 70 | |
| Coil area of secondary part (mm2) | 80 | |
| Ferrite core | Mn-Zn ferrite | |
| Laminated silicon core | 27PNF1500 | |
| Number of winding turns for each part | 21 | |
| Input voltage (Vrms) | 100 | |
| Frequency (kHz) | 10 | |
| Coupled Tooth (6 EA) | Coupled Slot (6 EA) | Uncoupled Tooth (54 EA) | Uncoupled Slot (54 EA) | Total (mH) | |
|---|---|---|---|---|---|
| (mH) | 0.298 | 0.241 | 0.892 | 1.28 | 2.713 |
| (mH) | 0.237 | 0.152 | 0.389 | ||
| (mH) | 0.061 | 0.089 | 0.892 | 1.28 | 2.323 |
| (mH) | 0.304 | 0.282 | 0.587 | ||
| (mH) | 0.237 | 0.152 | 0.389 | ||
| (mH) | 0.067 | 0.13 | 0.198 |
| Coupled Tooth (6 EA) | Coupled Slot (6 EA) | Uncoupled Tooth (54 EA) | Uncoupled Slot (54 EA) | Total Losses (W) | |
|---|---|---|---|---|---|
| Laminated silicon core loss (W) | 10.515 | 1.534 | 29.759 | 6.507 | 48.316 |
| Ferrite Core loss (W) | 0.252 | 0.009 | 0.118 | 0.388 | 0.77 |
| Total losses (W) | 10.767 | 1.544 | 29.878 | 6.895 | 49.086 |
| Coupled Tooth (6 EA) | Coupled Slot (6 EA) | Uncoupled Tooth (54 EA) | Uncoupled Slot (54 EA) | Total Losses (W) | |
|---|---|---|---|---|---|
| Laminated silicon core loss (W) | 10.515 | 1.534 | 139.449 | 25.99 | 177.488 |
| Ferrite Core loss (W) | 0.252 | 0.009 | 0.599 | 1.868 | 2.728 |
| Total losses (W) | 10.767 | 1.543 | 140.048 | 27.858 | 180.216 |
| Simulation (Unit: mH) | Experiment (Experiment/Simulation %) | |
|---|---|---|
| (mH) | 2.713 | 2.274 (83.8%) |
| (mH) | 0.389 | 0.393 (101%) |
| (mH) | 2.323 | 1.881 (80.9%) |
| (mH) | 0.587 | 0.601 (102.3%) |
| (mH) | 0.389 | 0.393 (101%) |
| (mH) | 0.198 | 0.208 (105%) |
| Description | Designed | Measured | ||
|---|---|---|---|---|
| Primary voltage | (V) | 100 | ||
| Primary current | (A) | 5.745 | ||
| Primary power | (W) | 436.64 | ||
| Primary resistance | (Ω) | 1 | 0.955 | |
| Primary leakage inductance | (mH) | 2.323 | 1.881 | |
| Primary resonance capacitor | (μF) | 0.109 | ||
| Magnetizing inductance | (mH) | 0.389 | 0.393 | |
| Magnetizing current | (A) | 3.925 | ||
| Secondary load current | (A) | 3.693 | ||
| Secondary load resistance | (Ω) | 20 | ||
| Secondary resistance | (Ω) | 0.12 | 0.111 | |
| Secondary leakage inductance | (mH) | 0.198 | 0.208 | |
| Secondary resonance capacitor | (μF) | 1.217 | ||
| Secondary power | (W) | 272.72 | ||
| Efficiency: secondary power/primary power | (%) | 62.45 |
Publisher’s Note: MDPI stays neutral with regard to jurisdictional claims in published maps and institutional affiliations. |
© 2021 by the authors. Licensee MDPI, Basel, Switzerland. This article is an open access article distributed under the terms and conditions of the Creative Commons Attribution (CC BY) license (https://creativecommons.org/licenses/by/4.0/).
Share and Cite
Woo, H.; Park, J.-H.; Joo, C.; Ahn, H.; Kang, D.; Kim, T. Analysis of the Transformer Characteristics for an Integration System with a Wireless Power Transfer Device and Linear Motor. Energies 2021, 14, 6769. https://doi.org/10.3390/en14206769
Woo H, Park J-H, Joo C, Ahn H, Kang D, Kim T. Analysis of the Transformer Characteristics for an Integration System with a Wireless Power Transfer Device and Linear Motor. Energies. 2021; 14(20):6769. https://doi.org/10.3390/en14206769
Chicago/Turabian StyleWoo, Hwajin, Jang-Hyun Park, Changdae Joo, Hokyun Ahn, Dohyun Kang, and Taekue Kim. 2021. "Analysis of the Transformer Characteristics for an Integration System with a Wireless Power Transfer Device and Linear Motor" Energies 14, no. 20: 6769. https://doi.org/10.3390/en14206769
APA StyleWoo, H., Park, J.-H., Joo, C., Ahn, H., Kang, D., & Kim, T. (2021). Analysis of the Transformer Characteristics for an Integration System with a Wireless Power Transfer Device and Linear Motor. Energies, 14(20), 6769. https://doi.org/10.3390/en14206769

