A Self-Sensing Method for Electromagnetic Actuators with Hysteresis Compensation
Abstract
1. Introduction
2. Hysteresis Phenomena and Their Modeling
2.1. Electromagnetic Hysteresis
2.2. Modified Prandtl–Ishlinskii Model for Hysteresis Modeling
3. IDIM Technique for Estimation of the Incremental Inductance
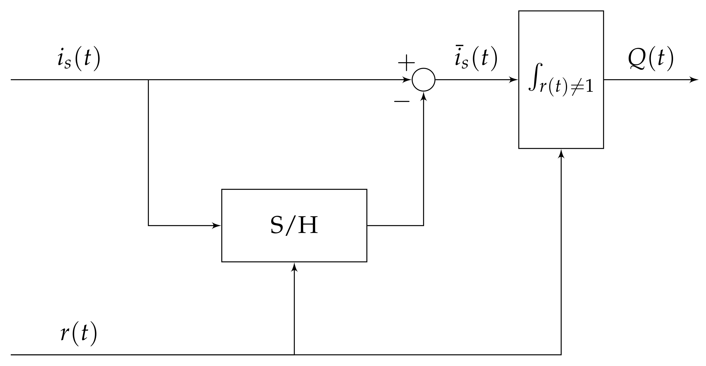
4. Hysteresis Compensation Based on Magnetic Circuit Model
5. Experimental Results
5.1. Experimental Results for Hysteresis Modeling
5.2. Position Estimation Results Using Self-Sensing with Hysteresis Compensation
6. Conclusions
7. Patents
Author Contributions
Funding
Institutional Review Board Statement
Informed Consent Statement
Acknowledgments
Conflicts of Interest
References
- Kallenbach, E.; Eick, R.; Ströhla, T.; Feindt, K.; Kallenbach, M.; Radler, O. Elektromagnete: Grundlagen, Berechnung, Entwurf und Anwendung, 5th ed.; Springer: Berlin/Heidelberg, Germany, 2017; OCLC: 1001340156. [Google Scholar]
- Kramer, T.; Weber, J.; Pflug, G.; Harnisch, B. Intelligent Condition Monitoring of Bi-stable Process Valves. In Fluid Power Networks; RWTH: Aachen, Germany, 2018; pp. 382–393. [Google Scholar] [CrossRef]
- Kramer, T.; Petzold, M.; Richter, S.; Weber, J.; Ohligschläger, O.; Müller, A. Investigations on Position Estimation and Motion Manipulation of Electromagnetic Driven Dosing Pumps Using Co-Simulation. In Fluid Power Systems Technology; American Society of Mechanical Engineers: New York, NY, USA, 2014; Volume 45974, p. V001T01A024. [Google Scholar] [CrossRef]
- Gadyuchko, A.; Kireev, V.; Rosenbaum, S. Magnetic Precision Measurement for Electromagnetic Actuators. In Proceedings of the IKMT 2015; 10. ETG/GMM-Symposium Innovative small Drives and Micro-Motor Systems, Cologne, Germany, 14–15 September 2015. [Google Scholar]
- Braun, T.; Reuter, J.; Rudolph, J. Sensorlose Positionsregelung eines hydraulischen Proportional-Wegeventils mittels Signalinjektion. at-Autom. 2017, 65. [Google Scholar] [CrossRef]
- Espinosa, A.; Ruiz, J.R.; Cusido, J.; Morera, X. Sensorless control and fault diagnosis of electromechanical contactors. IEEE Trans. Ind. Electron. 2008, 55, 3742–3750. [Google Scholar] [CrossRef]
- Richter, S. Ein Beitrag zur Integration von Maßnahmen der Funktionalen Sicherheit in Einen Geregelten Elektrohydraulischen Antrieb für Stationäre Anwendungen; Fluidmechatronische Systeme; Shaker: Herzogenrath, Germany, 2016. [Google Scholar]
- Eyabi, P.B. Modeling and Sensorless Control of Solenoidal Acutators. Ph.D. Thesis, The Ohio State University, Columbo, OH, USA, 2003. [Google Scholar]
- Braun, T.; Reuter, J.; Rudolph, J. Observer design for self-sensing of solenoid actuators with application to soft landing. IEEE Trans. Control. Syst. Technol. 2018, 27, 1720–1727. [Google Scholar] [CrossRef]
- Kučera, L. Zur Sensorlosen Magnetlagerung. Ph.D. Thesis, Eigenössische Technische Hochschule Zürich, Zürich, Switzerland, 1997. [Google Scholar]
- Ganev, E. Sensorless Position Measurement Method for Solenoid-Based Actuation Devices Using Inductance Variation. U.S. Patent US20070030619A1, 31 March 2009. [Google Scholar]
- Pawelczak, D.; Trankler, H.R. Sensorless position control of electromagnetic linear actuator. In Proceedings of the 21st IEEE Instrumentation and Measurement Technology Conference (IEEE Cat. No.04CH37510), Como, Italy, 8 November 2004; pp. 372–376. [Google Scholar] [CrossRef]
- Rahman, M.; Cheung, N.; Lim, K.W. Position estimation in solenoid actuators. IEEE Trans. Ind. Appl. 1996, 32, 552–559. [Google Scholar] [CrossRef]
- Rahman, M.; Cheung, N.; Lim, K. A sensorless position estimator for a nonlinear solenoid actuator. In Proceedings of IECON ’95-21st Annual Conference on IEEE Industrial Electronics, Orlando, FL, USA, 6–10 November 1995; Volume 2, pp. 1208–1213. [Google Scholar] [CrossRef]
- Li, L.; Shinshi, T.; Shimokohbe, A. State feedback control for active magnetic bearings based on current change rate alone. IEEE Trans. Magn. 2004, 40, 3512–3517. [Google Scholar] [CrossRef]
- Kamf, T.; Abrahamsson, J. Self-sensing electromagnets for robotic tooling systems: Combining sensor and actuator. Machines 2016, 4, 16. [Google Scholar] [CrossRef]
- Renn, J.C.; Chou, Y.S. Sensorless plunger position control for a switching solenoid. JSME Int. J. Ser. C 2004, 47, 637–645. [Google Scholar] [CrossRef][Green Version]
- Dülk, I.; Kovácsházy, T. A sensorless method for detecting spool position in solenoid actuators. Carpathian J. Electron. Comput. Eng. 2013, 6, 36–43. [Google Scholar]
- Glück, T.; Kemmetmüller, W.; Tump, C.; Kugi, A. A novel robust position estimator for self-sensing magnetic levitation systems based on least squares identification. Control. Eng. Pract. 2011, 19, 146–157. [Google Scholar] [CrossRef]
- Ahmed, S.; Van-Duc, D.; Koseki, T. Electromagnetic levitation control with sensorless large air gap detection for translational motion application using measured current-ripple slope. In Proceedings of the IECON 2016-42nd Annual Conference of the IEEE Industrial Electronics Society, Florence, Italy, 23–26 October 2016; pp. 4275–4280. [Google Scholar] [CrossRef]
- Noh, M.; Maslen, E. Self-sensing magnetic bearings using parameter estimation. IEEE Trans. Instrum. Meas. 1997, 46, 45–50. [Google Scholar] [CrossRef]
- Grasso, E.; König, N.; Nienhaus, M.; Merl, D. Verfahren und Vorrichtung zur Bestimmung Einer Induktivitätsangabe Eines Elektromagnetischen Aktuators. EP Patent EP3544173A1, 25 September 2019. [Google Scholar]
- König, N.; Nienhaus, M.; Grasso, E. Analysis of current ripples in electromagnetic actuators with application to inductance estimation techniques for sensorless monitoring. Actuators 2020, 9, 17. [Google Scholar] [CrossRef]
- Pawelczak, D.R. Nutzung Inhärenter Messeffekte von Aktoren und Methoden zur Sensorlosen Positionsmessung im Betrieb. Ph.D. Thesis, Bundeswehr University Munich, Munich, Germany, 2006. [Google Scholar]
- Straussberger, F.; Schwab, M.; Braun, T.; Reuter, J. New results for position estimation in electro-magnetic actuators using a modified discrete time class A/B model reference approach. In Proceedings of the 2014 19th International Conference on Methods and Models in Automation and Robotics (MMAR), Portland, OR, USA, 4–6 June 2014; pp. 229–234. [Google Scholar] [CrossRef]
- Straussberger, F.; Schwab, M.; Braun, T.; Reuter, J. Position estimation in electro-magnetic actuators using a modified discrete time class A/B model reference approach. In Proceedings of the 2014 American Control Conference, Portland, OR, USA, 4–6 June 2014; pp. 3686–3691. [Google Scholar] [CrossRef]
- König, N.; Nienhaus, M. A solution to ambiguities in position estimation for solenoid actuators by exploiting eddy current variations. Sensors 2020, 20, 3441. [Google Scholar] [CrossRef] [PubMed]
- Riccardi, L.; Naso, D.; Turchiano, B.; Janocha, H. Adaptive modified Prandtl-Ishlinskii model for compensation of hysteretic nonlinearities in magnetic shape memory actuators. In Proceedings of the IECON 2011-37th Annual Conference of the IEEE Industrial Electronics Society, Melbourne, Australia, 7–10 November 2011; pp. 56–61. [Google Scholar] [CrossRef]
- Ramirez-Laboreo, E.; Roes, M.G.L.; Sagues, C. Hybrid dynamical model for reluctance actuators including saturation, hysteresis, and eddy currents. IEEE/ASME Trans. Mechatron. 2019, 24, 1396–1406. [Google Scholar] [CrossRef]
- MacKenzie, I.; Trumper, D.L. Real-time hysteresis modeling of a reluctance actuator using a sheared-hysteresis-model observer. IEEE/ASME Trans. Mechatron. 2016, 21, 4–16. [Google Scholar] [CrossRef]
- Straußberger, F.; Reuter, J. Position estimation in electro-magnetic actuators taking into account hysteresis effects. IFAC-PapersOnLine 2016, 49, 206–212. [Google Scholar] [CrossRef]
- Kuhnen, K. Kompensation Komplexer Gedächtnisbehafteter Nichtlinearitäten in Systemen mit Aktiven Materialien: Grundlagen-Erweiterte Methoden-Anwendungen; Berichte aus der Steuerungs- und Regelungstechnik; Shaker: Aachen, Germany, 2008. [Google Scholar]
- Bozorth, R.M. Ferromagnetism; IEEE Press: Piscataway, NJ, USA, 1993. [Google Scholar]
- Rosenbaum, S.; Ströhla, T.; Kallenbach, E.; Janschek, K. Entwurf elektromagnetischer Aktoren unter Berücksichtigung von Hysterese; Number 2 in Ilmenauer Schriften zur Mechatronik; Univ.-Verl. Ilmenau: Ilmenau, Germany, 2011; OCLC: 766126996. [Google Scholar]
- Zou, M.; Sima, W.; Yang, M.; Li, L.; Yang, Q.; Sun, P. Improved low-frequency transformer model based on Jiles–Atherton hysteresis theory. IET Gener. Transm. Distrib. 2017, 11, 915–923. [Google Scholar] [CrossRef]
- Carpenter, K.; Warren, S. A wide bandwidth, dynamic hysteresis model for magnetization in soft ferrites. IEEE Trans. Magn. 1992, 28, 2037–2041. [Google Scholar] [CrossRef]
- Escobar, M.A.; Valenzuela, R.; Magaña, L.F. Analytical prediction of the magnetization curve and the ferromagnetic hysteresis loop. J. Appl. Phys. 1983, 54, 5935–5940. [Google Scholar] [CrossRef]
- Liorzou, F.; Phelps, B.; Atherton, D. Macroscopic models of magnetization. IEEE Trans. Magn. 2000, 36, 418–428. [Google Scholar] [CrossRef]
- Rizzello, G.; Mandolino, M.A.; Schmidt, M.; Naso, D.; Seelecke, S. An accurate dynamic model for polycrystalline shape memory alloy wire actuators and sensors. Smart Mater. Struct. 2019, 28, 025020. [Google Scholar] [CrossRef]
- Preisach, F. Über die magnetische Nachwirkung. Z. Phys. 1935, 94, 277–302. [Google Scholar] [CrossRef]
- Ismail, M.; Ikhouane, F.; Rodellar, J. The Hysteresis Bouc-Wen Model, a Survey. Arch. Comput. Methods Eng. 2009, 16, 161–188. [Google Scholar] [CrossRef]
- Xu, Q.; Li, Y. Modeling and control of rate-dependent hysteresis for a piezo-driven micropositioning stage. In Proceedings of the 2011 IEEE International Conference on Robotics and Automation, Shanghai, China, 9–13 May 2011; pp. 1670–1675. [Google Scholar] [CrossRef]
- Kuhnen, K. Modeling, Identification and Compensation of Complex Hysteretic Nonlinearities: A Modified Prandtl-Ishlinskii Approach. Eur. J. Control 2003, 9, 407–418. [Google Scholar] [CrossRef]
- Munz, C.D.; Westermann, T. Numerische Behandlung Gewöhnlicher und Partieller Differenzialgleichungen: Ein Interaktives Lehrbuch für Ingenieure; Springer: Berlin/Heidelberg, Germany, 2006. [Google Scholar]
- Salomon, S. Synthese Ferromagnetischer Kernmodelle auf Systemebene für Induktive Komponenten in der Leistungselektronik. Ph.D. Thesis, Saarland University, Saarbruecken, Germany, 2019. [Google Scholar]


















Publisher’s Note: MDPI stays neutral with regard to jurisdictional claims in published maps and institutional affiliations. |
© 2021 by the authors. Licensee MDPI, Basel, Switzerland. This article is an open access article distributed under the terms and conditions of the Creative Commons Attribution (CC BY) license (https://creativecommons.org/licenses/by/4.0/).
Share and Cite
König, N.; Carbon, Y.; Nienhaus, M.; Grasso, E. A Self-Sensing Method for Electromagnetic Actuators with Hysteresis Compensation. Energies 2021, 14, 6706. https://doi.org/10.3390/en14206706
König N, Carbon Y, Nienhaus M, Grasso E. A Self-Sensing Method for Electromagnetic Actuators with Hysteresis Compensation. Energies. 2021; 14(20):6706. https://doi.org/10.3390/en14206706
Chicago/Turabian StyleKönig, Niklas, Yannik Carbon, Matthias Nienhaus, and Emanuele Grasso. 2021. "A Self-Sensing Method for Electromagnetic Actuators with Hysteresis Compensation" Energies 14, no. 20: 6706. https://doi.org/10.3390/en14206706
APA StyleKönig, N., Carbon, Y., Nienhaus, M., & Grasso, E. (2021). A Self-Sensing Method for Electromagnetic Actuators with Hysteresis Compensation. Energies, 14(20), 6706. https://doi.org/10.3390/en14206706

