Low-Impact Current-Based Distributed Monitoring System for Medium Voltage Networks
Abstract
:1. Introduction
2. Motivation and Algorithm
2.1. Motivation
2.2. The Algorithm
- Current monitoring and load profile generation.
- Phase estimation of the voltage at the load nodes.
3. Distributed Monitoring System
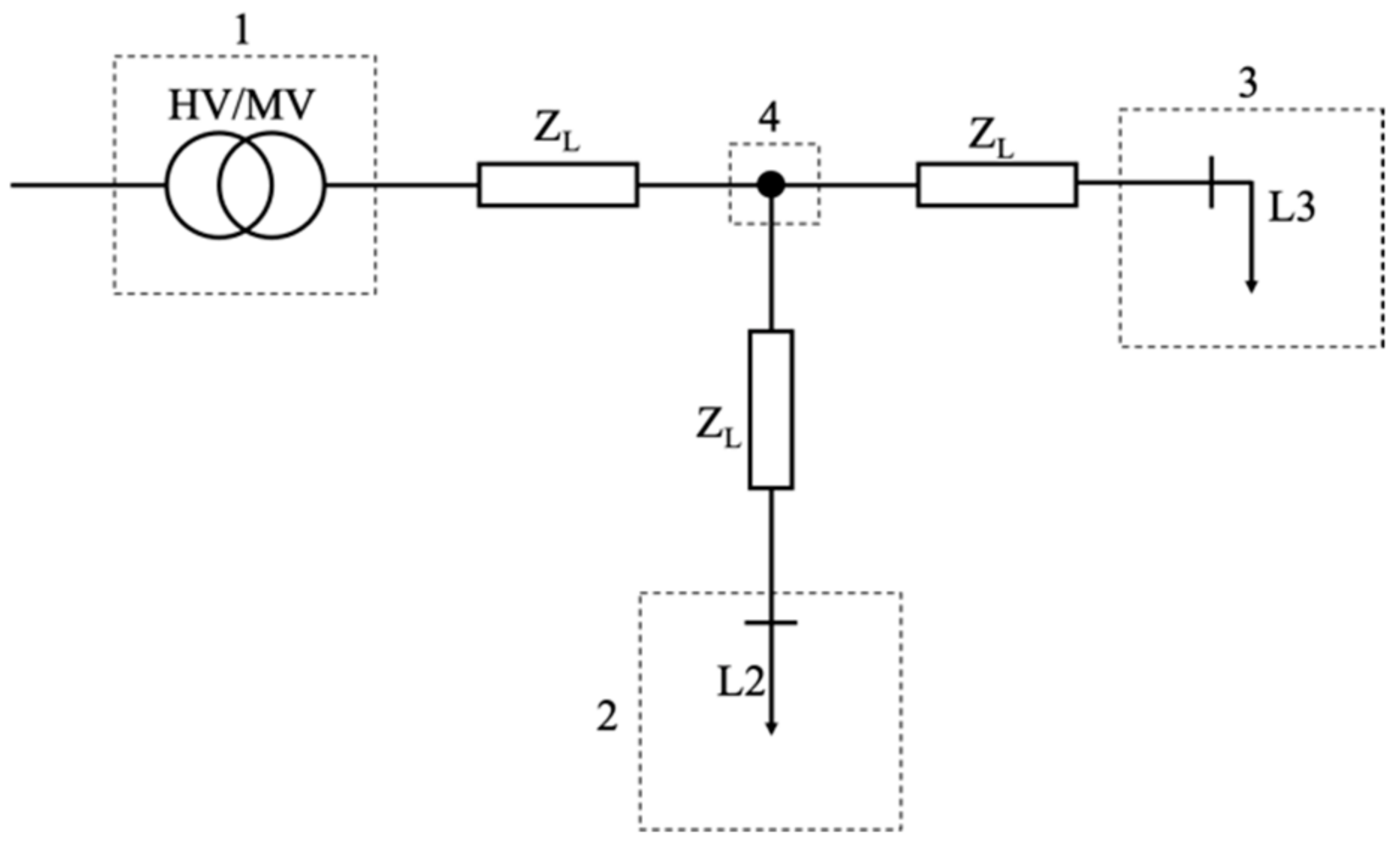
3.1. Four-Nodes Network
3.1.1. Description
3.1.2. DMS Positioning and Comments
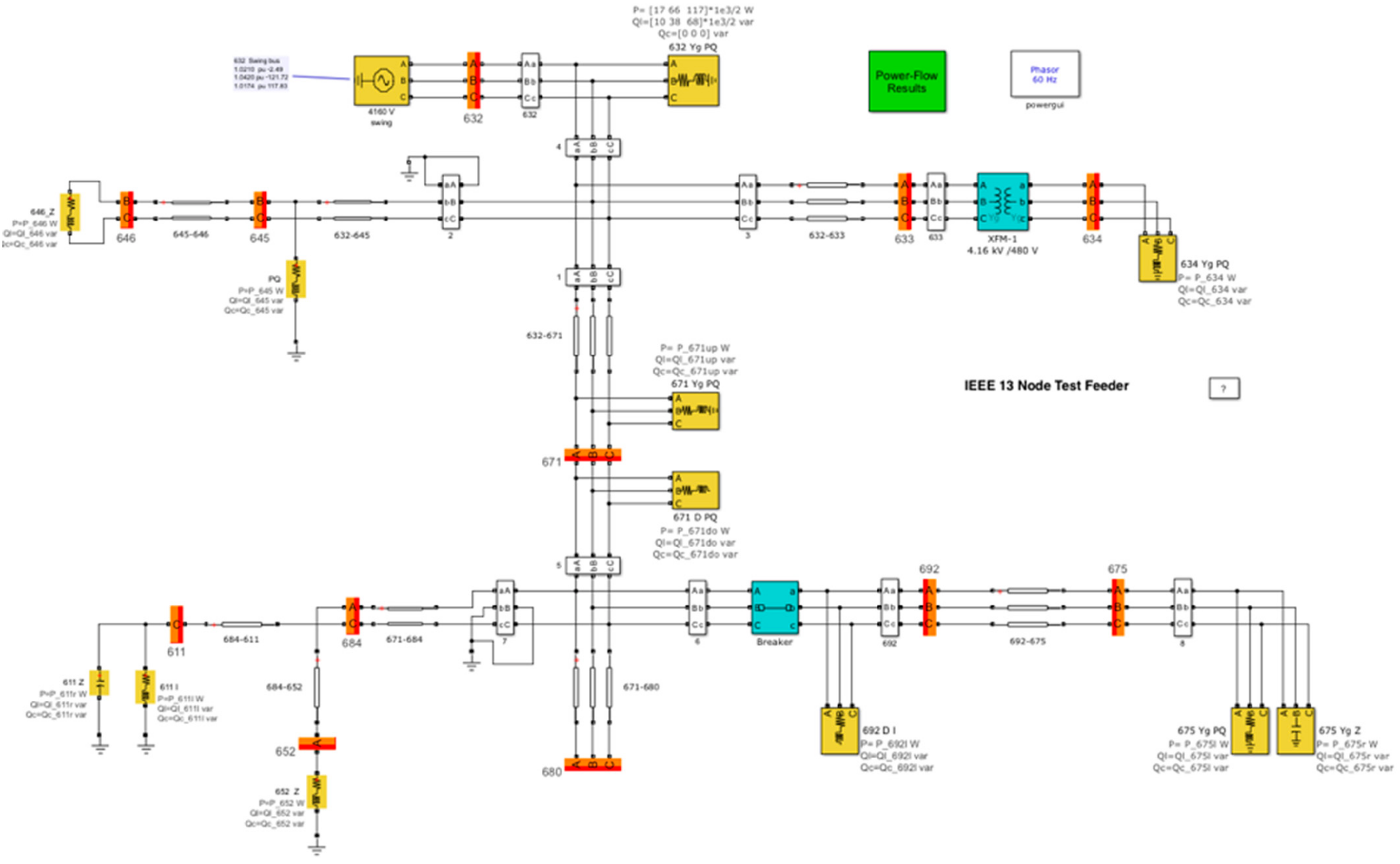
3.2. IEEE 13-Bus Test Feeder
3.2.1. Description
3.2.2. DMS and Comments
4. Validation
4.1. Four-Nodes Network
4.1.1. Simulation Details
4.1.2. Simulation Tests
4.1.3. Simulation Results
4.2. IEEE 13-Bus Test Feeder
4.2.1. Simulation Details
4.2.2. Simulation Tests
- Node 680 is just a terminal; no load is connected.
- Nodes 652 and 611 are loads connected with a very short wire to Node 684. Therefore, combining the two burdens the information on Node 684 can be found.
- Between Node 633 and 634 there is a transformer; therefore, considering negligible the phase distortion that it introduces, the phase of the voltage at node 633 can be obtained.
- There are no loads between Node 692 and Node 675. Therefore, the voltage phase of the two nodes differs by the amount introduced by the line impedance. Such contribution can be easily removed for the sake of algorithm validation (or corrected if a SO knows its line impedances).
4.2.3. Simulation Results
4.3. Uncertainty Propagation
4.3.1. Introduction
- The sensors used to measure the currents used by the PMUs;
- The PMUs;
- The sensors used to measure the voltages and currents needed for the power computation (inside the RGDM or whatever energy meter).
- The energy/power meters.
4.3.2. Monte Carlo Method
5. Conclusions
Author Contributions
Funding
Conflicts of Interest
References
- Hammer, B.; Fuhr, C.; Hanson, J.; Konigorski, U. Differences of power flows in transmission and distribution networks and implications on inverter droop control. In Proceedings of the ICCEP 2019—7th International Conference on Clean Electrical Power: Renewable Energy Resources Impact, Otranto, Italy, 2–4 July 2019; pp. 46–54. [Google Scholar]
- Erick, A.O.; Folly, K.A. Reinforcement Learning Approaches to Power Management in Grid-tied Microgrids: A Review. In Proceedings of the 2020 Clemson University Power Systems Conference (PSC), Clemson, SC, USA, 10–13 March 2020; pp. 1–6. [Google Scholar]
- Antonelli, M.; Desideri, U.; Franco, A. Effects of large scale penetration of renewables: The Italian case in the years 2008–2015. Renew. Sustain. Energy Rev. 2018, 81, 3090–3100. [Google Scholar] [CrossRef]
- Dias, T.C.; Roque, L.A.A.M.; Ribeiro, P.F. Power electronics in the context of renewables, power quality and smart grids. In Proceedings of the International Conference on Harmonics and Quality of Power, ICHQP, Belo Horizonte, Brazil, 16–19 October 2016; pp. 170–175. [Google Scholar]
- Fu, Q.; Montoya, L.F.; Solanki, A.; Nasiri, A.; Bhavaraju, V.; Abdallah, T.; Yu, D.C. Microgrid Generation Capacity Design with Renewables and Energy Storage Addressing Power Quality and Surety. IEEE Trans. Smart Grid 2012, 3, 2019–2027. [Google Scholar] [CrossRef]
- Al-Badi, A.H.; Ahshan, R.; Hosseinzadeh, N.; Ghorbani, R.; Hossain, E. Survey of Smart Grid Concepts and Technological Demonstrations Worldwide Emphasizing on the Oman Perspective. Appl. Syst. Innov. 2020, 3, 5. [Google Scholar] [CrossRef] [Green Version]
- Mingotti, A.; Peretto, L.; Tinarelli, R. A novel equivalent power network impedance approach for assessing the time reference in asynchronous measurements. In Proceedings of the I2MTC 2017—2017 IEEE International Instrumentation and Measurement Technology Conference, Turin, Italy, 22–25 May 2017. [Google Scholar]
- Mingotti, A.; Peretto, L.; Tinarelli, R. An equivalent synchronization for phasor measurements in power networks. In Proceedings of the AMPS 2017—IEEE International Workshop on Applied Measurements for Power Systems, Liverpool, UK, 20–22 September 2017. [Google Scholar]
- Gao, W.; Tang, N.; Mu, X. A distribution network reconfiguration algorithm based on hopfield neural network. In Proceedings of the 4th International Conference on Natural Computation, ICNC, Jinan, China, 18–20 October 2008. [Google Scholar]
- Muhamedagic, A.; Mujezinovic, A. State estimation algorithm for radial distribution networks. In Proceedings of the ICAT 2017—26th International Conference on Information, Communication and Automation Technologies, Sarajevo, Bosna i Hercegovina, 26–28 October 2017. [Google Scholar]
- IEC 61869-6:2016. Instrument Transformers—Part 6: Additional General Requirements for Low-Power Instrument Transformers; International Standardization Organization: Geneva, Switzerland, 2016. [Google Scholar]
- Almutairi, S.; Miao, Z.; Fan, L. Performance of Branch-Current Based Distribution System State Estimation. In Proceedings of the 2018 North American Power Symposium (NAPS), Fargo, ND, USA, 9–11 September 2018; pp. 1–6. [Google Scholar]
- Baran, M. Branch current based state estimation for distribution system monitoring. In Proceedings of the 2012 IEEE Power and Energy Society General Meeting, San Diego, CA, USA, 22–26 July 2012; pp. 1–4. [Google Scholar]
- Noopura, S.P.; Kumar, R.J.R.; Jain, A.; Jayan, M.V. Fast decoupled state estimation based on current equations. In Proceedings of the 2015 IEEE Innovative Smart Grid Technologies—Asia, ISGT ASIA, Bangkok, Thailand, 3–6 November 2015. [Google Scholar]
- Pau, M.; Pegoraro, P.A.; Sulis, S. Efficient Branch-Current-Based Distribution System State Estimation Including Synchronized Measurements. IEEE Trans. Instrum. Meas. 2013, 62, 2419–2429. [Google Scholar] [CrossRef]
- Xu, G.W.; Zheng, R.J.; Chang, K.-C. Design of Leakage Current Monitoring System for Low Voltage Power Grid Based on NB-IoT; Springer: Berlin/Heidelberg, Germany, 2021. [Google Scholar]
- Yu, M.; Han, Y. Auto-monitoring System for Residual Current Circuit Breakers. IEEJ Trans. Electr. Electron. Eng. 2021, 16, 842–851. [Google Scholar] [CrossRef]
- IEEE PES AMPS DSAS Test Feeder Working Group. Available online: https://site.ieee.org/pes-testfeeders/resources/ (accessed on 25 July 2021).
- Prettico, G.; Flammini, M.G.; Andreadou, N.; Vitiello, S.; Fulli, G.; Masera, M. Distribution System Operators Observatory 2018, Overview of the Electricity Distribution System in Europe; JRC Science for Policy Report; European Commission: Ispra, Italy, 2019. [Google Scholar]
- Peretto, L.; Tinarelli, R.; Ghaderi, A.; Mingotti, A.; Mazzanti, G.; Valtorta, G.; Amoroso, G.; Danesi, S. Monitoring Cable current and Laying Environment Parameters for Assessing the Aging Rate of MV Cable Joint Insulation. In Proceedings of the 2018 IEEE Conference on Electrical Insulation and Dielectric Phenomena (CEIDP), Cancun, Mexico, 21–24 October 2018; pp. 390–393. [Google Scholar]
- Alsheryani, R.M.; Alkaabi, S.S.; Alkaabi, S.S.; Aldhaheri, A.M.; Khouri, F.I.; Alharmoodi, S.I.; Alhajeri, A.S. Applying artificial intelligence (AI) for predictive maintenance of power distribution networks: A case study of al ain distribution company. In Proceedings of the 2019 International Conference on Electrical and Computing Technologies and Applications ICECTA 2019, Ras Al Khaimah, United Arab Emirates, 19–21 November 2019. [Google Scholar]
- Biasse, J.-M.; Ferraro, V.; Brun, P.; Yang, Y.; Wang, G. New features for MV switchgear are now available to move to condition based maintenance. In Proceedings of the CMD 2016—International Conference on Condition Monitoring and Diagnosis 2016, Xi’an, China, 25–28 September 2016; pp. 198–201. [Google Scholar]
- Osladil, M.; Kozubik, L. Smart asset management in view of recent analytical technologies. In Proceedings of the 2015 16th International Scientific Conference on Electric Power Engineering, EPE, Kouty nad Desnou, Czech Republic, 20–22 May 2015; pp. 60–62. [Google Scholar]
- Zavoda, F.; Lemire, R.; Abbey, C. Implementing predictive distribution maintenance using a universal controller. In Proceedings of the IEEE Power Engineering Society Transmission and Distribution Conference, Chicago, IL, USA, 14–17 April 2014. [Google Scholar]
- Bingham, R.P. Measurement instruments for power quality monitoring. In Proceedings of the 2008 IEEE/PES Transmission and Distribution Conference and Exposition, Chicago, IL, USA, 21–24 April 2008. [Google Scholar]
- Issouribehere, P.E.; Barbero, J.C.; Issouribehere, F.; Barbera, G.A. Power quality measurements in a steel industry with electric arc furnaces. In Proceedings of the 2008 IEEE Power and Energy Society General Meeting—Conversion and Delivery of Electrical Energy in the 21st Century, Pittsburgh, PA, USA, 20–24 July 2008. [Google Scholar]
- Stanciu, N.; Stanescu, D.; Szabo, W. Evaluating measurement uncertainty in electric current measurement in PQ determination. Eurocon 2013, 815–822. [Google Scholar] [CrossRef]
- Mingotti, A.; Peretto, L.; Tinarelli, R.; Zhang, J. Use of COMTRADE fault current data to test inductive current transformers. In Proceedings of the 2019 IEEE International Workshop on Metrology for Industry 4.0 and IoT, MetroInd 4.0 and IoT, Naples, Italy, 4–6 June 2019; pp. 103–107. [Google Scholar]
- IEC 60255-1:2009. Measuring Relays and Protection Equipment—Part 1: Common Requirements; International Standardization Organization: Geneva, Switzerland, 2009. [Google Scholar]
- Li, R.; Gu, C.; Zhang, Y.; Li, F. Implementation of load profile test for electricity distribution networks. In Proceedings of the 2012 IEEE Power and Energy Society General Meeting, San Diego, CA, USA, 22–26 July 2012. [Google Scholar]
- Ramos, S.; Duarte, J.M.M.; Soares, J.; Vale, Z.; Duarte, F.J. Typical load profiles in the smart grid context a clustering methods comparison. In Proceedings of the IEEE Power and Energy Society General Meeting, San Diego, CA, USA, 22–26 July 2012. [Google Scholar]
- Gentilini, I.; Weichold, J.; Calone, R.; Bolcato, G.; Giammanco, F.; Stalder, M. The smart termination: An innovative component to enable smart grids development. In Proceedings of the 22nd International Conference and Exhibition on Electricity Distribution, Stockholm, Sweden, 10–13 June 2013. [Google Scholar]
- Mingotti, A.; Peretto, L.; Tinarelli, R.; Angioni, A.; Monti, A.; Ponci, F. A Simple Calibration Procedure for an LPIT plus PMU System Under Off-Nominal Conditions. Energies 2019, 12, 4645. [Google Scholar] [CrossRef] [Green Version]
- Besagni, G.; Vilà, L.P.; Borgarello, M. Italian Household Load Profiles: A Monitoring Campaign. Buildings 2020, 10, 217. [Google Scholar] [CrossRef]
- Pilo, F.; Pisano, G.; Troncia, M. Updated Typical Daily Load Profiles for LV Distribution Networks Customers. In Proceedings of the 2019 1st International Conference on Energy Transition in the Mediterranean Area (SyNERGY MED), Cagliari, Italy, 28–30 May 2019; pp. 1–6. [Google Scholar]
- Tang, X.; Hasan, K.N.; Milanovic, J.V.; Bailey, K.; Stott, S.J.; Sgtott, S.J. Estimation and Validation of Characteristic Load Profile through Smart Grid Trials in a Medium Voltage Distribution Network. IEEE Trans. Power Syst. 2017, 33, 1848–1859. [Google Scholar] [CrossRef]
- IEC 61869-10:2018. Instrument Transformers—Part 10: Additional Requirements for Low-Power PASSIVE Current Transformers; International Standardization Organization: Geneva, Switzerland, 2018. [Google Scholar]
- IEC 61869-11:2018. Instrument Transformers—Part 11: Additional Requirements for Low-POWER Passive Voltage Transformers; International Standardization Organization: Geneva, Switzerland, 2018. [Google Scholar]
- IEC 50470-2:2006+A1:2018. Electricity Metering Equipment (a.c.)—Part 2: Particular Requirements—Electromechanical Meters for Active Energy (Class Indexes A and B); International Standardization Organization: Geneva, Switzerland, 2018. [Google Scholar]











| Node A | Node B | Length [m] |
|---|---|---|
| 632 | 645 | 152.40 |
| 632 | 633 | 152.40 |
| 633 | 634 | 0 |
| 645 | 646 | 91.44 |
| 650 | 632 | 609.60 |
| 684 | 652 | 243.84 |
| 632 | 671 | 609.60 |
| 671 | 684 | 91.44 |
| 671 | 680 | 304.80 |
| 671 | 692 | 0 |
| 684 | 611 | 91.44 |
| 692 | 675 | 152.40 |
| Node | Ph-1 | Ph-1 | Ph-2 | Ph-2 | Ph-3 | Ph-3 |
|---|---|---|---|---|---|---|
| [kW] | [kVAr] | [kW] | [kVAr] | [kW] | [kVAr] | |
| 634 | 160 | 110 | 120 | 90 | 120 | 90 |
| 645 | 0 | 0 | 170 | 125 | 0 | 0 |
| 646 | 0 | 0 | 230 | 132 | 0 | 0 |
| 652 | 128 | 86 | 0 | 0 | 0 | 0 |
| 671 | 385 | 220 | 385 | 220 | 385 | 220 |
| 675 | 485 | 190 | 68 | 60 | 290 | 212 |
| 692 | 0 | 0 | 0 | 0 | 170 | 151 |
| 611 | 0 | 0 | 0 | 0 | 170 | 80 |
| Node A | Node B | Ph-1 | Ph-1 | Ph-2 | Ph-2 | Ph-3 | Ph-3 |
|---|---|---|---|---|---|---|---|
| [kW] | [kVAr] | [kW] | [kVAr] | [kW] | [kVAr] | ||
| 632 | 671 | 17 | 10 | 66 | 38 | 117 | 68 |
| System Frequency | Voltage Supply | Line Resistance |
| 50 Hz | 20/√3 kV | 0.254 Ω/km |
| Simulation Step | Simulation Duration | Line Inductance |
| 10 μs | 10 s | 0.126 H/km |
| Node | Phase | |||
|---|---|---|---|---|
| 634 | Ph-1 | −0.056484 | −0.056001 | −0.483 |
| Ph-2 | −2.133224 | 2.132830 | −0.394 | |
| Ph-3 | 2.048198 | 2.047500 | 0.628 | |
| 645 | Ph-2 | −2.124545 | −2.124414 | 0.131 |
| Ph-3 | 2.057026 | 2.056521 | 0.504 | |
| 684 | Ph-1 | −0.092590 | −0.092203 | −0.387 |
| Ph-3 | 2.021923 | 2.024673 | −0.749 | |
| 692 | Ph-1 | −0.092375 | −0.092200 | −0.174 |
| Ph-2 | −2.136525 | −2.135578 | −0.947 | |
| Ph-3 | 2.025248 | 2.024673 | 0.574 |
Publisher’s Note: MDPI stays neutral with regard to jurisdictional claims in published maps and institutional affiliations. |
© 2021 by the authors. Licensee MDPI, Basel, Switzerland. This article is an open access article distributed under the terms and conditions of the Creative Commons Attribution (CC BY) license (https://creativecommons.org/licenses/by/4.0/).
Share and Cite
Mingotti, A.; Peretto, L.; Tinarelli, R. Low-Impact Current-Based Distributed Monitoring System for Medium Voltage Networks. Energies 2021, 14, 5308. https://doi.org/10.3390/en14175308
Mingotti A, Peretto L, Tinarelli R. Low-Impact Current-Based Distributed Monitoring System for Medium Voltage Networks. Energies. 2021; 14(17):5308. https://doi.org/10.3390/en14175308
Chicago/Turabian StyleMingotti, Alessandro, Lorenzo Peretto, and Roberto Tinarelli. 2021. "Low-Impact Current-Based Distributed Monitoring System for Medium Voltage Networks" Energies 14, no. 17: 5308. https://doi.org/10.3390/en14175308
APA StyleMingotti, A., Peretto, L., & Tinarelli, R. (2021). Low-Impact Current-Based Distributed Monitoring System for Medium Voltage Networks. Energies, 14(17), 5308. https://doi.org/10.3390/en14175308
