Design and Implementation of an Intelligent ANFIS Controller on a Raspberry Pi Nano-Computer for Photovoltaic Pumping Intended for Drip Irrigation
Abstract
:1. Introduction
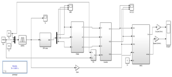
2. Photovoltaic Pumping System
3. Design and Implementation of the Intelligent Controller
- Train data (temperature, irradiation and flow rate);
- Train error with 1000 epochs that tends toward zero (Figure 15);
- Generate FIS;
- Export data to workspace;
- Build the Fuzzy Inference System (FIS) file.
- Update Raspbian to the latest version;
- Enable I2C and SPI Protocol;
- Install smbus and I2C python library;
- Raspberry Pi, I2C 1602 LCD, sensors and control shield Pin connection;
- Testing hardware;
- Download and Run the python code (respecting a precise algorithm introduced in Figure 22).
4. Results and Discussion
5. Conclusions
Author Contributions
Funding
Institutional Review Board Statement
Informed Consent Statement
Conflicts of Interest
References
- Hassainya, J. Irrigation et Développement Agricole L’expérience Tunisienne; CIHEAM: Montpellier, France, 1991; pp. 1–217. [Google Scholar]
- Chebbi, H.E.; Pellissier, J.-P.; Khechimi, W.; Rolland, J.-P. Rapport de Synthèse sur lAagriculture en Tunisie; Research Report; CIHEAM-IAMM: Montpellier, France, 2019; p. 99. [Google Scholar]
- Rassa, B.; Harbaoui Zrelli, M. Perspectives des Énergies Renouvelables à L’échelle Locale en Tunisie; Solidar: Tunis, Tunisia, 2019. [Google Scholar]
- Tractepel, E. Projets D’énergie Renouvelable en Tunisie; GIZ: Tunis, Tunisia, 2019. [Google Scholar]
- Ministère de L’économe, des Finances et de la Relance. Available online: https://www.tresor.economie.gouv.fr/Articles/11e2817f-27c4-430e-9126-1fa256e729e0/files/aa18f0c7-4bde-4de4-8aef-4e54fb2c83a6 (accessed on 20 January 2021).
- Bellahirich, S. Modélisation et Analyse Structurelle par Bond Graph d’un Système d’Irrigation Photovoltaïque. Master’s thesis, FST, Tunis, Tunisia, 2018. [Google Scholar]
- Mezghani, D. Modélisation par Bond Graph, Conception des lois de Commande Robustes pour des Systèmes de Pompage Hybrides Photovoltaïque-Éolien et Implémentation sur des Cibles Embarquées. In Proceedings of the International Meeting on Advanced Technologies in Energy and Electrical Engineering; University Habilitation; FST: Tunis, Tunisia, 2017. [Google Scholar]
- Jain, R.K.; Barry, V.R.; Varma, G.H.K. Model based design and sliding mode control approach for two stage water pumping system with reduced sensors. IEEE J. Emerg. Sel. Top. Power Electron. 2021. [Google Scholar] [CrossRef]
- Benyezza, H.; Bouhedda, M.; Rebouh, S. Zoning irrigation smart system based on fuzzy control technology and IoT for water and energy saving. J. Clean. Prod. 2021, 302, 127001. [Google Scholar] [CrossRef]
- Kashyap, P.K.; Kumar, S.; Jaiswal, A.; Prasad, M.; Gandomi, A.H. Towards precision agriculture: Iot-enabled intelligent irrigation systems using deep learning neural network. IEEE Sens. J. 2021, 21, 17479–17491. [Google Scholar] [CrossRef]
- Koochaksaraei, A.A.; Izadfar, H. High-Efficiency MPPT Controller Using ANFISreference Model For Solar Systems. In Proceedings of the IEEE 5th Conference on Knowledge-Based Engineering and Innovation, Iran University of Science and Technology; IEEE: Tehran, Iran, 2019. [Google Scholar]
- Arti, C.H. Iot based smart irrigation system using arduino. Int. J. Adv. Sci. Res. Eng. Trends 2021, 6, 24566-0774. [Google Scholar]
- Mezghani, D.; Mami, A.; Dauphin-Tanguy, G. Bond Graph Modelling and Control Enhancement of an Off-Grid Hybrid Pumping system by Frequency Optimization; John Wiley & Sons, Ltd: Hoboken, NJ, USA, 2020; pp. 1–20. [Google Scholar]
- Martin, S.; Giovanni, M.; Javier, S.A. Techniques D’irrigation Pour les Agriculteurs à Petite Échelle; FAO: Rome, Italy, 2014. [Google Scholar]
- Darouich, H.M.; Celestina, M.G.; Goncalves, J.M.; Pereira, L.S. Drip vs. surface irrigation: A comparison focussing on water saving and economic returns using multicriteria analysis applied to cotton. Research article. Byosyst. Eng. 2014, 122, 74–90. [Google Scholar] [CrossRef]
- Lebdi, F. Irrigation for Agricultural Transformation; Joint Research Between: African Center for Economic Transformation (ACET) and Japan International Cooperation Agency Research Institute; JICA-RI: Tokyo, Japan, 2016. [Google Scholar]
- Laure, D. Renewable Energy Solutions for the Mediterranean; RES4MED: Rome, Italy, 2016. [Google Scholar]
- Nejib, O.; Ridha, B.; Afef, C.; Habib, M.; Habi, N. Quel Mix Energitique pour la Tunisie? Republic of Tunisia, Ministry of Industry: Tunis, Tunisia, 2013; Volume 85. [Google Scholar]
- Hamzi, H. L’énergie solaire et les enjeux énergétiques Tunisie-europe: Vers une intégration régionale. BSGLg 2018, 70, 35–57. [Google Scholar]
- STEG. Available online: https://www.steg.com.tn/fr/evt/etudes_environnementales_et_sociales.html (accessed on 20 January 2021).
- Döring, M.; Far, S.; MarroukI, S.; Elgolli, R. Energy for the Future; Mena Select: Bonn, Germany, 2018. [Google Scholar]
- Mezghani, D.; Othmani, H.; Mami, A. Bond graph modeling and robust control of a photovoltaic generator that powered an induction motor pump via SEPIC converter. Int. Trans. Electr. Energ. Syst. 2018, e2746. [Google Scholar] [CrossRef]
- Allani, M.Y.; Tadeo, F.; Mezghani, D.; Mami, A. FPGA Implementation of a robust MPPT of a photovoltaic system using a fuzzy logic controller based on incremental and conductance algorithm. Eng. Technol. Appl. Sci. Res. 2019, 9, 4322–4328. [Google Scholar] [CrossRef]
- Cartailler, J.; Rocca-Poliméni, R. Le Raspberry Pi: Un Nano-Ordinateur au Service de la Science et de L’enseignement. 1. INRA, UMR1145, Ingénierie Procédés Aliments, AgroParisTech; Université Paris-Saclay: Massy, France, 2016. [Google Scholar]
- Richardson, M.; Wallace, S. Getting Started with Raspberry Pi; Maker Media: Sebastopol, Russia, 2013. [Google Scholar]
- Raspberry Pi: Measure, Record, Explore. Available online: https://leanpub.com/RPiMRE/read (accessed on 3 January 2021).
- BMOW. Available online: https://www.bigmessowires.com/2018/05/26/raspberry-pi-gpio-programming-in-c/ (accessed on 3 January 2021).
- ELSYS DESIGN. Available online: https://www.elsys-design.com/fr/prototyper-carte-electronique/ (accessed on 3 January 2021).
- University of Cambridge. Available online: https://www.cl.cam.ac.uk/projects/raspberrypi/tutorials/temperature/ (accessed on 4 January 2021).
- KUBII. Available online: https://www.framboise314.fr/scratch-raspberry-pi-composants/module-detecteur-de-lumiere-a-ldr/ (accessed on 4 January 2021).
- Freva.com. Available online: https://www.freva.com/fr/2019/06/12/capteur-de-lumiere-photoresistance-avec-raspberry-pi/ (accessed on 4 January 2021).
- SensorKit X40 Wiki. Available online: https://sensorkit.fr.joy-it.net/index.php?title=KY-018_Module_%C3%A0_photor%C3%A9sistance_LDR (accessed on 4 January 2021).
- Adafruit. Available online: https://learn.adafruit.com/adafruits-raspberry-pi-lesson-11-ds18b20-temperature-sensing/ds18b20 (accessed on 4 January 2021).
- Adafruit. Available online: https://learn.adafruit.com/photocells/using-a-photocell (accessed on 4 January 2021).
- Circuit Basics. Available online: https://www.circuitbasics.com/logging-sensor-data-to-the-cloud-using-the-raspberry-pi/ (accessed on 5 January 2021).
- Circuit Basics. Available online: http://www.manuel-esteban.com/lire-une-sonde-dht22-avec-un-raspberry-pi/ (accessed on 5 January 2021).
- Adafruit. Available online: https://learn.adafruit.com/dht-humidity-sensing-on-raspberry-pi-with-gdocs-logging (accessed on 5 January 2021).
- Adafruit. Available online: https://learn.adafruit.com/character-lcd-with-raspberry-pi-or-beaglebone-black/usage (accessed on 7 January 2021).
- Circuit Basics. Available online: https://www.circuitbasics.com/raspberry-pi-i2c-lcd-set-up-and-programming/ (accessed on 7 January 2021).
- OSOYOO. Available online: https://osoyoo.com/2016/12/01/use-raspberry-pi-display-temperaturehumidity-to-i2c-lcd-screen/ (accessed on 7 January 2021).
- Robot-maker.com. Available online: https://www.robot-maker.com/shop/blog/10_Arduino-Raspberry-Pi.html (accessed on 29 January 2021).
- Respberry Pi Spy—Unofficial Pi Tutorials, Guides and News. Available online: https://www.raspberrypi-spy.co.uk/2015/05/using-an-i2c-enabled-lcd-screen-with-the-raspberry-pi/ (accessed on 7 January 2021).
- Chaouali, H.; Othmani, H.; Mezghani, D.; Mami, A. Enhancing classic IFOC with fuzzy logic technique for speed control of a 3~Ebara Pra-50 Moto-Pump. In Proceedings of the 17th IEEE International Conference on Sciences and Techniques of Automatic Control & Computer Engineering, Sousse, Tunisia, 19–21 December 2016. [Google Scholar]
- Khatib, T.; Saleh, A.; Eid, S.; Salah, M. Rehabilitation of Mauritanian oasis using an optimal photovoltaic based irrigation system. Energy Convers. Manag. 2019, 199, 111984. [Google Scholar] [CrossRef]


























| Data Base Inputs | Data Base Outputs | Simulation Results | Experimental Results | |||
|---|---|---|---|---|---|---|
| T (°C) | Ec (W/m2) | Q (L/min) | fs (Hz) Vector + Fuzzy Control | fs (Hz) Triangular Membership Function | fs (Hz) Gaussian Membership Function | fs (Hz) Gaussian Membership Function |
| 27 | 452.1 | 0 | 35 | 35.5999 | 35.6000 | 36.2000 |
| 27.8 | 515.9 | 19 | 35.6 | 36.7999 | 36.8000 | 36.2000 |
| 28.3 | 578.1 | 28 | 36.8 | 37.6999 | 37.9667 | 37.5000 |
| 29 | 672.2 | 25.4 | 37.7 | 37.9980 | 37.9982 | 38.5000 |
| 29.3 | 745.3 | 23.8 | 37.3 | 37.9998 | 38.0000 | 38.5000 |
| 29.4 | 921.85 | 25.6 | 38 | 38.6995 | 38.6995 | 38.5000 |
| 29.6 | 877.31 | 28.4 | 38.7 | 39.3004 | 39.3006 | 38.5000 |
| 30 | 893.2 | 27.2 | 39.3 | 40.4997 | 40.4996 | 41.0000 |
| 30.7 | 922.7 | 26.4 | 40.5 | 41.7000 | 41.7000 | 41.0000 |
| 31.6 | 1076.47 | 29 | 41.7 | 43.9998 | 44.0001 | 44.5000 |
| 32 | 1015.9 | 31.6 | 44 | 45.9999 | 45.9999 | 46.0000 |
Publisher’s Note: MDPI stays neutral with regard to jurisdictional claims in published maps and institutional affiliations. |
© 2021 by the authors. Licensee MDPI, Basel, Switzerland. This article is an open access article distributed under the terms and conditions of the Creative Commons Attribution (CC BY) license (https://creativecommons.org/licenses/by/4.0/).
Share and Cite
Bellahirich, S.; Mezghani, D.; Mami, A. Design and Implementation of an Intelligent ANFIS Controller on a Raspberry Pi Nano-Computer for Photovoltaic Pumping Intended for Drip Irrigation. Energies 2021, 14, 5217. https://doi.org/10.3390/en14175217
Bellahirich S, Mezghani D, Mami A. Design and Implementation of an Intelligent ANFIS Controller on a Raspberry Pi Nano-Computer for Photovoltaic Pumping Intended for Drip Irrigation. Energies. 2021; 14(17):5217. https://doi.org/10.3390/en14175217
Chicago/Turabian StyleBellahirich, Siwar, Dhafer Mezghani, and Abdelkader Mami. 2021. "Design and Implementation of an Intelligent ANFIS Controller on a Raspberry Pi Nano-Computer for Photovoltaic Pumping Intended for Drip Irrigation" Energies 14, no. 17: 5217. https://doi.org/10.3390/en14175217
APA StyleBellahirich, S., Mezghani, D., & Mami, A. (2021). Design and Implementation of an Intelligent ANFIS Controller on a Raspberry Pi Nano-Computer for Photovoltaic Pumping Intended for Drip Irrigation. Energies, 14(17), 5217. https://doi.org/10.3390/en14175217

